Die Lieferung von Bestellungen nach Österreich erfolgt je nach Bestimmungsort normalerweise innerhalb von 48 Stunden.
Kostenlose Lieferung nach Österreich für Bestellungen im Wert von 50 EUR oder mehr. Für Bestellungen im Wert von unter 50 EUR werden Versandkosten in Höhe von 18 EUR berechnet.
UPS-Fracht im Voraus bezahlt: DDP (Zoll- und Einfuhrgebühren bezahlt von DigiKey)
FedEx- oder DHL-Fracht im Voraus bezahlt: CPT (Zoll- und Einfuhrgebühren sowie Umsatzsteuer sind zum Zeitpunkt der Lieferung fällig)
Rechnungskonto für qualifizierte Institutionen und Unternehmen
Vorauszahlung per Banküberweisung
![]()
![]()
![]()
![]()


Weitere Produkte von vollständig autorisierten Partnern
Die durchschnittliche Dauer bis zum Versand beträgt 1-3 Tage; es können zusätzliche Versandgebühren anfallen. Die tatsächliche Lieferzeit entnehmen Sie bitte der Produktseite, dem Warenkorb und der Kasse.
Incoterms: CPT (Zoll und anwendbare Mehrwertsteuer/Steuer fällig zum Zeitpunkt der Lieferung)
Weitere Informationen erhalten Sie über Hilfe und Kundendienst
The DRV8871EVM is a complete solution for evaluating the DRV8871 brushed motor driver. It includes avoltage regulator to create 5 V, and a TLC555 timer configured to supply a PWM input to the DRV8871. The EVM also includes a potentiometer to adjust the speed of the motor by varying the duty cycle of the PWM and a second potentiometer to set the chopping current value. Jumpers are provided to configureeach input to a logic low, logic high, PWM, or to allow user control of the inputs.
The DRV8704 customer EVM is a platform built around the DRV8704, a dual H-bridge brushed DC motor driver with highly-configurable power stage. This device is optimized to drive two different brushed DC motors with variable current limiting and an internal 5-V LDO for powering peripheral devices.
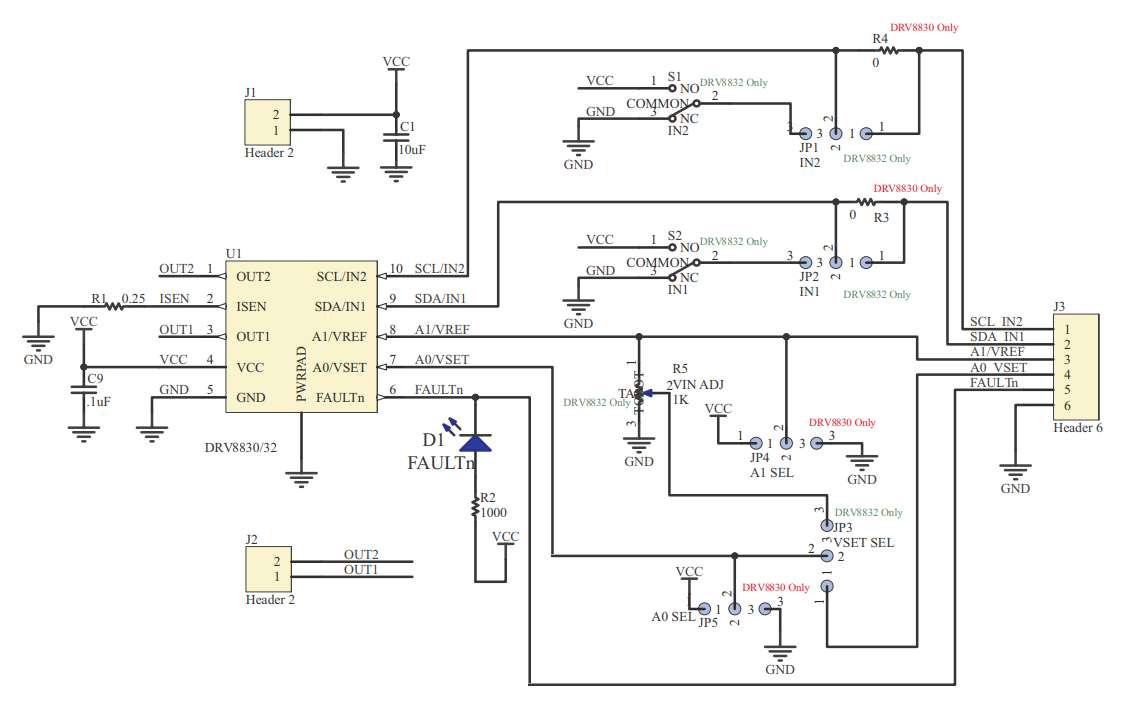
The DRV8830EVM consists of a 1A, H-bridge motor driver with a I2C control interface and small number external components that can be used to drive one brushed DC motor or other loads like solenoids.
The DRV2605L device is a low-voltage haptic driver that includes a haptic-effect library and provides a closed-loop actuator-control system for high-quality tactile feedback for ERM and LRA. This schema helps improve actuator performance in terms of acceleration consistency, start time, and brake time and is accessible through a shared I2C compatible bus or PWM input signal.
The DRV10970 EVM is an evaluation platform for the DRV10970 three-phase brushless DC motor driver.
The FRDM-MC-LVPMSM shield board implements a 3-phase Permanent Magnet Synchronous Motor (PMSM) interface platform that adds Field Oriented Control (FOC) motor control capabilities, such as rotational or linear motion, to your design applications.
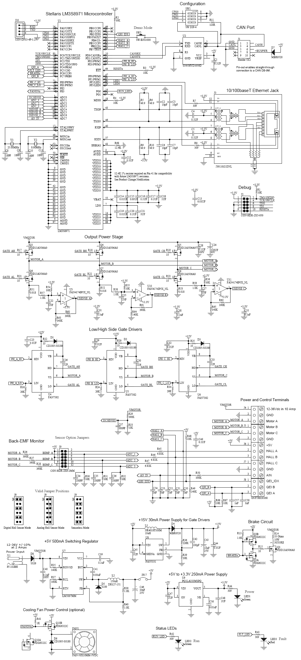
The Brushless DC Motor Control Reference Design Kit (RDK-BLDC) is a four-quadrant motor control for three-phase brushless DC motors rated at up to 36 V. Key features of the RDK include complete CAN and Ethernet communications interfaces, a powerful 32-bit Stellaris microcontroller, and embedded software to optimally control a wide range of motors in diverse applications.
This application note describes the demonstration board of the DMOS dual full-bridge L6226Q designed for motor control applications. The board implements a typical application that can be used as a reference design to drive two-phase bipolar stepper motors with currents up to 1A DC, multiple DC motors and a wide range of inductive loads.
The TOS-100 is an Arduino compatible Shield capable of driving one stepper motor up to to 1.7A that utilizes the Trinamic Motion Control TMC260 motor driver chip. For added compatibility with other arduino shields, the TOS-100 allows you to choose nearly any pin for any signal.
TMC5041-EVAL-KIT is a set of one MCU Board "Landungsbrücke", a bridge Board and one TMC5041-EVAL driver Board. It allows for a quick and simple start within only minutes to make your motor turning, while still providing full access to all registers and full functionality and diagnostics.
Co-Browse
Wenn Sie die Co-Browse-Funktion verwenden, erklären Sie sich damit einverstanden, dass ein Kundendienstmitarbeiter von DigiKey Ihren Browser aus der Ferne betrachten kann. Wenn das Co-Browse-Fenster geöffnet wird, geben Sie bitte die Sitzungs-ID, die Sie in der Symbolleiste finden, an den Kundendienstmitarbeiter weiter.
DigiKey misst dem Schutz Ihrer Privatsphäre große Bedeutung bei. Weitere Informationen finden Sie in unserer Datenschutzerklärung und unserem Cookie-Hinweis.
Ja, weiter zu Co-BrowseIn unserem TechForum erhalten Sie schnelle und präzise Antworten von DigiKeys erfahrenen Technikern und Ingenieuren.
Bitte besuchen Sie den Bereich Hilfe und Support auf unserer Website, um Informationen zu Bestellung, Versand, Lieferung und mehr zu erhalten.
Registrierte Benutzer können ihre Bestellungen über das Dropdown-Menü ihres Kontos verfolgen, oder hier klicken. *Es kann bis zu 12 Stunden dauern, bis der Bestellstatus nach Absenden der Bestellung aktualisiert wird.
Nutzer können den Retourenprozess auf der Seite Rücksendungen initiieren.
Angebote können von registrierten Benutzern unter myLists erstellt werden.
Besuchen Sie die Registrierungsseite und geben Sie die erforderlichen Informationen ein. Sie erhalten eine E-Mail-Bestätigung, wenn Ihre Registrierung abgeschlossen ist.
Die Lieferung von Bestellungen nach Österreich erfolgt je nach Bestimmungsort normalerweise innerhalb von 48 Stunden.
Kostenlose Lieferung nach Österreich für Bestellungen im Wert von 50 EUR oder mehr. Für Bestellungen im Wert von unter 50 EUR werden Versandkosten in Höhe von 18 EUR berechnet.
UPS-Fracht im Voraus bezahlt: DDP (Zoll- und Einfuhrgebühren bezahlt von DigiKey)
FedEx- oder DHL-Fracht im Voraus bezahlt: CPT (Zoll- und Einfuhrgebühren sowie Umsatzsteuer sind zum Zeitpunkt der Lieferung fällig)
Rechnungskonto für qualifizierte Institutionen und Unternehmen
Vorauszahlung per Banküberweisung
![]()
![]()
![]()
![]()


Weitere Produkte von vollständig autorisierten Partnern
Die durchschnittliche Dauer bis zum Versand beträgt 1-3 Tage; es können zusätzliche Versandgebühren anfallen. Die tatsächliche Lieferzeit entnehmen Sie bitte der Produktseite, dem Warenkorb und der Kasse.
Incoterms: CPT (Zoll und anwendbare Mehrwertsteuer/Steuer fällig zum Zeitpunkt der Lieferung)
Weitere Informationen erhalten Sie über Hilfe und Kundendienst
Vielen Dank!
Behalten Sie Ihren Posteingang im Auge, um Neuigkeiten und Updates von DigiKey nicht zu verpassen.
Bitte geben Sie eine E-mail-Adresse ein