Die Lieferung von Bestellungen nach Österreich erfolgt je nach Bestimmungsort normalerweise innerhalb von 48 Stunden.
Kostenlose Lieferung nach Österreich für Bestellungen im Wert von 50 EUR oder mehr. Für Bestellungen im Wert von unter 50 EUR werden Versandkosten in Höhe von 18 EUR berechnet.
UPS-Fracht im Voraus bezahlt: DDP (Zoll- und Einfuhrgebühren bezahlt von DigiKey)
FedEx- oder DHL-Fracht im Voraus bezahlt: CPT (Zoll- und Einfuhrgebühren sowie Umsatzsteuer sind zum Zeitpunkt der Lieferung fällig)
Rechnungskonto für qualifizierte Institutionen und Unternehmen
Vorauszahlung per Banküberweisung
![]()
![]()
![]()
![]()


Weitere Produkte von vollständig autorisierten Partnern
Die durchschnittliche Dauer bis zum Versand beträgt 1-3 Tage; es können zusätzliche Versandgebühren anfallen. Die tatsächliche Lieferzeit entnehmen Sie bitte der Produktseite, dem Warenkorb und der Kasse.
Incoterms: CPT (Zoll und anwendbare Mehrwertsteuer/Steuer fällig zum Zeitpunkt der Lieferung)
Weitere Informationen erhalten Sie über Hilfe und Kundendienst
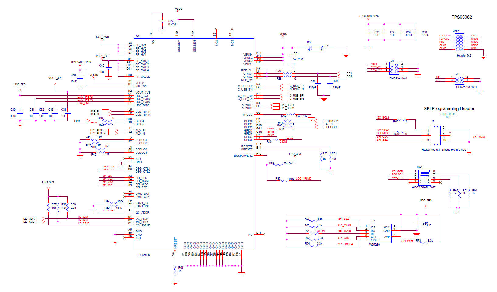
The TUSB1064RNQEVM evaluation board is a USB Type-C to VESA DisplayPort™, Alternate Mode, redriving switch which supports data rates up to 10 Gbps for an Upstream facing port (device). This guide describes how to bring up the EVM, and includes schematics that can be used as a reference design for Alternate Mode implementations of the system with the TUSB1064 device.
The TUSB1064 s a VESA USB Type-C™ Alt Mode redriving switch supporting USB 3.1 data rates up to 10 Gbps and DisplayPort 1.4 up to 8.1 Gbps for upstream facing port (Sink). The device is used for UFP_D pin assignments C, D, and E from the VESA DisplayPort Alt Mode on USB Type-C Standard. The TUSB1064 provides several levels of receive linear equalization to compensate for inter symbol interference (ISI) due to cable and board trace loss. Operates on a single 3.3-V supply and comes in a commercial temperature range and industrial temperature range.
| Manufacturer | Texas Instruments |
|---|---|
| Category | Wired Communication |
| Sub-Category | Interface Solutions |
| Eval Board Part Number | 296-49428-ND |
| Eval Board Supplier | Texas Instruments |
| Eval Board |
Normally In Stock
|
| Purpose |
USB Redriver
USB Type-C to DisplayPort Adapter |
| Component Count + Extras |
126 + 40
|
| Features |
USB Interface
|
| Data Rate (Max) |
8.1 Gbps
Up to 10 Gbps |
| Design Author |
Texas Instruments
|
| Main I.C. Base Part |
TUSB1064
|
| Date Created By Author | 2018-03 |
| Date Added To Library | 2020-01 |
Co-Browse
Wenn Sie die Co-Browse-Funktion verwenden, erklären Sie sich damit einverstanden, dass ein Kundendienstmitarbeiter von DigiKey Ihren Browser aus der Ferne betrachten kann. Wenn das Co-Browse-Fenster geöffnet wird, geben Sie bitte die Sitzungs-ID, die Sie in der Symbolleiste finden, an den Kundendienstmitarbeiter weiter.
DigiKey misst dem Schutz Ihrer Privatsphäre große Bedeutung bei. Weitere Informationen finden Sie in unserer Datenschutzerklärung und unserem Cookie-Hinweis.
Ja, weiter zu Co-BrowseIn unserem TechForum erhalten Sie schnelle und präzise Antworten von DigiKeys erfahrenen Technikern und Ingenieuren.
Bitte besuchen Sie den Bereich Hilfe und Support auf unserer Website, um Informationen zu Bestellung, Versand, Lieferung und mehr zu erhalten.
Registrierte Benutzer können ihre Bestellungen über das Dropdown-Menü ihres Kontos verfolgen, oder hier klicken. *Es kann bis zu 12 Stunden dauern, bis der Bestellstatus nach Absenden der Bestellung aktualisiert wird.
Nutzer können den Retourenprozess auf der Seite Rücksendungen initiieren.
Angebote können von registrierten Benutzern unter myLists erstellt werden.
Besuchen Sie die Registrierungsseite und geben Sie die erforderlichen Informationen ein. Sie erhalten eine E-Mail-Bestätigung, wenn Ihre Registrierung abgeschlossen ist.
Die Lieferung von Bestellungen nach Österreich erfolgt je nach Bestimmungsort normalerweise innerhalb von 48 Stunden.
Kostenlose Lieferung nach Österreich für Bestellungen im Wert von 50 EUR oder mehr. Für Bestellungen im Wert von unter 50 EUR werden Versandkosten in Höhe von 18 EUR berechnet.
UPS-Fracht im Voraus bezahlt: DDP (Zoll- und Einfuhrgebühren bezahlt von DigiKey)
FedEx- oder DHL-Fracht im Voraus bezahlt: CPT (Zoll- und Einfuhrgebühren sowie Umsatzsteuer sind zum Zeitpunkt der Lieferung fällig)
Rechnungskonto für qualifizierte Institutionen und Unternehmen
Vorauszahlung per Banküberweisung
![]()
![]()
![]()
![]()


Weitere Produkte von vollständig autorisierten Partnern
Die durchschnittliche Dauer bis zum Versand beträgt 1-3 Tage; es können zusätzliche Versandgebühren anfallen. Die tatsächliche Lieferzeit entnehmen Sie bitte der Produktseite, dem Warenkorb und der Kasse.
Incoterms: CPT (Zoll und anwendbare Mehrwertsteuer/Steuer fällig zum Zeitpunkt der Lieferung)
Weitere Informationen erhalten Sie über Hilfe und Kundendienst
Vielen Dank!
Behalten Sie Ihren Posteingang im Auge, um Neuigkeiten und Updates von DigiKey nicht zu verpassen.
Bitte geben Sie eine E-mail-Adresse ein