Die Lieferung von Bestellungen nach Österreich erfolgt je nach Bestimmungsort normalerweise innerhalb von 48 Stunden.
Kostenlose Lieferung nach Österreich für Bestellungen im Wert von 50 EUR oder mehr. Für Bestellungen im Wert von unter 50 EUR werden Versandkosten in Höhe von 18 EUR berechnet.
UPS oder FedEx Freight, vorausbezahlt: DDP (Zoll und Steuern werden von DigiKey bezahlt)
DHL Freight, vorausbezahlt: CPT (Zoll, Einfuhrgebühren und Umsatzsteuer werden bei Lieferung fällig)
Rechnungskonto für qualifizierte Institutionen und Unternehmen
Vorauszahlung per Banküberweisung
![]()
![]()
![]()
![]()


Weitere Produkte von vollständig autorisierten Partnern
Die durchschnittliche Dauer bis zum Versand beträgt 1-3 Tage; es können zusätzliche Versandgebühren anfallen. Die tatsächliche Lieferzeit entnehmen Sie bitte der Produktseite, dem Warenkorb und der Kasse.
Incoterms: CPT (Zoll und anwendbare Mehrwertsteuer/Steuer fällig zum Zeitpunkt der Lieferung)
Weitere Informationen erhalten Sie über Hilfe und Kundendienst
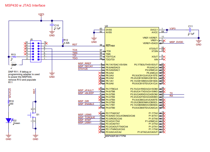
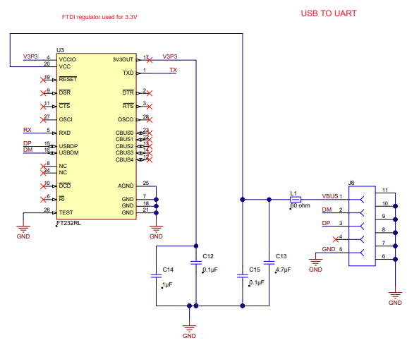
The DRV8886AT customer EVM is a platform revolving around the DRV8886AT, a medium-voltage dual H-bridge driver and highly-configurable power stage. This device has been optimized to drive a single bipolar stepper with up to 16 degrees of internally generated microstepping. The EVM houses an MSP430™ microcontroller and an USB interface chip. The USB chip allows for serial communications from a PC computer where a Windows® application is used to schedule serial commands. These commands can be used to control each of the device signals, and drive the steppermotor by issuing the step commands at the desired rate.
The microcontroller firmware operates using an internal index mode.
Features:
PWM microstepping stepper motor driver
- Up to 1/16 microstepping
- Non-circular and standard ½ step modes
Integrated current sense functionality
- No sense resistors required
- ±6.25% Full-scale current accuracy
Smart tune adaptive decay technology, slow, and mixed decay options
8 to 37-V Operating supply voltage range
Low RDS(ON): 550 mΩ HS + LS at 24 V, 25°C
High current capacity
- 3-A Peak per bridge
- 2-A Full-scale per bridge
- 1.4-A rms per bridge
Dynamic and fixed off-time PWM current regulation
Simple STEP/DIR interface
Low-current sleep mode (20 μA)
VM undervoltage lockout (UVLO)
Charge pump undervoltage (CPUV)
Overcurrent protection (OCP)
Thermal shutdown (TSD)
Fault condition indication pin (nFAULT)
| Manufacturer | Texas Instruments |
|---|---|
| Category | Motor Control |
| Eval Board Part Number | 296-46577-ND |
| Eval Board Supplier | Texas Instruments |
| Eval Board |
Normally In Stock
|
| Voltage In |
8 ~ 37 V
|
| Number of Motors and Type |
1, DC Brush Motor
|
| Power / Current Out |
2 A
|
| Features |
Fault Indication
MCU Controlled Microstepping Over Current Protection PWM Interface Thermal Protection Under Voltage Protection, Brown-Out |
| Component Count + Extras |
30 + 18
|
| Application / Target Market |
3D Printer
Factory Automation Printer, Plotter Robotics Security IP Camera |
| Design Author |
Texas Instruments
|
| Main I.C. Base Part |
DRV8886
|
| Date Created By Author | 2017-02 |
| Date Added To Library | 2024-06 |
Co-Browse
Wenn Sie die Co-Browse-Funktion verwenden, erklären Sie sich damit einverstanden, dass ein Kundendienstmitarbeiter von DigiKey Ihren Browser aus der Ferne betrachten kann. Wenn das Co-Browse-Fenster geöffnet wird, geben Sie bitte die Sitzungs-ID, die Sie in der Symbolleiste finden, an den Kundendienstmitarbeiter weiter.
DigiKey misst dem Schutz Ihrer Privatsphäre große Bedeutung bei. Weitere Informationen finden Sie in unserer Datenschutzerklärung und unserem Cookie-Hinweis.
Ja, weiter zu Co-BrowseIn unserem TechForum erhalten Sie schnelle und präzise Antworten von DigiKeys erfahrenen Technikern und Ingenieuren.
Bitte besuchen Sie den Bereich Hilfe und Support auf unserer Website, um Informationen zu Bestellung, Versand, Lieferung und mehr zu erhalten.
Registrierte Benutzer können ihre Bestellungen über das Dropdown-Menü ihres Kontos verfolgen, oder hier klicken. *Es kann bis zu 12 Stunden dauern, bis der Bestellstatus nach Absenden der Bestellung aktualisiert wird.
Nutzer können den Retourenprozess auf der Seite Rücksendungen initiieren.
Angebote können von registrierten Benutzern unter myLists erstellt werden.
Besuchen Sie die Registrierungsseite und geben Sie die erforderlichen Informationen ein. Sie erhalten eine E-Mail-Bestätigung, wenn Ihre Registrierung abgeschlossen ist.
Die Lieferung von Bestellungen nach Österreich erfolgt je nach Bestimmungsort normalerweise innerhalb von 48 Stunden.
Kostenlose Lieferung nach Österreich für Bestellungen im Wert von 50 EUR oder mehr. Für Bestellungen im Wert von unter 50 EUR werden Versandkosten in Höhe von 18 EUR berechnet.
UPS oder FedEx Freight, vorausbezahlt: DDP (Zoll und Steuern werden von DigiKey bezahlt)
DHL Freight, vorausbezahlt: CPT (Zoll, Einfuhrgebühren und Umsatzsteuer werden bei Lieferung fällig)
Rechnungskonto für qualifizierte Institutionen und Unternehmen
Vorauszahlung per Banküberweisung
![]()
![]()
![]()
![]()


Weitere Produkte von vollständig autorisierten Partnern
Die durchschnittliche Dauer bis zum Versand beträgt 1-3 Tage; es können zusätzliche Versandgebühren anfallen. Die tatsächliche Lieferzeit entnehmen Sie bitte der Produktseite, dem Warenkorb und der Kasse.
Incoterms: CPT (Zoll und anwendbare Mehrwertsteuer/Steuer fällig zum Zeitpunkt der Lieferung)
Weitere Informationen erhalten Sie über Hilfe und Kundendienst
Vielen Dank!
Behalten Sie Ihren Posteingang im Auge, um Neuigkeiten und Updates von DigiKey nicht zu verpassen.
Bitte geben Sie eine E-mail-Adresse ein
Bitte akzeptieren Sie den Erhalt von Marketing-Informationen per E-Mail