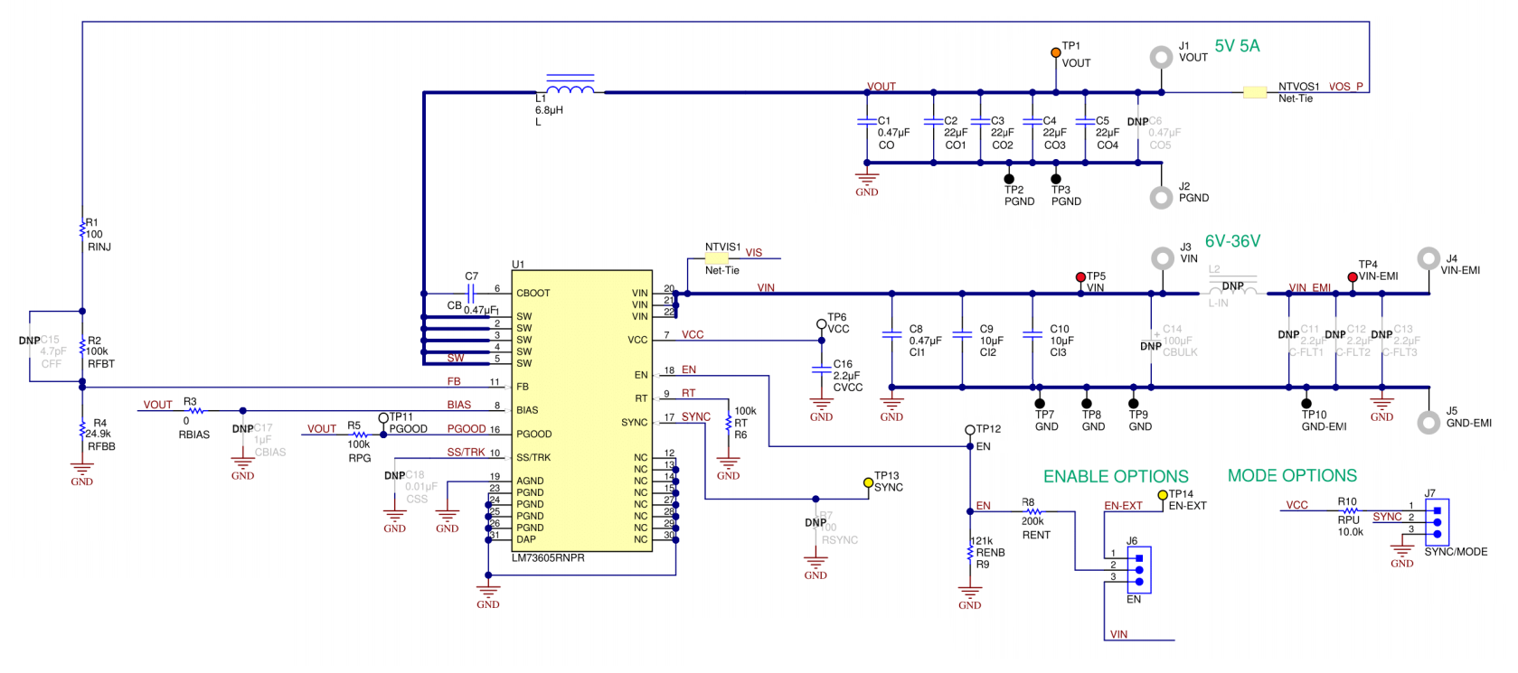
The LM73605EVM-5V-400K evaluation module (EVM) is a fully assembled and tested circuit for evaluating the LM73605 synchronous step-down voltage converter. The EVM operates from 6V to 36V input and provides a 5V output voltage with 5A maximum load current.
The LM73605 family of devices are easy-to-use synchronous step-down DC-DC converters capable of driving up to 5 A of load current from a supply voltage ranging from 3.5 V to 36 V. The LM73605 provide exceptional efficiency and output accuracy in a very small solution size. Peak-current-mode control is employed. Additional features such as adjustable switching frequency, synchronization to an external clock, FPWM option, power-good flag, precision enable, adjustable soft start, and tracking provide both flexible and easy-to-use solutions for a wide range of applications. Automatic frequency foldback at light load and optional external bias improve efficiency over the entire load range. The family requires few external components and has a pinout designed for simple PCB layout with optimal EMI and thermal performance. Protection features include thermal shutdown, input undervoltage lockout, cycle-by-cycle current limiting, and hiccup short-circuit protection.
| Manufacturer | Texas Instruments |
|---|---|
| Category | AC/DC and DC/DC Conversion |
| Sub-Category | DC/DC SMPS - Single Output |
| Eval Board Part Number | 296-48009-ND |
| Eval Board Supplier | Texas Instruments |
| Eval Board |
Normally In Stock
|
| Topology |
Step Down
|
| Outputs and Type |
1 Non-Isolated
|
| Voltage Out: Factory Set |
5 V
|
| Current Out |
5 A
|
| Voltage In |
6 ~ 36 V
|
| Efficiency @ Conditions |
>95%, 12V in, 5V @ 0.7 ~ 3.6 A (FPWM Mode)
>92%, 24V in, 5V @ 0.9 ~ 4.8 A (FPWM Mode) >92%, 12V in, 5V @ 0.01 ~ 5 A (Auto Mode) >87%, 24V in, 5V @ 0.03 ~ 5 A (Auto Mode) |
| Voltage Out Range |
- Fixed
|
| Features |
Current Limit (Adj. or Fixed)
PFM or PWM Power Good Output Pre-Biased Startup Short Circuit Protection Shutdown, Enable, Standby Soft Start Synchronizable Thermal Protection Under Voltage Protection, Brown-Out Voltage Tracking |
| Switching Frequency |
400 kHz
|
| Standby Current [Typical] |
800 nA
|
| Quiescent Current [Typical] |
15 µA
|
| Component Count + Extras |
21 + 10
|
| Internal Switch |
Yes
|
| Design Author |
Texas Instruments
|
| Application / Target Market |
Distributed Power Systems
Telecom |
| Standby Current [Maximum] |
10 µA
|
| Quiescent Current [Maximum] |
- Not Given
|
| Main I.C. Base Part |
LM73605
|
| Date Created By Author | 2017-09 |
| Date Added To Library | 2020-02 |