Die Lieferung von Bestellungen nach Österreich erfolgt je nach Bestimmungsort normalerweise innerhalb von 48 Stunden.
Kostenlose Lieferung nach Österreich für Bestellungen im Wert von 50 EUR oder mehr. Für Bestellungen im Wert von unter 50 EUR werden Versandkosten in Höhe von 18 EUR berechnet.
UPS-Fracht im Voraus bezahlt: DDP (Zoll- und Einfuhrgebühren bezahlt von DigiKey)
FedEx- oder DHL-Fracht im Voraus bezahlt: CPT (Zoll- und Einfuhrgebühren sowie Umsatzsteuer sind zum Zeitpunkt der Lieferung fällig)
Rechnungskonto für qualifizierte Institutionen und Unternehmen
Vorauszahlung per Banküberweisung
![]()
![]()
![]()
![]()


Weitere Produkte von vollständig autorisierten Partnern
Die durchschnittliche Dauer bis zum Versand beträgt 1-3 Tage; es können zusätzliche Versandgebühren anfallen. Die tatsächliche Lieferzeit entnehmen Sie bitte der Produktseite, dem Warenkorb und der Kasse.
Incoterms: CPT (Zoll und anwendbare Mehrwertsteuer/Steuer fällig zum Zeitpunkt der Lieferung)
Weitere Informationen erhalten Sie über Hilfe und Kundendienst
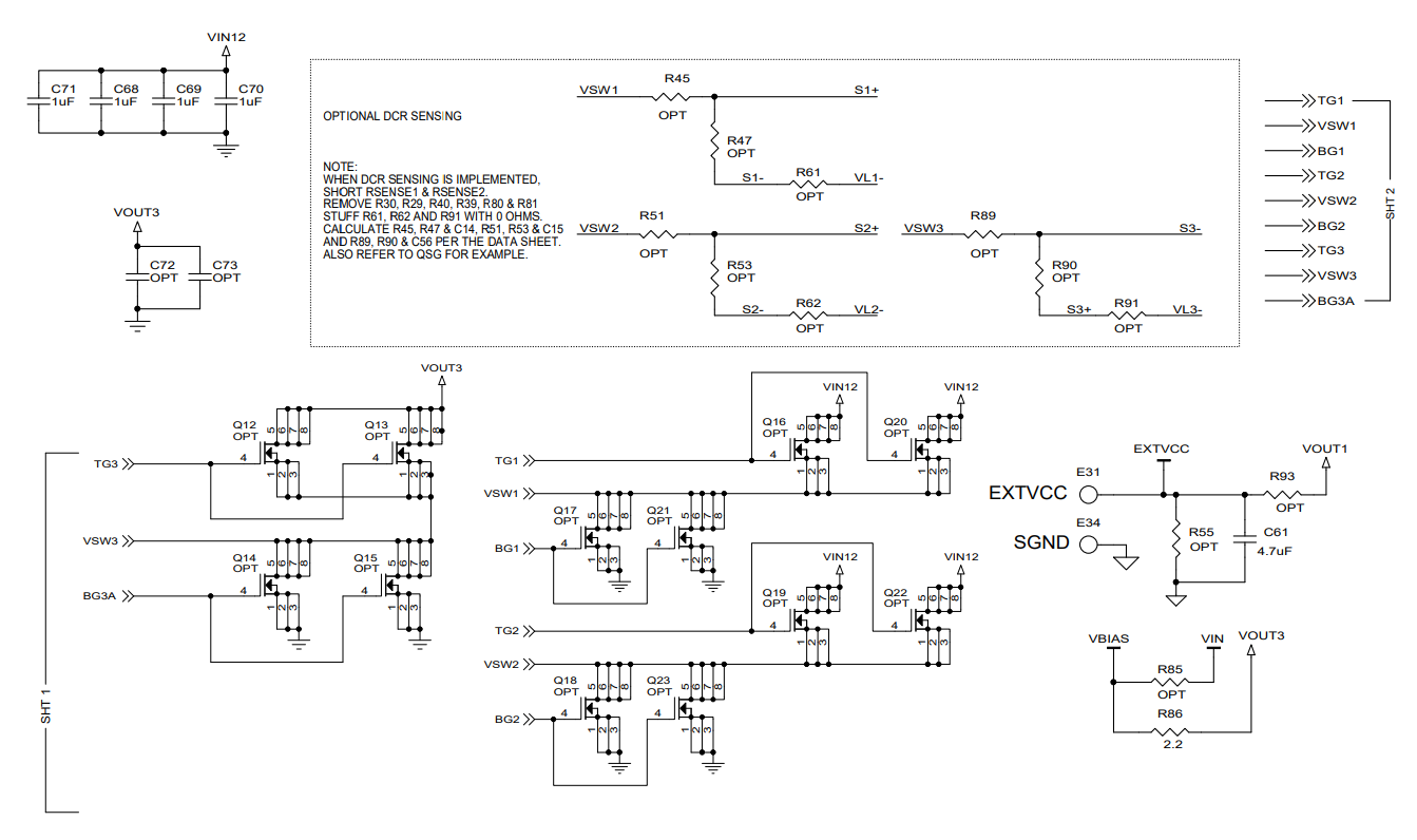
DC2738A is a triple output synchronous step-up/dual step-down supply featuring the LTC7815. The demonstration circuit is designed for two buck circuits VOUT1 5V @ 8A and VOUT2 3.3V @ 8A outputs supplied by a boost circuit VOUT3 10V @ 7A output. (If VIN is higher than 10V then VOUT3 equals to VIN.) Benefiting from this feature, the buck outputs are able to maintain regulation over a wide input voltage range of 4.5V to 36V which is suitable for automotive or other battery fed applications. Also, the demonstration circuit uses a drop-in layout that the main buck circuit components fit in an area of three-quarter inches by 1.5 inches, while the main boost circuit area is three-quarter inches by 1.75 inches.
The main features of the board include rail tracking (buck channels only), an internal 5V linear regulator for bias, separated RUN pins for each output, a PGOOD signal (CH1 only), an over voltage indicator for CH3 and a mode selector that allow the converter to run in CCM, pulse-skipping or Burst Mode® operation. Synchronization to an external clock is also possible. The LT7815 data sheet gives a complete description of these parts, operation and application information. The data sheet must be read in conjunction with this quick start guide for demo circuit 2738A.
| Manufacturer | Analog Devices Inc. |
|---|---|
| Category | AC/DC and DC/DC Conversion |
| Sub-Category | DC/DC SMPS - Multi Output |
| Eval Board Part Number | DC2738A-ND |
| Eval Board Supplier | Analog Devices Inc. |
| Eval Board |
Normally In Stock
|
| Topology |
Step Up/Down
|
| Outputs and Type |
3 Non-Isolated
|
| Voltage Out: Highest Current First |
5V, 3.3V, 10V
|
| Current Out |
8A, 8A, 7A
|
| Voltage In |
4.5 ~ 36 V
|
| Efficiency @ Conditions |
>90%, 12V in, 5V @ 2.8 ~ 8 A
>85%, 5V in, 10V @ 1.5 ~ 7 A >85%, 12V in, 3.3V @ 2.4 ~ 8 A |
| Voltage Out Range |
- Fixed
|
| Features |
Light Load Mode
Over Voltage Indicator Power Good Output Shutdown, Enable, Standby Synchronizable Voltage Tracking |
| Switching Frequency |
2.25 MHz
|
| Standby Current [Typical] |
38 µA
|
| Quiescent Current [Typical] |
3 mA
|
| Component Count + Extras |
76 + 107
|
| Internal Switch |
No
|
| Design Author |
Linear Technology
|
| Application / Target Market |
Automotive
Computers Power: Industrial Power Servers |
| Standby Current [Maximum] |
56 µA
|
| Quiescent Current [Maximum] |
- Not Given
|
| Main I.C. Base Part |
LTC7815
|
| Date Created By Author | 2017-12 |
| Date Added To Library | 2019-07 |
Co-Browse
Wenn Sie die Co-Browse-Funktion verwenden, erklären Sie sich damit einverstanden, dass ein Kundendienstmitarbeiter von DigiKey Ihren Browser aus der Ferne betrachten kann. Wenn das Co-Browse-Fenster geöffnet wird, geben Sie bitte die Sitzungs-ID, die Sie in der Symbolleiste finden, an den Kundendienstmitarbeiter weiter.
DigiKey misst dem Schutz Ihrer Privatsphäre große Bedeutung bei. Weitere Informationen finden Sie in unserer Datenschutzerklärung und unserem Cookie-Hinweis.
Ja, weiter zu Co-BrowseIn unserem TechForum erhalten Sie schnelle und präzise Antworten von DigiKeys erfahrenen Technikern und Ingenieuren.
Bitte besuchen Sie den Bereich Hilfe und Support auf unserer Website, um Informationen zu Bestellung, Versand, Lieferung und mehr zu erhalten.
Registrierte Benutzer können ihre Bestellungen über das Dropdown-Menü ihres Kontos verfolgen, oder hier klicken. *Es kann bis zu 12 Stunden dauern, bis der Bestellstatus nach Absenden der Bestellung aktualisiert wird.
Nutzer können den Retourenprozess auf der Seite Rücksendungen initiieren.
Angebote können von registrierten Benutzern unter myLists erstellt werden.
Besuchen Sie die Registrierungsseite und geben Sie die erforderlichen Informationen ein. Sie erhalten eine E-Mail-Bestätigung, wenn Ihre Registrierung abgeschlossen ist.
Die Lieferung von Bestellungen nach Österreich erfolgt je nach Bestimmungsort normalerweise innerhalb von 48 Stunden.
Kostenlose Lieferung nach Österreich für Bestellungen im Wert von 50 EUR oder mehr. Für Bestellungen im Wert von unter 50 EUR werden Versandkosten in Höhe von 18 EUR berechnet.
UPS-Fracht im Voraus bezahlt: DDP (Zoll- und Einfuhrgebühren bezahlt von DigiKey)
FedEx- oder DHL-Fracht im Voraus bezahlt: CPT (Zoll- und Einfuhrgebühren sowie Umsatzsteuer sind zum Zeitpunkt der Lieferung fällig)
Rechnungskonto für qualifizierte Institutionen und Unternehmen
Vorauszahlung per Banküberweisung
![]()
![]()
![]()
![]()


Weitere Produkte von vollständig autorisierten Partnern
Die durchschnittliche Dauer bis zum Versand beträgt 1-3 Tage; es können zusätzliche Versandgebühren anfallen. Die tatsächliche Lieferzeit entnehmen Sie bitte der Produktseite, dem Warenkorb und der Kasse.
Incoterms: CPT (Zoll und anwendbare Mehrwertsteuer/Steuer fällig zum Zeitpunkt der Lieferung)
Weitere Informationen erhalten Sie über Hilfe und Kundendienst
Vielen Dank!
Behalten Sie Ihren Posteingang im Auge, um Neuigkeiten und Updates von DigiKey nicht zu verpassen.
Bitte geben Sie eine E-mail-Adresse ein