Auxiliary Gate Drive Transformer
WE-AGDT
The WE-AGDT series from Würth Elektronik allows implementing discrete SiC gate driver designs easier than ever before. These standard parts are compact SMT transformers optimized for silicon carbide applications. With extremely low interwinding capacitance, the WE-AGDT helps to achieve higher Common Mode Transient Immunity (CMTI). The series is compliant with safety standards according to IEC62368-1 / IEC61558-2-16 in addition to AEC-Q200 qualification. Reference designs are available for each WE-AGDT transformer. The complete solution is compact and capable of fully automated assembly.
Product Benefits
- Optimized for SiC gate driver supply
- Low interwinding capacitance down to 6.8 pF
- High CMTI over 100 kV/ µs
- IEC62368-1 / IEC61558-2-16
- Up to 6 W power
- Unipolar & bipolar output
- Compact & lightweight
Impact of Interwinding Capacitance in typical Applications
Minimize displacement current / common mode current for
- Improved control robustness
- Better EMC performance
Compared to regular transformers
- 50% less interwinding capacitance
- Higher Common Mode Transient Immunity (CMTI) over 100 kV/µs
Safety Standards and Qualifications
Compliant to
- IEC62368-1
- IEC61558-2-16
- Isolation voltage up to 4 kV
- Fully insulated wire
Reference Design
Isolated Auxiliary Power Supply with PSR Flyback topology
Highly compact solution with regulated bipolar output rails upto 6 W power for high-performance SiC and IGBT gate driver applications.
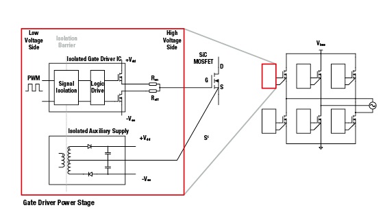
SiC Gate Driver System - Example Application: 3-phase SiC Motor Driver
Applications

E-mobility Powertrain

Solar Inverters

EV On-board & Off-board Chargers

Industrial Motor Drives

Datacenter Power

Switch-mode Power Supplies and Power Factor Correction Stages
Reference Designs for each WE-AGDT Transformer
| Order Code | VIN range (V) | VOUT1 (V) | VOUT2 (V) | CWW (pF) | Frequency max* (kHz) | IC Reference design | Power (W) |
|---|---|---|---|---|---|---|---|
| 750317893 | 9 – 18 | 15 – 20 | – | 6.8 | 350 | LM5180 | 3 |
| 750317894 | 9 – 18 | 15 | -4 | 7.0 | 350 | LM5180 | 3 |
| 750318207 | 18 – 36 | 15 – 20 | – | 8.2 | 350 | LM5180 | 5 |
| 750318208 | 18 – 36 | 15 | -4 | 7.0 | 350 | LM5180 | 5 |
| 750318114 | 9 – 18 | 15 – 20 | – | 6.8 | 350 | LT8302 | 6 |
| 750318131 | 9 – 18 | 15 | -4 | 7.5 | 350 | LT8302 | 6 |
* Frequency varies with the output load and input voltage

