Datenblatt für BH1000G Drawing von MPD (Memory Protection Devices)
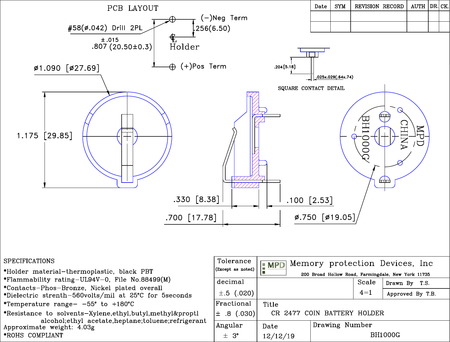
PCB LAYOUT
#58(¢.042) Drill 2PL fl
:1: .015
.807 (20.50i0.3)
¢1.090 [¢27.69]
—\
1.175 [29.85] +
SPECIFICATIONS
*Holder material—thermoplastic, black PBT
9—-
Holder
(—)Neg Term
.256(6.50)
—$ (+)Pos Term
Date SYM REVISION RECORD AUTl-I DR. CK.
]
.204 [54:31
a .025x.029§.64x,74)
SQUARE CONTACT DETAIL
‘Flammability ratingeUL94V70, File No.88499(M)
‘Contact57Fh057Eronze, Nickel plated overall
‘Dielectric strenth7560volts/mil at 25°C for Sseconds
‘Temperature range— —55° to +180°C
‘Resistance to solvents—Xylene . ethyl,butyl,methyl&proptl
alcohol; ethyl acetate ,heptane :toluene :refrigerant
Approximate weight: 4.03g
*ROHS COMPLIANT
a
m
”J .
V /1 ‘
~330 [8.38] .100 [2.53]
.700 [17.78] i | ¢.750 [¢19.05]
] .
“lemme IMPD Memory protection Devices, Inc
(Except a! noted) I
I 200 Broad Hollow Road, Farmingdnle, New York 11735
decimal Scale Drawn By TS,
i5 (,020) 4:1 Approved By T.E.
Fractional Title
:I: .8 (.030) CR 2477 COIN BATTERY HOLDER
Angular Date Drawing Number
i 3° 12/12/19 BHlOOOG

