Datenblatt für MC9S08GB,GT60A,32A von NXP USA Inc.
o
'0
freescale'“
LA
7‘
‘/RoHS
O
O
: ' freescale“
semicanducrar

o
'0
:9 freesc:alew
semiconductor
hfipM/freescalacom













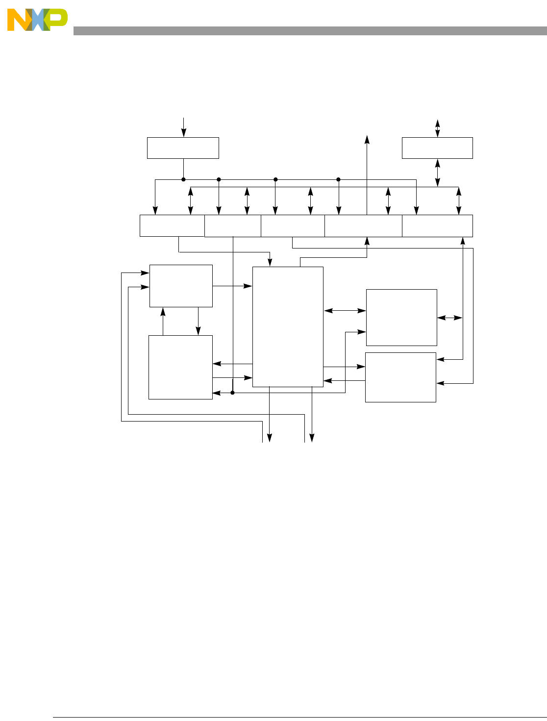
RESET

RESET 4—»
UH
UH
m
1’
M
m
1’


jjjjjjjjjjjjjjjj
flflflflflflflflflflflflflflflfl
O
UUUUUUUUUUUUUUUU
CCCCCCCKKCCCKCKK
3333333333]
flflflflflflflflflflfl
UUUUUUUUUUU
O
CCCCCCCCCCC
jjjjjjjjjjjjjjjjjjjj]
CCCCCCCCCCCCCCTCCCCCC
mm
RESET





Exit from stopl is performed by asserting either ofthe wake-up pins on the MCU: RESET
pins: RESET
ormed by asserting RESET
If stop3 is exited by means of the RESET


















RESET














S
RESET


(1)
2’2
as the SP1 module’s slave select pin (m











(s31





iiiiiiii
7777777
RESET 0
UH
UH
w
M
m





Q
Q
fl
\HHHHH\\HH\





Lowest system cost
Lowest power

Q
Q
1%
Q










JHHHH

J









MHM®MM
e

D
D




RESET 0
UH
UH
m
H
m





RESET








Exiernal source (TPMX Ext Clkl





RESET 0
UH
UH
m
H
m

L L














RESET 0
UH
UH
M
ter device has configured its g

P‘N CONTROL
I a
I :I—>
|:|—>
+77%
C3 ’
M3 $—
PRESCALER CLOCK RATE DIVIDER



andfi
_; WF‘M/Wj—v/‘L—
—\ Meg/“Eff—
I I II | |
\< x="" x:=""><>< 7/="" -—="" x="" x="" )6=""><>< i:="" -="" 55="" —_x="" 7="" _="" j)="" 1,="" the="" slave="" begins="" to="" drive="" its="" miso="" output="" when="" fi="" slave’s="" fi="" 11="" bit="" 1="" starting="" as="" the="" slave="" is="" selected="" (fi="">
g _
1). The master SS
depending on LSBFE) when fi
thefi


RESET 0
UH
UH
m
H
m










‘ ‘ START COUNTING HIGH PERIOD


Last Byte
Transmmed
7
RXAK=0
End 0!
Am Cyc‘e
(Maslev Rx)
Last
8er m 52 Read
2nd Last
8er m 52 Read
7
Master
Made
7
N
\AA
Arbnraucm
Lust
7
ACK lmm
Recewer
7


RESET 0
UH
UH
(n
H
m


ATD SAR
iiw
“PM

(Current Code - 1/2)

\
\ §
\
\\\\§






61 system with ground, the BKGD pin, RESET





















V LN)
PULL-UP RESISTORUQ)
PULLUP RESISTOR TVPICALS
l
TYPICAL v L VSI AT v = in V
TYPICAL v L VS v
TYPICAL V L V9 V
TYPICAL V L VSI AT V = in V
v m
TVPICALV 7V VSV ATSPECI
(VD
4V
V
TVPICALV 7V VSI ATV :.


:i:
+1.
Es
, K05
+1.
o——¢
—I
$5
7 E05
:3
7 E05

V: 5 + +
V:
v: < +="" :="" vs="" :="" 1="">
TA:
CY
4,6
100
EEEEE









37 2“
36.45
A
E
flflflflflflflflflflfkflflflflflflflflflfl
\
fl
42 ‘ 22
‘ 14,07
7 7 7 7 j[ 7 7 7 7 13 87
‘ $
/
\ ::fl
1 ‘ 21 7— 15-
UUUUUUUUUUKVHUUHUUUUQU 0
TOP V‘EW
E2 *7
A
E6]
A
«02,
0,51 ‘
1
‘ , 5,08
7i73.94
‘ END V‘EW
‘
3.43, SEAUNG
«H7 2,92
0.81 P ANF
MECHANICAL OUTLINE PRM VERS‘ON NOT TO SCALE
DOCUMEM NO: 98ASB42/6/B '3EV: A
42 LD PD‘P CASE NUMBER. 855701 24 OCT 2005
STANDARD: NONidEDEC
NOTES
1 DIMENSIONING AND TOLERANCING RER ASME Y14.5M71994
2 ALL DIMENSIONS IN MILLIMETERS
[CEL DIMENSION TO CENTER OF LEAD WHEN FORMED 3ARALLEL
DIMENSION DOES NOT INCLUDE MOLD FLASH. MAXIMUM MOLD ELASH 0. 25,
H fiSEj“;fl_ W}; “3 MECHANICAL OUTLINE PRINT VERSION NOT To SCA,E
HILL; DOCUMENT NO: 98ASB42/6/B etv: A
47 I D PDIP CASE NUMBER: 858701 24 OCT 2005
STANDARD: NON JEDEC
4x E-I-El
4.1 kg 4x16 TIPSQ-IAM
P I N 1 64 ‘ 49—7
INDEX
DA
< m="" 2="" \="" m="" le1="" i="">
:3
M8]
MAX 12-)
’1. 50 MAX fi_ \
\
64X
‘ u L \ E-I
,l he“ 0. 23A \ / I
ISEQLENG -_-E (4x 12-%#( \\
VIEW AA
©FREESCALE SEMICONDUCTOR, INC.
ALL mews RESERVED, MECHANICAL OUTLINE RRINT VERSION NOT To SCALE
TITLE: 64LD LQEP DOCUMENT NO: 98Ass23234w REV: D
,
10 X 10 X 1. 4 PKG, CASE NUMBER: 840E702 05 APR 2005
O‘ 5 PITCH, CASE OUTLINE STANDARD: JEDEC M37026 BCD
0.22
EASE METAL
B B
I
0.20 0.16
H Al. 09 0. 09A
I
‘ 7
50X 7 \
iPLATING
0.5 ‘_O.23__
- 0.17
X:A, B 0R D
_>
SECTION 8—8
VIEW Y
1‘45 \
Eons
o 154‘
°~°5 (mos)
<—(1.00 view="" aa="" ©freescale="" semiconductor,="" inc.="" all="" mews="" reserved,="" mechanical="" outline="" rrint="" version="" not="" to="" scale="" title:="" 64ld="" lqfp="" document="" no:="" 98ass23234w="" rev:="" d="" ,="" 10="" x="" 10="" x="" 1.="" 4="" pkg,="" case="" number:="" 840f702="" 05="" apr="" 2005="" 0‘="" 5="" pitch’="" case="" outline="" standard:="" jedec="" m37026="" bcd="">—(1.00>
NP
NOTES
@bwwe
ROD
DIMENSIONS ARE IN MILLIMETERS
DIMENSIONING AND TOLERANCING PER ASME Y14.5M71994
DATUMS A, B AND D TO BE DETERMINED AT DATUM PLANE H
DIMENSIONS TO BE DETERMINED AT SEATING PLANE O
THIS DIMENSION DOES NOT INCLUDE DAMBAR PROTRUSION. ALLOWABLE DAMBAR
PROTRUSION SHALL NOT CAUSE THE LEAD WIDTH TO EXCEED THE UPPER LIMIT
BY MORE THAN 0.08 mm AT MAXIMUM MATERIAL CONDITION. DAMBAR CANNOT BE
LOCATED ON THE LOWER RADIUS OR THE FOOT. MINIMUM SPACE BETWEEN
PROTRUSION AND ADJACENT LEAD SHALL NOT BE LESS THAN 0.07 mm
THIS DIMENSION DOES NOT INCLUDE MOLD PROTRUSION. ALLOWABLE
PROTRUSION IS 0.25 mm PER SIDE. THIS DIMENSION IS MAXIMUM PLASTIC BODY
SIZE DIMENSION INCLUDING MOLD MISMATCH
EXACT SHAPE OF EACH CORNER IS OPTIONAL
THESE DIMENSIONS APPLY TO THE ELAT SECTION OF THE LEAD BETWEEN 0.1 mm
AND 0.25 mm FROM THE LEAD TIP
©FREESCALE SEMICONDUCTOR, INC.
ALL moms RESERVED, MECHANICAL OUTLINE PRINT VERSION NOT To SCALE
TITLE: 64LD LQFP DOCUMENT NO: QSASS23234W REV: D
10 X IO X I. 4 PKG, CASE NUMBER: 840F702 06 APR 2005
O 5 PITCH CASE OUTLINE STANDARD: JEDEC M87026 BCD
PIN 1 I DETAIL G
INDEX AREA M
a (M c ’
/ I 2x I D
I]
/// LIST
////J E
El
Ii/ ,¥,+ ,,,,, I, EETJI,
I :5
I I]
I n
I]
I u
I
E] a. 232 M
0.1 C ,
2x 37 I-IIE 48
I I I I I I I I I I'WT
I DETAIL M
36 {firm I1 WWW II 93;) pm I W
,3 GE
IIIIEIDPIIE \g\ I I 3‘
5‘25 ’3 \. I L,7,EJ
4.95 :9: 7 7 f____g—
-9 fl- _
IIIE ,3 I a, I
-I3- I €I-I
*E} I efi‘ 44X 0.5
—B_ I G_I
25 43 ‘ €42
¢¢¢ . M‘pflfifi?‘ X DETAIL N
48X 0.30 24 I. 1 T
0.18 _, 48X 0.5
IE VIEW M—M 0‘3
E :
4,E SEIIIC
I IvIHIs
MECHANICAL OUTLINE
PRINT VERSION NOT TO SCALE
TITLE? THERMALLY ENHANCED
FLAT NON—LEADED PACKAGE (GEN)
48 TERMINAL, 0‘5 PITCH (7 X 7 X 1)
QUAD
DOCUMENT NO: 98ARH99048A
CASE NUMBER: 1314—04
REV: E
20 APR 2005
STANDARD: JEDEC—MO—ZZO VKKD—Z
(2.73)
I (45')
I
V
48X 0.055J (0.25)
0.015
DETAIL N
PREFERRED CORNER CONFIGURATION
DETAIL M
PREFERED PIN ‘I EACKSIDE IDENTIFIER
// O.I C
1.0 ‘
‘15 1‘00
075
! ! 5- A
I I
,I : I ,,,,,,, I : ,,,,,,, L,
T I
O.
O.
om
L_. <— 00="" detail="" g="" view="" rotated="" 90'="" cw="" seating="" plane="" mechanical="" outline="" print="" version="" not="" to="" scale="" title?="" thermally="" enhanced="" quad="" document="" no:="" 98arh99048a="" rev:="" e="" flat="" nonileaded="" package="" (qen)="" case="" number:="" 13i4—o4="" 20="" apr="" 2005="" 48="" terminal,="" 0.5="" pitch="" (7="" x="" 7="" x="" 1)="" standard:="" jedec—mo—zzo="" vkkd—z="">—>
rDETATL T rDETAIL T
\
Illlllllllll /
/
DETAIL M DETATL M
PTN w BACKSTDE IDENTTFIER OPTTON PIN 1 BACKSIDE IDENTTFIER OPTTON
(90')
2x 0.39
031
r (”V
_> <_ 2x="" 0.1="" 0.0="" detail="" t="" i“="" mechanical="" outline="" prtnt="" verston="" not="" to="" scale="" tttle:="" thermally="" enhanced="" quad="" document="" no:="" 98arh99048a="" rev:="" e="" flat="" nonileaded="" package="" (qfn)="" case="" number:1314704="" 20="" apr="" 2005="" 48="" terminal="" 0'5="" p‘tch="" (7="" x="" 7="" x="" 1)="" standard:jedec*mo*22o="" vkkd72="">
NOTES:
1. DTMENSIONS ARE IN MTLLIMETERS.
2. INTERPRET DTMENSTONS AND TOLERANCES PER ASME Y14.5M*1994.
3. THE COMPLETE JEDEC DESTGNATOR FOR THIS PACKAGE IS: HFiPQEN.
COPLANARTTY APPLTES TO LEADS, CORNER LEADS, AND BE ATTACH PAD‘
5. MN METAL GAP SHOULD BE O.2MM.
MECHANICAL OUTLINE PRTNT VERSTON NOT TO SCALE
TTTLE: THERMALLY ENHANCED QUAD DOCUMENT NO: 98ARH99048A
FLAT NONiLEADED PACKAGE (QFN) CASE NUMBERHM,“
REV: E
20 APR 2005
48 TERMTNAL, 0.5 PITCH (7 x 7 X 1)
STANDARD: JEDEC7M072ZO VKKD72
[a]
DETAIL " A"
12
S 11
13. 45
12. 95
& ml!
10'
A L5.
‘ \ DATUM
3:2: Ss’ Li I 1 J; 041mm
I
I
«It. 5' ,l’
SEATING
PLANE
MECHANICAL OUTLINE PRINT VERSION NOT TO SCALE
DOCUMENT N0: 98ASE42839E REV: B
44LD QEP,
CASE NUMBER: 824A701 06 APR 2005
10XIOX2. O PKG, 0.8 PITCH
STANDARD: NON’JEDEC
on.
x = A, B OR D ' iBASE METAL
0.45
0.30
fl‘ I-I-Iil
SECTION 878
DETAIL "A" VIEW ROTATED 90°
0" MIN.
0.13 MIN.
0.30
DATUM O. 13
PLANE
: : _L
0.95 \
0. 4 MIN. 0_ 65 71
0.
DETAIL "C"
4i SBHC
kHWIS _
MECHANICAL OUTLINE PRINT VERSION NOT TO SCALE
DOCUMENT N0: 98ASE42839E REV: B
44LD QFP,
IOXIOXZ O PKG, O 8 PITCH CASE NUMBER: 824A701 06 APR 2005
STANDARD: NON’JEDEC
NOTES:
IL DIMENSIONS AND TOLERANCING PER ASME YI4.5M. I994.
2. CONTROLLING DIMENSION: MILLIMETER.
3. DATUMPLANE 7H7 IS LOCATED AT BOTTOM OF LEAD AND IS COINCIDENT
WITH THE LEAD WHERE THE LEAD EXITS THE PLASTIC BODY AT THE BOTTOM
OF THE PARTING LINE.
B 99+
DATUMS APB AND 7D7 TO BE DETERMINED AT DATUM PLANE 7H7.
THIS DIMENSION TO BE DETERMINED AT SEATING PLANE —C—.
THIS DIMENSION DO NOT INCLUDE MOLD PROTRUSION, ALLOWABLE
PROTRUSION IS 0.25 PER SIDE, DIMENSIONS A AND B DO INCLUDE
MOLD MISMATCH AND ARE DETERMINED AT DATUM PLANE —H—.
THIS DIMENSION DOES NOT INCLUDE DAMBAR PROTRUSTION, ALLOWABLE DAMBAR
PROTRUSION SHALL BE 0.08 TOTAL IN EXCESS OF THE D DIMENSION
AT MAXIMUM MATERIAL CONDITION, DAMBAR CANNOT BE LOCATED ON THE
LOWER RADIUS OR THE FOOT.
4i SBHC
PHHIS _
MECHANICAL OUTLINE
PRINT VERSION NOT TO SCALE
44LD QEP,
IOXIOXZ. O PKG, 0.8 PITCH
DOCUMENT N0298ASB42839B
CASE NUMBER1824A701
REV:B
06 APR 2005
STANDARDZNONiJEDEC

o
o
'0
:" freescale'"
semiconducmr


