Datenblatt für MAX8630Y,Z von Analog Devices Inc./Maxim Integrated

torsssg Hcv / 207 ALuATION K‘T EV Av MLABLE lVI/JXI/VI flH J m “H: £13th LLE ¢ Wm M; [MAXIM lVI/lXIlI/I IVIAXIIVI
General Description
The MAX8630Y/MAX8630Z charge pumps drive up to 5
white LEDs with regulated constant current up to 125mA
total. By utilizing adaptive 1x/1.5x charge-pump modes
and very low-dropout current regulators, they achieve
high efficiency over the full 1-cell Li+ battery input volt-
age range. The 1MHz fixed-frequency switching allows
for tiny external components, and the regulation scheme
is optimized to ensure low EMI and low input ripple. An
integrated derating function protects the LEDs from
overheating during high ambient temperatures.
The MAX8630Y/MAX8630Z are factory trimmed for full-
scale LED current options of 15mA, 18mA, 20mA, and
25mA. The MAX8630Z uses two enable inputs (ENM for
3 main LEDs and ENS for 2 sub LEDs) for simple on/off
control and single-wire, serial-pulse dimming in 32 linear
steps. The MAX8630Y uses a single direct PWM input
(PWM) to control all 5 LEDs with DC current proportional
to the PWM duty cycle. If both ENM and ENS (or PWM)
are kept low for more than 4ms, the MAX8630_ enters
shutdown. The MAX8630Y/MAX8630Z are available in a
14-pin, 3mm x 3mm TDFN package (0.8mm max height).
Applications
Display Backlight (Up to 5 LEDs)
Main (3 LEDs) + Sub (2 LEDs) Displays
Cell Phones and Smartphones
PDAs, Digital Cameras, and Camcorders
Features
93% Max/85% Avg. Efficiency (PLED/PBATT) Over
Li+ Battery Discharge
1% LED Current Accuracy
125mA Total Drive Capability
Adaptive 1x/1.5x Mode Switchover
Single-Wire, Serial-Pulse Dimming (MAX8630Z)
Independent On/Off/Dimming for Main and Sub
Linear—Full, 31/32nd, 30/32nd, … 1/32nd
Direct-PWM Dimming (MAX8630Y)
15, 18, 20, and 25mA Full-Scale Versions
Low 0.1µA Shutdown Current
Soft-Start Eliminates Inrush Current
Output Overvoltage Protection
Thermal-Derating Function Protects LEDs
14-Pin, 3mm x 3mm TDFN Package
MAX8630Y/MAX8630Z
125mA 1x/1.5x Charge Pumps for
5 White LEDs in 3mm x 3mm TDFN
________________________________________________________________ Maxim Integrated Products 1
1234567
14 13 12 11 10 9 8
LED2
LED1
LED3
LED5
C2P
C2N
IN
C1N
GND
TDFN
3mm × 3mm
TOP VIEW
( ) ARE FOR MAX8630Y
ENM (CPWM)
ENS (PWM)
C1P
OUT
MAX8630Y
MAX8630Z
LED4
Pin Configuration
Ordering Information
MAX8630Z
1μF
1μF
1μF
1μF
IN
GND
ENM
ENS
OUT
C1P C1N
MAIN
OUTPUT
SUB
C2P C2N
ENABLE MAIN
ON/OFF AND
DIMMING
ENABLE SUB
ON/OFF AND
DIMMING
INPUT
2.7V TO 5.5V
LED1
LED2
LED3
LED4
LED5
Typical Operating Circuit
19-3689; Rev 1; 2/07
For pricing, delivery, and ordering information, please contact Maxim/Dallas Direct! at
1-888-629-4642, or visit Maxim’s website at www.maxim-ic.com.
Ordering Information continued at end of data sheet.
EVALUATION KIT
AVAILABLE
PART PIN-
PACKAGE
TOP
MARK
PKG
CODE
MAX8630YETD15+T
14 TDFN
(3mm x 3mm)
AAS
T1433-2
Selector Guide appears at end of data sheet.
Note: All devices are specified to operate over the -40°C to
+85°C operating temperature range.
+Denotes a lead-free package.
[VI A X I [VI
MAX8630Y/MAX8630Z
125mA 1x/1.5x Charge Pumps for 5 White LEDs
in 3mm x 3mm TDFN
2 _______________________________________________________________________________________
ABSOLUTE MAXIMUM RATINGS
ELECTRICAL CHARACTERISTICS
(VIN = 3.6V, VGND = 0V, EN_ (PWM) = IN, TA= -40°C to +85°C, unless otherwise noted. Typical values are at TA= +25°C.) (Note 1)
Stresses beyond those listed under “Absolute Maximum Ratings” may cause permanent damage to the device. These are stress ratings only, and functional
operation of the device at these or any other conditions beyond those indicated in the operational sections of the specifications is not implied. Exposure to
absolute maximum rating conditions for extended periods may affect device reliability.
IN, OUT to GND.....................................................-0.3V to +6.0V
C1N, C2N, ENM, CPWM, ENS,
PWM to GND ............................................-0.3V to (VIN + 0.3V)
LED_ to GND ............................................-0.3V to (VOUT + 0.3V)
C1P, C2P to GND ...-0.3V to greater of (VOUT + 1V) or (VIN + 1V)
OUT Short Circuit to GND ..........................................Continuous
Continuous Power Dissipation (TA= +70°C)
14-Pin TDFN 3mm x 3mm
(derate 18.2mW/°C above +70°C).............................1454mW
Junction Temperature......................................................+150°C
Storage Temperature Range .............................-65°C to +150°C
Lead Temperature (soldering, 10s) .................................+300°C
PARAMETER CONDITIONS
MIN
TYP
MAX
IN Operating Voltage 2.7 5.5 V
Undervoltage-Lockout Threshold
VIN rising or falling
2.20 2.45 2.65
V
Undervoltage-Lockout Hysteresis
100
mV
Output Overvoltage Protection
Threshold VOUT rising, any LED_ = GND 5 V
1/32nd setting, 1.5x mode 1.4
No-Load Supply Current 1/32nd setting, 1x mode
0.35
mA
TA = +25°C 0.01
2
Shutdown Supply Current ENM = ENS (PWM) = GND
TA = +85°C
0.1 µA
Soft-Start Time (tSOFT-START)2ms
MAX8630_ETD15 15
MAX8630_ETD18 18
MAX8630_ETD20 20
Full-Scale LED Current
MAX8630_ETD25 25
mA
TA = +25°C -1
±0.3
+1
Full-Scale LED Current Accuracy
TA = -40°C to derating function start temperature
-3.5 ±0.3 +3.5
%
Derating Function Start
Temperature 40 °C
Derating Function Slope TA = +40°C to +85°C
-1.67
LED_ Dropout Voltage 100% LED setting (Note 2) 40 75 mV
1x to 1.5x Mode Transition
Threshold VLED_ falling 88 mV
Input Voltage Mode Transition
Hysteresis 70 mV
1.5x Mode Regulation Voltage Minimum of VLED_
122
mV
OUT Pulldown Resistance in
Shutdown ENM = ENS (PWM) = GND 5 kΩ
[VI 1] X I [VI
MAX8630Y/MAX8630Z
125mA 1x/1.5x Charge Pumps for 5 White LEDs
in 3mm x 3mm TDFN
_______________________________________________________________________________________ 3
Note 1: Limits are 100% production tested at TA= +25°C. Limits over the operating temperature range are guaranteed by design.
Note 2: Dropout voltage is defined as the LED_ to GND voltage at which current into LED_ drops 10% from the value at VLED_ = 0.2V.
ELECTRICAL CHARACTERISTICS (continued)
(VIN = 3.6V, VGND = 0V, EN_ (PWM) = IN, TA= -40°C to +85°C, unless otherwise noted. Typical values are at TA= +25°C.) (Note 1)
PARAMETER CONDITIONS
MIN TYP MAX
UNITS
1x mode, (VIN - VOUT) / IOUT 0.8 1.5
Open-Loop OUT Resistance 1.5x mode, (1.5VIN - VOUT) / IOUT 3.2 7.2 Ω
Maximum OUT Current VIN 3.2V, VOUT = 3.9V
125
mA
OUT Short-Circuit Current Limit VOUT < 1.25V 57 mA
Switching Frequency 1
MHz
Direct-PWM Dimming Filter
Corner Frequency (MAX8630Y)
CCPWM = 0.1µF, (PWM frequency of 900Hz to 200kHz
recommended) 10 Hz
EN_ (PWM) High Voltage VIN = 2.7V to 5.5V 1.4 V
EN_ (PWM) Low Voltage VIN = 2.7V to 5.5V 0.4 V
EN_ (PWM) Minimum Input
Slew Rate VIN = 2.7V to 5.5V (recommended minimum slew rate) 1 V/µs
TA = +25°C
0.01
1
EN_ (PWM) Input Current VEN_ (PWM) = 0V or 5.5V TA = +85°C 0.1 µA
EN_ (PWM) Low Shutdown Delay
(tSHDN)4ms
EN_ tLO (See Figure 4) 0.5
500.0
µs
EN_ tHI (See Figure 4) 0.5 µs
Initial EN_ tHI (See Figure 4) First EN_ (PWM) high pulse 50 µs
Thermal Shutdown
+160
°C
Thermal-Shutdown Hysteresis 20 °C
Typical Operating Characteristics
(VIN = 3.6V, ENM = ENS = IN, TA= +25°C, unless otherwise noted.)
EFFICIENCY vs. INPUT VOLTAGE
DRIVING 5 LEDs
MAX8630Y/Z toc01
INPUT VOLTAGE (V)
EFFICIENCY (%)
3.93.63.33.0
10
20
30
40
50
60
70
80
90
100
0
2.7 4.2
ILED = 1.875mA
ILED = 8.125mA
ILED = 20mA
VIN FALLING
INPUT CURRENT vs. INPUT VOLTAGE
DRIVING 5 LEDs
MAX8630Y/Z toc02
INPUT VOLTAGE (V)
INPUT CURRENT (mA)
3.93.63.0 3.3
20
40
60
80
120
100
140
160
0
2.7 4.2
ILED = 8.125mA
ILED = 1.875mA
ILED = 20mA
VIN FALLING
INPUT CURRENT vs. INPUT VOLTAGE
DRIVING 3 MAIN LEDs
MAX8630Y/Z toc03
INPUT VOLTAGE (V)
INPUT CURRENT (mA)
3.93.63.0 3.3
20
40
60
80
120
100
140
160
0
2.7 4.2
ILED = 8.125mA
ILED = 1.875mA
ILED = 20mA
VIN FALLING
mam] 1x mun: npmnm: wnvsiunms (v... = 4.1m fl Mmm :w ,, \AE LJUPLEDI WW zonmmw McrcuUPLEm [MAXIIVI
MAX8630Y/MAX8630Z
125mA 1x/1.5x Charge Pumps for 5 White LEDs
in 3mm x 3mm TDFN
4 _______________________________________________________________________________________
INPUT CURRENT vs. INPUT VOLTAGE
DRIVING 2 SUB LEDs
MAX8630Y/Z toc04
INPUT VOLTAGE (V)
INPUT CURRENT (mA)
3.93.63.0 3.3
20
40
60
80
120
100
140
160
0
2.7 4.2
ILED = 8.125mA
ILED = 1.875mA
ILED = 20mA
VIN FALLING
INPUT RIPPLE VOLTAGE vs. SUPPLY
VOLTAGE DRIVING 5 WHITE LEDs
MAX8630Y/Z toc05
INPUT VOLTAGE (V)
INPUT RIPPLE VOLTAGE (mVP-P)
3.73.2
20
40
60
80
100
120
140
0
2.7 4.2
20mA/LED
15mA/LED
8mA/LED
2mA/LED
LED CURRENT MATCHING vs. INPUT
VOLTAGE (25mA/LED)
MAX8630Y/Z toc06
INPUT VOLTAGE (V)
LED CURRENT (mA)
5.14.73.1 3.5 3.9 4.3
21
22
23
24
25
26
27
28
20
2.7 5.5
LED CURRENT MATCHING vs. INPUT
VOLTAGE (2.5mA/LED)
MAX8630Y/Z toc07
INPUT VOLTAGE (V)
LED CURRENT (mA)
5.14.73.1 3.5 3.9 4.3
2.10
2.20
2.30
2.40
2.50
2.60
2.70
2.80
2.00
2.7 5.5
OUTPUT CURRENT vs. TEMPERATURE
(5 LEDs AT 25mA EACH)
MAX8630Y/Z toc08
TEMPERATURE (°C)
OUTPUT CURRENT (mA)
603510-15
20
40
60
80
100
120
140
0
-40 85
TEMPERATURE
DERATING
1x MODE OPERATING WAVEFORMS
(VIN = 4.0V)
MAX8630Y/Z toc09
1μs/div
200mV/div
(AC-COUPLED)
200mV/div
(AC-COUPLED)
100mA/div
VOUT
VIN
IIN
1.5x MODE OPERATING WAVEFORMS
(VIN = 3.6V)
MAX8630Y/Z toc10
1μs/div
200mV/div
(AC-COUPLED)
200mV/div
(AC-COUPLED)
100mA/div
VOUT
VIN
IIN
Typical Operating Characteristics (continued)
(VIN = 3.6V, ENM = ENS = IN, TA= +25°C, unless otherwise noted.)
Jm'mmnm mmmffifnfii [VI 1] X I [VI
MAX8630Y/MAX8630Z
125mA 1x/1.5x Charge Pumps for 5 White LEDs
in 3mm x 3mm TDFN
_______________________________________________________________________________________ 5
STARTUP AND SHUTDOWN
MAX8630Y/Z toc11
1ms/div
5V/div
2V/div
0
0
0
100mA/div
100mA/div
VENM AND
VENS
VOUT
IIN
IOUT
MAIN STARTUP AND SHUTDOWN
WITH SUB ENABLED
MAX8630Y/Z toc12
1ms/div
5V/div
2V/div
100mA/div
100mA/div
VENM
VOUT
IIN
IOUT
0
0
0
STARTUP AND DIMMING
MAX8630Y/Z toc13
20ms/div
5V/div
1V/div
20mA/div
VENM AND
VENS
VOUT
IOUT
Typical Operating Characteristics (continued)
(VIN = 3.6V, ENM = ENS = IN, TA= +25°C, unless otherwise noted.)
LINE-TRANSIENT RESPONSE WITH MODE CHANGE
(VIN = 3.8V TO 3.2V TO 3.8V)
MAX8630Y/Z toc14
200μs/div
1V/div
500mV/div
3V
50mA/div
0
VIN
VOUT
IOUT
Pin Description
PIN
M A X8 6 3 0 Z M A X8 6 3 0 YN A M EF U N C T IO N
11G N D
G r ound . C onnect G N D to system g r ound and the i np ut b yp ass cap aci tor as
cl ose to the IC as p ossi b l e. C onnect GN D to the exp osed p ad d i r ectl y und er
the IC .
22C 1N Tr ansfer C ap aci tor 1 N eg ati ve C onnecti on. C onnect a 1µF cer am i c cap aci tor
fr om C 1P to C 1N .
33IN
S up p l y V ol tag e Inp ut. C onnect a 1µF cer am i c cap aci tor fr om IN to GN D . The
i np ut vol tag e r ang e i s 2.7V to 5.5V .
44C 2N Tr ansfer C ap aci tor 2 N eg ati ve C onnecti on. C onnect a 1µF cer am i c cap aci tor
fr om C 2P to C 2N .
[VI/J XIIVI
MAX8630Y/MAX8630Z
125mA 1x/1.5x Charge Pumps for 5 White LEDs
in 3mm x 3mm TDFN
6 _______________________________________________________________________________________
Pin Description (continued)
PIN
M A X8 6 3 0 Z M A X8 6 3 0 YN A M EF U N C T IO N
55C 2P Tr ansfer C ap aci tor 2 P osi ti ve C onnecti on. C onnect a 1µF cer am i c cap aci tor
fr om C 2P to C 2N .
66C 1P Tr ansfer C ap aci tor 1 P osi ti ve C onnecti on. C onnect a 1µF cer am i c cap aci tor
fr om C 1P to C 1N .
77O U T
O utp ut. C onnect a 1µF cer am i c cap aci tor fr om O U T to G N D . C onnect OU T to
the anod es of al l the LE D s. In shutd ow n, O U T i s p ul l ed d ow n b y an i nter nal
5kΩ r esi stor .
8— E N S
E nab l e and D i m m i ng C ontr ol for S ub LE D s ( LE D 4 and LE D 5) . D r i ve E N S l og i c-
l ow for g r eater than 4m s to d i sab l e the sub LE D s. D r i ve b oth E N M and E N S
l og i c- l ow for g r eater than 4m s to shut d ow n the IC . D r i ve E N S l og i c- hi g h to
b eg i n soft- star t and enab l e m axi m
um ( 100% ) sub LE D cur r ent. S ub seq uent
p ul ses on E N S cause the sub LE D cur r ent to d ecr ease i n 32 l i near step s.
Because of the soft- star t d el ay, i t i s p ossi b l e to tur n on the IC and q ui ckl y set a
d i m l evel so the sub LE D cur r ent never tr ansi ti ons thr oug h the m axi m um
setti ng . S ee the E N M /E N S D i m m i ng C ontr ol secti on.
9— E N M
E nab l e and D i m m i ng C ontr ol for M ai n LE D s ( LE D 1, LE D 2, and LE D 3) . D r i ve
E N M l og i c- l ow for g r eater than 4m s to d i sab l e the m ai n LE D s. D r i ve b oth E N M
and E N S l og i c- l ow for g r eater than 4m s to shut d ow n the IC . D r i ve E N M l og i c-
hi g h to b eg i n soft- star t and enab l
e m axi m um ( 100% ) m ai n LE D cur r ent.
S ub seq uent p ul ses on E N M cause the m ai n LE D cur r ent to d ecr ease i n 32
l i near step s. Because of the soft- star t d el ay, i t i s p ossi b l e to tur n on the IC and
q ui ckl y set a d i m l evel so the m ai n LE D cur r ent never tr ansi ti ons thr oug h the
m axi m um setti ng . S ee the E N M /E N S D i m m i ng C ontr ol secti on.
— 8 P WM
D i r ect P WM i np ut. P W M contr ol s outp ut cur r ent as a p er centag e of ful l - scal e
cur r ent i n p r op or ti on to P W M si g nal d uty cycl e. The fr eq uency r ang e i s 900H z
to 200kH z.
— 9 C P W M
P WM Fi l ter C ap aci tor C onnecti on. C onnect a cap aci tor fr om C P W M to G N D to
for m a fi l ter w i th the i nter nal 150kΩ r esi stor . The r ecom m end ed cap aci tor for
10H z cor ner i s 0.F.
10 10 LE D 5
11 11 LE D 4
S ub LE D C athod e C onnecti ons and C har g e- P um p Feed b ack. C ur r ent fl ow i ng
i nto LE D _ i s b ased on the E N S ( or P W M ) d escr i p ti on ab ove. The char g e p um p
r eg ul ates the l ow est LE D _ vol tag e to 0.12V . C onnect LE D _ to O U T i f the
cor r esp ond i ng LE D i s not p op ul ated .
12 12 LE D 3
13 13 LE D 2
14 14 LE D 1
M ai n LE D C athod e C onnecti ons and C har g e- P um p Feed b ack. C ur r ent fl ow i ng
i nto LE D _ i s b ased on the E N M ( or P W M ) d escr i p ti on ab ove. The char g e p um p
r eg ul ates the l ow est LE D _ vol tag e to 0.12V . C onnect LE D _ to O U T i f the
cor r esp ond i ng LE D i s not p op ul ated .
— — E P E xp osed P ad d l e. C onnect to GN D d i r ectl y und er the IC .
flfi J WA LLE [MAXIM DZP DZN w w ff HH MAXI/VI [VI 1] X I [VI
MAX8630Y/MAX8630Z
125mA 1x/1.5x Charge Pumps for 5 White LEDs
in 3mm x 3mm TDFN
_______________________________________________________________________________________ 7
MAX8630Z
1μF
1μF
1μF
1μF
IN
GND
ENM
ENS
OUT
C1P C1N
MAIN
SUB
C2P C2N
ENABLE MAIN
ON/OFF AND
SERIAL DIMMING
ENABLE SUB
ON/OFF AND
SERIAL DIMMING
2.7V TO 5.5V
LED1
LED2
LED3
LED4
LED5
MAX8630Y
1μF
1μF
1μF
0.1μF
1μF
IN
GND
CPWM
PWM
OUT
C1P C1N
C2P C2N
DIRECT PWM
SIGNAL
2.7V TO 5.5V
LED1
LED2
LED3
LED4
LED5
0.6V
0.12V MIN
SELECT
ERROR
AMP 1
MAIN CONTROL
SUB CONTROL
CONTROL AND
REFERENCE
MAX8630Y
MAX8630Z
ENS
(PWM)
LED1 D1
LED2 D2
LED3 D3
LED4 D4
LED5 D5
+
+
+
+
+
0.6V
INPUT
2.7V TO 5.5V
1.25V
OUT
OVD
COUT
1μF
CIN
1μF
ERROR
AMP 2
RSET
( ) ARE FOR MAX8630Y
ENM
(CPWM)
MAX8630Y
ONLY
C1
1μF
C1P
IN
GND
C1N C2P C2N
C2
1μF
1x/1.5x REGULATING
CHARGE PUMP
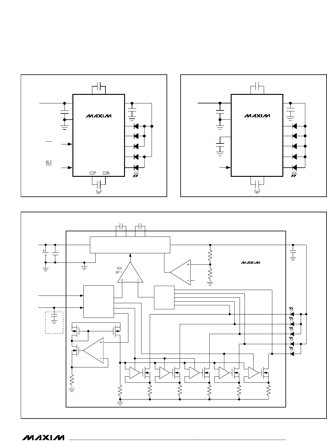
Figure 2. Typical Applications Circuit with the MAX8630Y
Figure 3. Functional Diagram
Figure 1. Typical Applications Circuit with the MAX8630Z
lVI/JXIIVI
MAX8630Y/MAX8630Z
125mA 1x/1.5x Charge Pumps for 5 White LEDs
in 3mm x 3mm TDFN
8 _______________________________________________________________________________________
Detailed Description
The MAX8630_ charge pump drives up to 5 white LEDs
(3 main LEDs and 2 sub LEDs) with regulated constant
current for uniform intensity. By utilizing adaptive 1x/1.5x
charge-pump modes and very low-dropout current regu-
lators, it achieves 125mA guaranteed output-drive capa-
bility and high efficiency over the 1-cell Li+ battery input
voltage range. 1MHz fixed-frequency switching allows
for tiny external components and the regulation scheme
is optimized to ensure low EMI and low input ripple. The
MAX8630Z provides independent on/off/dimming control
for main and sub displays (see Figure 1). The MAX8630Y
allows direct-PWM dimming of all five LEDs together
(see Figure 2). A functional diagram for the
MAX8630Z/MAX8630Y is shown in Figure 3.
1x to 1.5x Switchover
When VIN is higher than VOUT, the MAX8630_ operates
in 1x mode and VOUT is pulled up to VIN. The internal
current regulators regulate the LED current. As VIN
drops, VLEDMIN_ eventually falls below the switchover
threshold of 88mV, and the MAX8630_ starts switching
in 1.5x mode, and VLEDMIN is regulated to 122mV by
the charge pump. To switch back to 1x mode, the
MAX8630_ determines if VIN - VOUT is sufficient to keep
VLEDMIN greater than 88mV. The comparator that
makes this judgment is adaptive and matches the
switchover for the conditions.
Soft-Start
The MAX8630_ includes soft-start circuitry to eliminate
inrush current at turn-on. When starting up, the output
capacitor is charged directly from the input with a
ramped current source (with no charge-pump action)
until the output voltage approaches the input voltage.
Once this occurs, the charge pump enters 1x mode,
and the LED output current is then ramped up in 32 lin-
ear steps. If the current regulators are in dropout at the
end of this time, the charge pump switches to 1.5x
mode and the current regulators are ramped again. If
the output is shorted to ground (VOUT < 1.25V), the part
stays in the initial soft-start stage and output current is
limited by the ramped current source. Additionally,
when the main or sub LED current rolls over from 1/32
to full, the LED current regulators soft-start again to
eliminate input current spikes.
ENM/ENS Dimming Control (MAX8630Z)
When the LEDs are enabled (by driving EN_ high), the
MAX8630Z goes through soft-start and brings the LED
current up in 32 linear steps. Dim the MAX8630Z by puls-
ing EN_ low (500ns to 500µs pulse width). Each pulse
reduces the LED current by 1/32nd. After 31 pulses, the
current reaches 1/32, and the next pulse restores the cur-
rent to 100%. Figure 4 shows a timing diagram for EN_.
If dimming control is not required, ENM and ENS work
as simple on/off controls. Drive ENM/ENS high to
enable the LEDs, or drive ENM/ENS low for shutdown.
The LEDs operate at 100% brightness under these sim-
ple on/off conditions.
PWM Dimming Control (MAX8630Y)
Dim the MAX8630Y by applying a direct-PWM logic-
level signal to PWM. An internal resistor combined with
the capacitor at CPWM forms a lowpass filter that con-
verts the PWM signal to DC LED current that is propor-
tional to the PWM signal’s duty cycle. All five LEDS are
controlled together on the MAX8630Y. The PWM fre-
quency range is 900Hz to 200kHz.
If dimming control is not required, PWM works as a sim-
ple on/off control. Drive PWM high to enable the LEDs,
or drive PWM low for shutdown.
1
02 3 4 5 27 28 29 30 31 32
SHUTDOWN
tSHDN
4ms
2/32 1/32
3/32
4/32
5/32
6/32
27/32
28/32
29/32
30/32
31/32 31/32
SHUTDOWN
FULL FULL
ILED_
EN_
tSOFT-START
INITIAL tHI
tLO tHI
> 50μs
>500ns
500ns TO 500μs
Figure 4. MAX8630Z EN_ Timing Diagram
[VI 1] X I [VI
MAX8630Y/MAX8630Z
125mA 1x/1.5x Charge Pumps for 5 White LEDs
in 3mm x 3mm TDFN
_______________________________________________________________________________________ 9
Shutdown Mode
When both ENM and ENS (or PWM) are held low for
4ms or longer, the MAX8630_ is shut down and put in a
low-current mode. OUT is internally pulled to GND with
5kΩduring shutdown.
Overvoltage Protection
If any LED fails as an open circuit, the corresponding
VLED_ goes to 0V, and the output voltage is limited to
about 5V by gating on/off the charge pump. In case
any LED_ is floating or grounded, the MAX8630_ oper-
ates in the same overvoltage protection mode. To avoid
overvoltage protection mode when using fewer than
five LEDs, connect any unused LED_ to OUT. The
MAX8630_ contains special circuitry to detect this con-
dition and disables the corresponding current regulator
to avoid wasting battery current.
Thermal Shutdown
The MAX8630_ includes a thermal-protection circuit
that shuts down the IC when the die temperature reach-
es about +160°C. The part turns on after the IC cools
by approximately 20°C.
Temperature Derating Function
The MAX8630 contains a derating function that auto-
matically limits the LED current at high temperatures in
accordance with the recommended derating curve of
popular white LEDs. The derating function enables the
safe usage of higher LED currents at room tempera-
ture, thus reducing the number of LEDs required to
backlight the display. The derating circuit protects the
LEDs from overheating at high PC board temperatures.
The derating circuit limits the LED current by reducing
the internal 600mV reference voltage above +40°C at
approximately -1.67%/°C. The typical derating function
characteristic is shown in the Typical Operating
Characteristics.
Applications Information
Driving Fewer than 5 LEDs
To avoid overvoltage protection mode when using
fewer than five LEDs, connect any unused LED_ to
OUT. The MAX8630_ contains special circuitry to
detect this condition and disables the corresponding
current regulator to avoid wasting battery current.
Input Ripple
For LED drivers, input ripple is more important than out-
put ripple. Input ripple depends on the source supply’s
output impedance. Adding a lowpass filter to the input
of the MAX8630_ further reduces input ripple.
Alternatively, increasing CIN to 2.2µF (or 4.7µF) cuts
input ripple in half (or in fourth) with only a small
increase in footprint. The 1x mode always has very low
input ripple.
Component Selection
Ceramic capacitors are recommended due to their
small size, low cost, and low ESR. Select ceramic
capacitors that maintain their capacitance over temper-
ature and DC bias. Capacitors with X5R or X7R temper-
ature characteristics generally perform well. See Table
1 for a list of recommended components. Using a larg-
er value input capacitor helps to reduce input ripple
(see the Input Ripple section).
PC Board Layout and Routing
The MAX8630_ is a high-frequency, switched-capacitor
voltage regulator. For best circuit performance, use a
solid ground plane and place CIN, COUT, C1, and C2
as close to the MAX8630_ as possible. See the
MAX8630Z evaluation kit for an example layout.
Chip Information
PROCESS: BiCMOS
Table 1. Recommended Components
DESIGNATION
VALUE
MANUFACTURER
PART NUMBER DESCRIPTION
Taiyo Yuden
JMK105 BJ105MV
1µF ±20%, 6.3V X5R ceramic capacitors (0402)
CIN, COUT, C1, C2
1µF TDK
C1005X5R0J105M
1µF ±20%, 6.3V X5R ceramic capacitors (0402)
D1–D5 Nichia NSCW215T White LEDs
MAXBGSOZETDX) Sema‘ Pu‘se [VI/J XIIVI
MAX8630Y/MAX8630Z
125mA 1x/1.5x Charge Pumps for 5 White LEDs
in 3mm x 3mm TDFN
10 ______________________________________________________________________________________
Ordering Information (continued)
PART PIN-
PACKAGE
TOP
MARK
PKG
CODE
MAX8630YETD15-T
14 TDFN
(3mm x 3mm)
AAS
T1433-2
MAX8630YETD18+T
14 TDFN
(3mm x 3mm)
AAT
T1433-2
MAX8630YETD18-T
14 TDFN
(3mm x 3mm)
AAT
T1433-2
MAX8630YETD20+T
14 TDFN
(3mm x 3mm)
AAU
T1433-2
MAX8630YETD20-T
14 TDFN
(3mm x 3mm)
AAU
T1433-2
MAX8630YETD25+T
14 TDFN
(3mm x 3mm)
AAV
T1433-2
MAX8630YETD25-T
14 TDFN
(3mm x 3mm)
AAV
T1433-2
MAX8630ZETD15+T
14 TDFN
(3mm x 3mm)
AAW
T1433-2
MAX8630ZETD15-T
14 TDFN
(3mm x 3mm)
AAW
T1433-2
MAX8630ZETD18+T
14 TDFN
(3mm x 3mm)
AAX
T1433-2
MAX8630ZETD18-T
14 TDFN
(3mm x 3mm)
AAX
T1433-2
MAX8630ZETD20+T
14 TDFN
(3mm x 3mm)
AAY
T1433-2
MAX8630ZETD20-T
14 TDFN
(3mm x 3mm)
AAY
T1433-2
MAX8630ZETD25+T
14 TDFN
(3mm x 3mm)
AAZ
T1433-2
MAX8630ZETD25-T
14 TDFN
(3mm x 3mm)
AAZ
T1433-2
Selector Guide
PART FULL-SCALE
CURRENT (mA)
DIMMING
INTERFACE
MAX8630YETD15 15 Direct PWM
MAX8630YETD18 18 Direct PWM
MAX8630YETD20 20 Direct PWM
MAX8630YETD25 25 Direct PWM
MAX8630ZETD15 15 Serial Pulse
MAX8630ZETD18 18 Serial Pulse
MAX8630ZETD20 20 Serial Pulse
MAX8630ZETD25 25 Serial Pulse
Note: All devices are specified to operate over the -40°C to
+85°C operating temperature range.
+Denotes a lead-free package.
golo www‘maxim-icmoml acka es nznu. A\ v 4H? N -DRA‘MNG not To SCALE— VHARK‘NE —>‘ A P— ; / \ w %uwwwm m u / r _______ 1 I w 1 —D : DJSXQGS 1 n2 4 L \ ‘ l k 77777 A Tmmmmmmm\m.m Ie>~ m —> [(N/Z)-l] X e REF. <— w="" t="" l="" tqmm‘e"="" m,="" “mi-="" eden-ma="" iviaxi/w="" fackaee="" eiutline,="" saw="" &="" ml,="" ann="" expeised="" pad="" axaxom="" rm="" m="" mum“="" hm="" 21-0137="" lvi/jxiivi="">
MAX8630Y/MAX8630Z
125mA 1x/1.5x Charge Pumps for 5 White LEDs
in 3mm x 3mm TDFN
______________________________________________________________________________________ 11
Package Information
(The package drawing(s) in this data sheet may not reflect the most current specifications. For the latest package outline information
go to www.maxim-ic.com/packages.)
6, 8, &10L, DFN THIN.EPS
go Io www.maxim-ic.comlpackages NOTES: I. ALL DIMENSIONS ARE IN mm ANGLES IN DEGREES. 2. CuPLANARrrY SHALL NOT EXCEED um mm. s. WARFMSE SHALL NOT EXCEED 0.10 mm. 4. PACKACE LEIGH/PACKAGE wmrH ARE cuNSInmEn As SPECIAL CHARAcrERIanS). 5‘ DRAWING CONFDRMS T0 JEDEC M0229I EXCEPT DIMENSIONS '02‘ AND 'EZ'. AND Twas-I a: Hus-2‘ 6. 'N‘ Is THE 10m. NUMBER or LEADS. 7. NLIMBE? or LEADS SNm/N ARE ma REFERENCE CINLV. A MARKING IS FOR PACKAGE UNIEN'IATION REFERENCE ONLL IBM-M; [MAXI/III PACKAGE uuTLINE, 633,10 x» 14L. TDFN, EXPEISE]: PAD, :Ixaxusa rm mu mm" m m -DRAWING NOT ro SCAIE— I 21-0137 I I I% MAXIM
MAX8630Y/MAX8630Z
125mA 1x/1.5x Charge Pumps for 5 White LEDs
in 3mm x 3mm TDFN
Maxim cannot assume responsibility for use of any circuitry other than circuitry entirely embodied in a Maxim product. No circuit patent licenses are
implied. Maxim reserves the right to change the circuitry and specifications without notice at any time.
12 ____________________Maxim Integrated Products, 120 San Gabriel Drive, Sunnyvale, CA 94086 408-737-7600
© 2007 Maxim Integrated Products is a registered trademark of Maxim Integrated Products, Inc.
Package Information (continued)
(The package drawing(s) in this data sheet may not reflect the most current specifications. For the latest package outline information
go to www.maxim-ic.com/packages.)
COMMON DIMENSIONS
SYMBOL MIN. MAX.
A 0.70 0.80
D 2.90 3.10
E 2.90 3.10
A1 0.00 0.05
L 0.20 0.40
PKG. CODE N D2 E2 eJEDEC SPEC b[(N/2)-1] x e
PACKAGE VARIATIONS
0.25 MIN.k
A2 0.20 REF.
2.00 REF0.25±0.050.50 BSC2.30±0.1010T1033-1
2.40 REF0.20±0.05- - - - 0.40 BSC1.70±0.10 2.30±0.1014T1433-1
1.50±0.10 MO229 / WEED-3
0.40 BSC - - - - 0.20±0.05 2.40 REFT1433-2 14 2.30±0.101.70±0.10
T633-2 6 1.50±0.10 2.30±0.10 0.95 BSC MO229 / WEEA 0.40±0.05 1.90 REF
T833-2 8 1.50±0.10 2.30±0.10 0.65 BSC MO229 / WEEC 0.30±0.05 1.95 REF
T833-3 8 1.50±0.10 2.30±0.10 0.65 BSC MO229 / WEEC 0.30±0.05 1.95 REF
2.30±0.10 MO229 / WEED-3 2.00 REF0.25±0.050.50 BSC1.50±0.1010T1033-2
Revision History
Pages changed at Rev 1: 1, 3, 6, 8–12