Datenblatt für EVB-EP53x2Q User Guide von Altera

ww tera.com/en9irion
Enpirion® Power Evaluation Board User Guide
EP53x2Q PowerSoC
Enpirion EP53x2QI family of DCDC
Converter Module Evaluation Board
Introduction
Thank you for choosing Altera Enpirion power products!
You are evaluating a new class of DCDC converter product, a complete power
system on silicon:
The EP53x2QI is a complete module including magnetics and requiring
only ceramic input and output capacitors.
The evaluation board is designed to offer a wide range of engineering
evaluation capabilities. This includes the base configuration of an 0805
2.2uF input capacitor for EP5352QI and EP5362QI models and 4.7uF
input capacitor for EP5382QI models, and an 0805 10uF output capacitor.
Pads are available to add up to one additional input capacitor and up to
two additional output capacitors to allow for evaluation of performance
over a wide range of input/output capacitor combinations.
Pads are available to populate an external divider if desired.
Easy jumpers are provided for the following signals:
o Enable
o VS0-VS2 output voltage select
Numerous test points are provided as well as clip leads for input and
output connections
The board comes with input decoupling and reverse polarity protection to
protect the device from common setup mishaps.
Quick Start Guide
Figure 1 shows a top view of the evaluation board.
STEP 1: Set the “ENA jumper to the Disable Position.
CAUTION: the signal pins, ENA, VS0, VS1, and VS2
must be connected to a high” or a “low. If left floating
the state is indeterminate.
STEP 2: Set the output voltage select pins for the desired output voltage setting.
Refer to the section on output voltage select to
determine the setting.
Page 1 of 7
www.altera.com/enpirion
Output Enable‘ - Vm (‘0 GND (-) Output Vollage Select fifif” Li— V I N TD] OENPIRION :iy:(1 D [um-mum 5am mm rnmmn UST BRD REV O 1 V5 2 91 imfil Di: Difl D_|]_ _ Decowllng Cap (In mommies“)!!! names) W1 VOUT ”3 £4 £5 ”’5 151i alws “EDD : ‘ 22H. xsn rm WEEK ‘: 1M xsn x7: [In v: nuns tax: 1: TP 6ND Reverse poIanIy pmbchon dim Vou 1 H) GND H col" 0805 10uF ww tera.com/engirion
Enpirion® Power Evaluation Board User Guide
EP53x2Q PowerSoC
CAUTION: the external divider is not populated. Choosing this option will
force the device to 100% duty cycle.
STEP 3: Connect Power Supply to the input power connectors, VIN (+) and
GND (-) as indicated in Figure 1.
CAUTION: be mindful of the polarity. Even though the evaluation board
comes with reverse polarity protection diodes, it is rarely a good idea to
reverse the input polarity.
STEP 4: Connect the load to the output connectors VOUT (+) and GND (-), as
indicated in Figure 1.
STEP 5: Power up the board and move the ENA jumper to the enabled position.
The EP53x2QI is now powered up.
Figure 1. Evaluation Board Layout.
Page 2 of 7
www.altera.com/enpirion
om ww Itera com/engirion
Enpirion® Power Evaluation Board User Guide
EP53x2Q PowerSoC
Output Voltage Select
The EP53x2QI utilizes a 3 pin
output voltage select scheme. The
output voltage is programmed by
setting the VSx jumpers to either a
logic1” or a logic0” as described
in the Quick Start section
Table 1 shows the truth table for
VOUT selection. There are seven
preset output voltage levels which
can be chosen via the VSx
jumpers.
CAUTION: the standard
evaluation board configuration
does not populate the external
divider. Selecting the external divider option without populating the
external divider will result in unpredictable behavior but can result in the
device going into 100% duty cycle and delivering the input rail voltage to
the output.
CAUTION: All signal pins must be connected to either a logic 1”, jumper
to the left, or to a logic0”, jumper to the right. Leaving the jumper open
will result in an indeterminate state.
Test Recommendations
Recommendations
To guarantee measurement accuracy, the following precautions should be
observed:
1. Make all input and output voltage measurements at the board using the
test points provided. This will eliminate voltage drop across the line and
load cables that can produce false readings.
2. Measure input and output current with series ammeters or accurate
shunt resistors. This is especially important when measuring efficiency.
3. Use a balanced impedance probe tip to measure switching signals to
avoid noise coupling into the probe ground lead.
3.01
00
2.80
1
0
2.50
01
2.7
11
0
3.30
0
0
External
11
1
1.2
01
1
1.81
01
V
out
VS2
VS1
VS0
3.0
1
00
2.80
10
2.5
00
1
2.71
1
0
3.30
00
External1
1
1
1.2
01
1
1.8
1
01
V
out
VS2
VS1
VS0
Table 1. Output Voltage Select Truth Table
Page 3 of 7
www.altera.com/enpirion
AIEIERA www.altera.com/engirion
Enpirion® Power Evaluation Board User Guide
EP53x2Q PowerSoC
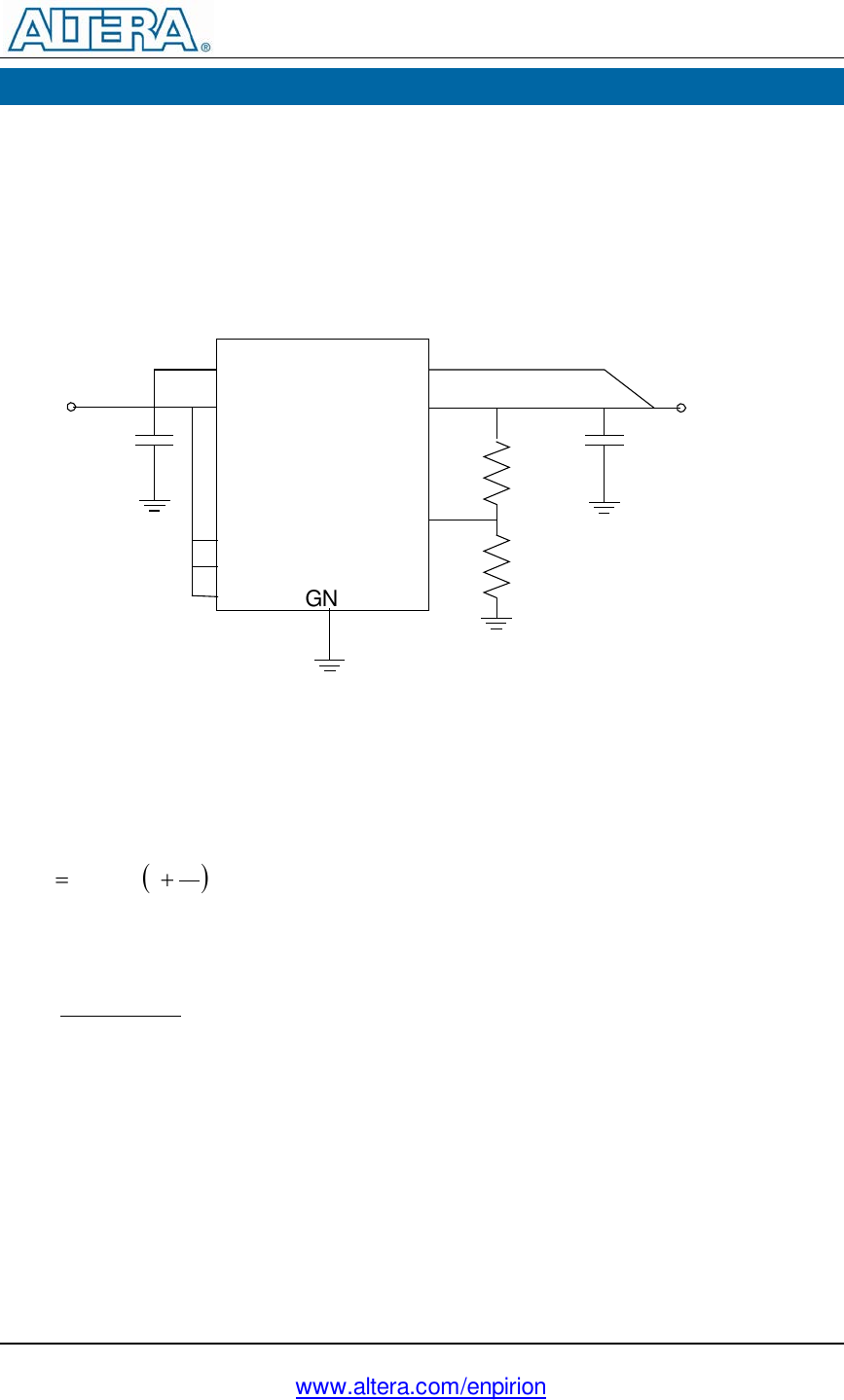
Using The External Voltage Divider
The EP53x2QI Evaluation Board is designed to provide a great deal of flexibility
in evaluating the performance of the Altera Enpirion DCDC module.
Pre-tinned pads are provided to place 0402 sized 1% resistors on the board to
implement an external resistor divider to choose an output voltage other than one
of the seven pre-set voltages available on the VID.
VIN
V
Sense
V
in
V
S1
V
S2
V
S0
EP53x2
10µF
2.2uF
VOUT
V
out
GND
ENABLE
R1
R2
V
FB
Figure 2. External divider schematic.
Figure 3 demonstrates the placement of the R1 and R2 resistors.
The output voltage is selected by the following formula:
( )
2
1
1603.0
R
R
OUT
VV +=
R1 must be chosen as 200K to maintain loop gain. Then R2 is given as:
=603.0
102.1
5
2OUT
V
x
R
The external voltage divider option is chosen by setting the jumpers VS0, VS1,
and VS2 to a logichigh”.
Page 4 of 7
www.altera.com/enpirion
Enpirion® Power Evaluation Board User Guide
EP53x2Q PowerSoC
Figure 3. Placement of external divider resistors
Dynamically Adjustable Output
The EP53x2QI is designed to allow for dynamic switching between the
predefined voltage levels, or between the predefined output levels and an
external divider. The inter-voltage slew rate is optimized to prevent excess
undershoot or overshoot as the output voltage levels transition. The slew rate is
3mV/uS.
This feature can be tested by connecting the VSx jumper center pins to logic
driver to toggle between the various VOUT states.
Input and Output Capacitors
The input capacitance requirement is 2.2 uF for the EP5352QI and the
EP5362QI, and 4.7uF for the EP5382QI. Altera recommends that a low ESR
MLCC capacitor be used. The EP53x2QI Evaluation Board is populated with a
2.2uF 0805 capacitor. There are pre-tinned pads that allows for additional 0805
capacitors to experiment with input filter performance.
The output capacitance requirement is a minimum of 10uF. The control loop is
designed to be stable with up to 60uF of total output capacitance. The evaluation
board comes populated with a single 10uF 0805 capacitor.
The board has pre-tinned pads for up to 2 additional output capacitors with either
0805 or 1206 footprint.
Page 5 of 7
www.altera.com/enpirion
www.altera.com ww Itera com/engirion
Enpirion® Power Evaluation Board User Guide
EP53x2Q PowerSoC
Capacitance above the 10uF minimum can be added if the transient performance
is not sufficient using the 10uF. Altera recommends a low ESR MLCC type
capacitor be used.
NOTE: Capacitors must be X5R or X7R dielectric formulations.
Contact Information
Altera Corporation
101 Innovation Drive
San Jose, CA 95134
Phone: 408-544-7000
www.altera.com
© 2013 Altera CorporationConfidential. All rights reserved. ALTERA, ARRIA, CYCLONE, ENPIRION, HARDCOPY,
MAX, MEGACORE, NIOS, QUARTUS and STRATIX words and logos are trademarks of Altera Corporation and
registered in the U.S. Patent and Trademark Office and in other countries. All other words and logos identified as
trademarks or service marks are the property of their respective holders as described at
www.altera.com/common/legal.html. Altera warrants performance of its semiconductor products to current specifications
in accordance with Altera's standard warranty, but reserves the right to make changes to any products and services at any
time without notice. Altera assumes no responsibility or liability arising out of the application or use of any information,
product, or service described herein except as expressly agreed to in writing by Altera. Altera customers are advised to
Page 6 of 7
www.altera.com/enpirion
ww Itera com/engirion
Enpirion® Power Evaluation Board User Guide
EP53x2Q PowerSoC
obtain the latest version of device specifications before relying on any published information and before placing orders for
products or services.
Page 7 of 7
www.altera.com/enpirion