Datenblatt für CDB5490U von Cirrus Logic Inc.

m» CIRRUS LOGIC” download at h“g:lew.cirrus.com/enlsuggon +5v Ex‘r S m mm. a k. c, .. u .wsa :Ivfizmlunnn 1 Usa «Es-nus x L mm wuhicvm vim [Inflow m mm x : Cirrus Logic. Inc. httg.//www.cirrus.com
Copyright Cirrus Logic, Inc. 2012
(All Rights Reserved)
Cirrus Logic, Inc.
http://www.cirrus.com
CDB5490U
CDB5490U Engineering Board and GUI Software
Features
Standalone Power Meter Application
Voltage and Current Interfaces
Low- and High-voltage Sensor Connections
Adaptable Sensor Filters Onboard
USB Communication with PC
Isolated UART Communication
Onboard C8051F342 Microcontroller
Single Supply Operation from USB or an External +5V DC
Supply
Onboard DC-DC Converter and Regulator
LCD Power Monitor Display
• LabWindows® / CVI® GUI Software
Full Register Setup and Chip Control
Simplified Register
Quick Calibration Control
FFT Analysis
Time Domain Analysis
Noise Histogram Analysis
Voltage Reference Access
General Description
The CDB5490U is an extensive tool designed to evaluate the
functionality and performance of Cirrus Logic’s CS5490 power
measurement device.
Multiple analog input connection options, configuration input fil-
ters, direct and isolated digital interfaces, multiple power supply
options, an onboard programmable microcontroller, visual LEDs
with an LCD panel make the board a flexible and powerful cus-
tomer development tool for various power measurement
applications.
The GUI software provides easy and complete access and con-
trol to the onboard CS5490 device. In addition, it includes the
function of raw ADC data collection with time domain, frequency
domain, and histogram analysis.
Schematics in PADS™ PowerLogic™ format are available for
download at http://www.cirrus.com/en/support.
ORDERING INFORMATION
CDB5490U-Z Evaluation Board
APR‘12
DS923DB5
_—. _— _— _— a laboratogy setting on A I be used b CIRRUS LOGIC on y be used {or assessing IC Qeriormance in AWARNING Contacting Cirrus r all produci quesiio www.cirrus.com ualified technicians or rofessionais
CDB5490U
2DS923DB5
IMPORTANT SAFETY INSTRUCTIONS
Read and follow all safety instructions prior to using this demonstration board.
This Engineering Evaluation Unit or Demonstration Board must only be used for assessing IC performance in a
laboratory setting. This product is not intended for any other use or incorporation into products for sale.
This product must only be used by qualified technicians or professionals who are trained in the safety procedures
associated with the use of demonstration boards.
Risk of Electric Shock
The direct connection to the AC power line and the open and unprotected boards present a serious risk of electric
shock and can cause serious injury or death. Extreme caution needs to be exercised while handling this board.
Avoid contact with the exposed conductor or terminals of components on the board. High voltage is present on
exposed conductor and it may be present on terminals of any components directly or indirectly connected to the AC
line.
Dangerous voltages and/or currents may be internally generated and accessible at various points across the board.
Charged capacitors store high voltage, even after the circuit has been disconnected from the AC line.
Make sure that the power source is off before wiring any connection. Make sure that all connectors are well
connected before the power source is on.
Follow all laboratory safety procedures established by your employer and relevant safety regulations and guidelines,
such as the ones listed under, OSHA General Industry Regulations - Subpart S and NFPA 70E.
Suitable eye protection must be worn when working with or around demonstration boards. Always
comply with your employer’s policies regarding the use of personal protective equipment.
All components and metallic parts may be extremely hot to touch when electrically active.
Contacting Cirrus Logic Support
For all product questions and inquiries contact a Cirrus Logic Sales Representative. To find the one nearest to you
go to www.cirrus.com
IMPORTANT NOTICE
Cirrus Logic, Inc. and its subsidiaries ("Cirrus") believe that the information contained in this document is accurate and reliable. However, the information is subject
to change without notice and is provided "AS IS" without warranty of any kind (express or implied). Customers are advised to obtain the latest version of relevant
information to verify, before placing orders, that information being relied on is current and complete. All products are sold subject to the terms and conditions of sale
supplied at the time of order acknowledgment, including those pertaining to warranty, indemnification, and limitation of liability. No responsibility is assumed by Cirrus
for the use of this information, including use of this information as the basis for manufacture or sale of any items, or for infringement of patents or other rights of third
parties. This document is the property of Cirrus and by furnishing this information, Cirrus grants no license, express or implied under any patents, mask work rights,
copyrights, trademarks, trade secrets or other intellectual property rights. Cirrus owns the copyrights associated with the information contained herein and gives
consent for copies to be made of the information only for use within your organization with respect to Cirrus integrated circuits or other products of Cirrus. This con-
sent does not extend to other copying such as copying for general distribution, advertising or promotional purposes, or for creating any work for resale.
CERTAIN APPLICATIONS USING SEMICONDUCTOR PRODUCTS MAY INVOLVE POTENTIAL RISKS OF DEATH, PERSONAL INJURY, OR SEVERE PROP-
ERTY OR ENVIRONMENTAL DAMAGE ("CRITICAL APPLICATIONS"). CIRRUS PRODUCTS ARE NOT DESIGNED, AUTHORIZED OR WARRANTED FOR
USE IN PRODUCTS SURGICALLY IMPLANTED INTO THE BODY, AUTOMOTIVE SAFETY OR SECURITY DEVICES, LIFE SUPPORT PRODUCTS OR OTHER
CRITICAL APPLICATIONS. INCLUSION OF CIRRUS PRODUCTS IN SUCH APPLICATIONS IS UNDERSTOOD TO BE FULLY AT THE CUSTOMER'S RISK
AND CIRRUS DISCLAIMS AND MAKES NO WARRANTY, EXPRESS, STATUTORY OR IMPLIED, INCLUDING THE IMPLIED WARRANTIES OF MERCHANT-
ABILITY AND FITNESS FOR PARTICULAR PURPOSE, WITH REGARD TO ANY CIRRUS PRODUCT THAT IS USED IN SUCH A MANNER. IF THE CUSTOMER
OR CUSTOMER'S CUSTOMER USES OR PERMITS THE USE OF CIRRUS PRODUCTS IN CRITICAL APPLICATIONS, CUSTOMER AGREES, BY SUCH USE,
TO FULLY INDEMNIFY CIRRUS, ITS OFFICERS, DIRECTORS, EMPLOYEES, DISTRIBUTORS AND OTHER AGENTS FROM ANY AND ALL LIABILITY, IN-
CLUDING ATTORNEYS' FEES AND COSTS, THAT MAY RESULT FROM OR ARISE IN CONNECTION WITH THESE USES.
Cirrus Logic, Cirrus, the Cirrus Logic logo designs, EXL Core, and the EXL Core logo design are trademarks of Cirrus Logic, Inc. All other brand and product names
in this document may be trademarks or service marks of their respective owners.LabWindows and CVI are registered trademarks of National Instruments, Inc.
Windows, Windows 2000, Windows XP, and Windows 7 are trademarks or registered trademarks of Microsoft Corporation.
PADS and PowerLogic are trademarks of Mentor Graphics Corporation.
_—. _— _— _— a CIRRUS LOGIC“
CDB5490U
DS923DB5 3
TABLE OF CONTENTS
1. HARDWARE .............................................................................................................................................. 5
1.1 Introduction ........................................................................................................................................ 5
1.2 Evaluation Board Overview ................................................................................................................ 5
1.3 Analog Section ................................................................................................................................... 6
1.4 Digital Section .................................................................................................................................... 9
1.5 Power Supply Section ...................................................................................................................... 11
1.6 Typical Sensor Connections ............................................................................................................ 12
1.7 Standalone Meter Application .......................................................................................................... 15
2. SOFTWARE ............................................................................................................................................. 16
2.1 Installation Procedure ...................................................................................................................... 16
2.2 Using the Software ........................................................................................................................... 16
2.3 Start-up Window ............................................................................................................................... 17
2.4 Connect Menu .................................................................................................................................. 18
2.5 System Menu ................................................................................................................................... 19
2.6 Calibration Window .......................................................................................................................... 23
2.7 Conversion Window ......................................................................................................................... 25
2.8 Cirrus Test Window .......................................................................................................................... 27
Appendix A. Bill Of Materials .................................................................................................................... 37
Appendix B. Schematics............................................................................................................................. 39
Appendix C. Layer Plots ............................................................................................................................. 42
_—. _— _— _— a CIRRUS LOGIC“
CDB5490U
4DS923DB5
LIST OF FIGURES
Figure 1. CDB5490U Assembly Drawing and Default Configuration................................................................ 5
Figure 2. Voltage Channel — Low-voltage Input .............................................................................................. 6
Figure 3. Voltage Channel — High-voltage Input ............................................................................................. 7
Figure 4. Current Channel — Low-voltage Input .............................................................................................. 8
Figure 5. MCU Connection Window ................................................................................................................. 9
Figure 6. Shunt Sensor Power Meter ............................................................................................................. 12
Figure 7. Current Transformer Power Meter................................................................................................... 13
Figure 8. Rogowski Coil Power Meter ............................................................................................................ 14
Figure 9. Standalone Power Meter Measurements ........................................................................................ 15
Figure 10. GUI Start-up Window..................................................................................................................... 17
Figure 11. Connect Menu Showing Successful USB Connection .................................................................. 18
Figure 12. Connect Menu Showing Successful USB Connection .................................................................. 18
Figure 13. USB Error Message....................................................................................................................... 18
Figure 14. Unknown Chip ID Error Message .................................................................................................. 19
Figure 15. System Pull-down Options ............................................................................................................ 19
Figure 16. Setup Window ............................................................................................................................... 20
Figure 17. Calibration Window........................................................................................................................ 23
Figure 18. Setup Window with 510638 Baud Rate ......................................................................................... 25
Figure 19. Conversion Collection Baud Rate Error......................................................................................... 25
Figure 20. Conversion Window....................................................................................................................... 26
Figure 21. Cirrus Test Pull-down Options....................................................................................................... 27
Figure 22. Data Collection Window ................................................................................................................ 28
Figure 23. Data Collection UART Error Message........................................................................................... 28
Figure 24. Data Collection Output Window..................................................................................................... 29
Figure 25. Data Collection Configuration Window .......................................................................................... 30
Figure 26. Histogram Analysis........................................................................................................................ 32
Figure 27. FFT Analysis.................................................................................................................................. 33
Figure 28. Data Collection Window - Time Domain Analysis ......................................................................... 34
Figure 29. Data Collection to File Window...................................................................................................... 35
Figure 30. Setup and Test Window ................................................................................................................ 36
Figure 31. Bill of Materials (Page 1 of 2) ........................................................................................................ 37
Figure 32. Bill of Materials (Page 2 of 2) ........................................................................................................ 38
Figure 33. Schematic - Analog Inputs............................................................................................................. 39
Figure 34. Schematic - CS5490 and Isolation ................................................................................................ 40
Figure 35. Schematic - Microcontroller and USB Interface............................................................................. 41
Figure 36. Top Silkscreen............................................................................................................................... 42
Figure 37. Top Routing ................................................................................................................................... 43
Figure 38. Bottom Routing.............................................................................................................................. 44
Figure 39. Solder Paste Mask ........................................................................................................................ 45
CIRRUS LOGIC _—. _— _— _— a
CDB5490U
DS923DB5 5
1. HARDWARE
1.1 Introduction
The CDB5490U evaluation board provides a convenient means of evaluating the CS5490 energy mea-
surement IC. The CDB5490U evaluation board operates from a single USB or 5V power supply. An op-
tional 3.3V power supply input is available for powering the CS5490 directly. The evaluation board
interfaces the CS5490 to a PC via a USB cable. To accomplish this, the board comes equipped with a
C8051F342 microcontroller and a USB interface. Additionally, the CDB5490U GUI software provides
easy access to the internal registers of the CS5490. The software provides a means to display the on-chip
ADC performance in the time domain or frequency domain.
1.2 Evaluation Board Overview
The board is partitioned into two main sections: analog and digital. The analog section consists of the
CS5490, passive anti-aliasing filters, and a high-voltage section with an attenuation resistor network. The
digital section consists of the C8051F342 microcontroller, LCD, test switches, reset circuitry, and USB in-
terface. The board also has a user-friendly power supply connection. The assembly information and de-
fault configurations for jumpers are shown below.
Figure 1. CDB5490U Assembly Drawing and Default Configuration
_—. _— _— _— a CIRRUS LOGIC INPUT Description J11 J6 H 0—9 13—0 0—9 5—0 13—0 13—0 0—0 Q
CDB5490U
6DS923DB5
1.3 Analog Section
The analog section of the CDB5490U is highly configurable. Onboard signal conditioning options for the
voltage and current channels enable most applications to interface directly to the sensors. The following
two sections define the voltage and current channel configurations.
1.3.1 Voltage Sensor Connection
There are three input signal options for the voltage channel input (VIN±): an external low-voltage signal
(via screw terminals or XLR connections), high-voltage line inputs, or GND. Figure 1 illustrates the options
available.
The CDB5490U evaluation board provides screw-type terminals (J3) or XLR connectors (J30) to connect
low-voltage input signals to the voltage channel (see Figure 2). The screw terminals are labeled as
VIN+ / VIN-. An R-C network at the channel input provides a simple, configurable anti-alias filter. By in-
stalling jumpers on J6 to position VIN+ and J11 to position VIN-, the input voltage signal is supplied from
the screw terminals or XLR connections.
The CDB5490U evaluation board provides screw-type terminals (J4) to connect a high-voltage line input.
By installing jumpers on J6 to position LINE and J11 to position GND, the input voltage signal is supplied
from the high-voltage input. Extreme care should be used when connecting high-voltage signals to the
CDB5490U evaluation board (see Figure 3).
Table 1. Voltage Channel Input Signal Selection
INPUT Description J11 J6
VIN±
Selects External
Low-voltage Fully
Differential Signal
VIN±
Selects External
Low-voltage Sin-
gle-ended Signal
GND Selects Grounding
the Input
High-Voltage
Line
Selects External
High-voltage AC
Line Signal
 O VIN-
O O VIN-
GND
VIN-
(Default)
O VIN+
O O VIN+
O O VIN+
GND
Line
VIN+
(Default)
 O VIN-
O O VIN-
GND
VIN-
O VIN+
O O VIN+
O O VIN+
GND
Line
VIN+
 O VIN-
O O VIN-
GND
VIN-
O VIN+
O O VIN+
O O VIN+
GND
Line
VIN+
 O VIN-
O O VIN-
GND
VIN-
O VIN+
O O VIN+
O O VIN+
GND
Line
VIN+
VIN+
VIN-
250 mVp
CDB5490U
CS5490
J3
J6
J11
C4
0.027UF
C9
0.027UF
R6
1K
R7
1K
J45
VIN+
VIN-
Figure 2. Voltage Channel — Low-voltage Input
_—. _— _— _— a CIRRUS LOGIC NEUTRAL LINE LINE GND 250 mV El
CDB5490U
DS923DB5 7
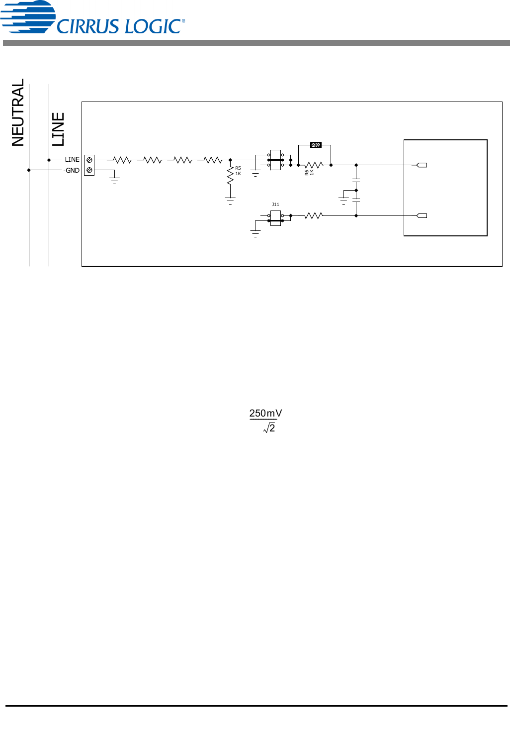
The default attenuation network provides the following attenuation:
With the CS5490 input range of 250mVp at maximum AC line input of:
is acceptable. It is recommended to apply a 10% margin for the AC line input (270Vrms).
The CDB5490U evaluation board provides input shorting options for calibration and noise performance
measurements. With a jumper on J6 and J11 in the GND position, the inputs are connected to analog
ground (GND).
Figure 3. Voltage Channel — High-voltage Input
1k
4 422k1k+
---------------------------------------- 1
1689
-------------
=
300Vrms 250mVp
2
-----------------------1689=
_—. _— _— _— a @ l l CIRRUS LOGIC 1 g 5%; )3 INPUT Description J8 J7 Selects External 5—0 0—0 Selects External 5—0 5—9 5—9 0—0 CDB5490U m m m BMW J} W ’5‘ ca (35 n m“ 7 new a mu; 1; T Tm <:l ml.="" css490="" m="" 4&7="" m="" m=""><:l ml="">
CDB5490U
8DS923DB5
1.3.2 Current Sensor Connection
Current input options include an external signal (via screw terminals or XLR connectors) or GND. Table 2
illustrates the options available.
There are two input signal options for the current channel (IIN±). The CDB5490U evaluation board pro-
vides screw-type terminals (J1) or XLR connectors (J28) to connect an input signal to the current channel.
The screw terminals are labeled as IIN+ / IIN-. An R-C network at the channel input provides a simple,
configurable anti-alias filter (see Figure 4).
By installing jumpers on J8 to position IIN+, J7 to position IIN-, the input current signal is supplied from
the screw terminals or XLR connectors.
The CDB5490U evaluation board provides input shorting options for calibration and noise performance
measurements. With a jumper on J8 and J7 in the GND position, the inputs are connected to analog
ground (GND).
Table 2. Current Channel Input Signal Selection
INPUT Description J8 J7
IIN±
Selects External
Low-voltage,
Fully Differential
Signal
IIN±
Selects External
Low-voltage,
Single-ended
Signal
GND Selects Grounding
the Input
 O IIN+
O O IIN+
IIN+
GND
(Default)
O IIN-
O O IIN-
GND
IIN-
(Default)
 O IIN+
O O IIN+
IIN+
GND
O IIN-
O O IIN-
GND
IIN-
 O IIN+
O O IIN+
IIN+
GND
O IIN-
O O IIN-
GND
IIN-
IIN-
IIN+
GND
GND
CS5490
CDB5490U
250 mVp
J1
J7
J8
C5
0.033UF
C6
0.033UF
R11
NO POP
R1
100
R2
100
R9
NO POP
R13
NO POP
R49 1K
R50 1K
C34
0.033UF
C35
0.033UF
J44
J46
R51
0
J53/J56
J54
IIN+
IIN-
Figure 4. Current Channel — Low-voltage Input
_—. _— _— _— a CIRRUS LOGIC (355490 Evaluation GUI v..;.... 2.22 Davin HIEm-CntVeun-m , Cnpvn'zhl 2012 am“ 14min 3— CIRRUS LOGIC mmzuu a—m
CDB5490U
DS923DB5 9
1.4 Digital Section
The digital section contains the microcontroller, USB interface, LCD, optical isolation, JTAG header, reset
circuitry, and external interface headers (J17 and J19). The microcontroller interfaces the UART of the
CS5490 with the USB connection to the PC, enabling the GUI software to access all of the CS5490 reg-
isters and functions.
1.4.1 Serial Port Selection
Communication to the CS5490 is provided through a standard UART. It is necessary to establish commu-
nication with the MCU before serial port communication with the CS5490 (see Figure 5).
The CDB5490U board provides two UART communication options - normal speed and low speed. Table 3
provides the serial communication options for the UART.
Table 3. Serial Communication Options
Figure 5. MCU Connection Window
J18 J20 J50
UART
via MCU
Ƒ OPTO
ż RX
ż DIGITAL
(default)
Ƒ OPTO
ż TX
ż DIGITAL
(default)
Ƒ VDDA
ż EN2
ż GND
(default)
Low speed
UART
Ƒ OPTO
ż RX
ż DIGITAL
Ƒ OPTO
ż TX
ż DIGITAL
Ƒ VDDA
ż EN2
ż GND
_—. _— _— _— a CIRRUS LOGIC“
CDB5490U
10 DS923DB5
1.4.2 Interface to Microcontroller
Interface headers J17 and J19 are provided to allow the CDB5490U to be connected to an external energy
registration device or an external microcontroller. Interface header J17 provides direct access to the
CS5490 pins while interface header J19 provides an isolated connection. It is imperative to use the iso-
lated connection (J19) when high-voltage signals are used. Failure to use isolation can result in damage
to components or electrical shock. Refer to section 1.4.3 Digital Isolation for details on signal isolation.
Interface header J19 can be used to connect to the external microcontroller. To connect the CS5490 to
an external microcontroller, R37, R42, and R43 must be removed from the board.
1.4.3 Digital Isolation
Two types of isolation are provided: a low-speed optical coupler and high-speed digital isolation for UART
communication. Default jumper settings provide high-speed digital isolators. To enable high-speed digital
isolators, place jumpers (J18 and J20) in the RX-to-DIGITAL position and TX-to-DIGITAL position. To en-
able the high-speed digital isolators, it is also necessary to install jumper (J50) in the VDDA position. To
enable the low-speed optical UART communication, place jumpers (J18 and J20) in the RX-to-OPTICAL
position and TX-to-OPTICAL position.
The high-speed digital isolators operate from DC to 150Mbps. The low-speed optical couplers operate to
a maximum speed of about 4.8kHz. All the signals supplied to the isolators are available to the MCU.
1.4.4 Additional Device Pin Access
The CS5490's digital output pin (DO) is routed to a LED, which provides a simple visual check of the digital
output. Jumper J39 is equipped at the factory to enable the LED. The DO digital output pin is supplied to
the digital isolation using jumper J49.
The MODE pin jumper (J15) should be installed in the VDDA to MODE position.
The CS5490 system clock can be connected to an onboard quartz crystal, or an external clock can be
supplied to the CS5490 XIN pin though jumper J48. To connect the onboard quartz crystal, install jumper
J43 in the XIN to CRYSTAL position. To connect XIN to an external clock, install jumper J43 in the XIN to
XIN_EXT position.
_—. _— _— _— a CIRRUS LOGIC
CDB5490U
DS923DB5 11
1.5 Power Supply Section
Table 4 illustrates the power supply connections on the evaluation board. The positive analog (VDDA) for
the CS5490 can be supplied using the +3.3V binding post (J36 and J37) or the onboard +3.3V regulator.
Jumper J38 allows the VDDA supply to be sourced from the +3.3V binding post (J37) or the regulated
+3.3V supply. The DC-DC converter (U8) powers the onboard +3.3V regulator. Jumper J26 allows the
+5V supply to be sourced from either the +5V EXT screw connector (J27) or the +5V USB supply. The
+5V supplies the power for the microcontroller (8051_REGIN) and the DC-DC converter (U8). Jumper J21
is used to measure the CS5490 analog supply current and must be installed.
When connecting the CDB5490U board to the AC line through non-isolated sensors, it is strongly recom-
mended that the CS5490 GND reference is connected to the neutral, the non-isolated current sensor is
connected on neutral, and the CS5490 is supplied by +3.3V isolated from AC line. The DC-DC converter
(U8) provides 1kVDC isolation, while no isolation is provided for the 3.3V binding post connections. If
+3.3V is used from the binding post, then the external 3.3VDC power supply must be isolated from the
AC line. To prevent electric shock and damages, always use an isolated power source.
Table 4. Power Supply Selection
6XSSO\
6RXUFH
&6
6RXUFH
%LQGLQJ
SRVW
J36&J37
86%
6XSSO\
J24
9
7HUPLQDOV
J27
9''$
J21 J38
9B
J26
86%
On-board
3.
3 V
Regulator
NC +5V NC
Ƒ
VDDA
ż
VDDA
(default)
Ƒ
+3.3V
ż
VDDA
ż
+3.3V_2
(default)
Ƒ
+5V EXT
ż
+5V
ż
+5V USB
(default)
([WHUQDO9

86%
Binding
Post
+3.3 V +5V NC
Ƒ
VDDA
ż
VDDA
Ƒ
+3.3V
ż
VDDA
ż
+3.3V_2
Ƒ
+5V EXT
ż
+5V
ż
+5V USB
([WHUQDO9
On-board
3.3V
regulator
NC NC +5V
Ƒ
VDDA
ż
VDDA
Ƒ
+3.3V
ż
VDDA
ż
+3.3V_2
Ƒ
+5V EXT
ż
+5V
ż
+5V USB
_—. _— _— _— a CIRRUS LOGIC % "D” E CDB5490U E a a. Z GND eff 5° FEW l GND @ 7‘5 T WIK LINE GND 88 g W km 4m 4m w W \ %J m x m - (g
CDB5490U
12 DS923DB5
1.6 Typical Sensor Connections
The CDB5490U evaluation board provides connections directly to several types of sensors. Flexible on-
board filter networks provide a convenient configuration for three common transducers: current shunt, cur-
rent transformer (CT), or Rogowski coil.
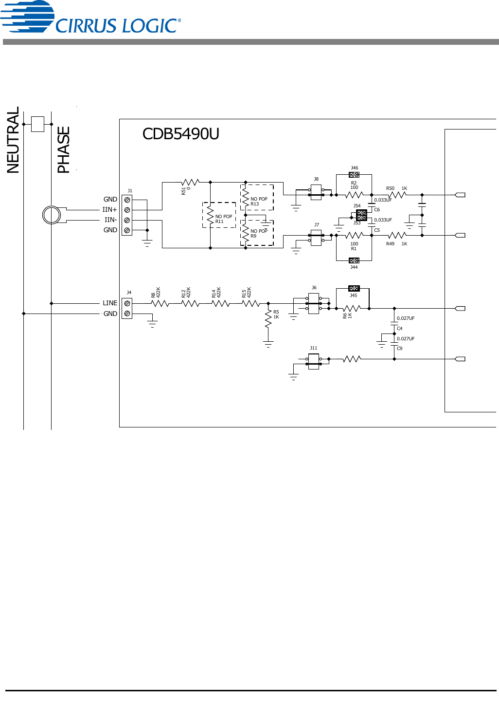
1.6.1 Shunt Power Meter Example
An inexpensive current shunt configuration is easily achievable with the CDB5490U evaluation board.
Figure 6 depicts the voltage and current connections for a shunt sensor and its associated filter configu-
rations.
It is strongly recommended that a low-side (neutral path) current shunt is used — especially in high-volt-
age situations. Make sure that all signals are well connected before the power source is turned on. Ex-
treme care should be taken when connecting high-voltage signals to the CDB5490U evaluation board.
In this configuration it is unnecessary to use a burden resistor. A single anti-alias filter is all that is required
for the current channel. Below the filter corner frequency, the CS5490 inputs will see the same voltage
that is across the shunt. Therefore the shunt voltage should be kept below the maximum of 50mVp with
I-Channel PGA = 50x. A 10% margin is recommended for the shunt voltage (45mVp).
IIN-
IIN+
GND
GND
GND
LINE
CS5490
CDB5490U
PHASE
NEUTRAL
J1
J4
J7
J8
J11
J6
R5
1K
C5
0.033UF
C6
0.033UF
C9
0.027UF
C4
0.027UF
R11
NO POP
R1
100
R2
100
R7
1K
R6
1K
R9
NO POP
R13
NO POP
R8
422K
R12
422K
R14
422K
R15
422K
R49 1K
R50 1K
C34
0.033UF
C35
0.033UF
J44
J46
R51
0
J45
J53
J54
SHUNT
IIN+
IIN-
VIN-
VIN+
Figure 6. Shunt Sensor Power Meter
_—. _— _— _— a N EUTRAL CIRRUS LOGIC PHASE GND CDBS490U nN+ nNr GND LINE ®®$T: GND
CDB5490U
DS923DB5 13
1.6.2 Current Transformer Power Meter Example
A slightly more expensive option is to use a current transformer (CT) to connect the AC current to the
CDB5490U evaluation board. Figure 7 depicts the voltage and current connections for a CT sensor and
its associated filter configurations.
NEVER “open circuit” a CT. Make sure that all signals are well connected before the power source is
turned on. Extreme care should be taken when connecting high-voltage signals to the CDB5490U evalu-
ation board.
The burden resistor (R11) is necessary in a CT application to convert the secondary current into voltage.
Knowledge of the current transformer turns ratio (N) is key to determining the proper CS5490 input voltage
(Vburden) that the meter places on the system. The optimum secondary voltage (Vburden) at the maximum
current input should be 10% less than the maximum channel voltage of 250mVp with I-channel
PGA = 10x. The secondary voltage (Vburden) is determined by converting the primary current to the sec-
ondary current. Then the secondary current (Iburden) can be converted into a voltage by Ohm's Law.
The secondary voltage (Vburden) is sourced to the CS5490 through a simple low-pass, anti-alias filter, and
this voltage should not exceed the 250mVp.
Vburden Iburden Rburden
Iprimary
N
------------------------Rburden
==
IIN-
IIN+
GND
GND
GND
LINE
CS5490
CDB5490U
PHASE
NEUTRAL
J1
J4
J7
J8
J11
J6
R5
1K
C5
0.033UF
C6
0.033UF
C9
0.027UF
C4
0.027UF
R11
2.2
R1
100
R2
100
R7
1K
R6
1K
R9
1K
R13
1K
R8
422K
R12
422K
R14
422K
R15
422K
R49 1K
R50 1K
C34
0.033UF
C35
0.033UF
J44
J46
R51
0
J45
J53
J54
IIN+
IIN-
VIN-
VIN+
Figure 7. Current Transformer Power Meter
_—. _— _— _— a NEUTRAL n GND @i I um 2 1er 0 @ CIRRUS LOGIC PHASE CDBS490U GND n anuF LINE 2 GND @ L Ian M Mg m
CDB5490U
14 DS923DB5
1.6.3 Rogowski Coil Power Meter Example
Rogowski coil power meter can be easily connected to the CDB5490U evaluation board. Figure 8 shows
the voltage and current connections for the Rogowski sensor and its associated filter configurations.
For more information, see AN365: Using the CS5480/84/90 Energy Measurement IC with Rogowski Coil
Current Sensors.
IIN-
IIN+
GND
GND
GND
LINE
CS5490
CDB5490U
PHASE
NEUTRAL
J1
J4
J7
J8
J11
J6
R5
1K
C5
0.033UF
C6
0.033UF
C9
0.027UF
C4
0.027UF
R11
NO POP
R1
100
R2
100
R7
1K
R6
1K
R9
NO POP
R13
NO POP
R8
422K
R12
422K
R14
422K
R15
422K
R49 1K
R50 1K
C34
0.033UF
C35
0.033UF
J44
J46
R51
0
J45
J53
J54
IIN+
IIN-
VIN-
VIN+
Figure 8. Rogowski Coil Power Meter
_—. _— _— _— a CIRRUS LOGIC“
CDB5490U
DS923DB5 15
1.7 Standalone Meter Application
The CDB5490U evaluation board provides a standalone power meter using the CS5490, MCU, and LCD.
The user can enable the power meter by connecting the sensors to the analog inputs, providing power to
the board, and resetting the MCU by pressing the RESET switch. Refer to “Typical Sensor Connections”
on page 12 for details on the sensor connections and “Power Supply Section” on page 11 for details on
supply options.
The user should not use the GUI to connect the CDB5490U board. Once the GUI is connected to the
CDB5490U board, the standalone power meter function is disabled, and the LCD on the CDB5490U will
read "Cirrus Logic CS5490 Eval GUI". To re-enable the standalone power meter feature, close the GUI
software. The standalone power meter feature will initially show the voltage channels’ RMS register val-
ues:
V1rms = N.NNNNN and V2rms = N.NNNNN.
By clicking the onboard switch S2, the standalone power meter will display the following measurement
results:
1. RMS Voltage
2. RMS Current
3. Average Active Power
4. Average Reactive Power
5. Average Apparent Power
6. Power Factor
7. Total Active Power
8. Total Reactive Power
9. Total Apparent Power
10. Fundamental Frequency
11. CS5490 Die Temperature
Figure 9. Standalone Power Meter Measurements
_—. _— _— _— a CIRRUS LOGIC httg://www.cirrus.com/enlsu2gort
CDB5490U
16 DS923DB5
2. SOFTWARE
The evaluation board comes with software and a USB cable to link the evaluation board to the PC. The
evaluation software was developed with LabWindows®/CVI®, a software development package from Na-
tional Instruments. The evaluation software is designed to run with Windows XP™ and Windows 7™. The
following procedure is based on Windows XP.
2.1 Installation Procedure
Follow the steps below to install the GUI:
1. Access the following web site: http://www.cirrus.com/en/support.
2. Navigate to the CDB5490U software link under Energy Measurement. The Software License web
page is displayed.
3. To agree with the terms and conditions, click the Agree button. The File Download window is dis-
played.
4. Click the Save button. The Save As window is displayed.
5. Select a location to store the compressed folder.
6. Click the Save button. The Download complete window is displayed.
7. Click the Open Folder button. The location where the compressed folder is stored is displayed.
8. Right-click on the compressed folder, and click Extract All.
9. Select a location to extract the files.
10. Navigate to the location where the extracted files are stored and double-click on the setup.exe file.
11. Click the Install button, and follow the installation instructions.
12. Execute the GUI using 2.1.1 Executing the GUI.
2.1.1 Executing the GUI
1. From the Start menu, click All Programs.
2. Click Cirrus Energy Measurement Evaluation (CDB5490U).
3. Click CDB5490U. The GUI is launched.
2.2 Using the Software
Before launching the software, check all jumper settings on the CDB5490U evaluation board, as de-
scribed in “Evaluation Board Overview” on page 5, and connect the board to an open USB port on the PC
using the provided cable. Once the board is powered on, the software program can be launched.
_—. _— _— _— a CIRRUS LOGIC“
CDB5490U
DS923DB5 17
2.3 Start-up Window
When the software is launched, the Start-Up Window is displayed. This window contains information
about the software, including its title, revision number, and copyright date. The Start-Up Window is dis-
played (see Figure 10).
At the top of the window, a menu bar with menu items is displayed. The menu bar has four menu items:
System, Cirrus Test, Connect, and Quit. Initially, System and Cirrus Test are disabled. After establishing
a link to a data source, the System and Cirrus Test items will become available.
Figure 10. GUI Start-up Window
_—. _— _— _— a CIRRUS LOGIC“ n "Wan r: m; Sma- amm mm a.“
CDB5490U
18 DS923DB5
2.4 Connect Menu
The Connect menu allows the user to establish a USB communication link with CDB5490U board. After
selecting the USB connect command, a popup will prompt to reset the CRD5490. The user must wait a
few seconds after resetting the CRD5490 and before selecting OK on the popup. After the USB commu-
nication has been established, the CS5490 serial port is functional, as shown in Figure 12.
2.4.1 USB and Serial Port Connection
In the Connect menu item, selecting USB allows the user to establish USB communication, which allows
the evaluation software to poll the C8051F342 microcontroller, verifying the serial communication link is
ready. At this point, the USB menu item is checked, indicating that the PC has successfully communicated
with the CDB5490U evaluation board. The micro-code version and device information are read from the
board and displayed on the screen (see Figure 12). Due to improvements to the software or new features
being added, the version displayed may be different than the image shown here.
If the evaluation software is unable to establish a communication link with the CDB5490U board, a mes-
sage is displayed, indicating that the initial communication has failed (see Figure 13).
Figure 11. Connect Menu Showing Successful USB Connection
Figure 12. Connect Menu Showing Successful USB Connection
Figure 13. USB Error Message
_—. __ _—— __ a CIRRUS LOGIC sum crmxven “mm: mm ($5490 Evaluation GUI Versinn: 21.2 Devin: Unhwwn mp": MICmCodeVenlun: Ln 3 Capvnght 2012 Cms Logic 5- gamus LOGIC m M 1m: Up Wmdow 5mm 0mm“ (nme v Saw csm mum" cwew cm CSS490 Evaluation GUI Version: 2.2.2 Devlc 036450 Rev 32 meCode Version: 14173 Cupynght 2012 Cm: Logm gawk LOLAC \mzsmzmz
CDB5490U
DS923DB5 19
Verify that the USB cable is connected properly and that the power supply is on and connected properly
to the CDB5490U. Reset the board (press the RESET button on the board) and try to set up the USB con-
nection again.
After the serial port has been selected, the MCU will read the chip ID from the CS5490. The chip revision
number will be displayed in the Device field in the Start-Up Window. If the red "Unknown CHIP ID" is dis-
played, the user should check the power supply and clock to the CS5490, MODE jumper J15, and the
isolation jumpers J18 and J20, click the RESET button, and go back to the USB connection process.
2.5 System Menu
The System pull-down provides three options: Setup CS5490, Calibration, and Conversion. Each window
provides a means to evaluate the different functions and performance of the CS5490 (see Figure 15).
Figure 14. Unknown Chip ID Error Message
Figure 15. System Pull-down Options
“It a CIRRUS LOGIC 5vs¢en ClrmsTefl (armed lel Cm. g 0 Reg ,9, Volta e Sa Re slel Sam le Cam“ Re 9! Mask Reg-m, Hajjlimzmm la filial “LEVEL i “WW“ Waco... l, «ml: "at; 0 "EX 1’ a . mum .m, v EPG m1 A vanng if“ Cycle Cnunl Reglsler I. D__ H mm nu v . Cyddimnl E mu '— mm "‘5"! Phase Comp Regmer R9: l7 a m a," rope: 05: Ma. v i ll: Wham 5““... . my: HEX g n Vol", 9 5m" Re “m Inlegmlanaln I_ P hi” I“ Cum 1 Re islet ”m _.‘.‘.'J 5"”9“ ”m9 “9‘ 3 “I“ I’ may-armam- A_«_ g a nu: yin "BK j wrrrr Band 0 153000“ r we“er l... "a afim mm gfil r Dwa- . . 5 m,“ Ga ,, r M395 Sag ‘0‘ J; Em o" v Pulse Wldlh Re Islet "a #7“ ,4 r I m d ; MEX grin "Bk 3 m r Evnlon Huh-ed 00,00 M» v Ovelrunem Reg slef .— lmi d W m: F's] by Dana I 25mm ' mDE orrluzlv ”33,2ka mmEvEL «we: I— mammsgm m ,7 r Rx SDI rm: . runway. l a?“ _ "EX i ”FF“ Temgemhfle Rzgislels ( ) g g M . . CM" me '5'“ R i‘ a nun 427754124 SGIIHICMRegIaler "£er «mm Pulse Hale Regislel MEX gl 0 "9‘ £7 “a mu HEX l mow: ,. 67I5I79 m “we v a Na Lnad Ihreshold Vga \ Rx MIN 0" v w. .wmv ”we ream Hz Dam "W H fl “‘7" "Ex g 0 am... allv DEL” “H‘k ' v Zelouosslng Level m m m E" "as .E M e ___.ZJ "57mm “”5““ "Ex g .m ZXMum Regisler fi Reagsuu onv Vague 75m: _ A“: on! W a 125 m... [47“]: mm ”mm: W: MB" 5GB" lm HPF v - lZemmmg Level E Sm vm ii "9‘ i1 mm, "a g .m Reguexclemm RR 0,. v v: and W 0125 “was. 5mm Hz "Ex mm
CDB5490U
20 DS923DB5
2.5.1 Setup Window
The evaluation software provides access to the common CS5490's internal registers through the Setup
Window (see Figure 16). The user can enter the Setup Window by selecting the Setup CS5490 item from
the System menu.
In the Setup Window, all of the common CS5490 registers are displayed in hexadecimal notation and are
decoded. Refer to the CS5490 data sheet for information on register functionality and definitions. The Set-
up Window is segmented by function. Each subsection may contain more than one CS5490 register in
order to configure a particular function. Updating the hexadecimal value of a register will change the def-
initions display according to the new hexadecimal value of the register(s). Likewise, updating the defini-
tions displayed from the list boxes will update the hexadecimal value(s) of the associated register(s).
Figure 16. Setup Window
_—. _— _— _— a CIRRUS LOGIC“
CDB5490U
DS923DB5 21
2.5.1.1 Refresh Screen Button
The Refresh Screen button will update the contents of the screen by reading all the register values from
the CS5490. It is a good idea to press the Refresh Screen button when entering the Setup window, or
after modifying any registers, to reflect the current status of the CS5490.
2.5.1.2 Reset DUT Button
The Reset DUT button will software-reset the CS5490. The CS5490 will perform a software-reset, as dis-
cussed in the CS5490 data sheet. After the software reset to the CS5490 device, the screen contents will
be automatically refreshed with the updated status of the CS5490.
2.5.1.3 Save Config and Load Config Buttons
Clicking the Save Config button will save the current setup widow's configuration to a .txt file. Clicking the
Load Config button will recall a saved configuration and store values into the CS5490.
2.5.1.4 CS5490 MCLK Frequency
The CS5490 accepts a wide range of MCLK input frequencies, and can therefore run at many different
sample rates. The frequency being used on the CS5490 should be entered in this box to provide accurate
frequency calculation in the FFT window. This will also help the software decide which functions the eval-
uation system can perform reliably.
2.5.1.5 Configuration Registers
In the Config0, Config1, and Config2 register boxes, the contents of the CS5490's configuration registers
can be modified by typing a hexadecimal value in the HEX field, or by changing any of the values below
the HEX field to the desired settings. Although the CDB5490U software allows the user to modify any of
the bits in the configuration registers, changing certain reserved bits, such as the NO_OSC bit of Config0,
may cause the software and board to behave erratically. This applies only to the CDB5490U evaluation
system, and not to the CS5490 chip itself.
2.5.1.6 Pulse Control Register
The Pulse Control Register section is used to make changes to and display the contents of the CS5490's
PulseCtrl register. The PulseCtrl register contains various bits that are used to select the input to each
energy pulse generation block within the CS5490. Refer to the CS5490 data sheet for descriptions of the
bits. The value of the PulseCtrl register is displayed in hexadecimal format. Most of the PulseCtrl register
bits are reserved or unused. Only the usable bits are displayed in the Setup Window.
2.5.1.7 Pulse Width and Pulse Rate Registers
The Pulse Width Register section is used to make changes to and display the contents of the CS5490's
PulseWidth register. The PulseWidth register is used to define the frequency range and pulse width of the
energy pulses generated by the CS5490. The PulseWidth register should be configured before setting the
PulseRate register. The Pulse Rate Register section is used to make changes to and display the contents
of the CS5490's PulseRate register. The PulseRate register defines the full-scale frequency of the energy
pulses generated by the CS5490.
_—. _— _— _— a CIRRUS LOGIC“
CDB5490U
22 DS923DB5
2.5.1.8 Phase Compensation
The Phase Comp Register section is used to make changes to and display the contents of the CS5490's
PC (Phase Compensation Control) register. The PC register allows coarse- and fine-phase adjustment
on each channel of the CS5490 data path. Refer to the CS5490 data sheet for descriptions of the PC reg-
ister bits.
2.5.1.9 Integrator Gain, System Gain
The Integrator Gain and System Gain sections display the signal path gain in both hexadecimal and dec-
imal format. Each register can be modified by typing a value in the corresponding Decimal or HEX field.
2.5.1.10 Sample Count, Cycle Count, Settle Time
The Sample Count Register, Cycle Count Register, and Settle Time sections provide fields to display the
values of registers associated with low-rate calculations. The SampleCount and CycleCount registers are
entered or displayed in decimal format by default. The user may select to enter or view other number for-
mats of the register by selecting the "d" within the field. The value of the TSettle register is displayed in both
hexadecimal and decimal format. Each register can be modified by typing a value in the corresponding
field.
2.5.1.11 ZXNUM
When Automatic Frequency Update is enabled, the ZXNUM section is used to adjust the number of zero
crossings used in the Epsilon calculation. The update rate of Epsilon is increased by reducing the zero
crossings. The register can be modified by typing the number of zero crossings.
2.5.1.12 Epsilon
The Epsilon section is used to display and adjust the Epsilon register (the ratio of the AC line frequency
to the output word rate). The Epsilon register can be updated either through entering the AC line frequen-
cy in the Line Freq field or by entering the direct register value in the HEX field.
2.5.1.13 Mask Register
The Mask Register box displays the value for the Mask register in hexadecimal format and decodes them
to indicate each bit's function. The Mask register can be modified by typing a value in the HEX field, or by
checking the appropriate boxes for the bits that are to be masked. The value present in the Mask register
may be changed by the GUI software during certain operations to provide correct functionality of the
CDB5490U board.
2.5.1.14 Temperature Registers
The Temperature Registers box is used to adjust the temperature offset register (TOFF) and temperature
gain register (TGAIN) to convert the temperature register (T) from the Celsius scale to the Fahrenheit scale
or vice versa and to improve temperature measurement accuracy. Refer to the CS5490 data sheet for
details of the on-chip temperature sensor.
2.5.1.15 Zero-crossing Level and No Load Threshold
The Zero-crossing Level and No Load Threshold boxes display the values for these registers in hexadec-
imal and decimal. Each register can be modified by typing a value in the corresponding Decimal or HEX
field.
_—. _— _— _— a CIRRUS LOGIC u (.alvbralian Wmduw sysm DrmsTest (Wm Qum OFFSET CALIBRATION DC (mm Channal Mll‘fi n nmm [mg—um m M: OM alum-I mtg—arm m mow-mom M g—o W Rmea-Irolhll u gy—oym GAIN CAIJBRATION Gain chm-I “4mm m mgymym wine NI Ms WWW
CDB5490U
DS923DB5 23
2.5.1.16 V Sag, V Swell, and I Overcurrent Registers
The registers for voltage sag, voltage swell, and overcurrent are displayed in the V Sag, V Swell, and
I Overcurrent Register sections. These sections display the level and duration values of the correspond-
ing registers in both hexadecimal and decimal format. Each register can be modified by typing a value in
the corresponding decimal or HEX field. Refer to the CS5490 data sheet for detailed descriptions of these
registers.
2.5.1.17 Register Checksum, SerialCtrl Registers
The Register Checksum and SerialCtrl Register boxes provide control and status of critical serial port
communication parameters and the register checksum. The SerialCtrl Register section provides control
over RX pin, baud rate, and enabling checksum protection for serial communication. The Register Check-
sum section provides the calculated checksum of the critical registers inside the CS5490. The register
checksum updates automatically after single or continuous conversion has been performed. The RegChk
and SerialCtrl registers are displayed in hexadecimal form. Please note that if the opto-couplers are se-
lected as the isolation (J18, J20), the maximum baud rate is 2400.
The baud rate field applies only to UART serial communication and can be changed by the pull-down field.
It is recommended to set the baud rate to the highest setting possible. The default setting of 600 baud will
cause some GUI functions to overflow the communication buffer and not function correctly.
2.6 Calibration Window
The Calibration Window is used to display and write to the CS5490 offset and gain calibration registers.
The user is also able to initiate the CS5490's calibration sequences that are used to set the calibration
values. AC offset, DC offset, and gain calibrations can be performed on the voltage channel, current chan-
nel, or both channels simultaneously. The user should refer to the CS5490 data sheet for more details on
calibration (see Figure 17).
Figure 17. Calibration Window
_—. _— _— _— a CIRRUS LOGIC“
CDB5490U
24 DS923DB5
The Refresh Screen button will update the contents of the screen by reading all the register values from
the part. It is recommended to click the Refresh Screen button when entering the Calibration Window, or
after modifying any registers to reflect the current status of the CS5490.
2.6.1 Save Cal and Load Cal Buttons
Clicking the Save Cal button will save the calibration widow's configuration to a .txt file. Clicking the Load
Cal button will recall a saved configuration and store values into the CS5490.
2.6.2 Offset/Gain Register
In the Offset and Gain Calibration boxes, the offset and gain registers for all channels are displayed in
hexadecimal and decimal formats. These registers can be modified directly by typing the desired value in
the display boxes. There are three types of offset registers: DC offset, AC offset and power offset. The
AC offset registers only affect the RMS register values. The active and reactive power offset registers only
affect the active and reactive power register values, respectively. The DC, AC, and power offset registers
are two's complement numbers whose values ranges from -1 to +1. The gain register value ranges from
0 to 4.
2.6.3 Performing Calibrations
AC/DC offset and gain calibrations can be performed on both the voltage and current channels of the
CS5490. It is recommended to software-reset the CS5490 before running calibrations, because the initial
values in the calibration registers will affect the results of the calibration. A software-reset will reset these
registers back to the default values of zero offset and unity gain. AC/DC offset calibration should be per-
formed before gain calibration to ensure accurate results.
2.6.3.1 Offset Calibrations
1. Ground the channel(s) you want to calibrate directly at the channel header(s), J6 and J11 for the
voltage channel and J7 and J8 for the current channel. The channel(s) could also be grounded
directly at the screw-type terminals.
2. Press the corresponding AC or DC offset calibrate button (Cal V, Cal I, or Calibrate All Channels)
in the corresponding Offset Calibration box(es).
3. The offset register value(s) will automatically update when the calibration is completed.
2.6.3.2 Gain Calibrations
1. Attach an AC or DC calibration signal to the screw-type terminals, and make sure the correspond-
ing channel headers (J6, J7, J8, and J11) are set to the desired input position.
2. Press the corresponding gain calibrate button (Cal V, Cal I, or Calibrate All Channels) in the cor-
responding Gain Calibration box(es).
3. The gain register value(s) will automatically update when the calibration is completed.
The Calibration window also contains the Active and Reactive Power Offset Register display and adjust-
ment. The user can read and write the value in the CS5490 active and reactive power offset registers
(POFF and QOFF).
m: a CIRRUS LOGIC n wlup mm», mm mural carnal ow Can one we! W anh 2 5a R: iner 5m. le Cnumfle ma Mask Ream, HEX jyicozam "a gi mm "mm“ 5mg... L4 um “mg a "a 317 a _ m Pm mv 9mm- pmgv c cl. cmm. ma. r ham 7 7 Mm gy—n r um «(v at“. h—~ Mama-a, 7 — mm. cm Ms... m1 alien 0’“ “"' .— .,_ w..." pops: as: Bum-av A r “M HEX n - lnlegmmr 6am " 5'" a Valugg Swell Registers , ,— , my.“ I” c lg1R gm [HI —"'J ”ML “BEE” E i "353 I’ Ihlaflvuinhv on e. . nu $7,, "a g mm mum mm I’ Vilma-«mm A "a , mm A; a p 3:"; Pub w 0. mm." ,4 gum “F gm ow v ‘7 "9‘ :1 0 r TMHEW MEX j I "9‘? 5mm r 5.1...de mum Nov Overaurenlfizg er Pal- Fv-I thug- n—m: I 25mm r ImaI-dC-v-m! mum: DFFIHilv ”12“.” man a rWhmham r Rx so has... w...“ m _ "a afimm Mummy“; I v on .g gis . M . . C 2 2’“ h "R a n m.‘ 4277mm SeIIaICM Regime! y; u a mi: . 7 , "2x3 um p: n... .. Hag n "EX §\ HEX 2pm £4 “a a "E" 1‘ W M. 1m lhmshald man \ 5mm ms McV mm. [mv AFC- lmI'VmsV ”km: 1720mm "x Baum ummmu MEX j arms ‘ "EX §1 “ s m n ”m“ szPr Mam “mum“ hm. e e the m Msv "a: IE “*4 we» we "a g W W W a mics": on: was": man ,.. AK 1," W “‘15 m.- L Tm —J um 1710960!” umz IF” "PF V IIAmnn 9 Level ‘ ELM" RIM our WU _HPF'; "a a ‘W HEX : Isms negmcnemm “R v ’ , 0" W 0125 mafia] soon a: “'3‘ WEE “"' mmmembemmmhmummrmsummm. mmwmvmmmumnkm—m.
CDB5490U
DS923DB5 25
2.7 Conversion Window
The Conversion Window can be accessed from the System menu pull-down, Conversion menu item. The
Conversion option requires the CS5490 device to be configured for 2400 or greater baud rate from the
Setup Window (see Figure 18).
When the UART is configured for a baud rate of less than 2400, the resulting error message is displayed
(see Figure 19.)
The Conversion window allows the user to see the results of single and continuous conversions and the
CS5490 status, perform data averaging, and use the power-saving modes of the CS5490. The Conver-
sion Window can be accessed from the System menu pull-down, Conversion menu item. The Conversion
Window provides the active, apparent, and reactive energy calculations register results for each channel.
In addition, the RMS, power factor, and peak signal amplitudes for each analog-to-digital converter chan-
nel, chip temperature, AC line frequency (converted from the Epsilon register), and the values of each
Figure 18. Setup Window with 510638 Baud Rate
Figure 19. Conversion Collection Baud Rate Error
um CIRRUS LOGIC svsmv CmsTest mm mm RESULT mm sm, DEV REsuu um sm nzv Vm um nnmnm nnnmm Tempemum 2717 um yin“. um (mam-.733 nnmxmnn nnnmm ”“9 ”“19"" 5mm um mm m... p... 143133an ‘ STATUS 0 STATUS I AppammP-u \ “mm H m React": P." amt-74327 MEX mm m, M n Pawanamv nmmI mm mg», . weak notmtmm w mm. , In» West: 9 ' ‘ '"' f VM wanna: u lpzlk nmm ““5 ‘ Him; “must: 9 iv “113955qu a Pm Wanna“ mum... a .3. mm... mm ,—., 5s"... y—Mmu“ ”gumm- - mammal" . usm. um O my. $3 a STATUS 2 WWW m; “W : "' Mat [—12 i‘ ‘ _ Ina-«cm: u um... Enron 5m: Pan u s v run we I— My, mm m 1 '— — MD" “m u M" ° mm- m
CDB5490U
26 DS923DB5
status register (Status0, 1, 2) are also displayed. The Conversion Window also provides the total active,
apparent and reactive power register results.
2.7.1 Single Conversion Button
Pressing the Single Conversion button will cause a single conversion to be performed. After a single con-
version is complete, the Result column will be updated with the values present in each data register.
2.7.2 Continuous Conversion Button
Pressing this button will cause continuous conversions to be performed until the user clicks the Stop but-
ton. After each conversion is complete, the Result column will be updated with the values present in each
data register. The Mean and STD. DEV columns will be updated every N cycle, where N is the number in
the Samples to Average field. The user should stop continuous conversion before leaving this window.
The Continuous Conversion button should not be used with BAUD rates less than 1200Hz in UART mode.
Using lower BAUD rates (including the default 600 baud) will result in overflowing the communication buf-
fer and cause other window errors, communication failure, or both.
Data logging can be enabled using the DATALOG On/Off check box and Filename field.
2.7.3 Standby Mode Button
When this button is clicked, the CS5490 will enter a standby power-saving mode. To return to normal
mode, press the Power Up button. The user should power up the device before leaving this window.
2.7.4 Power Up Button
The Power Up button is used to send the wake-up command to the CS5490. The CS5490 will return to
normal operating mode.
Figure 20. Conversion Window
_—. _— _— _— a CIRRUS LOGIC“
CDB5490U
DS923DB5 27
2.7.5 Line Frequency Result
When the AFC bit in the Config2 register is set, the Epsilon register will be calculated automatically by the
CS5490 and the Line Frequency fields will be updated automatically in continuous conversion mode. If
the AFC bit in the Config2 register is not set and the line frequency is other than the default value (50Hz),
the line frequency must be set manually here to make Epsilon the ratio of line frequency to the output word
rate (OWR). This ensures the accuracy of the quadrature power (Q) and the reactive power (QAVG) cal-
culations. Refer to the CS5490 data sheet for more details.
2.7.6 Temperature Result
The Temperature fields will display the current CS5490 die temperature in the top right corner of the Con-
version Window.
2.7.7 Samples to Average
The Samples to Average field allows the user to average a number of measurement results.
2.8 Cirrus Test Window
The Cirrus Test window provides three options: Test and Debug, ADC Data Collection, and ADC Data
Collection to File. Each window provides a means to evaluate the different functions and performance of
the CS5490 (see Figure 21).
Figure 21. Cirrus Test Pull-down Options
_—. _— _— _— a CIRRUS LOGIC mm mm am am m- -m mm m hummus 4 Mmhdnkmkdhmmn “mum'mhsnmmnmnm.
CDB5490U
28 DS923DB5
2.8.1 Data Collection Window
The Data Collection Window allows the user to collect sample sets of data from the CS5490 and analyze
them using time domain, FFT, and histogram plots. The Data Collection window can be accessed by pull-
ing down the CirrusTest menu, and selecting the ADC Data Collection item (see Figure 22).
The Data Collection Window can only be accessed when the UART is operating at 510638 baud. When
UART serial communication is enabled, an error window is displayed (see Figure 23). The baud rate is
selected within the Setup Window (see Figure 18).
2.8.1.1 Time Domain / FFT/ Histogram Selector
The Time Domain/FFT/Histogram selector selects the type of data processing to perform on the collected
data and displays the results in the plot area. Refer to “Analyzing Data” on page 31 for more information.
2.8.1.2 Config Button
The Config button will bring up the Configuration window, in which the user can modify the data collection
specifications. Refer to “Configuration Window” on page 30 for more information.
2.8.1.3 Collect Button
The Collect button will collect data from the part, to be analyzed in the plot area. See “Collecting Data
Sets” on page 31 for more information.
Figure 22. Data Collection Window
Figure 23. Data Collection UART Error Message
_—. _— _— _— a CIRRUS LOGIC“ y— 0mm" Imam-Mun: y— ouwmm m r mm 5cm y- 0mm muncmu rmvm
CDB5490U
DS923DB5 29
2.8.1.4 Output Button
The Output button will bring up a window in which the user can output the data to a file for later use, print
out a plot, or print out the entire screen. When saving data, only the data channel being displayed on the
plot will be saved to a file.
2.8.1.5 Zoom Button
The Zoom button allows the user to zoom in on the plot by selecting two points in the plot area. Press the
Restore button to return to the normal data plot, or press the Zoom button again to zoom in farther.
2.8.1.6 Channel Select Button
After data collection, the two buttons labeled as “No Data" will be replaced with Current and Voltage but-
tons, allowing the user to choose the appropriate channel for display. In the time domain mode, an addi-
tional Overlay button will be present, which allows the user to display all the channels on the same plot.
2.8.1.7 Output Button and Window
The Output button allows the user to:
1. Output Time Domain File
2. Output FFT File
3. Output Histogram
4. Print Screen
5. Print Graph
Figure 24. Data Collection Output Window
_—. _— _— _— a CIRRUS LOGIC n anIEurarwn mm... m 53",”; gym— Am» £117 FFr unm- g Hndle (He-m) "mm. an mm. film— W 1., ma, glfi D313 In called 7 v r I
CDB5490U
30 DS923DB5
2.8.1.8 Configuration Window
The Configuration window allows the user to set up the data collection and analysis parameters (see
Figure 25).
2.8.1.8.1 Number of Samples
The Number of Samples field allows the user to select the number of samples to collect, between 16 and
524288.
2.8.1.8.2 Average
When performing FFT analyses, the Average field determines the number of FFTs to average. FFTs will
be collected and averaged when the Collect button is clicked.
2.8.1.8.3 FFT Window
The FFT Window box allows the user to select the type of windowing algorithm for FFT processing. Win-
dowing algorithms include the Blackman, Blackman-Harris, Hanning, 5-term Hodie, and 7-term Hodie.
The 5-term Hodie and 7-term Hodie are windowing algorithms developed at Crystal Semiconductor, now
called Cirrus Logic.
2.8.1.8.4 Histogram Bin Width
This field determines the "bin width" when plotting histograms of the collected data. Each vertical bar in
the histogram plot will contain the number of output codes entered in this field. Increasing this number
may allow the user to view histograms with larger input ranges.
2.8.1.8.5 Seconds to Delay
This field specifies the amount of time the system waits to begin data collection after the CS5490 starts
continuous conversions.
2.8.1.8.6 Data to Collect
The Data to Collect check boxes allow the user to select the data types that will be collected and returned
to the PC for processing.
Figure 25. Data Collection Configuration Window
_—. _— _— _— a CIRRUS LOGIC“
CDB5490U
DS923DB5 31
2.8.1.8.7 Accept Button
When the Accept button is pressed, the current settings will be saved and the user will return to the Data
Collection window.
2.8.1.9 Collecting Data Sets
To collect a sample data set:
1. In the Data Collection window, press the Config button to bring up the Configuration window and
view the current settings.
2. Select the appropriate settings from the available options (see “Configuration Window” on
page 30) and press the Accept button.
3. The Data Collection window should still be visible. Press the Collect button to begin collecting
data.
4. Once the data has been collected, it can be analyzed, printed, or saved to disk.
2.8.1.10 Analyzing Data
The evaluation software provides three types of analysis tests: Time Domain, Frequency Domain, and Histo-
gram. The Time Domain analysis processes acquire conversions to produce a plot of magnitude versus con-
version sample number. The Frequency Domain analysis processes acquired conversions to produce a plot
of magnitude versus frequency using the Fast-Fourier transform (results up to Fs/2 are calculated and plotted).
Also statistical noise calculations are calculated and displayed. The histogram analysis processes acquired
conversions to produce a histogram plot. Statistical noise calculations are also calculated and displayed.
_—. _— _— _— a CIRRUS LOGIC 5713‘ mm" mm m 1—H” h—uuznn y—mmm 1—1
CDB5490U
32 DS923DB5
2.8.1.11 Histogram Information
The following is a description of the indicators associated with histogram analysis. Histograms can be plot-
ted in the Data Collection Window by setting the analysis type pull-down menu to Histogram (see
Figure 26). The histogram plot information includes:
BIN: Displays the x-axis value of the cursor on the histogram.
MAGNITUDE: Displays the y-axis value of the cursor on the histogram.
MEAN: Indicates the mean of the data sample set. The mean is calculated using the following
formula:
STD_DEV: Indicates the standard deviation of the collected data set. The standard deviation is
calculated using the following formula:
VARIANCE: Indicates the variance of the current data set. The variance is calculated using the
following formula:
MAXIMUM: Indicates the maximum value of the collected data set.
MINIMUM: Indicates the minimum value of the collected data set.
MEAN
Xi
i0=
n1
n
---------------------------
=
STDDEV
XiMean
i0=
n1
n
------------------------------------------------------
2
=
VARIANCE
XiMean
i0=
n1
n
------------------------------------------------------
2
=
Figure 26. Histogram Analysis
_—. _— _— _— a CIRRUS LOGIC 5m WWW «mm mam MAW 1 » I |§|¥| I§I§§ my..."
CDB5490U
DS923DB5 33
2.8.1.12 Frequency Domain Information
The following describe the indicators associated with FFT (Fast-Fourier Transform) analysis. FFT data
can be plotted in the Data Collection window by setting the analysis type selector to FFT (see Figure 27).
The FFT information includes:
FREQUENCY: Displays the x-axis value of the cursor on the FFT display.
MAGNITUDE: Displays the y-axis value of the cursor on the FFT display.
S/PN: Indicates the signal-to-peak noise ratio (decibels).
SINAD: Indicates the signal-plus-noise-plus-distortion to noise-plus-distortion ratio (decibels).
S/D: Indicates the signal-to-distortion ratio, 4 harmonics are used in the calculations (decibels).
SNR: Indicates the signal-to-noise ratio, first 4 harmonics are not included (decibels).
FS-PdB: Indicates the full-scale to signal Ratio (decibels).
Figure 27. FFT Analysis
_—. _— _— _— a CIRRUS LOGIC“
CDB5490U
34 DS923DB5
2.8.1.13 Time Domain Information
The following controls and indicators are associated with time domain analysis. Time Domain data can be
plotted in the Data Collection window by setting the analysis type selector to Time Domain (see
Figure 28). The Time Domain plot includes:
COUNT: Displays current x-position of the cursor on the time domain display.
MAGNITUDE: Displays current y-position of the cursor on the time domain display.
MAXIMUM: Indicates the maximum value of the collected data set.
MINIMUM: Indicates the minimum value of the collected data set.
Figure 28. Data Collection Window - Time Domain Analysis
_—. _— _— _— a CIRRUS LOGIC a Data le‘ectmntm FIIE sysm mm: m cm Delay an m DatahCoIlecl I7 v 'file I: Save me Dana; l—fll
CDB5490U
DS923DB5 35
2.8.2 Data Collection to File Window
The Data Collection to File window allows the user to collect instantaneous voltage and current register
data over an extended period of time to a data file (see Figure 29). The Data Collection to File option re-
quires the CS5490 device to be configured at the maximum baud rate set from the within the Setup Win-
dow (see Figure 18). The following steps are necessary for data collection to a file:
1. Provide the Time to Collect in seconds.
2. If a delay before data collection is needed, enter the time in seconds for the Delay.
3. Select the voltage and current channel (V and I).
4. Browse to a directory and enter the file name of the desired file to save.
5. Start the data collection by pressing the START button.
6. The data collection status will be provided in Samples Collected and Time Remaining.
7. The collection will complete without any further interaction by the user or the user may stop the
data collection at any time by pressing the STOP button.
Figure 29. Data Collection to File Window
_—. _— _— _— a CIRRUS LOGIC ammyAcmn 7:9: 5L0 Address V vammwma L07 me am Lo Wme Rzad Sendcnmmznd Cnmmand xm SEND LIL
CDB5490U
36 DS923DB5
2.8.3 Setup and Test Window
The Setup and Test window allows the user a way to access CS5490 registers and send commands to
the CS5490 directly (see Figure 30).
There are three types of transactions: Write register, Read register, and Send command. The CS5490
memory is organized by pages. In order to properly write a register, it is necessary to set the Page, Ad-
dress, and Value to Write field and then press the WRITE button. To read a register it is necessary to set
the Page and Address and then press the READ button. The register result will be displayed in the Value
Read field. To send a command to the CS5490, enter the command in the Command field and press the
SEND button. Refer to the CS5490 data sheet for more details on registers and commands.
Figure 30. Setup and Test Window
II III III I. h QENCM FOQQ
CDB5490U
DS923DB5 37
APPENDIX A. BILL OF MATERIALS
CIRRUS LOGIC
CDB5490U_REV_B.bom
BILL OF MATERIAL
Item Cirrus P/N Rev Descri
p
tion Qt
y
Reference Desi
g
nator MFG MFG P/N Notes Status
1 001-02194-Z1 A
CAP 0.1uF ±10% 25V X7R NPb 0603 0 C1 C2 C7 MURATA GRM188R71E104KA01D NO POP A
2 001-10064-Z1 A
CAP 15pF ±5% 50V C0G NPb 0603 1 C3 KEMET C0603C150J5GAC A
3 001-04187-Z1 A
CAP 0.027uF ±5% 50V X7R NPb 0805 6 C4 C5 C6 C9 C34 C35 KEMET C0805C273J5RAC A
4 001-10233-Z1 A
CAP 4.7uF ±20% 25V X7R NPb 1206 2 C8 C32 TDK C3216X7R1E475M A
5 001-04345-Z1 A
CAP 0.1uF ±10% 50V X7R NPb 0805 2 C10 C31 KEMET C0805C104K5RAC A
6 001-02194-Z1 A
CAP 0.1uF ±10% 25V X7R NPb 0603 1 C11 KEMET C0603C104K3RAC A
7 001-04523-Z1 A
CAP 1uF ±10% 16V X7R NPb 0805 2 C12 C28 KEMET C0805C105K4RAC A
8 001-01994-Z1 A
CAP 0.01uF ±10% 16V X7R NPb 0603 2 C13 C19 MURATA GRM188R71C103KA01D A
9 001-02194-Z1 A
CAP 0.1uF ±10% 25V X7R NPb 0603 3 C14 C15 C16 MURATA GRM188R71E104KA01D A
10 001-10226-Z1 A
CAP 1uF ±10% 25V X5R NPb 0603 2 C20 C21 MURATA GRM188R61E105KA12 A
11 001-02189-Z1 A
CAP 0.1uF ±10% 16V X7R NPb 0603 5 C22 C23 C25 C27 C29 KEMET C0603C104K4RAC A
12 012-00010-Z1 A
CAP 47uF ±20% 16V NPb ELEC CASE C 2 C24 C30 PANASONIC EEE1CA470WR A
13 001-10127-Z1 A
CAP 22pF ±10% 50V C0G NPb 0603 1 C26 KEMET C0603C220K5GAC A
14 012-00013-Z1 A
CAP 4.7uF ±20% 25V ELEC NPb CASE B 1 C33 PANASONIC EEE1EA4R7SR A
15 070-00055-Z1 A
DIODE ARRAY 5V (TVS) ESD NPb SOT143 1 D5 LITTELFUSE SP0503BAHTG A
16 165-00004-Z2 A
LED SUP RED 100mcd NPb SMD 2 D6 DO1 EVERLIGHT 28-21SRC/TR8 A
17 110-00055-Z1 A
CON TERM BLCK 4 POS 5mm NPb BLU TH 2 J1 J3 ON-SHORE
TECHNOLOGY
ED 100/4DS
A
18 110-00056-Z1 A
CON TERM BLOCK 2POS 5mm NPb BLU TH 2 J4 J27 ON-SHORE
TECHNOLOGY
ED 100/2DS
A
19 115-00016-Z1 A
HDR 3x2 ML .1"CTR 062 S GLD NPb 1 J6 SAMTEC TSW-103-07-G-D A
20 115-00257-Z1 A
HDR 2x2 ML .1" 093BD ST GLD NPb TH 3 J7 J8 J11 SAMTEC TSW-102-08-G-D A
21 115-00009-Z1 A
HDR 3x1 ML .1" 062 ST GLD NPb TH 8 J15 J18 J20 J26 J38 J43 J50 J58 SAMTEC TSW-103-07-G-S A
22 115-00012-Z1 A
HDR 4x2 ML .1"CTR S GLD NPb 2 J17 J19 SAMTEC TSW-104-07-G-D A
23 115-00014-Z1 A
HDR 2x1 ML .1" 062BD ST GLD NPb TH 10 J21 J23 J39 J44 J45 J46 J48 J49 J53 J54 SAMTEC TSW-102-07-G-S A
24 115-00276-Z1 A
HDR 16X1 ML .1" 062 S GLD NPb TH 1 J22 SAMTEC TSW-116-07-G-S SOLDER J22 TO LCD1 AND PRINTED
CIRCUIT BOARD SEE ASSEMBLY
DRAWING
A
25 110-00041-Z1 A
CON RA USB BLK NPb TH 1 J24 AMP 292304-1 A
26 115-00003-Z1 A
HDR 5x2 ML .1"CTR S GLD NPb 1 J25 SAMTEC TSW-105-07-G-D A
27 110-00014-Z1 A
CON XLR CHASSIS 3P FML SILV NPb 0 J28 J30 NEUTRIK NC3FD-H NO POP A
28 115-00014-Z1 A
HDR 2x1 ML .1" 062BD ST GLD NPb TH 0 J32 J34 SAMTEC TSW-102-07-G-S NO POP A
29 110-00008-Z1 A
CON BPOST 2" SILV NYLON INS BLK NPb 1 J36 JOHNSON
COMPONENTS
111-0103-001 REQUIRES WIRE, 1.5L X 0.25T X 0.25T
TYPE E 24/19 BLU SQUIRES ELEC. INC.
A
30 110-00010-Z1 A
CON BPOST 2" SILV NYLON INS RED NPb 1 J37 JOHNSON
COMPONENTS
111-0102-001 REQUIRES WIRE, 1.5L X 0.25T X 0.25T
TYPE E 24/19 BLU SQUIRES ELEC. INC.
A
31 115-00024-Z1 A
HDR 1x1 ML .1"CTR S NPb GLD 1 J57 SAMTEC TSW-101-07-G-S A
32 080-00004-Z1 A
WIRE JUMPER 2P 0.1" BRASS NPb TH 8 JP1 JP2 JP3 JP4 JP5 JP6 JP7 JP8 COMPONENTS
CORPORATION
TP-101-10
A
33 160-00012-Z1 A
LCD MODULE 3.3V 16x2 16x64mm NPb 1 LCD1 TOPWAY LMB162AFC-2 NEED HDR16X1-SSW-116-01-G-S A
34 304-00022-Z1 A
SPCR STANDOFF NYL HEX 1.0/4-40 NPb 7 MH1 MH2 MH3 MH4 MH5 MH6 MH7 KEYSTONE 1902E REQUIRES SCREW 4-40X5X16" PH
STEEL 300-00025-Z1 A
Figure 31. Bill of Materials (Page 1 of 2)
II III III I. h QENCM FOQQ
CDB5490U
38 DS923DB5
CIRRUS LOGIC
CDB5490U_REV_B.bom
BILL OF MATERIAL
Item Cirrus P/N Rev Descri
p
tion Qt
y
Reference Desi
g
nator MFG MFG P/N Notes Status
35 020-01702-Z1 A RES 100 OHM 1/8W ±1% NPb 0805 FILM 2 R1 R2 DALE CRCW0805100RFKEA A
36 020-01816-Z1 A
RES 1k OHM 1/8W ±1% NPb 0805 FILM 5 R5 R6 R7 R49 R50 DALE CRCW08051K00FKEA A
37 020-06362-Z1 A
RES 422k OHM 1/4W ±1% NPb 1206 4 R8 R12 R14 R15 DALE CRCW1206422KFKEA A
38 020-01816-Z1 A
RES 1k OHM 1/8W ±1% NPb 0805 FILM 0 R9 R13 DALE CRCW08051K00FKEA NO POP A
39 021-00347-Z1 A
RES 2.2 OHM 1/8W ±5% NPb 0805 FILM 0 R11 DALE CRCW08052R20JNEA NO POP A
40 021-00407-Z1 A
RES 680 OHM 1/8W ±5% NPb 0805 FILM 2 R25 R48 DALE CRCW0805680RJNEA A
41 021-00238-Z1 A
RES 680 OHM 1/10W ±5% NPb 0603 FILM 2 R29 R32 KOA RK73B1JTTD681J A
42 021-00259-Z1 A
RES 5.1k OHM 1/10W ±5% NPb 0603 FIL 3 R30 R31 R47 DALE CRCW06035K10JNEA A
43 021-00266-Z1 A
RES 10k OHM 1/10W ±5% NPb 0603 FILM 1 R33 DALE CRCW060310K0JNEA A
44 020-00673-Z1 A
RES 0 OHM 1/10W ±5% NPb 0603 FILM 4 R37 R38 R42 R43 DALE CRCW06030000Z0EA A
45 021-00242-Z1 A
RES 1k OHM 1/10W ±5% NPb 0603 FILM 3 R44 R45 R46 DALE CRCW06031K00JNEA A
46 020-01473-Z1 A
RES 0 OHM 1/18W ±1% NPb 0805 FILM 1 R51 DALE CRCW08050000Z0EA A
47 020-00914-Z1 A
RES 130 OHM 1/10W ±1% NPb 0603 FILM 1 R55 DALE CRCW0603130RFKEA A
48 020-00673-Z1 A
RES 0 OHM 1/10W ±5% NPb 0603 FILM 0 R56 DALE CRCW06030000Z0EA NO POP A
49 021-00718-Z1 A
RES 20 OHM 1/3W ±5% NPb 1210 FILM 1 R57 DALE CRCW121020R0JNEA A
50 120-00002-Z1 A
SWT SPST 130G 0/1 5mm TACT ESD NPb 2 S1 S2 ITT INDUSTRIES PTS645TL50 LFS INSTALL AFTER WASH PROCESS A
51 110-00045-Z1 A
CON TEST PT .1"CTR TIN PLAT NPb BLK 6 TP1 TP2 TP5 TP6 TP9 TP10 KEYSTONE 5001 A
52 065-00334-Z4 B2
IC CRUS ENER MEAS NPb SOIC16L 1 U1 CIRRUS LOGIC CS5490-ISZ/B2 ECO898, ECO935 A
53 060-00319-Z1 A
IC LNR VREG µPWR 150mA NPb SOT23-5 1 U2 NATIONAL
SEMICONDUCTOR
LP2985IM5-3.3/NOPB ECO813
A
54 060-00570-Z1 A
IC ISOL 4CH 2.5kV 2/2 NPb SOIC16N 1 U3 SILICON
LABORATORIES
Si8442BB-D-IS1
A
55 175-00031-Z1 A
OPT COUP TRANS 50-600% NPb DIP4 2 U4 U5 TOSHIBA TLP781(F) A
56 062-00229-Z1 A
IC PGM USB 64kB FLAS MCU NPb LQFP32 1 U6 SILICON
LABORATORIES INC
C8051F342-GQ PROGRAM AT TEST
A
57 061-00392-Z1 A
IC DIG DC/DC CONV 5V 1W NPb SMD8 1 U8 V-INFINITY VBT1-S5-S5-SMT ECO813 A
58 135-00100-Z1 A
SKT 1.27mmPCH OPEN NPb SOP16 0 XU1 WELLS-CTI 652B0162211-002 NO POP-SOCKET FOR CS5490-SOIC16 A
59 100-00120-Z1 A
XTL 4.096MHZ HC49US 30ppm 20pF NPb 1 Y1 ECS ECS-41-20-4X INSTALL PIN SOCKETS A
60 070-00006-Z1 A
DIODE TR 6.8V 600W NPb AXL 2 Z1 Z2 LITTELFUSE P6KE6.8 A
61 070-00200-Z1 A
DIODE TVS 3.3V 2LN ESD NPb SOT23 1 Z3 COMCHIP
TECHNOLOGY
CTES033V3-G ECO853
A
62 603-00483-Z1 C
ASSY DWG CDB5490U-Z-NPb REF CIRRUS LOGIC 603-00483-Z1 ECO813,ECO853 A
63 240-00483-Z1 C
PCB CDB5490U-Z-NPb 1 CIRRUS LOGIC 240-00483-Z1 ECO813.ECO853 A
64 600-00483-Z1 C2
SCHEM CDB5490U-Z-NPb REF CIRRUS LOGIC 600-00483-Z1 ECO813,ECO853,ECO898,ECO935 A
65 422-00013-Z1 D
LBL SUBASSY PRODUCT ID AND REV 1 CIRRUS LOGIC 422-00013-01 A
66 080-00003-Z1 A
WIRE BPOST 1.5X.25 24/19 GA BLU NPb 2 XJ36 XJ37 SQUIRES L-1.5X.25TX.25T_TYPE_E_ WIRES FOR BINDING POSTS A
67 135-00003-Z1 A
SKT 1P .100"L .041"DIA GLD NPb 2 XY1 AUGAT 8134-HC-5P2 2 SINGLE PINS SOCKETS FOR Y1 A
68 300-00025-Z1 A
SCREW 4-40X5/16" PH MACH SS NPb 7 BUILDING FASTENERS PMSSS 440 0031 PH
A
69 110-00013-Z1 D
CON SHUNT 2P .1"CTR BLK NPb 22 MOLEX 15-29-1025 INSTALL SHUNTS DURING TEST A
70 422-00180-Z1 A
LBL RoHS 1 IMAGE-TEK LPP0054 PLACE LABEL ON THE SECONDARY
SIDE A
Figure 32. Bill of Materials (Page 2 of 2)
II III III II [I QENCM FOQQ am uxr
CDB5490U
DS923DB5 39
APPENDIX B. SCHEMATICS
REV C2
02/17/11
SCHEM CDB5490U-Z NPb
Alan ZHAAlan ZHA
3
ANALOG INPUTS
1
CHK BY/DATEINC BY/DATEDESCRIPTIONREVECO#
SIZE B
OF
SHEET
PART #
DESCRIPTION:
DRAWN BY:
DATE:
ENGINEER:
SHEET TITLE:
IIN-
IIN+
GND
GND
LINE
GND
GND
VIN+
VIN-
GND
GND
IIN+
GND
IIN-
GND
LINE
VIN+
VIN-
GND
INITIAL DESIGN Alan ZHA Alan ZHA
09/24/10 09/24/10
A
600-00483-Z1
NOTES: UNLESS OTHERWI SE SPECI FIED:
1. ALL RESI STOR VALUES ARE IN OHMS.
ADDED VREG, U2, AND CHGD DC CONV., U8. A. GARZA Alan ZHA
1/11/11 1/11/11
BECO813
CIRRUS DEVICE REVISION CS5490-ISZ/A0 TO A1 DARREN B. Alan ZHA
2/17/11 2/17/11
B1ECO832
ECO853 C CHGD Z3 TO CTES033V3-G, CHGD DANGER LABEL A. GARZA
4/8/11
Alan ZHA
4/8/11
ECO898 C1 A. GARZA
9/15/11
Alan ZHA
9/15/11
CHGD U1 TO CS5490-INZ Rev B0
ECO935 C2 CHDG U1 TO CS5490-INZ/B2 A. GARZA
3/12/12
Alan Zha
3/12/12
1
2
3
4
J1
12
34
J7
12
34
J8
C5
0.027UF
X7R
C6
0.027UF
X7R
R11
2.2
NO POP
R1
100
R2
100
R9
1K NO POP
R13
1K
NO POP
1
2
3
4
J3
1
2
J4
12
34
56
J6
HDR3X2
12
34
J11
HDR2X2
R5
1K
C4
0.027UF
X7R
C9
0.027UF
X7R
R6
1K
R7
1K
R8
422K
R12
422K
R14
422K
R15
422K
12
3
NEUTRIK
2
1
3
4
J28
XLR-FE-NEUTRIK-NC3FD-H
NO POP
12
3
NEUTRIK
2
1
3
4
J30
XLR-FE-NEUTRIK-NC3FD-H
NO POP
J32 NO POP
J34 NO POP
TP1
IIN-
TP2
IIN+
TP5
VIN+
TP6
VIN-
R49 1K
R50 1K
C34
0.027UF
X7R
C35
0.027UF
X7R
J44
J46
R51
0
J45
HDR2X1
J53
J54
VIN+
VIN-
IIN-
IIN+
Figure 33. Schematic - Analog Inputs
II III III II [I QENCM FOQQ
CDB5490U
40 DS923DB5
REV C2
02/17/11
SCHEM CDB5490U-Z NPb
CS5490+ISOLATION
Alan ZHAAlan ZHA
23
CHK BY/DATEINC BY/DATEDESCRIPTIONREVECO#
SIZE B
OF
SHEET
PART #
DESCRIPTION:
DRAWN BY:
DATE:
ENGINEER:
SHEET TITLE:
DO1
TX
RX
RESET
DO1
TX
RX
RESET
DIGI TALOPTO
DIGI TAL OPTO
VREF+
XIN_EXT
GND
GND
+3.3V
GND
+3.3V
+3.3V_2
VREF-
GND
VDDA
VDDA GND
CRYSTAL
XIN_EXT
USED ON EE5490U ONLY
600-00483-Z1
1VDD1
2GND1
3A1
4A2
5A3
6A4
7EN1/NC
8GND1 9
GND2
10
EN2/NC
11
B4
12
B3
13
B2
14
B1
15
GND2
16
VDD2
U3
Si8442BB-D-IS1
1A
23
E
4
C
U4
TLP781
1
A
23
E
4C
U5
TLP781
1
2
34
56
78
J17
HDR4X2
12
DO1
DO1
R25
680
Y1
J15
MODE J18
RX
R29
680
12
34
56
78
J19
HDR4X2
J20
TX
R30
5.1K
R31
5.1K
C13
0.01UF
X7R
C14
0.10uF
X7R
C15
0.10uF
X7R
C16
0.10uF
X7R
J21
VDDA
R32 680
C19
0.01UF
X7R
J23
RESET
R33
10K
C20
1uF
C21
1uF
J36
J37
12
Z1
P6KE6.8
6.8V
C30
47uF
ELEC
C31
0.1uF
X7R
TP9
XOUT
J38
VDDA
C32
4.7uF
X7R
C33
4.7uF
ELEC
J39
J43
XIN
J49
DO1/TEST2
J50
ASSY DW G- 603-00483-Z1
PCB DWG- 240-00483-Z1
SCHEMATI C DW G 600-00483-Z1
LB L SUBA SSY PRO D ID AND REV
WIRE HOOK UP #6AWG STR BLU NPb L-1.5X.25TX.25T_TY PE_E_
MH1
MH2
MH3
MH4
MH5
1
FD1
1
FD2
1
FD3
SOCKET 1P- 8134-HC-5P2
R55
130
C3
15pF
COG
1
2
3
Z3
CTES033V3-G
J57
VDDD
J58
J48
SCREW-PHILIPS-4-40THR-PH-5/16-L-Z PMSSS 440 0031 PH
MH6
MH7
SHUNT_2P- 15-29-1025
C10
0.1uF
X7R
1XOUT
2XIN
3RESET
4IIN-
5IIN+
6VIN+
7VIN-
8VREF- 9
VREF+
10
GNDA
11
VDDA
12
DO/GPIO
13
TX
14
RX
15
MODE
16
VDDD
U1
CS5490-ISZ
1XOUT
2XIN
3RESET
4IIN-
5IIN+
6VIN+
7VIN-
8VREF- 9
VREF+
10
GNDA
11
VDDA
12
D01/GPIO
13
TX
14
RX
15
MODE
16
VDDD
XU1
CS5490-SOIC16-SKT
NO POP-SOCKET FOR CS5490-SOIC16
C1
0.10uF X7R
NO POP
C2
0.10uF
X7R
NO POP
C7
0.10uF
X7R
NO POP
1
VIN
2
GND
3
ON
5VOUT
4BPS
U2
C8
4.7uF
X7R
C11
0.1uF
X7R
DCDC
2
+VIN
1
-VIN
4-VO
5+VO
U8
VBT1-S5-S5-SMT
C12 1UF
X7R
LABEL ROHS
LPP0054
TX
VDDA
VDDA
VDDA
IIN+
IIN-
VIN-
VIN+
VDDA
VDDA
+3.3V_1
+3.3V_1
VDDA
VDDA
GND1
GND1 GND1
VDDA
GND1
DO1
RX
RESET
GND1
+3.3V_1
+3.3V_1
GND1
IIN+
IIN-
VIN-
VIN+
+5V
VDDA
Figure 34. Schematic - CS5490 and Isolation
II III III II [I QENCM FOQQ
CDB5490U
DS923DB5 41
REV C2
02/17/11
SCHEM CDB5490U-Z NPb
3
3
Alan ZHAAlan ZHA
MCU+LCD+USB
CHK BY/DATEINC BY/DATEDESCRIPTIONREVECO#
SIZE B
OF
SHEET
PART #
DESCRIPTION:
DRAWN BY:
DATE:
ENGINEER:
SHEET TITLE:
+5V_EXT
GND1
+5V_USB +5V_EXT
LCD HEADER
600-00483-Z1
1
P0.1
2
P0.0
3GND
4D+
5D-
6VDD 7
REGIN
8VBUS
9RST/C2CK
10 P3.0/C2D
11 P2.7
12 P2.6
13 P2.5
14 P2.4
15 P2.3
16 P2.2
17 P2.1
18 P2.0
19
P1.7
20
P1.6
21
P1.5
22
P1.4
23
P1.3
24
P1.2
25
P1.1
26
P1.0
27
P0.7
28
P0.6
29
P0.5
30
P0.4
31
P0.3
32
P0.2
U6
C8051F342-GQ
1
VSS 2
VDD 3
NC 4
RS 5
R/W 6
E7
DBO 8
DB1 9
DB2 10
DB3 11
DB4 12
DB5 13
DB6 14
DB7 15
BLA 16
BLK
LCD1
LCD 16P LMB162AFC-2
LCD
R37
0
R38
0
R42
0
C22
0.1uF
X7R
C23
0.1uF
X7R C24
47uF
ELEC
C25
0.1uF
X7R
1
+5V 2
D- 3
D+ 4
GND
5
GND
6
GND
J24
292304-1
USB
C26
22pF
4
3
1
2
D5
SP0503BAHTG
12
34
56
78
910
J25
HDR5X2
JTAG/C2
1
5
3
S1
RESET
R44
1K
C27
0.1uF
X7R
C28
1UF
X7R
R45 1K R461K
J26 1
2
J27
1
5
3
S2
SWITCH
R47
5.1K
C29
0.1uF
X7R
12
D6
RED
EVENT
R48
680
12
Z2
6.8V
TP10
+3.3V_1
JP1
JP2
JP3
JP4
JP5
JP6
JP7
JP8
R43
0
R56
0
NO POP
1
2
3
4
5
6
7
8
9
10
11
12
13
14
15
16
J22
HDR16X1-ML-TH
R57 20
TX
RX
DO1
LCD_E
LCD_R/W
LCD_RS
LCD_E
LCD_R/W
LCD_RS
+3.3V_1
+3.3V_1
+3.3V_1
+3.3V_1
USB_+5V
USB_+5V
+3.3V_1
+3.3V_1
GND1
GND1
GND1
GND1
GND1
GND1
GND1GND1
GND1
GND1
GND1 GND1
GND1 GND1
RESET
RESET
GND1
GND1
+5V
Figure 35. Schematic - Microcontroller and USB Interface
.-. W 0&3 [A 1} [mm mm vomci N n m m n: .w w) m . mun- lul IEII MEL um n u w I mum ax mm mm mm mm: W EL m/vru my Amara: MGH VOLTAGE in!” CDBS490U ‘3‘ m '5? m 91907 mama:
CDB5490U
42 DS923DB5
APPENDIX C. LAYER PLOTS
Figure 36. Top Silkscreen
fir/f" 55.»: 000000000ooooooooooooooooooooo 000000000000Oooooooooooooooooo 000000000000oooooooooooooooooo 000000000000Oooooooooooooooooo ooooo0000000oooooooooooooooooo 000000000000oooooooooooooooooo 00000ooooooooooooooooooooooooo 000000000ooooooooooooooooooooo ._ ooooo000000000oooooooooooooooo hm‘COO000000OOOOOOOOOOOOOOOOOOOOO 91907 $088135
CDB5490U
DS923DB5 43
Figure 37. Top Routing
II III I‘ll II I. QENCM FOQQ
CDB5490U
44 DS923DB5
Figure 38. Bottom Routing
looooooooooooooo - - ' oIoooocoon-Innooooootantnnnnnn oo- 91907 mama:
CDB5490U
DS923DB5 45
Figure 39. Solder Paste Mask
_—. _— _— _— a CIRRUS LOGIC DB1 APR 2011 Initial Release. DB2 DEC 2011 Updated screen shots and circuit diagrams to align with BO silicon. DBS JAN 2012 Corrected typographical errors. D84 MAR 2012 Updated content. DBS APR 2012 Updated screen shots and circuit diagrams to align with B2 silicon.
CDB5490U
46 DS923DB5
REVISION HISTORY
Revision Date Changes
DB1 APR 2011 Initial Release.
DB2 DEC 2011 Updated screen shots and circuit diagrams to align with B0 silicon.
DB3 JAN 2012 Corrected typographical errors.
DB4 MAR 2012 Updated content.
DB5 APR 2012 Updated screen shots and circuit diagrams to align with B2 silicon.