Funksteuerung von linear gedimmten LED-Treibern
Zur Verfügung gestellt von DigiKey
2013-10-17
Trotz der Anfangsinvestition hat sich die Festkörper-Beleuchtung aufgrund der Einsparungen bei Energieverbrauch und Wartung sowie dank ihres flexiblen Designs als wirtschaftliche Alternative zu konventionellen Technologien bewährt. Zudem können mit aktiver Intelligenz weitere Energieeinsparungen erzielt werden, zum Beispiel mit Anwesenheits- und Umgebungslichtsensoren sowie externen Dimmsteuerungen zur Vermeidung von übermäßiger Beleuchtung. Angesichts der breiten Palette an LED-Treibern mit Konstantstrom, die einen Eingang von 0-10 V DC für die Dimmsteuerung benötigen, konzentriert sich der vorliegende Artikel auf die Verwendung dieser Treiber mit einer Funkschnittstelle.
Das Gesamtkonzept ist relativ unkompliziert. Ein Datenstrom, der die gewünschte Steuerspannung enthält, wird übertragen und von einem Modul empfangen, das so konfiguriert wurde, dass es als transparente RS-232-Schnittstelle zu einem Microcontroller fungiert. Der Microcontroller wiederum interpretiert den Datenstrom und lädt die entsprechenden Werte in die Datenregister eines Digital-Analog-Wandlers, damit die gewünschte Steuerspannung herbeigeführt wird.
Aufgrund der weitverbreiteten Nutzung von Geräten wie Laptops, Tablets und Mobiltelefonen wurde das Verbindungsprotokoll Bluetooth zur Übertragung des Datenstroms mit der Steuerspannung ausgewählt. Auf der Empfangsseite wurde die Evaluierungskarte 876-1005-ND in dem Modul PAN1555 von Panasonic ausgewählt – ausschlaggebend hier waren die Vielseitigkeit und die einfache Verwendung beim Prototyping.
Der Microcontroller wurde anhand der Kriterien 3,3-V-Betrieb, vorhandener USART (programmierbarer interner Oszillator) und ausreichende, aber nicht übermäßige E/A-Aktivität ausgewählt. Im Hinblick auf zukünftige Umsetzungen mit PWM zur Steuerung und Speicherung nicht flüchtiger Daten wurden zudem die Kriterien PWM und EEPROM zu den Anforderungen hinzugefügt. Schließlich fiel die Entscheidung auf den Microcontroller PIC12F1822-I/P-ND.
Die Anforderungen an den Digital-Analog-Wandler lauteten eine einzelne Stromversorgung, eine Ausgangsspannung von mindestens 10 V, eine serielle Schnittstelle, eine Auflösung von 12 Bit sowie ein externer Referenzeingang. Der LTC1257IN8#PBF-ND erwies sich schließlich als geeigneter Kandidat.
Damit der Digital-Analog-Wandler den benötigten Ausgangsbereich bereitstellen kann, ist ein Spannungsbezug von 10 V erforderlich. Dementsprechend wurde der LM4040CIZ-10.0/NOPB-ND ausgewählt – aufgrund seiner Toleranz von ±0,5 %, dem TO-92-Gehäuse und seiner Ausgangsstrombelastbarkeit von 15 mA.
Bei der Wahl der Stromversorgung für den Schaltkreis wurden verschiedene Kriterien berücksichtigt. So muss als erstes Kriterium die Versorgungsspannung ausreichend sein, damit der Digital-Analog-Wandler einen 10-V-Ausgang bereitstellen kann. Nach den Spezifikationen des LTC1257 muss die VCC 2,7 V über der Referenzspannung (10 V) liegen, sodass die Wahl einer 15-V-Versorgung angemessen schien. Der Wunsch nach einer platinenmontierbaren Versorgung mit Gehäuse und minimalem Platzbedarf sowie einem Ausgangsstrom von mindestens 200 mA mündete in der Wahl des Strommoduls 945-1068-ND von RECOM Power.
Während der Digital-Analog-Wandler direkt von der 15-V-Versorgung mit Strom versorgt wird, benötigt das Bluetooth-Modul eine 3,3-V-Versorgung, mit der auch der Microcontroller versorgt wird. Da ein Herunterregeln von 15 V auf 3,3 V mit einem linearen Regler ineffizient wäre, wurde der 945-1648-5-ND ausgewählt, da es sich bei diesem um einen Schaltregler mit geringem Platzbedarf, einer maximalen Eingangsspannung von 28 V und einem 500-mA-Ausgang handelt.
Für die Stromversorgung externer Bauteile wie der aktiven Kühlung wurde der 945-1648-5-ND ausgewählt, um eine Versorgung mit 5 V bereitzustellen. Auch hier war wieder ausschlaggebend, dass es sich dabei um einen Schaltregler mit einer maximalen Eingangsspannung von 28 V und einem 500-mA-Ausgang handelt. Zusammen mit dieser 5-V-Versorgung wurde der „Rail-Splitter“ 296-6549-5-ND ausgewählt, um eine Spannung bereitzustellen, die die Hälfte des Ausgangs des Digital-Analog-Wandlers beträgt und damit der linearen Steuerung der mit 5 V versorgten Bauteile entspricht bzw. diese ermöglicht. Für die Verbindung zur Spannung der 5-V-Versorgung und des „Rail-Splitters“ wurde die Klemmleiste mit der Teilenummer 277-1274-ND verwendet.
Um den Anschluss an die Wechselstrom-Versorgung und die Drähte der LED-Treiber mit Konstantstrom unterzubringen, wurde die Klemmleiste mit der Teilenummer 277-1247-ND ausgewählt. Entscheidend waren hier der Abstand von 0,200” (5,08 mm), die Eignung für 14-30 AWG-Drähte und die Strombelastbarkeit von bis zu 10 A.
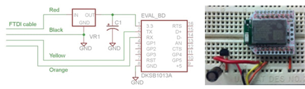
Das gesamte Schaltbild mit den oben aufgeführten Bauteilen und zusätzlichen Komponenten ist in Abbildung 1 zu sehen.
Wie bereits angemerkt, muss die Bluetooth-Evaluierungskarte PAN1555 als transparente RS-232-Schnittstelle zum Microcontroller konfiguriert werden, und der Microcontroller muss wiederum so programmiert werden, dass er den Datenstrom mit der Steuerspannung empfangen und entsprechend in die Register des Digital-Analog-Wandlers übertragen kann. Ebenso muss auch ein Mittel gefunden werden, um die Steuerspannung an das Bluetooth-Modul zu übertragen.
Für den Einsatz in dieser konkreten Anwendung müssen die werkseitig gesetzten Standardeinstellungen des Bluetooth-Moduls PAN1555 von Panasonic auf der Evaluierungskarte neu konfiguriert werden. Dies wird mithilfe von AT-Befehlen erreicht, die über eine drahtgebundene RS-232-Schnittstelle gesendet werden. Die Verwendung eines „intelligenten“ USB-Kabels wie dem TTL-232R-3V3-WE vereinfacht dabei die Aufgabe. Bei der Verwendung dieses Kabels sind zwei wichtige Überlegungen zu beachten. Erstens müssen, um den FT232R in dem Kabel als virtuellen COM-Port fungieren zu lassen, die kostenlosen USB-Treiber von FTDI heruntergeladen werden. Zweitens entspricht die VCC-Versorgungsspannung des Kabels der Spannung des USB-Ports und beträgt 5 V, obwohl die TTL-Pegel bei 3,3 V liegen. Um nun die Evaluierungskarte während der Konfiguration mit Strom zu versorgen, muss die Versorgungsspannung auf 3,3 V heruntergeregelt werden. Die Regelung erfordert dabei nur ein Komponentenpaar, zum Beispiel die Kombination des 3,3-V-Reglers L4931CZ33-AP und des 2,2-μF-Kondensators EEA-GA1H2R2, zu sehen in Abbildung 2.

Eine ausführliche Schritt-für-Schritt-Anleitung zur Konfigurierung des Bluetooth-Moduls findet sich auf eewiki.com unter dem folgenden Link: Konfiguration eines Bluetooth-Moduls.
Vor einer eingehenden Beschäftigung mit den Besonderheiten bei der Programmierung des Microcontrollers, damit dieser den Datenstrom mit der Steuerspannung empfangen und interpretieren kann, muss zunächst das Format des zu übertragenden Datenstroms bestimmt werden. In dem vorliegenden Fall entschied man sich für das Format , das bisher für die Wetterstation von DigiKey verwendet wird. Das Format besteht aus einem Byte, das die übertragenden Informationen kennzeichnet, gefolgt von einem weiteren Byte, das die Übertragung kennzeichnet, sowie drei folgenden Datenbyte. Dabei enthält das Byte, das die übertragenden Informationen kennzeichnet, ein „D“ für Daten, das die Übertragung kennzeichnende Byte lautet standardmäßig „1“, da nur ein einzelner Prozentsatz übertragen wird, und die drei Datenbytes bestehen aus Hunderter-, Zehner- und Einer-Werten für die gewünschte D/A-Spannung. Ein Beispiel: Ein Prozentsatz von 75 % würde als „D1075“ übertragen.
Nach der Festlegung des Formats, in dem die Prozentangaben gesendet werden, kann der Microcontroller jetzt so programmiert werden, dass er den Datenstrom entsprechend behandelt. Die Programmierung besteht aus den folgenden Schritten: Festlegen der Konfigurationswörter (Bits), Definition der Variablen und konkreten Registerbits, Festlegen der E/A-Konfiguration und Initialisierung des UART. Ein einfacher, aber funktionaler Assembly-Quellcode für den Empfang des Datenstroms und die Verwendung von Bit-Banging zum Laden des Digital-Analog-Wandlers findet sich auf eewiki.com unter dem folgenden Link: Assembly-Quellcode & Hex-Datei.
Hierbei ist zu beachten, dass das Programm für diese Anwendung nur für die Interpretation und das Laden des Digital-Analog-Wandlers mit Prozentsätzen von 0 % bis 100 % in 10 %-Schritten geschrieben wurde.
Die Übertragung des die Steuerspannung enthaltenen Datenstroms mithilfe weitverbreiteter Geräte wie Laptops und Mobiltelefone ist eine relativ einfache Angelegenheit. Was Mobiltelefone angeht, so muss hierfür lediglich eine App gefunden werden, die als serieller Port fungiert. Bei Geräten, die mit dem Betriebssystem Android ausgestattet sind, empfiehlt sich die Verwendung der App Bluetooth SSP, die bei Google Play zu finden ist. Sobald das Mobiltelefon mit dem Bluetooth-Modul PAN1555 verbunden und angeschlossen ist, kann der Endanwender einen sogenannten „Tastatur-Modus“ auswählen, bei dem 12 Tasten so bezeichnet und konfiguriert werden können, dass ein bestimmter Datenstrom gesendet wird, z. B. „D1050“ (50 %). Unten stehend wird ein Beispielbildschirm gezeigt, bei dem die Tasten bezeichnet und konfiguriert wurden.

Die zweite Möglichkeit, den Datenstrom mit der Steuerspannung zu übertragen, diesmal mithilfe eines Bluetooth-fähigen Laptops, besteht in der Verwendung von Microsoft Visual Studio Express™. Als erster Schritt wird das Bluetooth-Modul PAN1555 mit dem Laptop verbunden, wobei die COM-Port-Nummer zu beachten ist, die auf dem Laptop für den Anschluss „Standard Serial over Bluetooth link” erstellt wird. Die Funkschnittstelle wird erzeugt, indem eine Windows Forms-Anwendung im Rahmen von Visual Basic TM erstellt wird, wie sie unten zu sehen ist. Diese verwendet einen seriellen Port und enthält Schaltflächen und Grafiken zu den Ressourcen, damit die Übertragung des Datenstroms mit der Steuerspannung initiiert werden kann.

Das vollständige Visual Basic-Projekt findet sich auf eewiki.com unter dem folgenden Link: Beispiel für eine Visual Basic-Schnittstelle.
Die Funkschnittstelle zur Übertragung des Datenstroms und die Empfangsschaltung ermöglichen die Verbindung zu praktisch jedem LED-Treiber mit Konstantstrom, der einen Eingang von 0-10 V DC für die Dimmsteuerung benötigt.
Ein möglicher Treiber ist der LXMG221W-0700034-D0-ND. Aufgrund seiner kompakten Größe, einem Universal-Eingangsspannungsbereich (90-277 V AC), einem Konstantstrom-Ausgang von 700 mA, einem breiten Ausgangsspannungsbereich (14-48 V DC) und einem Eingangssteuerbereich von 1-10 V stellt er eine ausgezeichnete Wahl dar. Besonders bemerkenswert ist sein Stromsparmodus, bei dem die LEDs ausgeschaltet werden, wenn die Steuerspannung unter 0,6 V (max.) fällt.
Im Interesse einer vollständigen Pseudo-Beleuchtungslösung mit Funksteuerung wurden auch die verbliebenen Konstruktionskriterien für eine LED berücksichtigt: thermisch leitfähiges Kontaktmaterial, ein Kühlkörper, die Optik und Verbindungen.
Die persönliche Vorliebe für die Verwendung eines kaltweißen LED-Arrays (5000K) mit einem Lichtstrom von über 1000 Lumen bei einem mäßigen Teststrom und einer Durchlassspannung am oberen Ende der Ausgangsspannung des Treibers führte zur Wahl des CXA2011-0000-000P00J050H-ND.
Da ein thermisch leitfähiges Kontaktmaterial mit außergewöhnlicher thermischer Leitfähigkeit benötigt wurde und bei dieser Wahl gleichzeitig die physischen Abmessungen des LED-Arrays (22 mm2) zu bedenken waren, wurde das 1168-2063-ND gewählt.
Die LED verfügt über eine Durchlassspannung von circa 43,8 V bei 700 mA, weshalb ein für mindestens 31 W geeigneter Kühlkörper gefordert war. Der Wunsch nach einer runden Form mit aktiver Kühlung sowie nach einer einfachen Montage und Installation führte schließlich zur Wahl des 1061-1088-ND, einem 40-W-Universal-Kühlkörper. Um die aktive Kühlung des Kühlkörpers zu ermöglichen, wurden das SynJet-Modul 1061-1006-ND und der Kabelbaum 1061-1050-ND ausgewählt.
Die letzten beiden Konstruktionskriterien – Optik und Verbindungen – wurden mithilfe des LED-Halters WM4788-ND gelöst. Unter dem Blickwinkel der Verbindung macht der Halter nicht nur das Anlöten auf dem LED-Array überflüssig, sondern ermöglicht auch eine direkte Befestigung auf dem 4-40-Lochbild des Kühlkörpers. Die Linsenabdeckung mag nicht die perfekte Optiklösung sein, sorgt aber für eine gewisse Lichtverteilung und schützt das LED-Array.

Während das Ziel von Funkschnittstelle und Empfangsschaltung darin besteht, die Dimmsteuerung für eine bestimmte Beleuchtungsanwendung zu übernehmen, kann ein solcher Aufbau auch dazu dienen, verschiedene Kombinationen von LEDs, Kontaktmaterialien, Kühlkörpern und LED-Treibern bei unterschiedlich starkem Ansteuerungsstrom zu testen und zu bewerten und so zu einer optimalen Leistung zu finden.
Haftungsausschluss: Die Meinungen, Überzeugungen und Standpunkte der verschiedenen Autoren und/oder Forumsteilnehmer dieser Website spiegeln nicht notwendigerweise die Meinungen, Überzeugungen und Standpunkte der DigiKey oder offiziellen Politik der DigiKey wider.






