MPQ3369-AEC1 Synchronous Step-UpConverter
MPS’ MPQ3369-AEC1 1 A to 3 A, synchronous step-up converter with soft-start and power good
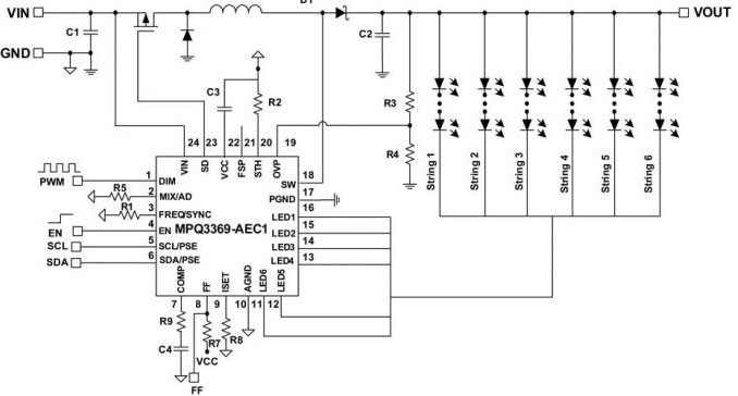
The MPQ3369-AEC1 from Monolithic Power Systems is a step-up converter with six channel current sources designed to drive white LED arrays as backlighting in small-to-midsize LCD panels. The MPQ3369-AEC1 uses peak current mode as its PWM control architecture to regulate the boost converter. Six channel current sources are applied to the LED cathode to adjust the LED brightness. The device regulates each LED string's current to the value set via an external current-setting resistor with 2.5% current regulation accuracy between strings. The MPQ3369-AEC1 employs a low on-resistor MOSFET and a low headroom voltage, designed for higher efficiency. It has a standard I2C digital interface for ease of use, and the switching frequency can be programmed by a resistor, I2C interface, or external clock. The device provides analog, PWM, and mix dimming mode with a PWM input. The dimming mode can be selected with the I2C interface or the MIX/AD pin. It also has a phase shift function to eliminate noise during PWM dimming. Robust protections are included to guarantee the safe operation of the device. Protection modes include overcurrent protection (OCP), overvoltage protection (OVP), overtemperature protection (OTP), LED short, and open protection. There is also an option that automatically decreases the LED current at higher temperatures, and the device is available in QFN-24 (4 mm x 4 mm) and TSSOP28-EP packages..
- 3.5 V to 36 V input voltage range
- 6 channels with max 100 mA per channel
- Internal 100 mΩ, 50 V MOSFET
- Programmable up to 2.2 MHz fSW
- External sync SW function
- Multi-dimming operation mode through PWM input, including:
- Direct PWM dimming
- Analog dimming
- Mix dimming with 25%/12.5% transfer point
- 15000:1 dim ratio in PWM dim at fPWM ≤ 200 Hz
- 200:1 dim ratio at analog dim through PWM dim signal input
- Excellent EMI performance, frequency spread spectrum
- Phase shift function for PWM dimming
- 2.5% current matching
- Cycle-by-cycle current limit
- Disconnect VOUT from VIN
- Optional LED current auto-decrement at high temperature
- LED short/open, OTP, OCP, inductor short protection
- Programmable LED short threshold
- Programmable OVP threshold
- Fault indicator signal output
- AEC-Q100 qualified
- Available in QFN-24 (4 mm x 4 mm) and TSSOP28-EP packages
- AEC-Q100 qualified
- I2C interface
- Tablets/notebooks
- Automotive displays
MPQ3369-AEC1 Synchronous Step-Up Converter
| Image | Manufacturer Part Number | Description | Available Quantity | Price | View Details | |
|---|---|---|---|---|---|---|
![]() | ![]() | MPQ3369GF-AEC1-Z | IC LED DRIVER RGLTR PWM 28TSSOP | 14940 - Immediate 5000 - Factory Stock | $3.48 | View Details |
![]() | ![]() | MPQ3369GR-AEC1-Z | IC LED DRIVER RGLTR PWM 24QFN | 6794 - Immediate | $3.42 | View Details |
![]() | ![]() | MPQ3369GR-Z | IC LED DRV RGLTR PWM 100MA 24QFN | 0 - Immediate | $3.07 | View Details |
![]() | ![]() | EVQ3369-R-01A | EVAL BOARD FOR MPQ3369 | 1 - Immediate | $86.95 | View Details |
![]() | ![]() | EVQ3369-R-00A | EVAL BOARD FOR MPQ3369 | 4 - Immediate | $86.95 | View Details |






