Orders are typically delivered to Austria within 48 hours depending on location.
Free delivery to Austria on orders of $60 USD or more. A delivery charge of $22 USD will be billed on all orders less than $60 USD.
UPS freight pre-paid: DDP (Duty and customs paid by DigiKey)
FedEx or DHL freight pre-paid: CPT (Duty, customs, and VAT due at time of delivery)
Credit account for qualified institutions and businesses
Payment in Advance by Wire Transfer
![]()
![]()
![]()
![]()
![]()


More Products From Fully Authorized Partners
Average Time to Ship 1-3 Days, extra ship charges may apply. Please see product page, cart, and checkout for actual ship speed.
Incoterms: CPT (Duty, customs, and applicable VAT/Tax due at time of delivery)
For more information visit Help & Support
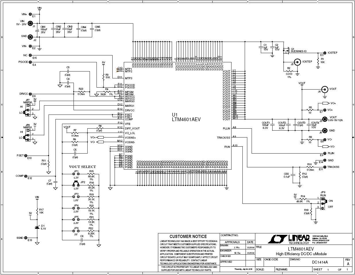
Demonstration circuit 1414 features the LTM®4601AEV, a high efficiency, high density switch mode step-down power module. The DC1414A accepts an input voltage from 5V to 20V to deliver a jumper selectable output voltage from 1.2V to 5V at up to 12A. As shown in the data sheet, derating is necessary for certain VIN, VOUT, and thermal conditions.
The LTM4601A allows the user to program output ramp-up and ramp-down through the TRACK/SS pin. The output can be set to coincidentally or ratiometrically track with another voltage rail. This board also supports demonstration of the output voltage margining function by ±5% from nominal which is determined by the state of the MARGN0 and MARGN1 pins. Refer to the LTM4601A data-sheet for additional information.
| Manufacturer | Analog Devices Inc. |
|---|---|
| Category | AC/DC and DC/DC Conversion |
| Sub-Category | DC/DC SMPS - Single Output |
| Eval Board |
Board not Stocked
|
| Topology |
Step Down
|
| Outputs and Type |
1 Non-Isolated
|
| Voltage Out: Factory Set |
1.2 V
1.5 V 1.8 V 2.5 V 3.3 V 5 V |
| Current Out |
12 A
|
| Voltage In |
5 ~ 20 V
|
| Efficiency @ Conditions |
>91%, 12V in, 5V @ 3 ~ 12 A
>85%, 12V in, 2.5V @ 3 ~ 12 A |
| Voltage Out Range |
0.6 ~ 5 V
|
| Features |
Current Foldback Protection
Internal Inductor Over Current Protection Over Voltage Protection Power Good Output Remote Sensing Shutdown, Enable, Standby Soft Start Synchronizable |
| Switching Frequency |
850 kHz
|
| Standby Current [Typical] | |
| Quiescent Current [Typical] |
3.8 mA
|
| Component Count + Extras |
14 + 48
|
| Internal Switch |
Yes
|
| Design Author |
Linear Technology
|
| Application / Target Market |
Computers
Telecom |
| Standby Current [Maximum] | |
| Quiescent Current [Maximum] |
38 mA
|
| Main I.C. Base Part |
LTM4601A
|
| Date Created By Author | |
| Date Added To Library | 2011-03 |
Co-Browse
By using the Co-Browse feature, you are agreeing to allow a support representative from DigiKey to view your browser remotely. When the Co-Browse window opens, give the session ID that is located in the toolbar to the representative.
DigiKey respects your right to privacy. For more information please see our Privacy Notice and Cookie Notice.
Yes, Continue to Co-BrowseGet fast and accurate answers from DigiKey's Technicians and Experienced Engineers on our TechForum.
Please visit the Help & Support area of our website to find information regarding ordering, shipping, delivery and more.
Registered users can track orders from their account dropdown, or click here. *Order Status may take 12 hours to update after initial order is placed.
Users can begin the returns process by starting with our Returns Page.
Quotes can be created by registered users in myLists.
Visit the Registration Page and enter the required information. You will receive an email confirmation when your registration is complete.
Orders are typically delivered to Austria within 48 hours depending on location.
Free delivery to Austria on orders of $60 USD or more. A delivery charge of $22 USD will be billed on all orders less than $60 USD.
UPS freight pre-paid: DDP (Duty and customs paid by DigiKey)
FedEx or DHL freight pre-paid: CPT (Duty, customs, and VAT due at time of delivery)
Credit account for qualified institutions and businesses
Payment in Advance by Wire Transfer
![]()
![]()
![]()
![]()
![]()


More Products From Fully Authorized Partners
Average Time to Ship 1-3 Days, extra ship charges may apply. Please see product page, cart, and checkout for actual ship speed.
Incoterms: CPT (Duty, customs, and applicable VAT/Tax due at time of delivery)
For more information visit Help & Support
Thank you!
Keep an eye on your inbox for news and updates from DigiKey!
Please enter an email address