Orders are typically delivered to Austria within 48 hours depending on location.
Free delivery to Austria on orders of $60 USD or more. A delivery charge of $22 USD will be billed on all orders less than $60 USD.
UPS freight pre-paid: DDP (Duty and customs paid by DigiKey)
FedEx or DHL freight pre-paid: CPT (Duty, customs, and VAT due at time of delivery)
Credit account for qualified institutions and businesses
Payment in Advance by Wire Transfer
![]()
![]()
![]()
![]()
![]()


More Products From Fully Authorized Partners
Average Time to Ship 1-3 Days, extra ship charges may apply. Please see product page, cart, and checkout for actual ship speed.
Incoterms: CPT (Duty, customs, and applicable VAT/Tax due at time of delivery)
For more information visit Help & Support
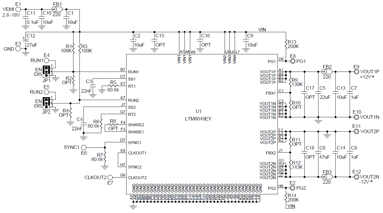
Demonstration circuit 2244A features the LTM®8049, a dual SEPIC or inverting µModule® regulator. The demo circuit is configured as two stand-alone DC/DC converters with +12.0V and -12V output voltages from an input voltage up to 20V. The switching frequencies of both channels are set at 1MHz on DC2244A. The frequency foldbacks when the output is 15% below the target regulation point during a fault or output overload, thus protects the power switch from damage.
Both channels can be configured as either SEPIC or inverting by simply grounding the appropriate output rail, component change, and/or PCB board cut. The maximum output current of each channel varies with the input voltage, and is 1A at 12VIN. The two channels can be paralleled for higher output current with SHARE1, SHARE2 pins tied together. See the Quick Start Procedure for more information on the modification of the board, and paralleling of two outputs.
The LTM8049 data sheet gives complete description of the device, operation and application information. The data sheet must be read in conjunction with this demo manual prior to working on or modifying demo circuit 2244A.
| Manufacturer | Analog Devices Inc. |
|---|---|
| Category | AC/DC and DC/DC Conversion |
| Sub-Category | DC/DC SMPS - Multi Output |
| Eval Board Part Number | 505-DC2244A-ND |
| Eval Board Supplier | Analog Devices Inc. |
| Eval Board |
Normally In Stock
|
| Topology |
Step Up/Down
|
| Outputs and Type |
2 Non-Isolated
|
| Voltage Out: Highest Current First |
±12V
|
| Current Out |
1A per Channel
|
| Voltage In |
2.8 ~ 18 V
|
| Efficiency @ Conditions |
>81%, 12V in, 12V @ 0.4 ~ 1.2 A (1 MHz)
>80%, 12V in, 12V @ 0.45 ~ 1.2 A (1.5 MHz) |
| Voltage Out Range |
2.5 ~ 24 V, -2.5 ~ -24 V
|
| Features |
Current Limit (Adj. or Fixed)
Power Good Output Shutdown, Enable, Standby Synchronizable Under Voltage Protection, Brown-Out |
| Switching Frequency |
200 kHz ~ 2.5 MHz
|
| Standby Current [Typical] |
0 µA
|
| Quiescent Current [Typical] |
10 mA
|
| Component Count + Extras |
27 + 20
|
| Internal Switch |
Yes
|
| Design Author |
Linear Technology
|
| Application / Target Market |
Portable Devices
Power: Auxiliary Power Supply RF: LNA Power |
| Standby Current [Maximum] |
2 µA
|
| Quiescent Current [Maximum] |
- Not Given
|
| Main I.C. Base Part |
LTM8049
|
| Date Created By Author | 2016-10 |
| Date Added To Library | 2017-01 |
Co-Browse
By using the Co-Browse feature, you are agreeing to allow a support representative from DigiKey to view your browser remotely. When the Co-Browse window opens, give the session ID that is located in the toolbar to the representative.
DigiKey respects your right to privacy. For more information please see our Privacy Notice and Cookie Notice.
Yes, Continue to Co-BrowseGet fast and accurate answers from DigiKey's Technicians and Experienced Engineers on our TechForum.
Please visit the Help & Support area of our website to find information regarding ordering, shipping, delivery and more.
Registered users can track orders from their account dropdown, or click here. *Order Status may take 12 hours to update after initial order is placed.
Users can begin the returns process by starting with our Returns Page.
Quotes can be created by registered users in myLists.
Visit the Registration Page and enter the required information. You will receive an email confirmation when your registration is complete.
Orders are typically delivered to Austria within 48 hours depending on location.
Free delivery to Austria on orders of $60 USD or more. A delivery charge of $22 USD will be billed on all orders less than $60 USD.
UPS freight pre-paid: DDP (Duty and customs paid by DigiKey)
FedEx or DHL freight pre-paid: CPT (Duty, customs, and VAT due at time of delivery)
Credit account for qualified institutions and businesses
Payment in Advance by Wire Transfer
![]()
![]()
![]()
![]()
![]()


More Products From Fully Authorized Partners
Average Time to Ship 1-3 Days, extra ship charges may apply. Please see product page, cart, and checkout for actual ship speed.
Incoterms: CPT (Duty, customs, and applicable VAT/Tax due at time of delivery)
For more information visit Help & Support
Thank you!
Keep an eye on your inbox for news and updates from DigiKey!
Please enter an email address