G6RN(-E) Power PCB Relays
Omron expands its G6RN power PCB relay range with the G6RN-E higher capacity type
Omron's G6RN relays provide a miniature PCB terminal relay option for designs requiring 8 A to 10 A switching current capability.
G6RN-E is a high-capacity, explosion-proof addition to the G6RN family, providing conformation to IEC/EN60079-15. These models are ideal candidates for switching in flammable gas environments. They offer high dielectric strength and electrical endurance under their rated loads.
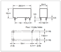
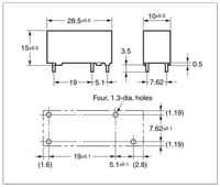
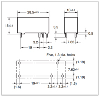
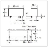
- Low-profile height of 15 mm
- 8 A rating for G6RN and 10 A at 250 VAC N.O. rating for G6RN-E versions
- High sensitivity with 220 mW power consumption
- Offers high insulation with insulation distance of 8 mm and impulse withstand voltage of 10 kV between coil and contacts
- High dielectric strength of 4,000 VAC between coil and contacts for G6RN and 6,000 VAC for G6RN-E
- Satisfies ambient operating temperature requirement of +85°C
- Standard models conform to VDE standards
- G6RN-E version meets the international safety standard for resistance to ignition
- G6RN-E version meets the explosion-proof certification IEC60079-15
- Heat pumps
- Boilers
- Air conditioners
- Industrial machinery
- Factory automation
- Inverters
G6RN and G6RN-E Power PCB Relays
| Image | Manufacturer Part Number | Description | Coil Voltage | Contact Form | Available Quantity | Price | View Details | |
|---|---|---|---|---|---|---|---|---|
![]() | ![]() | G6RN-1A DC5 | RELAY GENERAL PURPOSE SPST 8A 5V | 5VDC | SPST-NO (1 Form A) | 4086 - Immediate | $4.24 | View Details |
![]() | ![]() | G6RN-1A DC12 | RELAY GEN PURPOSE SPST 8A 12V | 12VDC | SPST-NO (1 Form A) | 967 - Immediate | $2.81 | View Details |
![]() | ![]() | G6RN-1 DC12 | RELAY GEN PURPOSE SPDT 8A 12V | 12VDC | SPDT (1 Form C) | 14126 - Immediate 4400 - Factory Stock | $3.71 | View Details |
![]() | ![]() | G6RN-1A DC24 | RELAY GEN PURPOSE SPST 8A 24V | 24VDC | SPST-NO (1 Form A) | 1140 - Immediate | $2.50 | View Details |
![]() | ![]() | G6RN-1 DC5 | RELAY GEN PURPOSE SPDT 8A 5V | 5VDC | SPDT (1 Form C) | 2150 - Immediate 28000 - Factory Stock | $3.74 | View Details |
![]() | ![]() | G6RN-1 DC24 | RELAY GEN PURPOSE SPDT 8A 24V | 24VDC | SPDT (1 Form C) | 4303 - Immediate 22000 - Factory Stock | $3.86 | View Details |
![]() | ![]() | G6RN-1 DC48 | RELAY GEN PURPOSE SPDT 8A 48V | 48VDC | SPDT (1 Form C) | 780 - Immediate | $5.23 | View Details |
![]() | ![]() | G6RN-1 DC9 | RELAY GENERAL PURPOSE SPDT 8A 9V | 9VDC | SPDT (1 Form C) | 294 - Immediate | $3.25 | View Details |
![]() | ![]() | G6RN-1 DC18 | RELAY GEN PURPOSE SPDT 8A 18V | 18VDC | SPDT (1 Form C) | 4 - Immediate | $4.40 | View Details |
![]() | ![]() | G6RN-1A-AP4 DC24 | RELAY GEN PURPOSE SPST 8A 24V | 24VDC | SPST-NO (1 Form A) | 215 - Immediate | $4.90 | View Details |
![]() | ![]() | G6RN-1-AP4 DC24 | RELAY GEN PURPOSE SPDT 8A 24V | 24VDC | SPDT (1 Form C) | 89 - Immediate | $3.54 | View Details |
![]() | ![]() | G6RN-1A DC6 | RELAY GEN PURPOSE SPST 8A 6V | 6VDC | SPST-NO (1 Form A) | 224 - Immediate | $2.28 | View Details |
![]() | ![]() | G6RN-1 DC6 | RELAY GENERAL PURPOSE SPDT 8A 6V | 6VDC | SPDT (1 Form C) | 430 - Immediate | $2.95 | View Details |
![]() | ![]() | G6RN-1-AP4 DC12 | RELAY GEN PURPOSE SPDT 8A 12V | 12VDC | SPDT (1 Form C) | 141 - Immediate | $6.44 | View Details |
![]() | ![]() | G6RN-1A7-E-ASI-CF-HA DC6 | 1FORMA 10A, 250VAC PCB RELAY | 6VDC | SPST-NO (1 Form A) | 1195 - Immediate 400 - Factory Stock | $2.38 | View Details |
![]() | ![]() | G6RN-1A7-E-ASI-CF-HA DC5 | 1FORMA 10A, 250VAC PCB RELAY | 5VDC | SPST-NO (1 Form A) | 1152 - Immediate | $2.33 | View Details |
![]() | ![]() | G6RN-1A7-E-ASI-CF-HA DC12 | 1FORMA 10A, 250VAC PCB RELAY | 12VDC | SPST-NO (1 Form A) | 3200 - Immediate | $2.56 | View Details |
![]() | ![]() | G6RN-1A7-E-ASI-CF-HA DC24 | 1FORMA 10A, 250VAC PCB RELAY | 24VDC | SPST-NO (1 Form A) | 874 - Immediate | $2.04 | View Details |
![]() | ![]() | G6RN-17-E-ASI-CF-HA DC24 | 1FORMC 10A, 250VAC PCB RELAY | 24VDC | SPDT (1 Form C) | 869 - Immediate | $2.50 | View Details |
![]() | ![]() | G6RN-17-E-ASI-CF-HA DC12 | 1FORMC 10A, 250VAC PCB RELAY | 12VDC | SPDT (1 Form C) | 834 - Immediate | $2.70 | View Details |








