Battery Monitoring Circuits
ABLIC’s cascade connection realizes protection of six serial or greater cell count lithium-ion rechargeable battery packs
ABLIC's S-8245A series is a protection IC for three-serial to five-serial cell lithium-ion rechargeable batteries, which includes high-accuracy voltage detection circuits and delay circuits. It is suitable for protecting three-serial to five-serial cell lithium-ion rechargeable battery packs from overcharge, over-discharge, and overcurrent.
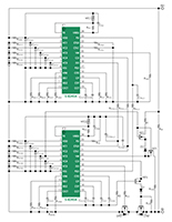
Cascade connection using the S-8245A series realizes protection of six-serial or greater cell count lithium-ion rechargeable battery packs. Connecting an NTC will allow for temperature detection at four different points: high-temperature detection during charging, low-temperature detection during charging, high-temperature detection during discharging, and low-temperature detection during discharging.
Below is a circuit example showing how a cascade connection of the IC can be used to protect a six-serial or greater cell count lithium-ion rechargeable battery pack.
- Overcharge and over-discharge protection
- Three-level discharge overcurrent detection (discharge overcurrent 1 detection, discharge overcurrent 2 detection, load short-circuiting detection)
- Charge overcurrent detection
- Temperature detection is possible at four different points by connecting and NTC (high-temperature detection ratio during charging/discharging, low-temperature detection ratio during charging/discharging)
- 0 V battery charge function is selectable (available or unavailable)
- Charge/discharge current control employs Nch FET low side control system
- Cordless power tools
- Cordless gardening tools
- Cordless cleaners
- Robot cleaners
- Portable storage batteries
- Drones
- UPS (uninterruptible power supplies)
S-8245A Series Battery Monitoring Circuits
| Image | Manufacturer Part Number | Description | Available Quantity | Price | View Details | |
|---|---|---|---|---|---|---|
![]() | ![]() | S-8245AAA-FGT1U | IC BATT PROT LI-ION 3-5CL 24SSOP | 0 - Immediate | $4.79 | View Details |
![]() | ![]() | S-8245AAB-FGT1U | BATTERY PROTECTION IC | 2490 - Immediate | $4.79 | View Details |
![]() | ![]() | S-8245AAC-FGT1U | BATTERY PROTECTION IC | 0 - Immediate | $4.79 | View Details |




