TPS2421-(1,2) Datasheet by Texas Instruments

V'.‘ I TEXAS INSTRUMENTS
CT
VOUT
VIN
EN FLT
PG
ISET
GND
R
CLOAD
CCT
Optional: To
System Monitor
37
2
4 5 6
1
8
VIN VOUT
RSET
Product
Folder
Order
Now
Technical
Documents
Tools &
Software
Support &
Community
An IMPORTANT NOTICE at the end of this data sheet addresses availability, warranty, changes, use in safety-critical applications,
intellectual property matters and other important disclaimers. PRODUCTION DATA.
TPS2421-1
,
TPS2421-2
SLUS907K –JANUARY 2009REVISED JUNE 2019
TPS2421-x 5-A, 20-V Integrated FET Hot Swap
1
1 Features
1 Integrated Pass MOSFET
Up to 20-V Bus Operation
Programmable Fault Current
Current Limit Proportionally Larger than Fault
Current
Programmable Fault Timer
Internal MOSFET Power Limiting
Latch-Off on Fault (TPS2421-1) and Retry
(TPS2421-2) Versions
SO-8 PowerPad™ Package
–40°C to +125°C Junction Temperature Range
UL2367 Recognized - File Number E169910
2 Applications
RAID Arrays
• Telecommunications
Plug-In Circuit Boards
Disk Drives
• SSDs
• PCIE
Fan Control
3 Description
The TPS2421 device provides highly integrated hot
swap power management and superior protection in
applications where the load is powered by busses up
to 20 V. The TPS2421 device is well suited to
standard bus voltages as low as 3.3 V because of the
maximum-UV turnon threshold of 2.9 V. These
devices are very effective in systems where a voltage
bus must be protected to prevent shorts from
interrupting or damaging the unit. The TPS2421
device is an easy to use devices in an 8-pin
PowerPad™ SO-8 package.
The TPS2421 device has multiple programmable
protection features. Load protection is accomplished
by a non-current limiting fault threshold, a hard
current limit, and a fault timer. The current dual
thresholds allow the system to draw short high
current pulses, while the fault timer is running, without
causing a voltage droop at the load. An example of
this is a disk drive startup. This technique is ideal for
loads that experience brief high demand, but benefit
from protection levels in-line with their average
current draw.
Hotswap MOSFET protection is provided by power
limit circuitry which protects the internal MOSFET
against SOA related failures.
The TPS2421 device is available in latch-off on fault
(TPS2421-1) and retry on fault (TPS2421-2).
Device Information(1)
PART NUMBER PACKAGE BODY SIZE (NOM)
TPS2421-1 HSOP (8) 4.89 mm × 3.90 mm
TPS2421-2
(1) For all available packages, see the orderable addendum at
the end of the data sheet.
Typical Application
l TEXAS INSTRUMENTS
2
TPS2421-1
,
TPS2421-2
SLUS907K –JANUARY 2009REVISED JUNE 2019
www.ti.com
Product Folder Links: TPS2421-1 TPS2421-2
Submit Documentation Feedback Copyright © 2009–2019, Texas Instruments Incorporated
Table of Contents
1 Features.................................................................. 1
2 Applications ........................................................... 1
3 Description ............................................................. 1
4 Revision History..................................................... 2
5 Device Comparison Table..................................... 5
6 Pin Configuration and Functions......................... 5
7 Specifications......................................................... 6
7.1 Absolute Maximum Ratings ...................................... 6
7.2 ESD Ratings.............................................................. 6
7.3 Recommended Operating Conditions....................... 6
7.4 Thermal Information.................................................. 6
7.5 Electrical Characteristics........................................... 7
7.6 Typical Characteristics.............................................. 9
8 Detailed Description............................................ 11
8.1 Overview ................................................................. 11
8.2 Functional Block Diagram....................................... 11
8.3 Feature Description................................................. 12
8.4 Device Functional Modes........................................ 13
8.5 Programming........................................................... 16
9 Application and Implementation ........................ 17
9.1 Application Information............................................ 17
9.2 Typical Application ................................................. 17
10 Power Supply Recommendations ..................... 20
10.1 PowerPad™.......................................................... 20
11 Layout................................................................... 21
11.1 Layout Guidelines ................................................. 21
11.2 Layout Example .................................................... 21
12 Device and Documentation Support ................. 22
12.1 Documentation Support ........................................ 22
12.2 Related Links ........................................................ 22
12.3 Receiving Notification of Documentation Updates 22
12.4 Community Resource............................................ 22
12.5 Trademarks........................................................... 22
12.6 Electrostatic Discharge Caution............................ 22
12.7 Glossary................................................................ 22
13 Mechanical, Packaging, and Orderable
Information ........................................................... 22
4 Revision History
NOTE: Page numbers for previous revisions may differ from page numbers in the current version.
Changes from Revision J (October 2016) to Revision K Page
Updated the VIN, VOUT Unit in the Electrical Characteristics table ...................................................................................... 7
Changes from Revision I (January 2015) to Revision J Page
Updated Maximum Allowable Load to Ensure Successful Startup section.......................................................................... 14
Updated Equation 6.............................................................................................................................................................. 14
Changes from Revision H (January 2014) to Revision I Page
Changed the package and ordering information to the Device Comparison Table ............................................................... 5
Added the I/O column to the Pin Functions table .................................................................................................................. 5
Added the ESD Ratings table and changed the CDM value From: 400V To: ±500V ........................................................... 6
Replaced the Dissipation Ratings table with the Thermal Information table.......................................................................... 6
Added the Detailed Description section................................................................................................................................ 11
Changed the PIN DESCRIPTION section to the Feature Description section..................................................................... 12
Added the Application and Implementation section ............................................................................................................ 17
Added the Power Supply Recommendations section .......................................................................................................... 20
Added Figure 23................................................................................................................................................................... 21
Changes from Revision G (May 2013) to Revision H Page
Deleted minimum voltage from voltage range in the document title, features list and description ........................................ 1
Added 5-A to document title................................................................................................................................................... 1
Changed listed to recognized in UL FEATURES bullet, also added specific UL number...................................................... 1
Added SSDs, PCIE, and Fan Control to the APPLICATIONS list.......................................................................................... 1
l TEXAS INSTRUMENTS
3
TPS2421-1
,
TPS2421-2
www.ti.com
SLUS907K –JANUARY 2009REVISED JUNE 2019
Product Folder Links: TPS2421-1 TPS2421-2
Submit Documentation FeedbackCopyright © 2009–2019, Texas Instruments Incorporated
Added maximum-UV turn-on threshold of 2.9 V sentence to the first paragraph of the DESCRIPTION............................... 1
Deleted capacitor, CVIN, and diode from the Typical Application image. Also changed RSET to RRSET and COUT to
CLOAD. Removed voltage range and changed OUT to VOUT. Also removed note on the former COUT stating that this
is only required in systems with lead and/or load inductance ................................................................................................ 1
Changed COUT to CLOAD and RSET to RRSET throughout document ......................................................................................... 1
Changed current limit value of the ISET description from 125% to 150% in thePin Functions table. Also removed
TPS2421 only text form this description................................................................................................................................. 5
Changed COUT to CVOUT for the power limit parameter in the Electrical Characteristics table................................................ 7
Changed RSET = 100 kW to RRSET = 100 kΩin the FAULT CURRENT vs JUNCTION TEMPERATURE graph................... 9
Added note for TPS2421-1 to the VIN description in the PIN DESCRIPTION section........................................................ 13
Changed VIN to VVIN in the functional block diagram, Equation 6 ........................................................................................ 14
Changed In to VVIN in Equation 17 ....................................................................................................................................... 18
Changes from Revision G (May 2013) to Revision H Page
Deleted minimum voltage from voltage range in the document title, features list and description ........................................ 1
Added 5-A to document title................................................................................................................................................... 1
Changed listed to recognized in UL FEATURES bullet, also added specific UL number...................................................... 1
Added SSDs, PCIE, and Fan Control to the APPLICATIONS list.......................................................................................... 1
Added maximum-UV turn-on threshold of 2.9 V sentence to the first paragraph of the DESCRIPTION............................... 1
Deleted capacitor, CVIN, and diode from the Typical Application image. Also changed RSET to RRSET and COUT to
CLOAD. Removed voltage range and changed OUT to VOUT. Also removed note on the former COUT stating that this
is only required in systems with lead and/or load inductance ................................................................................................ 1
Changed COUT to CLOAD and RSET to RRSET throughout document ......................................................................................... 1
Changed current limit value of the ISET description from 125% to 150% in thePin Functions table. Also removed
TPS2421 only text form this description................................................................................................................................. 5
Changed COUT to CVOUT for the power limit parameter in the Electrical Characteristics table................................................ 7
Changed RSET = 100 kW to RRSET = 100 kΩin the FAULT CURRENT vs JUNCTION TEMPERATURE graph................... 9
Added note for TPS2421-1 to the VIN description in the PIN DESCRIPTION section........................................................ 13
Changed VIN to VVIN in the functional block diagram, Equation 6 ........................................................................................ 14
Changed In to VVIN in Equation 17 ....................................................................................................................................... 18
Changes from Revision F (April 2013) to Revision G Page
Deleted ISET, CTVoltage from the Absolute Maximum Ratings(1) table.................................................................................. 6
Changes from Revision E (September 2011) to Revision F Page
Changed CCT values From: MIN = 100 pF/µF To 0.1 nF and MAX From: 10 pF/µF To: -- in the Recommended
Operating Conditions table..................................................................................................................................................... 6
Added RRSET to the Recommended Operating Conditions table............................................................................................ 6
Changed the conditions statement of the Electrical Characteristics table ............................................................................. 7
Changed the TEST CONDITIONS for RON............................................................................................................................. 7
Changed ILIM / IFLT To: ILIM / ISET.............................................................................................................................................. 7
Changed the PIN DESCRIPTION section............................................................................................................................ 12
Changed the Application Information section....................................................................................................................... 17
l TEXAS INSTRUMENTS
4
TPS2421-1
,
TPS2421-2
SLUS907K –JANUARY 2009REVISED JUNE 2019
www.ti.com
Product Folder Links: TPS2421-1 TPS2421-2
Submit Documentation Feedback Copyright © 2009–2019, Texas Instruments Incorporated
Changes from Revision D (August 2010) to Revision E Page
Changed RFLT to RSET ........................................................................................................................................................ 9
Changed equation 3 from RIFLT to RISET and IFAULT to ISET ........................................................................................ 12
Changes from Revision C (July 2010) to Revision D Page
Added Feature: UL Listed - File Number E169910................................................................................................................ 1
Changes from Revision B (June 2010) to Revision C Page
Changed TSD (ms) column in Table 3. (the table was deleted in revision F) ....................................................................... 14
Changes from Revision A (March 2009) to Revision B Page
Added For the most current package and ordering information, see the Package Option Addendum at the end of
this document, or visit the device product folder on www.ti.com............................................................................................ 5
l TEXAS INSTRUMENTS
EN
VIN
GND ISET
VOUT
PG
CT
1
2
3
FLT
4 5
6
7
8
5
TPS2421-1
,
TPS2421-2
www.ti.com
SLUS907K –JANUARY 2009REVISED JUNE 2019
Product Folder Links: TPS2421-1 TPS2421-2
Submit Documentation FeedbackCopyright © 2009–2019, Texas Instruments Incorporated
5 Device Comparison Table
DEVICE FEATURE
TPS2421-1 Latch-off
TPS2421-2 Auto-retry
6 Pin Configuration and Functions
TPS2421-x
DDA Package
Top View
Pin Functions
PIN I/O DESCRIPTION
NO. NAME
1 FLT O Fault low indicated the fault time has expired and the FET is switched off
2 EN I Device is enabled when this pin is pulled low
3 VIN I Power In and control supply voltage
4 GND — GND
5 ISET I/O A resistor to ground sets the fault current, the current limit is 150% of the fault current
6 CT I/O A capacitor to ground sets the fault time
7 VOUT O Output to the load
8 PG O Power Good low represents the output voltage is within 300 mV of the input voltage
l TEXAS INSTRUMENTS
6
TPS2421-1
,
TPS2421-2
SLUS907K –JANUARY 2009REVISED JUNE 2019
www.ti.com
Product Folder Links: TPS2421-1 TPS2421-2
Submit Documentation Feedback Copyright © 2009–2019, Texas Instruments Incorporated
(1) Stresses beyond those listed under absolute maximum ratings may cause permanent damage to the device. These are stress ratings
only and functional operation of the device at these or any other conditions beyond those indicated under recommended operating
conditions is not implied. Exposure to absolute-maximum-rated conditions for extended periods may affect device reliability.
(2) All voltage values are with respect to GND.
(3) Do not apply voltage to these pins.
7 Specifications
7.1 Absolute Maximum Ratings(1)
over operating free-air temperature range (unless otherwise noted)(2)
MIN MAX UNIT
VVIN, VVOUT Input voltage –0.3 25 V
EN Input voltage –0.3 6 V
FLT, PG Voltage –0.3 20 V
CT,(3) ISET(3) Voltage –0.3 3 V
IMAX Maximum continuous output current 9 A
FLT, PG Output sink current 10 mA
TJOperating junction temperature Internally Limited
Tstg Storage temperature –65 150 °C
(1) JEDEC document JEP155 states that 500-V HBM allows safe manufacturing with a standard ESD control process.
(2) JEDEC document JEP157 states that 250-V CDM allows safe manufacturing with a standard ESD control process.
7.2 ESD Ratings
VALUE UNIT
V(ESD) Electrostatic discharge
Human-body model (HBM), per ANSI/ESDA/JEDEC JS-001(1) ±2500
V
Charged-device model (CDM), per JEDEC specification JESD22-
C101(2) ±500
7.3 Recommended Operating Conditions
MIN MAX UNIT
VVIN, VVOUT Input voltage 3 20 V
EN Voltage 0 5 V
FLT, PG Voltage 0 20 V
IOUT Continuous output current 0 6 A
FLT, PG Output sink current 0 1 mA
CCT 0.1 nF
RRSET 49.9 200 kΩ
TJJunction temperature –40 125 °C
(1) For more information about traditional and new thermal metrics, see the Semiconductor and IC Package Thermal Metrics application
report.
7.4 Thermal Information
THERMAL METRIC(1)
TPS2421-x
UNITDDA (HSOP)
8 PINS
RθJA Junction-to-ambient thermal resistance 41.3 °C/W
RθJC(top) Junction-to-case (top) thermal resistance 44.7 °C/W
RθJB Junction-to-board thermal resistance 22.3 °C/W
ψJT Junction-to-top characterization parameter 5.3 °C/W
ψJB Junction-to-board characterization parameter 22.2 °C/W
RθJC(bot) Junction-to-case (bottom) thermal resistance 3.1 °C/W
l TEXAS INSTRUMENTS
7
TPS2421-1
,
TPS2421-2
www.ti.com
SLUS907K –JANUARY 2009REVISED JUNE 2019
Product Folder Links: TPS2421-1 TPS2421-2
Submit Documentation FeedbackCopyright © 2009–2019, Texas Instruments Incorporated
7.5 Electrical Characteristics
Unless otherwise noted: 3 V VVIN 18 V, EN = 0 V, PG = FLT = open, ROUT = open, RRSET = 49.9 k, –40°C TJ+125°C,
No external capacitor connected to VOUT
PARAMETER TEST CONDITIONS MIN TYP MAX UNIT
VIN
UVLO VIN rising 2.6 2.85 2.9 V
Hysteresis 150 mV
Bias current EN = 2.4 V 25 100 μA
EN = 0 V 3.9 5 mA
VIN, VOUT
RON RVIN-VOUT, IVOUT < ILIM, 1 A IVOUT 4.5 A 33 50 m
Power limit
TPS242x VVIN: 12 V, CVOUT = 1000 μF, EN: 3 V 0 V 3 5 7.5 W
Reverse diode
voltage VVOUT > VVIN , EN = 5 V, IVIN = –1 A 0.77 1 V
ISET
ISET Fault current
threshold
IVOUT , ICT: sinking sourcing, pulsed test
A
0°C TJ+85°C
RRSET = 200 k0.8 1.2
RRSET = 100 k1.8 2.2
RRSET = 49.9 k3.6 4.4
–40°C TJ+125°C
RRSET = 200 k0.75 1.25
RRSET = 100 k1.75 2.25
RRSET = 49.9 k3.6 4.4
ILIM /
ISET Ratio ILIM / ISET
RRSET = 200 k1.1 1.8 2.6
ARRSET = 100 k1.1 1.5 2.1
RRSET = 49.9 k1.1 1.4 1.6
ILIM Current limit IVOUT rising, VVIN–VOUT = 0.3 V, pulsed test
RRSET = 200 k1.1 1.8 2.4 A
RRSET = 100 k2.3 3 3.7 A
RRSET = 49.9 k4.6 5.5 6.3 A
CT
Charge-discharge
current
ICT sourcing, VCT = 1 V, In current limit 29 35 41 μA
ICT sinking (–2), VCT = 1 V, drive CT to 1 V, measure current 1 1.4 1.8
Threshold voltage VCT rising 1.3 1.4 1.5 V
VCT falling, drive CT to 1 V, measure current 0.1 0.16 0.3
ON/OFF fault
duty cycle VVOUT = 0 V 2.8% 3.7% 4.6%
EN
Threshold voltage VEN falling 0.8 1 1.5 V
Hysteresis 20 150 250 mV
Input bias current VEN = 2.4 V –2 0 0.5 μA
VEN = 0.2 V –3 1 0.5
Turnon
propagation delay VVIN = 3.3 V, ILOAD = 1 A, V EN : 2.4 V 0.2 V,
VVOUT: rising 90% × VVIN 350 500
μs
Turnoff
propagation delay VVIN = 3.3 V, ILOAD = 1 A, V EN : 0.2 V 2.4 V,
VVOUT:10% × VVIN 30 50
l TEXAS INSTRUMENTS
8
TPS2421-1
,
TPS2421-2
SLUS907K –JANUARY 2009REVISED JUNE 2019
www.ti.com
Product Folder Links: TPS2421-1 TPS2421-2
Submit Documentation Feedback Copyright © 2009–2019, Texas Instruments Incorporated
Electrical Characteristics (continued)
Unless otherwise noted: 3 V VVIN 18 V, EN = 0 V, PG = FLT = open, ROUT = open, RRSET = 49.9 k, –40°C TJ+125°C,
No external capacitor connected to VOUT
PARAMETER TEST CONDITIONS MIN TYP MAX UNIT
FLT
VOL Low level output
voltage VCT = 1.8 V, I FLT = 1 mA 0.2 0.4 V
Leakage current V FLT = 18 V 1 μA
PG
PG threshold V(VIN–VOUT) falling 0.4 0.5 0.75
V
Hysteresis 0.1 0.25 0.4
VOL Low level output
voltage IPG = 1 mA 0.2 0.4
Leakage current V PG = 18 V 1 μA
THERMAL SHUTDOWN
TSD Thermal
shutdown Junction temperature rising 160 °C
Hysteresis 10
l TEXAS INSTRUMENTS 2.2-2 150 4 rannrmvrmemmwnage —v 24
RRSET = 49.9 kΩ
3 V startup into 3.2 A load
ILOAD
VOUT
PG
EN
3.3 V overload step from 3.8 A to 5.5
A, RRSET = 49.9 kΩ
ILOAD
VOUT
VCT
PG
10
12
16
18
22
24
20
14
TJJunction Temperature – °C
Sleep Mode
–50 0 100 15050
I Supply Current A
Supply m– –
1.30
1.35
1.50
VTHRESH Fault Timer Threshold Voltage - V
1.45
1.40
TJJunction Temperature – °C
50 0 100 15050
–50 0 50 150100
1.80
2.00
2.10
2.20
1.90
1.85
2.50
2.15
1.95
RSET = 100 kW
TJJunction Temperature – °C
9
TPS2421-1
,
TPS2421-2
www.ti.com
SLUS907K –JANUARY 2009REVISED JUNE 2019
Product Folder Links: TPS2421-1 TPS2421-2
Submit Documentation FeedbackCopyright © 2009–2019, Texas Instruments Incorporated
7.6 Typical Characteristics
Figure 1. Fault Current vs Junction Temperature Figure 2. Fault Timer Threshold Voltage vs Junction
Temperature
Figure 3. Power Limit vs Junction Temperature Figure 4. Supply Current vs Junction Temperature
Figure 5. 3-V Startup into 1-Load Figure 6. 3-V Firm Overload, Load Stepped
from 3.8 A to 5.5 A
l hams INfiFUMENfi m w are ‘m w Monmasm- wmvu nu: ma ., a» ) . m w are ‘m Monmasm- wmvu nu: ma ., a» )w ”mm. 1 mm 57's 7! zwv EN 5 ma 2 an v , voUT CT 5 ma m am LOAD nJAIDw
3.3 V, 1600 µF added while under 3.5
A load, RRSET = 49.9 kΩ
ILOAD
VOUT
VCT
PG
3.3 V attempting startup into 1 W,
2200 µF load, retry mode - CT = 0.1 µF
RRSET = 49.9 kΩ
ILOAD
VOUT
VCT
EN
3.3 V overload step from 3.8 A to 7.1
A, RRSET = 49.9 kΩ
ILOAD
VOUT
VCT
PG
3.3 V overload shorted while under 3.5
A load, RRSET = 49.9 kΩ
ILOAD
VOUT
VCT
FLT
10
TPS2421-1
,
TPS2421-2
SLUS907K –JANUARY 2009REVISED JUNE 2019
www.ti.com
Product Folder Links: TPS2421-1 TPS2421-2
Submit Documentation Feedback Copyright © 2009–2019, Texas Instruments Incorporated
Typical Characteristics (continued)
Figure 7. 3-V Hard Overload, Load Stepped
from 3.8 A to 7.1 A Figure 8. 3-V Output Shorted While Under 3.5-A Load
Figure 9. 3 V, 1600 μF Added to 3.5-A Load Figure 10. 3-V Retry Startup into 1-, 2200-μF Load
Figure 11. Startup into a Short Circuit Output
VOUT
73VIN
1 V
10 µA
Q
Pump
Constant
Power
Engine
6
+t
V(DS) Detector
I(D)
Detector
+
4
GND
IVOUT
1 FLT
VVIN
2
EN +
1.15 V / 1.00 V
+
LCA
Fast Trip
Comparator
THERMAL
SHUTDOWN
+
2.85 V / 2.7 V
5
ISET
+
35 µA
1.4 µA
40 µA
6CT 0.16 V
+
+
+
1.4 V
S
R
Q
Q
200 k
PLIM
VVIN ±500 mV
+
8PG
LATCH -1
RETRY -2
FACTORY
SET
Internal Rail
1.6 uILIM
1.5 uISET
ILIM
1 V
RRSET
ISET
50
10 16.8
VIN
11
TPS2421-1
,
TPS2421-2
www.ti.com
SLUS907K –JANUARY 2009REVISED JUNE 2019
Product Folder Links: TPS2421-1 TPS2421-2
Submit Documentation FeedbackCopyright © 2009–2019, Texas Instruments Incorporated
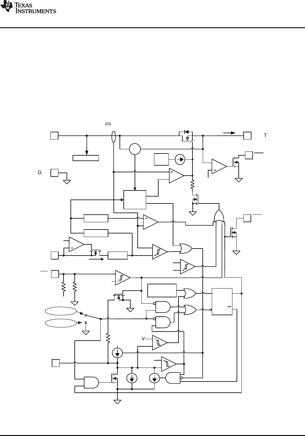
8 Detailed Description
8.1 Overview
The TPS2421 device provides highly integrated hot swap power management and superior protection in
applications where the load is powered by busses up to 20 V.
The device has multiple programmable protection features. Load protection is accomplished by a non-current
limiting fault threshold, a hard current limit, and a fault timer. Hotswap MOSFET protection is provided by power
limit circuitry which protects the internal MOSFET against SOA related failures.
8.2 Functional Block Diagram
l TEXAS INSTRUMENTS 200k SET
RSET
SET
200 k
R
I
W
=
3
885 7 10= ´ ´
SD CT
T . C
3
40 x 10
=
FAULT
CT
T
C
12
TPS2421-1
,
TPS2421-2
SLUS907K –JANUARY 2009REVISED JUNE 2019
www.ti.com
Product Folder Links: TPS2421-1 TPS2421-2
Submit Documentation Feedback Copyright © 2009–2019, Texas Instruments Incorporated
8.3 Feature Description
8.3.1 CT
Connect a capacitor from CT to GND to set the fault time. The fault timer starts when IVOUT exceeds ISET or when
SOA protection mode is active, charging the capacitor with 35 μA from GND towards an upper threshold of 1.4 V.
If the capacitor reaches the upper threshold, the internal pass MOSFET is turned off. For the TPS2421-1 device,
the MOSFET remains off until EN is cycled. For the TPS2421-2 device, the capacitor discharges at 1.4 μA to
0.16 V and then re-enable the pass MOSFET. If the upper threshold is not crossed, the capacitor discharges at
40 μA to 0.16 V and then to 0 V at 1.4 μA. When the device is disabled, CT is pulled to GND through a 50-kΩ
resistor.
The timer period must be chosen long enough to allow the external load capacitance to charge. The nominal (not
including component tolerances) fault timer period is selected using Equation 1 where TFAULT is the minimum
timer period in seconds and CCT is in Farads.
(1)
For the TPS2421-2 device, the second and subsequent retry timer periods are slightly shorter than the first retry
period. CT nominal (not including component tolerances) discharge time, tSD from 1.4 V to 0.16 V is shown in
Equation 2, where CCT is in Farads and tSD is in seconds.
(2)
The nominal ratio of on to off times represents about a 3.7% duty cycle when a hard fault is present on the
output.
8.3.2 FLT
Open-drain output that pulls low on any condition that causes the output to open. These conditions are either an
overload with a fault time-out, or a thermal shutdown. FLT becomes operational before UV, when VVIN is greater
than 1 V. FLT pulses low momentarily prior to the onset of VVOUT ramp up during IN or EN based startup.
8.3.3 GND
This is the most negative voltage in the circuit and is used as reference for all voltage measurements unless
otherwise specified.
8.3.4 ISET
A resistor from this pin to GND sets both the fault current (ISET) and current limit (ILIM) levels. The current limit is
internally set at 150% of the fault current. The fault timer described in the CT section starts when IVOUT exceeds
ISET.
The internal MOSFET actively limits current if IVIN reaches the current limit set point. The fault timer operation is
the same in this mode as described previously.
The fault current value is programmed as shown in Equation 3:
(3)
EN: When this pin is pulled low, the device is enabled. The input threshold is hysteretic, allowing the user to
program a startup delay with an external RC circuit. EN is pulled to VIN with a 10-Mresistor and to GND with a
16.8-Mresistor. Because high impedance pullup and pulldown resistors are used to reduce current draw, any
external FET controlling this pin must be low leakage.
8.3.5 VIN
Input voltage to the TPS2421 device. The recommended operating voltage range is 3 V to 20 V. Connect VIN to
the power source.
l TEXAS INSTRUMENTS vv :VV 7R0 XIV X UM
2
LOAD LIM LOAD VIN
ON 2
LIM
LIM
C P C V
t = +
2 P
2 I
´ ´
´
´
= - ´
VOUT VIN ON VOUT
V V R I
13
TPS2421-1
,
TPS2421-2
www.ti.com
SLUS907K –JANUARY 2009REVISED JUNE 2019
Product Folder Links: TPS2421-1 TPS2421-2
Submit Documentation FeedbackCopyright © 2009–2019, Texas Instruments Incorporated
Feature Description (continued)
NOTE
(For TPS2421-1 only) Brownout-type conditions (VIN < 2.85 V) prior to startup can trigger
the fault logic and prevent startup. For more information go to E2E.TI.com.
8.3.6 VOUT
Output connection for the TPS2421 device. VVOUT in the ON condition considering the ON resistance of the
internal MOSFET, RON is shown in Equation 4:
(4)
Connect VOUT to the load.
8.3.7 PG
Active low, Open Drain output, Power Good indicates that there is no fault condition and the output voltage is
within 0.5 V of the input voltage. PG becomes operational before UV, whenever VVIN is greater than 1 V.
8.4 Device Functional Modes
8.4.1 Startup
Large inrush current occurs when power is applied to discharged capacitors and load. During the inrush period,
the TPS2421 device operates in power limit (or SOA protect mode) managing the current as VVOUT rises. In SOA
protect mode, the internal MOSFET power dissipation ([VVIN – VVOUT] × IVOUT) is regulated at 5 W typical while
the fault timer starts and CCT ramps up. As the charge builds on CLOAD, the current increases towards ILIM. When
the capacitor is fully charged, IVOUT drops to the dc load value, the fault timer stops, and CCT ramps down. In
order for the TPS2421 device to start properly, the fault timer duration must exceed CLOAD startup time, tON.
Startup time without additional dc loading is calculated using Equation 5 where PLIM = 5 W (typical).
(5)
When the load has a resistive component in addition to CLOAD, the fault time must be extended because the
resistive load current is unavailable to charge CLOAD. Use Table 1 and Table 2 to predict startup time in the
presence of resistive dc loading.
Refer to the TPS2421 Design Calculator Tool (SLUC427) for assistance with design calculations.
Table 1. Startup Time (ms) with DC Loading: VIN =5V,PLIM =3W,ILIM =5A
RLOAD_(Ω) CLOAD_ = 100 µF CLOAD_ = 220 µF CLOAD_ = 470 µF CLOAD_ = 1000 µF
1000 0.43 0.95 2.03 4.33
10 0.5 1.11 2.36 5.03
5 0.61 1.34 2.87 6.1
3 0.91 2 4.28 9.11
2.5 1.31 2.88 6.14 13.07
Table 2. Startup Time (ms) with DC Loading: VIN = 12 V, PLIM =3W,ILIM =5A
RLOAD_(Ω) CLOAD_ = 100 µF CLOAD_ = 220 µF CLOAD_ = 470 µF CLOAD_ = 1000 µF
10000 2.46 5.41 11.56 24.59
100 2.67 5.87 12.55 26.69
50 2.93 6.45 13.79 29.34
15 6.7 14.74 31.5 67.01
13 11.68 25.69 54.87 116.75
l TEXAS INSTRUMENTS i l H H
3
2
4 5 6
7
1
8
0.56 µF
CLOAD
80.6 k
4.6 VON
FET
100 k
Optional:
To System
Monitor
VIN
EN
GND ISET CT
PG
FLT
VOUT
12-V Bus
TPS2421
2 2
IN IN IN IN
LOAD MIN LIM(min) LIM(min) LIM(min)
V V V V
R R max , max ,
4 P I K 12 I K
! § · § ·
¨ ¸ ¨ ¸
u u u
© ¹ © ¹
14
TPS2421-1
,
TPS2421-2
SLUS907K –JANUARY 2009REVISED JUNE 2019
www.ti.com
Product Folder Links: TPS2421-1 TPS2421-2
Submit Documentation Feedback Copyright © 2009–2019, Texas Instruments Incorporated
8.4.2 Maximum Allowable Load to Ensure Successful Startup
The power limiting function of the TPS2421 provides effective protection and limits the maximum allowable
resistive load (RMIN) during startup to ensure SOA of the device. Load resistance lower than RMIN can cause the
output to shut off due to CT timeout or thermal shutdown. The equation for maximum load RMIN as a function of
VIN, PLIM and ILIM is given by Equation 6:
where
K = 0.15 for RRSET = 200 kΩ
K = 0.3 for RRSET = 100 kΩ
K = 0.5 for RRSET = 49.9 kΩ
• ILIM(min) is the current limit minimum specification given in the EC Table (6)
The device fails to start if RLOAD < RMIN. It either enters thermal shutdown or CT timer may timeout. The load
resistance during startup (RLOAD) must be higher than RMIN for a successful startup. Ensure that RLOAD is > RMIN
per Equation 6.
8.4.2.1 Enable Pin Considerations
For the case when EN is simply connected to GND, the TPS2421 device starts ramping the voltage on VOUT as
VIN rises above UVLO (approximately 2.85 V typical). If IN does not ramp monotonically, the TPS2421 may
momentarily turnoff then on during startup if IN falls below approximately 2.7 V. To avoid this problem, EN
assertion can be delayed until IN is sufficiently above UVLO. A simple approach is shown in Figure 12. The 100-
kΩpullup resistor de-asserts EN when VIN is above approximately 1.75 V maximum which is well below the
minimum UVLO of approximately 2.6 V. The Zener diode ensures that EN remains below 5 V. User control to
enable the TPS2421 device is applied at the ON node to turn on the FET once IN has risen sufficiently above
UVLO.
Figure 12. EN Delay Circuit
8.4.2.2 Fault Timer
The fault timer is active when the TPS2421 device is in SOA protect mode or the current is above ISET.Figure 13
illustrates operation during non-faulted startup (CLOAD = 470 µF and IVOUT = 1 A in a 12 V system). CCT charges
at approximately 35 µA until TPS2421 device exits SOA protect mode, discharges quickly (approximately 40 µA)
to approximately 0.16 V, and then decays slowly (approximately 1.4 µA) towards zero.
TEXAS INSTRUMENTS n 4» 4» 4» 1 C c t Cc ( L c )
LOAD_TOL CT_TOL ON
CT
(1 C C ) t
C40000
+ + ´
=
ILOAD
VOUT
CT
2V/div
0.5V/div
1A/div
5V/div
5ms/div
FLT
15
TPS2421-1
,
TPS2421-2
www.ti.com
SLUS907K –JANUARY 2009REVISED JUNE 2019
Product Folder Links: TPS2421-1 TPS2421-2
Submit Documentation FeedbackCopyright © 2009–2019, Texas Instruments Incorporated
Figure 13. Fault Timer Operation During Startup
CCT can be chosen for fault-free startup including expected CLOAD and CCT capacitance tolerance as shown in
Equation 7.
(7)
8.4.2.3 Normal Operation
When load current exceeds ISET during normal operation the fault timer starts. If load current drops below ISET
before the fault timer expires, normal operation continues. If load current stays above the ISET threshold the fault
timer expires and a fault is declared. When a fault is declared a TPS2421-1 device turns off an can be restarted
by cycling power or toggling the EN signal. A TPS2421-2 device attempts to turn on at a 3.7% duty cycle until the
fault is cleared. When ILIM is reached during a fault the device goes into current limit and the fault timer keeps
running.
8.4.2.4 Startup into a Short
The controller attempts to power on into a short for the duration of the timer. Figure 11 shows a small current
resulting from power limiting the internal MOSFET. This occurs only once for theTPS2421-1 device. For the
TPS2421-2 device, the cycle repeats at a 3.7% duty cycle as shown in Figure 10.
8.4.3 Shutdown Modes
8.4.3.1 Hard Overload - Fast Trip
When a hard overload causes the load current to exceed approximately 1.6 × ILIM the TPS2421 immediately
shuts off current to the load without waiting for the fault timer to expire. After such a shutoff the TPS2421 device
enters startup mode and attempts to apply power to the load. If the hard overload was caused by a transient,
then normal startup can be expected. If the hard overload is caused by a persistent, continuous failure then the
TPS2421 device enters into current limit during the restart attempt and either latches off (TPS2421-1) or attempts
retry (TPS2421-2).
8.4.3.2 Overcurrent Shutdown
Overcurrent shutdown occurs when the output current exceeds ISET for the duration of the fault timer. Figure 18
shows a step rise in output current which exceeds the ISET threshold but not the ILIM threshold. The increased
current is on for the duration of the timer. When the timer expires, the output is turned off.
l TEXAS INSTRUMENTS 185.58 RSETmax 213.68 RSETmm 232.19 RSETmax 259.26 RSETmin 213.68 SETmax 185.58 SETmin
LIM,max
RSET,min
259.26
I 1.11
R
= +
LIM,min
RSET,max
232.19
I 0.06
R
= -
( )
RSET,max TOL
SET,min
185.58
R 1 R I 0.13
= - ´ +
( )
RSET,min TOL
SET,max
213.68
R 1 R I 0.13
= + ´ -
SET,max
RSET,min
213.68
I 0.13
R
= +
SET,min
RSET,max
185.58
I 0.13
R
= -
16
TPS2421-1
,
TPS2421-2
SLUS907K –JANUARY 2009REVISED JUNE 2019
www.ti.com
Product Folder Links: TPS2421-1 TPS2421-2
Submit Documentation Feedback Copyright © 2009–2019, Texas Instruments Incorporated
8.5 Programming
8.5.1 Fault (ISET) and Current-Limit (ILIM) Thresholds
The ISET and ILIM thresholds is user programmable with a single external resistor connected to ISET and the ILIM
threshold is internally set according to the ILIM/ISET ratio specified in the electrical characteristics table. The
TPS2421 device uses an internal regulation loop to provide a regulated voltage on the ISET pin. The fault and
current-limit thresholds are proportional to the current sourced out of ISET. The recommended 1% resistor range
is 49.9 kΩRRSET 200 kΩto ensure the rated accuracy. Many applications require that minimum fault and
current limits are known or that maximum current limit is bounded. Considering the tolerance of the fault and
current limit thresholds, as well as RRSET when selecting values is important. See the Electrical Characteristics
table for specific fault and current limit settings.
Using the data for ISET and ILIM from the Electrical Characteristics, equations are generated and used for other
set points. Equation 8 and Equation 9 are used to calculate minimum and maximum ISET where RRSET,max and
RRSET,min include RRSET tolerances. Equation 10 and Equation 11 calculate RRSET,max and RRSET,min where RTOL is
the 1% resistor tolerance.
(8)
(9)
(10)
(11)
Equation 12 and Equation 13 are used to calculate minimum and maximum ILIM where RRSET,max and RRSET,min
include RRSET tolerances.
(12)
(13)
l TEXAS INSTRUMENTS l i \ | J |
3
2
4 5 6
7
1
8
0.56 µF
CLOAD
80.6 k
Optional:
To System
Monitor
VIN
EN
GND ISET CT
PG
FLT
VOUT
12-V Bus
TPS2421
17
TPS2421-1
,
TPS2421-2
www.ti.com
SLUS907K –JANUARY 2009REVISED JUNE 2019
Product Folder Links: TPS2421-1 TPS2421-2
Submit Documentation FeedbackCopyright © 2009–2019, Texas Instruments Incorporated
9 Application and Implementation
NOTE
Information in the following applications sections is not part of the TI component
specification, and TI does not warrant its accuracy or completeness. TI’s customers are
responsible for determining suitability of components for their purposes. Customers should
validate and test their design implementation to confirm system functionality.
9.1 Application Information
The TPS2421 is an integrated FET hot swap device. It is typically used for Hot-Swap and Power rail protection
applications. It operates from 3 V to 20 V with programmable fault current limit, and fault Timer.
The following design procedure can be used to select component values for the device. This section presents a
simplified discussion of the design process.
9.2 Typical Application
Figure 14. Design Example Schematic
9.2.1 Design Requirements
A typical design is shown in Figure 14 with the following requirements:
Nominal input voltage, VVIN: 12 V
Maximum expected load current, IVOUT: 2.1 A
Load capacitance, CLOAD: 220 µF
Expected resistive load, RLOAD during startup: 15 Ω
Example calculations are shown in the TPS2421 Design Calculator Tool (SLUC427).
l TEXAS INSTRUMENTS RR 185.58 Q 2.1+0.13 1 C C ‘ Cc ( L ) 40000 40000
( )
straightwire VIN
4 L
L 0.2 L V 0.75 nH
D
´
æ ö
» ´ ´ -
ç ÷
è ø
( ) NOM LOAD
SPIKE absolute
L
V V I C
= + ´
LOAD _ TOL T _ TOL ON
CT
(1 C C ) t (1 0.2 0.1) 0.012
C 0.48 F
40000 40000
+ + ´ + + ´
= = = m
RSET,max
185.58
R 0.99 82.39k
2.1 0.13
= ´ = W
+
18
TPS2421-1
,
TPS2421-2
SLUS907K –JANUARY 2009REVISED JUNE 2019
www.ti.com
Product Folder Links: TPS2421-1 TPS2421-2
Submit Documentation Feedback Copyright © 2009–2019, Texas Instruments Incorporated
Typical Application (continued)
9.2.2 Detailed Design Procedure
1. Calculate maximum RRSET to ensure that minimum ISET is above maximum operating load current using
Equation 11 as shown below in Equation 14.
(14)
Choose a standard 1% value below RRSET,max for RRSET = 80.6 kΩ
ISET,min = 2.15 A using Equation 8 meets the maximum operating current requirement of 2.1 A without
starting the fault timer during maximum steady state operation for RRSET = 80.6 kΩ, 1%.
ISET,max = 4.359 A using Equation 9 for RRSET = 80.6 Ω, 1%.
2. Calculate minimum and maximum ILIM.
ILIM,min = 2.792 A and ILIM,max = 4.359 A using Equation 12 and Equation 13 for RRSET = 80.6 kΩ, 1%.
3. Minimum RLOAD at startup using Equation 6 is 12 Ω. Because RLOAD = 15 Ωis present during circuit
startup, use tON = 15 ms from Table 2 for CLOAD = 220 µF and RLOAD = 15 Ω.
Calculate CCT = 0.48 µF including CLOAD and CCT tolerances (CLOAD_TOL = 20% and CCT_TOL = 10%)
using Equation 15.
(15)
9.2.2.1 Transient Protection
The need for transient protection in conjunction with hot-swap controllers must always be considered. When the
TPS2421 device interrupts current flow, input inductance generates a positive voltage spike on the input and
output inductance generates a negative voltage spike on the output. Such transients can easily exceed twice the
supply voltage if steps are not taken to address the issue. Typical methods for addressing transients include;
Minimizing lead length/inductance into and out of the device
Voltage Suppressors (TVS) on the input to absorb inductive spikes
Schottky diode across the output to absorb negative spikes
A combination of ceramic and electrolytic capacitors on the input and output to absorb energy
Use PCB GND planes
Equation 16 estimates the magnitude of these voltage spikes:
where
• VNOM is the nominal supply voltage
• ILOAD is the load current
C is the capacitance present at the input or output of the TPS2421 device
L equals the effective inductance seen looking into the source or the load (16)
Calculating the inductance due to a straight length of wire is shown in Equation 17.
where
L is the length of the wire
D is diameter of the wire (17)
{L} TEXAS INSTRUMENTS
12-V load at 3.6 A, then short applied
to output, RRSET = 49.9 kΩ
ILOAD
VOUT
VCT
PG
Overload, power limit tripped,
12-V load stepped from 3 A to 5.4 A,
CLOAD = 700 µF, R RSET = 49.9 kΩ
ILOAD
VOUT
VCT
PG
12-Vfailedstartupin4 W, 0mFload
VOUT
VIN
FLT
EN
Soft overload, power limit not tripped,
12-V load stepped from 3 A to 4.2 A,
CLOAD = 700 µF, RRSET = 49.9 kΩ
ILOAD
VOUT
VCT
PG
RRSET = 49.9 kW
12 V Startup into 15 W, 700 mF Load
ILOAD
VOUT
PG
EN
RRSET = 49.9 kW
Temperature capacitive overload,
power limit tripped
12-V load at 1.5 A, then 140 m
F added to
load
ILOAD
VOUT
VCT
PG
19
TPS2421-1
,
TPS2421-2
www.ti.com
SLUS907K –JANUARY 2009REVISED JUNE 2019
Product Folder Links: TPS2421-1 TPS2421-2
Submit Documentation FeedbackCopyright © 2009–2019, Texas Instruments Incorporated
Typical Application (continued)
Some applications may require the addition of a TVS to prevent transients from exceeding the absolute ratings if
sufficient capacitance cannot be included.
9.2.3 Application Curves
Figure 15. 12-V Startup into 15-, 700-μF Load Figure 16. 12 V, 140 μF Added to 8-Load
Figure 17. 12-V Faulted Startup into 4-Load Figure 18. 12-V Soft Overload, 3 A to 4.2 A,
Power Limit Not Tripped
Figure 19. 12-V Firm Overload, 3 A to 5.4 A,
Power Limit Tripped Figure 20. 12-V Hard Overload, 3.6-A Load then Short
l TEXAS INSTRUMENTS
RRSET = 49.9 kΩ
12-V PLIM during startup into
overload, CT = 0.1 µF
P dissipation internal FET
ILOAD
VOUT
CT
RFLT = 100 k
RRSET = 49.9 kΩ
12-V PLIM during startup into 60 Ω, 800
µF
P dissipation internal FET
ILOAD
VOUT
20
TPS2421-1
,
TPS2421-2
SLUS907K –JANUARY 2009REVISED JUNE 2019
www.ti.com
Product Folder Links: TPS2421-1 TPS2421-2
Submit Documentation Feedback Copyright © 2009–2019, Texas Instruments Incorporated
Typical Application (continued)
Figure 21. Power Dissipation During 12-V
Startup into 60 , 800 μFFigure 22. Power Dissipation During 12-V
Startup into 15 , 140 μF
10 Power Supply Recommendations
10.1 PowerPad™
When properly mounted the PowerPad package provides significantly greater cooling ability than an ordinary
package. To operate at rated power the PowerPAD must be soldered directly to the PC board GND plane
directly under the device. The PowerPAD is at GND potential and can be connected using multiple vias to inner
layer GND. Other planes, such a the bottom side of the circuit board can be used to increase heat sinking in
higher current applications. Refer to Technical Briefs: PowerPad™ Thermally Enhanced Package (SLMA002)
and PowerPad™ Made Easy (SLMA004) or more information on using this PowerPad™ package. These
documents are available at www.ti.com (Search by Keyword).
Via to signal ground plane
Top layer
Bottom layer signal ground plane
Ground -
Bottom
layer
VOUT
VIN
PG
8
5ISET
6CT
7VOUT
3VIN
2
EN
4
GND
1
FLT
*
See
Note 1
VIN
High Frequency
Bypass Capacitor
21
TPS2421-1
,
TPS2421-2
www.ti.com
SLUS907K –JANUARY 2009REVISED JUNE 2019
Product Folder Links: TPS2421-1 TPS2421-2
Submit Documentation FeedbackCopyright © 2009–2019, Texas Instruments Incorporated
11 Layout
11.1 Layout Guidelines
Locate all TPS2421 support components, RRSET, CCT, or any input or output voltage clamps, close to their
connection pin.
Connect the other end of the component to the inner layer GND without trace length.
The trace routing the RRSET resistor to the TPS2421 device must be as short as possible to reduce parasitic
effects on fault and current-limit accuracy.
11.2 Layout Example
(1) Optional: Needed only to suppress the transients caused by inductive load switching.
Figure 23. Layout
l TEXAS INSTRUMENTS
22
TPS2421-1
,
TPS2421-2
SLUS907K –JANUARY 2009REVISED JUNE 2019
www.ti.com
Product Folder Links: TPS2421-1 TPS2421-2
Submit Documentation Feedback Copyright © 2009–2019, Texas Instruments Incorporated
12 Device and Documentation Support
12.1 Documentation Support
12.1.1 Related Documentation
For related documentation see the following:
Using the TPS2420, TPS2421-1, TPS2421-2
12.2 Related Links
The table below lists quick access links. Categories include technical documents, support and community
resources, tools and software, and quick access to sample or buy.
Table 3. Related Links
PARTS PRODUCT FOLDER SAMPLE & BUY TECHNICAL
DOCUMENTS TOOLS &
SOFTWARE SUPPORT &
COMMUNITY
TPS2421-1 Click here Click here Click here Click here Click here
TPS2421-2 Click here Click here Click here Click here Click here
12.3 Receiving Notification of Documentation Updates
To receive notification of documentation updates—including silicon errata—go to the product folder for your
device on ti.com. In the upper right-hand corner, click the Alert me button. This registers you to receive a weekly
digest of product information that has changed (if any). For change details, check the revision history of any
revised document.
12.4 Community Resource
The following links connect to TI community resources. Linked contents are provided "AS IS" by the respective
contributors. They do not constitute TI specifications and do not necessarily reflect TI's views; see TI's Terms of
Use.
TI E2E™ Online Community TI's Engineer-to-Engineer (E2E) Community. Created to foster collaboration
among engineers. At e2e.ti.com, you can ask questions, share knowledge, explore ideas and help
solve problems with fellow engineers.
Design Support TI's Design Support Quickly find helpful E2E forums along with design support tools and
contact information for technical support.
12.5 Trademarks
PowerPad, E2E are trademarks of Texas Instruments.
All other trademarks are the property of their respective owners.
12.6 Electrostatic Discharge Caution
These devices have limited built-in ESD protection. The leads should be shorted together or the device placed in conductive foam
during storage or handling to prevent electrostatic damage to the MOS gates.
12.7 Glossary
SLYZ022 TI Glossary.
This glossary lists and explains terms, acronyms, and definitions.
13 Mechanical, Packaging, and Orderable Information
The following pages include mechanical, packaging, and orderable information. This information is the most
current data available for the designated devices. This data is subject to change without notice and revision of
this document. For browser-based versions of this data sheet, refer to the left-hand navigation.
I TEXAS INSTRUMENTS
PACKAGE OPTION ADDENDUM
www.ti.com 10-Dec-2020
Addendum-Page 1
PACKAGING INFORMATION
Orderable Device Status
(1)
Package Type Package
Drawing Pins Package
Qty Eco Plan
(2)
Lead finish/
Ball material
(6)
MSL Peak Temp
(3)
Op Temp (°C) Device Marking
(4/5)
Samples
TPS2421-1DDA ACTIVE SO PowerPAD DDA 8 75 RoHS & Green NIPDAU | NIPDAUAG Level-1-260C-UNLIM -40 to 125 2421-1
TPS2421-1DDAR ACTIVE SO PowerPAD DDA 8 2500 RoHS & Green NIPDAU | NIPDAUAG Level-1-260C-UNLIM -40 to 125 2421-1
TPS2421-2DDA ACTIVE SO PowerPAD DDA 8 75 RoHS & Green NIPDAU | NIPDAUAG Level-1-260C-UNLIM -40 to 125 2421-2
TPS2421-2DDAR ACTIVE SO PowerPAD DDA 8 2500 RoHS & Green NIPDAU | NIPDAUAG Level-1-260C-UNLIM -40 to 125 2421-2
(1) The marketing status values are defined as follows:
ACTIVE: Product device recommended for new designs.
LIFEBUY: TI has announced that the device will be discontinued, and a lifetime-buy period is in effect.
NRND: Not recommended for new designs. Device is in production to support existing customers, but TI does not recommend using this part in a new design.
PREVIEW: Device has been announced but is not in production. Samples may or may not be available.
OBSOLETE: TI has discontinued the production of the device.
(2) RoHS: TI defines "RoHS" to mean semiconductor products that are compliant with the current EU RoHS requirements for all 10 RoHS substances, including the requirement that RoHS substance
do not exceed 0.1% by weight in homogeneous materials. Where designed to be soldered at high temperatures, "RoHS" products are suitable for use in specified lead-free processes. TI may
reference these types of products as "Pb-Free".
RoHS Exempt: TI defines "RoHS Exempt" to mean products that contain lead but are compliant with EU RoHS pursuant to a specific EU RoHS exemption.
Green: TI defines "Green" to mean the content of Chlorine (Cl) and Bromine (Br) based flame retardants meet JS709B low halogen requirements of <=1000ppm threshold. Antimony trioxide based
flame retardants must also meet the <=1000ppm threshold requirement.
(3) MSL, Peak Temp. - The Moisture Sensitivity Level rating according to the JEDEC industry standard classifications, and peak solder temperature.
(4) There may be additional marking, which relates to the logo, the lot trace code information, or the environmental category on the device.
(5) Multiple Device Markings will be inside parentheses. Only one Device Marking contained in parentheses and separated by a "~" will appear on a device. If a line is indented then it is a continuation
of the previous line and the two combined represent the entire Device Marking for that device.
(6) Lead finish/Ball material - Orderable Devices may have multiple material finish options. Finish options are separated by a vertical ruled line. Lead finish/Ball material values may wrap to two
lines if the finish value exceeds the maximum column width.
Important Information and Disclaimer:The information provided on this page represents TI's knowledge and belief as of the date that it is provided. TI bases its knowledge and belief on information
provided by third parties, and makes no representation or warranty as to the accuracy of such information. Efforts are underway to better integrate information from third parties. TI has taken and
I TEXAS INSTRUMENTS
PACKAGE OPTION ADDENDUM
www.ti.com 10-Dec-2020
Addendum-Page 2
continues to take reasonable steps to provide representative and accurate information but may not have conducted destructive testing or chemical analysis on incoming materials and chemicals.
TI and TI suppliers consider certain information to be proprietary, and thus CAS numbers and other limited information may not be available for release.
In no event shall TI's liability arising out of such information exceed the total purchase price of the TI part(s) at issue in this document sold by TI to Customer on an annual basis.
l TEXAS INSTRUMENTS REEL DIMENSIONS TAPE DIMENSIONS 7 “KO '«Pi» Reel Diame|er AD Dimension designed to accommodate the componeni width ED Dimension deSigned to eccemmodaie me componeni iengm KO Dlmenslun designed to accommodate the eomponeni thickness 7 w Overeii Widlh loe earner cape i p1 Piich between successive cawiy ceniers f T Reel Width (W1) QUADRANT ASSIGNMENTS FOR PIN 1 ORIENTATION IN TAPE O O O D O O D D SprockeiHules ,,,,,,,,,,, ‘ User Direcllon 0' Feed Pockel Quadrams
TAPE AND REEL INFORMATION
*All dimensions are nominal
Device Package
Type Package
Drawing Pins SPQ Reel
Diameter
(mm)
Reel
Width
W1 (mm)
A0
(mm) B0
(mm) K0
(mm) P1
(mm) W
(mm) Pin1
Quadrant
TPS2421-1DDAR SO
Power
PAD
DDA 8 2500 330.0 12.8 6.4 5.2 2.1 8.0 12.0 Q1
TPS2421-2DDAR SO
Power
PAD
DDA 8 2500 330.0 12.8 6.4 5.2 2.1 8.0 12.0 Q1
PACKAGE MATERIALS INFORMATION
www.ti.com 5-Jan-2022
Pack Materials-Page 1
l TEXAS INSTRUMENTS TAPE AND REEL BOX DIMENSIONS
*All dimensions are nominal
Device Package Type Package Drawing Pins SPQ Length (mm) Width (mm) Height (mm)
TPS2421-1DDAR SO PowerPAD DDA 8 2500 364.0 364.0 27.0
TPS2421-2DDAR SO PowerPAD DDA 8 2500 364.0 364.0 27.0
PACKAGE MATERIALS INFORMATION
www.ti.com 5-Jan-2022
Pack Materials-Page 2
l TEXAS INSTRUMENTS T - Tube height| L - Tube length l ,g + w-Tuhe _______________ _ ______________ width 47 — B - Alignment groove width
TUBE
*All dimensions are nominal
Device Package Name Package Type Pins SPQ L (mm) W (mm) T (µm) B (mm)
TPS2421-1DDA DDA HSOIC 8 75 390 7.8 3800 3.5
TPS2421-1DDA DDA HSOIC 8 75 517 7.87 635 4.25
TPS2421-2DDA DDA HSOIC 8 75 517 7.87 635 4.25
TPS2421-2DDA DDA HSOIC 8 75 390 7.8 3800 3.5
PACKAGE MATERIALS INFORMATION
www.ti.com 5-Jan-2022
Pack Materials-Page 3
I TEXAS INSTRUMENTS
GENERIC PACKAGE VIEW
Images above are just a representation of the package family, actual package may vary.
Refer to the product data sheet for package details.
DDA 8 PowerPAD TM SOIC - 1.7 mm max height
PLASTIC SMALL OUTLINE
4202561/G
DDA0008J a
www.ti.com
PACKAGE OUTLINE
C
TYP
6.2
5.8
1.7 MAX
6X 1.27
8X 0.51
0.31
2X
3.81
TYP
0.25
0.10
0 - 8
0.15
0.00
2.6
2.0
3.1
2.5
0.25
GAGE PLANE
1.27
0.40
A
NOTE 3
5.0
4.8
B4.0
3.8
4221637/B 03/2016
PowerPAD SOIC - 1.7 mm max heightDDA0008J
PLASTIC SMALL OUTLINE
NOTES:
1. All linear dimensions are in millimeters. Any dimensions in parenthesis are for reference only. Dimensioning and tolerancing
per ASME Y14.5M.
2. This drawing is subject to change without notice.
3. This dimension does not include mold flash, protrusions, or gate burrs. Mold flash, protrusions, or gate burrs shall not
exceed 0.15 mm per side.
4. This dimension does not include interlead flash. Interlead flash shall not exceed 0.25 mm per side.
5. Reference JEDEC registration MS-012, variation BA.
PowerPAD is a trademark of Texas Instruments.
TM
18
0.1 C A B
5
4
PIN 1 ID
AREA
NOTE 4
SEATING PLANE
0.1 C
SEE DETAIL A
DETAIL A
TYPICAL
SCALE 2.400
EXPOSED
THERMAL PAD
4
1
5
8
DDA0008J
www.ti.com
EXAMPLE BOARD LAYOUT
(5.4)
0.07 MAX
ALL AROUND
0.07 MIN
ALL AROUND
8X (1.55)
8X (0.6)
6X (1.27)
(2.95)
NOTE 9
(4.9)
NOTE 9
(2.6)
(3.1)
SOLDER MASK
OPENING
( ) TYP
VIA
0.2
(1.3) TYP
(1.3)
TYP
4221637/B 03/2016
PowerPAD SOIC - 1.7 mm max heightDDA0008J
PLASTIC SMALL OUTLINE
SYMM
SYMM
SEE DETAILS
LAND PATTERN EXAMPLE
SCALE:10X
1
45
8
SOLDER MASK
OPENING
METAL COVERED
BY SOLDER MASK
SOLDER MASK
DEFINED PAD
NOTES: (continued)
6. Publication IPC-7351 may have alternate designs.
7. Solder mask tolerances between and around signal pads can vary based on board fabrication site.
8. This package is designed to be soldered to a thermal pad on the board. For more information, see Texas Instruments literature
numbers SLMA002 (www.ti.com/lit/slma002) and SLMA004 (www.ti.com/lit/slma004).
9. Size of metal pad may vary due to creepage requirement.
TM
METAL
SOLDER MASK
OPENING
NON SOLDER MASK
DEFINED
SOLDER MASK DETAILS
OPENING
SOLDER MASK METAL UNDER
SOLDER MASK
SOLDER MASK
DEFINED
DDA0008J \ E ‘ i 3 1 w ‘ ' Y m i ‘ (L7,,,T,i iiiyiiiifii VE i 1 Lifiif , \ _,\ 1 7 // i \\\\l 52% YLM 1% L7 4—1
www.ti.com
EXAMPLE STENCIL DESIGN
8X (1.55)
8X (0.6)
6X (1.27)
(5.4)
(2.6)
(3.1)
BASED ON
0.127 THICK
STENCIL
4221637/B 03/2016
PowerPAD SOIC - 1.7 mm max heightDDA0008J
PLASTIC SMALL OUTLINE
2.20 X 2.620.175
2.37 X 2.830.150
2.6 X 3.1 (SHOWN)0.125
2.91 X 3.470.1
SOLDER STENCIL
OPENING
STENCIL
THICKNESS
NOTES: (continued)
10. Laser cutting apertures with trapezoidal walls and rounded corners may offer better paste release. IPC-7525 may have alternate
design recommendations.
11. Board assembly site may have different recommendations for stencil design.
TM
SOLDER PASTE EXAMPLE
EXPOSED PAD
100% PRINTED SOLDER COVERAGE BY AREA
SCALE:10X
SYMM
SYMM
1
45
8
BASED ON
0.125 THICK
STENCIL
BY SOLDER MASK
METAL COVERED SEE TABLE FOR
DIFFERENT OPENINGS
FOR OTHER STENCIL
THICKNESSES
IMPORTANT NOTICE AND DISCLAIMER
TI PROVIDES TECHNICAL AND RELIABILITY DATA (INCLUDING DATA SHEETS), DESIGN RESOURCES (INCLUDING REFERENCE
DESIGNS), APPLICATION OR OTHER DESIGN ADVICE, WEB TOOLS, SAFETY INFORMATION, AND OTHER RESOURCES “AS IS”
AND WITH ALL FAULTS, AND DISCLAIMS ALL WARRANTIES, EXPRESS AND IMPLIED, INCLUDING WITHOUT LIMITATION ANY
IMPLIED WARRANTIES OF MERCHANTABILITY, FITNESS FOR A PARTICULAR PURPOSE OR NON-INFRINGEMENT OF THIRD
PARTY INTELLECTUAL PROPERTY RIGHTS.
These resources are intended for skilled developers designing with TI products. You are solely responsible for (1) selecting the appropriate
TI products for your application, (2) designing, validating and testing your application, and (3) ensuring your application meets applicable
standards, and any other safety, security, regulatory or other requirements.
These resources are subject to change without notice. TI grants you permission to use these resources only for development of an
application that uses the TI products described in the resource. Other reproduction and display of these resources is prohibited. No license
is granted to any other TI intellectual property right or to any third party intellectual property right. TI disclaims responsibility for, and you
will fully indemnify TI and its representatives against, any claims, damages, costs, losses, and liabilities arising out of your use of these
resources.
TI’s products are provided subject to TI’s Terms of Sale or other applicable terms available either on ti.com or provided in conjunction with
such TI products. TI’s provision of these resources does not expand or otherwise alter TI’s applicable warranties or warranty disclaimers for
TI products.
TI objects to and rejects any additional or different terms you may have proposed. IMPORTANT NOTICE
Mailing Address: Texas Instruments, Post Office Box 655303, Dallas, Texas 75265
Copyright © 2022, Texas Instruments Incorporated