NCP3235 Datasheet by onsemi

f 1 3 ON Semiconductor“3 www.0nsemi.com UUUUUUUUUU FH—H—H’H—H—H’H—H—H"
© Semiconductor Components Industries, LLC, 2016
May, 2021 Rev. 2
1Publication Order Number:
NCP3235/D
Buck Converter - High
Current, Synchronous
NCP3235
The NCP3235 is a high current, high efficiency voltage mode
synchronous buck converter which operates from 4.5 V to 23 V input
and generates output voltages down to 0.6 V at up to 15 A continuous
current. It has two operation modes: FCCM and automatic
CCM/DCM. In automatic CCM/DCM mode, the controller can switch
smoothly between CCM and DCM, where converter runs at reduced
switching frequency to achieve much higher efficiency at light load.
The NCP3235 is available in 6 mm x 6 mm QFN40 pin package.
Features
Wide Input Voltage Range from 4.5 V to 23 V
0.6 V Internal Reference Voltage
Switching Frequency Option: 550 kHz, 1.1 MHz
External Programmable SoftStart
Lossless Lowside FET Current Sensing
Output Overvoltage Protection and Undervoltage Protection
Selective Hiccup/Latch Off Operation for All Faults
Prebias Startup
Adjustable Output Voltage
Power Good Output
Internal Overtemperature Protection
Adjustable Input UVLO
This is a PbFree Device
Typical Application
Industry PC Equipment
ASIC, FPGA, DSP and CPU Core and I/O Supplies
Server and Storage System
Telecom and Network Equipment
QFN40 6x6, 0.5P
CASE 485CM
Device Package Shipping
ORDERING INFORMATION
NCP3235MNTXG QFN40
(PbFree)
2500 /
Tape & Reel
MARKING
DIAGRAM
A = Assembly Location
WL = Wafer Lot
YY = Year
WW = Work Week
G = PbFree Package
NCP3235
AWLYYWWG
1
www.onsemi.com
For information on tape and reel specifications,
including part orientation and tape sizes, please
refer to our Tape and Reel Packaging Specification
Brochure, BRD8011/D.
PIN CONNECTIONS
(Top View)
401
1
2
3
4
5
6
7
8
9
10
30
29
28
27
26
25
24
23
22
21
31
32
33
34
35
36
37
38
39
40
20
19
18
17
16
15
14
13
12
11
VIN
EP42
GND
EP41
VSWH
EP43
PGND
PGND
PGND
PGND
PGND
PGND
PGND
PGND
VSWH
VSWH
VSWH
VSWH
VSWH
VSWH
PGND
PGND
PGND
PGND
PGND
VSWH
VIN
VIN
VIN
VIN
VSW
BST
VIN
VIN
VIN
AGND
VCC
EN
PG
AGND
ISET
COMP
FB
SS
MODE
VB
NCP3235
www.onsemi.com
2
Figure 1. NCP3235 Block Diagram
VSWH
VB
BST
Control Logic
Ramp Generator
PWM Logic
and
UVLO
OVP, UVP
Power Good
OCP, TSD
Protection
PGND
VCC
VB
FB
COMP
E/A
VREF
SS
ISET
VIN
AGND
VB
VB
VCC
EN
VCC
Enable
Logic
POR
2mAVB
PG
1.2V
Soft Start
LDO
OSC
VB
VB
Mode
Selection MODE
VSW
Table 1. PIN DESCRIPTION
Pin No. Symbol Description
1 SS A capacitor from this pin to GND allows the user to adjust the softstart ramp time.
2 FB Output voltage feedback.
3 COMP Output of the error amplifier.
4 ISET A resistor from this pin to ground sets the overcurrent protection (OCP) threshold.
5, 37 AGND Analog ground.
6 MODE Mode selection for FCCM mode and automatic CCM/DCM mode, switching frequency and hiccup/latch pro-
tection mode. See table I in the latter page.
7 PG Power good indicator of the output voltage. Opendrain output. Connect PG to VDD with an external resistor.
814,
EP42
VIN The VIN pin is connected to the internal power NMOS switch. The VIN pin has high di/dt edges and must be
decoupled to ground close to the pin of the device.
15, 2934,
EP43
VSWH The VSWH pin is the connection of the drain and source of the internal NMOS switches. At switch off, the
inductor will drive this pin below ground as the body diode and the NMOS conducts with a high dv/dt.
1628 PGND Ground reference and highcurrent return path for the bottom gate driver and low side NMOS.
35 VSW IC connection to the switch node between the top MOSFET and bottom MOSFET. Return path of the high
side gate driver.
36 BST Top gate driver input supply, a bootstrap capacitor connection between the switch node and this pin.
38 VB The internal LDO output and supply for the NCP3235. Connect a minimum of 4.7uF ceramic capacitor from
this pin to ground.
39 VCC Input Supply for IC. This pin must be connected to VIN.
40 EN Logic control for enabling the switcher. An internal pullup enables the device automatically. The EN pin can
also be driven high to turn on the device, or low to turn off the device. A comparator and precision reference
allow the user to implement this pin as an adjustable UVLO circuit.
EP41 GND Exposed Pad. Connect GND to a large copper plane at ground potential to improve thermal dissipation.
I .II. .|_T_,_ .II. 1“? Iv m .|? ITJ :3 Hm _I._ 1.535. W I I. .II. .|_ I. .II. 1T3. W II 1.55%: Ii _|v
NCP3235
www.onsemi.com
3
VCC
VB
BST
VSWH
Vout
NCP3235
VIN
FB
COMP
ISET
SS
EN
PG
VB
AGND PGND
MODE VSW
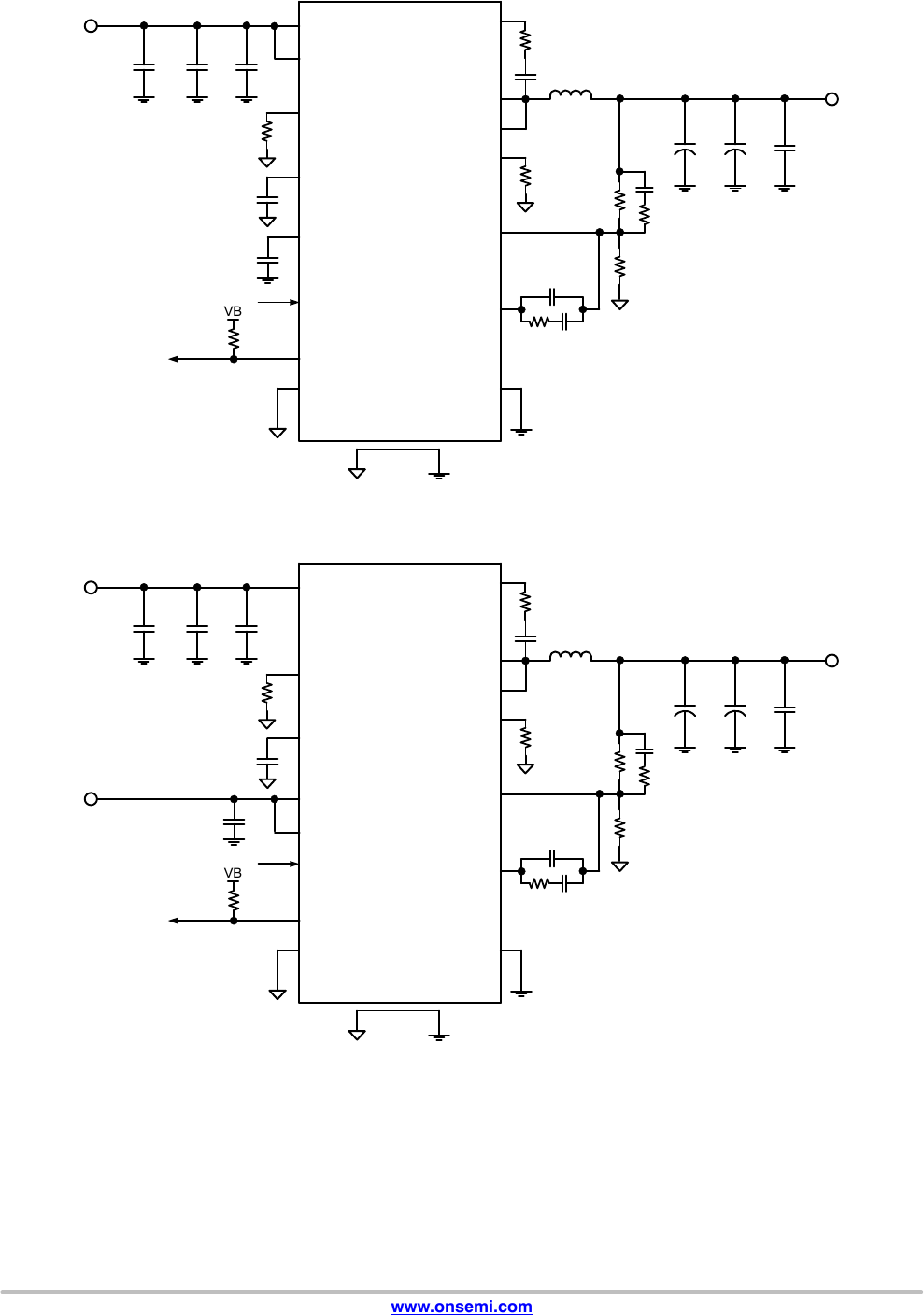
Figure 2. NCP3235 Typical Application Circuit Without External VCC
VIN 4.5 V
VB
BST
VSWH
Vout
NCP3235
VIN
FB
COMP
ISET
SS
EN
PG
VB
AGND PGND
MODE VSW
Figure 3. NCP3235 Typical Application Circuit With VCC = 5 V
VIN 3.0 V
VCC
VCC = 5 V
www onsem' com
NCP3235
www.onsemi.com
4
Table 2. ABSOLUTE MAXIMUM RATINGS (measured vs. GND pad, unless otherwise noted)
Rating Symbol Value Unit
Power Supply to GND VIN, VCC 23
0.3
V
VSW to GND VSWH, VSW 30
0.6 (DC)
35 (t < 50 ns)
5 (t < 50 ns)
V
BST to GND BST 35 (DC)
0.6 (DC)
40 (t < 50 ns)
V
BST to VSW VBST_VSW 6.5 (DC)
0.3 (DC)
V
VIN to VSW, VIN = VCC 0.3 to 28 (DC)
4 (t < 50 ns)
V
All other input pins 6.0
0.3
V
Electrostatic Discharge Human body model HBM 1.0 kV
Electrostatic Discharge Charge device model CDM 2.0 kV
Operating Ambient Temperature Range TA40 to +125 °C
Operating Junction Temperature Range TJ40 to +125 °C
Maximum Junction Temperature TJ(MAX) +150 °C
Storage Temperature Range Tstg 55 to +150 °C
Stresses exceeding those listed in the Maximum Ratings table may damage the device. If any of these limits are exceeded, device functionality
should not be assumed, damage may occur and reliability may be affected.
Table 3. THERMAL INFORMATION
HS FET Junctiontocasebottom thermal resistance (Note 1) RqJCHS 1.3 °C/W
LS FET Junctiontocasebottom thermal resistance (Note 1) RqJCLS 0.6 °C/W
Junctiontoambient thermal resistance RqA35 °C/W
1. RθJC thermal resistance is obtained by simulating a cold plate test on the exposed power pad. No specific JEDEC standard test exists, but
a close description can be found in the ANSI SEMI standard G3088.
www.cnsemi.com
NCP3235
www.onsemi.com
5
Table 4. ELECTRICAL CHARACTERISTICS
(40°C < TJ < +125°C, VCC = 12 V, for min/max values unless otherwise noted, TJ = +25°C for typical values)
Parameter Symbol Test Conditions Min Typ Max Units
POWER SUPPLY
VIN/VCC Operation Voltage VIN/VCC 4.5 21 V
VB UVLO Threshold (Rising) 4.2 4.3 4.4 V
VB UVLO Threshold (Falling) 3.8 3.95 4.0 V
VB Output Voltage VB VCC = 6 V, 0 IB 40 mA 4.86 5.15 5.45 V
VB Dropout voltage IB = 25 mA, VCC = 4.5 V 65 120 mV
VCC Quiescent Current EN=H, COMP=H, no switching;
PG open; no switching
4.7 6.4 mA
Shutdown Supply Current EN=0; Vcc=21 V; PG open 100 140 mA
EN=0; Vcc=4.5; PG open 75 85 mA
FEEDBACK VOLTAGE
FB input voltage VFB TJ = 25°C, 4.5 V VCC 21 V 597 600 603 mV
40°C TJ 125°C;
4.5 V VCC 21 V
594 600 606
Feedback Input Bias Current IFB VFB = 0.6 V 75 nA
ERROR AMPLIFIER
Open Loop DC Gain (GBD) 60 85 dB
Open Loop Unity Gain Bandwidth F0dB,EA 24 MHz
Open Loop Phase Margin 60 deg
Slew Rate COMP pin to GND = 10 pF 2.5 V/m
COMP Clamp Voltage, High 3.3 V
COMP Clamp Voltage, Low 0.57 V
Output Source Current VFB = 0.55 V 15 mA
Output Sink Current VFB = 1 V 20 mA
CURRENT LIMIT
Lowside RDS(on)/ISET RDS(on)/
ISET
Guaranteed by
characterization, TJ = 25°C
108 W/A
Lowside ISET Current Source
Temperature Coefficient
TC_LS_ISET +0.33 %/°C
Lowside OCP switchover threshold Guaranteed by design 600 mV
Lowside Fixed OCP threshold LS_OCPth Guaranteed by design 600 mV
Lowside programmable OCP range Guaranteed by design <600 mV
LS OCP Blanking time LS_Tblnk Guaranteed by design 150 ns
PWM
Maximum duty cycle fsw = 550 kHz,
4.5 V < VCC < 21 V
87 %
fsw = 1.1 MHz,
4.5 V < VCC < 21 V
76
Minimum duty cycle VCOMP < PWM Ramp Offset
Voltage
0 %
Minimum GH ontime Guaranteed by design 35 ns
PWM Ramp Amplitude Guaranteed by characterization VCC/7.9 VCC/6.5 VCC/5.6 V
PWM Ramp Offset 0.67 V
www onsem' com
NCP3235
www.onsemi.com
6
Table 4. ELECTRICAL CHARACTERISTICS
(40°C < TJ < +125°C, VCC = 12 V, for min/max values unless otherwise noted, TJ = +25°C for typical values)
Parameter UnitsMaxTypMinTest ConditionsSymbol
OSCILLATOR
Oscillator Frequency Range fsw fsw = 550 kHz
4.5 V < VCC < 21 V
500 550 600 kHz
fsw = 1100 kHz
4.5 V < VCC < 21 V
990 1100 1210
Hiccup Timer Thiccup tss < 1 ms 4ms
Tss > 1 ms 4 x tss
ZERO CROSSING
Zero Crossing Comparator Internal
Offset
PGNDVSW, Automatic
CCM/DCM
Guaranteed by design
4.5 3.0 1.5 mV
MODE
Mode pin threshold voltage ModeTHS GND 0.25 V
49.9 kW0.43 0.65
100 kW0.86 1.15
174 kW1.48 2.0
Floating 2.4
Mode pin source current IMode 8.8 10 11.2 mA
ENABLE INPUT (EN)
EN Input Operating Range 5.5 V
Enable Threshold Voltage V_EN Min VEN rising 1.11 1.2 1.29 V
Enable Threshold Voltage Max VEN falling 1.05 V
Deep Disable Threshold 0.7 0.8 0.9 V
Enable Pullup Current 2mA
SOFTSTART INPUT (SS)
SS Startup Delay tSSD 1.45 ms
SS End Threshold SSEND 0.6 V
SS Source Current ISS 2.15 2.5 2.8 mA
VOLTAGE MONITOR
Power Good Sink Current PG = 0.15 V 10 20 30 mA
Output Overvoltage Rising Threshold 687 700 713 mV
Overvoltage Fault Blanking Time 4.0 ms
Output UnderVoltage Trip Threshold 475 500 525 mV
Undervoltage Protection Blanking
Time
20 ms
POWER STAGE
Highside On Resistance RDSONH VIN/VCC = 5 V, ID = 2 A 6.5 10 mW
Lowside On Resistance RDSONL VIN/VCC = 5 V, ID = 2 A 2.9 5.2 mW
VFBOOT IBOOT = 2 mA 28 mV
THERMAL SHUTDOWN
Thermal Shutdown Threshold Guaranteed by Characterization 150 °C
Thermal Shutdown Hysteresis Guaranteed by Characterization 25 °C
Product parametric performance is indicated in the Electrical Characteristics for the listed test conditions, unless otherwise noted. Product
performance may not be indicated by the Electrical Characteristics if operated under different conditions.
NCP3235
www.onsemi.com
7
TYPICAL CHARACTERISTICS
Figure 4. Reference Voltage vs. Temperature Figure 5. RDS(on)/Iset vs. Temperature
TJ, JUNCTION TEMPERATURE (°C) TJ, JUNCTION TEMPERATURE (°C)
958065355102540
0.596
0.597
0.598
0.599
0.600
0.601
0.602
104
106
108
110
112
114
116
Figure 6. Rising Enable Threshold vs.
Temperature
Figure 7. Falling Enable Threshold vs.
Temperature
TJ, JUNCTION TEMPERATURE (°C) TJ, JUNCTION TEMPERATURE (°C)
1.18
1.20
1.21
1.22
1.23
1.02
1.05
1.06
1.07
1.08
Figure 8. Shutdown Current vs. Temperature Figure 9. Quiescent Current vs. Temperature
TJ, JUNCTION TEMPERATURE (°C) TJ, JUNCTION TEMPERATURE (°C)
1108050205102540
50
70
80
100
120
0
1
2
3
4
5
6
VFB, FEEDBACK REFERENCE VOLTAGE (V)
RDS(on)/Iset
VEN, RISING ENABLE THRESHOLD (V)
VEN, FALLING ENABLE THRESHOLD (V)
ISD, SHUTDOWN CURRENT (mA)
IQ, QUIESCENT CURRENT (mA)
20 50 110 125 907560300153045 15 45 105 120
958065355102540 20 50 110 125 958065355102540 20 50 110 125
35 65 95 125
60
90
110
VCC = 12 V
1108050205102540 35 65 95 125
0.603
0.604
135
118
1.19
1.04
1.03
VCC = 12 V
www.cnsemi.com
NCP3235
www.onsemi.com
8
TYPICAL CHARACTERISTICS
Figure 10. Softstart Current vs. Temperature Figure 11. HS RDS(on) vs. Temperature
TJ, JUNCTION TEMPERATURE (°C) TJ, JUNCTION TEMPERATURE (°C)
2.30
2.35
2.45
2.50
2.60
2.65
2.70
13510560453001545
4
5
6
7
8
9
10
ISS, SOFTSTART CURRENT (mA)
HS RDS(on)
11080502051025 35 65 95 12540
2.40
2.55
120901530 75
VIN/VCC = 12 V
Figure 12. LS RDS(on) vs. Temperature Figure 13. VB UVLO Rising Threshold vs.
Junction Temperature
TJ, JUNCTION TEMPERATURE (°C) TJ, JUNCTION TEMPERATURE (°C)
2.0
2.5
3.0
3.5
4.0
4.5
5.0
4.20
4.24
4.28
4.32
4.36
4.40
Figure 14. VB UVLO Falling Threshold vs.
Junction Temperature
Figure 15. Output OVP vs. Junction
Temperature
TJ, JUNCTION TEMPERATURE (°C) TJ, JUNCTION TEMPERATURE (°C)
3.80
3.84
3.88
3.92
3.96
4.00
695
699
703
705
LS RDS(on)
VB UVLO RISING THRESHOLD
VOLTAGE (V)
VB UVLO, FALLING THRESHOLD VOLTAGE (V)
OVP, OVERVOLTAGE THRESHOLD (mV)
1209045150153045 30 60 105 135 1108050205102540 35 65 95 125
1108050205102540 35 65 95 125 1108050205102540 35 65 95 125
697
701
VIN/VCC = 12 V
75
4.38
4.34
4.30
4.26
4.22
Somc Mode
NCP3235
www.onsemi.com
9
TYPICAL CHARACTERISTICS
Figure 16. Output UVP vs. Junction
Temperature
Figure 17. Efficiency (FSW = 550 kHz,
VIN = 12 V, TA = Room)
LOAD CURRENT (A)
16121086420
70
75
80
85
90
95
100
Figure 18. Efficiency (FSW = 550 kHz,
VIN = 5 V, TA = Room)
Figure 19. Efficiency (FSW = 550 kHz,
VIN = 19 V, TA = Room)
LOAD CURRENT (A) LOAD CURRENT (A)
14121086420
70
75
80
85
90
95
100
14121086420
60
65
70
75
80
90
95
100
Figure 20. Efficiency (VOUT = 1.0 V,
VIN = 12 V, TA = Room)
Figure 21. Power Loss Difference
(VOUT = 1.0 V, VIN = 12 V, TA = Room)
LOAD CURRENT (A) LOAD CURRENT (A)
14121086420
65
70
75
80
85
90
95
0.400.350.250.200.150.100.050
0
0.02
0.04
0.06
0.08
0.14
0.16
0.20
EFFICIENCY (%)
EFFICIENCY (%)
EFFICIENCY (%)
EFFICIENCY (%)
POWER LOSS (W)
TJ, JUNCTION TEMPERATURE (°C)
490
494
498
506
510
UVP, UNDERVOLTAGE THRESHOLD (mV)
1108050205102540 35 65 95 125
502
14
VOUT = 1.0 V
VOUT = 1.2 V
VOUT = 1.5 V
VOUT = 1.8 V
VOUT = 2.5 V
VOUT = 3.3 V
VOUT = 5.0 V
VOUT = 1.0 V
VOUT = 1.2 V
VOUT = 1.5 V
VOUT = 1.8 V
VOUT = 2.5 V
VOUT = 3.3 V
16 16
85
VOUT = 1.0 V
VOUT = 1.2 V
VOUT = 1.5 V
VOUT = 1.8 V
VOUT = 2.5 V
VOUT = 3.3 V
VOUT = 5.0 V
VOUT = 12 V
16
FSW = 550 kHz
FSW = 1.1 MHz
None Sonic Mode
0.30
Sonic Mode
0.10
0.12
0.18
‘ a» mu m/Mw v, M" nan swam mm m H mm. be 5m
NCP3235
www.onsemi.com
10
TYPICAL CHARACTERISTICS
Figure 22. Soft Start Waveform
(no load, sonic mode disabled)
Figure 23. Prebiased Soft Start Waveform
(no load, sonic mode disabled)
CH1 (Yellow): EN
CH2 (Green): VSW
CH3 (Orange): PG
CH4 (Blue): Vout
Figure 24. Steadystate CCM Operation
(load = 10 A)
Figure 25. Steadystate DCM Operation
(load = 0 A), sonic mode (enabled) limits
switching frequency around 30 kHz
CH1 (Yellow): EN
CH2 (Green): VSW
CH3 (Orange): PG
CH4 (Blue): Vout
CH1 (Yellow): COMP
CH2 (Green): VSW
CH3 (Blue): Vout
CH1 (Yellow): COMP
CH2 (Green): VSW
CH3 (Blue): Vout
www onseml com
NCP3235
www.onsemi.com
11
TYPICAL CHARACTERISTICS
Figure 26. Steadstate DCM Operation
(load = 0 A), sonic mode (disabled) allows
switching frequency drop to about 100 Hz
Figure 27. Hiccup in Over Current Protection
CH1 (Yellow): SS pin
CH2 (Green): VSW
CH3 (Blue): Vout
CH1 (Yellow): COMP
CH2 (Green): VSW
CH3 (Blue): Vout
www onsem' com
NCP3235
www.onsemi.com
12
OPERATION DESCRIPTION
The NCP3235 is a high efficiency, high current PWM
synchronous buck converter. It operates with a single supply
voltage from 4.5 to 23 V and provides output current as high
as 15 A. NCP3235 utilizes voltage mode with voltage
feedforward control to respond instantly to input voltage
changes and provide for easier compensation over the
supply range of the converter. The device also includes
prebias startup capability to allow monotonic startup in the
event of a prebiased output condition.
The NCP3235 provides two operation modes to fit various
application requirements. The automatic CCM/DCM mode
operation provides reduced power loss and increases the
efficiency at light load. The adaptive power control
architecture enables smooth transition between light load
and heavy load while maintaining fast response to load
transients.
Protection features include overcurrent protection (OCP),
output over and under voltage protection (OVP, UVP), and
power good indicator. The enable function is highly
programmable to allow for adjustable startup voltages at
higher input voltages. There is also an adjustable softstart,
and internal thermal shutdown.
Operation Mode
The NCP3235 offers five options programmed by MODE
pin connections, see Table 5 below.
Table 5. OPERATION MODE SELECTION
MODE pin Connection Switching Frequency Operation Mode Overvoltage Protection Sonic Mode
GND 550 kHz Automatic CCM/DCM Latch off enabled
49.9 kW (±1%) 550 kHz Automatic CCM/DCM Latch off disabled
100 kW (±1%) 1.1 MHz Automatic CCM/DCM Latch off enabled
174 kW (±1%) 1.1 MHz FCCM Hiccup not applied
Floating 1.1 MHz Automatic CCM/DCM Latch off disabled
In forced continuous conduction mode (FCCM), the
highside FET is ON during the ontime and the lowside
FET is ON during the offtime. The switching is
synchronized to an internal clock thus the switching
frequency is fixed.
In Automatic CCM/DCM mode, the highside FET is ON
during the ontime and lowside FET is ON during the
offtime until the inductor current reaches zero. An internal
zerocrossing comparator detects the zero crossing of the
inductor current from positive to negative. When the
inductor current reaches zero, the comparator sends a signal
to the logic circuitry and turns off the lowside FET.
When the load is increased, the inductor current is always
positive and the zerocrossing comparator does not send any
zerocrossing signal. The converter enters into continuous
conduction mode (CCM) when no zerocrossing is detected
for two consecutive PWM pulses. In CCM mode, the
switching synchronizes to the internal clock and the
switching frequency is fixed.
For high output voltage more than 1.8 V, recommend
mode selection of either FCCM or sonic mode enabled to
avoid low voltage in BST cap at noload condition.
Automatic Power Saving Mode
In Automatic CCM/DCM mode when the load current
decreases, the converter will enter power saving mode
operation. During power saving mode, the lowside
MOSFET will turn off when the inductor current reaches
zero. So the converter skips switching and operates with
reduced frequency, which minimizes the quiescent current
and maintains high efficiency. When sonic mode is enabled,
the lowest switching frequency is limited above 30 kHz to
stay out of audible noise frequency range.
Forced Continuous Conduction Mode
When MODE pin is connected with 175 kW resistor, the
NCP3235 is operating in forced continuous conduction
mode in both light load and heavy load conditions. In this
mode, the switching frequency remains constant over the
entire load range, making it suitable for applications that
need tight regulation of switching frequency at a cost of
lower efficiency at light load.
Reference Voltage
The NCP3235 incorporates an internal reference that
allows output voltages as low as 0.6 V. The tolerance of the
internal reference is guaranteed over the entire operating
temperature range of the controller. The reference voltage is
trimmed using a test configuration that accounts for error
amplifier offset and bias currents.
Oscillator Ramp
The ramp waveform is a sawtooth form at the PWM
frequency with a peaktopeak amplitude of VCC/6.0, offset
from GND by typically 0.64 V. The PWM duty cycle is
limited to a maximum of 92%, allowing the bootstrap
capacitors to charge during each cycle.
ref
NCP3235
www.onsemi.com
13
Error Amplifier
The error amplifiers primary function is to regulate the
converters output voltage using a resistor divider connected
from the converters output to the FB pin of the controller,
as shown in the Applications Schematic. A type III
compensation network must be connected around the error
amplifier to stabilize the converter. It has a bandwidth of
greater than 24 MHz, with open loop gain of at least 60 dB.
Programmable SoftStart
An external capacitor connected from the SS pin to
ground sets up the soft start period, which can limit the
startup inrush current. The soft start period can be
programmed based on the Equation 1.
tSS +
CSS @Vref
ISS
(eq. 1)
OCP and TSD (thermal shutdown) are the only
protections that are active during a softstart.
Adaptive NonOverlap Gate Driver
In a synchronous buck converter, a certain dead time is
required between the low side drive signal and high side
drive signal to avoid shoot through. During the dead time,
the body diode of the low side FET freewheels the current.
The body diode has much higher voltage drop than that of
the MOSFET, which reduces the efficiency significantly.
The longer the body diode conducts, the lower the
efficiency. NCP3235 implements adaptive dead time
control to minimize the dead time, as well as preventing
shoot through.
Precision Enable (EN)
The ENABLE block allows the output to be toggled on
and off and is a precision analog input.
When the EN voltage exceeds V_EN, the controller will
initiate the softstart sequence as long as the input voltage
and subregulated voltage have exceeded their UVLO
thresholds. V_EN_hyst helps to reject noise and allow the
pin to be resistively coupled to the input voltage or
sequenced with other rails.
If the EN voltage is held below typically 0.8 V, the
NCP3235 enters a deep disable state where the internal bias
circuitry is off. As the voltage at EN continues to rise, the
Enable comparator and reference are active and provide a
more accurate EN threshold. The drivers are held off until
the rising voltage at EN crosses V_EN. An internal 2 mA
pullup automatically enables the device when the EN pin is
left floating.
EN
VDD
2uA
1.2 V
Enable
Logic
INPUT SUPPLY / VCC
Figure 28. Enable Functional Block Diagram
Prebias Startup
In some applications the controller will be required to start
switching when it’s output capacitors are charged anywhere
from slightly above 0 V to just below the regulation voltage.
This situation occurs for a number of reasons: the
converters output capacitors may have residual charge on
them or the converters output may be held up by a low
current standby power supply. NCP3235 supports prebias
start up by holding off switching until the feedback voltage
rises above the set regulated voltage. If the prebias voltage
is higher than the set regulated voltage, switching does not
occur until the output voltage drops back to the regulation
point.
www onsem' com
NCP3235
www.onsemi.com
14
PROTECTION FEATURES
Hiccup Mode
The NCP3235 uses hiccup mode for over current
protection. Upon entering hiccup mode after a fault
detection, the NCP3235 turns off the high side and low side
FET’s and PG goes low. It waits for tHiccup ms before
reinitiating a softstart. tHiccup is defined as four soft start
timeouts (tss). The equation for tss is shown in Equation 1.
OCP is the only active fault detection during the hiccup
mode soft start.
Over Voltage Protection (OVP)
When the voltage at the FB pin (VFB) is above the OVP
threshold for greater than 5 ms (typical), an OVP fault is set.
The high side FET (HSFET) will turn off and the low side
FET (LSFET) will turn on. The opendrain PG pull down
will turn on at that point as well, thus pulling PG low. Once
VFB has fallen below the Undervoltage Protection
Threshold (UVP), the device will enter hiccup/latch off
mode. If entering latch off mode after a fault detection, the
NCP3235 turns off the high side and turns on the low side
FET’s and PG goes low. The user has to toggle the input
power supply to restart the device.
Under Voltage Protection (UVP)
A UVP circuit monitors the VFB voltage to detect an
under voltage event. If the VFB voltage is below this
threshold for more than 20 ms, a UVP fault is set and the
device will enter hiccup mode.
Over Current Protection (OCP)
The NCP3235 over current protection scheme senses the
peak freewheeling current in the lowside FET (LSOCP)
after a blanking time of 150 ns as shown in Figure 29. The
lowside MOSFET drain to source voltage is compared
against the voltage of an internal temperature compensated
current source and a userselected resistor RSET. The value
of RSET for a given OCP level is defined by the follow
equation:
RSET +
iLS RDSON 4
iSET
(eq. 2)
In this equation, iLS is the inductor peak current value,
RDSON is the on resistance of lowside MOSFET, and iSET
is an internal current source used to compensate the
temperature effects of on resistance of lowside MOSFET.
NCP3235 can guarantee that RDSON/iSET is a constant
value. By doing this, OCP accuracy won’t be affected by the
variation of MOSFET RDSON. In case RSET is not
connected, the device switches the OCP threshold to a fixed
600 mV threshold.
After one OCP event is detected, the NCP3235 keeps the
highside MOSFET off until the lowside MOSFET falls
below the trip point again and the highside MOSFET turns
on in the next clock cycle. So the lowside over current
protection shows pulse skipping behavior. An internal OCP
counter will count up to 3 consecutive OCP events. After the
third consecutive count, the device enters hiccup/latch
mode. The scheme of LS OCP and hiccup mode protection
is described in Figure 29.
Thermal Shutdown (TSD)
The NCP3235 protects itself from overheating with an
internal thermal monitoring circuit. If the junction
temperature exceeds the thermal shutdown threshold both
the upper and lower MOSFETs will be shut OFF. Once the
temperature drops below the falling hysteresis threshold, the
voltage at the COMP pin will be pulled below the ramp
valley voltage and a softstart will be initiated.
Power Good Monitor (PG)
NCP3235 monitors the output voltage and signal when the
output is out of regulation or during a nonregulated
prebias condition, or fault condition. When the output
voltage is within the OVP and UVP thresholds, the power
good pin is a high impedance output. If the NCP3235 detects
an OCP, OVP, UVP, TSD or is in soft start, it pulls PG pin
low. The PG pin is an open drain 5mA pull down output.
Layout Guide
When laying out a power PCB for the NCP3235 there are
several key points.
General Layout Guide: these are the common techniques
for high frequency high power board layout design.
Base component placement: High current path
components should be placed to keep the current path as
tight as possible. Placement of components on the bottom of
the board such as input or output decoupling can add loop
inductance.
Ground Return for Power and Signals: Solid,
uninterrupted ground planes must be present and adjacent to
the high current path.
Copper Shapes on Component Layers: Large copper
planes on one or multiple layers with adequate vias will
increase thermal transfer, reduce copper conduction losses,
and minimize loop inductance. Greater than 20 A designs
require 2~3 layer shapes or more, increasing the number of
layers will only improvement performance.
Via Placement for Power and Ground: Place enough vias
to adequately connect outer layers to inner layers for thermal
transfer and to minimize added inductance in layer
transition. Multiple vias should be placed near important
components like input and output ceramic capacitors.
Key Signal Routes: Do not route sensitive signals, such as
FB near or under noisy nets such as the switch node VSW
and BST node, to reduce noise coupling effects on the
sensitive lines.
To improve the Lowside OCP accuracy, users should use
single ground connection instead of separate analog ground
and power ground. Make sure that the inner layers (at least
2nd layer, 3rd layer and 4th layer) are dedicated for ground
plane. Do not use other copper planes to break or interrupt
www.0nsem iiii
NCP3235
www.onsemi.com
15
the shape of ground plane, which may add more parasitic
components to affect the sensing accuracy.
Thermal management consideration: the major heat flow
path from package to the ambient is through the copper on
the PCB, the area and thickness of copper plane affect the
themeral performance; maximize the copper coverage on all
the layers to increase the effective thermal conductivity of
the board. This is importatnt especially when there is no heat
sinks attached to the PCB on the other side of the package.
Add as many thermal vias as possible directly under the
package ground pad to maximize the effective outofplane
thermal conductivity of the board; all the thermal vias must
be either plated (copper) shut or plugged and capped on both
sides of the board. This prevents solder seeping in to the
thermal vias causing solder voids. Solder voids are
detrimental to the thermal and electrical performance of the
package; to ensure reliability and performance, the solder
coverage should be at least 85 percent. This means the total
voids on the ground pad should be less than 15 percent with
no single void larger than 1 mm. Several smaller voids are
always better than a few big voids.
1 2 3
Hiccup Counter
Hiccup
Backup Counter
Reset/StartStart
Start
Reset/Start
Power Good Pullup Voltage
Power Good (PG) Operation
Inductor Current
LSOCP Trip Level
Skipped Pulses showing Skip Count
tHiccup = 4xtSS
Figure 29. LSOCP Function with Counters and Power Good Shown (exaggerated for informational purposes)
0N Semiwndudw" m | 40 SCALE 2:1 R @ Arm: n asgsréb ID U i , "W E w ‘ l 1 55mm TOP VIEW @/ aa a: 7: O a E" 3 K‘ a. A M G D BOTTOM VIEW MOVE: A : Assemb‘y Locahon WL : Wafer Lol SOLDERING FOOTPRINT YY : V93" WW : Work Week 6.30 4 56 e : Pb—Fvee Package E , “This mfcrmahon IS genenc P‘ease refer 1.66 *256 m dewce data sheel '0! aclual part marking, 1mm: 1mm] Pb-Freemdxcalor,“G“crmxcrodot“ ._. f may or may not be presem 2.16 E E : E + % 4- 2 16 E E ON Samaanuuamn and are Mademavks av Semxcanduclur Campunenls lndusmes LLC dba ON Semxcanduclar ar us suhsxdxanes m xna Umled sxaxaa andJm mhev commas ON Semxcunduclar vesewes ma th| to make changes wuhum Yunhev nauaa to any pruduns nanan ON Semanduc‘nv makes m7 wanamy represenlalmn m guarantee regardmg ma sumahmy at w; manuals can any pamcu‘av purpase nnv dues ON Semumnduclm assume any Mammy ansmg mac xna apphcahan m use no any pmduclnv mum and saaamcauy dwsc‘axms any and au Mammy mcmdmg wnnam nnmauan spema‘ cansequenha‘ m \nmdenla‘ damages ON Sannmnauaxar dues nn| aanyay any hcense under n5 pa|em thls nar xna ngma av n|hers
QFN40 6x6, 0.5P
CASE 485CM
ISSUE O
DATE 05 JUN 2012
SCALE 2:1
SEATING
0.15 C
(A3)
A
A1
b
1
40
2X
2X
40X
L
40X
BOTTOM VIEW
TOP VIEW
SIDE VIEW
DA B
E
0.15 C
PIN ONE
LOCATION
0.10 C
0.08 C
C
e
A0.10 B
C
0.05 C
NOTES:
1. DIMENSIONING AND TOLERANCING PER
ASME Y14.5M, 1994.
2. CONTROLLING DIMENSIONS: MILLIMETERS.
3. DIMENSION b APPLIES TO PLATED
TERMINAL AND IS MEASURED BETWEEN
0.15 AND 0.30mm FROM TERMINAL
4. COPLANARITY APPLIES TO THE EXPOSED
PAD AS WELL AS THE TERMINALS.
5. POSITIONAL TOLERANCE APPLIES TO ALL
THREE EXPOSED PADS.
DIM MIN MAX
MILLIMETERS
A0.80 1.00
A1 −−− 0.05
A3 0.20 REF
b0.18 0.30
D6.00 BSC
D2 2.30 2.50
E6.00 BSC
4.50E2 4.30
e0.50 BSC
L0.30 0.50
K0.20 −−−
401
PLANE
SOLDERING FOOTPRINT
D3 1.40 1.60
2.10E3 1.90
L1 −−− 0.15
NOTE 4
e/2
E2
D2
NOTE 3
E3
XXXXXXXX
XXXXXXXX
AWLYYWWG
1
GENERIC
MARKING DIAGRAM*
XXXXX = Specific Device Code
A = Assembly Location
WL = Wafer Lot
YY = Year
WW = Work Week
G = PbFree Package
*This information is generic. Please refer
to device data sheet for actual part
marking.
PbFree indicator, “G” or microdot “ G”,
may or may not be present.
43X
DETAIL B
L1
DETAIL A
L
ALTERNATE
CONSTRUCTIONS
L
DETAIL B
MOLD CMPDEXPOSED Cu
ALTERNATE
CONSTRUCTION
G2.20 BSC
D3
E4
G
DETAIL A
A0.10 BC
NOTE 5
K
DIMENSIONS: MILLIMETERS
2.16
6.30
4.56
4.56
2.56
0.50
0.63
0.30
40X
40X
PITCH
2.16
6.30
1.66
PKG
OUTLINE
1
G
G
1.84E4 1.64
MECHANICAL CASE OUTLINE
PACKAGE DIMENSIONS
ON Semiconductor and are trademarks of Semiconductor Components Industries, LLC dba ON Semiconductor or its subsidiaries in the United States and/or other countries.
ON Semiconductor reserves the right to make changes without further notice to any products herein. ON Semiconductor makes no warranty, representation or guarantee regarding
the suitability of its products for any particular purpose, nor does ON Semiconductor assume any liability arising out of the application or use of any product or circuit, and specifically
disclaims any and all liability, including without limitation special, consequential or incidental damages. ON Semiconductor does not convey any license under its patent rights nor the
rights of others.
98AON81111E
DOCUMENT NUMBER:
DESCRIPTION:
Electronic versions are uncontrolled except when accessed directly from the Document Repository.
Printed versions are uncontrolled except when stamped “CONTROLLED COPY” in red.
PAGE 1 OF 1
QFN40 6x6, 0.5P
© Semiconductor Components Industries, LLC, 2019 www.onsemi.com
a a e lrademavks av Semxcunduclm Cnmvnnems In "sine \ghlsmanumhernlpalems \rademavks Dav www menu cumrsuerguwaxem Mavkmg gm 9 www nnserm cum
www.onsemi.com
1
ON Semiconductor and are trademarks of Semiconductor Components Industries, LLC dba ON Semiconductor or its subsidiaries in the United States and/or other countries.
ON Semiconductor owns the rights to a number of patents, trademarks, copyrights, trade secrets, and other intellectual property. A listing of ON Semiconductor’s product/patent
coverage may be accessed at www.onsemi.com/site/pdf/PatentMarking.pdf. ON Semiconductor reserves the right to make changes without further notice to any products herein.
ON Semiconductor makes no warranty, representation or guarantee regarding the suitability of its products for any particular purpose, nor does ON Semiconductor assume any liability
arising out of the application or use of any product or circuit, and specifically disclaims any and all liability, including without limitation special, consequential or incidental damages.
Buyer is responsible for its products and applications using ON Semiconductor products, including compliance with all laws, regulations and safety requirements or standards,
regardless of any support or applications information provided by ON Semiconductor. “Typical” parameters which may be provided in ON Semiconductor data sheets and/or
specifications can and do vary in different applications and actual performance may vary over time. All operating parameters, including “Typicals” must be validated for each customer
application by customer’s technical experts. ON Semiconductor does not convey any license under its patent rights nor the rights of others. ON Semiconductor products are not
designed, intended, or authorized for use as a critical component in life support systems or any FDA Class 3 medical devices or medical devices with a same or similar classification
in a foreign jurisdiction or any devices intended for implantation in the human body. Should Buyer purchase or use ON Semiconductor products for any such unintended or unauthorized
application, Buyer shall indemnify and hold ON Semiconductor and its officers, employees, subsidiaries, affiliates, and distributors harmless against all claims, costs, damages, and
expenses, and reasonable attorney fees arising out of, directly or indirectly, any claim of personal injury or death associated with such unintended or unauthorized use, even if such
claim alleges that ON Semiconductor was negligent regarding the design or manufacture of the part. ON Semiconductor is an Equal Opportunity/Affirmative Action Employer. This
literature is subject to all applicable copyright laws and is not for resale in any manner.
PUBLICATION ORDERING INFORMATION
TECHNICAL SUPPORT
North American Technical Support:
Voice Mail: 1 8002829855 Toll Free USA/Canada
Phone: 011 421 33 790 2910
LITERATURE FULFILLMENT:
Email Requests to: orderlit@onsemi.com
ON Semiconductor Website: www.onsemi.com
Europe, Middle East and Africa Technical Support:
Phone: 00421 33 790 2910
For additional information, please contact your local Sales Representative