Stabilize Critical Industrial IoT Connections Using Updated Wired Interfaces
Contributed By DigiKey's North American Editors
2017-03-02
The Industrial Internet of Things (IIoT) means there are more transducers, both sensors and actuators, which need to be connected. While wireless links seem to be the simple solution for connectivity, they are subject to security concerns, higher initial cost, and the uncertainties of RF propagation in an industrial environment.
Instead, many applications are better served using traditional but much improved transceivers based on RS-232, RS-422, RS-423, and RS-485 protocols. These can help designers optimize for system reliability, signal integrity, and cost effectiveness. The aggregated data that has been collected via these wired links can then be connected via a robust wired or wireless link to the back-end network and the Internet.
However, there are new demands being put upon these established and successful wired standards that go beyond their original requirements. Higher channel count and density, along with faster data rates, are challenging designers to devise satisfactory solutions that mesh with new mandates covering ESD (electrostatic discharge), lower voltage operation, and fault tolerant requirements.
What is RS-232 and its related standards?
Recommended Standard 232 (RS-232) was released by the Electronic Industries Association (EIA) in 1962. Its original role was to connect computers to electromechanical teletypewriters (often called "Telex" machines), modems, and printers, but the standard was soon adopted for many other interface applications.
RS-232 is a relatively simple standard and is limited to point-to-point serial links with a single sender and receiver. It can be used for simplex, half-duplex, and full-duplex links, and was limited to 19,200 baud (not necessarily the same as bits/sec, but often is). The most widely used revision, RS-232D, specified use of ±25 volts for the signaling of ones and zeros. Note that the standard did not specify the encoding of the data itself. It only called out the signal levels, slew rates, start/stop framing, and basic handshaking for the connection.
To meet the need of growing networks, the standard was extended to RS-422, RS-423, and finally RS-485, which added multi-drop capability, higher speeds, and longer distances (Table 1).
|
||||||||||||||||||||||||||||||||||||||||||||||||||||||||||||||||||||||||||||||||||||||||||
Table 1: This summary of the key electrical specifications and performance of the various RS-xxx standards is a starting point to understanding their features. The full standards call out the test conditions and circuits for all operating parameters. (Data source: Adapted from R.E. Smith Inc.)
Many users of the various RS standards chose to not follow the standard exactly, but instead used modified, proprietary variations in order to increase speed, or gain some other attribute. These variants may not be fully compatible with other interfaces despite the same nominal label. Also note that the various RS standards do not specify or mandate the connector type. That said, the most commonly recommended connector is a D-shaped connector with 9, 15, or 25 pins (Figure 1).

Figure 1: Although the RS-xxx standards do not mandate a connector type, the multi-pin D-style connector is recommended and often (though not exclusively) used. Shown is the 9-pin version, though 15- and 25-pin versions are also in use. (Image source: Wikipedia)
As popular and widespread as RS-xxx has become, designers need higher channel counts and density, along with faster data rates. They are also being challenged to devise satisfactory solutions that mesh with new mandates covering failsafe (fault-tolerant) requirements, transient ESD (electrostatic discharge) protection, and lower voltage operation. There are many choices of RS-xxx transceivers to consider, each with different combinations of features in addition to basic performance specifications.
Failsafe versus faults
In recent years, the RS-485 standard has become dominant in the RS-xxx group because of its higher speed, lower voltage, and multiple sender/receiver capabilities (Figure 2). The RS-485 standard states that a receiver should assert logic-high output when the differential input voltage is ≥ +200 mV, and be at logic low when it is ≤ -200 mV. In between those two threshold levels, the receiver output is undefined and can randomly assume either state.

Figure 2: RS-485 has become the most commonly employed standard due to its support of multiple sources/receivers on a single bus, lower voltage operation, and much-higher data rate. The bus requires a terminating resistor with the line's characteristic impedance to prevent high-speed signal reflections. (Image source: Texas Instruments)
There are three factors which can result in the loss of a valid input signal and undefined state. A break in a wire or inadvertent disconnection of a transceiver from the common bus, a low resistance short circuit where the differential pair of wires get connected to each other, or when the bus is "idle", meaning none of the transceivers are in the active mode. This last condition is not a fault in the classical sense. Instead, it is a very short term condition that occurs when all line drivers are momentarily inactive to avoid bus contention as control is handed from one driver to another.
In the case of hard faults such as open circuit or short circuit, it is necessary to ensure that a floating (disconnected) connection is not damaged by an induced voltage (open circuit), or that excess current does not cause damage (short circuit). These issues are no longer major concerns with RS-485 transceivers as protection was designed into the transceiver ICs relatively early in their history. However, the bus idle situation still occurs because it is inherent to the nature of RS-485 operation.
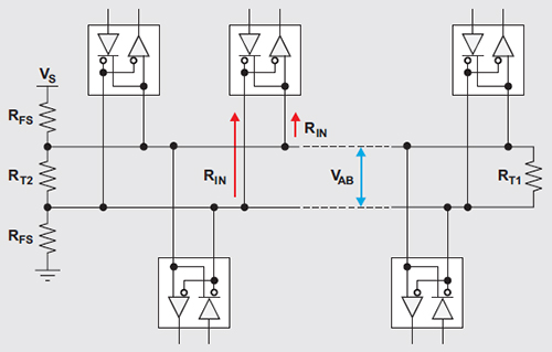
The solution to the bus idle condition is to add failsafe biasing resistors (RFS) to the bus (Figure 3). These ensure that the receiver outputs are forced into a defined state as a result of the voltage division between the biasing resistors and line terminating resistors RT1 and RT2 (which are already in place to terminate the bus with its characteristic impedance, typically 120 Ω).

Figure 3: By adding failsafe resistors RFS, the design assured that receiver outputs will be in a defined state during "bus idle" mode. The resistor value is determined by circuit analysis of the number of transceiver loads and supply tolerances. (Source: Texas Instruments)
The obvious question is: what is the appropriate value for RFS? The answer is that it must be determined by calculation, depending on the number of transceivers, and the minimum voltage of the power supply.
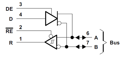
An alternative for new designs is to choose an RS-485 transceiver such as the Texas Instruments SN65HVD08DR. This includes failsafe biasing resistance to provide internal biasing of the receiver input thresholds for open circuit, bus idle, or short circuit failsafe conditions. This eliminates the calculation issue and external resistors. However, in some legacy applications that are being upgraded, a mix of transceivers that do and don’t have these resistors calls for some careful modeling and analysis, and the use of a transceiver that does not have failsafe biasing, such as the Texas Instruments SN75176BDR (Figure 4).

Figure 4: While some transceivers include integral failsafe biasing resistors, the SN75176BDR does not, as some applications need to allow the user to externally size and provide those components. (Source: Texas Instruments)
Protection is crucial
In industrial environments, transients due to motor startup and other similar events are common. The standard way to protect an RS-485 interface from these transients is to use clamping diodes that stop them from reaching the transceiver IC (Figure 5). Use of these diodes is effective, but their capacitance may reduce the ground noise tolerance of the unprotected device by several volts.

Figure 5: The harsh electrical environment of many industrial settings mandates transient suppression. This can be provided by external diodes and transient voltage suppressors (TVSs), shown on the left side of the SN75LBC176DR transceiver. (Source: Texas Instruments)
However, for designers under cost and space pressure, clamping diodes add to the design BOM and require board space, while also potentially compromising overall performance specifications. Texas Instruments’ SN75LBC184DR RS-485 transceivers help avoid these issues by including diodes that also eliminate performance shortcomings (Figure 6). These diodes and other design inclusions result in protection against pulses with peak power of up to 400 W per IEC 61000-4-5, plus protection to ±15 kV to IEC-61000-4-2 air gap, ±8 kV contact to IEC-61000-4-2, and ±15 kV to human body model (HBM) requirements.

Figure 6: Increasingly, vendors are incorporating transient suppression within the transceiver ICs such as the SN75LBC184DR. This implementation not only trims the BOM but allows the vendor to meet many stringent transient-related standards. (Image source: Texas Instruments)
In cases of higher surge requirements, the bus may need additional protection via fast-acting transient voltage suppression (TVS) devices. If lightning is an issue, this protection may extend to include gas discharge tubes (GDTs). GDTs impose very little load, have very fast reaction times, and can handle thousands of volts. Modern GDTs are available in tiny SMT packages and occupy little more space than other passives.
RS-485 chip vendors introduced fault and transient protection to reduce device failure in harsh applications. Transient protection is for short-term events, and can be seen as a less stringent subset of fault protection. Note that different vendors offer parts that meet the minimum protection required by the standard, and then add various types and levels of protection to meet the needs of their target market. Therefore, when looking at an RS-xxx part, be sure to judge not only the basic functionality, but also the specifics of the protection it offers.
Voltage shifting for lower voltage designs
As circuitry increasingly uses lower voltages such as 3.3 and 5 V, there is a possible gap between the internal rails and the RS-standard requirement for voltages in the 10 V range for interface compatibility. Designers have a choice of using a separate, higher voltage supply for the interface while using the lower voltage rail for the remainder of the system, or using an IC with an internal voltage boost.
The first option adds an IC and a few associated passives to the BOM, but the upside is that it allows selection from a wide variety of interface ICs and vendors. It's also possible that there is already an available higher voltage rail in the system and this rail may be able to supply the needed voltage and current to support the interface.
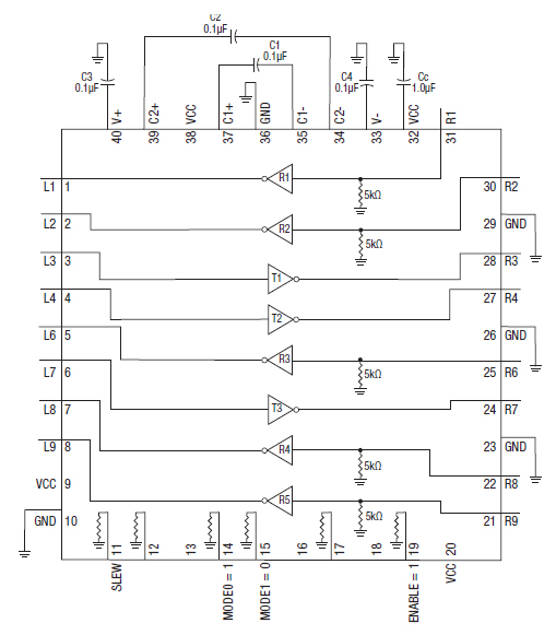
The second option means choosing an interface IC with an internal charge pump that can operate from a low voltage and develop the needed bipolar larger voltages. For example, the multiprotocol Exar XR34350 RS-232/485/422 serial transceiver operates internally from a single +3.3 or +5.0 V supply, but can develop ±10 V outputs with the addition of four small value external capacitors (C1-C4) (Figure 7).

Figure 7: The Exar XR34350 RS-232/485/422 serial transceiver is a multiprotocol device where the number and mix of transceiver channels depends on the specific protocol selected. It has an internal charge pump so it can source up to ±10 V from a lower voltage unipolar rail. (Source: Exar Corp.)
The designers of the XR34350 also emphasized protection for industrial applications, with all transmitter outputs and receiver inputs featuring robust ESD protection of ±15 kV, to IEC-61000-4-2 air gap, ±8 kV contact to IEC-61000-4-2, and ±15 kV to HBM requirements. The XR34350 not only meets but actually exceeds some of these criteria. In addition, it includes an advanced failsafe termination scheme where it automatically defaults the output to logic high when the inputs are open, shorted, or terminated but not being driven. This is accomplished without external biasing resistors.
Conclusion
While there is much interest in wireless for IIoT connectivity, wired RS-xxx interface standards remain a proven, reliable solution for connecting a transducer to a bus or network in an industrial setting. They offer many attributes non-industrial wired and wireless connectivity cannot offer, and have been adapted for many situations. As a result, designers can choose from a variety of parts with a wide array of configurations, features, capabilities, and characteristics to suit the application.
Disclaimer: The opinions, beliefs, and viewpoints expressed by the various authors and/or forum participants on this website do not necessarily reflect the opinions, beliefs, and viewpoints of DigiKey or official policies of DigiKey.


