1/11
TDA7266SA
September 2003
■WIDE SUPPLY VOLTAGE RANGE (3.5-18V)
■MINIMUM EXTERNAL COMPONENTS
– NO SWR CAPACITOR
– NO BOOTSTRAP
– NO BOUCHEROT CELLS
– INTERNALLY FIXED GAIN
■STAND-BY & MUTE FUNCTIONS
■SHORT CIRCUIT PROTECTION
■THERMAL OVERLOAD PROTECTION
DESCRIPTION
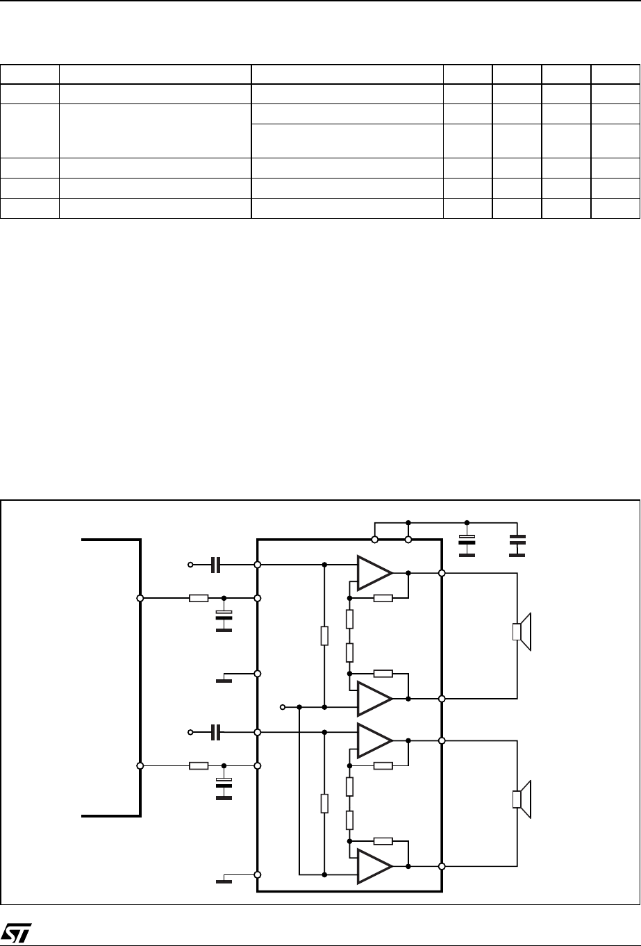
The TDA7266SA is a dual bridge amplifier specially
designed for LCD Monitor, PC Motherboard, TV and
Portable Radio applications.
Pin to pin compatible with: TDA7266S, TDA7266,
TDA7266M, TDA7266MA, TDA7266B, TDA7297SA
& TDA7297.
CLIPWATT15
ORDERING NUMBER: TDA7266SA
7W+7W DUAL BRIDGE AMPLIFIER
BLOCK AND APPLICATION DIAGRAM
1
2
4
Vref
ST-BY 7
IN1
0.22µF
VCC
133
D94AU175B
+
-
-
+
OUT1+
OUT1-
15
14
12
MUTE 6
IN2
0.22µF
+
-
-
+
OUT2+
OUT2-
8
9
S-GND
PW-GND
470µF 100nF
TECHNOLOGY BI20II
Obsolete Product(s) - Obsolete Product(s)
TDA7266SA
2/11
ABSOLUTE MAXIMUM RATINGS
THERMAL DATA
PIN CONNECTION
(Top view)
Symbol Parameter Value Unit
VsSupply Voltage 20 V
IOOutput Peak Current (internally limited) 2 A
Ptot Total Power Dissipation (Tamb = 70°C) 20 W
Top Operating Temperature 0 to 70 °C
Tstg, TjStorage and Junction Temperature -40 to 150 °C
Symbol Parameter Value Unit
Rth j-case Thermal Resistance Junction-case Typ = 1.8; Max. = 2.5 °C/W
Rth j-amb Thermal Resistance Junction-ambient 48 °C/W
ELECTRICAL CHARACTERISTCS
(V
CC
= 11V, R
L
= 8
Ω
, f = 1KHz, T
amb
= 25°C unless otherwise specified)
Symbol Parameter Test Condition Min. Typ. Max. Unit
VCC Supply Range 3 11 18 V
IqTotal Quiescent Current 50 65 mA
VOS Output Offset Voltage 120 mV
POOutput Power THD 10% 6.3 7 W
THD Total Harmonic Distortion PO = 1W 0.05 0.2 %
PO = 0.1W to 2W
f = 100Hz to 15KHz
1%
SVR Supply Voltage Rejection f = 100Hz, VR =0.5V 40 56 dB
CT Crosstalk 46 60 dB
AMUTE Mute Attenuation 60 80 dB
TwThermal Threshold 150 °C
GVClosed Loop Voltage Gain 25 26 27 dB
∆GVVoltage Gain Matching 0.5 dB
1
2
3
4
5
6
7
9
10
11
8
N.C.
N.C.
S-GND
PW-GND
OUT2+
OUT2-
VCC
IN2
ST-BY
MUTE
N.C.
IN1
VCC
OUT1-
OUT1+
D03AU1463
13
14
15
12
Obsolete Product(s) - Obsolete Product(s)
3/11
TDA7266SA
APPLICATION SUGGESTION
STAND-BY AND MUTE FUNCTIONS
(A) Microprocessor Application
In order to avoid annoying "Pop-Noise" during Turn-On/Off transients, it is necessary to guarantee the right St-
by and mute signals sequence. It is quite simple to obtain this function using a microprocessor (Fig. 1 and 2).
At first St-by signal (from
µ
P) goes high and the voltage across the St-by terminal (Pin 7) starts to increase ex-
ponentially. The external RC network is intended to turn-on slowly the biasing circuits of the amplifier, this to
avoid "POP" and "CLICK" on the outputs.
When this voltage reaches the St-by threshold level, the amplifier is switched-on and the external capacitors in
series to the input terminals (C3, C53) start to charge.
It's necessary to mantain the mute signal low until the capacitors are fully charged, this to avoid that the device
goes in play mode causing a loud "Pop Noise" on the speakers.
A delay of 100-200ms between St-by and mute signals is suitable for a proper operation.
Figure 1. Microprocessor Application
RiInput Resistance 25 30 KΩ
VTMUTE Mute Threshold for VCC > 6.4V; Vo = -30dB 2.3 2.9 4.1 V
for VCC < 6.4V; Vo = -30dB VCC/2
-1
VCC/2
-075
VCC/2
-0.5
V
VTST-BY St-by Threshold 0.8 1.3 1.8 V
IST-BY St-by Current V6 = GND 100 µA
eNTotal Output Voltage A Curve; f = 20Hzto 20KHz 150 µV
ELECTRICAL CHARACTERISTCS
(continued)
(V
CC
= 11V, R
L
= 8
Ω
, f = 1KHz, T
amb
= 25°C unless otherwise specified)
Symbol Parameter Test Condition Min. Typ. Max. Unit
1
2
4
Vref
ST-BY 7
IN1
C1 0.22µF
VCC
133
D95AU258A
+
-
-
+
OUT1+
OUT1-
15
14
12
MUTE 6
IN2
C3 0.22µF
+
-
-
+
OUT2+
OUT2-
8
9
S-GND
PW-GND
C5
470µFC6
100nF
R1 10K
C2
10µF
µP
R2 10K
C4
1µF
Obsolete Product(s) - Obsolete Product(s)
TDA7266SA
4/11
Figure 2. Microprocessor Driving Signals
B) Low Cost Application
In low cost applications where the
µ
P is not present, the suggested circuit is shown in fig.3.
The St-by and mute terminals are tied together and they are connected to the supply line via an external voltage
divider.
The device is switched-on/off from the supply line and the external capacitor C4 is intended to delay the St-by
and mute threshold exceeding, avoiding "Popping" problems.
+VS(V)
VIN
(mV)
VST-BY
pin 7
Iq
(mA)
ST-BY MUTE
PLAY MUTE ST-BY
1.8
0.8
VMUTE
pin 6
4.1
2.3
OFF
OFF
D96AU259mod
VOUT
(V)
2.9
1.3
Obsolete Product(s) - Obsolete Product(s)
5/11
TDA7266SA
Figure 3. Stand-alone low-cost Application
1
2
4
Vref
ST-BY 7
IN1
C3 0.22µF
VCC
133
D95AU260A
+
-
-
+
OUT1+
OUT1-
15
14
12
MUTE 6
IN2
C5 0.22µF
+
-
-
+
OUT2+
OUT2-
8
9
S-GND
PW-GND
C1
470µFC2
100nF
R1
47K
C4
10µF
R2
47K
Figure 4. Distortion vs Frequency Figure 5. Gain vs Frequency
0.010
0.1
1
10
100 1k 10k 20k
THD(%)
Vcc = 11 V
Rl = 8 ohm
Pout = 100mW
Pout = 2W
frequency (Hz)
-5.000
-4.000
-3.000
-2.000
-1.000
0.0
1.0000
2.0000
3.0000
4.0000
5.0000
10 100 1k 10k 100k
Level(dBr)
Vcc = 11V
Rl = 8 ohm
Pout = 1W
frequency (Hz)
Obsolete Product(s) - Obsolete Product(s)
TDA7266SA
6/11
Figure 6. Mute Attenuation vs Vpin.8
Figure 7. Stand-By attenuation vs Vpin 9
Figure 8. Quiescent Current vs Supply Voltage
11.522.533.544.55
0
10
-10
-20
-30
-40
-50
-60
-70
-80
-90
-100
Attenuation (dB)
Vpin.6(V)
0 0.2 0.4 0.6 0.8 1 1.2 1.4 1.6 1.8 2 2.2 2.4
0
10
-10
-20
-30
-40
-50
-60
-70
-80
-90
-100
-110
-120
Attenuation (dB)
Vpin.7 (V)
3456789101112131415161718
30
35
40
45
50
55
60
65
70 Iq (mA)
Vsupply(V)
Obsolete Product(s) - Obsolete Product(s)
aaaaaaaaaa
M3“ 1’ ‘ m 7,
. a , \ g
U U C") ;
@@UU@@@© @©@@ H
7/11
TDA7266SA
Figure 9. PC Board Component Layout
Figure 10. Evaluation Board Top Layer Layout
Figure 11. Evaluation Board Bottom Layer Layout
Obsolete Product(s) - Obsolete Product(s)
(a
\\
3\
TDA7266SA
8/11
HEAT SINK DIMENSIONING:
In order to avoid the thermal protection intervention, that is placed approximatively at T
j
= 150°C, it is important
the dimensioning of the Heat Sinker R
Th
(°C/W).
The parameters that influence the dimensioning are:
– Maximum dissipated power for the device (Pdmax)
– Max thermal resistance Junction to case (RTh j-c)
– Max. ambient temperature Tamb max
– Quiescent current Iq (mA)
Example:
V
CC
= 11V, R
load
= 8ohm, R
Th j-c
= 2.5 °C/W , T
amb max
= 50°C
P
dmax
= (N° channels) ·
P
dmax
= 2 · ( 3.0 ) + 0.5 = 6.5 W
(Heat Sinker)
In figure 12 is shown the Power derating curve for the device.
Figure 12. Power derating curve
Vcc2
Π2Rload
2
--------------
⋅
--------------------------- IqVcc
⋅+
RTh c-a
150 Tamb max
–
Pd max
----------------------------------------- RTh j-c
–150 50–
6.5
---------------------- 2.5–12.8°C/W===
a) Infinite Heatsink
b) 7 °C/ W
c) 10 °C/ W
(c)
(a)
(b)
0
5
10
15
20
25
0 40 80 120 160
Tamb (°C)
Pd (W)
a) Infinite Heatsink
b) 7 °C/ W
c) 10 °C/ W
(c)
(a)
(b)
0
5
10
15
20
25
0 40 80 120 160
Tamb (°C)
Pd (W)
Obsolete Product(s) - Obsolete Product(s)
9/11
TDA7266SA
Clipwatt Assembling Suggestions
The suggested mounting method of Clipwatt on external heat sink, requires the use of a clip placed as much
as possible in the plastic body center, as indicated in the example of figure 13.
A thermal grease can be used in order to reduce the additional thermal resistance of the contact between pack-
age and heatsink.
A pressing force of 7 - 10 Kg gives a good contact and the clip must be designed in order to avoid a maximum
contact pressure of 15 Kg/mm2 between it and the plastic body case.
As example , if a 15Kg force is applied by the clip on the package , the clip must have a contact area of 1mm2
at least.
Figure 13. Example of right placement of the clip
Obsolete Product(s) - Obsolete Product(s)
TDA7266SA
10/11
OUTLINE AND
MECHANICAL DATA
0044538
DIM. mm inch
MIN. TYP. MAX. MIN. TYP. MAX.
A 3.2 0.126
B 1.05 0.041
C 0.15 0.006
D 1.55 0.061
E 0.49 0.55 0.019 0.022
F 0.67 0.73 0.026 0.029
G 1.14 1.27 1.4 0.045 0.050 0.055
G1 17.57 17.78 17.91 0.692 0.700 0.705
H1 12 0.480
H2 18.6 0.732
H3 19.85 0.781
L 17.95 0.707
L1 14.45 0.569
L2 10.7 11 11.2 0.421 0.433 0.441
L3 5.5 0.217
M 2.54 0.100
M1 2.54 0.100
Clipwatt15
Weight:
1.92gr
Obsolete Product(s) - Obsolete Product(s)

Information furnished is believed to be accurate and reliable. However, STMicroelectronics assumes no responsibility for the consequences
of use of such information nor for any infringement of patents or other rights of third parties which may result from its use. No license is granted
by implication or otherwise under any patent or patent rights of STMicroelectronics. Specifications mentioned in this publication are subject
to change without notice. This publication supersedes and replaces all information previously supplied. STMicroelectronics products are not
authorized for use as critical components in life support devices or systems without express written approval of STMicroelectronics.
The ST logo is a registered trademark of STMicroelectronics.
All other names are the property of their respective owners
© 2003 STMicroelectronics - All rights reserved
STMicroelectronics GROUP OF COMPANIES
Australia - Belgium - Brazil - Canada - China - Czech Republic - Finland - France - Germany - Hong Kong - India - Israel - Italy - Japan -
Malaysia - Malta - Morocco - Singapore - Spain - Sweden - Switzerland - United Kingdom - United States
www.st.com
11/11
TDA7266SA
Obsolete Product(s) - Obsolete Product(s)
Products related to this Datasheet
IC AMP AB STEREO 7W 15CLIPWATT