I
CSM_CS1W-PROCESS_DS_E_2_1
1
CS-series Process Analog I/O Units
CS1W-PTS/PDC/PTW/PTR/PPS/PMV
Provides the functionality of
isolators, power supplies, signal
converters, and other devices.
• The Analog Input Unit converts analog input signals
such as 1 to 5 V or 4 to 20 mA into digital values, and
takes the values scaled in industrial units, and
transfers it to the CPU Unit as the process value.
Because of this, no ladder program is required at the
CPU Unit for scaling.
• The Analog Output Unit converts analog output set
values from the CPU Unit to analog output signals
such as 4 to 20 mA or 1 to 5 V, and outputs them.
• The built-in functions, such as measurement value
alarms, rate-of-change calculations, and square roots, have enabled major savings in cost and space compared
with previous systems.
• High-resolution Models and 8-point Input Models are also available. By combining the Units, logging/monitoring
systems can be constructed, or the Units can be used together with LCBs/LCUs to construct complete process
control systems.
• Parameters can be easily displayed and set in an easy-to-understand form without special tools.
Features
Process Analog Input:
•Up to eight analog inputs can be connected for each Unit.
•There is isolation between input channels, so unwanted circuit paths between thermocouple inputs can be prevented. (Except for CS1W-PTR01/
02)
•Output scaling (±32,000)
•Process value alarms (HH, H, L, LL)
•Input disconnection alarm
•Rate-of-change calculation and alarm
•Top/bottom/valley hold (CS1W-PTS11/PTS12/PDC11 only)
Process Analog Output:
•Up to four analog set values can be output for each Unit.
•All outputs are isolated.
•Output rate-of-change limit
•Output high/low limits
•Output scaling (±32,000)
•Control output answer input (CS1W-PMV01 only)
Isolated-type Pulse Input:
•Provides up to four pulses from a device such as a displacement flowmeter. The accumulated value can also be calculated at the same time
and transferred to the CPU Unit at each cycle. (CS1W-PPS01)
CS1W-PDC55 CS1W-PTS55 CS1W-PTS56
System Configuration
These Process Analog l/o Unils belong to lhe CSrselies SpeCla
. They can be mounled lo CSrseries CPU Racks 0! Expansion
. They cannol be mounled lo CZDOH CPU Racks. Expansmnl
The number ol Unils that can be mounleo lo one Rack leilher a
by the Power Supply Unil and lhe eunenl consumption by the o
There are no restrictions on Rack pasilion.
Note: we addresses lor SpeClal l/o Unils are allocaled accordin
the slot position ll" which lhey are mounled.
0.0.0...
v
OITIROFI
CS1W-PTS/PDC/PTW/PTR/PPS/PMV
2
System Configuration
These Process Analog I/O Units belong to the CS-series Special I/O Unit group.
•They can be mounted to CS-series CPU Racks or Expansion I/O Racks.
•They cannot be mounted to C200H CPU Racks, Expansion I/O Racks, or SYSMAC BUS Remote I/O Slave Racks.
The number of Units that can be mounted to one Rack (either a CPU Rack or Expansion I/O Rack) depends upon the maximum current supplied
by the Power Supply Unit and the current consumption by the other Units.
There are no restrictions on Rack position.
Note: I/O addresses for Special I/O Units are allocated according to the unit number set on the switches on the front panel, and not according to
the slot position in which they are mounted.
CS-series CPU Rack
CS-series Expansion I/O Rack #1
CS-series Expansion I/O Rack #2
CS-series Expansion I/O Rack #7
I/O Unit
I/O Unit
I/O Unit
I/O Unit
A maximum of 7 Expansion
I/O Racks can be mounted.
CPU Unit
Power Supply Unit

3
CS1W-PTS/PDC/PTW/PTR/PPS/PMV
Ordering Information
Process Analog I/O Units
Isolated-type Thermocouple Input Units
Isolated-type Resistance Thermometer Input Units
Isolated-type DC Input Units
Unit
type Product name Input
points
Signal
range
selection I/O type Conversion
speed External
connection
No. of
unit
numbers
allocated
Current
consumption
(A) Model Standards
5V 24V
CS1
Special
I/O
Units
Isolated-type
Thermocouple
Input Units 4 inputs
Set
separately
for each
input
B, E, J, K, L, N, R,
S, T, U, WRe5-26,
PLII, ±100 mV
20 ms/4 inputs,
10 ms/2 inputs
Removable
terminal
block 1
0.12 0.08 CS1W-PTS11 UC1, N,
CE
4 inputs R, S, K, J, T, L, B 250 ms/4
inputs 0.25 −CS1W-PTS51
UC1,CE
8 inputs R, S, K, J, T, L, B 250 ms/8
inputs 0.18 0.06 CS1W-PTS55
4 inputs B, E, J, K, N, R, S,
T, ±80mV 150 ms/4
inputs 0.15 0.15 CS1W-PTS01-V1
Unit
type Product name Input
points
Signal
range
selection I/O type Conversion
speed
(resolution)
External
connection
No. of
unit
numbers
allocated
Current
consumption
(A) Model Standards
5V 26V
CS1
Special
I/O
Units
Isolated-type
Resistance
Thermometer
Input Units
4 inputs
Set
separately
for each
input
Pt100, JPt100,
Pt50, Ni508.4 20 ms/4 inputs,
10 ms/2 inputs
Removable
terminal
block 1
0.12 0.07 CS1W-PTS12 UC1, N,
CE
4 inputs Pt100, JPt100 250 ms/4
inputs 0.25 −CS1W-PTS52
UC1, CE
8 inputs Pt100, JPt100 250 ms/8
inputs 0.18 0.06 CS1W-PTS56
4 inputs Pt100, JPt100 100 ms/4
inputs 0.15 0.15 CS1W-PTS02
Isolated-type
Resistance
Thermometer
Input Units
(Ni508.4 Ω)
4 inputs Ni508.4 100 ms/4
inputs 0.15 0.15 CS1W-PTS03
Unit
type Product name Input
points Signal range Conversion
speed
(resolution)
External
connection
No. of
unit
numbers
allocated
Current
consumption
(A) Model Standards
5V 26V
CS1
Special
I/O
Units
Isolated-type
DC Input Unit 4 inputs 4 to 20 mA, 0 to 20 mA,
0 to 10 V, ±10 V, 0 to 5 V, ±5 V,
1 to 5 V, 0 to 1.25 V, ±1.25 V
20 ms/4 inputs,
10 ms/2 inputs
Removable
terminal
block 1
0.12 0.12 CS1W-PDC11 UC1, N,
CE
8 inputs 4 to 20 mA, 0 to 10 V, 0 to 5 V,
1 to 5 V 250 ms/8
inputs 0.18 0.06 CS1W-PDC55
UC1, CE
4 inputs 4 to 20 mA, 0 to 20 mA,
1 to 5 V, 0 to 5 V, ±5 V,
0 to 10 V, ±10 V
100 ms/4
inputs 0.15 0.16 CS1W-PDC01
Isolated-type
2-Wire
Transmitter
Input Unit
4 inputs 4 to 20 mA, 1 to 5 V 100 ms/4
inputs 0.15 0.16 CS1W-PTW01
Power
Transducer
Input Unit 8 inputs 0 to 1 mA, ±1 mA 200 ms/8
inputs 0.15 0.08 CS1W-PTR01
Analog Input
Unit (100 mV) 8 inputs 0 to 100 mV, ±100 mV 200 ms/8
inputs 0.15 0.08 CS1W-PTR02
OITIROFI
CS1W-PTS/PDC/PTW/PTR/PPS/PMV
4
Isolated-type Analog Output Unit
Isolated-type Pulse Input Unit
International Standards
•The standards indicated in the "Standards" column are those current for UL, CSA, cULus, cUL, NK, and Lloyd standards and EC Directives as
of the end of September 2008. The standards are abbreviated as follows: U: UL, U1: UL (Class I Division 2 Products for Hazardous Locations),
C: CSA, UC: cULus, UC1: cULus (Class I Division 2 Products for Hazardous Locations), CU: cUL, N: NK, L: Lloyd, and CE: EC Directives.
•Ask your OMRON representative for the conditions under which the standards were met.
Unit
type Product name Output
points
Signal
range
selection Signal range Conversion
speed
(resolution)
External
connection
No. of
unit
numbers
allocated
Current
consumption
(A) Model Standards
5V 26V
CS1
Special
I/O
Units
Isolated-type
Analog Output
Unit 4 inputs
Set
separately
for each
input
4 to 20 mA, 1 to 5 V 100 ms/4
inputs
Removable
terminal
block 1
0.15 0.16 CS1W-PMV01
UC1, CE
4 inputs 0 to 10 V, ±10 V,
0 to 5 V, ±5 V,
0 to 1 V, ±1 V
40 ms/4
inputs 0.12 0.12 CS1W-PMV02
Unit
type Product name Input points External
connection
No. of
unit
numbers
allocated
Current
consumption
(A) Model Standards
5V 26V
CS1
Special
I/O
Units
Isolated-type
Pulse Input
Unit
4 pulse inputs Removable
terminal
block 1 0.20 0.16 CS1W-PPS01 UC1, CE
I
5
CS1W-PTS/PDC/PTW/PTR/PPS/PMV
General Specifications
The specifications shown in the following table apply to all the CS-series Process Analog I/O Units. For specifications specific to each Unit, refer
to the explanations of the individual units.
Current consumption
(Reference) Maximum current and total power supplied
Item Specification
Applicable PLC CS-series PLCs
Unit type CS-series Special I/O Unit
Structure Backplane-mounted, single slot size
Dimensions 35 × 130 × 126 mm (W × H × D)
Weight 450 g max.
External connection terminals
•CS1W-PTS55/-PTS56/-PDC55
24-point removable terminal block (with lever)
(M3 screws, Tightening torque: 0.5 N·m)
•Other Units
21-point removable terminal block
(M3 screws, Tightening torque: 0.5 N·m)
Unit number switch setting 00 to 95
Self-diagnosis function Results of self-diagnosis shown on indicators.
Mountable Racks CPU Rack or CS-series Expansion Rack
Maximum number of Units 80 Units (10 Units × 8 Racks)
Confirm that the total current consumption of all the Units (including the CPU Unit) mounted to a single CPU Rack or Expansion
Rack does not exceed the maximum power supply capacity of the Power Supply Unit.
Ambient operating temperature 0 to 55°C
Ambient operating humidity 10% to 90% (with no condensation)
Name Model Current consumption (power)
5 V 26 V
Isolated-type Thermocouple Input Unit
CS1W-PTS01-V1 0.15 A (0.75 W) 0.15 A (3.9 W)
CS1W-PTS11 0.16 A (0.60 W) 0.08 A (2.08 W)
CS1W-PTS51 0.25 A (1.25 W) Not used.
CS1W-PTS55 0.18 A (0.90 W) 0.06 A (1.56 W)
Isolated-type Resistance Thermometer Input Unit
(Pt100, JPt100) CS1W-PTS02 0.15 A (0.75 W) 0.15 A (3.9 W)
Isolated-type Resistance Thermometer Input Unit
(Ni508.4) CS1W-PTS03 0.15 A (0.75 W) 0.15 A (3.9 W)
Isolated-type Resistance Thermometer Input Unit
(Pt100, JPt100, Pt50, Ni508.4) CS1W-PTS12 0.12 A (0.60 W) 0.07 A (1.82 W)
Isolated-type Resistance Thermometer Input Unit
(Pt100, JPt100)
CS1W-PTS52 0.25 A (1.25 W) Not used.
CS1W-PTS56 0.18 A (0.90 W) 0.06 A (1.56 W)
Isolated-type 2-Wire Transmitter Input Unit CS1W-PTW01 0.15 A (0.75 W) 0.16 A (4.2 W)
Isolated-type Direct Current Input Unit
CS1W-PDC01 0.15 A (0.75 W) 0.16 A (4.2 W)
CS1W-PDC11 0.12 A (0.60 W) 0.12 A (3.12 W)
CS1W-PDC55 0.18 A (0.90 W) 0.06 A (1.56 W)
Power Transducer Input Unit CS1W-PTR01 0.15 A (0.75 W) 0.08 A (2.1 W)
Analog Input Unit (100 mV) CS1W-PTR02 0.15 A (0.75 W) 0.08 A (2.1 W)
Isolated-type Pulse Input Unit CS1W-PPS01 0.20 A (1.00 W) 0.16 A (4.2 W)
Isolated-type Analog Output Unit CS1W-PMV01 0.15 A (0.75 W) 0.16 A (4.2 W)
CS1W-PMV02 0.12 A (0.60 W) 0.12 A (3.2 W)
Power Supply Unit Maximum current supplied (power) Maximum total power
5 V 26 V 24 V
C200HW-PA204 4.6 A (23 W) 0.6 A (15.6 W) None 30 W
C200HW-PA204C 4.6 A (23 W) 0.6 A (15.6 W) None 30 W
C200HW-PA204S 4.6 A (23 W) 0.6 A (15.6 W) 0.8 A (19.2 W) 30 W
C200HW-PA204R 4.6 A (23 W) 0.6 A (15.6 W) None 30 W
C200HW-PD024 4.6 A (23 W) 0.6 A (15.6 W) None 30 W
C200HW-PA209R 9 A (45 W) 1.3 A (33.8 W) None 45 W
C200HW-PD025 5.3 A 1.3 A None 40 W
CS1D-PA207R 7 A (35 W) 1.3 A (33.8 W) None 35 W
CS1D-PD024 4.3 A (21.5 W) 0.56 A (14.6 W) None 28 W
CS1D-PD025 5.3 A 1.3 A None 40 W
Spec' cations
liem
Model number CSTWrPTSOi 7w
Applicable PLO cs Seiies
Llnll lype CSrseries Spemal llo
Mourning posiilon
CSrseries CPU Rack
BUS Remeie l/O slav
Maximum number oi unlis
an (wumn ine allowab
Llnll numbers
on m 95 (Carmel dupi
Special IIO unn Area
Areas ior aaia
ID words/Unit
Thermacuuple lnpui u
All process values pm
disconnecilon alarms,
exchange WI"! inn wards/Limit
CPU Uri" DM Area words CPU unli in Tnerrneco
annealed in Speclll Temperaiure sensor i
I/O uniis areal number cl l|ems
H)‘ zeio/span aalusirn
Number 0! iemperaiure sensor lnpuis
4
Temperaiure sensor Iypes
Thermucaupie a, E, J
in ie an rnv, lselse
Inpul ranges
Tne mpui range can b
npui ranges snewn in
Make: lniernally. lnpu
m Table 2 nelo
accem with me
Scaling In irmusirlal uniis
Daia m be stored In in
rnusi be scaled lwuni
sei) Daia can he slur
Data storage in me clo Area
Tne value derived lmrn
siored m lour mglis ne
1) Mean value proces
OITIROFI
CS1W-PTS/PDC/PTW/PTR/PPS/PMV
6
CS1W-PTS01-V1 Isolated-type Thermocouple Input Unit
Overview
The CS1W-PTS01-V1 Isolated-type Thermocouple Input Unit provides four direct
thermocouple inputs, and sends the data to the CPU Unit each cycle. All inputs are isolated.
System Configuration
Specifications
Item Specifications
Model number CS1W-PTS01-V1
Applicable PLC CS Series
Unit type CS-series Special I/O Unit
Mounting position CS-series CPU Rack or CS-series Expansion Rack (Cannot be mounted to C200H Expansion I/O Rack or SYSMAC
BUS Remote I/O Slave Rack.)
Maximum number of Units 80 (within the allowable current consumption and power consumption range)
Unit numbers 00 to 95 (Cannot duplicate Special I/O Unit numbers.)
Areas for data
exchange with
CPU Unit
Special I/O Unit Area
10 words/Unit
Thermocouple Input Unit to CPU Unit:
All process values, process value alarms (LL, L, H, HH), rate-of-change values, rate-of-change alarms (L, H),
disconnection alarms, cold junction sensor errors
DM Area words
allocated to Special
I/O Units
100 words/Unit
CPU Unit to Thermocouple Input Unit:
Temperature sensor type, input range (user set), scaling of process value data to be stored in allocated words in CIO
area, number of items for moving average, process value alarm setting (LL, L, H, HH), rate-of-change alarm setting (L,
H), zero/span adjustment value, etc.
Number of temperature sensor inputs 4
Temperature sensor types Thermocouple B, E, J, K, N, R, S, T or
−80 to 80 mV. (Set separately for each of four inputs.)
Sensor type, input range, and scaling to industrial units are
separate for each of the 4 inputs.
Note: Sensor type, input range, and scaling to industrial
units are set in the DM Area.
Input ranges
The input range can be set within any of the measurable
input ranges shown in Table 1 (below).
Note: Internally, inputs are processed in five ranges (refer
to Table 2 below), so accuracy and resolution
accord with these internal ranges.
Example:
Thermocouple: K; input range: 0 to 500°C; industrial unit
scaling: 0 to 500°C. DM Area settings are as follows:
Thermocouple: 3 (0003 hex)
Input signal maximum: 5000 (1388 hex)
Input signal minimum: 0 (0000 hex)
Industrial unit maximum value stored: 500 (01F4 hex)
Industrial unit minimum value stored: 0 (0000 hex)
Scaling in industrial units Data to be stored in the allocated words in the CIO area
must be scaled (with the minimum and maximum values
set). Data can be stored at 0% to 100%.
Data storage in the CIO Area The value derived from carrying out the following processing in order of the actual process data in the input range is
stored in four digits hexadecimal (binary values) in the allocated words in the CIO Area.
1) Mean value processing → 2) Scaling → 3) Zero/span adjustment → 4) Output limits
CS1W-PTS01-V1
4 thermocouple inputs
(K, J, B, E, N, R, S, T, or mV)
I
CS1W-PTS/PDC/PTW/PTR/PPS/PMV
7
Accuracy (25°C)
±0.1% (of internal range full span)
As shown in the following equation, the accuracy depends on the ratio of the selected internal range (0 to 4) span to the
set input range span.
Temperature coefficient ±0.015% /°C, for any of internal range numbers 0 to 4.
Resolution
1/4,096 (of internal range full span)
As shown in the following equation, the resolution depends on the ratio of the selected internal range (0 to 4) span to
the set input range span.
Cold junction compensation error ±1°C, at 20 ±10°C
Warmup time 45 min
Maximum signal input −80 to 80 mV
Input impedance 20 kΩ min.
Input disconnection detection current 0.1 μA (typical)
Response time 1 s (travel time from input 0% to 90%, for step input)
Conversion period 150 ms/4 inputs
Maximum time to store data in CPU Unit Conversion period + one CPU Unit cycle
Disconnection detection
Detects disconnections at each input and turns ON the Disconnection Detection Flag.
Hardware detection time: Approx. 5 s
The process value overrange direction for when a disconnection occurs can be specified. (High: 115% of set input
range; low: −15% of set input range)
Function
Mean value
processing (input
filter)
Calculates the moving average for the specified number of process values (1 to 16), and stores that value in the CIO
Area as the process value.
Process value alarm Process value 4-point alarm (HH, H, LL, L), alarm hysteresis, and ON-delay timer (0 to 60 s) are available.
Rate-of-change
calculation Calculates the amount of change per comparison time interval (1 to 16 s).
Rate-of-change
alarm Rate-of-change 2-point alarm (H, L), alarm hysteresis (shared with process value alarm), and ON-delay timer (0 to 60
s, shared with process value alarm) are available.
Isolation Between temperature inputs and between input terminals and PLC signals: Isolation by transformer
Insulation resistance 20 MΩ (at 500 V DC) between inputs
Dielectric strength Between inputs: 1,000 V AC, at 50/60 Hz, for 1 min, leakage current 10 mA max.
External connections Terminal block (detachable)
Unit number settings Set by rotary switches on front panel, from 0 to 95.
Indicators Three LED indicators on front panel (for normal operation, errors detected at the Thermocouple Input Unit, and errors
related to the CPU Unit).
Front panel connector Sensor input connector terminal block (detachable)
Effect on CPU Unit cycle time 0.3 ms
Current consumption 5 V DC at 150 mA max., 26 V DC at 150 mA max.
Dimensions 35 × 130 × 126 mm (W × H × D)
Note: The height including the Backplane is 145 mm.
Weight 450 g max.
Standard accessories Two cold junction sensors (installed in terminal block)
Item Specifications
Set input range span (electromotive force conversion)
Internal range span (electromotive force conversion)
Accuracy = ±0.1% ×
4096
1
Set input range span (electromotive force conversion)
Internal range span (electromotive force conversion)
Resolution = ×
I
8
CS1W-PTS/PDC/PTW/PTR/PPS/PMV
Sensor Types and Input Ranges
The temperature sensor (thermocouple) type and input range are set in the allocated words in the DM Area for every four inputs. The input range
can be set anywhere within the measurable input ranges shown in Table 1.
Table 1: Measurable Input Ranges
Note: Set the input range in the DM Area within this range.
Inputs are processed internally in five progressive ranges (numbers 0 to 4), as shown in the following table.
Table 2: Internal Ranges
Therefore, the accuracy and resolution are determined by the ratio of the selected internal range (0 to 4) span to the set input range span
(electromotive force converted value). For the internal range, a larger number is selected when both the minimum and maximum values of the
range fall within that next range.
For example, suppose that the thermocouple type is K and the set input range is 0 to 800°C. The electromotive force for K 0 to 800°C is 0 to 33.277
mV. Since both the minimum and maximum values fall within the limits for internal range No. 1 (−40 to 40 mV), that range will be selected.
The following table shows the set input ranges corresponding to the internal range numbers 0 to 4.
Table 3: Set Input Ranges Corresponding to Internal Ranges
Note: With Thermocouple Input Units, process values can be scaled in industrial units for the set input range. It is possible to set the process value
scaling higher than the resolution, but it will cause the values to be unstable.
Sensor type DM Area setting Measurable input range (See note.)
B 0 0 to 1,820°C
E1−270 to 1,000°C
J2−210 to 1,200°C
K3−270 to 1,372°C
N4−270 to 1,300°C
R5−50 to 1,768°C
S6−50 to 1,768°C
T7−270 to 400°C
mV 8 −80 to 80 mV
Internal range number Thermocouple
electromotive force Internal range span
0−80 to 80 mV 160 mV
1−40 to 40 mV 80 mV
2−20 to 20 mV 40 mV
3−10 to 10 mV 20 mV
4−5 to 5 mV 10 mV
Sensor
type Measurable Input
range
Internal range No. 0 Internal range No. 1 Internal range No. 2 Internal range No. 3 Internal range No. 4
−80 to 80 mV −40 to 40 mV −20 to 20 mV −10 to 10 mV −5 to 5 mV
B 0 to 1,820°C Not used. Not used. 0 to 1,820°C 0 to 1,496°C 0 to 1,030°C
E−270 to 1,000°C−270 to 1,000°C−270 to 537°C−270 to 286°C−270 to 153°C−94 to 80°C
J−210 to 1,200°C−210 to 1,200°C−210 to 713°C−210 to 366°C−210 to 186°C−100 to 95°C
K−270 to 1,372°C−270 to 1,372°C−270 to 967°C−270 to 484°C−270 to 246°C−153 to 121°C
N−270 to 1,300°C−270 to 1,300°C−270 to 1,097°C−270 to 584°C−270 to 318°C−270 to 171°C
R−50 to 1,768°C Not used. −50 to 1,769°C−50 to 1,684°C−50 to 961°C−50 to 548°C
S−50 to 1,768°C Not used. Not used. −50 to 1,769°C−50 to 1,035°C−50 to 576°C
T−270 to 400°C Not used. −270 to 400°C−270 to 385°C−270 to 213°C−166 to 115°C
mV −80 to 80 mV −80 to 80 mV −40 to 40 mV −20 to 20 mV −10 to 10 mV −5 to 5 mV
9
CS1W-PTS/PDC/PTW/PTR/PPS/PMV
Terminal Connection Diagram
Note: 1. Cold junction sensors are installed between A2 and A3, and between A8 and A9 when the product is shipped. Do not remove them when
using the Unit. If they are removed, temperatures cannot be measured correctly because there will be no compensation.
2. Use the same cold junction sensors that come with the Unit, and leave them just as they are. They are provided specifically for this Unit
and its circuitry, and temperatures cannot be measured correctly if they are switched around or if another Unit's sensors are used in their
place.
3. For unused input terminals, short-circuit the positive and negative sides (e.g., terminals A4 and B4 for input No. 1) of the thermocouple
inputs with the lead wire.
4. When connecting input No. 4, remove the cold junction sensor between CJ2+ and CJ2−, and then reconnect it after the input is
connected. Attempting to connect the input without removing the cold junction sensor may result in damage to the sensor.
Terminal Block Diagram
N.C.
N.C.
N.C.
1+
2+
3+
4+
N.C.
N.C.
N.C.
B1
B2
B3
B4
B5
B6
B7
B8
B9
B10
N.C.
CJ1+
CJ1−
1−
2−
3−
4−
N.C.
N.C.
A1
A2
A3
A4
A5
A6
A7
A8
A9
A10
A11
CJ2+
CJ2−
CS1W-PTS01-V1 Isolated-type Thermocouple Input Unit
Thermocouple
Input No. 2
Thermocouple
Input No. 1
Thermocouple
Input No. 3
Thermocouple
Input No. 4
(See note 4.)
(See
note 4.)
CS1W-PTS01-V1 Isolated-type Thermocouple Input Unit
To CPU Unit
Multiplexer
Connector
A2
A3
B4
A4
B5
A5
B6
A6
B7
A7
1+
1−
2+
2−
3+
3−
4+
4−
A8
A9
Amplifier
circuit
Amplifier
circuit
Amplifier
Amplifier
Amplifier
Amplifier
Isolation
circuit
Isolation
circuit
Isolation
circuit
Isolation
circuit
Input No. 1
Input No. 2
Input No. 3
Input No. 4
Upper cold junction sensor
Lower cold junction sensor
Thermocouples
Multi-gain
amplifier circuit
A/D converter
Digital computation circuit
Isolated power supply circuit
5 V DC
26 V DC
I
CS1W-PTS/PDC/PTW/PTR/PPS/PMV
10
CS1W-PTS11 Isolated-type Thermocouple Input Unit
Overview
The CS1W-PTS11 Isolated-type Thermocouple Input Unit provides four direct thermocouple
inputs, and sends the data to the CPU Unit each cycle. All inputs are isolated.
System Configuration
CS1W-PTS11
4 thermocouple
inputs (B, E, J, K, L,
N, R, S, T, U,
WRe5-26, PL II, mV)
I
CS1W-PTS/PDC/PTW/PTR/PPS/PMV
11
Specifications
Item Specifications
Model CS1W-PTS11
Applicable PLC CS Series
Unit type CS-series Special I/O Unit
Mounting position CS-series CPU Rack or CS-series Expansion Rack (Cannot be mounted to C200H Expansion I/O Rack or SYSMAC
BUS Remote I/O Slave Rack.)
Maximum number of Units 80 (within the allowable current consumption and power consumption range)
Unit numbers 00 to 95 (Cannot duplicate Special I/O Unit numbers.)
Areas for data
exchange with CPU
Unit
Special I/O Unit Area
10 words/Unit
Thermocouple Input Unit to CPU Unit:
All process values, process value alarms (LL, L, H, HH), rate-of-change values, rate-of-change alarms (L, H),
disconnection alarms, cold junction sensor errors
DM Area words
allocated to Special
I/O Units
100 words/Unit
CPU Unit to Thermocouple Input Unit:
Temperature sensor type, input range (user set), scaling of process value data to be stored in allocated words in CIO
area, rate-of-change input range, scaling of rate-of-change data, number of items for moving average, process value
alarm setting (LL, L, H, HH), rate-of-change alarm setting (L, H), zero/span adjustment value, etc.
Expansion Control/
Monitor Area
35 words/Unit
CPU Unit to Thermocouple Input Unit:
Designations and flags for beginning or resetting the hold function selection, adjustment period control, etc.
Thermocouple Input Unit to CPU Unit:
Adjustment period notices (with each input), peak and bottom values, top and valley values
Expansion Setting
Area
46 words/Unit
CPU Unit to Thermocouple Input Unit:
Expansion Control/Monitor Area settings, adjustment period control, peak and bottom detection, top and valley
detection
Number of temperature sensor inputs 4
Temperature sensor types The sensor type, input range, and scaling can be set individually for each of 4 inputs, which are each selectable from
B, E, J, K, L, N, R, S, T, U, WRe5-26, PL II, and mV.
Scaling Data to be stored in the allocated words in the CIO area must be scaled (individually for each of the 4 inputs, with the
minimum and maximum values set). Data can be stored at 0% to 100%.
Data storage in the CIO Area The value derived from carrying out the following processing in order of the actual process data in the input range is
stored in four digits hexadecimal (binary values) in the allocated words in the CIO Area.
1) Mean value processing → 2) Scaling → 3) Zero/span adjustment → 4) Output limits
Accuracy (25°C) ±0.05% (Depends on the Sensor used and the measured temperature. Refer to Accuracy by Sensor Type and
Measured Temperature Range on page 13 for details.)
Temperature coefficient ±0.01% /°C (For full scale of electromotive force. See note.)
Resolution 1/64,000
Cold junction compensation error ±1°C, at 20°C±10°C
Warmup time 45 min
Maximum signal input ±120 mV
Input impedance 20 kΩ min.
Input disconnection detection current 0.1 μA (typical)
Response time 100 ms (travel time from input 0% to 90%, for ±100 mV step input and with moving average for 4 samples)
Conversion period 20 ms/4 inputs, 10 ms/2 inputs. Can be switched in DM Area words allocated to the Unit as a Special I/O Unit.
Maximum time to store data in CPU Unit Conversion period + one CPU Unit cycle
Disconnection detection
Detects disconnections at each input and turns ON the Disconnection Detection Flag.
Hardware detection time: Approx. 0.5 s max.
The process value overrange direction for when a disconnection occurs can be specified. (High: 115% of set input
range; low: −15% of set input range)
Function
Mean value
processing (input
filter)
Calculates the moving average for the specified number of process values (1 to 128), and stores that value in the CIO
Area as the process value.
Process value alarm Process value 4-point alarm (HH, H, LL, L), alarm hysteresis, and ON-delay timer (0 to 60 s) are available.
Rate-of-change
calculation Calculates the amount of change per comparison time interval (1 to 16 s).
Rate-of-change
alarm Rate-of-change 2-point alarm (H, L), alarm hysteresis (shared with process value alarm), and ON-delay timer (0 to
60 s, shared with process value alarm) are available.
Adjustment period
control
When zero/span adjustment is executed, the date is internally recorded at the Unit. When the preset zero/span
adjustment period and number of days notice have elapsed, this function turns ON a warning flag to give notice that
it is time for readjustment.
Peak and bottom
detection
This function detects the maximum (peak) and minimum (bottom) analog input values, from when the Hold Start Bit
(output) allocated to the Expansion Control/Monitor Area turns ON until it turns OFF, and stores them in the Expansion
Control/Monitor Area.
Top and valley
detection
This function detects the top and valley values for analog inputs, from when the Hold Start Bit (output) allocated to
the Expansion Control/Monitor Area turns ON until it turns OFF, and stores them in the Expansion Control/Monitor
Area.
Isolation Between inputs and PLC signals, and between inputs: Isolation by transformer for power supply, and by photocoupler
for signals.
Insulation resistance 20 MΩ (at 500 V DC) between inputs
Dielectric strength Between inputs: 1,000 V AC, at 50/60 Hz, for 1 min, leakage current 10 mA max.
54.85 mv
I
12
CS1W-PTS/PDC/PTW/PTR/PPS/PMV
Note: The method for calculating the error in temperature measurements, including the temperature coefficient, is given below. The "full scale of
electromotive force" is the difference between the high limit and low limit converted to electromotive force for each thermocouple.
Example
Ambient temperature: 30 °C
Temperature Sensor: K thermocouple (−270 to 1,372 °C)
Measured temperature:500 °C
From electromotive force table
−270 °C: −6.458 mV
1,372 °C: 54.86 mV
Full scale: 61.344
Electromotive conversion of temperature coefficient:
61.344 mV × ±0.01%/°C = ±6.13 μV/°C
Error in electromotive force at 30°C:
±6.13 μV/°C × (30°C − 25°C) = 30.65 μV/°C
Temperature difference between measurement point and terminals on Unit (ambient temperature) (based on ambient temperature of 30 °C and
Measured temperature of 500 °C):
470 °C
Electromotive force per °C at a measured temperature of 470 °C (from the electromotive force tables for a K thermocouple):
43 μV/°C
Error in measured temperature = Accuracy ± Error from temperature coefficient + Error in cold junction compensation = ±0.8°C + ±0.7°C +
±1.0°C = ±2.5°C
Sensor Type and Input Range
The Temperature Sensor type and input range are set in the allocated words in the DM Area for every four inputs. The input range can be set
anywhere within the measurable input ranges shown in the following table. Accuracy and resolution, however, are not determined from the set
input range, but rather from the measurable input range shown in the following table. Therefore, accuracy and resolution do not change even when
a narrow input range is set.
External connections Terminal block (detachable)
Unit number settings Set by rotary switches on front panel, from 0 to 95.
Indicators Three LED indicators on front panel (for normal operation, errors detected at the Thermocouple Input Unit, and errors
related to the CPU Unit).
Front panel connector Sensor input connector terminal block (detachable)
Effect on CPU Unit cycle time 0.3 ms
Current consumption (supplied from
Power Supply Unit) 5 V DC at 120 mA max., 26 V DC at 80 mA max.
Dimensions 35 × 130 × 126 mm (W × H × D)
Note: The height including the Backplane is 145 mm.
Weight 450 g max.
Standard accessories Two cold junction sensors (mounted to terminal block)
Error in temperature coefficient: ±30.65 μV ÷ 43 μV/°C = ±0.7°C
Sensor type DM Area setting Measurable input range
B 0 0 to 1,820°C
E1−270 to 1,000°C
J2−210 to 1,200°C
K3−270 to 1,372°C
N4−270 to 1,300°C
R5−50 to 1,768°C
S6−50 to 1,768°C
T7−270 to 400°C
mV 8 −100 to 100 mV
L9−200 to 900°C
U10−200 to 600°C
WRe5-26 11 0 to 2,300°C
PLII 12 0 to 1,300°C
Item Specifications
I
13
CS1W-PTS/PDC/PTW/PTR/PPS/PMV
Accuracy by Sensor Type and Measured Temperature Range
Terminal Block Diagram
Sensor type Temperature range Standard accuracy Details
B 0 to 1,820°C±1.8°C (±0.1%) 400 to 800°C: ±3°C
Less than 400°C: Accuracy is not specified.
E−270 to 1,000°C±0.6°C (±0.05%) −250 to 200°C: ±1.2°C
Less than −250°C: Accuracy is not specified.
J−210 to 1,200°C±0.7°C (±0.05%)
K−270 to 1,372°C±0.8°C (±0.05%) −250 to 200°C: ±2°C
Less than −250°C: Accuracy is not specified.
N−270 to 1,300°C±0.8°C (±0.05%) −200 to 150°C: ±1.6°C
Less than −200°C: Accuracy is not specified.
R−50 to 1,769°C±1.8°C (±0.1%) 0 to 100°C: ±2.5°C
Less than 0°C: Accuracy is not specified.
S−50 to 1,769°C±1.8°C (±0.1%) 0 to 100°C: ±2.5°C
Less than 0°C: 3.2°C
T−270 to 400°C±0.35°C (±0.05%) −180 to 0°C: ±0.7°C
−200 to −180°C: ±1.3°C
Less than −200°C: Accuracy is not specified.
L−200 to 900°C±0.5°C (±0.05%)
U−200 to 600°C±0.4°C (±0.05%) −100 to 0°C: ±0.5°C
Less than −100°C: ±0.7°C
WRe5-26 0 to 2,315°C±1.2°C (±0.05%) More than 2,200°C: ±1.4°C
PLII 0 to 1,395°C±0.7°C (±0.05%)
No. 1 input
Thermocouples
Cold junction
sensors
Upper
Lower
B5
A5
B6
A6
B7
A7
A2
A3
A8
A9
B4
A4
No. 2 input
No. 3 input
No. 4 input
26 VDC
Photocoupler
Photocoupler
Photocoupler
Photocoupler
Connector
Input selector
Multiplexer
A/D converter
Photocoupler
Amplifier
circuit
Amplifier
circuit
Amplifier
circuit
Amplifier
circuit
Amplifier
circuit
Amplifier
circuit
A/D
converter
A/D
converter
A/D
converter
A/D
converter
Digital
circuits
Isolated power
supply circuit
Isolated power
supply circuit
Isolated power
supply circuit
Isolated power
supply circuit
Isolated
power
supply
circuit
5 VDC
Speci cations
item
Model csl WrPTSfi
Applicable PLO cs serres
unit type CSrseiies Sp
Mounting position 33:33:02:
Maximum number at units an lwrihrrr ihe
unit numbers an in 95 lca
Speclal llo unit Area
in wards/Uri
lsulatedrtype
Areas lor data A" PVOCESS V
exchange wltlr CPU Slims
Unfl DM Area words mo words/U
allocated to Special CPU Unri m
llo units Temperaiure
Number 0! temperature sensor inputs 4
Temperature sensor types
The senser |
Data storage in tne clo Area
The aciual pi
words in me
Accuracy (25°C) (see note.)
Wrih celsrus
Wrih iahrehh
Howeverr me
The accurac
The accurac
PV Process
Temperature characteristic Reier m Tem
warmup time an mrrr
Conversion pevlod 250 hrs/4 mp
Maximum time to store data in CPU unit
Conversmn p
sensor error detection
Deiects sens
Hardware ae
The precess
m +20“F, low
OITIROFI
CS1W-PTS/PDC/PTW/PTR/PPS/PMV
14
CS1W-PTS51 Isolated-type Thermocouple Input Unit
Overview
The CS1W-PTS51 Isolated-type Thermocouple Input Unit provides four direct thermocouple
inputs, and sends the data to the CPU Unit each cycle. All inputs are isolated.
System Configuration
Specifications
Item Specifications
Model CS1W-PTS51
Applicable PLC CS Series
Unit type CS-series Special I/O Unit
Mounting position CS-series CPU Rack or CS-series Expansion Rack (Cannot be mounted to C200H Expansion I/O Rack or SYSMAC
BUS Remote I/O Slave Rack.)
Maximum number of Units 80 (within the allowable current consumption and power consumption range)
Unit numbers 00 to 95 (Cannot duplicate Special I/O Unit numbers.)
Areas for data
exchange with CPU
Unit
Special I/O Unit Area
10 words/Unit
Isolated-type Thermocouple Input Unit to CPU Unit:
All process values, process value alarms (L, H), conversion data enabled flags, sensor errors, cold junction sensor
errors
DM Area words
allocated to Special
I/O Units
100 words/Unit
CPU Unit to Isolated-type Thermocouple Input Unit:
Temperature sensor type, input range (user set), process value alarm setting (L, H), zero/span adjustment value.
Number of temperature sensor inputs 4
Temperature sensor types The sensor type be set individually for each of 4 inputs, which are each selectable from K, J, L, R, S, T, B.
Data storage in the CIO Area The actual process data in the input range is stored in four digits hexadecimal (binary or BCD values) in the allocated
words in the CIO Area.
Accuracy (25°C) (See note.)
With Celsius selected: ±0.3% of PV or ±1°C, whichever is greater, ±1 digit max.
With fahrenheit selected: ±0.3% of PV or ±2°F, whichever is greater, ±1 digit max.
However, the accuracy of K and T at −100°C or lower and L is ±2°C ±1 digit max.
The accuracy of R and S at 200°C or lower is ±3°C ±1 digit max.
The accuracy of B at 400°C or lower is not specified.
PV: Process value data
Temperature characteristic Refer to Temperature Characteristics According to Thermocouple Type on page 16.
Warmup time 30 min
Conversion period 250 ms/4 inputs.
Maximum time to store data in CPU Unit Conversion period + one CPU Unit cycle
Sensor error detection
Detects sensor error at each input and turns ON the Sensor error Flag.
Hardware detection time: Approx. 0.5 s max.
The process value overrange direction for when a sensor error occurs can be specified. (High: Set input range +20°C
or +20°F; low: Set input range −20°C or −20°F)
CS1W-PTS51
4 thermocouple inputs
(K, J, L, R, S, T, B)
I
CS1W-PTS/PDC/PTW/PTR/PPS/PMV
15
Note: The heat generated by a Unit will dramatically change the accuracy specifications when more than one C200HW-PA209R or CS1W-ID291
Unit is mounted side-by-side.
The following accuracy specifications apply under such conditions.
With Celsius selected:
±0.3% of PV or ±1.3°C, whichever is greater, ±1 digit max.
With Fahrenheit selected:
±0.3% of PV or ±3°F, whichever is greater, ±1 digit max.
However, the accuracy of K and T at −100°C or less and L is ±3°C ±1 digit max. The accuracy of R and S at 200°C or less is ±4°C ±1 digit
max.
The accuracy of B at 400°C or less is not specified.
Functions
Process value alarm Process value 2-point alarm (HH, H, LL, L), alarm hysteresis, and ON-delay timer (0 to 60 s) are available. External
alarm outputs: One per input (H or L).
External alarm
outputs
NPN outputs (with short-circuit protection)
External power supply voltage: 20.4 to 26.4 V DC
Max. switching capacity: 100 mA (for one output)
Leakage current: 0.3 mA max.
Residual voltage: 3 V max.
Isolation Between inputs and PLC signals: Transformer for power supply and photocoupler for signals.
Between each input: Transformer for power supply and photocoupler for signals.
Insulation resistance
20 MΩ max. (at 500 V DC).
Between all output and NC terminals and external AC terminals (Power Supply Unit)
Between all input terminals and external AC terminals (Power Supply Unit)
Between all input terminals and all output terminals
Between all external DC terminals (input, output, and NC terminals) and FG plate
Between all input and output terminals and all NC terminals
Dielectric strength
Between all output and NC terminals and external AC terminals (Power Supply Unit)
2,000 VAC, 50/60 Hz 1 min., detection current: 1 mA
Between all input terminals and external AC terminals (Power Supply Unit)
Between all input terminals and all output terminals
Between all external DC terminals (input, output, and NC terminals) and FG plate
1,000 VAC, 50/60 Hz 1 min., detection current: 1 mA
Between all channels
500 VAC, 50/60 Hz 1 min., detection current: 1 mA
External connections Terminal block (detachable)
Unit number settings Set by rotary switches on front panel, from 0 to 95.
Indicators Seven LED indicators on front panel (for normal operation, errors detected at the Thermocouple Input Unit, errors
related to the CPU Unit, and four indicators for external alarm outputs.)
Effect on CPU Unit cycle time 0.4 ms
Current consumption (supplied from
Power Supply Unit) 5 V DC at 250 mA max.
Dimensions 35 × 130 × 126 mm (W × H × D)
Note: The height including the Backplane is 145 mm.
Weight 450 g max.
Item Specifications
I
16
CS1W-PTS/PDC/PTW/PTR/PPS/PMV
Sensor Type and Input Range
The Temperature Sensor type and input range are set in the allocated words in the DM Area for every four inputs.
The measurable data range is ±20 digits wider than the sensor input range.
Note: 1. If the indication range is exceeded, a sensor error will occur and the sensor error bit will turn ON. The process value will be clamped at
the lower or upper limit of the indication range, depending on the setting for data direction at sensor error.
2. The lower limit for B thermocouples is 0°C/°F.
3. The indicator range for BCD display will be clamped at the lower (or upper) limit in the region between the lower (or upper) limit of the
setting range and the point where a sensor error occurs.
For 0.1°C/0.1°F indication with minus sign indicated by leftmost 4 bits (bits 12 to 15): Lower limit = −99.9, Upper limit = 999.9.
For 0.1°C/0.1°F indication with minus sign indicated by leftmost bit (bit 15): Lower limit = −799.9, Upper limit = 799.9.
Temperature Characteristics According to Thermocouple Type
Set-
ting Input
°C°F
16-bit binary
BCD
16-bit binary
BCD
F@@@ indicates
minus sign.
Leftmost bit
indicates minus
sign.
F@@@ indicates
minus sign.
Leftmost bit
indicates minus
sign.
0K: −200 to 1300°C
(−300 to 2300°F) FF38 to FFFF to 0514
(−200 to −1 to 1300) F200 to 1300
(−200 to 1300) 8200 to 1300
(−200 to 1300) FED4 to FFFF to 08FC
(−300 to −1 to 2300) F300 to 2300
(−300 to 2300) F300 to 2300
(−300 to 2300)
1K: 0.0 to 500°C
(0.0 to 900.0°F) 0000 to 1388
(0.0 to 500.0) 0000 to 5000
(0.0 to 500.0) 0000 to 5000
(0.0 to 500.0) 0000 to 2328
(0.0 to 900.0) 0000 to 9000
(0.0 to 900.0)
0000 to 7999
(See note 3.)
(0.0 to 799.9)
2J: −100 to 850°C
(−100 to 1500°F) FF9C to FFFF to 0352
(−100 to −1 to 850) F100 to 0850
(−100 to 850) 8100 to 0850
(−100 to 850) FF9C to FFFF to 05DC
(−100 to −1 to 1500) F100 to 1500
(−100 to 1500) 8100 to 1500
(−100 to 1500)
3J: 0.0 to 400.0°C
(0.0 to 750.0°F) 0000 to 0FA0
(0.0 to 400.0) 0000 to 4000
(0.0 to 400.0) 0000 to 4000
(0.0 to 400.0) 0000 to 1D4C
(0.0 to 750.0) 0000 to 7500
(0.0 to 750.0) 0000 to 7500
(0.0 to 750.0)
4T: −200 to 400°C
(−300 to 700.0°F) F830 to FFFF to 0FA0
(−200.0 to −0.1 to 400.0)
F999 to 4000
(See note 3.)
(−99.9 to 400.0)
A000 to 4000
(−200.0 to 400.0) F448 to FFFF to 1B58
(−300.0 to −0.1 to 700.0)
F999 to 7000
(See note 3.)
(−99.9 to 700.0)
B000 to 7000
(−300.0 to 700.0)
5L: −100 to 850°C
(−100 to 1500°F) FF9C to FFFF to 0352
(−100 to −1 to 850) F100 to 0850
(−100 to 850) 8100 to 0850
(−100 to 850) FF9C to FFFF to 05DC
(−100 to −1 to 1500) F100 to 1500
(−100 to 1500) 8100 to 1500
(−100 to 1500)
6L: 0.0 to 400.0°C
(0.0 to 750.0°F) 0000 to 0FA0
(0.0 to 400.0) 0000 to 4000
(0.0 to 400.0) 0000 to 4000
(0.0 to 400.0) 0000 to 1D4C
(0.0 to 750.0) 0000 to 7500
(0.0 to 750.0) 0000 to 7500
(0.0 to 750.0)
7R: 0 to 1700°C
(0 to 3000°F) 0000 to 06A4
(0 to 1700) 0000 to 1700
(0 to 1700) 0000 to 1700
(0 to 1700) 0000 to 0BB8
(0 to 3000) 0000 to 3000
(0 to 3000) 0000 to 3000
(0 to 3000)
8S: 0 to 1700°C
(0 to 3000°F) 0000 to 06A4
(0 to 1700) 0000 to 1700
(0 to 1700) 0000 to 1700
(0 to 1700) 0000 to 0BB8
(0 to 3000) 0000 to 3000
(0 to 3000) 0000 to 3000
(0 to 3000)
9B: 400 to 1800°C
(See note 2.)
(750 to 3200°F)
0190 to 0708
(400 to 1800) 0400 to 1800
(400 to 1800) 0400 to 1800
(400 to 1800) 02EE to 0C80
(750 to 3200) 0750 to 3200
(750 to 3200) 0750 to 3200
(750 to 3200)
Thermocouple Temperature range Set value error when ambient
temperature changes by 1°C
R
0 to 200°C±0.43°C
200 to 1,000°C±0.29°C
1,000 to 1,700°C±285 ppm of PV
S
0 to 200°C±0.43°C
200 to 1,000°C±0.29°C
1,000 to 1,700°C 285 ppm of PV
B
400°C or less Not specified.
400 to 800°C±0.43°C
800 to 1,000°C±0.29°C
1,000 to 1,800°C 285 ppm of PV
K
−200 to −100°C±0.29°C
−100 to 400°C±0.11°C
400 to 1,300°C±285 ppm of PV
J−100 to 400°C±0.11°C
400 to 850°C±285 ppm of PV
T−200 to −100°C±0.29°C
−100 to 400°C±0.11°C
L−100 to 400°C±0.11°C
400 to 850°C±285 ppm of PV
Note: Action tor Unused lnput Terminals
. Shonrcircult tne pasmve (a and negative H sides at th
and A2 tor No. t tnermocouple input,
. Cold lunclion sensors are mounted belore shipmenl. ll
stop and correct measurement ot temperatures cannot
the Units.
. Cold junction sensors are calibrated separately tor eacn
lunclian sensorlrom another Unit is used or it lne two e
are provided, wllhaul making any enanges.
. Do not connect anytnrng to NC terminals, Do not use N
. Always ground lne GR terminal on the Pawel Supply u
. It the input device uses a voltage genelamr‘ temperatul
terminal
OITIROFI
CS1W-PTS/PDC/PTW/PTR/PPS/PMV
17
The measured temperature error is calculated as shown in the following example.
Overall accuracy =
Reference accuracy + Temperature characteristic × Change in ambient temperature = ±1.5°C + ±0.143°C × 5 = Approx. ±2.2°C ± 1 digit.
Terminal Connection Diagram
Note: Action for Unused Input Terminals
•Short-circuit the positive (+) and negative (−) sides of the thermocouple input section using a lead wire. For example, short terminals A3
and A2 for No. 1 thermocouple input.
•Cold junction sensors are mounted before shipment. If one of the cold junction sensors is disconnected, cold junction compensation will
stop and correct measurement of temperatures cannot be made. Always make sure the cold junction sensors are connected when using
the Units.
•Cold junction sensors are calibrated separately for each Unit and connected circuit, so correct temperatures will not be measured if a cold
junction sensor from another Unit is used or if the two cold junction sensors in a Unit are swapped. Use the cold junction sensors as they
are provided, without making any changes.
•Do not connect anything to NC terminals. Do not use NC terminals as relay terminals.
•Always ground the GR terminal on the Power Supply Unit of the PLC.
•If the input device uses a voltage generator, temperature compensator, or similar device, then ground the input device if it has a ground
terminal.
Item Details
Ambient temperature 30°C
Thermocouple type K
Measured temperature (PV) 500°C
Reference accuracy (25°C) ±0.3°C of PV or ±1°C, whichever is greater, ±1 digit.
In this example, ±1.5°C.
Temperature characteristics 400 to 1,300°C: 285 ppm of PV.
In this example, 285 ppm × 500°C = 0.143°C.
Change in ambient temperature 5°C (25 to 30°C).
External alarm outputs
2−
2+
CJ
CJ
4−
4+
ALM2
ALM4
0V
N.C.
B1
B2
B3
B4
B5
B6
B7
B8
B9
B10
A1
A2
A3
A4
A5
A6
A7
A8
A9
A10
A11
N.C
1−
1+
N.C.
N.C.
3−
3+
ALM1
ALM3
24V
N.C.
No. 2
thermocouple input
Cold junction sensor
No. 4
thermocouple input
No. 1
thermocouple input
No. 3
thermocouple input
External alarm outputs
L
L
L
L
a”
OITIROFI
CS1W-PTS/PDC/PTW/PTR/PPS/PMV
18
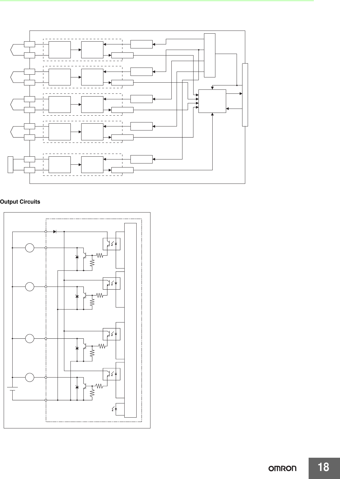
Terminal Block Diagram
Input Circuits
Output Circuits
5 VDC
Connector
No. 1 input
Photocoupler
Photocoupler
Photocoupler
Photocoupler
Photocoupler
A3
A2
No. 2 input
B2
B4
No. 3 input
A7
A6
No. 4 input
B6
B5
Cold junction
sensors
B3
B4
Isolation circuit
Digital
circuits
Double
integral
A/D
Double
integral
A/D
Double
integral
A/D
Double
integral
A/D
Double
integral
A/D
Reference
power supply
Reference
power supply
Reference
power supply
Reference
power supply
Reference
power supply
Amplifier
circuit
Amplifier
circuit
Amplifier
circuit
Amplifier
circuit
Amplifier
circuit
Internal Circuit
L
L
L
L
Output Display
LED
B7
ALM2
A9
ALM3
B8
ALM4
B9
0V
A10
24V
A8
ALM1
I
19
CS1W-PTS/PDC/PTW/PTR/PPS/PMV
CS1W-PTS55 Isolated-type Thermocouple Input Unit
Overview
The CS1W-PTS55 Isolated-type Thermocouple Input Unit provides 8 direct thermocouple
inputs, and sends the data to the CPU Unit each cycle. All inputs are isolated.
System Configuration
CS1W-PTS55
8 thermocouple inputs
(K, J, L, R, S, T, B)
I
20
CS1W-PTS/PDC/PTW/PTR/PPS/PMV
Specifications
Item Specifications
Model CS1W-PTS55
Applicable PLC CS Series
Unit type CS-series Special I/O Unit
Mounting position CS-series CPU Rack or CS-series Expansion Rack (Cannot be mounted to C200H Expansion I/O Rack or SYSMAC
BUS Remote I/O Slave Rack.)
Maximum number of Units 80 (within the allowable current consumption and power consumption range)
Unit numbers 00 to 95 (Cannot duplicate Special I/O Unit numbers.)
Areas for data
exchange with CPU
Unit
Special I/O Unit Area
10 words/Unit
Isolated-type Thermocouple Input Unit to CPU Unit:
All process values, process value alarms (L, H), conversion data enabled flags, sensor errors, cold junction sensor
errors
DM Area words
allocated to Special
I/O Units
100 words/Unit
CPU Unit to Isolated-type Thermocouple Input Unit:
Temperature sensor type, input range (user set), process value alarm setting (L, H), zero/span adjustment value.
Expansion Setting
Area
1 word/Unit
CPU Unit to Isolated-type Thermocouple Input Unit:
Process Value Alarm
Number of temperature sensor inputs 8
Temperature sensor types The sensor type be set individually for each of 8 inputs, which are each selectable from K, J, L, R, S, T, B (“Not used”
can be selected).
Data storage in the CIO Area The actual process data in the input range is stored in four digits hexadecimal (binary or BCD values) in the allocated
words in the CIO Area.
Accuracy (25°C)
With Celsius selected: ±0.3% of PV or ±1°C, whichever is greater, ±1 digit max.
With fahrenheit selected: ±0.3% of PV or ±2°F, whichever is greater, ±1 digit max.
However, the accuracy of K and T at −100°C or lower and L is ±2°C ±1 digit max.
The accuracy of R and S at 200°C or lower is ±3°C ±1 digit max.
The accuracy of B at 400°C or lower is not specified.
PV: Process value data
Temperature characteristic Refer to Temperature Characteristics According to Thermocouple Type on page 21.
Warmup time 30 min
Conversion period 250 ms/8 inputs.
Maximum time to store data in CPU Unit Conversion period + one CPU Unit cycle
Sensor error detection
Detects sensor error at each input and turns ON the Sensor error Flag.
Hardware detection time: Approx. 0.5 s max.
The process value overrange direction for when a sensor error occurs can be specified. (High: Set input range +20°C
or +20°F; low: Set input range −20°C or −20°F)
Functions Process value alarm Process value 2-point alarm (H, L), alarm hysteresis, and ON-delay timer (0 to 60 s) are available.
Two alarms per input (H, L) can be output to addresses in the CIO Area specified in the Expansion Setting Area.
Isolation Between inputs and PLC signals: Transformer for power supply and photocoupler for signals.
Between each input: Transformer for power supply and photocoupler for signals.
Insulation resistance
20 MΩ max. (at 500 V DC).
Between all input terminals and external AC terminals (Power Supply Unit)
Between all external DC terminals (input and NC terminals) and FG plate
Between all input and all NC terminals
Dielectric strength
Between NC terminals and external AC terminals (Power Supply Unit)
2,000 VAC, 50/60 Hz 1 min., detection current: 1 mA
Between all input terminals and external AC terminals (Power Supply Unit)
Between all external DC terminals (input and NC terminals) and FG plate
1000 VAC, 50/60 Hz 1 min., detection current: 1 mA
Between all channels
500 VAC, 50/60 Hz 1 min., detection current: 1 mA
External connections Terminal block (detachable)
Unit number settings Set by rotary switches on front panel, from 0 to 95.
Indicators Three LED indicators on front panel (for normal operation, errors detected at the Unit, errors related to the CPU Unit)
Effect on CPU Unit cycle time 0.4 ms
Current consumption (supplied from
Power Supply Unit) 5 V DC at 180 mA max.
26 V DC at 60 mA max.
Dimensions 35 × 130 × 126 mm (W × H × D)
Note: The height including the Backplane is 145 mm.
Weight 450 g max.
I
CS1W-PTS/PDC/PTW/PTR/PPS/PMV
21
Sensor Type and Input Range
The Temperature Sensor type and input range are set in the allocated words in the DM Area for every four inputs.
The measurable data range is ±20 digits wider than the sensor input range.
Note: 1. If the indication range is exceeded, a sensor error will occur and the sensor error bit will turn ON. The process value will be clamped at
the lower or upper limit of the indication range, depending on the setting for data direction at sensor error.
2. The lower limit for B thermocouples is 0°C/°F.
3. The indicator range for BCD display will be clamped at the lower (or upper) limit in the region between the lower (or upper) limit of the
setting range and the point where a sensor error occurs.
For 0.1°C/0.1°F indication with minus sign indicated by leftmost 4 bits (bits 12 to 15): Lower limit = −99.9, Upper limit = 999.9.
For 0.1°C/0.1°F indication with minus sign indicated by leftmost bit (bit 15): Lower limit = −799.9, Upper limit = 799.9.
Temperature Characteristics According to Thermocouple Type
Set-
ting Input
°C°F
16-bit binary
BCD
16-bit binary
BCD
F@@@ indicates
minus sign.
Leftmost bit
indicates minus
sign.
F@@@ indicates
minus sign.
Leftmost bit
indicates minus
sign.
0K: −200 to 1300°C
(−300 to 2300°F) FF38 to FFFF to 0514
(−200 to −1 to 1300) F200 to 1300
(−200 to 1300) 8200 to 1300
(−200 to 1300) FED4 to FFFF to 08FC
(−300 to −1 to 2300) F300 to 2300
(−300 to 2300) F300 to 2300
(−300 to 2300)
1K: 0.0 to 500°C
(0.0 to 900.0°F) 0000 to 1388
(0.0 to 500.0) 0000 to 5000
(0.0 to 500.0) 0000 to 5000
(0.0 to 500.0) 0000 to 2328
(0.0 to 900.0) 0000 to 9000
(0.0 to 900.0)
0000 to 7999
(See note 3.)
(0.0 to 799.9)
2J: −100 to 850°C
(−100 to 1500°F) FF9C to FFFF to 0352
(−100 to −1 to 850) F100 to 0850
(−100 to 850) 8100 to 0850
(−100 to 850) FF9C to FFFF to 05DC
(−100 to −1 to 1500) F100 to 1500
(−100 to 1500) 8100 to 1500
(−100 to 1500)
3J: 0.0 to 400.0°C
(0.0 to 750.0°F) 0000 to 0FA0
(0.0 to 400.0) 0000 to 4000
(0.0 to 400.0) 0000 to 4000
(0.0 to 400.0) 0000 to 1D4C
(0.0 to 750.0) 0000 to 7500
(0.0 to 750.0) 0000 to 7500
(0.0 to 750.0)
4T: −200 to 400°C
(−300 to 700.0°F) F830 to FFFF to 0FA0
(−200.0 to −0.1 to 400.0)
F999 to 4000
(See note 3.)
(−99.9 to 400.0)
A000 to 4000
(−200.0 to 400.0) F448 to FFFF to 1B58
(−300.0 to −0.1 to 700.0)
F999 to 7000
(See note 3.)
(−99.9 to 700.0)
B000 to 7000
(−300.0 to 700.0)
5L: −100 to 850°C
(−100 to 1500°F) FF9C to FFFF to 0352
(−100 to −1 to 850) F100 to 0850
(−100 to 850) 8100 to 0850
(−100 to 850) FF9C to FFFF to 05DC
(−100 to −1 to 1500) F100 to 1500
(−100 to 1500) 8100 to 1500
(−100 to 1500)
6L: 0.0 to 400.0°C
(0.0 to 750.0°F) 0000 to 0FA0
(0.0 to 400.0) 0000 to 4000
(0.0 to 400.0) 0000 to 4000
(0.0 to 400.0) 0000 to 1D4C
(0.0 to 750.0) 0000 to 7500
(0.0 to 750.0) 0000 to 7500
(0.0 to 750.0)
7R: 0 to 1700°C
(0 to 3000°F) 0000 to 06A4
(0 to 1700) 0000 to 1700
(0 to 1700) 0000 to 1700
(0 to 1700) 0000 to 0BB8
(0 to 3000) 0000 to 3000
(0 to 3000) 0000 to 3000
(0 to 3000)
8S: 0 to 1700°C
(0 to 3000°F) 0000 to 06A4
(0 to 1700) 0000 to 1700
(0 to 1700) 0000 to 1700
(0 to 1700) 0000 to 0BB8
(0 to 3000) 0000 to 3000
(0 to 3000) 0000 to 3000
(0 to 3000)
9B: 400 to 1800°C
(See note 2.)
(750 to 3200°F)
0190 to 0708
(400 to 1800) 0400 to 1800
(400 to 1800) 0400 to 1800
(400 to 1800) 02EE to 0C80
(750 to 3200) 0750 to 3200
(750 to 3200) 0750 to 3200
(750 to 3200)
Thermocouple Temperature range Set value error when ambient
temperature changes by 1°C
R
0 to 200°C±0.43°C
200 to 1,000°C±0.29°C
1,000 to 1,700°C±285 ppm of PV
S
0 to 200°C±0.43°C
200 to 1,000°C±0.29°C
1,000 to 1,700°C 285 ppm of PV
B
400°C or less Not specified.
400 to 800°C±0.43°C
800 to 1,000°C±0.29°C
1,000 to 1,800°C 285 ppm of PV
K
−200 to −100°C±0.29°C
−100 to 400°C±0.11°C
400 to 1,300°C±285 ppm of PV
J−100 to 400°C±0.11°C
400 to 850°C±285 ppm of PV
T−200 to −100°C±0.29°C
−100 to 400°C±0.11°C
L−100 to 400°C±0.11°C
400 to 850°C±285 ppm of PV
Note: . Sel the Sensorlype in Setting Group 2 in the DM Area to "Not used" tor any thermoeouple inputs that are not used
. Cold lunclion sensors are mounted oetore shipmenl. it one ot the sold junotion sensors is disconnected, eold junetion
stop and correct measurement ot temperatures cannot be made. Always make sure the sold junetron sensors are con
the Units.
. Cold junetion sensors are calibrated separaleiy tor each Unil and oohneeted orreuit, so eorreol temperalures will not p
yunolion sensortrom another Unit is used or rt the two eold junetron sensors in a Unit are swapped. Use the sold june
are provided, without making any ehanges.
. Do not connect anything to NC terminals, Do not use NC terminals as relay terminals,
. Always ground the GR terminal on the Power Supply Umt ot the PLO,
. it the input device uses a voltage generator temperature compensatory or similar device. then ground the inpul deyre
terminal
OITIROFI
22
CS1W-PTS/PDC/PTW/PTR/PPS/PMV
The measured temperature error is calculated as shown in the following example.
Overall accuracy =
Reference accuracy + Temperature characteristic × Change in ambient temperature = ±1.5°C + ±0.143°C × 5 = Approx. ±2.2°C ±1 digit.
Terminal Connection Diagram
Note: •Set the Sensor type in Setting Group 2 in the DM Area to "Not used" for any thermocouple inputs that are not used.
•Cold junction sensors are mounted before shipment. If one of the cold junction sensors is disconnected, cold junction compensation will
stop and correct measurement of temperatures cannot be made. Always make sure the cold junction sensors are connected when using
the Units.
•Cold junction sensors are calibrated separately for each Unit and connected circuit, so correct temperatures will not be measured if a cold
junction sensor from another Unit is used or if the two cold junction sensors in a Unit are swapped. Use the cold junction sensors as they
are provided, without making any changes.
•Do not connect anything to NC terminals. Do not use NC terminals as relay terminals.
•Always ground the GR terminal on the Power Supply Unit of the PLC.
•If the input device uses a voltage generator, temperature compensator, or similar device, then ground the input device if it has a ground
terminal.
Item Details
Ambient temperature 30°C
Thermocouple type K
Measured temperature (PV) 500°C
Reference accuracy (25°C) ±0.3°C of PV or ±1°C, whichever is greater, ±1 digit.
In this example, ±1.5°C.
Temperature characteristics 400 to 1,300°C: 285 ppm of PV.
In this example, 285 ppm × 500°C = 0.143°C.
Change in ambient temperature 5°C (25 to 30°C).
N.C.
N.C.
1+
2+
3+
4+
5+
6+
7+
8+
B1
B2
B3
B4
B5
B6
B7
B8
B9
B10
A1
A2
A3
A4
A5
A6
A7
A8
A9
A10
A11
Cold junction sensor
N.C. B11
N.C. B12 A12
CJ1+
CJ1−
1−
2−
3−
4−
5−
6−
7−
8−
CJ2+
CJ2−
Cold junction sensor
No. 8 thermocouple input
No. 7 thermocouple input
No. 6 thermocouple input
No. 5 thermocouple input
No. 4 thermocouple input
No. 3 thermocouple input
No. 2 thermocouple input
No. 1 thermocouple input
CS1 W-PTS/ PDC/ PTW/ PTR/ P PS/ PMV
nal Block Diagram
rcuils
OITIROFI
23
CS1W-PTS/PDC/PTW/PTR/PPS/PMV
Terminal Block Diagram
Input Circuits
5 VDC
Connector
Isolation circuit
Digital circuits
Reference
power supply
Cold junction
sensors
Double
integral
A/D
Photocoupler
A1
A2
No. 4 input
Photocoupler
B6
A6
Double
integral
A/D
Reference
power supply
No. 1 input
Photocoupler
B3
A2
Double
integral
A/D
Reference
power supply
Reference
power supply
Cold junction
sensors
Double
integral
A/D
Photocoupler
A11
A12
No. 8 input
Photocoupler
B10
A10
Double
integral
A/D
Reference
power supply
No. 5 input
Photocoupler
B7
A7
Double
integral
A/D
Reference
power supply
Isolation circuit
No.2 input Reference
power supply
No.3 input Reference
power supply
No.2 input
Photocoupler
No.3 input
Photocoupler
No.6 input
Photocoupler
No.7 input
Photocoupler
No.6 input Reference
power supply
No.7 input Reference
power supply
26 VDC
Amplifier
circuit
Amplifier
circuit
Amplifier
circuit
Amplifier
circuit
Amplifier
circuit
Amplifier
circuit
I
CS1W-PTS/PDC/PTW/PTR/PPS/PMV
24
CS1W-PTS02 Isolated-type Resistance Thermometer Input Unit (Pt100 or JPt100)
Overview
The CS1W-PTS02 Isolated-type Resistance Thermometer Input Unit provides four direct
platinum resistance thermometer inputs, and sends the data to the CPU Unit each cycle. All
inputs are isolated.
System Configuration
Specifications
Item Specifications
Model CS1W-PTS02
Applicable PLC CS Series
Unit type CS-series Special I/O Unit
Mounting position CS-series CPU Rack or CS-series Expansion Rack (Cannot be mounted to C200H Expansion I/O Rack or SYSMAC
BUS Remote I/O Slave Rack.)
Maximum number of Units 80 (within the allowable current consumption and power consumption range)
Unit numbers 00 to 95 (Cannot duplicate Special I/O Unit numbers.)
Areas for data
exchange with CPU
Unit
Special I/O Unit Area
10 words/Unit
Resistance Thermometer Input Unit to CPU Unit:
All process values, process value alarms (LL, L, H, HH), rate-of-change values, rate-of-change alarms (L, H),
disconnection alarms, cold junction sensor errors
DM Area words
allocated to Special
I/O Units
100 words/Unit
CPU Unit to Resistance Thermometer Input Unit:
Temperature sensor type, input range (user set), scaling of process value data to be stored in allocated words in CIO
area, number of items for moving average, process value alarm setting (LL, L, H, HH), rate-of-change alarm setting
(L, H), zero/span adjustment value, etc.
Number of temperature sensor inputs 4
Temperature sensor types Pt100 (JIS, IEC) or JPt100
Sensor type, input range, and scaling to industrial units
are separate for each of the 4 inputs.
Note: Sensor type, input range, and scaling to industrial
units are set in the DM Area.
Input ranges
The input range can be set within any of the measurable
input ranges shown in Table 1 (below).
Note: Internally, inputs are processed in five ranges
(refer to Table 2 below), so accuracy and
resolution accord with these internal ranges.
Example:
Sensor type: Pt100; input range: 0 to 500°C; industrial
unit scaling: 0.0 to 500°C. DM Area settings are as
follows:
Sensor type: 0 (0000 hex)
Input signal maximum: 5000 (1388 hex)
Input signal minimum: 0 (0000 hex)
Industrial unit maximum value stored: 500 (01F4 hex)
Industrial unit minimum value stored: 0 (0000 hex)
Scaling in industrial units
Data to be stored in the allocated words in the CIO area
must be scaled (individually for each of 4 inputs, with the
minimum and maximum values set). Data can be stored
at 0% to 100%.
Data storage in the CIO Area The value derived from carrying out the following processing in order of the actual process data in the input range is
stored in four digits hexadecimal (binary values) in the allocated words in the CIO Area.
1) Mean value processing → 2) Scaling → 3) Zero/span adjustment → 4) Output limits
CS1W-PTS02
Four resistance thermometer inputs
(Pt100 or JPt100)
I
CS1W-PTS/PDC/PTW/PTR/PPS/PMV
25
Accuracy (25°C)
The greater of the following: ±0.1% (of internal range full span) or 0.1°C
As shown in the following equation, the accuracy depends on the ratio of the selected internal range (0 to 4) span to
the set input range span.
Temperature coefficient ±0.015% /°C, for any of internal range numbers 0 to 4.
Resolution
1/4,096 (of internal range full span)
As shown in the following equation, the resolution depends on the ratio of the selected internal range (0 to 4) span to
the set input range span.
Sensing method 3-wire method
Allowable lead wire resistance 20 Ω max. per wire
Input detection current 0.25 mA
Warmup time 10 min
Response time 0.5 s (travel time from input 0% to 90%, for step input)
Conversion period 100 ms/4 inputs
Maximum time to store data in CPU Unit Conversion period + one CPU Unit cycle
Disconnection detection
Detects disconnections at each input and turns ON the Disconnection Detection Flag.
Hardware detection time: Approx. 1 s
The process value overrange direction for when a disconnection occurs can be specified. (High: 115% of set input
range; low: −15% of set input range)
Function
Mean value
processing (input
filter)
Calculates the moving average for the specified number of process values (1 to 16), and stores that value in the CIO
Area as the process value.
Process value alarm Process value 4-point alarm (HH, H, LL, L), alarm hysteresis, and ON-delay timer (0 to 60 s) are available.
Rate-of-change
calculation Calculates the amount of change per comparison time interval (1 to 16 s).
Rate-of-change
alarm Rate-of-change 2-point alarm (H, L), alarm hysteresis (shared with process value alarm), and ON-delay timer (0 to
60 s, shared with process value alarm) are available.
Isolation Between temperature inputs and between input terminals and PLC signals: Isolation by transformer
Insulation resistance 20 MΩ (at 500 V DC) between inputs
Dielectric strength Between inputs: 1,000 V AC, at 50/60 Hz, for 1 min, leakage current 10 mA max.
External connections Terminal block (detachable)
Unit number settings Set by rotary switches on front panel, from 0 to 95.
Indicators Three LED indicators on front panel (for normal operation, errors detected at the Resistance Thermometer Input Unit,
and errors related to the CPU Unit).
Front panel connector Sensor input connector terminal block (detachable)
Effect on CPU Unit cycle time 0.3 ms
Current consumption 5 V DC at 150 mA max., 26 V DC at 150 mA max.
Dimensions 35 × 130 × 126 mm (W × H × D)
Note: The height including the Backplane is 145 mm.
Weight 450 g max.
Standard accessories None
Item Specifications
Set input range span
Internal range span
Accuracy = ±0.1% ×or 0.1°C, whichever is greater.
4096
1
Set input range span
Internal range span
Resolution =
×
Note: 1. Wire the same length to A, B, and b‘ so that the
telminal black,
2. For unused input termina‘s‘ sherrcimuu belwee
inpuls wilh Ihe lead wwe.
OITIROFI
26
CS1W-PTS/PDC/PTW/PTR/PPS/PMV
Sensor Type and Input Range
The resistance thermometer type and input range are set in the allocated words in the DM Area for every four inputs. The input range can be set
anywhere within the measurable input ranges shown in Table 1.
Table 1: Measurable Input Ranges
Note: Set the input range in the DM Area within this range.
Internally inputs are processed in five progressive ranges (numbers 0 to 4), as shown in the following table.
Table 2: Internal Ranges
Therefore, the accuracy and resolution are determined by the ratio of the selected internal range (0 to 4) span to the set input range span. For the
internal range, a larger number is selected when both the minimum and maximum values of the range fall within that next range.
For example, suppose that the sensor type is Pt100 and the set input range is −100 to 400°C. Since both the minimum and maximum values fall
within the limits for internal range No. 1 (−200 to 438°C), that range will be selected.
Note: With Resistance Thermometer Input Units, process values can be scaled (e.g., 0% to 100%) in industrial units for the set input range. It is
possible to set the process value scaling higher than the resolution, but it will cause the values to be unstable.
Terminal Connection Diagram
CS1W-PTS02 Isolated-type Resistance Thermometer Unit
Note: 1. Wire the same length to A, B, and b, so that the impedance will be the same. In particular, do not short circuit between B and b at the
terminal block.
2. For unused input terminals, short-circuit between A-B and B-b (e.g., A2-A3 and A3-A4 for input No. 1) of the resistance thermometer
inputs with the lead wire.
Sensor type DM Area setting Measurable input range (See note.)
Pt100 0 −200 to 850°C
JPt100 1 −200 to 500°C
Internal range number Temperature range Span
0−200 to 850°C 1,050°C
1−200 to 438°C638°C
2−200 to 211°C411°C
3−100 to 104°C204°C
4−51 to 52°C103°C
N.C.
N.C.
N.C.
2A
2B
2b
N.C.
N.C.
N.C.
N.C.
B1
B2
B3
B4
B5
B6
B7
B8
B9
B10
A1
A2
A3
A4
A5
A6
A7
A8
A9
A10
A11
N.C.
1A
1B
1b
3A
3B
3b
N.C.
4A
4B
4b
Resistance thermometer
No. 2 input
Resistance thermometer
No. 1 input
Resistance thermometer
No. 3 input
Resistance thermometer
No. 4 input
CS1 W-PTS/ PDC/ PTW/ PTR/ P PS/ PMV
W W W W
ram
ance Thermometer Inpul um
OI'I'IROFI
27
CS1W-PTS/PDC/PTW/PTR/PPS/PMV
Terminal Block Diagram
CS1W-PTS02 Isolated-type Resistance Thermometer Input Unit
To CPU Unit
Multiplexer
Connector
A2
A3
A4
1A
1B
1b
Constant
current circuit
Constant
current circuit
Constant
current circuit
Constant
current circuit
Constant
current circuit
Constant
current circuit
Constant
current circuit
Constant
current circuit
Amplifier
Amplifier
Amplifier
Amplifier
470 Ω
Isolation
circuit
Isolation
circuit
Isolation
circuit
Isolation
circuit
Multi-gain
amplifier
circuit
A/D converter
Digital computation circuit
Isolated power supply circuit
5 V DC
26 V DC
Resistance
thermometer
Resistance
thermometer
Resistance
thermometer
Resistance
thermometer
B4
B5
B6
2A
2B
2b
470 Ω
A5
A6
A7
3A
3B
3b
470 Ω
A9
A10
A11
4A
4B
4b
470 Ω
Input No. 1
Input No. 2
Input No. 3
Input No. 4
A
B
A
B
A
B
A
B
Standard
resistance
Standard
resistance
Standard
resistance
Standard
resistance
Spectflcations
item Speclllcallons
Model CSlWrFTSDS
Applicable PLO cs senes
unit type CSrserles Spemal llo unit
Mounting position
CSrseries CPU Rack or CSrseltes Expansmn Rack tcannot be mounted to czouh Expansmn l/o Hackar SYSMAC
BUS Hemote l/o slave Hack)
Maximum number 0! units
so (wlmln the allowable current consumpmn ano power consumption range)
unit numbers
00 to 95 tcannot duplica|e Spectal l/o unit numbers l
Special I/O unit Area
Areas lor data
Imeds/Unlt
Resistance Thermometer input unit to CPU Unl|
All process values‘ process value alarrns (LL‘ L, H, HH)‘ raterairchange values‘ raterairchange alarms (L‘ H).
discannectlun alarms
exchange with CPU
Unll DM Area words
allocatett to Special
llo units
IOU words/unit
CPU Uano Hestslance Thermometer input Unl|
Temperature sensor type input range (user set)‘ scaling ol process value data to be stored In allocateo woros m clo
area. number ol items lor moving average process value alarm Seulng lLL, L‘ H, HH)‘ latermrchange alarm selling
(L‘ H). zero/span aolustrnent value etc,
Number at temperature sensor inputs
4
Temperature sensor types
Nismm
input range and scaling to lndushlal Iml|s areseparatelor
each ol the A inputs
Note: sensor type. lnpu| range, and scaling to industrial
units are set in the DM Area.
lnput ranges
The lnpu| range can be Setwlthln a range ohfiu to tame
(variable selling).
Not internally, inputs are processeo In the above
range (reler to Table 2 below)‘ so accuracy ano
resolmlon accoro vvrth |hls internal range
Scaling in lndusmal units
Data to be stored m the allocated wards m the Clo area
must be scaled (win! the mlmmum and rnaxrrnurn values
set). Data can be stored at 0% to 100%
Example.
input range 750 to tomoinoustrial unit scalingrfifl mo
tun o~c. DM Area settings are as lollovvs
input signal rnaxnnurn tuna tuaEa hexl
input signal rnrnrrnurn 7500 fine hex)
inoustnal unllmaxlmum value stored 1000(03EB hex)
inoustnal unit mlmmum value stored 7500 (FEOC hex)
Data storage in the CIO Area
The value oenveo lrom canylng out the lollowrng processing in order ol the actual process oata m the input range is
storeo In lour digits hexadectmal (blnaly values) H1 the allocateo vvoros m the ole Area
I) Mean value processing a 2) Scaling » at zero/span adlustmenl » 4) Output hml|s
OITIROFI
CS1W-PTS/PDC/PTW/PTR/PPS/PMV
28
CS1W-PTS03 Isolated-type Resistance Thermometer Input Unit (Ni508.4)
Overview
The CS1W-PTS03 Isolated-type Resistance Thermometer Input Unit provides four direct Ni
thermometer inputs, and sends the data to the CPU Unit each cycle. All inputs are isolated.
System Configuration
Specifications
Item Specifications
Model CS1W-PTS03
Applicable PLC CS Series
Unit type CS-series Special I/O Unit
Mounting position CS-series CPU Rack or CS-series Expansion Rack (Cannot be mounted to C200H Expansion I/O Rack or SYSMAC
BUS Remote I/O Slave Rack.)
Maximum number of Units 80 (within the allowable current consumption and power consumption range)
Unit numbers 00 to 95 (Cannot duplicate Special I/O Unit numbers.)
Areas for data
exchange with CPU
Unit
Special I/O Unit Area
10 words/Unit
Resistance Thermometer Input Unit to CPU Unit:
All process values, process value alarms (LL, L, H, HH), rate-of-change values, rate-of-change alarms (L, H),
disconnection alarms
DM Area words
allocated to Special
I/O Units
100 words/Unit
CPU Unit to Resistance Thermometer Input Unit:
Temperature sensor type, input range (user set), scaling of process value data to be stored in allocated words in CIO
area, number of items for moving average, process value alarm setting (LL, L, H, HH), rate-of-change alarm setting
(L, H), zero/span adjustment value, etc.
Number of temperature sensor inputs 4
Temperature sensor types Ni508.4
Input range and scaling to industrial units are separate for
each of the 4 inputs.
Note: Sensor type, input range, and scaling to industrial
units are set in the DM Area.
Input ranges
The input range can be set within a range of –50 to 150°C
(variable setting).
Note: Internally, inputs are processed in the above
range (refer to Table 2 below), so accuracy and
resolution accord with this internal range.
Example:
Input range: −50 to 100°C; industrial unit scaling: −50.0 to
100.0°C. DM Area settings are as follows:
Input signal maximum: 1000 (03E8 hex)
Input signal minimum: −500 (FE0C hex)
Industrial unit maximum value stored: 1000 (03E8 hex)
Industrial unit minimum value stored: −500 (FE0C hex)
Scaling in industrial units Data to be stored in the allocated words in the CIO area
must be scaled (with the minimum and maximum values
set). Data can be stored at 0% to 100%.
Data storage in the CIO Area The value derived from carrying out the following processing in order of the actual process data in the input range is
stored in four digits hexadecimal (binary values) in the allocated words in the CIO Area.
1) Mean value processing → 2) Scaling → 3) Zero/span adjustment → 4) Output limits
CS1W-PTS03
Four resistance thermometer
inputs (Ni508.4 Ω)
I
CS1W-PTS/PDC/PTW/PTR/PPS/PMV
29
Accuracy (25°C)
The greater of the following: ±0.2% (of internal range full span) or 0.2°C
As shown in the following equation, the accuracy depends on the ratio of the selected internal range (0 to 4) span to
the set input range span.
Temperature coefficient ±0.015% /°C, for any of internal range numbers 0 to 4.
Resolution
1/4,096 (of internal range full span)
As shown in the following equation, the resolution depends on the ratio of the internal range span to the set input
range span.
Sensing method 3-wire method
Allowable lead wire resistance 20 Ω max. per wire
Input detection current 0.25 mA
Warmup time 10 min
Response time 0.5 s (travel time from input 0% to 90%, for step input)
Conversion period 100 ms/4 inputs
Maximum time to store data in CPU Unit Conversion period + one CPU Unit cycle
Disconnection detection
Detects disconnections at each input and turns ON the Disconnection Detection Flag.
Hardware detection time: Approx. 1 s
The process value high/low direction for when a disconnection occurs can be specified. (High: 115% of set input
range; low: −15% of set input range)
Function
Mean value
processing (input
filter)
Calculates the moving average for the specified number of process values (1 to 16), and stores that value in the CIO
Area as the process value.
Process value alarm Process value 4-point alarm (HH, H, LL, L), alarm hysteresis, and ON-delay timer (0 to 60 s) are available.
Rate-of-change
calculation Calculates the amount of change per comparison time interval (1 to 16 s).
Rate-of-change
alarm Rate-of-change 2-point alarm (H, L), alarm hysteresis (shared with process value alarm), and ON-delay timer (0 to
60 s, shared with process value alarm) are available.
Isolation Between temperature inputs and between input terminals and PLC signals: Isolation by transformer
Insulation resistance 20 MΩ (at 500 V DC) between inputs
Dielectric strength Between inputs: 1,000 V AC, at 50/60 Hz, for 1 min, leakage current 10 mA max.
External connections Terminal block (detachable)
Unit number settings Set by rotary switches on front panel, from 0 to 95.
Indicators Three LED indicators on front panel (for normal operation, errors detected at the Resistance Thermometer Input Unit,
and errors related to the CPU Unit).
Front panel connector Sensor input connector terminal block (detachable)
Effect on CPU Unit cycle time 0.3 ms
Current consumption 5 V DC at 150 mA max., 26 V DC at 150 mA max.
Dimensions 35 × 130 × 126 mm (W × H × D)
Note: The height including the Backplane is 145 mm.
Weight 450 g max.
Standard accessories None
Item Specifications
Set input range span
Internal range span
Accuracy = ±0.1% ×or 0.2°C, whichever is greater.
Set input range span
Internal range span
Resolution = ×
4096
1
Note: 1. Wire We same length to A. B, and b‘ so that the
telminal black,
2. For unused input |ermina\s‘ shorrcircuu belwee
inpuls wilh Ihe lead wwe.
OITIROFI
30
CS1W-PTS/PDC/PTW/PTR/PPS/PMV
Sensor Type and Input Range
The input range is set in the allocated words in the DM Area for every four inputs. It can be set anywhere within the measurable input range shown
in Table 1.
Measurable Input Range
Note: Set the input range in the DM Area within this range.
Even if the input range is set more narrowly than the range of −50 to 150°C, internally inputs will be processed according to the internal range
shown in the following table.
Internal range
Therefore, the accuracy and resolution are determined by the ratio of the internal range span to the set input range span.
Example: Even if the set input range is −50 to 100°C, internally inputs will be processed according to the internal range of −50 to 150°C.
Note: With Resistance Thermometer Units (Ni508.4), process values can be scaled (e.g., 0% to 100%) in industrial units for the set input range.
Generally, however, set the same values for process value scaling in industrial units as for the set input range. It is possible to set the process
value scaling higher than the resolution, but it will cause the values to be unstable.
Terminal Connection Diagram
CS1W-PTS03 Isolated-type Resistance Thermometer Unit
Note: 1. Wire the same length to A, B, and b, so that the impedance will be the same. In particular, do not short circuit between B and b at the
terminal block.
2. For unused input terminals, short-circuit between A-B and B-b (e.g., A2-A3 and A3-A4 for input No. 1) of the resistance thermometer
inputs with the lead wire.
Sensor type Measurable Input range (See note.)
Ni508.4 −50 to 150°C
Internal range temperatures Internal range span
−50 to 150°C 200°C
N.C.
N.C.
N.C.
2A
2B
2b
N.C.
N.C.
N.C.
N.C.
B1
B2
B3
B4
B5
B6
B7
B8
B9
B10
A1
A2
A3
A4
A5
A6
A7
A8
A9
A10
A11
N.C.
1A
1B
1b
3A
3B
3b
N.C.
4A
4B
4b
Resistance thermometer (Ni508.4 Ω)
Input No. 1
Resistance thermometer
Input No. 3
Resistance thermometer
Input No. 4
Resistance thermometer
Input No. 2
5 5 5 5
31
CS1W-PTS/PDC/PTW/PTR/PPS/PMV
Terminal Block Diagram
CS1W-PTS03 Isolated-type Resistance Thermometer Input Unit (Ni508.4)
To CPU Unit
Connector
Multiplexer
A2
A3
A4
1A
1B
1b
Constant
current circuit
Constant
current circuit
Constant
current circuit
Constant
current circuit
Constant
current circuit
Constant
current circuit
Constant
current circuit
Constant
current circuit
Amplifier
Amplifier
Amplifier
Amplifier
470 Ω
Isolation
circuit
Isolation
circuit
Isolation
circuit
Isolation
circuit
Amplifier circuit
A/D converter
Digital computation circuit
Isolated power supply circuit
5 V DC
26 V DC
Resistance
thermometer
Resistance
thermometer
Resistance
thermometer
Resistance
thermometer
B4
B5
B6
2A
2B
2b
470 Ω
A5
A6
A7
3A
3B
3b
470 Ω
A9
A10
A11
4A
4B
4b
470 Ω
Input No. 1
Input No. 2
Input No. 3
Input No. 4
A
B
A
B
A
B
A
B
Standard
resistance
Standard
resistance
Standard
resistance
Standard
resistance
I
CS1W-PTS/PDC/PTW/PTR/PPS/PMV
32
CS1W-PTS12 Isolated-type Resistance Thermometer Input Unit (Pt100, JPt100, Pt50, Ni508.4)
Overview
The CS1W-PTS12 Isolated-type Resistance Thermometer Input Unit provides four direct
resistance thermometer inputs, and sends the data to the CPU Unit each cycle. All inputs
are isolated.
System Configuration
Specifications
Item Specifications
Model CS1W-PTS12
Applicable PLC CS Series
Unit type CS-series Special I/O Unit
Mounting position CS-series CPU Rack or CS-series Expansion Rack (Cannot be mounted to C200H Expansion I/O Rack or SYSMAC
BUS Remote I/O Slave Rack.)
Maximum number of Units 80 (within the allowable current consumption and power consumption range)
Unit numbers 00 to 95 (Cannot duplicate Special I/O Unit numbers.)
Areas for data
exchange with CPU
Unit
Special I/O Unit Area
10 words/Unit
Resistance Thermometer Input Unit to CPU Unit:
All process values, process value alarms (LL, L, H, HH), rate-of-change values, rate-of-change alarms (L, H),
disconnection alarms, adjustment period end/notices.
DM Area words
allocated to Special
I/O Units
100 words/Unit
CPU Unit to Resistance Thermometer Input Unit:
Temperature sensor type, input range (user set), scaling of process value data to be stored in allocated words in CIO
area, rate-of-change input range, scaling of rate-of-change data, number of items for moving average, process value
alarm setting (LL, L, H, HH), rate-of-change alarm setting (L, H), zero/span adjustment value.
Expansion Control/
Monitor Area words
35 words/Unit
CPU Unit to Resistance Thermometer Input Unit:
Hold function selection start/reset, adjustment period control, control bits
Resistance Thermometer Input Unit to CPU Unit:
Adjustment period warnings/notices, peak and bottom values, top and valley values
Expansion Setting
Area words
46 words/Unit
CPU Unit to Resistance Thermometer Input Unit:
Expansion Setting Area settings, adjustment period control, peak and bottom detection, top and valley detection
Number of temperature sensor inputs 4
Temperature sensor type Pt100 (JIS, IEC), JPt100, Pt50, Ni508.4
Sensor type, input range, and scaling to industrial units are separate for each of the 4 inputs.
Scaling Data to be stored in the allocated words in the CIO area must be scaled (with the minimum and maximum values set
by user) (4 inputs set separately.). Data can be stored at 0% to 100%.
Data storage in the CIO Area The value derived from carrying out the following processing in order of the actual process data in the input range is
stored in four digits hexadecimal (binary values) in the allocated words in the CIO Area.
1) Mean value processing → 2) Scaling → 3) Zero/span adjustment → 4) Output limits
Accuracy (25°C) The greater of the following: ±0.05% or ±0.1°C
CS1W-PTS12
Four resistance
thermometer inputs
(Pt100 (JIS, IEC),
JPt100, Pt50, or
Ni508.4)
I
CS1W-PTS/PDC/PTW/PTR/PPS/PMV
33
Sensor Type and Input Range
The resistance thermometer type and input range are set in the allocated words in the DM Area for every four inputs. The input range can be set
anywhere within the measurable input ranges shown in the following table. Accuracy and resolution, however, are not determined from the set
input range, but rather from the measurable input range shown in the following table. Therefore, accuracy and resolution do not change even when
a narrow input range is set.
Temperature coefficient
Pt100: 0.009%/°C
JPt100: 0.01%/°C
Pt50: 0.02%/°C
Ni508.4: 0.012%/°C
Resolution 1/64,000
Sensing method 3-wire method
Allowable lead wire resistance 20 Ω max. per wire
Input detection current 0.5 mA
Warmup time 10 min
Response time 100 ms (travel time from input 0% to 90%, for step input and with moving average for 4 samples)
Conversion period 20 ms/4 inputs or 10 ms/2 inputs, selectable in DM Area words allocated to Unit as a Special I/O Unit.
Maximum time to store data in CPU Unit Conversion period + one CPU Unit cycle
Disconnection detection
Detects disconnections at each input and turns ON the Disconnection Detection Flag.
Hardware detection time: Approx. 0.5 s max.
The process value overrange direction for when a disconnection occurs can be specified. (High: 115% of set input
range; low: −15% of set input range)
Function
Mean value
processing (input
filter)
Calculates the moving average for the specified number of process values (1 to 128), and stores that value in the CIO
Area as the process value.
Process value alarm Process value 4-point alarm (HH, H, LL, L), alarm hysteresis, and ON-delay timer (0 to 60 s are available).
Rate-of-change
calculation Calculates the amount of change per comparison time interval (1 to 16 s).
Rate-of-change
alarm Rate-of-change 2-point alarm (H, L), alarm hysteresis, and ON-delay timer (0 to 60 s are available, shared with
process value alarm).
Adjustment period
control
When zero/span adjustment is executed, the date is internally recorded at the Unit. When the preset zero/span
adjustment period and the notice of days remaining have elapsed, this function turns ON a warning flag to give notice
that it is time for readjustment.
Peak and bottom
detection
Detects the maximum (peak) and minimum (bottom) analog input values, from when the Hold Start Bit (output)
allocated to the Expansion Control/Monitor Area turns ON until it turns OFF. These values are stored as the peak and
bottom values in the Expansion Control/Monitor Area.
Top and valley
detection
This function detects the top and valley values for analog inputs, from when the Hold Start Bit (output) allocated to
the Expansion Control/Monitor Area turns ON until it turns OFF. These values are stored as the top and valley values
in the Expansion Control/Monitor Area.
Isolation Between temperature inputs and between input terminals and PLC signals: Power supply isolated by transformers,
signals isolated by photocouplers.
Insulation resistance 20 MΩ (at 500 V DC) between inputs
Dielectric strength Between inputs: 1,000 V AC, at 50/60 Hz, for 1 min, leakage current 10 mA max.
External connections Terminal block (detachable)
Unit number settings Set by rotary switches on front panel, from 0 to 95.
Indicators Three LED indicators on front panel (for normal operation, errors detected at the Resistance Thermometer Input Unit,
and errors detected at the CPU Unit).
Front panel connector Sensor input connector terminal block (detachable)
Effect on CPU Unit cycle time 0.3 ms
Current consumption 5 V DC at 120 mA max., 26 V DC at 70 mA max.
Dimensions 35 × 130 × 126 mm (W × H × D)
Note: The height including the Backplane is 145 mm.
Weight 450 g max.
Standard accessories None
Sensor type DM Area setting Measurable input range
Pt100 0 −200 to 850°C
JPt100 1 −200 to 500°C
Pt50 2 −200 to 649°C
Ni508.4 3 −50 to 150°C
Item Specifications
Note: . Wire «be same lengm m A‘ a, and n, so mm
termina‘ mock
. For unused mpul Ievminals, shonrcimuit betw
with me lead wire.
. Always ground Ihe GR levminal on me Pawe
- n «be input device uses a vanage genevamn
termina‘
Terminal Block Diagram
OITIROFI
CS1W-PTS/PDC/PTW/PTR/PPS/PMV
34
Terminal Connection Diagram
Note: •Wire the same length to A, B, and b, so that the impedance will be the same. In particular, do not short circuit between B and b at the
terminal block.
•For unused input terminals, short-circuit between A-B and B-b (e.g., A2-A3 and A3-A4 for input No. 1) of the resistance thermometer inputs
with the lead wire.
•Always ground the GR terminal on the Power Supply Unit of the PLC.
•If the input device uses a voltage generator, temperature compensator, or similar device, then ground the input device if it has a ground
terminal.
Terminal Block Diagram
N.C.
N.C.
N.C.
2A
2B
2b
N.C.
N.C.
N.C.
N.C.
B1
B2
B3
B4
B5
B6
B7
B8
B9
B10
A1
A2
A3
A4
A5
A6
A7
A8
A9
A10
A11
N.C.
1A
1B
1b
3A
3B
3b
N.C.
4A
4B
4b
No. 2 Resistance
thermometer input
No. 1 Resistance
thermometer input
No. 3 Resistance
thermometer input
No. 4 Resistance
thermometer input
A2
A3
A4
B4
B5
B6
A5
A6
A7
A9
A10
A11
1A
1B
1b
A
B
2A
2B
2b
A
B
3A
3B
3b
A
B
4A
4B
4b
A
B510 Ω
510 Ω
510 Ω
510 Ω
Reference resistance
Reference resistance
Reference resistance
Constant current circuit
Input selector
Connector
26 VDC
5 VDC
Constant current circuit
Constant current circuit
Constant current circuit
Ampli-
fier
circuit
Ampli-
fier
circuit
Ampli-
fier
circuit
Ampli-
fier
circuit
A/D
converter
A/D
converter
A/D
converter
A/D
converter
Digital
circuits
Photocoupler
Photocoupler
Photocoupler
Photocoupler
Reference resistance
Resistance
thermometer
Resistance
thermometer
Resistance
thermometer
Resistance
thermometer
Isolation
circuit
Isolation
circuit
Isolation
circuit
Isolation
circuit
Specifications
ltem
Model cst WrPT
Appllcable PLO cs senes
unlt type CSrselles
CSrselles
Mountlng posltlon BUS Hem
Maxlmum number at unlts an lwnnm
unlt numbers an to 95 ta
ta wards/U
Speclal llo unlt Area Reelslance
Areas lor data A“ pmcess
exchange wltlt CPU
”n“ DM Area woros mo words
allocated to Speclal CPU Unll
llo unlts Temperatu
Number 0! temperature sensor Inputs 4
Ptt an {MS
Temperature sensor type The same
The actual
Data storage ln tne clo Area mm m m
so 35/. 0!
Accuracy (25°C) (i0 3% ol
PV Place
Temperature characterlstlcs Reler m T
senslng method awe met
lnputaetectlon current t mA
Influence ol conductor reslstance u 4‘C/Sl m
converslcn pevlod 250 ms/Al
warmup tlme tn mm
Maxlmum tlme to store data ln CPU unlt Conversm
Detects se
Haldware
sensor error detection The pme
range‘ low
OITIROFI
35
CS1W-PTS/PDC/PTW/PTR/PPS/PMV
CS1W-PTS52 Isolated-type Resistance Thermometer Input Unit (Pt100, JPt100)
Overview
The CS1W-PTS52 Isolated-type Resistance Thermometer Input Unit provides four direct
platinum resistance thermometer inputs, and sends the data to the CPU Unit each cycle. All
inputs are isolated.
System Configuration
Specifications
Item Specifications
Model CS1W-PTS52
Applicable PLC CS Series
Unit type CS-series Special I/O Unit
Mounting position CS-series CPU Rack or CS-series Expansion Rack (Cannot be mounted to C200H Expansion I/O Rack or SYSMAC
BUS Remote I/O Slave Rack.)
Maximum number of Units 80 (within the allowable current consumption and power consumption range)
Unit numbers 00 to 95 (Cannot duplicate Special I/O Unit numbers.)
Areas for data
exchange with CPU
Unit
Special I/O Unit Area 10 words/Unit
Resistance Thermometer Input Unit to CPU Unit:
All process values, process value alarms (L, H), conversion data enabled flag, sensor errors.
DM Area words
allocated to Special
I/O Units
100 words/Unit
CPU Unit to Resistance Thermometer Input Unit:
Temperature sensor type, input range (user set), process value alarm setting (L, H), zero/span adjustment value.
Number of temperature sensor inputs 4
Temperature sensor type Pt100 (JIS, IEC), JPt100
The same sensor type, input range, and scaling to industrial units are used by all inputs.
Data storage in the CIO Area The actual process data in the input range is stored in four digits hexadecimal (binary or BCD values) in the allocated
words in the CIO Area.
Accuracy (25°C) ±0.3% of PV or ±0.8°C, whichever is greater, ±1 digit max.
(±0.3% of PV or ±1.6°F, whichever is greater, ±1 digit max.)
PV: Process value data
Temperature characteristics Refer to Temperature Characteristics According to Platinum Resistance Thermometer Type on page 37.
Sensing method 3-wire method
Input detection current 1 mA
Influence of conductor resistance 0.4°C/Ω max.
Conversion period 250 ms/4 inputs
Warmup time 10 min
Maximum time to store data in CPU Unit Conversion period + one CPU Unit cycle
Sensor error detection
Detects sensor error at each input and turns ON the Sensor error Flag.
Hardware detection time: Approx. 0.5 s max.
The process value overrange direction for when a sensor error occurs can be specified. (High: +20 digit of set input
range; low: −20 digit of set input range)
CS1W-PTS52
Four platinum
resistance
thermometer inputs
(Pt100 (JIS, IEC),
JPt100)
I
36
CS1W-PTS/PDC/PTW/PTR/PPS/PMV
Sensor Type and Input Range
The Platinum Resistance Thermometer type and input range are set in the allocated words in the DM Area for every four inputs.
The measurable data range is ±20 digits wider than the sensor input range.
Note: 1. If the indication range is exceeded, a sensor error will occur and the sensor error bit will turn ON. The process value will be clamped at
the lower or upper limit of the indication range, depending on the setting for data direction at sensor error.
2. The indicator range for BCD display will be clamped at the lower (or upper) limit in the region between the lower (or upper) limit of the
setting range and the point where a sensor error occurs.
For 0.1°C/0.1°F indication with minus sign indicated by leftmost 4 bits (bits 12 to 15): Lower limit = −99.9, Upper limit = 999.9.
For 0.1°C/0.1°F indication with minus sign indicated by leftmost bit (bit 15): Lower limit = −799.9, Upper limit = 799.9.
Function
Process value alarm Process value 2-point alarm (H, L), alarm hysteresis, and ON-delay timer (0 to 60 s are available).
External alarm
outputs
NPN outputs (with short-circuit protection)
External power supply voltage: 20.4 to 26.4 V DC
Max. switching capacity: 100 mA (for one output)
Leakage current: 0.3 mA max.
Residual voltage: 3 V max.
Isolation Between inputs and PLC signal: Transformer for power supply and photocoupler for signals
Between each input: Transformer for power supply and photocoupler for signals
Insulation resistance
20 MΩ max. (at 500 V DC).
Between all output and NC terminals and external AC terminals (Power Supply Unit)
Between all input terminals and external AC terminals (Power Supply Unit)
Between all input terminals and all output terminals
Between all external DC terminals (input, output, and NC terminals) and FG plate
Between all input and output terminals and all NC terminals
Dielectric strength
Between all output and NC terminals and external AC terminals (Power Supply Unit)
2,000 V AC, 50/60 Hz 1 min., detection current: 1 mA
Between all input terminals and external AC terminals (Power Supply Unit)
Between all input terminals and all output terminals
Between all external DC terminals (input, output, and NC terminals) and FG plate
1,000 V AC, 50/60 Hz 1 min., detection current: 1 mA
Between all channels
500 VAC, 50/60 Hz 1 min., detection current: 1 mA
External connections Terminal block (detachable)
Unit number settings Set by rotary switches on front panel, from 0 to 95.
Indicators Seven LED indicators on front panel (for normal operation, errors detected at the Unit, errors detected at the CPU
Unit, and four indicators for external alarm outputs.)
Effect on CPU Unit cycle time 0.4 ms
Current consumption 5 V DC at 250 mA max
Dimensions 35 × 130 × 126 mm (W × H × D)
Note: The height including the Backplane is 145 mm.
Weight 450 g max.
Set-
ting Input
°C°F
16-bit binary
BCD
16-bit binary
BCD
F@@@ indicates
minus sign.
Leftmost bit
indicates minus
sign.
Leftmost 4 bits
(bits 12 to 15)
indicate minus
sign.
Leftmost bit (bit
15) indicates
minus sign.
0Pt100:
−200.0 to 650.0°C
(−300.0 to 1200.0°F)
F830 to FFFF to 1964
(−200.0 to −0.1 to 650.0)
F999 to 6500
(See note 2.)
(−99.9 to 650.0)
A000 to 6500
(−200.0 to 650.0) F448 to FFFF to 2EE0
(−300.0 to −0.1 to 1200.0)
F999 to 9999
(See note 2.)
(−99.9 to 999.9)
B000 to 7999
(See note 2.)
(−300.0 to 799.9)
1JPt100:
−200.0 to 650.0°C
(−300.0 to 1200.0°F)
F830 to FFFF to 1964
(−200.0 to −0.1 to 650.0)
F999 to 6500
(See note 2.)
(−99.9 to 650.0)
A000 to 6500
(−200.0 to 650.0) F448 to FFFF to 2EE0
(−300.0 to −0.1 to 1200.0)
F999 to 9999
(See note 2.)
(−99.9 to 999.9)
B000 to 7999
(See note 2.)
(−300.0 to 799.9)
2 to 9 Do not set. Do not set.
Item Specifications
Note: . Wire «be same Isngm m A‘ a, and n, sa man we \mpeda
termina‘ Mock
. For unused mpm termina‘s‘ connectappmximate‘y 100
termina‘s B and n wxlh a mad wue. u reswstance \s not c
termina‘s A and B and termina‘s a and u are ‘91! open‘
. Du nol connect anything to NC termmals, Du nol use N
. Always ground Ihe GR lelmmal on the Pawev Supply u
. n «be input device uses a vaHage gensyamn Ismperauu
termina‘
OITIROFI
CS1W-PTS/PDC/PTW/PTR/PPS/PMV
37
Temperature Characteristics According to Platinum Resistance Thermometer Type
The measured temperature error is calculated as shown in the following example.
Overall accuracy =
Reference accuracy + Temperature characteristic × Change in ambient temperature = ±1.5°C + ±0.143°C × 5 = Approx. ± 2.2°C ±1 digit.
Terminal Connection Diagram
Note: •Wire the same length to A, B, and b, so that the impedance will be the same. In particular, do not short circuit between B and b at the
terminal block.
•For unused input terminals, connect approximately 100 Ω between the platinum-resistance thermometer input terminals A and B and short
terminals B and b with a lead wire. If resistance is not connected between terminals A and B and terminals B and b are shorted or if
terminals A and B and terminals B and b are left open, the alarm output will turn ON and the ALM indicator will light.
•Do not connect anything to NC terminals. Do not use NC terminals as relay terminals.
•Always ground the GR terminal on the Power Supply Unit of the PLC.
•If the input device uses a voltage generator, temperature compensator, or similar device, then ground the input device if it has a ground
terminal.
Platinum Resistance
Thermometer Temperature range Set value error when ambient
temperature changes by 1°C
Pt100 −200 to 200°C±0.06°C
200 to 650°C 285 ppm of PV
JPt100 −200 to 200°C±0.06°C
200 to 650°C 285 ppm of PV
Item Details
Ambient temperature 30°C
Platinum Resistance Thermometer Pt100
Measured temperature (PV) 500°C
Reference accuracy (25°C) ±0.3°C of PV or ±0.8°C, whichever is greater, ±1 digit.
In this example, ±1.5°C.
Temperature characteristics 200 to 650°C: 285 ppm of PV.
In this example, 285 ppm × 500°C = 0.143°C.
Change in ambient temperature 5°C (25 to 30°C)
External alarm outputs
2b
2B
2A
4b
4B
4A
ALM2
ALM4
0V 0V
N.C. N.C.
B1
B2
B3
B4
B5
B6
B7
B8
B9
B10
A1
A2
A3
A4
A5
A6
A7
A8
A9
A10
A11
N.C
1b
1B
1A
3b
3B
3A
ALM1
ALM3
24V
N.C.
External alarm outputs
L
L
L
L
No. 2
Platinum-resistance
Thermometer input
No. 4
Platinum-resistance
Thermometer input
No. 1
Platinum-resistance
Thermometer input
No. 3
Platinum-resistance
Thermometer input
OITIROFI
CS1W-PTS/PDC/PTW/PTR/PPS/PMV
38
Terminal Block Diagram
Input Circuit
Output Circuit
5 V DC
Connector
Photocoupler
Photocoupler
Photocoupler
Photocoupler
A4
A2
Isolation circuit
Digital circuits
A3
1A
1B
1b
A
B
Resistance thermometer
B3
B1
B2
2A
2B
2b
A
B
Resistance thermometer
Resistance thermometer
Resistance thermometer
A7
A5
A6
3A
3B
3b
A
B
B6
B4
B5
4A
4B
4b
A
B
Double
integral
A/D
Reference
power supply
Reference
power supply
Reference
power supply
Reference
power supply
Double
integral
A/D
Double
integral
A/D
Double
integral
A/D
Amplifier
circuit
Amplifier
circuit
Amplifier
circuit
Amplifier
circuit
Internal Circuit
L
L
L
L
Output Display
LED
B7
ALM2
A9
ALM3
B8
ALM4
B9
0V
A10
24V
A8
ALM1
I
39
CS1W-PTS/PDC/PTW/PTR/PPS/PMV
CS1W-PTS56 Isolated-type Resistance Thermometer Input Unit (Pt100, JPt100)
Overview
The CS1W-PTS56 Isolated-type Resistance Thermometer Input Unit provides 8 direct
platinum resistance thermometer inputs, and sends the data to the CPU Unit each cycle. All
inputs are isolated.
System Configuration
Specifications
Item Specifications
Model CS1W-PTS56
Applicable PLC CS Series
Unit type CS-series Special I/O Unit
Mounting position CS-series CPU Rack or CS-series Expansion Rack (Cannot be mounted to C200H Expansion I/O Rack or SYSMAC
BUS Remote I/O Slave Rack.)
Maximum number of Units 80 (within the allowable current consumption and power consumption range)
Unit numbers 00 to 95 (Cannot duplicate Special I/O Unit numbers.)
Areas for data
exchange with CPU
Unit
Special I/O Unit Area 10 words/Unit
Resistance Thermometer Input Unit to CPU Unit:
All process values, process value alarms (L, H), conversion data enabled flag, sensor errors.
DM Area words
allocated to Special
I/O Units
100 words/Unit
CPU Unit to Resistance Thermometer Input Unit:
Temperature sensor type, input range (user set), process value alarm setting (L, H), zero/span adjustment value.
Expansion Setting
Area
1 word/Unit
CPU Unit to Resistance Thermometer Input Unit:
Process Value Alarm
Number of temperature sensor inputs 8
Temperature sensor type Pt100 (JIS, IEC), JPt100
The same sensor type, input range, and scaling to industrial units are used by all inputs.
Data storage in the CIO Area The actual process data in the input range is stored in four digits hexadecimal (binary or BCD values) in the allocated
words in the CIO Area.
Accuracy (25°C) ±0.3% of PV or ±0.8°C, whichever is greater, ±1 digit max.
(±0.3% of PV or ±1.6°F, whichever is greater, ±1 digit max.)
PV: Process value data
Temperature characteristics Refer to Temperature Characteristics According to Platinum Resistance Thermometer Type on page 41.
Sensing method 3-wire method
Influence of conductor resistance 0.4°C/Ω max.
Input detection current 0.5 mA
Warmup time 10 min
Conversion period 250 ms/8 inputs
Maximum time to store data in CPU Unit Conversion period + one CPU Unit cycle
CS1W-PTS56
8 platinum
resistance
thermometer inputs
(Pt100 (JIS, IEC),
JPt100)
I
40
CS1W-PTS/PDC/PTW/PTR/PPS/PMV
Sensor Type and Input Range
The Platinum Resistance Thermometer type and input range are set in the allocated words in the DM Area for every four inputs.
The measurable data range is ±20 digits wider than the sensor input range.
Note: 1. If the indication range is exceeded, a sensor error will occur and the sensor error bit will turn ON. The process value will be clamped at
the lower or upper limit of the indication range, depending on the setting for data direction at sensor error.
2. The indicator range for BCD display will be clamped at the lower (or upper) limit in the region between the lower (or upper) limit of the
setting range and the point where a sensor error occurs.
For 0.1°C/0.1°F indication with minus sign indicated by leftmost 4 bits (bits 12 to 15): Lower limit = −99.9, Upper limit = 999.9.
For 0.1°C/0.1°F indication with minus sign indicated by leftmost bit (bit 15): Lower limit = −799.9, Upper limit = 799.9.
Sensor error detection
Detects sensor error at each input and turns ON the Sensor error Flag.
Hardware detection time: Approx. 0.5 s max.
The process value overrange direction for when a sensor error occurs can be specified. (High: +20 digit of set input
range; low: −20 digit of set input range)
Function Process value alarm Process value 2-point alarm (H, L), alarm hysteresis, and ON-delay timer (0 to 60 s are available).
Two alarms per input (H, L) can be output to addresses in the CIO Area specified in the Expansion Setting Area.
Isolation Between inputs and PLC signal: Transformer for power supply and photocoupler for signals
Between each input: Transformer for power supply and photocoupler for signals
Insulation resistance 20 MΩ max. (at 500 V DC).
Between all input terminals and external AC terminals (Power Supply Unit)
Between all input terminals and FG plate
Dielectric strength
Between all input terminals and external AC terminals (Power Supply Unit)
Between all input terminals and FG plate
1,000 V AC, 50/60 Hz 1 min., detection current: 1 mA
Between all channels
500 VAC, 50/60 Hz 1 min., detection current: 1 mA
External connections Terminal block (detachable)
Unit number settings Set by rotary switches on front panel, from 0 to 95.
Indicators Three LED indicators on front panel (for normal operation, errors detected at the Unit, errors detected at the CPU Unit)
Effect on CPU Unit cycle time 0.4 ms
Current consumption 5 V DC at 180 mA max.
26 V DC at 60 mA max.
Dimensions 35 × 130 × 126 mm (W × H × D)
Note: The height including the Backplane is 145 mm.
Weight 450 g max.
Set-
ting Input
°C°F
16-bit binary
BCD
16-bit binary
BCD
F@@@ indicates
minus sign.
Leftmost bit
indicates minus
sign.
Leftmost 4 bits (bits
12 to 15) indicate
minus sign.
Leftmost bit (bit
15) indicates
minus sign.
0
Pt100:
−200.0 to 650.0°C
(−300.0 to
1200.0°F)
F830 to FFFF to 1964
(−200.0 to
−0.1 to 650.0)
F999 to 6500
(See note 2.)
(−99.9 to 650.0)
A000 to 6500
(−200.0 to 650.0)
F448 to FFFF to 2EE0
(−300.0 to
−0.1 to 1200.0)
F999 to 9999
(See note 2.)
(−99.9 to 999.9)
B000 to 7999
(See note 2.)
(−300.0 to 799.9)
1
JPt100:
−200.0 to 650.0°C
(−300.0 to
1200.0°F)
F830 to FFFF to 1964
(−200.0 to
−0.1 to 650.0)
F999 to 6500
(See note 2.)
(−99.9 to 650.0)
A000 to 6500
(−200.0 to 650.0)
F448 to FFFF to 2EE0
(−300.0 to
−0.1 to 1200.0)
F999 to 9999
(See note 2.)
(−99.9 to 999.9)
B000 to 7999
(See note 2.)
(−300.0 to 799.9)
2 to 9 Do not set. Do not set.
Item Specifications
Note: . Wire «be same lengm m A‘ a, and n, sa mm m
termina‘ Mock
. Sel Ihe Sense/lype in Semng Group 2 m the D
. Always ground Ihe GR Ievmmal on the Pawev s
. n «be input device uses a vaHage genevamr‘ le
termina‘
OITIROFI
CS1W-PTS/PDC/PTW/PTR/PPS/PMV
41
Temperature Characteristics According to Platinum Resistance Thermometer Type
The measured temperature error is calculated as shown in the following example.
Overall accuracy =
Reference accuracy + Temperature characteristic × Change in ambient temperature = ±1.5°C + ±0.143°C × 5 = Approx. ± 2.2°C ±1 digit.
Terminal Connection Diagram
Note: •Wire the same length to A, B, and b, so that the impedance will be the same. In particular, do not short circuit between B and b at the
terminal block.
•Set the Sensor type in Setting Group 2 in the DM Area to "Not used" for any thermocouple inputs that are not used.
•Always ground the GR terminal on the Power Supply Unit of the PLC.
•If the input device uses a voltage generator, temperature compensator, or similar device, then ground the input device if it has a ground
terminal.
Platinum Resistance
Thermometer Temperature range Set value error when ambient
temperature changes by 1°C
Pt100 −200 to 200°C±0.06°C
200 to 650°C 285 ppm of PV
JPt100 −200 to 200°C±0.06°C
200 to 650°C 285 ppm of PV
Item Details
Ambient temperature 30°C
Platinum Resistance Thermometer Pt100
Measured temperature (PV) 500°C
Reference accuracy (25°C) ±0.3°C of PV or ±0.8°C, whichever is greater, ±1 digit.
In this example, ±1.5°C.
Temperature characteristics 200 to 650°C: 285 ppm of PV.
In this example, 285 ppm × 500°C = 0.143°C.
Change in ambient temperature 5°C (25 to 30°C)
1A
1B
1b
3A
3B
3b
5A
5B
5b
7A
B1
B2
B3
B4
B5
B6
B7
B8
B9
B10
A1
A2
A3
A4
A5
A6
A7
A8
A9
A10
A11
2A
2B
2b
4A
4B
4b
6A
6B
6b
8A
8B
No. 2
Platinum-resistance
Thermometer input
No. 4
Platinum-resistance
Thermometer input
No. 1
Platinum-resistance
Thermometer input
No. 3
Platinum-resistance
Thermometer input
7B
7b
B11
B12 A12 8b
No. 6
Platinum-resistance
Thermometer input
No. 8
Platinum-resistance
Thermometer input
No. 5
Platinum-resistance
Thermometer input
No. 7
Platinum-resistance
Thermometer input
OITIROFI
CS1W-PTS/PDC/PTW/PTR/PPS/PMV
42
Terminal Block Diagram
Input Circuit
5 V DC
Connector
Isolation circuit
Digital circuits
1A
1B
1b
A
B
Resistance thermometer
Resistance thermometer
Resistance thermometer
Resistance thermometer
Photocoupler
Photocoupler
Photocoupler
Photocoupler
B1
B3
B2
Double
integral
A/D
Reference
power supply
Reference
power supply
Reference
power supply
Reference
power supply
A10
A12
A11
8A
8B
8b
A
B
Double
integral
A/D
B7
B9
B8
5A
5B
5b
A
B
Double
integral
A/D
4A
4B
4b
A
B
Double
integral
A/D
A4
A6
A5
Isolation circuit
No. 2 input
Photocoupler
No. 3 input
Photocoupler
No. 6 input
Photocoupler
No. 7 input
Photocoupler
No. 2 input
Reference power supply
No. 3 input
Reference power supply
No. 6 input
Reference power supply
No. 7 input
Reference power supply
24 V DC
Amplifier
circuit
Amplifier
circuit
Amplifier
circuit
Amplifier
circuit
Spec' cations
Item
Model CSIWrPDCOi
Applicable PLO CSrselies
Llnll rype CSrselies Special l/o umi
Mourning posiilon
CSrselies CPU Hack Or 057
BUS Hermie l/o slave Rack
Maximum number oi unlis
an (wlil'llrl ine allowable curr
Llnll numbers
an to 95 (canngi duplicaie s
Special lio Unit Area
Areas ior aaia
in wards/UM
lsolaiedriype Direct Currenl
All pracess values, pracess
evmrs
exchange with CPU
Unll DM Area words
allocaiea In Special
llo Unlis
mo words/Uri“
CPU arm in lsulaiedriype Di
lnpui Signal iype, Scaling oi p
range, rateroirchange scalm
airchange alarm selling (Li H
Number oi inpurs
4
lnpui signal Iype
4 \020 ma, 0 \020 Niki“)
itafiV‘UiDEVmiflOrVu
userrsel range can be spew
10,000 v.
User-dellned scaling In lnduslrlal unns
sealing required lur me almv
2n mA eri m 5 v (Any mini
can be seL) (4 mpuis sei sep
Data storage In me clo Area
The value deilved lrgm carry
princessan in emer cl we pro
lour ulglis hexadecmlal (blna
words m we clo Area,
ll Mean value prucessmg »
adlusimem » 4) Square reg
llmlis
Accuracy (25°C)
ml y. el lull scale
Fer ihe MOVV userrsei range
seleciea internal range in ie
OITIROFI
43
CS1W-PTS/PDC/PTW/PTR/PPS/PMV
CS1W-PDC01 Isolated-type Direct Current Input Unit
Overview
The CS1W-PDC01 Isolated-type Direct Current Input Unit provides four DC signal inputs,
and sends the data to the CPU Unit each cycle. All inputs are isolated.
System Configuration
Specifications
Item Specifications
Model CS1W-PDC01
Applicable PLC CS-series
Unit type CS-series Special I/O Unit
Mounting position CS-series CPU Rack or CS-series Expansion Rack (Cannot be mounted to C200H Expansion I/O Rack or SYSMAC
BUS Remote I/O Slave Rack.)
Maximum number of Units 80 (within the allowable current consumption and power consumption range)
Unit numbers 00 to 95 (Cannot duplicate Special I/O Unit numbers.)
Areas for data
exchange with CPU
Unit
Special I/O Unit Area
10 words/Unit
Isolated-type Direct Current Input Unit to CPU Unit:
All process values, process value alarms (LL, L, H, HH), rate-of-change values, rate-of-change alarms (L, H), input
errors
DM Area words
allocated to Special
I/O Units
100 words/Unit
CPU Unit to Isolated-type Direct Current Input Unit:
Input signal type, scaling of process values in industrial units, square root function enable, rate-of-change value
range, rate-of-change scaling, number of items for moving average, process value alarm setting (LL, L, H, HH), rate-
of-change alarm setting (L, H), zero/span adjustment value, etc.
Number of inputs 4
Input signal type
4 to 20 mA, 0 to 20 mA, −10 to 10 V, 0 to 10 V, −5 to 5 V,
1 to 5 V, 0 to 5 V, or ±10-V user-set range. The ±10-V
user-set range can be specified within −10.000 to
10.000 V. Input signal type and scaling to industrial units are
separate for each of the 4 inputs.
Note: Input signal type and scaling to industrial units are
set in the DM Area.
Example:
Input signal type: 4 to 20 mA; industrial unit scaling: 0 to
500 m3/h (after square root extraction). DM Area settings
are as follows:
Input signal type: 5 (0005 hex)
Industrial unit maximum value stored: 500 (01F4 hex)
Industrial unit minimum value stored: 0 (0000 hex)
User-defined scaling in industrial units Scaling required for the above input signals, such as 4 to
20 mA or 1 to 5 V. (Any minimum and maximum values
can be set.) (4 inputs set separately.)
Data storage in the CIO Area
The value derived from carrying out the following
processing in order of the process value data is stored in
four digits hexadecimal (binary values) in the allocated
words in the CIO Area.
1) Mean value processing → 2) Scaling → 3) Zero/span
adjustment → 4) Square root extraction → 5) Output
limits
Accuracy (25°C)
±0.1% of full scale
For the ±10-V user-set range, however, as shown in the following equation, the accuracy depends on the ratio of the
selected internal range (0 to 4) span to the user-set range span.
CS1W-PDC01
Four DC inputs (−10 to 10 V, 0 to 10 V,
−5 to 5 V, 0 to 5 V, 1 to 5 V, user-set V
range, 4 to 20 mA, 0 to 20 mA)
User-set range span
Internal range span
Accuracy = ±0.1% ×
I
44
CS1W-PTS/PDC/PTW/PTR/PPS/PMV
Temperature coefficient ±0.015% /°C with respect to full scale.
For the ±10-V user-set range, however: ±0.015% /°C with respect to the internal range.
Resolution
1/4,096 of full scale
For the ±10-V user-set range, however, as shown in the following equation, the resolution depends on the ratio of the
selected internal range (0 to 4) span to the user-set range span.
Input signal range For inputs of 4 to 20 mA, 0 to 20 mA, 0 to 10 V, 1 to 5 V, 0 to 5 V: −15 to 115%
For inputs of −10 to 10 V or −5 to 5 V: −7.5 to 107.5%
For ±10-V user-set range: −7.5 to 107.5% of internal range
Input impedance For current input: 250 Ω
For voltage input: 1 MΩ min.
Warmup time 10 min
Response time 0.5 s (travel time from input 0% to 90%, for step input)
Conversion period 100 ms/4 inputs
Maximum time to store data in CPU Unit Conversion period + one CPU Unit cycle
Input error detection Checks are conducted for only 4 to 20 mA and 1 to 5 V.
Error detected when under −17.2% (1.25 mA, 0.3125 V) or over 112.5% (22 mA, 5.5 V).
Operation at input disconnection 4 to 20 mA, 1 to 5 V: Process value of −15% stored.
0 to 20 mA, 0 to 5 V, 0 to 10 V, −10 to 10 V: The same value is stored as when 0 V or 0 mA is input.
Input disconnection overrange time Approx. 1 s
Function
Mean value
processing (input
filter)
Calculates the moving average for the specified number of past process values (1 to 16), and stores that value in the
CIO Area as the process value.
Process value alarm Process value 4-point alarm (HH, H, L, LL), hysteresis, and ON-delay timer (0 to 60 s) are available.
Rate-of-change
calculation Calculates the amount of change per comparison time interval (1 to 16 s).
Rate-of-change
alarm Rate-of-change 2-point alarm (H, L), alarm hysteresis (shared with process value alarm), and ON-delay timer (0 to
60 s, shared with process value alarm) are available.
Square root
When the process value scaling maximum value is A and the minimum value is B:
Dropout: Output approx. 7% maximum linear (output = input) characteristics
Note: The square root function is only enabled when the maximum scaling value is greater than the minimum value.
Note: When square root processing is being performed, set the maximum and minimum scaling values to the values
required after square root processing of the current or other input values.
Isolation Between analog inputs and between input terminals and PLC signals: Isolation by transformer
Insulation resistance 20 MΩ (at 500 V DC) between inputs
Dielectric strength Between inputs: 1,000 V AC, at 50/60 Hz, for 1 min, leakage current 10 mA max.
External connections Terminal block (detachable)
Unit number settings Set by rotary switches on front panel, from 0 to 95.
Indicators Three LED indicators on front panel (for normal operation, errors detected at the Direct Current Input Unit, and errors
related to the CPU Unit).
Front panel connector Sensor input connector terminal block (detachable)
Effect on CPU Unit cycle time 0.3 ms
Current consumption 5 V DC at 150 mA max., 26 V DC at 160 mA max.
Dimensions 35 × 130 × 126 mm (W × H × D)
Note: The height including the Backplane is 145 mm.
Weight 450 g max.
Standard accessories None
Item Specifications
User-set range span
Internal range span
Resolution = ×
4096
1
+ BOutput = (A−B) (Input−B)
I
CS1W-PTS/PDC/PTW/PTR/PPS/PMV
45
Accuracy and Resolution for ±10 V User-set Range
With the ±10-V user-set range, the input signal zero and span can be set anywhere within the range −10.000 to 10.000 V. Internally, however,
inputs are processed in five progressive ranges (numbers 0 to 4), as shown in the following table.
Table 1: Internal Ranges
Therefore, the accuracy and resolution of the set range span are determined by the ratio of the internal range (0 to 4) span to the set input range
span. For the internal range, a larger number is selected when both the minimum and maximum values of the range fall within that next range.
For example, suppose that the set input range is 0.000 to 3.000 V. Since both the minimum and maximum values fall within the limits for internal
range No. 1 (−5.000 to 5.000 V), that range will be selected.
Terminal Connection Diagram
Note: In both of the above cases, leave all unused inputs open between the positive and negative terminals (e.g., between B1 and B2 for voltage
input No. 1).
Internal range number Measurable voltage Internal range span
0−10.000 to 10.000 V 20.000 V
1−5.000 to 5.000 V 10.000 V
2−2.500 to 2.500 V 5.000 V
3−1.250 to 1.250 V 2.500 V
4−0.625 to 0.625 V 1.250 V
V1
COM1
V2
COM2
V3
COM3
V4
COM4
N.C.
N.C.
B1
B2
B3
B4
B5
B6
B7
B8
B9
B10
A1
A2
A3
A4
A5
A6
A7
A8
A9
A10
A11
N.C.
I1
N.C.
I2
N.C.
I3
N.C.
I4
N.C.
N.C.
N.C.
← +
−
← +
−
← +
−
← +
−
V1
COM1
V2
COM2
V3
COM3
V4
COM4
N.C.
N.C.
B1
B2
B3
B4
B5
B6
B7
B8
B9
B10
A1
A2
A3
A4
A5
A6
A7
A8
A9
A10
A11
N.C.
I1
N.C.
I2
N.C.
I3
N.C.
I4
N.C.
N.C.
N.C.
Voltage input Current input
+
−
+
−
+
−
+
−
Voltage output
device
Voltage output
device
Voltage output
device
Voltage output
device
Current output
device
Current output
device
Current output
device
Current output
device
CS1W-PTS/PDC/PTW/PTR/PPS/PMV
46
Terminal Block Diagram
To CPU Unit
Multiplexer
Connector
A2
B2
I1+
V1+
COM1
Amplifier
Amplifier
Amplifier
Amplifier
1 MΩ
Isolation
circuit
Isolation
circuit
Isolation
circuit
Isolation
circuit
Multi-gain amplifier
circuit
A/D converter
Digital computation circuit
Isolated power supply circuit
5 V DC
26 V DC
1 MΩ
250 Ω
Input No. 1 B1
1 MΩ
1 MΩ
250 Ω
1 MΩ
1 MΩ
250 Ω
1 MΩ
1 MΩ
250 Ω
A4
B4
I2+
V2+
COM2
Input No. 2 B3
A6
B6
I3+
V3+
COM3
Input No. 3 B5
A8
B8
I4+
V4+
COM4
Input No. 4 B7
+
+
In+
Vn+
COMn
Current output
Current input
+
+
In+
Vn+
COMn
Voltage output
Voltage input
(n: Input Nos. 1 to 4) (n: Input Nos. 1 to 4)
Spec' cations
liem
Model csl WrPDCH
Applicable PLO cs Sefies
unil iype CSrseiies Spec
Mounting posnlon
CSrseiies CPU
BUS Hermie llo
Maximum number oi unit:
an lwunm me a
unil numbers
on \0 95 lcanne
Speclal llo Unit Area
in wards/Unit
lsulaieflriype D
All prucess valu
discunneciion a
DM Area words
allocaled to Special
lio units
Area: ior aala
exchange wllh CPU
mo words/Uri“
CPU um m lse
lnpul Signal \yp
llmli, lNush mp
Temperaiure in
in clo area, ia|e
value alarm eel
unil
Expansion Conlml/
Monilor Area
35 wards/Unit
CPU um m lse
Ens lm hegmnm
lsulaieflriype D
Aaluslmenl per
Expansion Senlng
Area
46 wards/Unit
CPU um m lse
Expansm sell
miegral value c
Number oi inpuis
lnpui signal Iype
4
4 m 20 m, u \0
eacn lnpui)‘ and
Scallng
Data |0 be slave
eel.) l4 mpuis s
Data storage in me clo Area
The value deriv
slerea in low a
ll Mean value p
Accuracy (25°C)
L0,05%
OITIROFI
47
CS1W-PTS/PDC/PTW/PTR/PPS/PMV
CS1W-PDC11 Isolated-type Direct Current Input Unit
Overview
The CS1W-PDC11 Isolated-type Direct Current Input Unit provides four direct-current
inputs, and sends the data to the CPU Unit each cycle. All inputs are isolated.
System Configuration
Specifications
Item Specifications
Model CS1W-PDC11
Applicable PLC CS Series
Unit type CS-series Special I/O Unit
Mounting position CS-series CPU Rack or CS-series Expansion Rack (Cannot be mounted to C200H Expansion I/O Rack or SYSMAC
BUS Remote I/O Slave Rack.)
Maximum number of Units 80 (within the allowable current consumption and power consumption range)
Unit numbers 00 to 95 (Cannot duplicate Special I/O Unit numbers.)
Areas for data
exchange with CPU
Unit
Special I/O Unit Area
10 words/Unit
Isolated-type Direct Current Input Unit to CPU Unit:
All process values, process value alarms (LL, L, H, HH), rate-of-change values, rate-of-change alarms (L, H),
disconnection alarms, cold junction sensor errors, adjustment period end/notice
DM Area words
allocated to Special
I/O Units
100 words/Unit
CPU Unit to Isolated-type Direct Current Input Unit:
Input signal type, scaling of process value in industrial units, process value alarm setting (L, H), inrush input upper
limit, inrush input upper limit time, zero/span adjustment value, Square root function.
Temperature input signal type, input range (user set), scaling of process value data to be stored in allocated words
in CIO area, rate-of-change input range, scaling of rate-of-change data, number of items for moving average, process
value alarm setting (LL, L, H, HH), rate-of-change alarm setting (L, H), zero/span adjustment value
Expansion Control/
Monitor Area
35 words/Unit
CPU Unit to Isolated-type Direct Current Input Unit:
Bits for beginning or resetting the hold function selection, adjustment period control, control bits
Isolated-type Direct Current Input Unit to CPU Unit:
Adjustment period notices, peak and bottom values, top and valley values, integral values
Expansion Setting
Area
46 words/Unit
CPU Unit to Isolated-type Direct Current Input Unit:
Expansion Setting Area settings, adjustment period control, peak and bottom detection, top and valley detection,
integral value calculation
Number of inputs 4
Input signal type 4 to 20 mA, 0 to 20 mA, 0 to 10 V, −10 to 10 V, 0 to 5 V, −5 to 5 V, 1 to 5 V, 0 to 1.25 V, −1.25 to 1.25 V (separate for
each input), and ±10-V user-set range (specified range within −10.000 V to 10.000 V)
Scaling Data to be stored in the allocated words in the CIO area must be scaled (Any minimum and maximum values can be
set.) (4 inputs set separately.) Data can be converted at 0% to 100%.
Data storage in the CIO Area The value derived from carrying out the following processing in order of the actual process data in the input range is
stored in four digits hexadecimal (binary values) in the allocated words in the CIO Area.
1) Mean value processing → 2) Scaling → 3) Zero/span adjustment → 4) Square root calculation → 5) Output limits
Accuracy (25°C) ±0.05%
CS1W-PDC11
4 DC inputs
(4 to 20 mA, 0 to 20 mA,
0 to 10 V, −10 to 10 V,
0 to 5 V, −5 to 5 V,
1 to 5 V, 0 to 1.25 V,
−1.25 to 1.25 V)
I
48
CS1W-PTS/PDC/PTW/PTR/PPS/PMV
Temperature coefficient ±0.008%/°C
Resolution 1/64,000
Input signal range
For 4 to 20 mA, 0 to 20 mA, 0 to 10 V, 0 to 5 V, 1 to 5 V, 0 to 1.25 V inputs:
−15 to 115%
For −10 to 10 V, −5 to 5 V, −1.25 to 1.25 V inputs:
−7.5 to 107.5%
Input impedance For current inputs: 250 Ω (typical)
For voltage inputs: 1 MΩ min.
Warmup time 10 min
Response time 100 ms (travel time from input 0% to 90%, for ±10 V step input and with moving average for 4 samples)
Conversion period 20 ms/4 inputs, 10 ms/2 inputs, selectable in words allocated to the Unit as a Special I/O Unit.
Maximum time to store data in CPU Unit Conversion period + one CPU Unit cycle
Input error detection Check only for 4 to 20 mA and 1 to 5 V.
Error detected for −17.2% (1.25 mA, 0.3125 V) or less and 112.5% (22 mA, 5.5 V) or more.
Operation at input disconnection For 4 to 20 mA and 1 to 5 V: Stores −15% process value.
For all other ranges: Stores same process value as 0-V or 0-mA inputs.
Input disconnection detection delay time Approx. 1 s.
Function
Mean value
processing (input
filter)
Calculates the moving average for the past specified number of process values (1 to 128 can be specified), and stores
that value in the CIO Area as the process value.
Process value alarm Process value 4-point alarm (LL, L H, HH), hysteresis, and ON-delay timer (0 to 60 s) are available.
Rate-of-change
calculation Calculates the amount of change per comparison time interval (1 to 16 s).
Rate-of-change
alarm Rate-of-change 2-point alarm (H, L), alarm hysteresis, and ON-delay timer (0 to 60 s are available, shared with
process value alarm).
Square root
calculation
When the maximum value for process value scaling is A and the minimum value is B,
Drop-out: Output approx. 7% max. linear (output = input) characteristic
Note: 1. The square root function can only be used when the maximum scaling value is greater than the minimum
scaling value. The square root will not be found if the maximum is smaller than the minimum.
2. When the square root function is used, set the scaling values after square root calculation (e.g., for flow
rates or other values) for the process value scaling A and B settings.
Adjustment period
control
When zero/span adjustment is executed, the date is internally recorded at the Unit. When the preset zero/span
adjustment period and the notice of days remaining set in the Expansion Setting Area have elapsed, this function
turns ON a warning flag to give notice that it is time for readjustment.
Peak and bottom
detection
Detects the maximum (peak) and minimum (bottom) analog input values, from when the Hold Start Bit (output)
allocated to the Expansion Control/Monitor Area turns ON until it turns OFF. These values are stored as the peak and
bottom values in the Expansion Control/Monitor Area.
Top and valley
detection
This function detects the top and valley values for analog inputs, from when the Hold Start Bit (output) allocated to
the Expansion Control/Monitor Area turns ON until it turns OFF. These values are stored as the top and valley values
in the Expansion Control/Monitor Area.
Integral value
calculation
This function calculates the analog input value’s time integral. The integral value is calculated and output to the
Expansion Control/Monitor Area when the Integral Value Calculation Start Bit in the Expansion Control/Monitor Area
is turned ON.
Isolation Between inputs and between inputs and PLC signals: Isolation by transformer and photocoupler.
Insulation resistance 20 MΩ (at 500 V DC) between all inputs
Dielectric strength Between inputs: 1,000 V AC, at 50/60 Hz, for 1 min, leakage current 10 mA max.
External connections Terminal block (detachable)
Unit number settings Set by rotary switches on front panel, from 0 to 95.
Indicators Three LED indicators on front panel (for normal operation, errors detected at the Direct Current Input Unit, and errors
detected at the CPU Unit).
Front panel connector Sensor input connector terminal block (detachable)
Effect on CPU Unit cycle time 0.3 ms
Current consumption 5 V DC at 120 mA max., 26 V DC at 120 mA max.
Dimensions 35 × 130 × 126 mm (W × H × D)
Note: The height including the Backplane is 145 mm.
Weight 450 g max.
Standard accessories Short bars (for current input)
Item Specifications
Output = (A − B) × (input − B) + B
Note: . In ham 0! me above cases. |
input No. 0.
. Always ground lhe GR Ievm
. n «be input device uses a va
termina‘
. Always shonrcircuit the v a
. Be suve lo tighten me shun
®
OITIROFI
CS1W-PTS/PDC/PTW/PTR/PPS/PMV
49
Accuracy and Resolution in ±10-V User-set Range
The ±10-V user-set range allows the input signal's input range to be set to any range within −10.000 V to 10.000 V. Accuracy and resolution,
however, are not determined by the input range, but rather by the measurable input range (−10.000 V to 10.000 V). Therefore, accuracy and
resolution do not change even if a narrow input range is set.
Terminal Connection Diagram
Note: •In both of the above cases, leave all unused inputs open between the positive and negative terminals (e.g., between B1 and B2 for voltage
input No. 1).
•Always ground the GR terminal on the Power Supply Unit of the PLC.
•If the input device uses a voltage generator, temperature compensator, or similar device, then ground the input device if it has a ground
terminal.
•Always short-circuit the V and I terminals when using current input.
•Be sure to tighten the short bars to a torque of 0.5 N.m. Loose short bars may result in conversion errors.
V1
COM1
V2
COM2
V3
COM3
V4
COM4
N.C.
N.C.
B1
B2
B3
B4
B5
B6
B7
B8
B9
B10
A1
A2
A3
A4
A5
A6
A7
A8
A9
A10
A11
N.C.
I1
N.C.
I2
N.C.
I3
N.C.
I4
N.C.
N.C.
N.C.
CS1W-PDC11
Voltage Inputs
+
−
+
−
+
−
+
−
CS1W-PDC11
Current inputs
V1
COM1
V2
COM2
V3
COM3
V4
COM4
N.C.
N.C.
B1
B2
B3
B4
B5
B6
B7
B8
B9
B10
A1
A2
A3
A4
A5
A6
A7
A8
A9
A10
A11
N.C.
I1
N.C.
I2
N.C.
I3
N.C.
I4
N.C.
N.C.
N.C.
Current
output
device
Current
output
device
Current
output
device
Current
output
device
+
−
+
−
+
−
+
−
Voltage
output
device
Voltage
output
device
Voltage
output
device
Voltage
output
device
+
−
+
−
+
−
+
−
V1+
COM1
V2+
COM2
V3+
COM3
V4+
COM4
NC
NC
NC
I1+
NC
I2+
NC
I3+
NC
I4+
NC
NC
NC
PDC11 terminal block
Current output
device
Current output
device
Current output
device
Current output
device
Short bars
OITIROFI
CS1W-PTS/PDC/PTW/PTR/PPS/PMV
50
Terminal Block Diagram
26 VDC
5 VDC
V2+
I2+
COM2
V1+
I1+
COM1
V4+
I4+
COM4
V3+
I3+
COM3
B3
A4
B4
B1
A2
B2
B7
A8
B8
B5
A6
B6
250 Ω
1 MΩ
1 MΩ
250 Ω
1 MΩ
1 MΩ
250 Ω
1 MΩ
1 MΩ
250 Ω
1 MΩ
1 MΩ
Isolation circuit
Photocoupler
Amplifier
circuit
A/D
converter
A/D
converter
A/D
converter
A/D
converter
Connector
Input
selector
Digital
circuits
Isolation circuit
Photocoupler
Amplifier
circuit
Amplifier
circuit
Amplifier
circuit
Isolation circuit
Photocoupler
Isolation circuit
Photocoupler
I
51
CS1W-PTS/PDC/PTW/PTR/PPS/PMV
CS1W-PDC55 Isolated-type Direct Current Input Unit
Overview
The CS1W-PDC55 Isolated-type Direct Current Input Unit provides 8 direct-current inputs,
and sends the data to the CPU Unit each cycle. All inputs are isolated.
System Configuration
Specifications
Item Specifications
Model CS1W-PDC55
Applicable PLC CS Series
Unit type CS-series Special I/O Unit
Mounting position CS-series CPU Rack or CS-series Expansion Rack (Cannot be mounted to C200H Expansion I/O Rack or SYSMAC
BUS Remote I/O Slave Rack.)
Maximum number of Units 80 (within the allowable current consumption and power consumption range)
Unit numbers 00 to 95 (Cannot duplicate Special I/O Unit numbers.)
Areas for data
exchange with CPU
Unit
Special I/O Unit Area 10 words/Unit
Isolated-type Direct Current Input Unit to CPU Unit:
All process values, process value alarms (L, H), conversion data enabled flags, input errors
DM Area words
allocated to Special
I/O Units
100 words/Unit
CPU Unit to Isolated-type Direct Current Input Unit:
Input signal type (separate for each input), process value alarm setting (L, H), zero/span adjustment value, Square
root function.
Expansion Control/
Monitor Area
1 word/Unit
CPU Unit to Isolated-type Direct Current Input Unit:
Process value alarms
Number of inputs 8
Input signal type 0 to 10 V, 0 to 5 V, 1 to 5 V, 4 to 20 mA (separate for each
input). (“Not used” can be selected). Input signal type and scaling to industrial units are
separate for each of the 8 inputs.
Note: Input signal type and scaling to industrial units are
set in the DM Area.
Example:
Input signal type: 4 to 20 mA; industrial unit scaling: 0 to
500 m3/h (after square root extraction). DM Area settings
are as follows:
Input signal type: 3 (0003 hex)
Industrial unit maximum value stored: 500 (01F4 hex)
Industrial unit minimum value stored: 0 (0000 hex)
Scaling
Data to be stored in the allocated words in the CIO area
must be scaled (Any minimum and maximum values can
be set.) (8 inputs set separately.) Data can be converted
at 0% to 100%.
Data storage in the CIO Area
The value derived from carrying out the following
processing in order of the actual process data in the input
range is stored in four digits hexadecimal (binary values)
in the allocated words in the CIO Area.
1) Scaling → 2) Zero/span adjustment → 3) Square root
calculation → 4) Output limits
Accuracy (25°C) ±0.3% of full scale
Temperature Characteristics For voltage inputs: 100 ppm/°C of full scale.
For current inputs: 120 ppm/°C of full scale.
Resolution 1/16,000 of full scale
Input signal range For all inputs:
−5 to +105%
CS1W-PDC55
8 DC inputs
(0 to 10 V, 0 to 5 V,
1 to 5 V, 4 to 20 mA)
I
52
CS1W-PTS/PDC/PTW/PTR/PPS/PMV
Input impedance For current inputs: 250 Ω (typical)
For voltage inputs: 1 MΩ min.
Warmup time 10 min
Conversion period 250 ms/8 inputs
Maximum time to store data in CPU Unit Conversion period + one CPU Unit cycle
Input error detection Detects sensor error at each input and turns ON the Sensor error Flag.
The process value overrange direction for when a sensor error occurs can be specified. (High: 105% of input range;
low: −5% of input range)
Function
Process value alarm Process value 8-point alarm (L H), hysteresis, and ON-delay timer (0 to 60 s) are available.
Two alarms per input (L, H) can be output to addresses in the CIO Area specified in the Expansion Setting Area.
Square root
calculation
(Supported only
when input is 1 to 5 v
or 4 to 20 mA.)
When the maximum value for process value scaling is A and the minimum value is B,
Drop-out: Output approx. 7% max. linear (output = input) characteristic
Note: 1. The square root function can only be used when the maximum scaling value is greater than the minimum
scaling value. The square root will not be found if the maximum is smaller than the minimum.
2. When the square root function is used, set the scaling values after square root calculation (e.g., for flow
rates or other values) for the process value scaling A and B settings.
Isolation Between inputs and between inputs and PLC signals: Isolation by transformer and photocoupler.
Insulation resistance 20 MΩ max. (at 500 V DC).
Between all input terminals and external AC terminals (Power Supply Unit)
Between all input terminals and FG plate
Dielectric strength
Between all input terminals and external AC terminals (Power Supply Unit)
Between all input terminals and FG plate
1,000 VAC, 50/60 Hz 1 min., detection current: 1 mA
Between all channels
500 VAC, 50/60 Hz 1 min., detection current: 1 mA
External connections Terminal block (detachable)
Unit number settings Set by rotary switches on front panel, from 0 to 95.
Indicators Three LED indicators on front panel (for normal operation, errors detected at the Direct Current Input Unit, and errors
detected at the CPU Unit).
Front panel connector Sensor input connector terminal block (detachable)
Effect on CPU Unit cycle time 0.4 ms
Current consumption 5 V DC at 180 mA max., 26 V DC at 60 mA max.
Dimensions 35 × 130 × 126 mm (W × H × D)
Note: The height including the Backplane is 145 mm.
Weight 450 g max.
Item Specifications
Output = (A − B) × (input − B) + B
I
CS1W-PTS/PDC/PTW/PTR/PPS/PMV
53
Terminal Connection Diagram
Note: •In both of the above cases, leave all unused inputs open between the positive and negative terminals.
•Always short-circuit the V and I terminals when using current input.
•Be sure to tighten the short bars to a torque of 0.5 N.m. Loose short bars may result in conversion errors.
•Always ground the GR terminal on the Power Supply Unit of the PLC.
•If the input device uses a voltage generator, temperature compensator, or similar device, then ground the input device if it has a ground
terminal.
V1+
I1+
COM1
V3+
I3+
COM3
V5+
I5+
COM5
V7+
I7+
COM7
B1
B2
B3
B4
B5
B6
B7
B8
B9
B10
B11
B12
A1
A2
A3
A4
A5
A6
A7
A8
A9
A10
A11
A12
V2+
I2+
COM2
V4+
I4+
COM4
V6+
I6+
COM6
V8+
I8+
COM8
+
Voltage
output device
−
+
Voltage
output device
−
+
Voltage
output device
−
+
Voltage
output device
−
+
Voltage
output device
−
+
Voltage
output device
−
+
Voltage
output device
−
+
Voltage
output device
−
V1+
I1+
COM1
V3+
I3+
COM3
V5+
I5+
COM5
V7+
I7+
COM7
B1
B2
B3
B4
B5
B6
B7
B8
B9
B10
B11
B12
A1
A2
A3
A4
A5
A6
A7
A8
A9
A10
A11
A12
V2+
I2+
COM2
V4+
I4+
COM4
V6+
I6+
COM6
V8+
I8+
COM8
CS1W-PDC55
+
Current
output device
−
+
Current
output device
−
+
Current
output device
−
+
Current
output device
−
+
Current
output device
−
+
Current
output device
−
+
Current
output device
−
+
Current
output device
−
CS1W-PDC55
Voltage Inputs
Current inputs
OITIROFI
: :F
CS1W-PTS/PDC/PTW/PTR/PPS/PMV
54
Terminal Block Diagram
5 V DC
Connector
Isolation circuit
Digital circuits
Photocoupler
B1
B3
B2 Double
integral
A/D
Reference
power supply
Reference
power supply
Reference
power supply
Reference
power supply
Photocoupler
A10
A12
A11 Double
integral
A/D
Photocoupler
B7
B9
B8 Double
integral
A/D
Photocoupler
Double
integral
A/D
A5
A7
A6
Isolation circuit
No. 2 input
Photocoupler
No. 3 input
Photocoupler
No. 6 input
Photocoupler
No. 7 input
Photocoupler
No. 2 input
Reference power supply
No. 3 input
Reference power supply
No. 6 input
Reference power supply
No. 7 input
Reference power supply
24 V DC
No.1 input
No.4 input
No.5 input
No.8 input
Amplifier
circuit
Amplifier
circuit
Amplifier
circuit
Amplifier
circuit
I
55
CS1W-PTS/PDC/PTW/PTR/PPS/PMV
CS1W-PTW01 2-Wire Transmitter Input Unit
Overview
The CS1W-PTW01 2-Wire Transmitter Input Unit provides up to four inputs for unified
signals (4 to 20 mA) from a transmitter, with no external DC power supply, and sends the
data to the CPU Unit each cycle.
System Configuration
Specifications
Item Specifications
Model CS1W-PTW01
Applicable PLC CS Series
Unit type CS-series Special I/O Unit
Mounting position CS-series CPU Rack or CS-series Expansion Rack (Cannot be mounted to C200H Expansion I/O Rack or SYSMAC
BUS Remote I/O Slave Rack.)
Maximum number of Units 80 (within the allowable current consumption and power consumption range)
Unit numbers 00 to 95 (Cannot duplicate Special I/O Unit numbers.)
Areas for data
exchange with
CPU Unit
Special I/O Unit Area
10 words/Unit
2-Wire Transmitter Input Unit to CPU Unit:
All process values, process value alarms (LL, L, H, HH), rate-of-change values, rate-of-change alarms (L, H), input
errors
DM Area words
allocated to Special
I/O Units
100 words/Unit
CPU Unit to 2-Wire Transmitter Input Unit:
Sensor type, scaling of process value data to be stored in allocated words in CIO area, square root function enable,
rate-of-change value range, rate-of-change scaling, number of items for moving average, process value alarm setting
(LL, L, H, HH), rate-of-change alarm setting (L, H), zero/span adjustment value, etc.
Number of inputs 4
Sensor type Unified signal from transmitter (4 to 20 mA), 4 to 20 mA, 1
to 5 V Sensor type and scaling to industrial units are separate for
each of the 4 inputs.
Note: Sensor type and scaling to industrial units are set
in the DM Area.
Example:
Input signal type: 4 to 20 mA from 2-wire transmitter;
industrial unit scaling: 0 to 500 m3/h (after square root
extraction). DM Area settings are as follows:
Input signal type: 0 (0000 hex)
Industrial unit maximum value stored: 500 (01F4 hex)
Industrial unit minimum value stored: 0 (0000 hex)
User-defined scaling in industrial units Scaling required for 4 to 20 mA or 1 to 5 V. (Any minimum
and maximum values can be set.) (4 inputs set
separately.)
Data storage in the CIO Area
The value derived from carrying out the following
processing in order of the process value data is stored in
four digits hexadecimal (binary values) in the allocated
words in the CIO Area.
1) Mean value processing → 2) Scaling → 3) Zero/span
adjustment → 4) Square root extraction → 5) Output limits
Accuracy (25°C) ±0.2% of full scale
Temperature coefficient ±0.015%/°C of full scale
Resolution 1/4,096 of full scale
Input signal range −15 to 115%
CS1W-PTW01
Four 2-wire transmitter inputs
(4 to 20 mA, 1 to 5 V)
I
56
CS1W-PTS/PDC/PTW/PTR/PPS/PMV
Power supply for 2-wire transmitter
Output voltage: 24 V DC ±15% for each input (without load)
Current capacity: 22 mA max. for each input
Short-circuit control current: 22 to 27 mA
Allowable short-circuit time:
Ambient temperature less than 40°C: No limit
Ambient temperature 40 to 55°C: 10 min or less
Input impedance 4 to 20 mA for 2-wire transmitter: 250 Ω; 4 to 20 mA: 250 Ω; 1 to 5 V: 1 MΩ min.
Warmup time 10 min
Response time 0.5 s (travel time from input 0% to 90%, for step input)
Conversion period 100 ms/4 inputs
Maximum time to store data in CPU Unit Conversion period + one CPU Unit cycle
Input error detection Error detected when under −17.2% (4 to 20 mA: 1.25 mA; 1 to 5 V: 0.3125 V) or over 112.5% (4 to 20 mA: 22 mA; 1
to 5 V: 5.5 V).
Operation at input disconnection Process value of −15% stored.
Input disconnection overrange time Approx. 1 s
Function
Mean value
processing (input
filter)
Calculates the moving average for the specified number of process values (1 to 16), and stores that value in the CIO
Area as the process value.
Process value alarm Process value 4-point alarm (HH, H, LL, L), alarm hysteresis, and ON-delay timer (0 to 60 s) are available.
Rate-of-change
calculation Calculates the amount of change per comparison time interval (1 to 16 s).
Rate-of-change
alarm Rate-of-change 2-point alarm (H, L), alarm hysteresis (shared with process value alarm), and ON-delay timer (0 to 60
s, shared with process value alarm) are available.
Square root
When the process value scaling maximum value is A and the minimum value is B:
Dropout: Output approx. 7% maximum linear (output = input) characteristics
Note: 1. The square root function is only enabled when the maximum scaling value is greater than the minimum
value.
2. When square root processing is being performed, set the maximum and minimum scaling values to the
values required after square root processing of the current or other input values.
Isolation Between inputs and between input terminals and PLC signals: Isolation by transformer
Insulation resistance 20 MΩ (at 500 V DC) between inputs
Dielectric strength Between inputs: 1,000 V AC, at 50/60 Hz, for 1 min, leakage current 10 mA max.
External connections Terminal block (detachable)
Unit number settings Set by rotary switches on front panel, from 0 to 95.
Indicators Three LED indicators on front panel (for normal operation, errors detected at the 2-Wire Transmitter Input Unit, and
errors related to the CPU Unit).
Front panel connector Sensor input connector terminal block (detachable)
Effect on CPU Unit cycle time 0.3 ms
Current consumption 5 V DC at 150 mA max., 26 V DC at 160 mA max.
Dimensions 35 × 130 × 126 mm (W × H × D)
Note: The height including the Backplane is 145 mm.
Weight 450 g max.
Standard accessories None
Item Specifications
Output = (A−B) (Input−B) + B
Note: \n all 00 the above cases. leave a
OITIROFI
CS1W-PTS/PDC/PTW/PTR/PPS/PMV
57
Terminal Connection Diagram
2-Wire Transmitter Input
CS1W-PTW01 Isolated-type 2-Wire Transmitter Input Unit
Current Input (No Power Supply Necessary)
Voltage Input
Note: In all of the above cases, leave all unused terminals open (e.g., terminals A1, A2, B1, and B2 for input No. 1).
V1
COM1
V2
COM2
V3
COM3
V4
COM4
N.C.
N.C.
B1
B2
B3
B4
B5
B6
B7
B8
B9
B10
A1
A2
A3
A4
A5
A6
A7
A8
A9
A10
A11
P1+
I1
P2+
I2
P3+
I3
P4+
I4
N.C.
N.C.
N.C.
+
−
+
−
+
−
+
−
No.1
No.2
No.3
No.4
2-wire
transmitter
2-wire
transmitter
2-wire
transmitter
2-wire
transmitter
V1
COM1
V2
COM2
V3
COM3
V4
COM4
N.C.
N.C.
B1
B2
B3
B4
B5
B6
B7
B8
B9
B10
A1
A2
A3
A4
A5
A6
A7
A8
A9
A10
A11
P1+
I1
P2+
I2
P3+
I3
P4+
I4
N.C.
N.C.
N.C.
← +
−
← +
−
← +
−
← +
−
No.1
No.2
No.3
No.4
Current
output
device
Current
output
device
Current
output
device
Current
output
device
CS1W-PTW01 Isolated-type
2-Wire Transmitter Input Unit
No.1
No.2
No.3
No.4
V1
COM1
V2
COM2
V3
COM3
V4
COM4
N.C.
N.C.
B1
B2
B3
B4
B5
B6
B7
B8
B9
B10
A1
A2
A3
A4
A5
A6
A7
A8
A9
A10
A11
P1+
I1
P2+
I2
P3+
I3
P4+
I4
N.C.
N.C.
N.C.
CS1W-PTW01 Isolated-type
2-Wire Transmitter Input Unit
+
−
+
−
+
−
+
−
Voltage
output
device
Voltage
output
device
Voltage
output
device
Voltage
output
device
CS1W-PTS/PDC/PTW/PTR/PPS/PMV
58
Terminal Block Diagram
CS1W-PTW01 Isolated-type 2-Wire Transmitter Input Unit
To CPU Unit
Multiplexer
Connector
A1
A2
B2
P1+
I1
V1
COM1
+24-V transmitter power supply
+24-V transmitter power supply
+24-V transmitter power supply
+24-V transmitter power supply
Amplifier
Amplifier
Amplifier
Amplifier
1 MΩ
Isolation
circuit
Isolation
circuit
Isolation
circuit
Isolation
circuit
Amplifier circuit
A/D converter
Digital computation circuit
Isolated power supply circuit
5 V DC
26 V DC
1 MΩ
250 Ω
Input No. 1
B1
1 MΩ
1 MΩ
250 Ω
1 MΩ
1 MΩ
250 Ω
1 MΩ
1 MΩ
250 Ω
A3
A4
B4
P2+
I2
V2
COM2
Input No. 2
B3
A5
A6
B6
P3+
I3
V3
COM3
Input No. 3
B5
A7
A8
B8
P4+
I4
V4
COM4
Input No. 4
B7
Pn+
+
−In
Vn
COMn
2-wire transmitter
2-Wire Transmitter Input
(n: Input Nos. 1 to 4)
+
−
Current output
4-mA to 20-mA Input
+
−
Voltage output
1-V to 5-V Input
(n: Input Nos. 1 to 4) (n: Input Nos. 1 to 4)
Pn+
In
Vn
COMn
Pn+
In
Vn
COMn
I
59
CS1W-PTS/PDC/PTW/PTR/PPS/PMV
CS1W-PTR01 Power Transducer Input Unit
Overview
The CS1W-PTR01 Power Transducer Input Unit provides up to eight inputs of 0 to 1 mA or
−1 to 1 mA from power transducers, and sends the data to the CPU Unit each cycle.
System Configuration
Specifications
Item Specifications
Model CS1W-PTR01
Applicable PLC CS Series
Unit type CS-series Special I/O Unit
Mounting position CS-series CPU Rack or CS-series Expansion Rack (Cannot be mounted to C200H Expansion I/O Rack or SYSMAC
BUS Remote I/O Slave Rack.)
Maximum number of Units 80 (within the allowable current consumption and power consumption range)
Unit numbers 00 to 95 (Cannot duplicate Special I/O Unit numbers.)
Areas for data
exchange with CPU
Unit
Special I/O Unit
Area
10 words/Unit
Power Transducer Input Unit to CPU Unit:
All process values, process value alarms (L, H)
DM Area words
allocated to Special
I/O Units
100 words/Unit
CPU Unit to Power Transducer Input Unit:
Input signal type, scaling of process value in industrial units, process value alarm setting (L, H), inrush input upper
limit, inrush input upper limit time, zero/span adjustment value, etc.
Number of inputs 8
Input signal type Either 0 to 1 mA or −1 to 1 mA. Input signal type and scaling to industrial units are
separate for each of the 8 inputs.
Note: Input signal type and scaling to industrial units are
set in the DM Area.
Example:
Input signal type: 0 to 1 mA from power transducer;
industrial unit scaling: 0 to 500 W. DM Area settings are
as follows:
Input signal type: 0 (0000 hex)
Industrial unit maximum value stored: 500 (01F4 hex)
Industrial unit minimum value stored: 0 (0000 hex)
User-defined scaling in industrial units Scaling required for the above input signals. (Any
minimum and maximum values can be set.) (8 inputs set
separately.)
Data storage in the CIO Area
The value derived from carrying out the following
processing in order of the process value data is stored in
four digits hexadecimal (binary values) in the allocated
words in the CIO Area.
1) Mean value processing → 2) Scaling → 3) Zero/span
adjustment → 4) Inrush input limit → 5) Output limits
Accuracy (25°C) ±0.2% of full scale
Temperature coefficient ±0.015%/°C of full scale
Resolution 1/4,096 of full scale
Input signal range For 0 to 1 mA: −15 to 115%; for −1 to 1 mA: −7.5 to 107.5%
Input impedance 100 Ω (typical)
Warmup time 10 min
Response time 1.2 s (travel time from input 0% to 90%, for step input)
Conversion period 200 ms/8 inputs
Maximum time to store data in CPU Unit Conversion period + one CPU Unit cycle
CS1W-PTR01
Eight power transducer inputs
(0 to 1 mA or −1 to 1 mA)
I
60
CS1W-PTS/PDC/PTW/PTR/PPS/PMV
Input error detection None.
Operation at input disconnection Process value corresponding to 0 mA stored.
Function
Inrush input limit
When the process value is increased from 2% or less, the inrush input limit function limits the increase for a set time.
(It is available only for inputs of 0 to 1 mA.) This function can be used to prevent sudden process value increases due
to inrush currents caused by motor startup and so on.
Upper limit value: −32,000 to 32,000
Upper limit time: 0 to 100 s
Process value alarm Process value 2-point alarm (H, L), hysteresis, and ON-delay timer (0 to 60 s) are available.
Mean value
processing (input
filter)
Calculates the moving average for the past four process values (every 200 ms), and stores that value in the CIO Area
as the process value.
Isolation Between inputs: No isolation
Between input terminals and PLC signals: Isolation by transformer and photocoupler
Insulation resistance 20 MΩ (at 500 V DC) between inputs and internal PLC signals
Dielectric strength Between inputs and internal PLC signals: 1,000 V AC, at 50/60 Hz, for 1 min, leakage current 10 mA max.
External connections Terminal block (detachable)
Unit number settings Set by rotary switches on front panel, from 0 to 95.
Indicators Three LED indicators on front panel (for normal operation, errors detected at the Power Transducer Input Unit, and
errors related to the CPU Unit).
Front panel connector Sensor input connector terminal block (detachable)
Effect on CPU Unit cycle time 0.3 ms
Current consumption 5 V DC at 150 mA max., 26 V DC at 80 mA max.
Dimensions 35 × 130 × 126 mm (W × H × D)
Note: The height including the Backplane is 145 mm.
Weight 450 g max.
Standard accessories None
Item Specifications
n
61
CS1W-PTS/PDC/PTW/PTR/PPS/PMV
Terminal Block Diagram
To CPU Unit
CS1W-PRT01 Power Transducer Input Unit
Connector
Multiplexer
A2
B2
Filter
circuit
Isolation
circuit
A/D converter
Digital computation circuit
Isolated power supply circuit
5 V DC
26 V DC
100 Ω
Input No. 1
Input No. 2
Input No. 3
Input No. 4
Input No. 5
Input No. 6
Input No. 7
Input No. 8
A1
B1
A4
B4
B3
A6
B6
B5
A8
B8
A3
A5
A7
B7
Filter
circuit
100 Ω
Filter
circuit
100 Ω
Filter
circuit
100 Ω
Filter
circuit
100 Ω
Filter
circuit
100 Ω
Filter
circuit
100 Ω
Filter
circuit
100 Ω
1−
1+
2−
2+
3−
3+
4−
4+
5−
5+
6−
6+
7−
7+
8−
8+
I
CS1W-PTS/PDC/PTW/PTR/PPS/PMV
62
CS1W-PTR02 Analog Input Unit (100 mV)
Overview
The CS1W-PTR02 Analog Input Unit provides up to eight inputs of 0 to 100 mV or −100 to
100 mA, and sends the data to the CPU Unit each cycle.
System Configuration
CS1W-PTR02
Eight DC inputs
(0 to 100 mV or −100 to 100 mV)
I
CS1W-PTS/PDC/PTW/PTR/PPS/PMV
63
Specifications
Item Specifications
Model CS1W-PTR02
Applicable PLC CS Series
Unit type CS-series Special I/O Unit
Mounting position CS-series CPU Rack or CS-series Expansion Rack (Cannot be mounted to C200H Expansion I/O Rack or SYSMAC
BUS Remote I/O Slave Rack.)
Maximum number of Units 80 (within the allowable current consumption and power consumption range)
Unit numbers 00 to 95 (Cannot duplicate Special I/O Unit numbers.)
Areas for data
exchange with CPU
Unit
Special I/O Unit
Area
10 words/Unit
Analog Input Unit to CPU Unit:
All process values, process value alarms (L, H)
DM Area words
allocated to Special
I/O Units
100 words/Unit
CPU Unit to Analog Input Unit:
Input signal type, scaling of process value in industrial units, process value alarm setting (L, H), inrush input upper
limit, inrush input upper limit time, zero/span adjustment value, etc.
Number of inputs 8
Input signal type Either 0 to 100 mV or –100 to 100 mV. Input signal type and scaling to industrial units are
separate for each of the 8 inputs.
Note: Input signal type and scaling to industrial units are
set in the DM Area.
Example:
Input signal type: 0 to 100 mV; industrial unit scaling: 0 to
500. DM Area settings are as follows:
Input signal type: 0 (0000 hex)
Industrial unit maximum value stored: 500 (01F4 hex)
Industrial unit minimum value stored: 0 (0000 hex)
User-defined scaling in industrial units Scaling required for the above input signals. (Any
minimum and maximum values can be set.) (8 inputs set
separately.)
Data storage in the CIO Area
The value derived from carrying out the following
processing in order of the process value data is stored in
four digits hexadecimal (binary values) in the allocated
words in the CIO Area.
1) Mean value processing → 2) Scaling → 3) Zero/span
adjustment → 4) Inrush input limit → 5) Output limits
Accuracy (25°C) ±0.2% of full scale
Temperature coefficient ±0.015%/°C of full scale
Resolution 1/4,096 of full scale
Input signal range For 0 to 100 mV: −15 to 115%; for −100 to 100 mV: −7.5 to 107.5%
Input impedance Balanced: 1 MΩ min. (typical); unbalanced: 20 kΩ (typical)
Warmup time 10 min
Response time 1.2 s (travel time from input 0% to 90%, for step input)
Conversion period 200 ms/8 inputs
Maximum time to store data in CPU Unit Conversion period + one CPU Unit cycle
Input error detection None
Operation at input disconnection Undefined
Function
Inrush input limit
When the process value is increased from 2% or less, the inrush input limit function limits the increase for a set time.
(It is available only for inputs of 0 to 100 mV.) This function can be used to prevent sudden process value increases
due to inrush currents caused by motor startup and so on.
Upper limit value: −32,000 to 32,000
Upper limit time: 0 to 100 s
Process value alarm Process value 2-point alarm (H, L), hysteresis, and ON-delay timer (0 to 60 s) are available.
Mean value
processing (input
filter)
Calculates the moving average for the past four process values (every 200 ms), and stores that value in the CIO Area
as the process value.
Isolation Between inputs: No isolation
Between input terminals and PLC signals: Isolation by transformer and photocoupler.
Insulation resistance 20 MΩ (at 500 V DC) between inputs and internal PLC signals.
Dielectric strength Between inputs and internal PLC signals: 1,000 V AC, at 50/60 Hz, for 1 min, leakage current: 10 mA max.
External connections Terminal block (detachable)
Unit number settings Set by rotary switches on front panel, from 0 to 95.
Indicators Three LED indicators on front panel (for normal operation, errors detected at the Analog Input Unit, and errors related
to the CPU Unit).
Front panel connector Sensor input connector terminal block (detachable)
Effect on CPU Unit cycle time 0.3 ms
Current consumption 5 V DC at 150 mA max., 26 V DC at 80 mA max.
Dimensions 35 × 130 × 126 mm (W × H × D)
Note: The height including the Backplane is 145 mm.
Weight 450 g max.
Standard accessories None
CS1 W-PTS/P
m
CS1W-PTS/PDC/PTW/PTR/PPS/PMV
64
Terminal Block Diagram
To CPU Unit
Connector
Multiplexer
A2
B2
Filter
circuit
Isolation
circuit
A/D converter
Digital computation circuit
Isolated power supply circuit
5 V DC
26 V DC
Input No. 1
Input No. 2
Input No. 3
Input No. 4
Input No. 5
Input No. 6
Input No. 7
Input No. 8
A1
B1
A4
B4
B3
A6
B6
B5
A8
B8
A3
A5
A7
B7
Filter
circuit
Filter
circuit
Filter
circuit
Filter
circuit
Filter
circuit
Filter
circuit
Filter
circuit
1−
1+
2−
2+
3−
3+
4−
4+
5−
5+
6−
6+
7−
7+
8−
8+

65
CS1W-PTS/PDC/PTW/PTR/PPS/PMV
CS1W-PPS01 Isolated-type Pulse Input Unit
Overview
The CS1W-PPS01 Isolated-type Pulse Input Unit provides up to four pulses from a device
such as a displacement flowmeter, and sends scaled instantaneous values (pulses/time
unit) to the CPU Unit each cycle. The accumulated value can also be calculated at the same
time and transferred to the CPU Unit at each cycle.
System Configuration
Specifications
Item Specifications
Model CS1W-PPS01
Applicable PLC CS-series
Unit type CS-series Special I/O Unit
Mounting position CS-series CPU Rack or CS-series Expansion Rack (Cannot be mounted to C200H Expansion I/O Rack or SYSMAC BUS
Remote I/O Slave Rack.)
Maximum number of Units 80 (within the allowable current consumption and power consumption range)
Unit numbers 00 to 95 (Cannot duplicate Special I/O Unit numbers.)
Areas for data
exchange with
CPU Unit
Special I/O Unit Area 10 words/Unit
Pulse Input Unit to CPU Unit:
All process values, process value alarms (LL, L, H, HH), accumulated values, Accumulation Reset Bit
DM Area words
allocated to Special
I/O Units
100 words/Unit
CPU Unit to Pulse Input Unit:
Instantaneous value conversion coefficient, instantaneous value scaling, pulse weight, number of values for moving
average, instantaneous value alarm settings (LL, L, H, HH), zero/span adjustment, etc.
Number of pulse inputs 4
Pulse input type
Voltage input, no-voltage semiconductor input, contact input (selected individually for each of 4 inputs, according to
connection terminals)
No-voltage semiconductor input: Connected to voltage input terminals (between Fn+ and COMn).
Maximum coefficient speed: 20,000 pulses/s (duty ratio: 50%)
Detection voltage: 4 V DC
Short-circuit current between terminals: 1.2 mA DC
ON resistance: 0.8 kΩ max.
OFF resistance: 5.0 kΩ min.
Voltage input: Connected to voltage input terminals (between Fn+ and COMn).
Waveform: Square wave
Maximum coefficient speed: 20,000 pulses/s (duty ratio: 50%)
ON voltage: 0 to 1 V
OFF voltage: 3 to 30 V
Contact input: Connected to contact input terminals (between Sn+ and COMn).
Maximum coefficient speed: 20 pulses/s (duty ratio: 50%)
Detection voltage: 8 V DC
Short-circuit current between terminals: 2.4 mA DC
ON resistance: 0.8 kΩ max.
OFF resistance: 5.0 kΩ min.
CS1W-PPS01
Four pulse inputs from a device
such as a displacement flowmeter
I
66
CS1W-PTS/PDC/PTW/PTR/PPS/PMV
Sensor power supply
For no-voltage semiconductor inputs, etc., a 12-V DC power supply can be provided for the sensors that are the pulse
sources.
Output voltage: 12 V DC ±15%
Current capacity: 30 mA max.
Limit current when short-circuited: 31 to 55 mA
Allowable short-circuit time: No limit
Accumulation conversion period 100 ms/4 inputs
Maximum time to store data in CPU Unit Conversion period + one CPU Unit cycle
Function Instantaneous value
output
Conversion to
instantaneous values
This function can be used to count the number of pulses per time unit, and to convert the values
to instantaneous values (pulses x pulse weight / time unit). Any of the following can be selected
as the time unit: 1 s, 3 s, 10 s, 30 s, or 60 s. (The time unit is set in the DM Area.)
Note: 1. Errors and fluctuations will increase when the input signal pulse rate is low, so specify
a longer time unit.
2. The instantaneous value is only refreshed at intervals of the time unit set. Therefore,
when the Unit is restarted, the instantaneous value will be 0000 until the time set as
the time unit has elapsed.
3. When pulse weight conversion is used for accumulated values, the number of pulses
obtained by multiplying the actual number of input pulses by the pulse weight (0.1000
to 3.2000) for one time unit is used.
Instantaneous value
scaling
This function can be used for scaling
instantaneous values (pulses × pulse weight/time
unit), i.e., setting data with respect to a maximum
value, and storing them in the allocated words of
the CIO Area.
•When instantaneous value (pulses × pulse
weight/time unit) is 100% input:
Can be set from 0.001 pulses/time unit to
32,000 pulses/time unit.
•Maximum value for Instantaneous value scaling
(industrial units):
Scaling of the above instantaneous value
(100% input) is possible from
−32,000 to 32,000 (8300 to FFFF, 0000 to 7D00
hex).
Note: When pulse weight conversion is used for
accumulated values, scaling is already
performed for each pulse, so an exponent
of 10 of the industrial unit is set in the
instantaneous value (pulses × pulse
weight per time unit) for a 100% input.
Example 1:
To obtain a pulse input of 0 to 2,000 pulses/
s for a flow of 0 to 300.0 ml/s:
Time unit: 1 s
Instantaneous value 100% input: 2,000
Maximum value for instantaneous value
scaling (industrial units): 3,000
Example 2:
When pulse inputs at 0 to 2,000 pulses/s are
obtained for a flowrate of 0 to 300.0 ml/s,
and the pulse weight function is used for
totaling:
There are 0.15 ml per pulse, so the pulse
weight = 0.15.
For a flowrate of 0 to 300.0 ml/s, 0 to 2,000
× 0.15 = 300 pulses/s. Therefore,
Time unit: 1 s
Instantaneous value 100% input: 300
Maximum value for instantaneous value
scaling (industrial units): 3,000
Data storage in the
CIO Area
The value derived from carrying out the following
processing in order of the instantaneous value
(pulses x pulse weight/time unit) is stored in four
digits hexadecimal (binary values) in the allocated
words in the CIO Area.
1) Mean value processing → 2) Instantaneous
value scaling → 3) Scaling → 4) Zero/span
adjustment → 5) Output limits
Mean value
processing (input filter) Calculates the moving average for the specified number of past instantaneous values (1 to 16),
and stores that value in the CIO Area as the instantaneous value.
Instantaneous value
alarm Instantaneous value 4-point alarm (HH, H, L, LL), hysteresis, and ON-delay timer (0 to 60 s) are
available.
Function Accumulated output
Pulse weight
conversion
Performs scaling for a single pulse.
Use for the accumulated value when the pulse weight (weight/pulse) is a fraction (not an
exponent of 10). (See note.)
The pulse weight (0.1 to 3.2) is multiplied by the actual number of pulses input. This number of
pulses is used as the input for conversion to instantaneous values (pulses × pulse weight per
time unit) and the input for totaling prior to stepdown.
Example: When the pulse weight from the flowmeter is 0.26 ml/pulse, the pulse weight is set to
0.26. When one pulse (0.26 ml) is input, it is treated as a 0.26 pulse, and when two pulses (0.52
ml) are input, they are treated as a 0.52 pulse.
The weight per pulse becomes 1 ml, so to calculate in the CPU Unit the simple (unscaled) value
in industrial units (ml) based on the accumulated value from the Pulse Input Unit (value in words
n+5 to n+8), the value can be calculated simply using 1 ml/pulse.
Note: When the accumulated value from the Pulse Input Unit in the CPU Unit is not used (i.e.,
when only the instantaneous value is used), pulse weight conversion is not required. Use
instantaneousness value scaling to convert to industrial units.
Accumulated value
The accumulated number of pulses (0 to 9,999 pulses) for each input is stored in the allocated
words of the CIO Area. When 9,999 is exceeded, the value returns to 0 and starts counting
again.
Note: When pulse weight conversion is used, the accumulated value for the number of pulses
obtained by multiplying the actual number of input pulses by the pulse weight (0.1000 to
3.2000) is used.
Stepdown
When the accumulated value is used, this function prevents accumulated value overflow by
reducing the number of input pulses. The actual number of input pulses is multiplied by one of
four factors (×1, ×0.1, ×0.01, or ×0.001), and the number of input pulses accumulated is then
based on that value.
Note: This stepdown function operates only for accumulated values, and not for instantaneous
values. When the pulse weight conversion function is used, it uses for the number of
pulses obtained by multiplying the actual number of input pulses by the pulse weight
(0.1000 to 3.2000).
Isolation Between inputs and between input terminals and PLC signals: Isolation by transformer and photocoupler
Insulation resistance 20 MΩ (at 500 V DC) between inputs
Dielectric strength Between inputs: 1,000 V AC, at 50/60 Hz, for 1 min, leakage current 10 mA max.
Item Specifications
I
CS1W-PTS/PDC/PTW/PTR/PPS/PMV
67
External connections Terminal block (detachable)
Unit number settings Set by rotary switches on front panel, from 0 to 95.
Indicators Three LED indicators on front panel (for normal operation, errors detected at the Pulse Input Unit, and errors related to
the CPU Unit).
Front panel connector Sensor input connector terminal block (detachable)
Effect on CPU Unit cycle time 0.3 ms
Current consumption 5 V DC at 200 mA max., 26 V DC at 160 mA max.
Warmup time 10 min
Dimensions 35 × 130 × 126 mm (W × H × D)
Note: The height including the Backplane is 145 mm.
Weight 450 g max.
Standard accessories None
Item Specifications
CS1 W-PTS
iagram
Note: m all or me above cases. leave
Na. 1).
I
68
CS1W-PTS/PDC/PTW/PTR/PPS/PMV
Terminal Connection Diagram
Note: In all of the above cases, leave all unused inputs open between the terminals (e.g., between B1 and B2 for no-voltage semiconductor input
No. 1).
F1
COM1
F2
COM2
F3
COM3
F4
COM4
N.C.
N.C.
B1
B2
B3
B4
B5
B6
B7
B8
B9
B10
A1
A2
A3
A4
A5
A6
A7
A8
A9
A10
A11
P1+
S1
P2+
S2
P3+
S3
P4+
S4
N.C.
N.C.
N.C.
CS1W-PPS01 Isolated-type
Pulse Input Unit
No-voltage Semiconductor Input
No.1
No.2
No.3
No.4
Voltage Input
Voltage pulse generation
F1
COM1
F2
COM2
F3
COM3
F4
COM4
N.C.
N.C.
B1
B2
B3
B4
B5
B6
B7
B8
B9
B10
A1
A2
A3
A4
A5
A6
A7
A8
A9
A10
A11
P1+
S1
P2+
S2
P3+
S3
P4+
S4
N.C.
N.C.
N.C.
CS1W-PPS01 Isolated-type
Pulse Input Unit
+
−
+
−
+
−
+
−
No.1
No.2
No.3
No.4
F1
COM1
F2
COM2
F3
COM3
F4
COM4
N.C.
N.C.
B1
B2
B3
B4
B5
B6
B7
B8
B9
B10
A1
A2
A3
A4
A5
A6
A7
A8
A9
A10
A11
P1+
S1
P2+
S2
P3+
S3
P4+
S4
N.C.
N.C.
N.C.
CS1W-PPS01 Isolated-type
Pulse Input Unit
Contact Input 3-wire Sensor Input
F1
COM1
F2
COM2
F3
COM3
F4
COM4
N.C.
N.C.
B1
B2
B3
B4
B5
B6
B7
B8
B9
B10
A1
A2
A3
A4
A5
A6
A7
A8
A9
A10
A11
P1+
S1
P2+
S2
P3+
S3
P4+
S4
N.C.
N.C.
N.C.
CS1W-PPS01 Isolated-type
Pulse Input Unit
No.2
No.1
No.4
No.3
No.1
No.2
No.4
No.3
Internal
power
supply
Internal
power
supply
Internal
power
supply
Internal
power
supply
CS1 W-PTS/ PDC/ PTW/ PTR/ P PS/ PMV
Diagram
I
69
CS1W-PTS/PDC/PTW/PTR/PPS/PMV
Terminal Block Diagram
A1
A2
B2
P1+
S1+
F1+
COM1
+12-V sensor
power supply
Pulse
Isolation
circuit
Digital computation circuit
Isolated power
supply circuit
5 V DC
26 V DC
4.7 kΩ
4.7 kΩ
4.7 kΩ
Input No. 1
B1
A3
A4
B4
P2+
S2+
F2+
COM2
Input No. 2
B3
A5
A6
B6
P3+
S3+
F3+
COM3
Input No. 3
B5
A7
A8
B8
P4+
S4+
F4+
COM4
Input No. 4 B7
Pulse counter
4.7 kΩ
4.7 kΩ
4.7 kΩ
4.7 kΩ
4.7 kΩ
4.7 kΩ
4.7 kΩ
4.7 kΩ
4.7 kΩ
+12-V sensor
power supply
+12-V sensor
power supply
+12-V sensor
power supply
Pulse
Isolation
circuit
Pulse
Isolation
circuit
Pulse
Isolation
circuit
Connector
To CPU Unit
Pulse output Pulse output
Contact
Pn+
Sn+
Fn+ Fn+
Sn+
Fn+
Contact Input (for Metal Contacts)
Pn+
COMn
+
−
Voltage Pulse Input
Pn+
+
−COMn
Sensor Power Supply
(Connected to 3-wire Sensor)
(n: Input Nos. 1 to 4) (n: Input Nos. 1 to 4)
Sn+
COMn
(n: Input Nos. 1 to 4)
Speci cations
llem
Model
Appllc-ble PLO
unll lype
Moumlng posnlon
M-xlmum number or null:
unll numbers
Specla
Areas lor dale
exchange wlm CPU
unll
DM Ar
allaca
no un
Number or oulpuls
oulpul slgllal lypes
User-dellned scallrlg In Indu
Dal: slor-ge ln me clo Area
Accuracy (25°C)
Temperature ccelllclenl
Resolullon
Wamlup llme
oulpul response llme
D/A conversion perlod
M-xlmum llme lo More data
OITIROFI
CS1W-PTS/PDC/PTW/PTR/PPS/PMV
70
CS1W-PMV01 Isolated-type Analog Output Unit
Overview
Each cycle, the CS1W-PMV01 Isolated-type Analog Output Unit converts up to four analog
output set values from the CPU Unit to either 4 to 20 mA or 1 to 5 V, and outputs them. It
can also provide answer back for checking actual output values.
System Configuration
Specifications
Item Specifications
Model CS1W-PMV01
Applicable PLC CS Series
Unit type CS-series Special I/O Unit
Mounting position CS-series CPU Rack or CS-series Expansion Rack (Cannot be mounted to C200H Expansion I/O Rack or SYSMAC
BUS Remote I/O Slave Rack.)
Maximum number of Units 80 (within the allowable current consumption and power consumption range)
Unit numbers 00 to 95 (Cannot duplicate Special I/O Unit numbers.)
Areas for data
exchange with CPU
Unit
Special I/O Unit Area
10 words/Unit
CPU Unit to Analog Output Unit:
Analog output values for each output
Analog Output Unit to CPU Unit:
Answer input values for each output, output disconnection
DM Area words
allocated to Special
I/O Units
100 words/Unit
CPU Unit to Analog Output Unit:
Output hold for when CPU Unit error occurs, high/low limit values, rate-of-change limit values (positive and negative
directions), number of values for answer input moving average, zero/span adjustment for control outputs and answer
inputs, etc.
Number of outputs 4
Output signal types Either 4 to 20 mA or 1 to 5 V (separate for each of the four outputs).
Switched according to the connection terminals.
User-defined scaling in industrial units None
Data storage in the CIO Area
0 to 4,000 (0000 to 0FA0 hex), fixed
0: 4 mA or 1 V; 4,000: 20 mA or 5 V
The values derived from carrying out the following processing in order of the values in the allocated words in the CIO
Area are output in analog.
1) Output hold → 2) Rate-of-change limit → 3) Zero/span adjustment → 4) High/low limits
Therefore, the values after processing are confirmed by analog inputs.
Accuracy (25°C) When 4 to 20 mA: ±0.1% of full scale
When 1 to 5 V: ±0.2% of full scale
Temperature coefficient ±0.015%/°C of full scale
Resolution 1/4,000 of full scale
Warmup time 10 min
Output response time 0.2 s (travel time from output 0% to 100%, for step output)
D/A conversion period 100 ms/4 outputs
Maximum time to store data in CPU Unit Conversion period + one CPU Unit cycle
CS1W-PMV01
Control
terminal
Control
terminal
Control
terminal
Control
terminal
Four analog outputs
(4 to 20 mA, 1 to 5 V)
I
CS1W-PTS/PDC/PTW/PTR/PPS/PMV
71
Note: The following diagram shows the relationship between the allowable load resistance and the current output.
Output signal range Approx. −20 to 115%
Allowable load resistance When 4 to 20 mA: 404 Ω max. (when output range is −20 to 115%) or 458 Ω max. (when output range is −20 to 100%)
(Refer to note.)
When 1 to 5 V: 250 kΩ max.
Output impedance When 1 to 5 V: 250 Ω (typical)
Voltage when open between terminals Approx. 15 V
Answer input function
The actual analog output values (4 to 20 mA or 1 to 5 V) from the Unit’s output terminals can be read.
Data stored to allocated words of CIO Area:
0 to 4,000 (0000 to 0FA0 hex), fixed. (When 4 mA or 1 V: 0; when 20 mA or 5 V: 4,000)
Accuracy: ±0.2% of full scale
Resolution: 1/2000
Temperature coefficient: ±0.015%/°C
Current output disconnection detection
function When the actual output of 4 to 20 mA from the Analog Output Unit’s output terminals is 0.5 mA or less, it is regarded
as an external output circuit current loop disconnection, and the Output Disconnection Flag turns ON.
Function
Rate-of-change limit This function can be used to control the speed of up and down changes in analog output values.
Output high/low
limits This function can be used to place high and low limits on analog output values.
Output hold
This function holds the analog output value to the previous value or to a specified preset value when any of the
following CPU Unit errors occurs, and outputs the analog output value in the CIO Area when the error is cleared.
•CPU Unit fatal error (including FALS execution)
•CPU error in CPU Unit
•All outputs turned OFF with Output OFF Bit
Isolation Between outputs and between output terminals and PLC signals: Isolation by transformer and photocoupler
Insulation resistance 20 MΩ (at 500 V DC) between outputs
Dielectric strength Between outputs: 1,000 V AC, at 50/60 Hz, for 1 min, leakage current 10 mA max.
External connections Terminal block (detachable)
Unit number settings Set by rotary switches on front panel, from 0 to 95.
Indicators Three LED indicators on front panel (for normal operation, errors detected at the Analog Output Unit, and errors
related to the CPU Unit).
Front panel connector Output connector terminal block (detachable)
Effect on CPU Unit cycle time 0.3 ms
Current consumption 5 V DC at 150 mA max., 26 V DC at 160 mA max.
Dimensions 35 × 130 × 126 mm (W × H × D)
Note: The height including the Backplane is 145 mm.
Weight 450 g max.
Standard accessories None
Item Specifications
Current output
22.4 mA (115%)
20 mA (100%)
0.8 mA (−20%) 404 458 Allowable load resistance (Ω)
Note: \n bolh ol the above cases‘ shorbcircuwla‘l unused inputs between VB and COMB (9.9” between term
the lead wire.
OITIROFI
72
CS1W-PTS/PDC/PTW/PTR/PPS/PMV
Output Values According to CPU Unit Status
Analog output values from the Analog Output Unit will be as shown in the following table, depending on the status of the CPU Unit.
Note: Regardless of the CPU Unit's operation mode (including Program Mode), the analog output value in the allocated words of the CIO Area is
always output refreshed. As shown in the above table, however, when the operation mode is changed to Program Mode, the analog output
value in the CIO Area is either cleared or held depending on the status of the CPU Unit's I/O Memory Hold Flag (A500.12). In particular, be
careful when this flag is ON, because the value prior to the mode change will be held and that value will be output refreshed.
Terminal Block Diagram
Note: In both of the above cases, short-circuit all unused inputs between V@ and COM@ (e.g., between terminals B1 and B2 for output No. 1) with
the lead wire.
CPU Unit status Analog output values from Unit
Fatal error (including FALS(007)
execution)
The output hold function holds the previous value or a specified preset value.CPU error
All outputs turned OFF with
Output OFF Bit
Change of operation mode from
RUN or Monitor to Program
(See note.)
When the CPU Unit’s I/O Memory Hold
Flag (A500.12) is OFF. The output value in the CIO Area is cleared, and that value
(0000 hex) is output refreshed.
When the CPU Unit’s I/O Memory Hold
Flag (A500.12) is ON.
The output value in the CIO Area is held at the value prior
to the operation mode change, and that is output
refreshed.
Fatal error or CPU standby after
turning ON the power supply Either 0 mA or 0 V is output.
Special I/O Unit cyclic refresh
disabled Outputs can be refreshed by means of IORF(097) in the ladder diagram program.
V1−
COM1
V2−
COM2
V3−
COM3
V4−
COM4
N.C.
N.C.
B1
B2
B3
B4
B5
B6
B7
B8
B9
B10
A1
A2
A3
A4
A5
A6
A7
A8
A9
A10
A11
P1+
N.C.
P2+
N.C.
P3+
N.C.
P4+
N.C.
N.C.
N.C.
N.C.
CS1W-PMV01 Isolated-type
Analog Output Unit
Voltage Output Current Output
No.2
No.1
+
+
+
+
−
−
−
−
No.4
No.3
V1−
COM1
V2−
COM2
V3−
COM3
V4−
COM4
N.C.
N.C.
B1
B2
B3
B4
B5
B6
B7
B8
B9
B10
A1
A2
A3
A4
A5
A6
A7
A8
A9
A10
A11
P1+
N.C.
P2+
N.C.
P3+
N.C.
P4+
N.C.
N.C.
N.C.
N.C.
CS1W-PMV01 Isolated-type
Analog Output Unit
No.2
Load resistance
No.1
+
+
+
+
→
→
→
→
−
−
−
−
Load resistance
No.4
Load resistance
No.3
Load resistance
Load
Load
Load
Load
73
CS1W-PTS/PDC/PTW/PTR/PPS/PMV
Terminal Block Diagram
To CPU Unit
Isolated input circuit
CS1W-PMV01 Analog Output Unit
Isolated output circuit
Isolated input circuit
Isolated output circuit
Isolated input circuit
Isolated output circuit
Isolated input circuit
Isolated output circuit
Output multiplexer
Input multiplexer
A/D converter
Connector
P1+
V1−
COM1
Output No. 1
P2+
V2−
COM2
Output No. 2
P3+
V3−
COM3
Output No. 3
P4+
V4−
COM4
Output No. 4
A1
B1
D/A converter
Digital computation circuit
Isolated power supply circuit
5 V DC
26 V DC
B2
A3
B3
B4
A5
B5
B6
A7
B7
B8
250 Ω
250 Ω
250 Ω
250 Ω
Pn+
Vn−
COMn
Pn+
Vn−
COMn
4- to 20-mA output 1- to 5-V output
Short-circuit between terminals Vn− and COMn−.
(n: Input Nos. 1 to 4) (n: Input Nos. 1 to 4)
+
−
Voltage input
+
−
Current input
Short-circuit wiring
I
CS1W-PTS/PDC/PTW/PTR/PPS/PMV
74
CS1W-PMV02 Isolated-type Analog Output Unit
Overview
Each cycle, the CS1W-PMV02 Isolated-type Analog Output Unit converts up to four analog
output set values from the CPU Unit to analog voltage signals and outputs them.
System Configuration
Specifications
Item Specifications
Model CS1W-PMV02
Applicable PLC CS Series
Unit type CS-series Special I/O Unit
Mounting position CS-series CPU Rack or CS-series Expansion Rack (Cannot be mounted to C200H Expansion I/O Rack or SYSMAC
BUS Remote I/O Slave Rack.)
Maximum number of Units 80 (within the allowable current consumption and power consumption range)
Unit numbers 00 to 95 (Cannot duplicate Special I/O Unit numbers.)
Areas for data
exchange with CPU
Unit
Special I/O Unit Area
10 words/Unit
CPU Unit to Analog Output Unit:
Analog output values for each output
Analog Output Unit to CPU Unit:
None
DM Area words
allocated to Special
I/O Units
100 words/Unit
CPU Unit to Analog Output Unit:
Output hold for when CPU Unit error occurs, high/low limit values, rate-of-change limit values, zero/span adjustment
for control outputs, etc.
Number of outputs 4
Output signal types 0 to 10 V, 0 to 5 V, 0 to 1 V, −10 to 10 V, −5 to 5 V, −1 to 1 V
(Each output point can be set individually.)
User-defined scaling in industrial units Scaling is possible for each of the above signal types individually.
(The data corresponding to the minimum and maximum output values can be set freely.)
Data storage in the CIO Area ±32,000 (8300 to FFFF hex, 0000 to 7D00 hex)
Accuracy (25°C) ±0.1% of full scale
Temperature coefficient ±0.015%/°C of full scale
Resolution −10 to 10 V, −1 to 1 V: 1/16,000 of full scale
0 to 10 V, 0 to 1 V, −5 to 5 V: 1/8,000 of full scale
0 to 5 V: 1/4,000 of full scale
Warmup time 10 min
Output response time 50 ms max. (travel time from output 0% to 90%, for step output)
D/A conversion period 40 ms/4 outputs
Maximum output delay time Output response time + conversion period + one CPU Unit cycle
Output signal range −15 to 115% (−7.5 to 107.5% for ±10-V and ±1-V ranges)
Allowable load resistance 10 kΩ min.
Control
terminal
Control
terminal
Control
terminal
Control
terminal
Four analog outputs
(0 to 10 V, ±10 V, 0 to 5 V,
±5 V, 0 to 1 V, ±1 V)
CS1W-PMV02
I
CS1W-PTS/PDC/PTW/PTR/PPS/PMV
75
Output Values According to CPU Unit Status
Analog output values from the Analog Output Unit will be as shown in the following table, depending on the status of the CPU Unit.
Note: Regardless of the CPU Unit's operation mode (including Program Mode), the analog output value in the allocated words of the CIO Area is
always output refreshed. As shown in the above table, however, when the operation mode is changed to Program Mode, the analog output
value in the CIO Area is either cleared or held depending on the status of the I/O Memory Hold Flag (A500.12). In particular, be careful when
this flag is ON, because the value prior to the mode change will be held and that value will be output refreshed.
Output impedance 0.5 Ω max.
Voltage when open between terminals −
Answer input function None
Current output disconnection detection
function None
Function
Rate-of-change limit This function can be used to control the speed of up and down changes in analog output values.
Output high/low
limits This function can be used to place high and low limits on analog output values.
Output hold
This function holds the analog output value to the previous value or to a specified preset value when any of the
following CPU Unit errors occurs. Normal operation is restored when the CPU Unit error is cleared.
•CPU Unit fatal error (including FALS execution)
•CPU error in CPU Unit
•CPU Unit’s load interrupted
Isolation Between outputs and between output terminals and PLC signals: Isolation by transformer and photocoupler
Insulation resistance 20 MΩ (at 500 V DC) between outputs
Dielectric strength Between outputs: 1,000 V AC, at 50/60 Hz, for 1 min, leakage current 10 mA max.
External connections Terminal block (detachable)
Unit number settings Set by rotary switches on front panel, from 0 to 95.
Indicators Three LED indicators on front panel (for normal operation, errors detected at the Analog Output Unit, and errors
related to the CPU Unit).
Front panel connector Output connector terminal block (detachable)
Effect on CPU Unit cycle time 0.3 ms
Current consumption 5 V DC at 120 mA max., 26 V DC at 120 mA max.
Dimensions 35 × 130 × 126 mm (W × H × D)
Note: The height including the Backplane is 145 mm.
Weight 450 g max.
Standard accessories None
CPU Unit status Analog output values from Unit
Fatal error (including FALS(007)
execution)
The output hold function holds the previous value or a specified preset value.CPU error
All outputs turned OFF with
Output OFF Bit
Change of operation mode from
RUN or Monitor to Program
(See note.)
When the CPU Unit’s I/O Memory Hold Flag
(A500.12) is OFF. The output value in the CIO Area is cleared, and that value
(0000 hex) is output refreshed.
When the CPU Unit’s I/O Memory Hold Flag
(A500.12) is ON.
The output value in the CIO Area is held at the value prior
to the operation mode change, and that is output
refreshed.
Fatal error or CPU standby after
turning ON the power supply 0 V is output.
Special I/O Unit cyclic refresh
disabled Outputs can be refreshed by means of IORF(097) in the ladder diagram program.
Item Specifications
OITIROFI
CS1W-PTS/PDC/PTW/PTR/PPS/PMV
76
Terminal Connection Diagram
B terminals: 0 to 1 V, ±1 V; A terminals: 0 to 10 V, 0 to 5 V, ±10 V, ±5 V
Note: 1. Although signals 1/10 of the size of the A-row terminal output signals are output to the B terminals, simultaneous use of A (L) and B (H)
terminals of the same number is prohibited.
2. Do not connect V@@ and COM@@ for all unused output numbers.
Terminal Block Diagram
V1L
Load
Load
B1
COM1 B2
V2L B3
COM2 B4
V3L B5
COM3 B6
V4L B7
COM4 B8
N.C. B9
N.C. B10
V1H
COM1
V2H
COM2
V3H
COM3
V4H
COM4
N.C.
N.C.
N.C.
+
+
−
−
A3
A4
A5
A6
A7
A8
A9
A10
A11
A1
A2
CS1W-PMV02
Isolated-type Analog Output Unit
V1H
COM1
V1L
COM1
A1
A2
B1
B2
V2H
COM2
V2L
COM2
A3
A4
B3
B4
V3H
COM3
V3L
COM3
A5
A6
B5
B6
V4H
COM4
V4L
COM4
A7
A8
B7
B8
Isolated power
supply circuit
Isolated power
supply circuit
Isolated power
supply circuit
Isolated power
supply circuit
Photo-
coupler
Photo-
coupler
Photo-
coupler
Photo-
coupler
D/A
converter
D/A
converter
D/A
converter
D/A
converter
Output No. 1
Output No. 2
Output No. 4
Output No. 3
Digital
computation
circuit
26 V DC
5 V DC
Connector
Amplifier
circuit
Amplifier
circuit
Amplifier
circuit
Amplifier
circuit
Amplifier
circuit
Amplifier
circuit
Amplifier
circuit
Amplifier
circuit
Nomenclature and
CS1W—FJLIOD/1El/51/52
gas
5»\
7
/
R
1130001
XXXX
>‘< (="" cs1="" w-ftsss/sg,="" fdcss="" omron="">77
CS1W-PTS/PDC/PTW/PTR/PPS/PMV
Nomenclature and Functions
CS1W-P@@0@/1@/51/52
CS1W-PTS55/56, PDC55
With Terminal Block mounted (Side view)
Model number
Fastening screws
(black M3 screws)
Unit number switch
Terminal Block
(M3 screws)
Terminal number/symbol
(Varies depending on the Analog I/O Unit model.)
Terminal Block
Backplane fastening screw
Model number
With Terminal Block mounted (Side view)
Lock lever
Unit number
switch
Fastening screws
(black M3 screws)
Terminal number/symbol
(Varies depending on the Analog I/O Unit model.)
Terminal Block
LED Me:
HUN (green) Operahng
ERG (12d) Error de‘em
ERH (12d) Error m we
CS1W—PT555/56, PDC
LED Me:
HUN (green) Operahng
ERG (12d) Error de‘em
ERH (12d) Error m we
CS1W-PT551/52
LED Me:
HUN (green) Operahng
ERG (12d) Error de‘em
ERH (12d) Error m we
ALM1 |u
ALMA (yenow)
Ex‘ema‘ ala
OITIROFI
78
CS1W-PTS/PDC/PTW/PTR/PPS/PMV
Front Panel LED Indicators
CS1W-P@@0@/1@
CS1W-PTS55/56, PDC55
CS1W-PTS51/52
LED Meaning Indicator Operating status
RUN (green) Operating Lit Operating normally.
Not lit Unit has stopped exchanging data with the CPU Unit.
ERC (red) Error detected by Unit Lit Data setting is out of range in the DM Area.
Not lit Operating normally.
ERH (red) Error in the CPU Unit Lit Error has occurred during data exchange with the CPU Unit,
or Analog I/O Unit’s unit number is set incorrectly, or there is
a mounting error.
Not lit Operating normally.
LED Meaning Indicator Operating status
RUN (green) Operating Lit Operating normally.
Not lit Unit has stopped exchanging data with the CPU Unit.
ERC (red) Error detected by Unit Lit Sensor error has occurred or data setting is out of range in the
DM Area.
Not lit Operating normally.
ERH (red) Error in the CPU Unit Lit Error has occurred during data exchange with the CPU Unit,
or Analog I/O Unit’s unit number is set incorrectly, or there is
a mounting error.
Not lit Operating normally.
LED Meaning Indicator Operating status
RUN (green) Operating Lit Operating normally.
Not lit Unit has stopped exchanging data with the CPU Unit.
ERC (red) Error detected by Unit Lit Sensor error has occurred or data setting is out of range in the
DM Area.
Not lit Operating normally.
ERH (red) Error in the CPU Unit Lit Error has occurred during data exchange with the CPU Unit,
or Analog I/O Unit’s unit number is set incorrectly, or there is
a mounting error.
Not lit Operating normally.
ALM1 to
ALM4 (yellow) External alarm outputs Lit External alarm output ON
Not lit External alarm output OFF
RUN
ERC ERH
CS
RUN
ERC ERH
CS
RUN
ERC
ALM1
ALM2
ERH
ALM3
ALM4
CS
PTS51
my 'xwo 'xw"
I
79
CS1W-PTS/PDC/PTW/PTR/PPS/PMV
Unit Number Switches
The CPU Unit and Analog Input Unit exchange data via words allocated to the Analog Input Unit as a Special I/O Unit. Words are allocated to
Special I/O Units in both the CIO Area and the DM Area.
The words that each Analog I/O Unit uses are determined by the setting of the unit number switches on the front panel of the Unit.
Note: If two or more Special I/O Units are assigned the same unit number, a "UNIT No. DPL ERR" error (in the Programming Console) will occur
(A401.13 will turn ON) and the PLC will not operate.
Unit No. CIO Area addresses DM Area addresses
0 CIO 2000 to CIO 2009 D20000 to D20099
1 CIO 2010 to CIO 2019 D20100 to D20199
2 CIO 2020 to CIO 2029 D20200 to D20299
3 CIO 2030 to CIO 2039 D20300 to D20399
4 CIO 2040 to CIO 2049 D20400 to D20499
5 CIO 2050 to CIO 2059 D20500 to D20599
6 CIO 2060 to CIO 2069 D20600 to D20699
7 CIO 2070 to CIO 2079 D20700 to D20799
8 CIO 2080 to CIO 2089 D20800 to D20899
9 CIO 2090 to CIO 2099 D20900 to D20999
10 CIO 2100 to CIO 2109 D21000 to D21099
to to to
nCIO 2000 + n × 10 to CIO 2000 +
n × 10 + 9 D20000 + n × 100 to D20000 +
n × 100 + 99
to to to
95 CIO 2950 to CIO 2959 D29500 to D29599
Unit number switches
Terminal Block Dimensions
m
CS1W-PTS/PDC/PTW/PTR/PPS/PMV
80
Dimensions (Unit: mm)
CS1W-P@@0@/1@/51/52
Terminal Block Dimensions
126
130
101
35
8.44.5
6.4
17.8
7.62
7.628.23
92.66±0.1
RUN .
m. erN
— J 1]]
Terminal Block D
I
81
CS1W-PTS/PDC/PTW/PTR/PPS/PMV
CS1W-PTS55/56/PDC55
Terminal Block Dimensions
101
125
35
130
2.4
6
6.4
7.62
96.47
10
18.6
I
CS1W-PTS/PDC/PTW/PTR/PPS/PMV
82
Related Manuals
Cat. No. Model Manual name Application Contents
W368
CS1W-PTS@@/
PTW@@/PDC@@/
PTR@@/PPS@@/
PMV@@
CJ1W-PTS@@/
PDC@@/PH41U
CS/CJ-series
Analog I/O Units
Operation Manual Information on using the Analog I/O Units. Provides information on using the CS/CJ-series
Analog Input, Analog Output, and Analog I/O Units.
W446 WS02-CXPC1-EV7 CX-Programmer
Operation Manual
(Version 7.@)
Information on using the CX-Programmer
(programming software for a personal
computer running Windows). Describes how to use the CX-Programmer.
W341
CQM1H-PRO01
CQM1-PRO01
C200H-PRO27
+ CS1W-KS001
CS/CJ-series
Programming Console
Operation Manual
Information on using the Programming
Console. Describes how to use the Programming Console.

Read and Understand This Catalog
Please read and understand this catalog before purchasing the products. Please consult your OMRON representative if you have any questions or
comments.
Warranty and Limitations of Liability
WARRANTY
OMRON's exclusive warranty is that the products are free from defects in materials and workmanship for a period of one year (or other period if specified)
from date of sale by OMRON.
OMRON MAKES NO WARRANTY OR REPRESENTATION, EXPRESS OR IMPLIED, REGARDING NON-INFRINGEMENT, MERCHANTABILITY, OR
FITNESS FOR PARTICULAR PURPOSE OF THE PRODUCTS. ANY BUYER OR USER ACKNOWLEDGES THAT THE BUYER OR USER ALONE HAS
DETERMINED THAT THE PRODUCTS WILL SUITABLY MEET THE REQUIREMENTS OF THEIR INTENDED USE. OMRON DISCLAIMS ALL OTHER
WARRANTIES, EXPRESS OR IMPLIED.
LIMITATIONS OF LIABILITY
OMRON SHALL NOT BE RESPONSIBLE FOR SPECIAL, INDIRECT, OR CONSEQUENTIAL DAMAGES, LOSS OF PROFITS OR COMMERCIAL LOSS
IN ANY WAY CONNECTED WITH THE PRODUCTS, WHETHER SUCH CLAIM IS BASED ON CONTRACT, WARRANTY, NEGLIGENCE, OR STRICT
LIABILITY.
In no event shall the responsibility of OMRON for any act exceed the individual price of the product on which liability is asserted.
IN NO EVENT SHALL OMRON BE RESPONSIBLE FOR WARRANTY, REPAIR, OR OTHER CLAIMS REGARDING THE PRODUCTS UNLESS
OMRON'S ANALYSIS CONFIRMS THAT THE PRODUCTS WERE PROPERLY HANDLED, STORED, INSTALLED, AND MAINTAINED AND NOT
SUBJECT TO CONTAMINATION, ABUSE, MISUSE, OR INAPPROPRIATE MODIFICATION OR REPAIR.
Application Considerations
SUITABILITY FOR USE
OMRON shall not be responsible for conformity with any standards, codes, or regulations that apply to the combination of products in the customer's
application or use of the products.
At the customer's request, OMRON will provide applicable third party certification documents identifying ratings and limitations of use that apply to the
products. This information by itself is not sufficient for a complete determination of the suitability of the products in combination with the end product,
machine, system, or other application or use.
The following are some examples of applications for which particular attention must be given. This is not intended to be an exhaustive list of all possible
uses of the products, nor is it intended to imply that the uses listed may be suitable for the products:
Outdoor use, uses involving potential chemical contamination or electrical interference, or conditions or uses not described in this catalog.
Nuclear energy control systems, combustion systems, railroad systems, aviation systems, medical equipment, amusement machines, vehicles,
safety equipment, and installations subject to separate industry or government regulations.
Systems, machines, and equipment that could present a risk to life or property.
Please know and observe all prohibitions of use applicable to the products.
NEVER USE THE PRODUCTS FOR AN APPLICATION INVOLVING SERIOUS RISK TO LIFE OR PROPERTY WITHOUT ENSURING THAT THE
SYSTEM AS A WHOLE HAS BEEN DESIGNED TO ADDRESS THE RISKS, AND THAT THE OMRON PRODUCTS ARE PROPERLY RATED AND
INSTALLED FOR THE INTENDED USE WITHIN THE OVERALL EQUIPMENT OR SYSTEM.
PROGRAMMABLE PRODUCTS
OMRON shall not be responsible for the user's programming of a programmable product, or any consequence thereof.
Disclaimers
CHANGE IN SPECIFICATIONS
Product specifications and accessories may be changed at any time based on improvements and other reasons.
It is our practice to change model numbers when published ratings or features are changed, or when significant construction changes are made.
However, some specifications of the products may be changed without any notice. When in doubt, special model numbers may be assigned to fix or
establish key specifications for your application on your request. Please consult with your OMRON representative at any time to confirm actual
specifications of purchased products.
DIMENSIONS AND WEIGHTS
Dimensions and weights are nominal and are not to be used for manufacturing purposes, even when tolerances are shown.
PERFORMANCE DATA
Performance data given in this catalog is provided as a guide for the user in determining suitability and does not constitute a warranty. It may represent the
result of OMRON’s test conditions, and the users must correlate it to actual application requirements. Actual performance is subject to the OMRON
Warranty and Limitations of Liability.
ERRORS AND OMISSIONS
The information in this document has been carefully checked and is believed to be accurate; however, no responsibility is assumed for clerical,
typographical, or proofreading errors, or omissions.
2012.9
In the interest of product improvement, specifications are subject to change without notice.
OMRON Corporation
Industrial Automation Company
http://www.ia.omron.com/
(c)Copyright OMRON Corporation 2012 All Right Reserved.
Products related to this Datasheet
OUTPUT MODULE 8 ANALOG
INPUT MODULE 4 ANALOG
INPUT MODULE 4 ANALOG
INPUT MODULE 8 ANALOG
OUTPUT MODULE 8 ANALOG
INPUT MODULE 8 ANALOG
INPUT MODULE 4 ANALOG
INPUT MODULE 4 ANALOG
INPUT MODULE 4 ANALOG
INPUT MODULE 4 ANALOG
INPUT MODULE 4 ANALOG
INPUT MODULE 4 ANALOG