EMEREU
MIC2845A
High Efficiency 6 Channel Linear WLED
Driver with DAM™, Ultra Fast PWM™
Control and Dual Low IQ LDOs
DAM, Dynamic Average Matching and Ultra Fast PWM are trademarks of Micrel, Inc.
MLF and MicroLeadFrame are registered trademark Amkor Technology Inc.
Micrel Inc. • 2180 Fortune Drive • San Jose, CA 95131 • USA • tel +1 (408) 944-0800 • fax + 1 (408) 474-1000 • http://www.micrel.com
April 2010 M9999-041210-C
General Description
The MIC2845A is a high efficiency White LED (WLED)
driver designed to drive up to six LEDs, greatly extending
battery life for portable display backlighting, keypad
backlighting, and camera flash in mobile devices. The
MIC2845A provides the highest possible efficiency as this
architecture has no switching losses present in traditional
charge pumps or inductive boost circuits. The MIC2845A
provides six linear drivers channels which maintain
constant current for up to six LEDs. It features a typical
dropout of 40mV at 20mA. This allows the LEDs to be
driven directly from the battery eliminating switching
noise/losses present with the use of boost circuitry.
The MIC2845A features Dynamic Average Matching™
(DAM™) which is specifically designed to provide optimum
matching across all WLEDs. The six channels are
matched better than ±1.5% typical, ensuring uniform
display illumination under all conditions. The brightness is
controlled through an Ultra Fast PWM™ Control interface
operating down to less than 1% duty cycle.
The MIC2845A also features two independently enabled
low quiescent current LDOs. Each LDO offers ±3%
accuracy from the nominal voltage over temperature, low
dropout voltage (150mV @ 150mA), and low ground
current under all load conditions (typically 35µA). Both
LDOs can be disabled to draw virtually no current.
The MIC2845A is available in the 14-pin 2.5mm x 2.5mm
Thin MLF® leadless package with a junction temperature
range of -40°C to +125°C.
Datasheets and support documentation can be found on
Micrel’s web site at: www.micrel.com.
Features
WLED Driver
• High Efficiency (no Voltage Boost losses)
• Dynamic Average Matching™ (DAM™)
• Ultra Fast PWM™ control (200Hz to 500kHz)
• Input voltage range: 3.0V to 5.5V
• Dropout of 40mV at 20mA
• Matching better than ±1.5% (typical)
• Current accuracy better than ±1.5% (typical)
• Maintains proper regulation regardless of how many
channels are utilized
LDOs
• Very low ground current – Typical 35µA
• Stable with 1µF ceramic output capacitor
• Dropout of 150mV at 150mA
• Thermal shutdown and current limit protection
• Available in a 14-pin 2.5mm x 2.5mm Thin MLF®
package
Applications
• Mobile handsets
• LCD Handset backlighting
• Handset keypad backlighting
• Digital cameras
• Portable media/MP3 players
• Portable navigation devices (GPS)
• Portable applications
U1 MI02845A-XXYMT
fl U1 D2 K
//
V‘N
Vw n3 ”
C1 law
R
WP sFY mnpmn m
_ I'VV‘ . Immv K
R1 D" .l
20 5K PWM D5
ENDE Comm _ if ._|:|V.N
D6
GND
.1.— ¥ _._ fl
LDO1 LDO1
EN": L Lama I C
dvnurd
LDC? LDOZ 1UF MUdLA‘U
EN“: Low \Q I
C3
HIP}
U1 MlczaasA-xvaT
m D2 .
vw
Vw D3 0
c1 Law
RSET
WI . R2222? m .
R1
Dru/Er
_ 20 5k
END I: PWM __ ”5 a
Comm
GN‘LL— r ”6
LDO1 LDO1
EN": ”MO I
_ Camera
LDOZ LDOZ 1uF Modu‘e
arm:
Low‘u I
C3
wF
Micrel Inc. MIC2845A
April 2010 2 M9999-041210-C
Typical Application
LCD Display Backlight with 6 WLEDs and Camera Module
High Current Flash Driver
Micrel Inc. MIC2845A
April 2010 3 M9999-041210-C
Ordering Information
Part Number Mark Code(1) LDO1
VOUT LDO2
VOUT Temperature Range Package(2)
MIC2845A-MFYMT YNMF 2.8V 1.5V –40°C to +125°C 14-Pin 2.5mm x 2.5mm Thin MLF®
MIC2845A-MGYMT YNMG 2.8V 1.8V –40°C to +125°C 14-Pin 2.5mm x 2.5mm Thin MLF®
MIC2845A-PGYMT YNPG 3.0V 1.8V –40°C to +125°C 14-Pin 2.5mm x 2.5mm Thin MLF®
MIC2845A-PPYMT YNPP 3.0V 3.0V –40°C to +125°C 14-Pin 2.5mm x 2.5mm Thin MLF®
MIC2845A-SCYMT YNSC 3.3V 1.0V –40°C to +125°C 14-Pin 2.5mm x 2.5mm Thin MLF®
Notes:
1. Thin MLF® = Pin 1 identifier.
2. Thin MLF® is a GREEN RoHS compliant package. Lead finish is NiPdAu. Mold compound is halogen free.
3. Contact Micrel for other voltage options.
Pin Configuration
VIN
LDO2
EN2
D4
GND
D3
D5
D6
EN1
LDO1
D2
D1
RSET
END
EPAD
14-Pin 2.5mm x 2.5mm Thin MLF® (MT)
(Top View)
Pin Description
Pin Number Pin Name Pin Function
1 VIN Voltage Input. Connect at least 1µF ceramic capacitor between VIN and GND.
2 LDO2 Output of LDO2. Connect at least 1µF ceramic output capacitor.
3 EN2 Enable Input for LDO2. Active High Input. Logic High = On; Logic Low = Off; Do not leave floating.
4 END Enable for LED driver. Can be used as a PWM input for dimming of LEDs. Do not leave floating.
5 RSET
An internal 1.27V reference sets the nominal maximum LED current. Example, apply a 20.5k
resistor between RSET and GND to set LED current to 20mA at 100% duty cycle.
6 D1 LED1 driver. Connect LED anode to VIN and cathode to this pin.
7 D2 LED2 driver. Connect LED anode to VIN and cathode to this pin.
8 D3 LED3 driver. Connect LED anode to VIN and cathode to this pin.
9 GND Ground.
10 D4 LED4 driver. Connect LED anode to VIN and cathode to this pin.
11 D5 LED5 driver. Connect LED anode to VIN and cathode to this pin.
12 D6 LED6 driver. Connect LED anode to VIN and cathode to this pin.
13 EN1 Enable Input for LDO1. Active High Input. Logic High = On; Logic Low = Off; Do not leave floating.
14 LDO1 Output of LDO1. Connect at least 1µF ceramic output capacitor.
EPAD HS PAD Heat sink pad. Not internally connected. Connect to ground.

Micrel Inc. MIC2845A
April 2010 4 M9999-041210-C
Absolute Maximum Ratings(1)
Main Input Voltage (VIN) .................................. –0.3V to +6V
Enable Input Voltage (VEND, VEN1, VEN2) .......... –0.3V to +6V
LED Driver Voltage (VD1-D6) ............................ –0.3V to +6V
Power Dissipation .................................. Internally Limited(3)
Lead Temperature (soldering, 10sec.)....................... 260°C
Storage Temperature (Ts) .........................–65°C to +150°C
ESD Rating(4)................................................. ESD Sensitive
Operating Ratings(2)
Supply Voltage (VIN)..................................... +3.0V to +5.5V
Enable Input Voltage (VEND, VEN1, VEN2) ................ 0V to VIN
LED Driver Voltage (VD1-D6) ................................... 0V to VIN
Junction Temperature (TJ) ........................ –40°C to +125°C
Junction Thermal Resistance
2.5mm x 2.5mm Thin MLF-14L (θJA) .................89°C/W
Electrical Characteristics
WLED Linear Drivers
VIN = VEND = 3.8V, VEN1 = VEN2 = 0V, RSET = 20.5k; VD1-D6 = 0.6V; TJ = 25°C, bold values indicate –40°C TJ 125°C;
unless noted.
Parameter Conditions Min Typ Max Units
Current Accuracy(5) 1.5
%
Matching(6) 1.5 3.6
%
Drop-out Where ILED = 90% of LED current seen at
VDROPNOM = 0.6V, 100% brightness level 40
80 mV
Supply Bias Current ILED = 20mA 1.4 1.8 mA
Shutdown Current
(current source leakage)
VEND = 0V 0.01 1 µA
PWM Dimming
Logic Low 0.2 V Enable Input Voltage (VEND)
Logic High 1.2 V
Enable Input Current VIH = 1.2V 0.01 1 µA
Shutdown to On 40 80 µs
Standby to On 2 µs
Current Source Delay
(50% levels)
On to Standby 0.3 µs
TRISE 1.3 µs
Current Source Transient Time
(10%-90%)
TFALL 0.3 µs
Stand-by to Shutdown Time VEND = 0V 10 24 40 ms

Micrel Inc. MIC2845A
April 2010 5 M9999-041210-C
LDOs
VIN = VEN1 = VEN2 = 3.8V, VEND = 0V, COUT1 = COUT2 = 1µF, IOUT1 = IOUT2 = 100µA; TJ = 25°C, bold values indicate –40°C
TJ 125°C; unless noted.
Parameter Conditions Min Typ Max Units
Output Voltage Accuracy Variation from nominal VOUT –2
–3 +2
+3
%
%
VIN Line Regulation 0.02 0.3 %/V
Load Regulation IOUT = 100µA to 150mA 7 mV
Dropout Voltage(7) V
OUT 3.0V, IOUT = 150mA 150 330 mV
Ground Pin Current 35 70 µA
Ground Pin Current in Shutdown VEN = 0V 0.05 1 µA
Ripple Rejection f = 1kHz; COUT = 2.2µF 65 dB
Current Limit VOUT =0V 175 300 500 mA
Output Voltage Noise Frequency 10Hz to 100kHz 200 µVRMS
Enable Inputs (EN1, EN2)
Logic Low 0.2 V Enable Input Voltage
Logic High 1.2 V
Enable Input Current VEN1 = VEN2 = 1.2V 0.01 1 µA
Turn-on Time COUT = 1µF; 90% of VOUT 50 100 µs
Notes:
1. Exceeding the absolute maximum rating may damage the device.
2. The device is not guaranteed to function outside its operating rating.
3. The maximum allowable power dissipation of any TA (ambient temperature) is PD(max) = (TJ(max) – TA) / θJA. Exceeding the maximum allowable power
dissipation will result in excessive die temperature, and the regulator will go into thermal shutdown (150°C).
4. Devices are ESD sensitive. Handling precautions recommended. Human Body Model (HBM), 1.5k in series with 100pF.
5. As determined by average current of all channels in use and all channels loaded.
6. The current through each channel meets the stated limits from the average current of all channels.
7. Dropout voltage is defined as the input-output differential at which the output voltage drops 2% below its nominal value measured at VIN = VOUT+ 1V.
AVERAGE CURRENT (mA)
Avilagl Cumm
vs. Duly Cycle
30 _
RSET - lam;
25 T T
20
RSEY = 20.5w
15 '
10 L
5
“o
20 40 so an 100
DUTY CYCLE (%)
Linear Driver Dropout
50 T‘Is.TemDenture
H ILEDZQU A
E50 m
g1
40
(
8
> 30
,_
8 20
ES
c: 10
D T
46‘?
geese.
3°~smse
TEMPERATURE (“0)
120
20mA Peak ILED
vs. Emery Voltane
BA‘I'IERY VOLTAGE (V)
LED Current
vs. Temperature
K"
T
. L504. . T
LED3 T
LED:
19, LEDG ..LED.5
LED CURRENT (mA)
3
‘aooaooocoo
7N Nquuug
TEMPERATURE ("0)
PEAK LED CURRENT (mA)
DRoPoUT VOLTAGE lmV)
Peak LED Cunanl vs. Rszr
1nnn
mo
1n
4 10 100
RSEfiKOhml
Single Channal Dropout
vsLoad Current
500 T
450
400 T T T
359
300 ‘
250 1
200
150 i
100
5n
“0
50 Ton 150 200 250
LOAD CURRENT (mAT
12mAP¢aleED
vs. Emery Voltage
T‘
T T T 7
‘ T
A .LEDV: “T
a, T 7 ‘ ’\ e
E _LE?V 33TV > .
T T T
‘1 T T . \
T T
T
T T \
i2 4 33353432 3 23 e
BATTERY VOLTAGE (V)
Six FaraTIeI Channels Current
1000
vs. Rm
1:
c
\
CURRENT UTA)
T \
‘T 0 100
RsET (thMJ
0 Parallel channels Dropout
vs. Load Current
500
450
E 400
5223
L
S 250
>
F 200
8 150 ,
3 100
5 5T)
0
0 300 sun 900 12001500
LOADCURRENnmA)
Currenl Mnching
vs. Temperature
1.5
2 T
31.6
o T
21.4‘
5 T
>—1.2
< e="" e="" 2="" t="" 20.3="" m="" t="" 50.6="" t="" .="" "'1?="" 3="" °="" 3="" 2="" s="" g="" g="" g="" temperature="" ("cl="">Micrel Inc. MIC2845A
April 2010 6 M9999-041210-C
Typical Characteristics
Ground Current
so, 7Vv77
$350
>—
5“) Slng‘e LDO
n:
n:
330 -
o
a
E20
210 Com:22pF
0 END = 0V
No Load
05 a 5 A A 5 5
INPUT VOLTAGE (v.
Output Vanag-
vs.0ulputCurrent
1 54* ‘ ‘ ,
€1.55 ‘ - - ‘-
3
I 52...
f5
6
>151-
S
a 1.5
,.
3
01.49 . .
VOUTLNOMINAU = 1.5V
”an 25 50 75 100 125‘ 150
OUTPUT CURRENT (mA)
Output Voltage
2 :2 Vs. lnnul Voltane
E
u ,
2
'3
g T
r— A
a J
5179 Load=150mA ,
O \ \
VOUHNOMINAU = ZVBV
2'733 35 4 A5 5
INPUT VOLTAGE (V)
LDO Drvpoul
200 vs. Temperature
150
S160
51w Laad=wamA
3 , l
0120
gnu} 7* . i . .
m 307 .Lnad=somA ,
n
o 50%.»—
3 00V =13V Luad=znmA
ouT \
zo»___r._‘_—l
o
n zn AD so all 100120
TEMPERATURE (Te)
Ground Current
vs.0ulput Current
o
GROUND CURRENT (uA)
u
30 EN1-3.6V
EN2 av
15 END=ov
No Load
200 20 40 so so 100120140
OUTPUT CURRENT (mA)
OutpurVnnege
v5.0ulputcurrent
2:27 . ~
.N
T
OUTPUT VOLTAGE (V)
E N
w E
r
VOUHNOMINAL) = 2.8V
25 50 75 100125150
OUTPUT CURRENT (mA)
.N
a“
Oulplfl Voltage
Vs. Temperature
¢IV
.u
9-
VlN = Vth
Vow . 3,3v
.u
b
OUTPUT VOLTAGE (VT
9- o-
»g u
“cooaaaaa
‘7“! °°
04 n k0
TEMPERATURE (”c)
r:
em
Oulflut Noise
Spectral Density
NO‘SE [LIV/Hz)
001
cIN = cOUT = luFMOV
Norseman“ Gum:
0001*
1B 100 1k 10k 100k 1M 10M
FREQUENOV (Hz)
Current Limit
Vs. Innut Voltane
;
‘ .
lu 28° , 125“!) , .
M250 T ‘ _ 1 45 c 1
82w - .
220 1 ‘ ‘ . ‘ »
\ \
2°03 a 5 A A 5 5
INPUT VOLTAGE (V)
Output Voltaua
1 5 Vs. Input Voltage
2
mm
1? Load=50mA ””34“
E 1 ‘
> . _.
5 /
n. Load=150mA
._
2
O
VOHHNDMTNAL
”as 3.5 4 4'5 5
INPUT VOLTAGE ‘V)
Loo Dmpou! Voltage
’51” vs. OuIDulCurrerlt
Elan
£1“)
snuff 7*
zo-c .
I25‘C
0.8
I?
LDO DRoPoUr v0
2
acacaaa
NMicrel Inc. MIC2845A
April 2010 7 M9999-041210-C
Typical Characteristics (LDO)
LED Current END Pin
END Pin
LED Current
LED Current VRSET END Pin
LED Startup into
10% Duty Cycle
(1V/dlv)
(1 UmA/dlv)
V
W
V
I (-
Shuldown I Shutflw-‘n
Slam by
mmmmmwmww
(1waw)
V
(5mA/d IV)
V
(1V/dIvI
(1/dlv)
V
TIME (I ms/div)
Standby to ON
m-
‘ I
TIME (1 [As/div)
ON to Shutdown
u
(EmA/dlv)
v
TIME (AIMS/div)
ILED
(10mA/dlv)
END Pin
END Pin
LED Current
(1 View
(mow)
(5mA/d w)
Shutdown to ON
V
TIME (ZDus/div)
UN to Standby
V
v
TIME (4DOns/div)
Micrel Inc. MIC2845A
April 2010 8 M9999-041210-C
Functional Characteristics (WLED Driver)
Output Voltage
(1vmw)
(2wa IV)
LDO1
BIC-Coupled
LDOZ
Output Voltage Output VoItage
DC-Coupled
ENI
EN2
L001
ACACoupled
Lnoz
Output Voltage Output Voltage
Output Current AoCoupIed
LDOI
LDO Start-Up with No Load
u
\/.N = 3.6V
vow = 2.8V
> Cour : Z-ZIJF
No Load
'_—__~___.
r
,__....._..
TIME (mus/div)
Dual LDO Start-Up
with 150mA Load Each
u
g
1:
s
5+
’2
E
2 ‘>
V ¢
2 COUT = 22.1:
g * LoadI — Load2 = 150mA
N
TIME (100us/div)
Load Transient
A from 10mAto150onn LD01
5 u
% WI
8
A +
.2
g
>
5 vIN = 3 6V
3 vOW = 2.8V
A Cow = 2,2pF
3 I
E +
8
TIME (100us/div)
Output Voltage
LDO Enable DC—CoupIed
(1V/div)
(2V/d iv)
LDO1 Output VaItage
AC-COUDIEG
(ZOmV/dlv)
LDO Output Voltage
Output Current
(50mA/dlv)
DC‘Coupled
(500mV/div)
I
Output Current
(1 OOmA/dlv)
LDO Start-Up with 150mA Load
V
u
v.N = 3 6V
Vow .av
cw .ZuF
Load = 150mA
TIME (dons/div)
Load Transient
from 10mA to 150mA on LD01
m
u
Lu...“
W
v‘N = 36V
V0“. = 2 8V
Cw = 2 M
V
Load = 10mA to 150mA
TIME (1 OOHS/dIv)
LDO Short Circuit Recovery
to 150nm Load
V
TIME (200us/div)
Micrel Inc. MIC2845A
April 2010 9 M9999-041210-C
Functional Characteristics (LDO)
Micrel Inc. MIC2845A
April 2010 10 M9999-041210-C
Functional Diagram
EN VIN
LDO1
GND
TSD
EN1EN2
VREF
OUT
EN VIN
GND
VREF
OUT
TSD
LDO2
VIN
BG
D1...D6
PWM
CONTROL
OSC
POR
TSD
1.27V
V-to-I
END
RSET
6
GND
Figure 1. MIC2845A Functional Block Diagram
Functional Description
The MIC2845A is a six channel linear LED driver with
dual 150mA LDOs. The LED driver is designed to
maintain proper current regulation with LED current
accuracy of 1.5% while the typical matching between the
six channels is 1.5% at room temperature. The LED
currents are independently driven from the input supply
and will maintain regulation with a dropout of 40mV at
20mA. The low dropout of the linear drivers allows the
LEDs to be driven directly from the battery voltage and
eliminates the need for boost or large and inefficient
charge pumps. The maximum LED current for each
channel is set via an external resistor. Dimming is
controlled by applying a PWM signal to the END pin. The
MIC2845A accommodates a wide PWM frequency range
as outlined in the application information section.
The MIC2845A has two LDOs with a dropout voltage of
150mV at 150mA and consume 35µA of current in
operation. Each LDO has an independent enable pin,
which reduces the operating current to less than 1µA in
shutdown. Both linear regulators are stable with just 1µF
of output capacitance.
Block Diagram
As shown in Figure 1, the MIC2845A consists of two
LDOs with six current mirrors set to copy a master
current determined by RSET. The linear LED drivers have
a designated control block for enabling and dimming of
the LEDs. The MIC2845A dimming is controlled by the
Ultra Fast PWMTM control block that receives PWM
signals for dimming. The LDOs each have their own
control and are independent of the linear LED drivers.
Each LDO consists of internal feedback resistors, an
error amplifier, a PFET transistor and a control circuit for
enabling.
PEAKLED CURRENT (mA)
1 000
100
3
Peak LED Current vs. Rssr
‘ n
RSH (kohms)
100
Micrel Inc. MIC2845A
April 2010 11 M9999-041210-C
VIN
The input supply (VIN) provides power to the linear LED
drivers and the control circuitry. The VIN operating range
is 3V to 5.5V. A minimum bypass capacitor of 1µF
should be placed close to the input (VIN) pin and the
ground (GND) pin. Refer to the layout recommendations
section for details on placing the input capacitor (C1).
LDO1/LDO2
The output pins for LDO one and LDO two are labeled
LDO1 and LDO2, respectively. A minimum of 1µF
bypass capacitor should be placed as close as possible
to the output pin of each LDO. Refer to the layout
recommendations section for details on placing the
output capacitor (C2, C3) of the LDOs.
EN1/EN2
A logic high signal on the enable pin activates the LDO
output voltage of the device. A logic low signal on the
enable pin deactivates the output and reduces supply
current to less than 1µA. EN1 controls LDO1 and EN2
controls LDO2. Do not leave these control pins floating.
END
The END pin is equivalent to the enable pin for the linear
drivers on the MIC2845A. It can also be used for
dimming applying a PWM signal. See the PWM Dimming
Interface in the Application Information section for
details. Pulling the END low for more than 24ms puts the
MIC2845A into a low Iq sleep mode. The END pin cannot
be left floating; a floating enable pin may cause an
indeterminate state on the outputs. A 200k pull down
resistor is recommended.
RSET
The RSET pin is used to set the peak current of the linear
driver by connecting a RSET resistor to ground. The
average LED current can be calculated by equation (1):
I
LED (mA) = 410 * D / RSET (k) (1)
D is the duty cycle of the LED current during PWM
dimming. When the device is fully on the duty cycle
equals 100% (D = 1). A plot of ILED versus RSET is shown
in Figure 2.
Figure 2. Peak LED Current vs. RSET
D1-D6
The D1 through D6 pins are the linear driver for LED 1
through 6, respectively. Connect the anodes of the LEDs
to VIN and each cathode of the LEDs to D1 through D6.
When operating with less than six LEDs, leave the
unused D pins unconnected. The six LED channels are
independent of one another and may be combined or
used separately.
GND
The ground pin is the ground path for the linear drivers
and LDOs. The ground of the input capacitor should be
routed with low impedance traces to the GND pin and
made as short as possible. Refer to the layout
recommendations for more details.
Average LED Cumm vs.
Input PWM Duty cycle
AVERAGE C R
Low PWM Frequency
10km ' Zflkl'iz
Rs“ anksz
0020A0soao
DUTY CYCLE My
100
END Pin LED Current
(1UmNdIv)
(1V/dIV)
Average LED Cumm vs.
Input PWM Duty cycle
310
High PWM Frequency
7 7' E0715
IcokHz
. sum:
7 SDDkHl
RSET = 20.5w
20 40 60 80 100
nun CYCLE 1%}
Minimum Duty
vs. Frequency
‘oo-c.
MINIMUM mm! M)
Ln 8 u-
0 1000 10000 10001101000000
FREQUENCY {Hz}
Micrel Inc. MIC2845A
April 2010 12 M9999-041210-C
Application Information
Dynamic Average Matching (DAM™)
The Dynamic Average Matching architecture multiplexes
four current references to provide highly accurate LED
current and channel matching. The MIC2845A achieves
industry leading LED channel matching of 1.5% across
the entire dimming range.
Ultra Fast PWM™ Dimming Interface
The MIC2845A supports a wide range of PWM control
signal frequencies from 200Hz to 500kHz. This
extremely wide range of control provides ultimate
flexibility for handheld applications using high frequency
PWM control signals.
WLED dimming is achieved by applying a pulse width
modulated (PWM) signal to the END pin. For PWM
frequencies between 200Hz – 20kHz the MIC2845A
supports a duty cycle range from 1% to 100%, as shown
in Figure 3. The MIC2845A incorporates an internal
shutdown delay to ensure that the internal control
circuitry remains active during PWM dimming. This
feature prevents the possibility of backlight flickering
when using low frequency PWM control signals. The
MIC2845A also supports Ultra Fast PWM™ frequencies
from 20kHz to 500kHz. Due to input signal propagation
delay, PWM frequencies above 20kHz have a non-linear
relationship between the duty cycle and the average
LED current, as shown in Figure 4 and Figure 5. Figures
6 through 10 show the WLED current response when a
PWM signal is applied to the END pin (1).
(1) From the low Iq sleep mode PWM frequencies above
15kHz require a logic high enable signal for 80s to first
enable the MIC2845A prior to PWM dimming.
Figure 3. Average Current per LED Dimming
by Changing PWM Duty Cycle for PWM Frequencies
up to 20kHz
Figure 4. Channel Current Response to PWM Control
Signal Frequencies from 50kHz to 500kHz
Figure 5. Minimum Duty Cycle
for Varying PWM Frequency
Figure 6. PWM Signal at 1% Duty Cycle (Iavg = 0.2mA)
END Pin LED Current
END Pin LED Current
END Pin LED Current
(1V/dIv)
(IomA/dw)
(1V/dlv)
(IomA/dw)
(1V/dlv)
(10mA/dlv)
v
v
v
V
v
TIME (400psldiv)
"i‘ITTfI
TIME (400psldiv)
END Pin LED Current
(1UmA/dw)
V
(1VIdIv)
1
TIME (400psldiv)
U1 MICHAEA-xxVMT
m
I):
hum D.
LITenr
Dnvcr
CLmImI '
Du
LDOI LuOt
mm In
[11
IE
Lam LDOZ w»
mm W‘u
|..
ca
III;
"T
Camera
Mm.
Micrel Inc. MIC2845A
April 2010 13 M9999-041210-C
Figure 7. PWM Signal at 20% Duty Cycle (Iavg = 4mA)
Figure 8. PWM Signal at 50% Duty Cycle (Iavg = 10mA)
Figure 9. PWM Signal at 80% Duty Cycle (Iavg = 16mA)
Figure 10. PWM Signal at 100% Duty Cycle (Iavg = 20mA)
High Current Parallel Operation
Figure 11. Six Channel (Parallel) Application Circuit
The linear drivers are independent of each other and can
be used individually or paralleled to provide larger
current. A single LED can be driven with all 6 linear
drivers by connecting D1 through D6 together with the
cathode of the LED as shown in Figure 11. This will
generate a current 6 times the LED current setting and
can be used for higher current LEDs such as those used
in flash or torch applications. The current is set by the
RSET resistor, and can be calculated by the following
equation.
I
LED (mA) = 6 * 410 * D / RSET (k).
D is the duty cycle of the LED current during PWM
dimming. When the device is fully on the duty cycle
equals 100% (D = 1). Figure 12 shows the response
time of the six paralleled linear drivers to the enable
signal, while Figure 13 shows the turn off response. With
a RSET resistor of 1.65k, each linear driver is set to
250mA, with all 6 linear drivers connected in parallel, the
MIC2843 is capable of driving a total current of 1.5A.
u
v
355$
2w
L +
SERESN. $632.89
a“: u>
Time lZOus/dw)
u
a
$555
2m
|++
96358. 3.32:8:
D>
a3,
Time (400ns/div)
Micrel Inc. MIC2845A
April 2010 14 M9999-041210-C
Figure 12. Current Response Time to Enable Signal
Turning On (Six Paralleled Channels)
Figure 13. Current Response Time to Enable Signal
Turning Off (Six Paralleled Channels)
LDO
MIC2845A LDOs are low noise 150mA LDOs. The
MIC2845A LDO regulators are fully protected from
damage due to fault conditions, offering linear current
limiting and thermal shutdown.
Input Capacitor
The MIC2845A LDOs are high-performance, high
bandwidth devices. Stability can be maintained using a
ceramic input capacitor of 1µF. Low-ESR ceramic
capacitors provide optimal performance at a minimum
amount of space. Additional high-frequency capacitors,
such as small-valued NPO dielectric-type capacitors,
help filter out high-frequency noise and are good
practice in any noise sensitive circuit. X5R or X7R
dielectrics are recommended for the input capacitor. Y5V
dielectrics lose most of their capacitance over
temperature and are therefore, not recommended.
Output Capacitor
The MIC2845A LDOs require an output capacitor of at
least 1µF or greater to maintain stability, however, the
output capacitor can be increased to 2.2µF to reduce
output noise without increasing package size. The
design is optimized for use with low-ESR ceramic chip
capacitors. High ESR capacitors are not recommended
because they may cause high frequency oscillation.
X7R/X5R dielectric-type ceramic capacitors are
recommended due to their improved temperature
performance compared to Z5U and Y5V capacitors.
X7R-type capacitors change capacitance by 15% over
their operating temperature range and are the most
stable type of ceramic capacitors. Z5U and Y5V
dielectric capacitors change value by as much as 50%
and 60%, respectively, over their operating temperature
ranges. While using Z5U and Y5V ceramic capacitors,
ensure that the loss in capacitance does not drop below
the minimum requirement of the device.
No-Load Stability
Unlike many other voltage regulators, the MIC2845A
LDOs will remain stable and in regulation with no load.
Thermal Considerations
The MIC2845A LDOs are each designed to provide
150mA of continuous current. Maximum ambient
operating temperature can be calculated based on the
output current and the voltage drop across the part. For
example if the input voltage is 3.6V, the output voltage is
2.8V, and the output current = 150mA. The actual power
dissipation of the regulator circuit can be determined
using the equation:
PLDO1 = (VIN – VOUT1) I OUT + VIN IGND
Because this device is CMOS and the ground current
(IGND) is typically <100µA over the load range, the power
dissipation contributed by the ground current is < 1%
and can be ignored for this calculation.
P
LDO1 = (3.6V – 2.8V) x 150mA
P
LDO1 = 0.120W
Since there are two LDOs in the same package, the
power dissipation must be calculated individually and
then summed together to arrive at the total power
dissipation.
P
TOTAL = PLDO1 + PLDO2
To determine the maximum ambient operating
temperature of the package, use the junction-to-ambient
thermal resistance (θJA = 60°C/W) of the device and the
following basic equation:
⎟
⎟
⎠
⎞
⎜
⎜
⎝
⎛−
=
JA
AJ(max)
TOTAL(max)
TT
P
θ

Micrel Inc. MIC2845A
April 2010 15 M9999-041210-C
TJ(max) = 125°C, is the maximum junction temperature of
the die and θJA, is the thermal resistance = 60°C/W.
Substituting PTOTAL for PTOTAL(max) and solving for the
ambient operating temperature will give the maximum
operating conditions for the regulator circuit.
For example, when operating the MIC2845A LDOs
(LDO1 = 2.8V and LDO2 = 1.5V) at an input voltage of
3.6V with 150mA load on each, the maximum ambient
operating temperature TA can be determined as follows:
P
LDO1 = (3.6V – 2.8V) x 150mA = 0.120W
P
LDO2 = (3.6V – 1.5V) x 150mA = 0.315W
P
TOTAL=0.120W+ 0.315W = 0.435W
= (125°C – TA)/(60°C/W)
T
A = 125°C – 0.435W x 60°C/W
T
A = 98.9°C
Therefore, under the above conditions, the maximum
ambient operating temperature of 98.9°C is allowed.
c C
U1 M|C2845A-XXYMT
fl [)1 D2 H
//
VIN 03
VIN ”
(:1 Law
R
1 F SET Dropout D4
“ _ I“ I Lmear H
7 :3“ Drwer
' PWM D5 . UV
END Comm " /|/‘ 'N
R2
200k GND D6 '1‘
= _ r é— //
LDO1 LDO1
EN1C
Low I
L a C2 _ Camera
LDOZ LDOZ 1MP Modu‘e
ENZD LOW‘Q :—
c3
1m:
T
Micrel Inc. MIC2845A
April 2010 16 M9999-041210-C
MIC2845A Typical Application Circuit
Bill of Materials
Item Part Number Manufacturer Description Qty.
C1608X5R0J105K TDK(1)
06036D105KAT2A AVX(2)
GRM188R60J105KE19D Murata(3)
C1, C2,
C3
VJ0603G225KXYAT Vishay(4)
Ceramic Capacitor, 1µF, 6.3V, X5R, Size 0603 1
SWTS1007 Seoul Semiconductor(5)
D1 – D6 99-116UNC EverLight(6) WLED 6
R1 CRCW060320K5F5EA Vishay(4) Resistor, 20.5k, 1%, 1/16W, Size 0603 1
R2 CRCW06032003FKEA Vishay(4) Resistor, 200k, 1%, 1/16W, Size 0603 1
U1 MIC2845A-xxYMT Micrel, Inc.(7) 6 Channel Ultra Fast PWM™ Linear WLED Driver
with DAM™ and Dual Low IQ LDOs 1
Notes:
1. TDK: www.tdk.com
2. AVX: www.avx.com
3. Murata: www.murata.com
4. Vishay: www.vishay.com
5. Seoul Semiconductor: www.seoulsemicon.com
6. EverLight: www.everlight.com
7. Micrel, Inc.: www.micrel.com
.DnI {43931 [nu—3|
0080-??8-30?
DO
|:| @IUiE
D 99 “11-bseJ
Micrel Inc. MIC2845A
April 2010 17 M9999-041210-C
PCB Layout Recommendations
Top Layer
Bottom Layer
PIN 1 ID
BY MARKING \ 14
2 500m 050
\
A
3500:0050
TDP VIEW
I
0.55:0‘05 ‘
LEI—CI—Cl—Cli
I
UDUU’U‘USU
0‘15? ReF‘ J
SIDE VIEW
0 25010 050 J
NEITES
Awwr
1300x0050
Exp‘DAP
PIN #1 IDENTIFICATIEIN
R0200
I
D
3
3
LIIUU
0 300:0 050
I
J
/
FIE]
flflflfl
1500
ReF‘
I
1300:0050
Exp DAP
71
BEITTDM VIEW
ALL DIMENSIEINS ARE IN MILLIMETERS‘
MAXI PACKAGE WARPAGE IS 005 mm
MAXIMUM ALLWABE EURRS [S 0075 Mn IN ALL DIPECTIEINS‘
PIN on ID DN TDR WILL BE LASER MARKED
Micrel Inc. MIC2845A
April 2010 18 M9999-041210-C
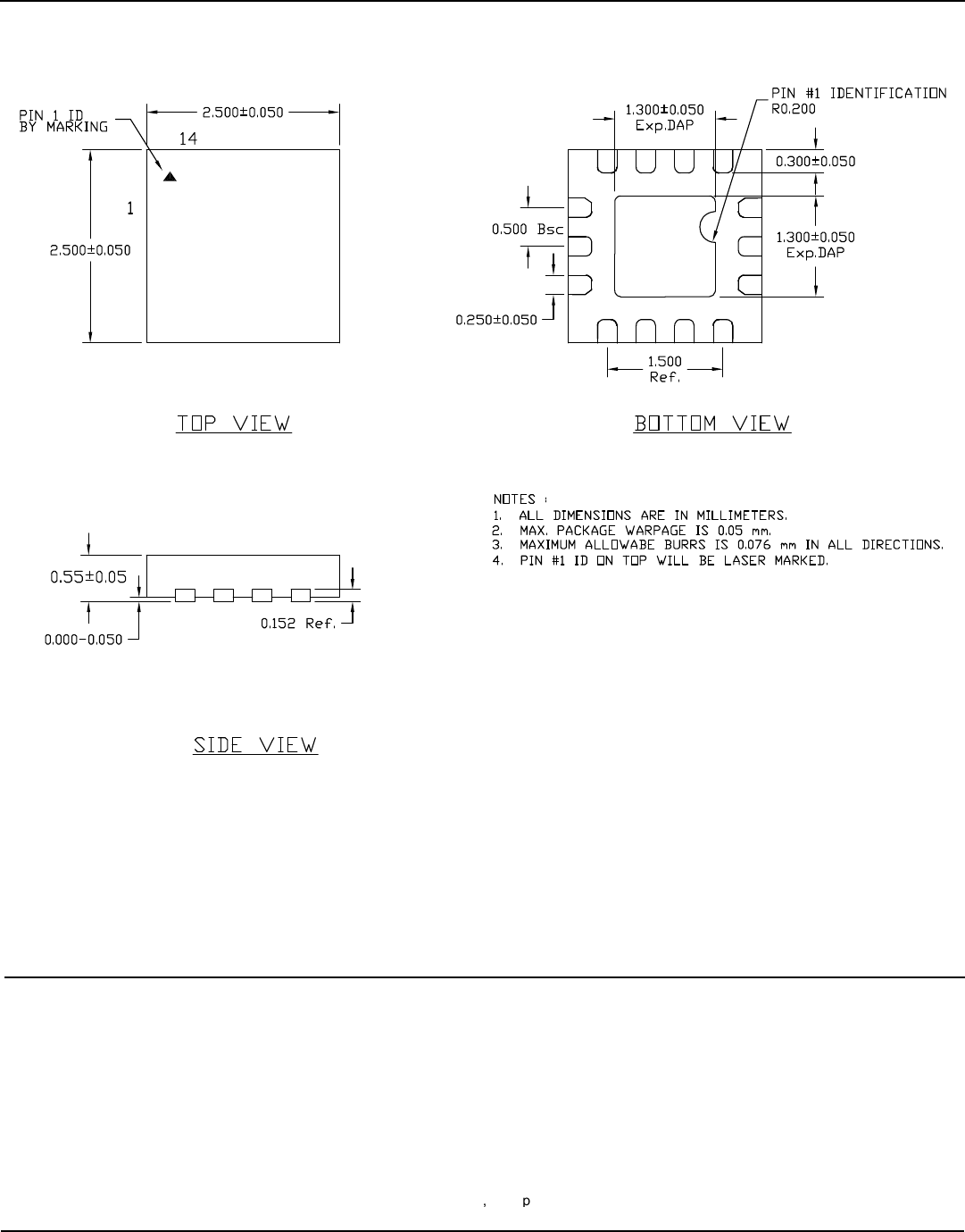
Package Information
14-Pin (2.5mm x 2.5mm) Thin MLF® (MT)
MICREL, INC. 2180 FORTUNE DRIVE SAN JOSE, CA 95131 USA
TEL +1 (408) 944-0800 FAX +1 (408) 474-1000 WEB http://www.micrel.com
The information furnished by Micrel in this data sheet is believed to be accurate and reliable. However, no responsibility is assumed by Micrel for its
use. Micrel reserves the right to change circuitry and specifications at any time without notification to the customer.
Micrel Products are not designed or authorized for use as components in life support appliances, devices or systems where malfunction of a product
can reasonably be expected to result in personal injury. Life support devices or systems are devices or systems that (a) are intended for surgical implant
into the body or (b) support or sustain life, and whose failure to perform can be reasonably expected to result in a significant injury to the user. A
Purchaser’s use or sale of Micrel Products for use in life support appliances, devices or systems is a Purchaser’s own risk and Purchaser agrees to fully
indemnify Micrel for any damages resulting from such use or sale.
© 2009 Micrel
,
Incor
p
orated.
Products related to this Datasheet
IC LED DRVR LIN DIM 20MA 14TMLF
IC LED DRVR LIN DIM 20MA 14TMLF
IC LED DRVR LIN DIM 20MA 14TMLF
IC LED DRVR LIN DIM 20MA 14TMLF
IC LED DRVR LIN DIM 20MA 14TMLF
IC LED DRVR LIN DIM 20MA 14TMLF
IC LED DRVR LIN DIM 20MA 14TMLF
IC LED DRVR LIN DIM 20MA 14TMLF
IC LED DRVR LIN DIM 20MA 14TMLF
IC LED DRVR LIN DIM 20MA 14TMLF
IC LED DRVR LIN DIM 20MA 14TMLF
IC LED DRVR LIN DIM 20MA 14TMLF
IC LED DRVR LIN DIM 20MA 14TMLF
IC LED DRVR LIN DIM 20MA 14TMLF
IC LED DRVR LIN DIM 20MA 14TMLF