ADE9000 Reference Manual Datasheet by Analog Devices Inc.
View All Related Products | Download PDF Datasheet
ANALOG
DEVICES
ADE9000 Technical Reference Manual
UG-1098
One Technology Way • P. O. Box 9106 • Norwood, MA 02062-9106, U.S.A. • Tel: 781.329.4700 • Fax: 781.461.3113 • www.analog.com
Functionality and Features of the ADE9000 High Performance, Multiphase Energy
and Power Quality Monitoring IC
PLEASE SEE THE LAST PAGE FOR AN IMPORTANT
WARNING AND LEGAL TERMS AND CONDITIONS. Rev. 0 | Page 1 of 86
SCOPE
This reference manual provides a detailed description of the ADE9000 functionality and features. This document must be used in
conjunction with the ADE9000 data sheet.
FUNCTIONAL BLOCK DIAGRAM
CF1
CF2
DIGITAL BLOCK
SINC + DECIMATION
DSP ENGINE
TOTAL AND FUNDAMENTAL:
{ IRMS, VRMS, ACTIVE,
REACTIVE,
APPARENT POWER
AND ENERGY }
VTHD, ITHD, FREQUENCY,
PHASE ANGLE,
POWER FACTOR,
VPEAK, IPEAK, DIP,
SWELL, OVERCURRENT,
FAST RMS,
10/12 CYCLE RMS,
PHASE SEQ ERROR
SAR
TEMP
SENSOR
SPI
INTERFACE
CLKIN
CLKOUT
SCLK
MISO
MOSI
CS
GND
IAP
IAN
VAP
VAN ADC
PGA
ADC
PGA
ADE9000
ADC
PGA
ADC
PGA
ADC
PGA
ADC
PGA
RESAMPLING
ENGINE
WAVEFFORM BUFFER
(32ksps, 8ksps ADC SAMPLES
OR RESAMPLED DATA)
USER ACCESSIBLE
REGISTERS
DIGITAL TO
FREQUENCY
CONVERSION (CF)
CF3/ZX
CF4/EVENT/DREADY
1.25V
REFERENCE
RESET
IRQ0
IRQ1
EVENT
INTERRUPTS
IBP
IBN
VBP
VBN
ICP
ICN
VCP
VCN
INP
INN
DIGITAL TO
FREQUENCY
CONVERSION
(CF)
15523-001
Figure 1.
EVEN 1‘
(IRQO 1le
EVEN'J‘
UG-1098 ADE9000 Technical Reference Manual
Rev. 0 | Page 2 of 86
TABLE OF CONTENTS
Scope .................................................................................................. 1
Functional Block Diagram .............................................................. 1
Revision History ............................................................................... 2
Analog-to-Digital Converter (ADC) ............................................. 3
Overview ........................................................................................ 3
Analog Input Configuration ....................................................... 3
Internal RF Immunity Filter ....................................................... 4
Modes of Operation ..................................................................... 4
Output Data Rates and Format ................................................... 4
Voltage Reference ......................................................................... 5
Crystal Oscillator/External Clock .................................................. 6
Power Management .......................................................................... 7
Power Modes ................................................................................. 7
Power-On Sequence ..................................................................... 7
Brownout Detection ..................................................................... 8
Reset ............................................................................................... 8
Changing Power Modes ............................................................... 8
Measurements ................................................................................... 9
Current Channel Measurement Update Rates ......................... 9
Full-Scale Codes ......................................................................... 13
Power and Filter-Based RMS Measurement Algorithms ...... 13
Energy Measurements Overview ............................................. 17
Energy Accumulation ................................................................ 18
Power Accumulation .................................................................. 23
Power Quality Measurements ................................................... 24
Temperature ................................................................................ 31
Accessing On-Chip Data ............................................................... 32
SPI Protocol Overview ............................................................... 32
SPI Write ...................................................................................... 33
SPI Read ....................................................................................... 33
SPI Burst Read ............................................................................ 33
SPI Protocol CRC ....................................................................... 34
Additional Communication Verification Registers ............... 34
CRC of Configuration Registers............................................... 35
Waveform Buffer ............................................................................ 36
Fixed Data Rate Waveforms ...................................................... 36
Fixed Data Rate Waveforms Filling and Trigger-Based
Modes ........................................................................................... 37
Resampled Waveforms .............................................................. 39
Configuring the Waveform Buffer ........................................... 40
Burst Read Waveform Buffer Samples from SPI .................... 40
Interrupts/EVENT ......................................................................... 43
Interrupts (IRQ0 and IRQ1) ..................................................... 43
EVENT......................................................................................... 43
Status Bits in Additional Registers ........................................... 43
Applying the ADE9000 to Different Metering
Configurations ................................................................................ 44
Non-Blondel Compliant Meters ............................................... 45
Applying the ADE9000 to a 4-Wire Wye Service .................. 46
Applying the ADE9000 to a 3-Wire Delta Service ................. 47
Applying the ADE9000 to a Non-Blondel Compliant 4-Wire
Wye Service ................................................................................. 48
Applying the ADE9000 to a Non-Blondel Compliant 4-Wire
Delta Service ............................................................................... 48
ADE9000 Service Type Summary ............................................ 48
Quick Start ....................................................................................... 50
Calibration ....................................................................................... 51
System Parameters ..................................................................... 51
RMS Calibration ......................................................................... 51
Phase Calibration ....................................................................... 51
Power Calibration ....................................................................... 52
Conversion Constants................................................................ 52
Register Information ...................................................................... 53
Register Details ........................................................................... 65
REVISION HISTORY
3/2017—Revision 0: Initial Version
3% fl:
ADE9000 Technical Reference Manual UG-1098
Rev. 0 | Page 3 of 86
ANALOG-TO-DIGITAL CONVERTER (ADC)
OVERVIEW
The ADE9000 incorporates seven independent, second-order,
Σ-Δ ADCs that sample simultaneously. Each ADC is 24 bits and
supports fully differential and pseudo differential inputs, which
can go above and below ground. The ADE9000 includes a low
noise, low drift, internal band gap reference. Set the EXT_REF
bit in the CONFIG1 register if using an external voltage
reference. Each ADC contains a programmable gain amplifier
which allows a gain of 1, 2, or 4.
ANALOG INPUT CONFIGURATION
There is no internal buffering; the impedance of the ADE9000
depends on the programmable gain selected.
Fully Differential Inputs
The input signals on the IAP, IAN, IBP, IBN, ICP, ICN, VAP,
VAN, VBP, VBN, VCP, and VCN pins must not exceed 0.6 V.
The differential full-scale input range of the ADCs is ±1 V peak
(0.707 V rms).
Figure 2 and Figure 3 show two common types of input signals
for an energy monitoring application. Figure 2 shows the
maximum input allowed with differential antiphase signals.
A current transformer with center tapped burden resistor
generates differential, antiphase signals. Figure 3 shows the
maximum input signal with pseudo differential signals, similar
to those obtained when sensing the mains voltage signal through
a resistive divider or using a Rogowski coil current sensor.
The following conditions must be met for the input signals with
gain = 1:
• |IAP, IAN, IBP, IBN, ICP,ICN, VAP, VAN, VBP, VBN, VCP,
and VCN| ≤ +0.6 V peak
• |IxP − IxN| ≤ +1 V peak, |VxP − VxN| ≤ +1 V peak
Each ADC contains a programmable gain amplifier which allows
a gain of 1, 2, or 4. The ADC produces full-scale output codes
with an input of ±1 V. With a gain of 1, this full-scale output
corresponds to a differential antiphase input of 0.707 V rms,
as shown in Figure 2. At a gain of 2, full-scale output codes are
produced with an input of 0.353 V rms, as shown in Figure 3. At
gain of 4, full-scale output codes are generated with a 0.1765 V rms
input signal. Note that the voltages on the xP and xN pins must
be within ±0.6 V, as specified in the data sheet.
Write the x_GAIN bits in the PGA_GAIN register to configure
the gain for each channel.
+0.1V
0
+0.6V
–0.4V
0x0471 44AD =
NOTES
1. x_PCF IS THE INSTANTANEOUS WAVEFORM OBTAINED
AFTER GAIN AND PHASE COMPENSATION.
+74,532,013
0xFB8E BB53 =
–74,532,013
CHANNEL (x_PCF) WAVEFORM
DATA RANGE WITH x_GAIN = 1
xP INPUT PIN
xM INPUT PIN
+0.1V
+0.6V
–0.4V
15523-002
Figure 2. Maximum Input Signal with Differential Antiphase Input with
Common Mode Voltage = 0.1 V, Gain = 1
+0.1V
0
+0.6V
–0.4V
+0.1V
0x0471 44AD =
+74,532,013
0xFB8E BB53 =
–74,532,013
CHANNEL (x_PCF) WAVEFORM
DATA RANGE WITH x_GAIN = 2
xP INPUT PIN
xM INPUT PIN
NOTES
1. x_PCF IS THE INSTANTANEOUS WAVEFORM OBTAINED
AFTER GAIN AND PHASE COMPENSATION.
15523-003
Figure 3. Maximum Input Signal with Pseudo Differential Input with
Common Mode Voltage = 0.1 V, Gain = 2
Gm] b.
/EVEN'J‘
UG-1098 ADE9000 Technical Reference Manual
Rev. 0 | Page 4 of 86
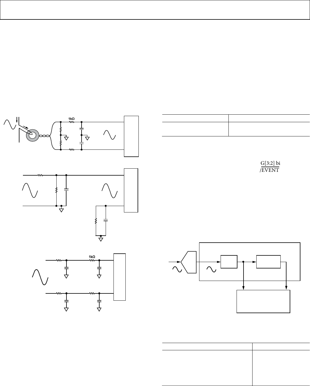
Interfacing to Current and Voltage Sensors
Figure 4 and Figure 6 show the recommended circuits to
connect to current transformer sand Rogowski coil current
sensors. Figure 5 shows the interface circuit to measure the
mains voltage.
The antialiasing filter corner is chosen around 7 kHz to provide
sufficient attenuation of out of band signals near the modulator
clock frequency. The same RC filter corner is used on voltage
channels as well, to avoid phase errors between current and
voltage signals. Note that the Rogowski coil input network has a
second-order antialias filter to further reduce out of band noise
because the Rogowski sensor has a 1/f response.
1kΩ
Rb1 22nF
AGND
IxP
IxN
0.707Vrms max
CT
I
Rb2
1kΩ
22nF
AGND
15523-004
Figure 4. Application Circuit with Current Transformer Current Sensor
1MΩ
1kΩ 22nF
AGND
VxP
VxN
0.240V rms
240V rms
1kΩ 22nF
NEUTRAL
PHASE
AGND
15523-005
Figure 5. Application Circuit with Voltage Sensed Through Resistor Divider
1kΩ
IxP
IxN
0.3535V rms
22nF
22nF
100Ω
1kΩ
22nF22nF
100Ω
15523-006
Figure 6. Application Circuit with Rogowski Coil Current Sensor
INTERNAL RF IMMUNITY FILTER
Energy metering applications require the meter to be immune
to external radio frequency fields of 30 V/m, from 80 MHz up
to 10 GHz, according to IEC 61000-4-3. The ADE9000 has
internal antialiasing filters to improve performance in this
testing because it is difficult to filter these signals externally.
The second-order, internal low-pass filter (LPF) has a corner
frequency of 10 MHz. Note that external antialias filters are
required to attenuate frequencies above 7 kHz, as shown in the
Interfacing to Current and Voltage Sensors section.
MODES OF OPERATION
Each ADC has two modes of operation: normal mode and
disabled mode.
In the normal mode of operation, ADCs are turned on and
sample continuously. The CHNL_DIS register can be used to
disable the ADCs individually.
There are 2 different power modes available in the ADE9000
(see the Power Modes section). All ADCs are turned on in
PSM0 power mode. In PSM3 mode, all ADCs are disabled and
cannot be turned on.
Table 1. ADC Operation in PSMx Power Modes
PSMx Power Mode ADC Mode of Operation
PSM0 Normal (on)
PSM3 Disabled (always off)
OUTPUT DATA RATES AND FORMAT
When a conversion has been completed, the DREADY bit of the
STATUS0 register is set to 1. If the CF4_CFG[3:2] bits in the
CONFIG1 register are equal to 11, the CF4/EVENT/DREADY
pin corresponds to DREADY and pulses high to indicate when
seven new ADC results are ready.
In the ADE9000, the modulator sampling rate (MODCLK) is
fixed at 2.048 MHz (CLKIN/12 = 24.576/12). The output data
rate of the sinc filter is MODCLK/64, whereas the low-pass
filter/decimator stage yields an output rate 4 times slower than
the sinc filter output rate. Figure 7 shows the digital filtering
that takes the 2.048 MHz ADC samples and creates waveform
information at a decimated rate of 32 kHz or 8 kHz.
ANALOG
INPUT
Σ-Δ × 7
DIGITAL
MULTIBIT SINC4 IIR LPF/
DECIMATOR
DIGITAL
WAVEFORM
WAVEFORM
BUFFER
(×7 CHANNELS)
2.048MHz 32kHz 8kHz
15523-007
Figure 7. Datapath Following ADC Stage
The output data rates are summarized in Table 2.
Table 2. Output Data Rates
Parameter Output Data Rate
CLKIN Frequency 24.576 MHz
ADC Modulator Clock, MODCLK 2.048 MHz
SINC Output Data Rate, SINC_ODR 32 kHz
Low-Pass Filter Output Data Rate 8 kHz
3 dB Bandwidth 3.2 kHz

ADE9000 Technical Reference Manual UG-1098
Rev. 0 | Page 5 of 86
The ADC data in the waveform buffer is stored as 32-bit data by
shifting left by 4 bits and sign extending, as shown in Table 3.
Table 3. 32-Bit ADC Data Format
Bits[31:28] Bits[27:4] Bits[3:0]
SE ADC_DATA[23:0] 0000
The expected output code in the waveform buffer from the sinc
filter when input is at 1 V peak is 67,107,786 (decimal). The
expected output code in the waveform buffer from the decimator
filter when input is at 1 V peak is 74,518,668. See the Waveform
Buffer section for more information.
VOLTAGE REFERENCE
The ADE9000 supports a 1.25 V internal reference. An external
reference can be connected between the REFIN and REFGND
pins. When using an external voltage reference, set the
EXT_REF bit of the CONFIG1 register, which disables the
internal reference buffer.
UG-1098 ADE9000 Technical Reference Manual
Rev. 0 | Page 6 of 86
CRYSTAL OSCILLATOR/EXTERNAL CLOCK
The ADE9000 contains a crystal oscillator. Alternatively, a
digital clock signal can be applied at the CLKIN pin of the
ADE9000.
When a crystal is used as the clock source for the ADE9000,
attach the crystal and the ceramic capacitors, with capacitances
of CL1 and CL2, as shown in Figure 8. It is not recommended to
attach an external feedback resistor in parallel to the crystal.
When a digital clock signal is applied at the CLKIN pin, the
inverted output is available at the CLKOUT pin. This output is
not buffered internally and cannot be used to drive any other
external devices directly. Note that CLKOUT is available in
PSM0 operating mode only.
C
P1
C
L1
CLKIN CLKOUT29 30
C
P2
C
L2
1.75kΩ2.5kΩ
C
IN1
C
IN2
24.576MHz
2.5MΩ
15523-008
Figure 8. Crystal Application Circuit
Crystal Selection
The transconductance of the crystal oscillator circuit in the
ADE9000, gm, is provided in the data sheet. It is recommended
to have 3 to 5 times more gm than the calculated gmCRITICAL for
the crystal.
The following equation shows how to calculate the gmCRITICAL
for the crystal from information given in the crystal data sheet:
gmCRITICAL = 4 × ESRMAX × 1000 × (2 × π × fCLK(Hz))2 × (C0 + CL)2
where:
gmCRITICAL is the minimum gain required to start the crystal,
expressed in mA/V.
ESRMAX is the maximum ESR, expressed in ohms.
fCLK is 24.576 MHz, expressed in Hz as 24.576 × 106.
C0 is the maximum shunt capacitance, expressed in farads.
CL is the load capacitance, expressed in farads.
Crystals with low ESR and smaller load capacitance have a
lower gmCRITICAL and are easier to drive.
The ADE9000 evaluation board uses a crystal manufactured by
Abracon (Part Number ABLS-24.576MHZ-8-L4Q-F-T), which
has a maximum ESR of 40 Ω, load capacitance of 8 pF, and
maximum shunt capacitance of 7 pF, which results in a gmCRITICAL
of 0.86 mA/V:
gmCRITICAL = 4 × ESRMAX × 1000 × (2 × π × fCLK(Hz))2 × (C0 + CL)2
gmCRITICAL = 4 × 40 × 1000 × (2 × π × 24.576 × 106)2 × (7 ×
10−12 + 8 × 10−12)2 = 0.86
The gain of the crystal oscillator circuit in the ADE9000, gm,
provided in the data sheet is more than 5 times gmCRITICAL;
therefore, there is sufficient margin to start up this crystal.
Load Capacitor Calculation
Crystal manufacturers specify the combined load capacitance
across the crystal, CL. The capacitances in Figure 8 can be
described as follows:
• CP1 and CP2: parasitic capacitances on the clock pins
formed due to printed circuit board (PCB) traces.
• Cin1 and Cin2: internal capacitances of the CLKIN and
CLKOUT pins respectively.
• CL1 and CL2: selected load capacitors to get the correct
combined CL for the crystal.
The internal pin capacitances, Cin1 and Cin2, are 4 pF each, as
shown in the data sheet. To find the values of CP1 and CP2,
measure the capacitance on each of the clock pins of the PCB,
CLKIN and CLKOUT, respectively, with respect to the AGND
pin. If the measurement is done after soldering the IC to the
PCB, subtract out the 4 pF internal capacitance of the clock pins
to find the actual value of parasitic capacitance on each of the
crystal pins.
To select the appropriate capacitance value for the ceramic
capacitors, calculate CL1 and CL2 from the following equation:
CL = [(CL1 + CP1 + CIN1) × (CL2 + CP2 + CIN2)]/(CL1 +
CP1 + CIN1 + CL2 + CP2 + CIN2) (1)
Select CL1 and CL2 such that the total capacitance on each clock
pins is
CL1 + CP1 + CIN1 = CL2 + CP2 + CIN2 (2)
Using Equation 1 and Equation 2, the values of CL1 and CL2 can
be calculated.
Load Capacitor Calculation Example
If a crystal with load capacitance specification of 8 pF is selected
and the measured parasitic capacitances from the PCB traces
are CP1 = CP2 = 2 pF, Equation 1 implies that
CL = [(CL1 + CP1 + CIN1) × (CL2 + CP2 + CIN2)]/(CL1 +
CP1 + CIN1 + CL2 + CP2 + CIN2)
8 pF = [(CL1 + 2 pF + 4 pF) × (CL2 + 2 pF + 4 pF)]/(CL1 +
2 pF + 4 pF + CL2 + 2 pF + 4 pF)
Assuming that CL1 = CL2, to satisfy Equation 2,
8 pF = [(CL1 + 6 pF) × (CL1 + 6 pF)]/(CL1 + 6 pF + CL1 + 6 pF)
8 pF = [(CL1 + 6 pF) × (CL1 + 6 pF)]/[2 × (CL1 + 6 pF)]
8 pF = (CL1 + 6 pF)/2
Therefore, CL1 = CL2 = 10 pF.
Based on this example, 10 pF ceramic capacitors are selected for
CL1 and CL2.
ADE9000 Technical Reference Manual UG-1098
Rev. 0 | Page 7 of 86
POWER MANAGEMENT
POWER MODES
The ADE9000 offers two operating modes, PSM0 and PSM3.
The entry into the power modes is controlled by the PM1 and
PM0 pins. These pins are checked continuously to determine
which operating mode to enter. If it is desired to place the
ADE9000 into a low power reset state, PSM3 can be used.
POWER-ON SEQUENCE
After power is applied to the VDD pin of the ADE9000 IC, the
device checks the state of the PM0 and PM1 pins to check the
power supply mode (see the Power Modes section for more
information). If in PSM0 mode (PM1 and PM0 = 00 or 01) and
the RESET pin is high, the AVDD and DVDD low dropout
regulators (LDOs) are turned on when VDD reaches 2.4 V to
2.6 V. If the RESET pin is low, the AVDD and DVDD LDOs are
not turned on. Note that there is a clamp that limits the current
used to charge the AVDD and DVDD LDOs to 17 mA per LDO.
When AVDD and DVDD are both above 1.3 V to 1.5 V and
VDD is above 2.4 V to 2.6 V, a 20 ms timer is started to allow
additional time for the supplies to come to their normal
potentials (VDD between 2.97 V and 3.6 V, AVDD at 1.9 V, and
DVDD at 1.7 V). After this timer has elapsed, the crystal
oscillator is started.
The RSTDONE interrupt is triggered 26 ms later, bringing the
IRQ1 pin low and setting the RSTDONE bit in the STATUS1
register. The RSTDONE bit being set indicates to the user that
the ADE9000 has finished its power-up sequence. The user can
now configure the IC via the serial peripheral interface (SPI).
After configuring the device, write the RUN register to start the
DSP so that it starts making measurements. Note that registers
from Address 0x000 through Address 0x0FF and Address 0x400
through Address 0x5FF are restored to their default values
during power-on. Registers from Address 0x200 through
Address 0x3FF are cleared within 500 μs from when the RUN
register value changes from 0x0000 to 0x0001. Also note that
the waveform buffer, Address 0x800 through Address 0xFFF, is
not cleared after reset.
In PSM3 mode, the AVDD and DVDD LDOs are not turned
on. The RSTDONE interrupt does not occur, and the SPI port is
not available
HOST CONFIGURES
IC VIA SPI AND THEN
WRITES RUN
REGISTER TO START
MEASUREMENTS
20ms0.5ms
0
VOLTAGE (V)
2.4V TO 2.6V
2.97V TO 3.63V
VDD
DVDD
~26ms
1.7V
AVDD1.9V
VREF
ADE9000
1.3 TO 1.5V
RSTDONE
INTERRUPT
TRIGGERED
CRYSTAL
OSCILLATOR
STARTS
POR TIMER
TURNED ON
AVDD, DVDD
LDO TURNED
ON
POWER APPLIED
TO IC
IN PSM0
15523-009
Figure 9. ADE9000 Power-On Sequence for PSM0
Table 4. Power Modes (PSM0 and PSM3)
PSMx Power Mode Description PM1 Pin PM0 Pin Functions Available SPI Available?
PSM0 Normal mode 0 0 or 1 All functions Yes
PSM3 Idle 1 1 None No
PSMS, which consume
ct wnh ‘he Rhsh 1‘
.5 v before
un IRQI
UG-1098 ADE9000 Technical Reference Manual
Rev. 0 | Page 8 of 86
BROWNOUT DETECTION
Power-on reset (POR) circuits monitor the VDD, AVDD, and
DVDD supplies. If AVDD or DVDD drops below 1.3 V to 1.5 V, o r
VDD drops below 2.4 V to 2.6 V, t h e IC is held in reset and the
power-on sequence begins again, waiting until AVDD and DVDD
are above 1.3 V to 1.5 V and VDD is above 2.4 V to 2.6 V before
starting the 20 ms POR timer. A RSTDONE interrupt on IRQ1
indicates when the ADE9000 can be reinitialized via the SPI.
RESET
If the RESET pin goes low for 1 µs or the SWRST bit is set in the
CONFIG1 register to initiate a software reset, the AVDD and
DVDD LDOs are turned off. The power-on sequence resumes
from the point where the AVDD and DVDD LDOs are turned on
(see the Power-On Sequence section for details). For applications
that require putting the ADE9000 into a low power reset state,
it is recommended to use PSM3, which consumes roughly 2 µA,
instead of holding the IC in reset with the RESET pin low, which
consumes 100 µA (see the data sheet for the exact current
consumption).
CHANGING POWER MODES
The state of the PM1 and PM0 pins is continuously monitored.
If the power mode changes from PSM0 to PSM3 (PM1 and
PM0 = 11) for 1 µs, the AVDD and DVDD LDOs are turned off.
When the power mode switches back to PSM0, the power-on
sequence resumes from the point where the AVDD and DVDD
LDOs are turned on.
Table 5‘ Current Channel Measuremem Updam Rates
w
um
‘Uon
w
u
ADE9000 Technical Reference Manual UG-1098
Rev. 0 | Page 9 of 86
MEASUREMENTS
CURRENT CHANNEL MEASUREMENT UPDATE
RATES
Table 5 indicates the registers that hold current channel
measurements and the rate at which they update.
Table 5. Current Channel Measurement Update Rates
Register
Name Description
Update
Rate
AI_SINC_DAT IA sinc4 filter output 32 ksps
BI_SINC_DAT IB sinc4 filter output 32 ksps
CI_SINC_DAT IC sinc4 filter output 32 ksps
NI_SINC_DAT IN sinc4 filter output 32 ksps
AI_LPF_DAT IA sinc4 + IIR LPF filter output fDSP = 8 ksps
BI_LPF_DAT IB sinc4 + IIR LPF filter output fDSP = 8 ksps
CI_LPF_DAT IC sinc4 + IIR LPF filter output fDSP = 8 ksps
NI_LPF_DAT IN sinc4 + IIR LPF filter output fDSP = 8 ksps
AI_PCF
Instantaneous current on IA
f
DSP
= 8 ksps
BI_PCF Instantaneous current on IB fDSP = 8 ksps
CI_PCF Instantaneous current on IC fDSP = 8 ksps
NI_PCF Instantaneous current on IN fDSP = 8 ksps
AIRMS Filtered-based total rms of IA fDSP = 8 ksps
BIRMS Filtered-based total rms of IB fDSP = 8 ksps
CIRMS Filtered-based total rms of IC fDSP = 8 ksps
NIRMS Filtered-based total rms of IN fDSP = 8 ksps
ISUMRMS Filtered rms of vector sum (AI_PCF +
BI_PCF + CI_PCF ± NI_PCF); see the
Neutral Current RMS, Vector Current
Sum section
fDSP = 8 ksps
IPEAK Peak current channel sample; see the
Peak Detection section
fDSP = 8 ksps
ANGLx_xxx Voltage to current or current to
current phase angle; see the Angle
Measurement section
CLKIN/24 =
1024 ksps
ADC_REDIRECT Multiplexer
The ADE9000 provides a multiplexer that allows any ADC
output to be redirected to any digital processing datapath.
By default, each modulator is mapped to its corresponding
datapath. For example, the IAP and IAN pins go into the IA
modulator, which is mapped to the IA digital processing
datapath. Write to the ADC_REDIRECT register to change the
ADC to digital channel mapping.
The redirection can be useful to simplify layout, depending on if
the ADE9000 is on the top or bottom of the PCB, by redirecting
the IA ADC output to the IC digital datapath and the IC ADC
output to the IA digital datapath. To redirect the IA and IC
ADC outputs, write IA_DIN = 010 and IC_DIN = 000 in the
ADC_REDIRECT register.
Alternatively, the VA voltage channel output can be used for all
three datapaths by writing VB_DIN = 101 and VC_DIN = 101
in the ADC_REDIRECT register.
The neutral current channel does not offer a zero-crossing output
or angle measurements. To calibrate the phase of the neutral
current NI_PCF signal, direct the neutral current ADC output
to, for example, the Phase B digital current channel and check
how its angles correspond to Phase A by writing IA_DIN = 111.
REFERENCE
Σ-Δ
MODULATOR
V
IN
IA_DIN[2:0]
AI_SINC_DAT AI_LPF_DAT
IA MODULATOR IA DIGITAL DATAPATH
IA_MOD
011
IB_MOD
IC_MOD
IN_MOD
VA_MOD
VB_MOD
VC_MOD
IA_MOD
000
001
010
100
101
110
111
15523-010
Figure 10. ADC_REDIRECT Modulator to Digital Datapath Multiplexing
Current Channel Gain, xIGAIN
There are many sources of gain error in an energy metering
system. The current sensor, including current transformer
burden resistors, may have some error. There is part to part gain
error in the ADE9000 device itself, and the voltage reference
may have some variation (see the data sheet for the device
specifications).
The ADE9000 provides a current gain calibration register so
that each metering device has the same current channel scaling.
The current channel gain varies with xIGAIN as shown in the
following equation:
+=
27
2
1xIGAIN
GainChannel
Current
Use this equation to calculate the xIGAIN value for a given
current channel gain:
xIGAIN = ROUND((Current Channel Gain − 1) × 227
The current channel gain can be positive or negative.
For example, to gain the current channel up by 10% to 1.1,
xIGAIN = ROUND((1.1 − 1) × 227 = 13421773 =
0x00CC_CCCD
To gain it down by 10% to 0.9,
xIGAIN = ROUND((0.9 − 1) × 227 = −1 × 107 =
0xFF33_3333
It is also possible to use the current channel gain register to
change the sign of the current channel, which can be useful if
the current sensor was installed backwards. To compensate for
this, use current channel gain = −1.
xIGAIN = ROUND((−1 − 1) × 227 = −268435456 =
0xF000_0000
If the multipoint phase and gain feature is used, it is recommended
to use the xIGAIN for the main correction, done at the nominal
current for the meter (see the Multipoint Phase/Gain Calibration
section for more information).
Table 6‘ HPF Comer Gain with 50 Hz Input Signal
UG-1098 ADE9000 Technical Reference Manual
Rev. 0 | Page 10 of 86
Note that for a given phase,
|Current Channel Gain × Voltage Channel Gain ×
Power Gain| ≤ 3.75
IB Calculation Using ICONSEL
Write the ICONSEL bit in ACCMODE to calculate IB = −IA − IC.
This setting can help save the cost of a current transformer in some
3-wire delta configurations. See the Applying the ADE9000 to a
3-Wire Delta Service section for more information.
High-Pass Filter
A high-pass filter is provided to remove dc offsets for accurate
rms and energy measurements.
The ADE9000 high-pass filter on the current and voltage
channels is enabled by default. It can be disabled by writing the
DISPHPF bit in the CONFIG0 register equal to 1.
It is recommended to leave the high-pass filter enabled to
achieve the metering performance listed in the specifications
in the data sheet.
For some applications, it is desirable to increase the high-pass
filter corner, such as to improve performance when a Rogowski
coil current sensor is used.
The high-pass filter corner is selectable using the HPF_CRN bits
in the CONFIG2 register (see Table 6).
Table 6. HPF Corner Gain with 50 Hz Input Signal
HPF_CRN f−3 dB (Hz) HPF_GAIN Settling Time to 1% for DC Step (sec) Settling Time to 0.1% for DC Step (sec)
0 77.4 0.537 0.009 0.013
1 39.3 0.790 0.018 0.027
2 19.8 0.935 0.037 0.055
3 9.9 0.984 0.073 0.110
4 5.0 0.997 0.147 0.221
5 2.5 0.999 0.294 0.442
6 (default) 1.25 1.001 0.589 0.883
7 0.625 1.001 1.179 1.768
ADE9000 Technical Reference Manual UG-1098
Rev. 0 | Page 11 of 86
Digital Integrator
A digital integrator is included to allow easy interfacing to di/dt
current sensors, also known as Rogowski coils. The di/dt sensor
output increases by 20 dB/decade over the frequency range.
To compensate for this increase, the digital integrator applies
−20 dB/decade gain with a phase shift of approximately −90°.
A second-order antialiasing filter is required to avoid noise
aliasing back in the band of interest when the ADC is sampling.
To enable the digital integrator on the IA, IB, and IC channels,
set the INTEN bit in the CONFIG0 register. To enable the
digital integrator on the neutral current, IN channel, set the
ININTEN bit in the CONFIG0 register.
Figure 11 and Figure 12 show the magnitude and phase
response of the ADE9000 digital integrator with the default
DICOEFF = 0xFFFFE000.
100
50
0
–50
–100
–150
0
–40
–30
–20
–10
–90
–80
–70
–60
–50
FREQUENCY (Hz)
FREQUENCY (Hz)
MAGNITUDE (dB)
PHASE (Degrees)
10
–2
0500 1000 1500 2000 2500 3000 3500 4000
10
–1
10
0
10
1
10
2
10
3
15523-011
Figure 11. Digital Integrator Magnitude and Phase Response with
DICOEFF = 0xFFFFE000
4
–4
–2
0
2
–6
FREQUENCY (Hz)
FREQUENCY (Hz)
MAGNITUDE (dB)
PHASE (Degrees)
35 40 45 50 55 60 65 70 75 80 85 90
35
–89.94
–89.88
–89.86
–89.90
–89.92
–89.94 40 45 50 55 6560 70 75 80 85 90
15523-012
Figure 12. Digital Integrator Magnitude and Phase Response from
40 Hz to 80 Hz with DICOEFF = 0xFFFFE000
If the integrator is enabled, set DICOEFF = 0xFFFFE000.
Phase Compensation
The ADE9000 phase compensation uses a digital filter to
achieve a phase adjustment of ±0.001°. This high resolution
improves the total active energy and reactive energy
performance at low power factors.
The phase calibration range is −15° to +2.25° at 50 Hz.
To achieve this calibration range, the voltage channel is delayed
by one 8 ksps sample, 2.25° at 50 Hz:
°×=° 360
DSP
LINE
f
f
DelayChannelVoltage
°=
°×=° 25.2360
8000
50
DelayChannelVoltage
The current channel is then delayed by a digital filter, according
to the value programmed into the xPHCALx register. The
resulting phase correction depends on the value in the
xPHCALx register. The following equation provides the phase
correction between the input current and voltage after the
combined voltage and current delays. In this formula,
PhaseCorrection° is positive to correct a current that lags the
voltage, and PhaseCorrection° is negative to correct a situation
where the current leads the voltage, such as occurs with a
current transformer:
+×+
××
−
−
+×
−
=°
−
−
−
ω
xPHCALx
ω
xPHCALx
ω
xPHCALx
ω
Correction
Phase
cos2
1
sin2
arctan
cos2
sin
arctan
27
27
27
where ω = 2 × π × fLINE/fDSP.
The xPHCALx register value can be calculated from the desired
phase correction according to this equation:
27
2
)2sin(
sin)sin( ×
ϕ−×
+−ϕ
=ω
ωω
xPHCALx
For example, if fLINE = 50 Hz, fDSP = 8 kHz, and the current leads
the voltage by 0.1 degrees, Phase Correction° = −0.1°. Write
xPHCALx = 0xFFD3_7760 to correct for this.
ω = 2 × π × 50/8000 = 0.03927
7767_3xFFD02918553
2
))1.0(03927.02sin(
03927.0sin)03927.0)1.0(sin(
27
=−=
×
−−×
+−−
=RADIANS
RADIANS
xPHCALx
DELAY V BY
ONE SAMPLE
2.25° AT 50Hz
INPUT
VOLTAGE
OUTPUT
VOLTAGE
DELAY I
BY UP TO
17.25°
INPUT
CURRENT
CURRENT
TRANSFORMER
SENSOR:
CURRENT LEADS
VOLTAGE OUTPUT
CURRENT
I LEADS V BY UP TO 15°
PHASE COMPENSATION = –15°
ADE9000
15523-013
Figure 13. Phase Compensation Example for Current Transformer,
where the Current Leads the Voltage
<0 -="" -="" usuv="" v="" av="" one="" smug="">0>UG-1098 ADE9000 Technical Reference Manual
Rev. 0 | Page 12 of 86
ADE9000
DELAY V BY
ONE SAMPLE
2.25
°
AT 50Hz
INPUT
VOLTAGE OUTPUT
VOLTAGE
DELAY I
BY 0°
INPUT
CURRENT
CURRENT LAGS
VOLTAGE
OUTPUT
CURRENT
I LAGS V BY UP TO 2.25
°
PHASE CORRECTION = +2.25
°
15523-014
Figure 14. Phase Compensation Example where Current Lags Voltage
Using the previous equations, it can be seen that at 60 Hz, the
voltage channel delay is 2.7°:
°=
°×=° 7.2360
8000
60
DelayChannelVoltage
This leads to a phase calibration range of −15° to +2.7° at 60 Hz.
Multipoint Phase/Gain Calibration
The ADE9000 allows the current channel gain and phase
compensation to vary as a function of the calculated input
current rms amplitude in xIRMS. This feature corrects for the
nonlinearities of current transformer sensors to achieve very
high meter accuracy, for example in Class 0.2 meters.
Multipoint Gain and Phase
There is a current channel gain, xIGAIN, that is applied regardless
of the xIRMS input signal level. This gain compensates for the
nominal gain error of the current channel, including the current
transformer and burden resistors. If multipoint phase and gain
compensation is enabled, an additional current gain value is
applied in based on the xIRMS value to compensate for the
current transformer gain shift over input signal amplitude.
If multipoint gain and phase compensation is enabled, with
MTEN = 1, an additional gain factor, xIGAIN0 through xIGAIN5,
is applied based on the xIRMS current rms amplitude and the
MTTHR_Lx and MTTHR_Hx register values, as shown in
Figure 15.
Similarly, for the phase compensation, if multipoint phase and
gain compensation is enabled, the applied current channel phase
compensation varies based on the xIRMS input signal level.
GAIN,
PHASE
CORRECTION
MTTHR_L1 ,
MTTHR_H0 MTTHR_H4 =
FULL SCALE
MTTHR_L0
= 0
REGION0 REGION1 REGION2 REGION3 REGION4
MTTHR_L2,
MTTHR_H1 MTTHR_L3,
MTTHR_H2 MTTHR_L4,
MTTHR_H3
xIGAIN4
xPHCAL4
xIGAIN3
xPHCAL3
xIGAIN2
xPHCAL2
xIGAIN1
xPHCAL1
xIGAIN0
xPHCAL0
XXXX
X
15523-015
Figure 15. Multipoint Phase and Gain Calibration
The MTTHR_Lx and MTTHR_Hx registers set up the ranges
in which to apply each set of corrections, allowing hysteresis.
The decision of which coefficients to apply is done according to
the following rules:
If xIRMS >MTTHR_H[current_region]
If current_region <=3
Current_region++;
Else If xIRMS >MTTHR_L[current_region]
If current_region >=1
current_region--;
xIGAIN = xIGAIN[current_region];
xPHCAL = xPHCAL[current_region];
For example, if AIRMS goes above MTTHR_H2, the phase and
gain correction is set to AIGAIN3 and APHCAL3, respectively.
Then, if AIRMS goes below MTTHR_L3, the phase and gain
correction is set to AIGAIN2 and APHCAL2, respectively.
For proper operation, the value of the registers must be
MTTHR_L[0] < MTTHR_L[1] < MTTHR_H[0] <
MTTHR_L[2] < MTTHR_H[1] < MTTHR_L[3] <
MTTHR_H[2] < MTTHR_L[4] < MTTHR_H[3] <
MTTHR_H[4].
Multipoint phase and gain calibration is disabled by default. To
enable it, set the MTEN bit in the CONFIG0 register.
Single Point Gain and Phase
When multipoint phase and gain calibration is disabled, single-
point phase and gain calibration is allowed.
In this case, the xIGAIN register is applied. No additional
current channel gain is applied based on xIRMS amplitude.
When multipoint phase and gain calibration is disabled, the
xPHCAL0 phase compensation is always applied regardless of
the xIRMS value.
Table 7‘ Voltage Channel Measurement Update Rates
Table 8‘ FullrScale ADC Codes
Table 9‘ RMS Settling Time
ADE9000 Technical Reference Manual UG-1098
Rev. 0 | Page 13 of 86
Voltage Channel Measurements
Table 7 indicates the registers that hold voltage channel
measurements and the rate at which they update.
Table 7. Voltage Channel Measurement Update Rates
Register Name Description Update Rate
AV_SINC_DAT
VA sinc4 filter output
32 ksps
BV_SINC_DAT VB sinc4 filter output 32 ksps
CV_SINC_DAT VC sinc4 filter output 32 ksps
AV_LPF__DAT VA sinc4 + IIR LPF filter output fDSP = 8 ksps
BV_LPF__DAT VB sinc4 + IIR LPF filter output fDSP = 8 ksps
CV_LPF__DAT
VC sinc4 + IIR LPF filter output
f
DSP
= 8 ksps
AV_PCF Instantaneous current on VA fDSP = 8 ksps
BV_PCF Instantaneous current on VB fDSP = 8 ksps
CV_PCF Instantaneous current on VC fDSP = 8 ksps
AVRMS Filtered-based total rms of VA fDSP = 8 ksps
BVRMS Filtered-based total rms of VB fDSP = 8 ksps
CVRMS Filtered-based total rms of VC fDSP = 8 ksps
VPEAK Peak current channel sample; see
the Peak Detection section
fDSP = 8 ksps
APERIOD Line period measurement on VA fDSP = 8 ksps
BPERIOD Line period measurement on VB fDSP = 8 ksps
CPERIOD Line period measurement on VB fDSP = 8 ksps
COM_PERIOD Line period measurement on
combined signal from VA, VB, VC;
see the Combined Voltage Zero-
Crossing section
fDSP = 8 ksps
ANGLx_xxx Voltage to current or current to
current phase angle; see the
Angle Measurement section
CLKIN/24 =
1024 ksps
Voltage Channel Gain
The xVGAIN registers can be used to calibrate the voltage
channel of each phase. The xVGAIN register has the same
scaling as the xIGAIN register. See the Current Channel Gain,
xIGAIN section for the equation.
FULL-SCALE CODES
Table 8 gives the expected codes when the ADC inputs are at
full scale with PGA gain set to 1.
Table 8. Full-Scale ADC Codes
Parameter Output Code
Sinc4 Output at 32 ksps 67,107,786
Dec Output at 8 ksps 74,518,668
xPCF at 8 ksps 74,532,013
Total IRMS and VRMS 52,702,092
Fundamental IRMS and VRMS 52,702,092
Total WATT, VAR, and VA 20,694,066
Fundamental WATT, VAR, and VA 20,694,066
Fast RMS½
52,702,092
10 Cycle RMS/12 Cycle RMS
52,702,092
Resampled Data 18,196
POWER AND FILTER-BASED RMS MEASUREMENT
ALGORITHMS
Filter-Based Total RMS
The ADE9000 offers current and voltage rms measurements
that are calculated by squaring the input signal, low-pass
filtering, and then taking the square root of the result.
The low-pass filter, LPF2, extracts the rms value, attenuating
harmonics of a 50 Hz or 60 Hz fundamental by at least 64 dB so
that, at full scale, the variation in the calculated rms value is
very small, ±0.064% error. Note that the rms reading variation
increases as the input signal gets smaller because the noise in
the measurement increases.
Note that the xRMS register does not read 0 with the xP and xN
inputs shorted together.
The filter based rms has a bandwidth of 3.2 kHz
The rms calculations, one for each channel, AIRMS, BIRMS,
CIRMS, NIRMS, AVRMS, BVRMS, and CVRMS, are updated
every 8 ksps. The ISUMRMS calculation uses the same method
to calculate ISUMRMS, where ISUM = IA + IB + IC ± IN, and
also updates at 8 ksps (see the Neutral Current RMS, Vector
Current Sum section for more information).
The xRMS value at full scale is 52,702,092 (decimal). The full
scale is a function of PGA gain.
GAINPGA
GAIN1PGAatinputscalefull
scalefull =
For high performance at small input signals, below 1000:1, it is
recommended to calibrate the offset of this measurement using
the xRMSOS register. It is recommended to calibrate the offset
at the smallest input signal that requires good performance; do
not calibrate this measurement with zero input signal.
The following equation indicates how the xRMSOS register
value modifies the result in the xRMS register.
xxRMSOSxxRMS
xxRMS ×+
=15
2
02
where xxRMS0 is the initial xRMS register value before offset
calibration.
For example, if the expected the AIRMS at 1000:1 is
52,702,092/1000 = 52,702 (decimal) and the AIRMS register
reading is 53280 (decimal), the offset calibration register is
8xFFFF8B0
d1869
2
5328052702
15
22
=−=
−
=AIRMSOS
Table 9 shows the rms settling time to 99% of full scale for a
50 Hz signal.
Table 9. RMS Settling Time
Configuration
RMS Settling Time,
FS = 99% (sec)
Integrator On, HPF On, and LPF2 On 0.54
Integrator Off, HPF On, and LPF2 On 0.48
M Configuration Options
UG-1098 ADE9000 Technical Reference Manual
Rev. 0 | Page 14 of 86
Neutral Current RMS, Vector Current Sum
The ADE9000 calculates the neutral current rms from a neutral
current sensor input into the INP and INN pins, and stores the
result in the NIRMS register. A NIRMSOS register allows offset
calibration of this measurement. The scaling is the same as for
the other xIRMS and xIRMSOS registers (see the Filter-Based
Total RMS section for more information).
The ADE9000 also calculates the rms of the sum of
IA + IB + IC ± IN and stores the result in the ISUMRMS register.
The ISUMRMSOS register allows offset calibration of this
measurement. The scaling is the same as for the other xIRMS
and xIRMSOS registers (see the Filter-Based Total RMS section
for more information).
If a neutral current sensor is not used, write the
ISUM_CFG[1:0] bits in the CONFIG0 register equal to 0, and
then ISUMRMS approximates the neutral current from the sum
of IA, IB, and IC.
If the measured neutral current, NI_PCF, deviates from the sum
of AI_PCF + BI_PCF + CI_PCF current channel waveforms, there
may be a fault in the system.
To determine how large the mismatch is between the measured
neutral current and the measured A, B, and C currents, select
ISUM_CFG[1:0] to 01 or 10 based on the direction of the neutral
current with respect to the other current channel waveforms.
Table 10. ISUM Configuration Options
CONFIG0.
ISUM_CFG[1:0] ISUM calculation
00, 11 ISUM = AI_PCF + BI_PCF + CI_PCF
01 ISUM = AI_PCF + BI_PCF + CI_PCF + NI_PCF
10 ISUM = AI_PCF + BI_PCF + CI_PCF − NI_PCF
ISUMRMS has the same scaling as xIRMS. Note that if AI_PCF,
BI_PCF, and CI_PCF are all at full scale and in phase with each
other, with the ISUM_CFG[1:0] equal to 00 or 11, ISUMRMS is
3 × 52,702,092 = 158,106,276 (decimal). If AI_PCF, BI_PCF,
CI_PCF, and NI_PCF are all at full scale and in phase with each
other, with the ISUM_CFG[1:0] equal to 01, ISUMRMS is
4 × 52,702,092 = 210,808,368 (decimal).
To obtain an indication if ISUMRMS exceeds a threshold,
configure ISUMLVL. Then the MISMTCH bit in STATUS0
and associated interrupt indicate if there is a change in the
relationship between ISUMRMS and ISUMLVL.
Calculate the desired value of ISUMLVL according to the
following equation:
=X
SCALEFULLxIRMS
ISUMLVL __
where:
xIRMS_Full_Scale is the nominal xIRMS value with full-scale
inputs, 52,702,092.
X is the desired current level to indicate a MISMTCH error.
For example, to set ISUMLVL to warn about a vector current
sum greater than 10,000:1 from full scale, X = 10,000 in the
previous equation.
Total Active Power
Total active power is commonly used for billing purposes. It
includes power on the fundamental and on the harmonics.
The total active power on each phase is calculated by first
multiplying the xI_PCF and xV_PCF waveforms. Then the
result is low-pass filtered, unless the DISAPLPF bit in the
CONFIG0 register is equal to 1. Finally, the xPGAIN is applied
to perform a gain correction and the xWATTOS value is applied
to correct the watt offset.
Figure 16 shows the relationship between the I and V input
signals and the instantaneous active power and low-pass filtered
active power, assuming that I and V are at full scale with only
the fundamental is present and a power factor of 1.
If the DISAPLPF bit in the CONFIG0 is equal to 1, x WAT T
reflects the instantaneous active power; and if it is equal to 0,
xWATT reflects the low-pass filtered active power, in Figure 16,
assuming xPGAIN = 0 and xWATTOS = 0.
–0.062%
+0.062%
LOW-PASS FILTERED
ACTIVE POWER
20,694,066
0
INSTANTANEOUS
ACTIVE POWER
I, V FUNDAMENTAL
INPUT SIGNAL
Figure 16. Instantaneous Active Power and Low-Pass Filtered Active Power at
a Power Factor of 1
The low-pass filter, LPF2, extracts the total active power,
attenuating harmonics of a 50 Hz or 60 Hz fundamental by
64 dB so that, at full scale, the variation in the low-pass filtered
active power is very small, ±0.062%.
The resulting xWATT signal has an update rate of 8 ksps and a
bandwidth of 3.2 kHz.
The xPGAIN register has the same scaling as the xIGAIN
register. xWATTOS has the same scaling as xWATT. xWATT
can be calibrated using the energy or power registers. When
using the power registers, xWATTOS is calculated using the
following equation:
xWATTOS = xWATTEXPECTED − xWATTMEASURED
The xWATT value with full-scale inputs and no gain is
20,694,066. Note that xVAR and VA have the same scaling;
therefore, the same equation can be used for all three offsets.
Table 11. Total Active Power Scnling Time
ADE9000 Technical Reference Manual UG-1098
Rev. 0 | Page 15 of 86
The variable X is the smallest power level to calibrate. For example,
to calibrate the energy at 10,000 from full scale, X = 10,000 in the
previous equation.
%05.0
000,10
20694066
1==xWATTOS
Then each bit in the xWATTOS register can correct an error of
0.05% at 10,000:1. Note that in most applications, the total
active power performance with small inputs is sufficient with
xWAT T O S at z e ro.
Table 11 shows the settling times for total active power for a
50 Hz signal.
Table 11. Total Active Power Settling Time
Total Active Power Settling Time (sec)
Configuration FS = 99% FS = 99.90%
Integrator On, HPF On,
and LPF2 On
0.43 0.66
Integrator Off, HPF On,
and LPF2 On
0.43 0.66
Integrator Off, HPF On,
and LPF2 Off
0.01 0.06
Total Reactive Power
Total reactive power includes reactive power on the fundamental
and on the harmonics. The current channel, xI_PCF, is shifted
by 90° at the fundamental and at all harmonics. This signal is
then multiplied by the voltage waveform, xV_PCF. The result is
then low-pass filtered, unless the DISRPLPF bit in the
CONFIG0 register 1. Finally, the xPGAIN value is applied to
perform a gain correction, and the xVAROS value is applied to
correct the VA R offset. Note that in most applications, the total
reactive power performance with small inputs is sufficient with
xVAROS at zero.
The total reactive power at a power factor of 0 has a similar ripple
to the total active power at a power factor of 1 (see Figure 16).
The resulting AVAR signal has an update rate of 8 ksps and a
bandwidth of 3.2 kHz.
It is possible to disable the reactive power calculation by setting
the VARDIS bit in the VA R _ D I S register. This bit must be set
before writing the RUN bit for proper operation.
The total reactive power offset can be calibrated for even better
performance over a wide dynamic range using the xVAROS
register. x VA R OS has the same scaling as xVAR; see the Tota l
Active Power section to understand how to calculate this
register value. Table 12 shows the settling times for total reactive
power for a 50 Hz signal.
Table 12. Total Reactive Power Settling Time
Total Reactive Power Settling Time (sec)
Configuration FS = 99% FS = 99.90%
Integrator On, HPF On,
and LPF2 On
0.43 0.59
Integrator Off, HPF On,
and LPF2 On
0.43 0.59
Integrator Off, HPF On,
and LPF2 Off
0.02
0.05
Total Apparent Power
Apparent power is generated by multiplying the current rms
measurement, xIRMS, by the corresponding voltage rms,
xVRMS, and then applying a gain correction, xPGAIN. The
result is stored in the xVA register. Note that the offset of the
total apparent power calculation is performed by calibrating the
xIRMS and xVRMS measurements, using the xIRMSOS and
xVRMSOS registers; see the Filter-Based Total RMS section for
more information on the rms calculation.
The resulting xVA signal has an update rate of 8 ksps and a
bandwidth of 3.2 kHz.
In some applications, if there is a tamper detected on the voltage
channel inputs, it is desirable to accumulate the apparent energy
assuming that the voltage were at a nominal level. The ADE9000
offers a register, VNOM, which can be set to a value to correspond
to, for example, 240 V rms. If the VNOMx_EN bits in the
CONFIG0 register are set, VNOM is multiplied by xIRMS when
calculating xVA.
Table 13 shows the settling times for total apparent power for a
50 Hz signal.
Table 13. Total Apparent Power Settling Time
Configuration
Total Apparent Power Settling Time,
FS = 99% (sec)
Integrator On, HPF On,
and LPF2 On
0.54
Fundamental Measurements
The ADE9000 uses a proprietary algorithm to extract the
fundamental from the total measured signal to make
measurements including fundamental IRMS, VRMS, WAT T,
VA R , VA, IT H D, and VTHD. This algorithm requires
initialization of the network frequency and of the nominal
voltage measured in the voltage channel. The SELFREQ bit in
the ACCMODE register selects whether the system is 50 Hz or
60 Hz. For a 50 Hz system, clear the SELFREQ bit; for a 60 Hz
system, set the SELFREQ bit to 1. The SELFREQ selection must
be made prior to writing the RUN register to 1.
The VLEVEL register indicates the nominal value of the voltage
channel. Calculate VLEVEL according to this equation:
VLEVEL = X × 1,114,084
where X is the dynamic range that nominal input signal is at
with respect to full scale.

UG-1098 ADE9000 Technical Reference Manual
Rev. 0 | Page 16 of 86
It is recommended to set the voltage channel input so that the
nominal voltage (for example, 240 V rms) corresponds to one
half of the analog input signal range of the ADE9000. The
ADE9000 can support ±1 V peak, 0.707 V rms inputs; therefore,
it is recommended to scale the voltage channel inputs to
0.353 V rms. Then, with a nominal 240 V, the input signal is at
half of full scale and X is equal to 2. Write 574,042 (decimal) to
the VLEVEL register to configure this feature:
VLEVEL = 2 × 1,114,084 = 2,288,168
After configuring these two parameters, SELFREQ and
VLEVEL, the ADE9000 tracks the fundamental line frequency
within ±5 Hz of the 50 Hz or 60 Hz frequency selected in
SELFREQ. If a larger frequency range than ±5 Hz is required in
the application, monitor the line period, xPERIOD, and change
the SELFREQ selection accordingly. Note that the RUN register
must be set to zero before changing the SELFREQ setting and
then be set to one again.
Fundamental RMS
The ADE9000 offers fundamental current and voltage rms
measurements using the proprietary fundamental estimation
technique described in the Fundamental Measurements section.
The xIFRMSOS and xVFRMSOS registers allow the offset to be
calibrated for even better performance at low input signal levels.
Note that the xFRMS register does not read 0 with the xP and
xN inputs shorted together.
The fundamental rms calculations, one for each channel,
AIFRMS, BIFRMS, CIFRMS, AVFRMS, BVRMS, and CVRMS,
are updated every 8 ksps. Note that there the neutral current
channel does not have a fundamental rms measurement.
The xFRMS value at full scale is 52,702,092 (decimal).
For high performance at small input signals, below 1000:1, it is
recommended to calibrate the offset of this measurement using
the xFRMSOS register. It is recommended to calibrate the offset
at the smallest input signal which requires good performance;
do not calibrate this measurement with zero input signal.
The following equation indicates how the xFRMSOS register
value modifies the result in the xFRMS register.
xxFRMSOSxxFRMSxxFRMS ×+=
15
2
0
2
where xxFRMS0 is the initial xFRMS register value before offset
calibration.
Fundamental Active Power
The ADE9000 offers fundamental active power measurements
using the proprietary fundamental estimation technique. The
fundamental active power is then gained by xPGAIN and offset
correction is applied according to the xFWATTOS register.
The xFWATTOS register allows offset calibration to provide
even better performance with low input signal levels. Figure 17
shows the signal chain for the AFWATT measurement.
APGAIN AFWATTOS
AFWATT
AI_PCF
AV_PCF FUNDAMENTAL
WATT
ENERGY/
POWER/CF
ACCUMULATION
15523-017
Figure 17. Fundamental WATT, AFWATT Calculation
xFWATTOS has the same scaling as xFWATT; see the Total Active
Power section to understand how to calculate this register value.
Fundamental Reactive Power
The ADE9000 offers fundamental reactive power measurements
using the proprietary fundamental estimation technique. This is
then gained by xPGAIN and offset correction is applied according
to the xFVAROS register. Figure 18 shows the signal chain for the
AFVAR measurement.
APGAIN AFVAROS
AFVAR
AI_PCF
AV_PCF FUNDAMENTAL
VAR
ENERGY/
POWER/CF
ACCUMULATION
15523-018
Figure 18. Fundamental Reactive Power, AFVAR
The fundamental reactive power at a power factor of 0 has a
similar ripple to the total active power at a power factor of 1
(see Figure 16).
xFVAROS has the same scaling as xFVAR; see the Total Active
Power section to understand how to calculate this register value.
Fundamental Apparent Power
The ADE9000 offers fundamental rms measurements using the
proprietary fundamental estimation technique described in the
Fundamental Measurements and Fundamental RMS sections.
The fundamental rms measurements, xIFRMS and xVFRMS,
are multiplied together to obtain fundamental apparent power.
This is then gained by xPGAIN and stored in the xFVA register.
Figure 19 shows the signal chain for the AFVA measurement.
Note that offset correction can be performed by calibrating the
AIFRMS and AVFRMS measurements.
APGAIN
AFVA
AIFRMS
AVFRMS FUNDAMENTAL
VA
ENERGY/
POWER/CF
ACCUMULATION
15523-019
Figure 19. Fundamental Apparent Power, AFVA
Table 14. Wall Relamd Register Update Ralcs
ADE9000 Technical Reference Manual UG-1098
Rev. 0 | Page 17 of 86
ENERGY MEASUREMENTS OVERVIEW
AI_PCF
AV_PCF
PER PHASE
RMS AND
POWER
CALCULATION
AWATTHR
AFWATTHR
AVARHR
AFVARHR
AVAHR
AFVARHR
PER PHASE
ENERGY
ACCUMULATION
AWATT_ACC
AFWATT_ACC
AVAR_ACC
AFVAR_ACC
AVA_ACC
AFVA_ACC
CF1 PULSE OUTPUT
CF2 PULSE OUTPUT
CF3 PULSE OUTPUT
CF4 PULSE OUTPUT
ENERGY TO
FREQUENCY
AWATT
AFWATT
AVAR
AFVAR
AIRMS
AVRMS
AVA
AIFRMS
AVFRMS
AFVA
ADE9000
PER PHASE
POWER
ACCUMULATION
15523-020
Figure 20. Per Phase Power and Energy Calculations from xI_PCF and xV_PCF Waveforms
Figure 20 shows how AI_PCF and AV_PCF are used to calculate
per phase rms and power calculations and how these are
accumulated into the AWATTHR and AWATT_ACC registers,
as well as the CFx pulse outputs.
Per Phase Energy Measurements Update Rate
Instantaneous power measurements, including as xWATT,
xVAR, xVA , and xFVAR, update at a rate of fDSP = 8 ksps.
These measurements are accumulated into power measurements
in the x WAT T _ ACC register, which updates at a user defined
interval of up to 1 sec, depending on the selection in the
PWR_TIME register.
Energy measurements update every fDSP = 8 ksps by default and
can store up to 106 sec of accumulation at full scale. Alternatively,
these registers can be set into a different accumulation mode
where they update after a user defined number of line cycles or
samples.
Power factor, ITHD, and VTHD measurements update every
4096/8 ksps = 1.024 sec.
RMS½ measurements update every ½ line cycle (10 ms at
50 Hz).
10 cycle rms/12 cycle rms measurements update every 10 cycles
on a 50 Hz network, or 12 cycles on a 60 Hz network. The
SELFREQ bit in the ACCMODE register defines which network
is being used.
Table 14. Watt Related Register Update Rates
Register
Name Description Update Rate
AWATT
Low-pass filtered total
active power on
Phase A
8 ksps
BWATT Low-pass filtered total
active power on
Phase B
8 ksps
CWAT T Low-pass filtered total
active power on
Phase C
8 ksps
AWATT_
ACC
Accumulated total
active power on
Phase A
After the PWR_TIME 8 ksps
samples, from 250 µs to
1.024 sec
BWATT_
ACC
Accumulated total
active power on
Phase B
After the PWR_TIME 8 ksps
samples, from 250 µs to
1.024 sec
CWAT T_
ACC
Accumulated total
active power on
Phase C
After the PWR_TIME 8 ksps
samples, from 250 µs to
1.024 sec
AWATTHR Accumulated total
active energy on
Phase A
According to the settings in
EP_CFG and EP_TIME; holds
up to 106 sec of energy at
full scale.
BWATTHR
Accumulated total
active energy on
Phase B
According to the settings in
EP_CFG and EP_TIME; holds
up to 106 sec of energy at
full scale.
CWAT TH R Accumulated total
active energy on
Phase C
According to the settings in
EP_CFG and EP_TIME; holds
up to 106 sec of energy at
full scale.
APF Phase A power factor1 Every 1.024 sec
BPF Phase B power factor1 Every 1.024 sec
CPF Phase C power factor1 Every 1.024 sec
1 See the Power Factor section.
UG-1098 ADE9000 Technical Reference Manual
Rev. 0 | Page 18 of 86
ENERGY ACCUMULATION
NO LOAD
CHECK
0
INTERNAL ENERGY
ACCUMULATOR
41 31
CFx
DIGITAL
TO
FREQUENCY
CONVERTER
4.096MHz
AWATT
WATTACC[1:0]
ACT_NL_LVL
++
0
CHECK SIGN
TO DETERMINE
WHETHER
TO ACCUMUL ATE 0
ANOLOAD
EP_CFG.
NOLOAD_TMR
1
WTHR
CF1DEN
CF_LCFG
CFMODE
REVPSUMx
CFx
POWER
ENERGY
LOW-PASS
FILTERED
TOTAL ACTIVE
POWER
0
INTERNAL POWER ACCUMULATOR
41 31
++
f
DSP
EGYRDY
31 0031
AWATTHR_HI
12
++
0
0
1
EGY_LD_ACCUM
INTERNAL ENERGY ACCUMULATOR
VALUE ADDED TO AWATTHR
OR LATCHED INTO AWATTHR
AT EGYRDY RATE
PWRRDY
INTERNAL POWER ACCUMUL ATOR VALUE
LATCHED IN TO AWATT_ACC
WHEN PWR_TIMER SAMPLES
HAVE BEEN ACCUMULATED
31 0
AWATT_ACC
f
DSP
AWATTHR_LO
12
13
15523-021
Figure 21. AWATT Accumulation into Energy and Power, Using No-load Threshold and Signed Accumulation Mode
Figure 21 shows how AWATT is accumulated into the AWATTHR
and AWATT_ACC registers. A no-load threshold is applied and
the energy is checked to determine whether to accumulate the
AWATT sample into the internal energy accumulator.
The internal energy accumulator is either added to the
AWATTHR register or overwrites it at a EGYRDY rate. Set the
EGY_PWR_EN bit in EP_CFG register to run the energy and
power accumulator.
Signed Energy Accumulation Modes
Total Active Energy Accumulation Modes
In some installations, it is desirable to bill for only positive total
active energy. The ADE9000 offers a way to do this using the
WATTACC[1:0] bits in the ACCMODE register. To set the
total and fundamental active energy accumulation and any
corresponding CF pulse output for positive energy only, write
WATTACC[1:0] to 10.
If WATTACC[1:0] is equal to zero, the energy accumulation is
signed. The MSB of the AWATTHR_HI and AFWATTHR_HI
registers indicates whether the accumulated energy is negative
or positive.
Other accumulation modes include absolute accumulation mode
with WATTACC[1:0] equal to 01 (where the absolute value of
AWATT is accumulated), and negative only accumulation mode
with WATTACC[1:0] equal to 11 (where only negative active
energy is accumulated).
Reactive Energy Accumulation Modes
In some installations, because reactive energy can change
frequently between positive and negative values with inductive
and capacitive loads, it is desirable to bill for the absolute value
of reactive energy. The ADE9000 offers a way to do this using
the VARACC[1:0] bits in the ACCMODE register. To set the
total and fundamental reactive energy register and any
corresponding CF pulse output to accumulate the absolute
value of reactive energy, write VARACC[1:0] to 01.
If VARACC[1:0] is equal to zero, the total and fundamental
reactive energy accumulation is signed. The MSB of the
ADE9000 Technical Reference Manual UG-1098
Rev. 0 | Page 19 of 86
AVARHR_HI and AFVARHR_HI registers indicates whether
the energy is negative or positive.
Other accumulation modes offered include positive only
accumulation mode with VARACC[1:0] equal to 10, and
negative only accumulation mode (where only negative reactive
energy is accumulated) with VARACC[1:0] equal to 11.
No-Load Detection
No-load detection prevents energy accumulation due to noise,
when the input currents are below a given meter start current.
To determine if a no-load condition is present, the ADE9000
evaluates if the accumulated energy is below a user defined
threshold over a user defined time period, which is done on a
per phase and per energy basis.
The NOLOAD_TMR[2:0] bits in the EP_CFG register determine
whether to evaluate the no-load condition over 64 samples to 4096
samples, 64/8 ksps = 8 ms to 512 ms, by writing to the bits in the
EP_CFG register, as described in Table 15. No-load detection is
enabled by default, over the minimum time of 64/8 ksps = 8 ms.
No-load detection is disabled when the NOLOAD_TMR[2:0] bits
in the EP_CFG are equal to 111 (binary).
Table 15. No-Load Condition Evaluation Time
NOLOAD_TMR[2:0]
Samples to
Evaluate No
Load Over
Time that No-Load
Detection is
Evaluated Over
0 64 8 ms
1 128 16 ms
2 256 32 ms
3 512 64 ms
4 1024 128 ms
5 2048 256 ms
6 4096 512 ms
7 No-load disabled No-load disabled
The user defined no-load thresholds are written into the
ACT_NL_LVL, REACT_NL_LVL, and APP_NL_LVL registers.
The ACT_NL_LVL register sets the no-load threshold for total
and fundamental active energy. Correspondingly, the
REACT_NL_LVL register sets the no-load threshold for total
and fundamental reactive energy while the APP_NL_LVL sets
the no-load threshold for total and fundamental apparent energy.
The no load thresholds are calculated according to the following
equation:
X
SCALEFULLxWATT
LVLxNL 64__
_
where:
xWATT_Full_Scale is the nominal xWATT value with full-scale
inputs, 20,694,066. Note that xVAR and VA have the same
scaling; therefore, the same value can be used for all three
thresholds.
X is the desired no-load input power level. For example, to set the
no-load threshold to zero out energy below 50,000 from full scale,
X = 50,000 in the previous equation.
Then, for a 50,000:1 no-load threshold level, xNL_LVL is
0x6804:
0x6778488,26
50000
64066,694,20
_
LVLxNL
When a phase is in no-load, every fDSP = 8 ksps, zero energy is
accumulated into the energy registers and CF accumulation.
Note that the x_ACC registers are not affected by no-load
detection. Even when in no-load, any power calculated in the
respective xWATT, xVAR, and xVA registers is accumulated
into the corresponding x_ACC register every fDSP = 8 ksps.
No-Load Indications
The PHNOLOAD register indicates whether each phase of
energy is in no-load. For example, the PHATNL[2:0] bits in
the PHNOLOAD register indicate whether the Phase A total
apparent energy, reactive energy, and active energy are in phase
on Bit 2 through Bit 0, respectively. If a bit is set, it indicates that
the phase energy is in no-load; if it is clear, the phase is not in
no-load.
The user can enable an interrupt to occur when one of the per
phase energy no-load status changes, either going into or out of
no-load. There is an interrupt enable bit for each type of energy.
Set the VAFNOLOAD, RFNOLOAD, AFNOLOAD, VANLOAD,
RNLOAD, and ANLOAD bits in the STATUS1 register to
enable an interrupt on IRQ1 when one or more phases of
fundamental VA, fundamental VAR, fundamental watt, total
VA, to tal VAR, an d tot a l w at t no-l o a d cha nge s s t at us.
There is also an option to indicate the no-load status on the
EVENT pin; see the Interrupts/EVENT section for more
information.
Figure 22 shows what happens when the xWATT, low-pass
filtered watt, value goes above the user configured no-load
threshold and then back down below it again. The same concept
applies to all of the energy values (total and fundamental VAR,
total VA) with the corresponding REACT_NL_LNL and
APP_NL_LVL no-load thresholds.
LOW-PASS
FILTERED
ACTIVE POWER (xWATT)
ACTIVE ENERGY
NO LOAD THRESHOLD
(ACT_NL_LVL)
NO LOAD ACCUMULATION INTERVAL IS
SET IN EP_CFG.NOLOAD_TMR
ACTIVE ENERGY
NO LOAD ACCUMULATOR
NO LOAD INDICATION
STATUS1.ANOLOAD)
ACTIVE ENERGY,
xWATTHR
15523-022
Figure 22. No-Load Detection and Indication

UG-1098 ADE9000 Technical Reference Manual
Rev. 0 | Page 20 of 86
Energy Accumulation Details
Internal Energy Register Overflow Rate
There are 42-bit internal signed energy accumulators for each
phase of each energy accumulation, as shown in Figure 21. These
accumulators update at a rate of fDSP = 8 ksps. The following
equation shows how to calculate the time until the internal
accumulator overflows with full-scale inputs and all digital gain
and offset factors at zero, where AWATT_AT_FULL_SCALE
refers to the nominal AWATT value with full scale inputs.
×
=
DSP
fSCALE
FULL
ATAWATT
Timer
Accumulato
EnergyInternal
Maximum
__
_
2
(sec)
41
For example, with CONFIG0.MTEN equal to zero, for single-
point gain compensation and AIGAIN, AVGAIN, APGAIN,
and AWATTOS all equal to zero, the Phase A total active energy
has a digital gain of 1. Then, the Phase A total active energy
accumulated in the internal accumulator overflows in 13.3 sec
with the nominal full-scale AWATT value of 20,694,066.
sec3
.13
8000
20,694,066
2
(sec)
41 =
×
=
Time
rAccumulato
EnergyInternal
Maximum
User Energy Register Update Rate, EGYRDY
As shown in Figure 21, the internal energy accumulator is
latched into a user accessible energy register or added to user
accessible register at a rate of EGYRDY. Figure 23 further
describes how the EGYRDY update rate is generated.
The EGYRDY update rate occurs after EGY_TIME + 1 fDSP
samples or EGY_TIME + 1 half line cycles, according to the
EGY_TMR_MODE bit in the EP_CFG register.
If EGY_TMR_MODE is zero, the internal energy register
accumulates for EGY_TIME + 1 samples at 8 ksps. This mode
is called sample-based accumulation.
+
=
DSP
f
TIMEEGY
TimeonAccumulatiEnergyInternal
1_
(sec)
The EGY_TIME[12:0] register allows up to (8191 + 1) =
8192 samples to be accumulated, which corresponds to
8192/8000 = 1.024 sec if EGY_TMR_MODE is equal to zero.
sec024.1
8000
18191
(sec)
=
+
=
TimeonAccumulatiEnergyInternal
If EGY_TMR_MODE is 1, the internal energy register
accumulates for EGY_TIME + 1 half line cycles at 8 ksps. This
mode is called half line cycle-based accumulation. In this mode,
the zero-crossing source to monitor is set by ZX_SEL bits in the
ZX_LP_SEL register, as shown in Figure 23.
+
=Rate
ZX
TIMEEGY
Timeon
AccumulatiEnergy
Internal
1
_
(sec)
With a 50 Hz line frequency, the ZX interrupt rate is 100 Hz,
then the maximum accumulation time is 81.92 sec with
EGY_TIME equal to 0x1FFF, 8191 (decimal):
sec
92
.
81
100
1
8191
(sec)
=
+
=
Time
onAccumulati
Energy
Internal
Note that the internal energy register overflows in 13.3 sec with
full-scale inputs; therefore, EGY_TIME must be set lower than
1329 (decimal) to prevent overflow when EGY_TMR_MODE is 1.
ENERGY
POWER
0
ZX_LP_SEL.
ZX_SEL
1
11
10
ZXVA
ZXVB
ZXVC
ZXCOMB
00
01
CONFIG1.
CF3_CFG
CF3
0
1
EP_CFG.EGY_TMR_MODE
CF3/ZXPIN
COUNTER
EGY_TIME[12:0] + 1
EGYRDY UPDATERATE
STATUS0.EGYRDY
COUNTER
PWR_TIME[12:0] + 1
EQUAL?
EQUAL?
PWRRDY UPDATE RATE
STATUS0.PWRRDY
f
DSP
f
DSP
15523-023
Figure 23. EGYRDY and PWRRDY Update Rate
Reloading or Accumulating User Energy Register
When the EGYRDY event happens, the internal energy
accumulation is either directly loaded into the xWATTHR register
or added to the existing accumulation based on the state of the
EGY_LD_ACCUM bit in the EP_CFG register. The internal
energy register is reset and starts counting again from zero.
If EGY_LD_ACCUM is equal to zero, the internal energy register is
added to the user accessible energy register. If EGY_LD_ACCUM
is equal to one, the internal energy register overwrites the user
accessible energy register.
User Energy Register Overflow Rate
The energy registers in the ADE9000 are signed and 45 bits
wide, split between two 32-bit registers, as shown in Figure 24.
These accumulators update at a rate according to EGYRDY, as
described in the User Energy Register Update Rate, EGYRDY
section. The following equation shows how to calculate the time
until the user accessible accumulator overflows with full-scale
inputs and all digital gain and offset factors at zero, where
AWAT T _ AT_FULL_SCALE refers to the nominal AWATT
value with full-scale inputs. For this example, assume that the
internal energy register is updating at every fDSP = 8 ksps sample.
×
=
DSP
fSCALEFULLATAWATT
TimerAccumulatoEnergyInternalMaximum
___
2
(sec)
44
1‘
ADE9000 Technical Reference Manual UG-1098
Rev. 0 | Page 21 of 86
For example, with the MTEN bit in the CONFIG0 register equal
to zero, for single-point gain compensation and AIGAIN,
AVGAIN, APGAIN, and AWATTOS all equal to zero, the
Phase A total active energy has a digital gain of 1. Then, the
Phase A total active energy accumulated in the user accessible
accumulator overflows in 106.4 sec with the nominal full-scale
AWATT value of 20,694,066.
sec3.106
800020,694,066
2
(sec)
44 =
×
=
Time
r
AccumulatoEnergy
InternalMaximum
Accessing the User Energy Registers
Each 45-bit user accessible signed energy accumulator is
divided into two registers: a register containing the 32 most
significant bits, xHR_HI, and a register containing the 13 least
significant bits, xHR_LO, as shown in Figure 24.
f
DSP
INTERNAL ENERGY ACCUMULATOR
+
31 0
AWATTHR_HI
0
12
AWATTHR_LO
31
15523-024
Figure 24. Internal Energy Register to AWATTHR_HI and AWATTHR_LO
The expected user energy accumulation can be calculated
according to this formula based on the average AWATT value.
USER_ENERGY_ACCUMULATION
= AWATT × (EGY_TIME + 1)
Then, AWATTHR_HI contains the 32 most significant bits,
which can be calculated by rounding the following equation
down to the nearest whole number:
AWATTHR_HI
= ROUNDDOWN(USER_ENERGY_ACCUMULATION × 2−13)
The 13 LSBs of USER_ENERGY_ACCUMULATION are stored
in the AWATTHR_LO register.
Read User Energy Register with Reset
If the RD_RST_EN bit is set in the EP_CFG register, its contents
are reset when a user accessible energy register is read.
For example, if AWATTHR_HI is read, the AWATTHR_HI register
value goes to zero. The AWATTHR_LO register contents are
not modified.
User Energy Register Use Models
There are three main use models for energy accumulation:
• Read energy register with reset
• Accumulate energy over a defined number of line cycles
• Accumulate energy over a defined number of samples
To read energy register with reset, use the following settings:
• Configuration register settings:
• EP_CFG register, EGY_LD_ACCUM bit = 0.
• EP_CFG register, EGY_TMR_MODE bit = 0.
• EP_CFG register, RD_RST_EN bit = 1.
• EP_CFG register, EGY_PWR_EN bit = 1.
• EGY_TIME register = 1.
• Output: read just the xHR_HI register, which has enough
resolution for most applications. The xHR_LO register is
maintained and accumulated and does not need to be read
by the user.
• Maximum time before reading xHR_HI to prevent
overflow with full-scale inputs: 106 sec.
To accumulate energy over a defined number of half line cycles,
use the following settings:
• Configuration register settings:
• EP_CFG register, EGY_LD_ACCUM bit = 1.
• EP_CFG register, EGY_TMR_MODE bit = 1.
• EP_CFG register, RD_RST_EN bit = 0.
• EP_CFG register, EGY_PWR_EN bit = 1.
• EGY_TIME register = desired number of half line
cycles.
• Output:
• The xHR_HI register has enough resolution for most
applications.
• To maintain perfect synchronization with CF pulse
output, the xHR_LO register must be read as well,
because it is cleared at every EGYRDY cycle.
• Maximum time before reading xHR_HI to prevent
overflow with full-scale inputs: 13.3 sec.
To accumulate energy over a defined number of samples, use
the following settings:
• Configuration register settings:
• EP_CFG register, EGY_LD_ACCUM bit = 1
• EP_CFG register, EGY_TMR_MODE bit = 0
• EP_CFG register, RD_RST_EN bit = 0
• EP_CFG register, EGY_PWR_EN bit = 1
• EGY_TIME register = desired number of samples
• Output:
• The xHR_HI register has enough resolution for most
applications.
• To maintain perfect synchronization with CF pulse
output, the xHR_LO register must be read as well,
because it is cleared at every EGYRDY cycle.
• Maximum time before reading xHR_HI to prevent
overflow with full-scale inputs: 13.3 sec.

UG-1098 ADE9000 Technical Reference Manual
Rev. 0 | Page 22 of 86
Digital to Frequency Conversion—CF Output
Many electricity meters are required to provide a pulse output
that is proportional to the energy being accumulated, with a
given pulse per kWh meter constant.
The ADE9000 includes four pulse outputs that are proportional
to the energy accumulation, in the CF1 through CF4 output pins.
Energy and Phase Selection
The CFxSEL[2:0] bits in the CFMODE register select which
type of energy to output on the CFx pin, including total or
fundamental watt, VA R , and VA. Then, the TERMSELx bits in
the COMPMODE register select which phase energies to
include in the CF output.
For example, with the CFMODE register, CF1SEL[2:0] bits = 000
and the COMPMODE register, TERMSEL1[2:0] bits = 111, CF1
indicates the total watt output of Phase A, Phase B, and Phase C.
To calibrate the Phase A, Phase B, and Phase C total watt
accumulation at the same time, using CF1 for total AWAT T,
CF2 for total BWAT T, and CF3 for total C WAT T, configure the
CFMODE register, the CF1SEL, CF2SEL, and CF3SEL bits = 000;
the COMPMODE register, TERMSEL0[2:0] bits = 001; the
COMPMODE register, TERMSEL1[2:0] bits = 010; and the
COMPMODE register, TERMSEL2[2:0] bits = 100
Configuring the Maximum CF Pulse Output Frequency
It is recommended to write xTHR = 0x0010_0000. CFxDEN
can range from 2 to 65535. Configure CFxDEN to tune the CF
frequency output. The relationship between the xTHR, CFxDEN,
and AWATT values is given in the following equation:
××
×
=CFxDENxTHR
AWATTf
CF DTOF
512
)Hz(
Then, the maximum recommended CF pulse output frequency
is 78.862 kHz.
kHz9.78
25120000_0010x0
066,694,2010096.4
)Hz(_
6
=
××
××
=
CFMAXIMUM
where:
fDTOF is 4.096MHz.
AWAT T is the value at full scale, 20,694,066.
xTHR is 0x0010_0000.
CFDEN is 2.
The default CF pulse output using power-on reset values of
xTHR and CFxDEN with full-scale inputs is
Hz5.
38
xFFFF0
512FFFF_
0000x0
066,694
,2010
096.4
)Hz(_
6
=
×
×
×
×
=
CFMAXIMUM
Configuring the CF Pulse Width
The pulse width is determined by the CFx_LT bit in the
CF_LCFG register and the CF_LTMR register value.
With CFx_LT equal to zero, the active low pulse width is set at
80 ms for frequencies lower than 1/(2 × 80 ms) = 6.25 Hz. For
higher frequencies, the duty cycle is 50% if CFxDEN is even, or
(1 + 1/CFxDEN) × 50% if CFxDEN is odd.
If CFx_LT is set to 1, the CF active low pulse width is
CF_LTMR × 6/CLKIN. The maximum CF_LTMR is 327680 =
0x0005_0000, which results in a 327680/(6/CLKIN) = 80 ms
pulse. CF_LTMR must be greater than zero.
Table 16. CF Active Low Pulse Width and Duty Cycle based on CFx_LT and CF_LTMR
CFx_LT
Active Low Pulse Width
for Low Frequencies (ms)
Active Low Pulse Width for
High Frequencies when
CFxDEN is Even
Active Low Pulse Width for
High Frequencies when
CFxDEN is Odd
Behavior when
Entering No-Load
0 80 50% (1 + 1/CFxDEN) × 50% If CFx is low, finish current pulse,
then return high.
1 CF_LTMR × 6/CLKIN × 1000 50% (1 + 1/CFxDEN) × 50% If CFx is low, keep CFx low until
no-load state is finished.
regulars I
on [RQO
ADE9000 Technical Reference Manual UG-1098
Rev. 0 | Page 23 of 86
CF Pulse Sign
Some applications must record positive and negative energy usage
separately. To facilitate this, the SUMxSIGN bits in the PHSIGN
register indicate whether the sum of the energy that went into
the last CFx pulse was positive or negative. SUMxSIGN is zero
if the sum of the energy that went into the CFx pulse is positive,
and equal to one if the sum of the energy was negative.
Furthermore, the REVPSUMx bits in the STATUS0 register and
EVENT_STATUS register indicate if the CF polarity changed sign.
For example, if the last CF2 pulse represents positive reactive
energy and the next CF2 pulse represents negative reactive energy,
the REVPSUM2 bit in the STATUS0 and EVENT_STATUS
registers is set. This event can be enabled to generate an interrupt
on IRQ0.
Clearing the CF Accumulator
It can be desirable to clear out a partial CF accumulation, for
example, during the power-up and initialization process. To
clear the accumulation in the digital to frequency converter and
CFDEN counter, write the CF_ACC_CLR bit in the CONFIG1
register to 1. The CF_ACC_CLR bit automatically clears itself.
Disabling the CF Pulse Output and CFx Interrupt
To disable the CFx pulse output and keep the CFx output high,
write a 1 to the CFx_DIS bit in the CFMODE register. If the
CFx output is disabled, the CFx bit in STATUS0 is not set when
a new CF pulse is ready. Note that the REVPSUMx bits, which
indicate if CF pulses were positive or negative, are not affected
by the CFx_DIS setting.
POWER ACCUMULATION
Figure 21 shows how AWATT low-pass filtered active power
samples are accumulated to provide an accurate active power
value in the AWATT_ACC register. The sign of the Phase A
total active power accumulation is monitored in the REVAPA
status bit, and interrupts can be enabled if the power changes
sign. There are corresponding x_ACC accumulations for each
power on each phase and REVx status bits in STATUS0 to
indicate if the power changes sign.
Power Accumulation Details
Figure 21 shows how AWATT values are accumulated into an
internal power accumulator and then are latched into the
xWATT_ACC register at a rate of P W R R DY.
PWRRDY is set after PWR_TIME + 1 samples at 8 ksps have
been accumulated. The power accumulation time can be
calculated according to the following equation:
+
=8000
1_
(sec)
TIMEPWR
TimeonAccumulatiPowerInternal
The PWR_TIME[12:0] register allows up to (8191 + 1) =
8192 samples to be accumulated, which corresponds to
8192/8000 = 1.024 sec:
sec024.1
8000
18091
(sec)
=
+
=
TimeonAccumulatiPowerInternal
The internal power accumulator overflows at the same rate as
the internal energy accumulator (see the Internal Energy
Register Overflow Rate section).
Accessing the User Power Registers
Each 42-bit user accessible signed power accumulator is divided
into a register containing the 32 most significant bits, x_ACC,
as shown in Figure 24.
f
DSP
0
INTERNAL
POWER
ACCUMULATOR
41 31
++
31 0
AWATT_ACC
AWATT
13
15523-025
Figure 25. Internal Power Register to AWATT_ACC
The expected user power accumulation can be calculated
according to this formula based on the average AWATT value.
USER_POWER_ACCUMULATION =
AWATT × (PWR_TIME + 1)
Then, expected data in the 32-bit power accumulation registers
(xWATT_ACC, xVAR_ACC, a nd x VA _AC C ) can be calculated
as follows:
Power accumulation register =
ROUNDDOWN(USER_POWER_ACCUMULATION × 2−13)
For example, if 4000 samples of AWATT are accumulated, at
8 ksps with full-scale inputs, the expected value of
AWATT_ACC is 0x009B_0003:
USER_POWER_ACCUMULATION =
20,694,066 × (3999 + 1) = 82776264000
AWATT_ACC = ROUNDDOWN(82776264000 × 2−13) =
10104524 = 0x009A_2ECC
To determine the consumption in watts, multiply xWATT_ACC
by the W/LSB constant: xWAT T _ A C C × W/LSB.
Note that W/LSB varies with PWR_TIME accumulation time.
Power Sign Detection
The REVRPC, REVRPB, REVRPA, REVAPC, REVAPB, and
REVAPA bits in the STATUS0 register allow the user to monitor
if the active or reactive power on any phase has changed sign.
The PWR_SIGN_SEL[1:0] bits allow the user to select whether
the power sign change follows the total or fundamental
energies. To have the REVAPx power sign status bits track total
watt, PWR_SIGN_SEL[0] = 0. To track fundamental VAR on
REVRPx bits, write PWR_SIGN_SEL[1] = 1.
UG-1098 ADE9000 Technical Reference Manual
Rev. 0 | Page 24 of 86
The CVARSIGN, CWSIGN, BVARSIGN, BWSIGN, AVARSIGN,
and AWSIGN bits in the PHSIGN register indicate whether the
total or fundamental VAR and WATT selected in the
PWR_SIGN_SEL[1:0] bits are positive or negative.
The power signs are updated at the same time as the
xWATT_ACC, xFWATT_ACC, xVAR_ACC, and x F VA R _AC C
registers and correspond to the sign of these registers. Note that
the power registers and signs are updated after the number of
fDSP = 8 ksps samples configured in the PWR_TIME register
have elapsed, from 250 µs to 1.024 sec. The power sign change
indication in the REVxPx bits are updated at the same time; see
the Power Accumulation Details section for more information.
The ADE9000 allows the user to accumulate total watt and VAR
powers into separate positive and negative registers:
PWATT_ACC and NWATT_ACC, PVAR_ACC and
NVAR_ACC. This is done by evaluating the AWAT T, l ow-pass
filtered active power every 8 ksps. If the AWATT is positive, it is
added to the PWATT_ACC accumulation. If the AWATT is
negative, the absolute value is added to the NWATT_ACC
accumulation. A new accumulation from zero begins when the
power update interval set in PWR_TIMER has elapsed. The
positive and negative total watt and total VAR from all three
phases are added into the positive/negative watt and VAR
accumulations.
AWATT
INTERNAL POWER
ACCUMULATOR
AWATT, LOW PASS
FILTERED
ACTIVE POWER
POSITIVE
ACTIVE POWER,
PWATT_ACC
PHASE A ACTIVE POWER
SIGN INDICATION:
AWSIGN, IN PHSIGN
POWER UP DATE INTERVAL
SET IN PWR_TIME
ACCUMULATED
ACTIVE POWER,
AWATT_ACC
NEGATIVE
ACTIVE POWER,
NWATT_ACC
PHASE A ACTIVE POWER
SIGN CHANGE INDICATION:
REVAPA, IN STATUS0
CLEARED AFTER USER WRITES STATUS0
REGISTER WITH REVAPA BIT SET,
15523-026
Figure 26. Power Accumulation and Power Sign
POWER QUALITY MEASUREMENTS
Zero-Crossing Detection
The ADE9000 offers zero-crossing detection on the VA, VB, VC,
IA, IB, and IC input signals. The neutral current channel, IN,
does not contain a zero-crossing detection circuit. The zero-
crossing circuit is used as the time base for resampling, line
period, angle measurements, and energy accumulation using
line cycle accumulation mode. The xV_PCF and xI_PCF are the
voltage and current channel waveforms processed by the DSP,
and which can be stored into the waveform buffer at a 8 ksps data
rate (see the Waveform Buffer section for more information).
The ZX_SRC_SEL bit in the CONFIG0 register sets whether
data going into the zero-crossing detection circuit comes before
or after the high-pass filter, integrator, and phase compensation.
By default, the data after phase compensation is used. Note that
the high-pass filter has 500 ms settling time with a step change
in the input; therefore, for a fast response, it is recommended to
set ZX_SRC_SEL to look for a zero-crossing before the high-
pass filter. If a high-pass filter is disabled with the HPFDIS bit in
the CONFIG0 register equal to 1, or if the ZX_SRC_SEL bit in
the CONFIG0 register is equal to 1, note that a dc offset on the
input may cause the time between negative to positive and
positive to negative zero-crossings and positive to negative to
negative to positive zero-crossings to change, indicating that the
ZX detection does not have a 50% duty cycle.
The current and voltage signals are low-pass filtered to remove
harmonics. The low-pass filter, LPF1, has a corner of 82 Hz and
the equation is as follows:
1
4
)
41(
1
2
)(
−
−
−−
=z
zH
The low-pass filter settling time is 71 samples, 71/8 ksps, which
equals 8.875 ms.
Figure 27 shows the delay between the detected zero-crossing
signal and the input. Note that there is a 4.3 ms delay between
the input signal zero-crossing and the ZX zero-crossing
indication, with a 50Hz input signal. Zero-crossings are
generated on both negative to positive and positive to negative
transitions.
IA, IB, IC,
OR VA, VB, VC
4.3ms AT 50Hz
1
0.86
0V ZX ZX
ZX
ZX
LPF1 OUTPUT
15523-027
Figure 27. Zero-Crossing Detection on Voltage and Current Channels
To provide protection from noise, the voltage channel zero-
crossing events (ZXVA, ZXVB, and ZXVC) are not generated if
the absolute value of the LPF1 output voltage is smaller than the
threshold, ZXTHRSH. The current channel ZX detection outputs
(ZXIA, ZXIB, and ZXIC) are active for all input signals levels.
W
W
W
ADE9000 Technical Reference Manual UG-1098
Rev. 0 | Page 25 of 86
The zero-crossing threshold, ZXTHRSH, can be calculated
from the following equation:
8
232
)_()_(
××
×
=
X
NATTENUATIOLPF1ScaleFullatPCFV
ZXTHRSH
where:
V_PCF at full scale is ±74,532,013 (decimal).
X is the dynamic range that the zero-crossing must be blocked
below.
LPF1_AT TENUATION is 0.86 at 50 Hz and 0.81 at 60 Hz, the
gain attenuation of the LPF1 filter.
For example, to prevent signals 100 times lower than full scale
from generating a ZX output, set ZXTHRSH to 78 (decimal):
d
78
232
100
)86.0()013,532,74(
8
=
××
×
=ZXTHRSH
Additionally, to prevent false zero-crossings, after a ZX is
generated, 1 ms must elapse before the next ZX can be output.
Combin ed Voltage Zero-Crossing
Phase A, Phase B, and Phase C voltage channel signals are
combined to generate one zero-crossing signal, ZX_COMB, that
is stable even if one or more phases drops out.
The input to the zero-crossing detection is (VA + VB − VC)/2
with the signal chain corresponding to Figure 28. As described
in the Applying the ADE9000 to Different Metering
Configurations section, the ADE9000 can be used to meter
different polyphase configurations. The VCONSEL[2:0] bits in
the ACCMODE register are used to indicate this selection. If
VCONSEL[2:0] is not equal to 0, the VB component in the
combined zero-crossing circuit is set to zero.
The same precautions are used to prevent noise from generating
zero-crossing interrupts on this output. As described in the
Zero-Crossing Detection section, signals below the ZXTHRSH
threshold do not generate ZXCOMB outputs, and a minimum
of 1 ms is required between ZXCOMB generation.
HPF
ZX DETECTION,
LINE PERIOD
CALCULATION
PHASE
COMP
HPFDIS
HPFDIS
HPFDIS
ZX_SRC_SEL
AV_PCF
PHASE A
PHASE B
PHASE C
(VA + VB – VC)/2
HPF
ZX_SRC_SEL
BV_PCF
HPF
PHASE
COMP
ZX_SRC_SEL
CV_PCF
÷2
VCONSEL[2:0]
0
PHASE
COMP
15523-028
LPF1
Figure 28. Combined Zero-Crossing Detection
‘ mm: Musunmzm
‘ zx oumn 0M crux pm
UG-1098 ADE9000 Technical Reference Manual
Rev. 0 | Page 26 of 86
Zero-Crossing Output Rates
There are seven zero-crossing detection circuits that monitor
IA, IB, IC, VA, VB, VC, and the combined (VA + VB − VC)/2
signal. The zero-crossing detection circuits have two different
output rates: 8 ksps and 1024 ksps. The 8 ksps zero-crossing
signal is used to calculate the line period, sent to the ZXx bits in
the STATUS1 register, and is monitored by the zero-crossing
timeout, phase sequence error detection, resampling and energy
accumulation functions. The 1024 ksps signal is used for angle
measurements and is output on the CF3/ZX pin if the
CF3_CFG bit in the CONFIG1 register is equal to 1.
Table 17 indicates which zero-crossing edges (negative to
positive and positive to negative) are used for each function and
indicates what happens if a zero-crossing is blocked because the
input signal is below the user configured ZXTHRSH.
The CF3/ZX output pin goes from low to high when a negative
to positive transition is detected and from high to low when a
positive to negative transition occurs. The ZX_SEL[1:0] bits in
the ZX_LP_SEL register select the zero-crossing output used for
line cycle energy accumulation and the ZX output pin.
xx_PCF
LPF1
ZX_SRC_SEL
ZX DETECTION
ANGLE MEASUREMENT
ZX OUTPUT ON CF3/ZX PIN
f
DSP
CLKIN/24UPDATE
÷32
ZX INDICATION IN STATUS1
ZERO-CROSSING TIMEOUT
PHASE SEQUENCE ERROR DETECTION
RESAMPLING, ENERGYACCUMULATION
LINE PERIOD
15523-029
Figure 29. Zero-Crossing Output Rates
Table 17. Zero-Crossing Use in Other Functions
Functions Using
Zero-Crossing
ZX Transitions
Used
Corresponding
STATUS1
Register Bits
Selecting which Phase
to Use for Measurement Effect if ZX Does Not Occur
ZX Indication in
STATUS1 Register
Negative to
positive, and
positive to negative
ZXIA, ZXIB, ZXIC,
ZXVA, ZXVB,
ZXVC, ZXCOMB
Not applicable ZXx bit is latched in STATUS1. If cleared, it is
not set again. ZXx interrupt does not occur.
Zero-Crossing Timeout Negative to
positive, and
positive to negative
ZXTOVA,
ZXTOVB,
ZXTOVC
Not applicable Zero-crossing timeout is indicated by the
ZXTOUT bit in the STATUS1 register and an
interrupt can be enabled to occur.
Phase Sequence Error
Detection
Depends on
VCONSEL[2:0]
setting
SEQERR Not applicable If one to two ZX events are missing, SEQERR
is generated. If all ZX are missing then
SEQERR bit is note set.
Energy Accumulation Negative to
positive, and
positive to negative
Not applicable ZX_LP_SEL.ZX_SEL[1:0]
selects the zero-crossing
output used for line cycle
energy accumulation and
ZX output pin.
Line cycle accumulation does not update.
Line Period Measurement Negative to
positive
Not applicable Not applicable Coerced to default value: 0x00A0_0000 if
ACCMODE.SELFREQ = 0, for a 50 Hz network;
0x0085_5554 if ACCMODE.SELFREQ = 1, for a
60 Hz network.
Resampling, RMS½,
10 Cycle RMS/12 Cycle
RMS
None
Not applicable
ZX_LP_SEL.LP_SEL[1:0]
selects the phase voltage
line period used as the
basis for for these
calculations.
If the selected line period is invalid because
zero-crossings are not detected or the
calculation results in something outside a
40 Hz to 70 Hz range, the line period used for
the calculation is coerced to the default line
period: 0x00A0_0000 if ACCMODE.SELFREQ
= 0, for a 50 Hz network; 0x0085_5554 if
ACCMODE.SELFREQ = 1, for a 60 Hz network.
Angle Measurements Negative to
positive
Not applicable Not applicable Does not update; keeps last value.
ZX Output on CF3/ZX Pin Negative to
positive, and
positive to negative
Not applicable ZX_LP_SEL.ZX_SEL[1:0]
selects the zero-crossing
output used for line cycle
energy accumulation and
ZX output pin.
Remains at current state; high or low.
PHASE A PHASE 5 nus: z:
ADE9000 Technical Reference Manual UG-1098
Rev. 0 | Page 27 of 86
Zero-Crossing Timeout
The zero-crossing timeout feature alerts the user if a zero-
crossing event is not generated after a user configured amount of
time. If a zero-crossing on is not received after ZXTOUT 8 ksps
clocks, the corresponding ZXTOx bit in the STATUS1 register is
set. For example, if ZXTOUT is equal to 8000, if a zero-crossing is
not then received on Phase A for 8000/8 ksps = 1 sec, the ZXTOA
bit is set in the STATUS1 register. The maximum value that can
be written to the ZXTOUT register is 0xFFFF/8000 = 8.19 sec.
Line Period Calculation
The ADE9000 line period measurement is done by taking the
values low-pass filtered by LPF1, as described in the Zero-
Crossing Detection section, and then using the two values near
the positive to negative zero-crossing to calculate the exact
zero-crossing point using linear interpolation. This information
is used to precisely calculate the line period, which is stored in
the xPERIOD register.
4.3ms AT 50Hz
Ix,Vx
0.86
0V LPF1 OUTPUT
POS2 POS1 POS2
x
x
x
x
POS1
15523-030
Figure 30. Line Period Calculation using Zero-Crossing Detection and
Linear Interpolation
The line period, TL, can be calculated from the xPERIOD
register according to the following equation:
(sec)
2
8000
1
16
×
+
=xPERIOD
T
L
Similarly, the line frequency can be calculated from the
xPERIOD register, using the following equation:
)Hz(
1
28000
16
+
×
=xPERIOD
f
L
With a 50 Hz input, the xPERIOD register is 0x00A0_0000,
10485760 (decimal), and with 60 Hz, it is 0x0085_5554,
8738132 (decimal).
If the calculated period value is outside the range of 40 Hz to
70 Hz, or if the negative to positive zero-crossings for that phase
are not detected, the xPERIOD register be coerced to
correspond to 50 Hz or 60 Hz, according to the setting of the
SELFREQ bit in the ACCMODE register. With SELFREQ equal
to 0 for a 50 Hz network, the xPERIOD register is coerced to
0x00A0_0000. If SELFREQ is 1, indicating a 60 Hz network, the
xPERIOD register is coerced to 0x0085_5554.
The line period is calculated for the Phase A, Phase B, and
Phase C voltages and the combined voltage signal, as described
in the Combined Voltage Zero-Crossing section, and stored in
the APERIOD, BPERIOD, CPERIOD, and COM_PERIOD
registers, respectively.
The line period calculation is used for the resampling
measurement. Select which phase voltage line period is used as
the basis for resampling calculation using the LP_SEL[1:0] bits
in the ZX_LP_SEL register, or select a user configured value
written in USER_PERIOD using the UPERIOD_SEL bit in the
CONFIG2 register.
The user period selection can help in applications where the
user has another algorithm to determine the line frequency, or
if it is preferred to always assume a certain line frequency when
resampling or calculating a fast rms measurement.
USER_PERIOD[31:0] has the same scaling as the xPERIOD
registers. Write USER_PERIOD[31:0] to 0x00A0_0000 for
50 Hz and 0x0085_5554 for 60 Hz.
Angle Measurement
The ADE9000 measures the time between zero-crossings on
each phase. This measurement helps to determine if the system
is balanced properly or to figure out if there was an installation
error. The user can check if the phase angles correspond to the
ones in the phasor diagrams in the Applying the ADE9000 to
Different Metering Configurations section.
The times between positive to negative zero-crossings are
measured using a CLKIN/24 = 24.576/24 = 1024 kHz clock.
The time between the zero-crossing on Phase A and Phase B is
stored in the ANGL_VA_VB register. The resolution of the
ANGLx_x2x register is (1/(1024 × 1000))/20 ms × 360° =
0.017578125° at 50 Hz.
The time between the zero-crossing on Phase B and C is stored
in the ANGL_VB_VC register, and the time in between the
zero-crossings on Phase A and C is stored in the
ANGL_VA_VC register, as shown in Figure 31.
ANGL_VA_VB ANGL_VB_VC
ANGL_VA_VC
15523-031
Figure 31. Voltage to Voltage Phase Angle
The angle in degrees can be calculated from the following
equation with a 50 Hz line period:
Angle (degrees) = ANGL_VA_VB × 0.017578125/LSB
For a 4-wire wye configuration, the expected ANGL_VA_VB
and ANGL_VB_VC is 120°/0.017578125 = 3413 (decimal). Note
that the expected ANGL_VA_VC from the Phase A voltage to
Phase C voltage is 240°/0.017578125 = 13653 (decimal), which
corresponds to a 120° angle between Phase C and Phase A.
The current to current zero-crossings are also measured. This
measurement is done similarly to the voltage to voltage phase
angle described previously, except the current channel zero-
m» w ,3
‘ \Mfl fl}
UG-1098 ADE9000 Technical Reference Manual
Rev. 0 | Page 28 of 86
crossings are used as the reference. The time between the zero-
crossing on Phase A and Phase B is stored in the ANGL_IA_IB
register. The time between the zero-crossing on Phase B and
Phase C is stored in the ANGL_IB_IC register, and the time in
between the zero-crossings on Phase A and Phase C is stored in
the ANGL_IA_IC register.
The voltage to current phase angles are measured as well.
These angles can be used to determine the power factor at the
fundamental. ANGL_VA_IA reflects the phase angle between
the Phase A voltage and current, as shown in Figure 32.
ANGL_VB_IB holds the Phase B voltage to current phase angle,
and ANGL_VC_IC holds the Phase C voltage to current phase
angle.
PHASE A
CURRENT
ANGL_VA_IA
PHASE A
VOLTAGE
15523-032
Figure 32. Voltage to Current Phase Angles
Note that if the magnitude of the voltage channel is below the
user configured zero-crossing threshold, the zero-crossing
output for that phase is not generated. In this event, the
corresponding ANGLx_x2x measurements are not updated; the
last value remains in the register. The current channel does not
have these thresholds. With a low input signal level, spurious
zero-crossing events may be generated on the current channel,
which results in ANGLx_I2I and ANGLx_V2I readings that are
not meaningful.
Phase Sequence Error Detection
4-Wire Wye and 4-Wire Delta
For 4-wire wye and 4-wire delta meters, the normal phase
sequence is shown in Figure 33.
ZXCZXB
PHASE A PHASE B PHASE C
A,B,C PHASE
VOLTAGES AFTER
LPF1
ZXA
NORMAL PHASE SEQUENCE
SEQERR = 0
15523-033
Figure 33. 4-Wire Wye and 4-Wire Delta Normal Phase Sequence
For a 4-wire wye or 4-wire delta system, VCONSEL[2:0] is 000,
010, or 011, as described in the Applying the ADE9000 to
Different Metering Configurations section. In these 4-wire
systems, the negative to positive transitions on ZXVA, ZXVB,
and ZXVC are monitored to determine if there is a phase
sequence error, as shown in Figure 35. To detect a phase
sequence error, set how many sequences to observe in the
SEQ_CYC register. It is recommended to set SEQ_CYC to 1.
Figure 34 shows a phase sequence error for a 4-wire wye or 4-
wire delta due to a wiring or installation error.
ZXAZXB
PHASE SEQUENCE ERROR
(SEQERR = 1)
SEQERR
A,B,C
PHASE
VOLTAGES
AFTER
LPF1
ZXC
15523-034
Figure 34. 4-Wire Wye and 4-Wire Delta Phase Sequence Error (Wiring Error)
Figure 35 shows that in an installation with the normal phase
sequence, a phase sequence error is generated if a phase voltage
drops below the ZXTHRSH.
ZXC
ZXB
A,B,C
PHASE
VOLTAGES
AFTER
LPF1
PHASE SEQUENCE ERROR
ZXCZXB ZXC
ZXB
SEQERR
ZXA
15523-035
Figure 35. 4-Wire Wye, 4-Wire Delta Phase Sequence Error from a Phase
Voltage Dropping Below ZXTHRSH with SEQ_CYC = 1
3-Wire Delta
For a 3-wire delta system, VCONSEL[2:0] is 001 or 100, as
described in the Applying the ADE9000 to Different Metering
Configurations section. In a 3-wire delta system, the ZXVC and
ZXVA positive to negative and negative to positive transitions
are monitored to detect a phase sequence error. Figure 36 shows
the normal phase sequence for a 3-wire delta with
VCONSEL[2:0] = 001.
ADE9000 Technical Reference Manual UG-1098
Rev. 0 | Page 29 of 86
ZXA_POS ZXC_NEG
PHASE A
= VAB
PHASE C
= VCB
VA,VC
AFTER LPF1
ZXC_POS
NORMAL PHASE SEQUENCE
SEQERR = 0
ZXA_NEG
15523-036
Figure 36. 3-Wire Delta Normal Phase Sequence
Write SEQ_CYC to indicate how many consecutive incorrect
transitions must be observed before raising the SEQ_ERR
interrupt. It is recommended to set SEQ_CYC to 1. Figure 37
shows an installation error for 3-wire delta that results in a
detected phase sequence error.
15523-037
ZXC_POS
PHASE APHASE C
VA, VB, VC
AFTER LPF1
STATUS1.
SEQERR
ZXC_NEG
STATUS1.SEQERR
SET TO 1
WRITE STATUS1.SEQERR = 1
TO ACKNOWLEDGE THIS EVENT
AND CLEAR STATUS1.SEQERR
ZXA_POS ZXA_NEG
Figure 37. 3-wire Delta Phase Sequence Error (Wiring Error)
Figure 38 shows that in an installation with the normal phase
sequence, a phase sequence error is generated if one of the
phase voltage drops below the ZXTHRSH.
PHASE A
PHASE C
VA,VB,VC
AFTERLPF1
STATUS1.
SEQERR
ZXC_NEG
ZXA_POS ZXA_NEGZXA_NEG ZXA_POS ZXA_POS ZXA_NEG
STATUS1.SEQERR
SETTO1 WRITE STATUS1.SEQERR = 1
TO ACKNOWLEDGE THIS EVENT
AND CLEAR STATUS1.SEQERR
ZXC_POS
15523-038
Figure 38. 3-Wire Delta Phase Sequence Error from a Phase Voltage
Dropping Below ZXTHRSH with SEQ_CYC = 1
Fast RMS½ and 10/12 RMS Measurements
RMS½ is an rms measurement done over one line cycle,
updated every half cycle.
This measurement is provided for voltage and current on all
phases plus the neutral current. All the half cycle rms
measurements are done over the same time interval and update
at the same time, as indicated by the RMSONERDY bit in the
STATUS0 register. The results are stored in the AIRMSONE,
BIRMSONE, CIRMSONE, NIRMSONE, AVRMSONE,
BVRMSONE, and CVRMSONE registers.
By default, the number of samples used in the calculation varies
with measured line frequency. The LP_SEL bits in the ZX_LP_SEL
register select which line period measurement is used to set the
number of samples used in the RMS½ measurement.
Alternatively, the user can set the number of samples used in
the calculation by setting the UPERIOD_SEL bit in CONFIG2,
where the user configured USER_PERIOD register is used
instead of the selected line period measurement. For more
information about USER_PERIOD and the line period
measurements, see the Line Period Calculation section.
The samples used for the RMS½ calculation can come from
before the high-pass filter or after the integrator, as selected in
the RMS_SRC_SEL bit in the CONFIG0 register.
Because the high-pass filter has a significant settling time
associated with it, it is recommended to use the data from
before the high-pass filter for the fastest response time.
An offset correction register is provided for even better
performance with small input signal levels, xRMSONEOS.
The xRMSONE register reading with full-scale inputs is
52,702,092 (decimal).
The 10 cycle rms/12 cycle rms measurement is done over 10 cycles
on a 50 Hz network, or 12 cycles on a 60 Hz network.
An offset correction register is provided for even better
performance with small input signal levels, xRMS1012OS.
The xRMS1012 register reading with full scale inputs is
52,702,092 (decimal).
Table 18 shows the ½ cycle rms settling times for a 50 Hz signal.
Table 19 shows the 10 cycle rms/12 cycle rms settling times for a
50 Hz signal.
Table 18. ½ RMS Settling Time
Configuration
½ RMS Settling Time,
FS = 99% (sec)
Integrator On, HPF On, and LPF2 On 0.26
Integrator Off, HPF On, and LPF2 On 0.06
Table 19. 10 Cycle RMS/12 Cycle RMS Settling Time
Configuration
10/12 RMS Settling Time,
FS = 99% (sec)
Integrator On, HPF On, and LPF2 On 0.6
Integrator Off, HPF On, and LPF2 On
0.2
l‘hc d
IRQI
(le evem
/ EVEN 1‘
r m precise
(EVEN ‘
UG-1098 ADE9000 Technical Reference Manual
Rev. 0 | Page 30 of 86
Dip/Swell Indication
Dip indicates if the voltage went below a specified threshold for a
user configured number of cycles. Conversely, swell indicates if the
voltage went above a threshold for a specified number of cycles.
Set the DIP_LVL register to correspond to the RMS½ value to
trigger the dip event, according to this equation:
DIP_LVL = xVRMSONE × 2−5
Configure the number of cycles to observe the RMS½ value
over in the DIP_CYC register.
The RMS½ voltages on Phase A, Phase B, and Phase C is
compared to the DIP_LVL over the specified DIP_CYC. If the
RMS½ voltage is low for the specified number of DIP_CYC, the
dip event has occurred on that phase and the corresponding
DIPA, DIPB, and DIPC bits are set in the STATUS1 register.
The dip event can be configured to generate an interrupt on the
IRQ1 pin
The dip event can be configured to generate an event on the
CF4/EVENT/DREADY pin, if the corresponding bits are set in
the EVENT_MASK register. This allows the user to precisely
time the duration of a dip or swell, using the CF4/EVENT/
DREADY pin in combination with a timer on an external
microcontroller.
The minimum RMS½ value measured during the dip is stored
in the corresponding DIPA, DIPB, and DIPC registers.
Similarly, the swell indication has a SWELL_LVL register to set
the swell threshold, according to this equation:
SWELL_LVL = xVRMSONE × 2−5
There is also a SWELL_CYC register. The maximum RMS½
voltage value measured during the swell is stored in the
corresponding SWELLA, SWELLB, and SWELLC registers.
If the DIP_SWELL_IRQ_MODE bit is set to 0 in the
CONFIG1 register, an interrupt is generated every DIP_CYC/
SWELL_CYC cycles. If DIP_SWELL_IRQ_MODE is set to 1,
one interrupt is generated when dip/swell mode is entered and
another interrupt is generated on exit. The mode is changed
after DIP_CYC cycles. Note that if DIP_CYC/SWELL_CYC = 1,
an extra interrupt is generated on exit of the dip/swell condition,
and the dip/swell value, DIPx/SWELLx, is updated at that time,
which exceeds the DIP_LVL/SWELL_LVL value.
Overcurrent Indication
Overcurrent indication monitors the RMS½ current
measurements. If a RMS½ current is greater than the user
configured OILVL, the overcurrent threshold, this is indicated
in the OI bit in the STATUS1 register.
OILVL = xIRMSONE × 2−5
The OC_EN[3:0] bits in the CONFIG3 register select which
phases to monitor for overcurrent events.
The OIPHASE[3:0] bits in the OISTATUS register indicate
which current channels had RMS½ measurements greater than
the threshold.
If a phase is enabled, with the corresponding OC_EN bit set
and RMS½ current greater than the threshold, the OI status is
set and the RMS½ value is stored in the corresponding OIx
register. If a phase is disabled, or an overcurrent event does not
occur on that phase, the OIx register keeps the last value.
Peak Detection
The ADE9000 records the peak value measured on the current
and voltage channels, from the xI_PCF and xV_PCF waveforms.
The PEAKSEL[2:0] bits in the CONFIG3 register allow the user
to select which phases to monitor. Set PEAKSEL[2] to monitor
Phase C, PEAKSEL[1] for Phase B, and PEAKSEL[0] for Phase A.
Set PEAKSEL[2:0] = 111 (binary) to monitor all three phases.
The IPEAK register stores the peak current value in
IPEAKVAL[23:0] and indicates which phase(s) currents
reached the value in the IPPHASE[2:0] bits. IPEAKVAL is equal
to xI_PCF/25.
IPPHASE[2] indicates that Phase C had the peak value,
IPPHASE[1] indicates Phase B, and IPPHASE[0] indicates
Phase A.
Similarly, VPEAK stores the peak voltage value in
VPEAKVAL[23:0]. VPEAKVAL is equal to xV_PCF/25.
VPPHASE[2] indicates if Phase C had the peak voltage value,
VPPHASE[1] indicates Phase B, and VPPHASE[0] indicates
Phase A.
When the user reads the IPEAK register, its value is reset. The
same is true for reading VPEAK.
Power Factor
The total active power and total apparent power are
accumulated over 1.024 sec. Then, the power factor is calculated
on each phase according to this equation:
sec024.1
sec
024.1
overdaccumulateAVA
overdaccumulateAWATT
APF =
The sign of the APF calculation follows the sign of AWATT.
To figure out what quadrant the energy is in, look at the sign of
the total or fundamental reactive energy in that phase along
with the sign of the xPF or xWATT value, as indicated in the
data sheet. Quadrant I and Quadrant III have capacitive power
factors, and Quadrant II and Quadrant IV have inductive power
factors. Note that for most applications, the watts are received
(imported) from the grid, and therefore the watt and VAR stay
within Quadrant I and Quadrant I V.
ADE9000 Technical Reference Manual UG-1098
Rev. 0 | Page 31 of 86
V
I
CAPACITIVE:
CURRENT LEADS
VOLTAGE
INDUCTIVE:
CURRENT LAGS
VOLTAGE
WATT
VAR
270° LAGGING
90° LAGGING
INDUCTIVE:
CURRENT LAGS
VOLTAGE
CAPACITIVE:
CURRENT LEADS
VOLTAGE
WATT (–)
VAR (+)
QUADRANT II
WATT (+)
VAR (+)
QUADRANT I
WATT (–)
VAR (–)
QUADRANT III
WATT (+)
VAR (–)
QUADRANT IV
WATT(+) INDICATES POWER RECEIVED (IMPORTED FROM GRID)
WATT(–) INDICATES POWER DELIVERED (EXPORTED TO GRID)
θ
2
= 60° PF
2
= 0.5 IND
θ
1
= –30° PF
1
= 0.866 CAP
15523-039
Figure 39. Watt and VAR Sign for Capacitive and Inductive Loads
The power factor results is stored in 5.27 format. The highest power
factor value is 0x07FF_FFFF, which corresponds to a power factor
of 1. A power factor of −1 is stored as 0xF800_0000. To determine
the power factor from the xPF register value, use this equation:
Power Factor = APF × 2−27
Total Harmonic Distortion
Total harmonic distortion (THD) is calculated once per second
using total and fundamental rms values, as shown in this
equation:
2
22
AIFRMS
AIFRMSAIRMS
AITHD −
=
The THD calculation is stored in signed 5.27 format. The
highest THD value is 0x2000_0000, which corresponds to a
THD of 400%. To obtain the THD value as a percentage, use
this equation:
%THD on Current Channel A = AITHD × 2−27 × 100%
A THD calculation is available on the IA, IB, IC, VA, VB, and VC
channels in the AITHD, BITHD, CITHD, AVTHD, BVTHD, and
CVTHD registers, respectively. Note that a THD measurement is
not available on the IN channel.
TEMPERATURE
The ADE9000 includes a temperature measurement unit that
uses a temperature sensor in conjunction with a 12-bit
successive approximation register (SAR) ADC.
TEMP
SENSOR AVERAGE
(1,256,512,1024 TSENS_RESULT
12-BIT SAR
15523-040
Figure 40. Temperature Measurement Block Diagram
Enable the temperature sensor by setting the TEMP_EN bit in
the TEMP_CFG register. TEMP_TIME[1:0] allows 1, 256, 512,
or 1024 temperature readings to be averaged, producing a result
after 1.25 ms to 1.3 sec. A temperature acquisition cycle is
started by setting the TEMP_START bit in the TEMP_CFG
register. The result is available in the TEMP_RSLT register. The
TEMP_START bit is self clearing. Set the TEMP_START bit to
obtain a new reading. Set the TEMP_RDY bit in the MASK0
register to receive an interrupt when a new temperature
measurement is available.
The temperature reading offset and gain is measured during
production test and stored in the TEMP_TRIM register. To
convert the temperature readings in TEMP_RSLT into a
temperature in degrees Celsius, use this equation:
Temperature (°C) = TEMP_RSLT × (−TEMP_GAIN/65536) +
(TEMP_OFFSET/32)
fi
’ W—f
[nun f
MOSI .5 n 31 n D
mso
R mpu
$5
relur 55
d m 58
SS
UG-1098 ADE9000 Technical Reference Manual
Rev. 0 | Page 32 of 86
ACCESSING ON-CHIP DATA
SPI PROTOCOL OVERVIEW
The ADE9000 has a SPI-compatible interface, consisting of four
pins: SCLK, MOSI, MISO, and SS. The ADE9000 is always a SPI
slave; it never initiates SPI communication. The SPI interface is
compatible with 16-bit and 32-bit read/write operations. See the
Register Information section for information about the length
of each register.
Figure 41 shows the connection between the ADE9000 SPI and
a master device that contains a SPI interface.
ADE9000
SPI MASTER
MOSI
MISO
SCLK
SS
MOSI
MISO
SCK
CS
15523-041
Figure 41. Connecting the ADE9000 Slave SPI Port to a Master SPI Device
The SS pin is the chip select input. It is used to start the SPI
communication with the ADE9000.
There are three parts to the ADE9000 SPI protocol: first a 16-bit
command is sent, which indicates whether a read or write
operation is to be performed and which register to access. This
command is followed by the 16-bit or 32-bit data to be written,
in the case of a SPI write, or the data read from the register, in
the case of a SPI read operation. Finally, in the case of a SPI read
operation, a cyclic redundancy check (CRC) of the register data
follows, unless the address is in a region that supports burst
reading, in which case the data from the next register follows
(see the SPI Burst Read section for more information).
The SS input must stay low for the whole SPI transaction.
Bringing SS high during a data transfer operation aborts the
transfer. A new transfer can be initiated by returning the SS
logic input low. It is not recommended to tie SS to ground
because the high to low transition on SS starts the ADE9000 SPI
transaction.
Data shifts into the device at the MOSI logic input on the falling
edge of SCLK, and the device samples the input data on the
rising edge of SCLK. Data shifts out of the ADE9000 at the
MISO logic output on the falling edge of SCLK and must be
sampled by the master device on the rising edge of SCLK. The
most significant bit of the word is shifted in and out first.
MISO has an internal weak pull-up of 100 kΩ, making the default
state of the MISO pin high. It is possible to share the SPI bus with
multiple devices, including multiple ADE9000 devices, if desired.
The ADE9000 is compatible with the following microcontroller
SPI port clock polarity and phase settings: CPOL = 0 and
CPHA = 0 (typically Mode 0), or CPOL = 1 and CPHA = 1
(typically Mode 3).
SCLK
MOSI CMD_HDR = 0x6078
MISO AIRMS AT 0x607 32 BITS
AIRMS AT 0x607 32 BITS BIRMS AT 0x608 32 BITS
31
SS
CRC, 16 BITS
015 0
15 0
31 0
MISO 31 0
BURST_EN = 0
ADDRESS 0x500 TO
ADDRESS 0x6FF
BURST_EN = 1,
ADDRESS 0x500 TO
ADDRESS 0x6FF
15523-042
Figure 42. SPI Read Protocol Example—CRC or Next Data can Follow
The default state of the MOSI pin depends on the master SPI
device. Here, it is assumed to be high (Logic 1).
SCLK
SS
CMD_HDR = 0x00B0 AVGAIN AT 0x00B
15523-043
Figure 43. SPI Write Protocol Example
The maximum serial clock frequency supported by this
interface is 20 MHz.
The SPI read/write operation starts with a 16-bit command
(CMD_HDR), which contains the following information:
• CMD_HDR[15:4], the 12 most significant bits of the
command header, contains the address of the register
(ADDR[11:0]) to be read or written.
• CMD_HDR[3] is the bit that specifies if the current
operation is read/write. Set this bit to 1 for read and 0 for
write.
• CMD_HDR[2:0] are bits that are required for internal chip
timing and can be 1s or 0s. Note that these bits are read
back as 000 in the LAST_CMD register.
Figure 44 shows the information contained in the command
header.
15523-044
ADDRESS
TO BE ACCESSED
ADDR[11:0]
DON’T CARE
BITS
xxx[2:0]
READ = 1
WRITE = 0
15 3
R/W
2 0
Figure 44. Command Header, CMD_HDR [15:0]
on um
ma, 0
on
ADE9000 Technical Reference Manual UG-1098
Rev. 0 | Page 33 of 86
SPI WRITE
A write operation using the SPI interface of the ADE9000 is
initiated when the SS pin goes low and the ADE9000 receives a
16-bit command header (CMD_HDR) with CMD_HDR[3]
equal to 0.
The 16-bit or 32-bit data to be written follows the command
header, with the most significant bit first.
After the last bit of data has been clocked out, the master must
bring the SS line high to release the SPI bus. It is recommended
to have the SCLK line idle high.
SPI READ
A read operation using the SPI interface of the ADE9000 is
initiated when the SS pin goes low and the ADE9000 receives a
16-bit command header (CMD_HDR) with CMD_HDR[3]
equal to 1.
The 16-bit or 32-bit data from the register follows the command
header, with the most significant bit first.
The CRC of the register data is appended if
• BURST_EN = 0 and the address is within the range of
0x000 to 0x6FF.
• BURST_EN = 0 and the address is in the waveform buffer,
0x800 to 0xFFF, and BURST_CHAN is equal to 1111 (binary).
The ADE9000 provides a SPI burst read functionality: instead
of sending the CRC, the following data is from the next address
if the following conditions apply (see the SPI Burst Read section
for more information):
• BURST_EN = 1, and the address is within the range of
0x500 to 0x63C or 0x680 to 0x6BC.
• The address is within the range of 0x800 to 0xFFF, and
BURST_CHAN is not equal to 1111 (binary).
If none of these cases apply, and extra clocks are sent, the
original read data is resent.
Table 20 summarizes which data is sent after the data from the
register addressed in the CMD_HDR; it varies based on the
address being accessed and the BURST_EN selection.
Table 20. Data Clocked Out After Addressed Data, in SPI
Read Operation
Address BURST_EN = 0 BURST_EN = 1
0x000 to 0x4FF CRC Same data is resent
0x500 to 0x6FF CRC Next address
0x800 to 0xFFF
(Waveform Buffer)
If BURST_CHAN =
1111, CRC;
otherwise, next
address
If BURST_CHAN =
1111, same data is
resent; otherwise, next
address
The SS line can be brought high before clocking out the CRC if
this information is not needed in the application.
After the last bit of data, or CRC, has been clocked out, the
master must bring the SS line high to release the SPI bus. Then
the ADE9000 stops driving MISO and enables a 100 kΩ weak
pull-up. It is recommended to have the SCLK line idle high.
An example of what happens when reading the AVGAIN register,
Address 0x00B, when BURST_EN = 0 and 1 is shown in Figure 45.
SCLK
MOSI CMD_HDR = 0x00B8
MISO AVGAIN AT 0x00B
SS
CRC, 16 BITS
015 0
0
31 0
MISO
0
BURST_EN = 0
ADDRESS 0x000 TO
ADDRESS 0x6FF
BURST_EN = 1,
ADDRESS 0x000 TO
ADDRESS 0x6FF
AVGAIN AT 0x00B AVGAIN AT 0x00B
15523-045
Figure 45. SPI Read Protocol Example where the Following Data is the CRC
or the Initial Data is Repeated
SPI BURST READ
SPI burst read allows multiple registers to be read after sending
one CMD_HDR. After the register data has been clocked out,
the ADE9000 auto-increments the address and starts clocking
out the data from the next register address.
SPI burst read access is available on registers with addresses
ranging from 0x500 0x6FF and in the waveform buffer, with
Address 0x800 to Address 0xFFF. SPI burst read is not available
on other register addresses. A SPI burst read operation occurs
for the options in Table 20 where next address is shown.
To enable burst read functionality on the registers from 0x500
to 0x6FF, set the BURST_EN bit in the CONFIG1 register to 1.
The waveform buffer burst read functionality is enabled by
default and is managed by the BURST_CHAN[3:0] bits of the
WFB_CFG register. If these bits are set to 1111 (binary), the
burst read functionality of the waveform buffer is disabled. For
further details on burst read operation of waveform buffer
contents, see the Burst Read Waveform Buffer Samples from SPI
section.
A burst read operation using the SPI interface of the ADE9000
is initiated when the SS pin goes low and the ADE9000 receives a
16-bit command header (CMD_HDR) with CMD_HDR[3]
equal to 1, which meets the criteria in Table 20 where next
address is shown.
Following the command header, ADE9000 sends the register
data for the register addressed in the command. After the last
bit of the first register value is received, the ADE9000 auto-
increments the address and starts clocking out the data from the
next register address. If the starting address is in the range of
Address 0x500 to Address 0x516 and the SPI is clocked beyond
Address 0x516, the address is auto-incremented until it reaches
Address 0x5FF and then wraps back to the initial address. If the
initial address is in the Address 0x600 to Address 0x63C or
Address 0x680 to Address 0x6BC range and the SPI is clocked
beyond Address 0x63C or Address 0x6BC, the address wraps
back to the initial address. This process continues until the
éfliigiig
UG-1098 ADE9000 Technical Reference Manual
Rev. 0 | Page 34 of 86
master sets the SS line high. Then, the ADE9000 stops driving
MISO and enables a 100 kΩ weak pull-up. It is recommended to
have the SCLK line idle high. An example of a SPI burst read
operation is shown in Figure 42, when BURST_EN = 1. For
other examples, see the Burst Read Waveform Buffer Samples
from SPI section.
SPI PROTOCOL CRC
The ADE9000 SPI port calculates a CRC of the data sent out on
its MOSI pin so that the integrity of the data received by the
master can be checked. The CRC of the data sent out on the
MOSI pin during the last register read is offered in a 16-bit
register, CRC_SPI, and can be appended to the SPI read data as
part of the SPI transaction.
The CRC_SPI register value is appended to the 16-/32-bit data
read from the register addressed in the CMD_HDR for the cases
in Table 20 where CRC is written (see the SPI Read section for
more information).
The CRC result can always be read from the CRC_SPI register
directly.
There is no CRC checking as part of the SPI write register
protocol. To ensure the data integrity of the SPI write operation,
read the register back to verify that the value has been written to
the ADE9000 correctly.
ADE9000 CRC Algorithm
The CRC algorithm implemented within the ADE9000 is based
on the CRC-16-CCITT algorithm. The data output on MISO is
introduced into a linear feedback shift register (LFSR)-based
generator one byte at a time, most significant byte first without bit
reversal, as shown in Figure 46 and Figure 47. The 16-bit result
is written in the CRC_SPI register.
LFSR
GENERATOR
a31 a0
15
1623
MISO 32-BIT DATA
2431
24 3116 2315
15523-046
Figure 46. CRC Calculation of 32-Bit SPI Data
a
15
a
0
+
LFSR
GENERATOR
07
815
MISO 16-BIT DATA
1587
0
15523-047
Figure 47. CRC Calculation of 16-Bit SPI Data
b0
LFSR
FB
g0g1g2g15
1
g3
b2b15
a31,a30, ..., a2,a1,a0
15523-048
Figure 48. LFSR Generator Used for CRC_SPI Calculation
Figure 48 shows how the LFSR works. The MISO 32-bit data
forms the [a31, a30,…, a0] bits used by the LFSR. Bit a0 is Bit 24 of
the first MISO 32-bit data to enter the LFSR, and the last data to
enter the LFSR, Bit a31, corresponds to Bit 7 transmitted on MISO.
The formulas that govern the LFSR are as follows.
bi(0) = 1, where i = 0, 1, 2, …, 15, the initial state of the bits that
form the CRC. Bit b0 is the least significant bit, and Bit b15 is the
most significant bit.
gi, where i = 0, 1, 2, …, 15 are the coefficients of the generating
polynomial defined by the CRC-16-CCITT algorithm as
follows:
G(x) = x16 + x12 + x5 + 1 (3)
g0 = g5 = g12 = 1 (4)
All other gi coefficients are equal to 0.
FB(j) = aj − 1 XOR b15(j − 1) (5)
b0(j) = FB(j) AND g0 (6)
bi(j) = FB(j) AND gi XOR bi − 1(j − 1), i = 1, 2, 3, …, 15 (7)
Equation 5, Equation 6, and Equation 7 must be repeated for j =
1, 2, …, 32. The value written into the CRC_SPI register contains
Bit bi(32), i = 0, 1, …, 15.
A similar process is followed for 16-bit data; see Figure 47 for
information about how the bits are ordered into the LFSR.
ADDITIONAL COMMUNICATION VERIFICATION
REGISTERS
The ADE9000 includes three registers that allow SPI operations to
be verified. The LAST_CMD (Address 0x4A3), LAST_DATA_16
(Address 0x4AC), and LAST_DATA_32 (Address 0x423) registers
record the received CMD_HDR and last read/transmitted data.
The LAST_DATA_16 register contains the last data read or written
during the last 16-bit transaction, and the LAST_DATA_32 register
holds the data read or written during the last 32-bit transaction.
The LAST_CMD register is updated after the CMD_HDR is
received. If a command to read the LAST_CMD, LAST_DATA_16,
or LAST_DATA_32 registers is received, these three registers
are not updated. Note that LAST_CMD[2:0] always reads back
as 000.
Register CRC
r is gel; 0.
0n IRQI
ADE9000 Technical Reference Manual UG-1098
Rev. 0 | Page 35 of 86
During a SPI read operation, the LAST_DATA_16 and
LAST_DATA_32 registers are updated within two master clocks
after the CMD_HDR has been received. If a command to read
the LAST_CMD, LAST_DATA_16, or LAST_DATA_32 registers
is received, these three registers are not updated.
Note that the LAST_DATA_16 and LAST_DATA_32 registers
are not updated after a SPI burst read operation; these are the
cases in Table 20 where next address is written.
On a write operation, LAST_DATA_16 and LAST_DATA_32
are not updated until all 16 bits or 32 bits of the write data have
been received. Note that on a write register operation, the
addressed register is not written until all 16 bits or 32 bits are
received, depending on the length of the register.
Note that when the LAST_CMD, LAST_DATA_16, and LAST_
DATA_32 registers are read, their values remain unchanged.
CRC OF CONFIGURATION REGISTERS
The configuration register CRC feature in the ADE9000 monitors
many register values. It also optionally includes 15 registers that
are individually selectable in the CRC_OPTEN register.
This feature runs as a background task; it takes 10.8 ms to
calculate the configuration register CRC. The result is stored in
the CRC_RSLT register. If any of the monitored registers change
value, the CRC_RSLT changes as well, and the CRC_CHG bit in
the STATUS 1 register is set; this can also be configured to
generate an interrupt on IRQ1.
After configuring the ADE9000 and writing the required registers
to calibrate the measurements (such as xIGAIN or xVGAIN, for
example), the configuration register CRC calculation can be
started by writing the FORCE_CRC_UPDATE bit in the
CRC_FORCE register. When the calculation is complete, the
CRC_DONE bit is set in the STATUS1 register.
The method used for calculating the configuration register
CRC is also based on the CRC-16-CCITT algorithm. The most
significant byte of each register is introduced into the LFSR first,
without bit reversal.
The order in which the registers are calculated is given in Table 21,
with the lowest register introduced first. Note that 32-byte registers
have four bytes introduced into the LFSR, and 16-byte registers
have two bytes introduced into the LFSR.
Table 21. Order of Registers Included in Configuration
Register CRC
Register Addresses Register Length (Bits)
0x01 to 0x18
32
0x21 to 0x38 32
0x41 to 0x58 32
0x60 to 0x73 32
0x409 32
0x40F
32
0x420 to 0x422 32
0x424 32
0x470 to 0x475 32
0x480 to 0x481 16
0x490 to 0x497 16
0x499 16
0x4AF to 0x4B2 16
0x425 32
0x4B8 to 0x4B9 16
0x47D 32
0x478 to 0x479 32
0x4EF 16
0x4BA 16
0x47E 32
0x00 32
0x20 32
0x40
32
0x4B6 16
0x4BF 16
0x4B5 16
UG-1098 ADE9000 Technical Reference Manual
Rev. 0 | Page 36 of 86
WAVEFORM BUFFER
The ADE9000 has a waveform buffer comprised of 2048, 32-bit
memory locations with addresses from 0x800 to 0xFFF. This
memory can be filled with samples from the sinc4 or sinc4 + IIR
LPF, current and voltage waveform samples processed by the
digital signal processor or resampled waveforms.
Resampled waveforms make it easy to perform harmonic analysis
in an external processor, which can use the 16-bit, 128 points per
line cycle samples directly in a FFT, without having to perform
any windowing functions or changing the FFT coefficients
function of line period.
The data in the waveform buffer can come from four locations
in the signal chain:
Sinc4 outputs, xI_SINC_DAT, xV_SINC_DAT provided at
32 ksps update rate
Sinc4 + IIR LPF output, xI_LPF_DAT, xV_LPF_DAT
provided at 8 ksps update rate
Current and voltage channel waveforms processed by the
DSP (xI_PCF, xV_PCF) provided at 8 ksps update rate
Resampled waveforms with 128 points per line cycle
processed by the DSP; data rate varies with line period
Filling and accessing of the waveform buffer depends on which
type of data is being filled in the buffer. The waveforms with a
fixed data rate, 32 ksps or 8 ksps, are referred to as fixed data
rate waveforms. Refer to the corresponding section to
understand what modes and access are available for resampled
waveforms vs. fixed data rate waveforms.
The waveform buffer samples can be accessed using the SPI
burst read functionality so that multiple samples can be read
using only one SPI command header (see the Burst Read
Waveform Buffer Samples from SPI section).
FIXED DATA RATE WAVEFORMS
Fixed data rate waveforms from the signal chain can be stored
into the waveform buffer from the places shown in Table 22.
Table 22. Fixed Data Rate Waveform Sources
Source
WFB_CFG.
WF_SRC
Data
Rate
32-Bit Data
Format
Sinc4 Outputs 0 32 ksps 24 bits, shifted left
by 4 bits and sign
extended to 32 bits
Sinc4 + IIR LPF
Output
2 8 ksps
24 bits, shifted left
by 4 bits and sign
extended to 32 bits
Waveforms
Processed by
the DSP (xI_PCF,
xV_PCF)
3 8 ksps 5.27 format
The 24-bit sinc4 and sinc4 + IIR LPF data is stored as 32-bit in
the waveform buffer by shifting by left by 4 bits and sign
extending, as shown in Table 23.
Table 23. 24-Bit Sinc4 and Sinc4 + IIR LPF Data
Bits[31:28] Bits[27:4] Bits[3:0]
SE ADC_DATA[23:0] 0000
Table 22 indicates the WFB_SRC selection for each fixed data
rate waveform source. Each fixed data rate sample is 32-bits;
however, the data format varies between the three sources, as
shown in Table 22. When the waveform buffer is enabled, the
data from all seven channels is stored into the buffer. One
sample set consists of one sample per channel, seven samples
total, which are taken at the same point in time.
Figure 49 shows how the fixed data rate samples are stored into
the buffer. Every sample set is separated in the memory from
the adjacent one by the use of spare cells, which do not contain
any sample data, as shown in Figure 49. In this way, every eighth
32-bit memory location in the buffer is reserved as a spare cell.
If the seventh channel is disabled, with the WF_IN_EN bit in
the WFB_CFG register equal to 0, the IN sample locations are
treated as spare cells as well.
0 xFFF
031
IN, IF WFB_CFG.WF_IN_EN = 1
SPARE CELL, IF WFB_CFG.WF_IN_EN = 0
SPARE CELL
IN
0x807
0x806
0x805
0x804
0x803
0x802
0x801
0x800
VC
IC
IN
VC
IC
VB
IB
VA
IA
15523-049
Figure 49. Fixed Data Rate Waveform Sample Storage
There are 256 (2048/8) sample sets that can be stored in the
buffer. In the ADE9000, the sinc4 outputs at 32 ksps, so the
buffer can contain (256/32000) = 8 ms of data from the sinc4.
The sinc4 + IIR LPF samples and DSP processed xI_PCF and
xV_PCF waveform samples are filled at 8 kHz, and the buffer
can contain 32 ms (256/8000) of this data.
When used with fixed data rate samples, the waveform buffer is
divided into 16 pages, Page 0 to Page 15. Each page contains
128, 32-bit memory locations. Figure 50 illustrates this
arrangement.

ADE9000 Technical Reference Manual UG-1098
Rev. 0 | Page 37 of 86
PAGE 15
0x800
0x880
0x87F
0x900
0x8FF
0x980
0x97F
0x9FF
0xFF
F
0xF80
0xF7F
0xF00
0xEFF
PAGE 14
PAG E 3
PAG E 2
PAG E 1
PAG E 0
15523-050
Figure 50. Waveform Buffer Page Arrangement—for Fixed Data Rate
Samples Only
Waveform Buffer Filling Indication—Fixed Data Rate
Samples
The WFB_PG_IRQEN register allows the user to monitor if
specific pages have been filled, with one bit managing a page of
the buffer: Bit 0 manages Page 0, Bit 1 manages Page 1, and so
on. For example, if Bit 0 and Bit 3 of WFB_PQ_IRQEN are set,
the user receives an indication when the last address of Page 0,
0x87F, has been written (meaning that Page 0 is full), and when
the last address of Page 3, 0x9FF, has been written (meaning
that Page 3 is full). The PAGE_FULL bit of the STATUS0
register is set to 1 when a page enabled in the WFB_PG_IRQEN
register has been filled. The user can enable an interrupt to
occur on IRQ0 when the PAGE_FULL bit is set by setting the
PAGE_FULL bit in the STATUS0 register.
The WFB_LAST_PAGE bits in the WFB_TRG_STAT register
indicate which page was filled last when filling with fixed data
rate samples.
FIXED DATA RATE WAVEFORMS FILLING AND
TRIGGER-BASED MODES
The waveform buffer offers different filling modes to be used
with fixed data rate samples:
Stop when buffer is full
Continuous filling
The ADE9000 allows a selection of events to trigger waveform
buffer captures, and there is an option to store the current
waveform buffer address during an event, to allow the user to
synchronize the event with the waveform samples.
The following are the waveform buffer actions that can be
associated with an event when the buffer is filling continuously:
Stop filling on trigger
Center capture around trigger
Save event address and keep filling
Stop when Buffer is Full Mode
Stop when buffer is full mode is enabled when WF_CAP_SEL = 1
and the WF_MODE[1:0] bits are equal to 00 in the WFB_CFG
register. Set the WF_CAP_EN bit in the WFB_CFG register to
start filling the buffer from Address 0x800.
When the Address Location 0xFFF in Page 15 is written, the
filling operation stops. To receive an indication when the buffer
is full, which corresponds to Page 15 being full, set Bit 15 of the
WFB_PG_IRQEN register prior to starting the capture. Then,
the PAGE_FULL bit in STATUS0 is set when the buffer is full.
This PAGE_FULL status change can be enabled to generate an
interrupt on IRQ0 as well.
To perform the next filling operation, disable the waveform
buffer by clearing the WF_CAP_EN bit of the WFB_CFG register
to 0, and enable it again by setting the same bit to 1.
Continuous Fill Mode
Continuous fill mode is enabled when WF_CAP_SEL = 1 and
WF_MODE[1:0] in the WFB_CONFIG register is equal to 1, 2,
or 3. Write the WF_CAP_EN bit in the WFB_CONFIG register
to start filling the buffer from Address 0x800.
In this mode, the waveform buffer is filled continuously. When
the entire buffer is filled up to Address Location 0xFFF, the filling
continues from Address Location 0x800 in a circular fashion.
In this mode, it is important to monitor the filling status of the
buffer using the WFB_PG_IRQEN register in conjunction with
the PAGE_FULL bit in the STATUS0 register and the
WFB_LAST_PAGE bits in the WFB_TRG_STAT register, as
described in the Waveform Buffer Filling Indication—Fixed
Data Rate Samples section. If the data is not read out of the
buffer soon enough, it is overwritten.
To stop the waveform buffer capture, read the WFB_LAST_
PAGE register, so that the page that contains the most recent
valid data is known, and then clear the WF_CAP_EN bit in the
WFB_CONFIG register to 0.
To restart the filling operation, disable the waveform buffer by
clearing the WF_CAP_EN bit of the WFB_CONFIG register if not
already cleared, and then enable it again by setting this bit to 1.
There are two variations on the continuous fill mode that stop
filling the waveform buffer based on a trigger event: stop filling
on trigger mode, and center capture around trigger mode.
These modes are selected when WF_MODE[1:0] = 1 and 2,
respectively (see the Stop Filling on Trigger section and the
Center Capture Around Trigger section for more information).
WFBiTRGich Register
fighter,
lRQO
Mm >urt that the buffer has be
on IRQD
mm mm
lRQO
UG-1098 ADE9000 Technical Reference Manual
Rev. 0 | Page 38 of 86
Stop Filling on Trigger
When WF_CAP_SEL = 1 and WF_MODE[1:0] is equal to 1,
stop filling on trigger mode is selected. Use this mode to
analyze the ADC samples leading up to an event of interest.
In this mode, the waveform buffer is filled continuously. When
the entire buffer is filled up to Address Location 0xFFF, the
filling continues from Address Location 0x800 in a circular
fashion. The events listed in Table 24 are classified as trigger
events. Upon receiving an enabled trigger event, the ADE9000
stops filling the waveform buffer.
The events listed in Table 24 can be enabled as waveform buffer
triggers, in the WFB_TRG_CFG register.
Table 24. Waveform Buffer Trigger Events in the
WFB_TRG_CFG Register
Bit No. Bit Name Description
10 TRIG_FORCE Set this bit to trigger an event to stop
the waveform buffer filling
9 ZXCOMB ZXCOMB event
8 ZXVC ZX event in Phase C voltage
7 ZXVB ZX event in Phase B voltage
6 ZXVA ZX event in Phase A voltage
5 ZXIC ZX event in Phase C current
4
ZXIB
ZX event in Phase B current
3 ZXIA ZX event in Phase A current
2 OI Overcurrent event
1 SWELL Swell event
0 DIP Dip event
The trigger events in WFB_TRG_CFG[10:0] correspond to
interrupt events within the ADE9000, with the exception of the
TRIG_FORCE bit. The user can set the TRIG_FORCE bit,
WFB_TRG_CFG[10], to stop the filling the waveform buffer in
this mode.
When one of the events configured in WFB_TRG_CFG occurs,
the filling of the buffer stops and the WFB_TRIG bit is set in
the STATUS0 register, which can be configured to generate an
interrupt on the IRQ0 pin. The address of the IN waveform of
the last sample set is stored in the WFB_TRIG_ADDR bits of
the WFB_TRG_STAT register. Because the filling stops when
the event occurs, any sample sets with addresses greater than
the WFB_TRIG_ADDR value contain old data.
To ensure that a buffer’s worth of samples has been captured
before the event, follow this sequence:
1. Select stop capture on trigger mode: WF_CAP_SEL = 1,
WF_MODE = 1.
2. Disable all trigger events by writing WFB_TRG_CFG = 0.
3. Make sure that the buffer has been filled one time by enabling
an interrupt to occur on IRQ0 when the last page is filled,
by setting only Bit 15 in the WFB_PQ_IRQEN register and
enabling the PAGE_FULL bit in the STATUS0 register.
Alternatively, the LAST_PAGE register can be read instead
of using the interrupt.
4. Start the capture by writing WF_CAP_EN = 1.
5. Wait for the buffer to be filled (indicated by when the
PAGE_FULL interrupt occurs or LAST_PAGE = 15).
6. When the buffer is filled, enable the desired waveform
buffer events in the WFB_TRG_CFG register and set the
WFB_TRIG_IRQ bit in the STATUS0 to generate an
interrupt when the event has occurred and the waveform
buffer has stopped filling.
7. When WFB_TRIG_IRQ occurs, read the WFB_TRIG_ADDR
register to obtain the address of the trigger event, which is
within a sample or two of when the event occurred and is
the last filled address.
Waveform buffer values are retained when the waveform buffer
is disabled by clearing the WF_CAP_EN bit in the WFB_CFG
register; however, LAST_PAGE and WFB_TRIG_ADDR are
reset when that bit is cleared. Read the LAST_PAGE and
WFB_TRIG_ADDR registers prior to writing WF_CAP_EN = 0.
The trigger events given in Table 24 must be enabled or disabled
prior to enabling the waveform buffer by writing to the
WFB_TRG_CFG register.
Then, to perform the next filling operation in the stop filling
on trigger mode, disable the waveform buffer by clearing the
WF_CAP_EN bit of the WFB_CFG register, and then enable it
again by setting the same bit to 1. Note that if the TRIG_FORCE
bit was set to force a trigger, it must be cleared in the
WFB_TRG_CFG register prior to starting the next capture
(before writing WF_CAP_EN = 1).
Center Capture Around Trigger
The center capture around trigger mode is enabled when
WF_CAP_SEL = 1 and WF_MODE[1:0] = 2, and is similar to
the stop on trigger mode, except that the waveform buffer does
not stop filling after the trigger event. Even after the occurrence
of the trigger event, the filling of the buffer continues to take
place for the next 1024, 32-bit memory locations before
stopping. It is recommended to use this mode to analyze
samples before and after an event. See the Stop Filling on
Trigger section for more information about trigger events.
Note that in center trigger mode, the WFB_TRIG bit in the
STATUS0 register is set when the enabled trigger event occurs,
and the WFB_TRG_IRQ bit in the STATUS0 register is set
when the 1024 additional memory locations have been filled
and the waveform buffer filling stops. Both of these status bits
can be configured to generate an interrupt on the IRQ0 pin.
Calculate the last filled address using WFB_TRIG_ADDR:
If (WFB_TRIG_ADDR+1024>0xFFF,
Last Filled Address = WFB_TRIG_ADDR-1024;
Else
Last Filled Address = WFB_TRIG_ADDR+1024;
ADE9000 Technical Reference Manual UG-1098
Rev. 0 | Page 39 of 86
To ensure that a buffer’s worth of samples has been captured
before the event, follow this sequence:
1. Select center capture on trigger mode: WF_CAP_SEL = 1,
WF_MODE = 2.
2. Disable all trigger events by writing WFB_TRG_CFG = 0.
3. Make sure that at least half of the buffer has been filled by
enabling an interrupt to occur on IRQ0 when Page 7 is filled,
by setting only Bit 7 in the WFB_PQ_IRQEN register and
enabling the PAGE_FULL bit in the STATUS0 register.
Alternatively, the LAST_PAGE register can be read instead
of using the interrupt.
4. Start the capture by writing WF_CAP_EN = 1.
5. Wait for the buffer to be filled (indicated by when the
PAGE_FULL interrupt occurs or LAST_PAGE = 15).
6. When the buffer is filled, enable the desired waveform
buffer events in the WFB_TRG_CFG register and set the
WFB_TRIG_IRQ bit in the STATUS0 register to generate
an interrupt when the event has occurred and the
waveform buffer has stopped filling.
7. When WFB_TRIG_IRQ occurs, read the
WFB_TRIG_ADDR register to obtain the address of the
trigger event, which is within a sample or two of when the
event occurred. The last filled address is 1024 samples later.
Save Event Address and Keep Filling
To record the waveform buffer address when a trigger event
occurs, while still filling the buffer, select WF_MODE = 3 for
continuous filling. When a trigger event that is enabled in the
WFB_TRG_CFG register occurs, the WFB_TRIG bit in the
STATUS0 register is set, which can be configured to generate an
interrupt on the IRQ0 pin. Read the WFB_TRIG_ADDR bits in
the WFB_TRIG_STAT register to obtain the waveform buffer
address for the event. Only the first enabled trigger address is
stored; any later trigger events are ignored.
RESAMPLED WAVEFORMS
When resampling is enabled, the data from all seven channels is
calculated and stored into the buffer. One sample set consists of
one sample per channel, seven samples total, which are from the
same point in time. Each resampled waveforms sample is 16-bits
wide.
Figure 51 shows how the resampled waveforms are stored into
the buffer. Every sample set is separated in memory from the
adjacent one by the use of spare cells, as shown in Figure 51.
These spare cells do not contain any sample data. There is one
16-bit spare cell at the end of every fourth consecutive 32-bit
memory location. If the neutral current channel is disabled, the
16-bit location that stores IN samples also act as spare cells.
IN, IF WF_IN_EN = 1
SPARECELL, IF WF_IN_EN = 0
SPARE CELL
01531
0 xFFF
0x802
0x801
0x800
IN
VC
VB
VA
IC
IB
IA
IN
VC
VB
VA
IC
IB
IA
IN
VC
VB
VA
IC
IB
IA
15523-051
Figure 51. Resampled Waveform Sample Storage
The waveform buffer contains 2048, 32-bit memory locations
and can hold 512 (2048/4) sets of samples in coherent fill mode.
In the ADE9000, the buffer is filled with 128 resampled points
per line cycle, which implies that the buffer can hold four line
cycles’ worth of data at any instant in time(128 × 4 = 512). With
a 50 Hz line frequency, the buffer contains 80 ms worth of
resampled data.
To start filling the waveform buffer with resampled waveforms,
first clear the WF_CAP_EN bit to disable the waveform buffer.
Then clear the WF_CAP_SEL bit in the WFB_CFG register to
select the resampled data to be stored in the waveform buffer.
Finally, set the WF_CAP_EN bit to start the resampling process.
The waveform buffer starts filling from its first address location,
0x800. When the waveform buffer is full, the COH_WFB_FULL
bit of STATUS 0 goes high, which can be enabled to generate an
interrupt on IRQ0. Note that this is the only status bit available
for the resampled waveforms. The filling of the waveform buffer
stops.
To obtain a new set of resampled data, first clear the
WF_CAP_EN bit in the WFB_CFG register to 0 and then set
the bit back to 1.
The time taken to fill the buffer depends on the line frequency.
The waveform buffer values are retained even when the
waveform buffer is disabled by clearing the WF_CAP_EN bit
in the WFB_CFG register.
Table 25. Waveform Buffer Burs: Read
Waveform Buffer
um
UG-1098 ADE9000 Technical Reference Manual
Rev. 0 | Page 40 of 86
CONFIGURING THE WAVEFORM BUFFER
The waveform source (sinc4, sinc4 + IIR, xI_PCF/xV_PCF, or
resampled), type of capture (continuous, single capture, or stop
on trigger), and fill mode (continuous, one time, or based on
trigger) must be configured in the WFB_CFG register. To
perform this configuration, first disabled the waveform buffer
by writing WF_CAP_EN = 0. Then write the WF_SRC,
WF_CAP_SEL, and WF_MODE bits in the WFB_CFG register.
When the WF_CAP_EN bit is set, the capture is initiated based
on whichever mode is selected by the WF_CAP_SEL and
WF_MODE bits in the WFB_CFG register.
For example, if WF_CAP_SEL = 0, resampled waveforms are
stored into the buffer. If WF_CAP_SEL = 1, fixed data rate
samples are stored into the buffer, and the WF_MODE bits
indicate whether the buffer is filled continuously or only one
time, and if trigger events affect the buffer filling. All of these
bits must be configured before writing the WF_CAP_EN bit in
the WFB_CFG register.
When the waveform buffer is disabled by clearing the
WF_CAP_EN bit, the waveform buffer data remains valid;
however, the LAST_ADDR and WFB_TRIG_ADDR registers
are reset.
To start a new waveform capture, disable the waveform buffer
by writing WF_CAP_EN = 0. Then configure the
WF_CAP_SEL and WF_MODE bits as desired by writing to the
WFB_CFG register. Finally, set the WF_CAP_EN bit in the
WFB_CFG register to start the capture. Do not change the
WF_CAP_SEL or WF_MODE bits while the WF_CAP_EN bit
is set.
BURST READ WAVEFORM BUFFER SAMPLES
FROM SPI
The waveform buffer contents can be read using SPI burst read
mode. SPI burst read mode allows samples of data to be read
while only sending one SPI command header. The transfer of
data continues as long as the SS line is kept low and SCLK
clocks arrive at the ADE9000 SCLK pin.
To make it easier to read out the desired data using the SPI
burst read functionality, the user can indicate which channels of
data to read out of the waveform buffer by using the
BURST_CHAN bits in the WFB_CFG register, as shown in
Table 25.
Table 25. Waveform Buffer Burst Read
BURST_CHAN[3:0] Channels to Burst
0000 (default) All channels
0001 IA and VA
0010 IB and VB
0011 IC and VC
1000 IA
1001 VA
1010 IB
1011 VB
1100 IC
1101 VC
1110 IN if WF_IN_EN = 1 in the WFB_CFG register
1111 Single address read (SPI burst mode is
disabled)
The same BURST_CHAN options are available for both fixed
data rate samples and resampled data.
The waveform buffer sample that is read out depends on the
selection in BURST_CHAN and on whether the stored data is
fixed data rate data or resampled data.
If BURST_CHAN is not equal to 1111 and fixed data rate data
is stored in the waveform buffer, when WF_CAP_SEL = 1, the
three least significant bits of the address are masked out when
determining which sample set to read out.
If BURST_CHAN is not equal to 1111 and resampled data is
stored in the waveform buffer, when WF_CAP_SEL = 0, the
two least significant bits of the address are masked out when
determining which sample set to read out.
If BURST_CHAN is equal to 1111, whichever address was
written in the CMD_HDR is read out.
These cases are summarized in Table 26.
Table 26. SPI Address Interpretation when Reading from
Waveform Buffer
Capture Type
Address of Sample
Set (BURST_CHAN
≠ 1111)
Address of Sample
Set (BURST_CHAN
= 1111)
Fixed Data Rate
Samples
(WF_CAP_SEL = 1)
ADDR[11:3] ADDR[11:0]
Resampled Data
(WF_CAP_SEL = 0)
ADDR[11:2]
ADDR[11:0]
LI‘LIT’T
ELI—If”—
[ELI—"II“
u
n
3‘
:1
mum
nxxu‘
mam
mm
nxms
mm 3
[Ll—If"—
MI”—
u
LEI—T’—
u u
U‘Ll'lJ—W—
ILHDR :
15
15
mm,
was
was
ADE9000 Technical Reference Manual UG-1098
Rev. 0 | Page 41 of 86
Example 1: Fixed Data Rate Data, Seven Channel Samples
WFB_CAP_SEL = 1, WF_IN_EN = 1, and BURST_CHAN = 0000
in the WFB_CFG register indicates that there is fixed data rate
data in the waveform buffer and the user wants to read out
samples from all seven channels. A command is sent to read
Address 0x801, which is interpreted as a read to the sample set
starting at Address 0x800. The first 32 SPI clocks return IA from
Address 0x800, followed by VA from Address 0x801, and so on,
until IN from Address 0x806. Then the sample set auto-increments
and the next data is IA from Address 0x808, followed by VA.
This example is shown in Figure 52. The default state of the
MOSI pin depends on the master SPI device; in Figure 52, it is
assumed to be high (Logic 1).
Example2: Resampled Data, Phase C (I and V samples)
WFB_CAP_SEL = 0 and BURST_CHAN = 0011 in the
WFB_CFG register indicates that there is resampled data in the
waveform buffer and the user wants to read out IC and VC
samples. A command is sent to read Address 0x801, which is
interpreted as a read to the sample set starting at Address 0x800.
VC waveform from Address 0x802 is first transferred, followed by
IC from Address 0x802. Then the sample set auto-increments
and the next data is VC from Address 0x806, followed by IC
from the same address, then VC from Address 0x80A and IC
from Address 0x80A, and so on (see Figure 53). The default
state of the MOSI pin depends on the master SPI device; in
Figure 53, it is assumed to be high (Logic 1).
Example 3: Fixed Data Rate Data, Single Address Read
Mode
WFB_CAP_SEL = 1 and BURST_CHAN = 1111 in the
WFB_CFG register indicates that there is fixed data rate data in
the waveform buffer and the user wants to read out one single
address. A command is sent to read Address 0x801, which is
interpreted as a read to Address 0x801. VA waveform from
Address 0x801 is transferred, followed by the CRC if
BURST_EN = 0. If BURST_EN = 1, the VA waveform data from
Address 0x801 is repeated again. This example is shown in
Figure 54. The default state of the MOSI pin depends on the
master SPI device; in Figure 54, it is assumed to be high
(Logic 1). The transfer of data continues as long as the CS line is
kept low and SCLK clocks arrive at the ADE9000 SCLK pin.
Example 4: Resampled Data, Single Address Read Mode
WFB_CAP_SEL = 0 and BURST_CHAN = 1111 in the
WFB_CFG register indicates that there is resampled data in the
waveform buffer and the user wants to read out one single
address. A command is sent to read Address 0x801, which is
interpreted as a read to Address 0x801. The first 16 SPI clocks
return the VA waveform from Address 0x801, followed by the
IA waveform from Address 0x801, and finally the CRC if
BURST_EN = 0. If BURST_EN = 1, the VA and IA waveform
data from Address 0x801 is repeated again (see Figure 55).
SCLK
MOSI CMD_HDR = 0x8018
MISO IA AT 0x800, 32 BITS
SS
IA AT 0x808, 32 BITS
VA AT 0x801, 32 BITS IB AT 0x802,32 BITS VB AT 0x803, 32 BITS IN AT 0x806, 32 BITS
15523-052
Figure 52. Waveform Buffer SPI Burst Read of Fixed Data Rate Samples, with BURST_CHAN = 0, to Read Out All Channels
SCLK
MOSI
MISO
SS
CMD_HDR = 0x8018
VC AT 0x802, 16 BITS IC AT 0x802, 16 BITS VC AT 0x806, 16 BITS IC AT 0x806, 16 BITS
15523-053
Figure 53. Waveform Buffer SPI Burst Read of Resampled Data, with BURST_CHAN = 0011, to Read out IC and VC Data
WTWPLI‘LF’PLI’
Dyna =
mm, .5 |
WW
_|—|_|_|_|—”T_|_Ll’”—Ll’
n
mum g
lam ml
UG-1098 ADE9000 Technical Reference Manual
Rev. 0 | Page 42 of 86
SCLK
MOSI
MISO
MISO
SS
CMD_HDR = 0x8018
VA AT 0x801, 32 BITS
31
CRC, 16 BITS
015 0
15 0
31 0
31 0
BURST_EN = 0
ADDRESS 0x800 TO 0xFFF
BURST_CHAN = 1111
BURST_EN = 1
ADDRESS 0x800 TO 0xFFF
BURST_CHAN = 1111
VA AT 0x801, 32 BITS VA AT 0x801, 32 BITS
15523-054
Figure 54. Waveform Buffer SPI Single Address Read of Fixed Rate Data with BURST_CHAN = 1111
SCLK
MOSI
MISO
MISO
SS
CMD_HDR = 0x8018
VA AT 0x801 CRC, 16 BITS
0 0
15 0
BURST_EN = 0
ADDRESS 0x800 TO 0xFFF
BURST_CHAN = 1111
BURST_EN = 1
ADDRESS 0x800 TO 0xFFF
BURST_CHAN = 1111
15 0
IA AT 0x801
15 15
15
VA AT 0x801
015 0
IA AT 0x801 VA AT 0x801
15 0
IA AT 0x801
15
15523-055
Figure 55. Waveform Buffer SPI Single Address Read of Resampled Data with BURST_CHAN = 1111
SPI CRC when Reading Waveform Buffer
When reading fixed data rate samples, with WF_CAP_SEL = 1,
data read out of the waveform buffer has a CRC calculated,
which is stored into the CRC_SPI register and can be read back
after the waveform buffer burst read.
When reading a single address of waveform buffer data, the
CRC_SPI is calculated and appended after the 32-bit data, as
shown in Figure 54.
Note that when reading resampled data out of the waveform
buffer, when WF_CAP_SEL = 0, the SPI_CRC _RSLT register is
not updated. Read the waveform buffer a second time to check
the integrity of the SPI read data.
SPI Last Data Register when Reading Waveform Buffer
If BURST_CHAN = 1111, the LAST_DATA_32 register is
updated after reading a sample in the waveform buffer with the
value of that 32-bit waveform buffer location.
Note that the LAST_DATA_32 register is not updated when
reading the waveform buffer samples if BURST_CHAN is not
equal to 1111.
pm, IRQO IRQI /EVENT an upuun m plsomu ngls
DREADY, Inch can pm, lRQl ,TRQo IRQI
IRQO lRQl RQo,o
IRQO
bu m the s IRQO lRQl
EVENT mthQT IRQO
luplsxed w
/EVENT
signalsa
EVENT
(IRQO ANDIRQ1 ‘
7 7 EVENT
IRQO lRQl
EVENT
EVENT
EVEN ‘
MASK! regmer m 5 "gig:
lRQO or ”((11
go hxg
EVENT
The (Issued 1m p0
IRQO or IRQI
voltage
lRQl
l to [h
IRQI
ADE9000 Technical Reference Manual UG-1098
Rev. 0 | Page 43 of 86
INTERRUPTS/EVENT
The ADE9000 has three pins, IRQ0, IRQ1, and CF4/EVENT/
DREADY, which can be used as interrupts to the host processor.
The IRQ0 and IRQ1 pins go low when an enabled interrupt
occurs and stay low until the event is acknowledged by setting
the corresponding status bit in the STATUS0 and STATUS1
registers, respectively. The EVENT function, which is
multiplexed with the CF4 and DREADY options on the
CF4/EVENT/DREADY pin, tracks the state of the enabled
signals and goes low and high with these internal signals. The
EVENT function is useful for measuring the duration of events,
such as dips or swells, externally.
INTERRUPTS (IRQ0 AND IRQ1)
The IRQ0 and IRQ1 pins are managed by 32-bit interrupt mask
registers, MASK0 and MASK1, respectively. Every event that
can generate an interrupt has a corresponding bit in the MASK0
or MASK1 register and the STATUS0 or STATUS1 register.
To enable an interrupt, set the corresponding bit in the
MASK0 or MASK1 register to 1. To disable an interrupt, the
corresponding bit in the MASK0 or MASK1 register must be
cleared to 0.
The STATUS0 and STATUS1 registers indicate if an event that
can generate an interrupt has occurred. If the corresponding bit
in the MASK0 or MASK1 register is set, an interrupt is generated
on the corresponding IRQ0 or IRQ1 pin, and the pin goes low.
To determine the source of the interrupt, read the
corresponding STATUS0 or STATUS1 register and identify
which enabled bits are set to 1. To acknowledge the event and
clear bits in the STATUSx register, write to the STATUSx
register with the desired bit positions set to 1. Then the
corresponding IRQ0 or IRQ1 pin goes high.
For example, if a zero-crossing occurs on the Phase A voltage
input and the ZXVA bit is set in the MASK1 register, the IRQ1
pin goes low, indicating that an enabled event has occurred. To
acknowledge the event, write a 1 to the ZXVA bit in the
STATUS1 register, and then the IRQ1 pin goes low. The ZXVA
STATUS1 bit is set regardless of whether the ZXVA bit is
enabled in MASK1.
There are a few interrupts that are nonmaskable, meaning that
they are generated even if the corresponding bit in the MASKx
register is 0. These nonmaskable interrupts include RSTDONE
and ERROR0.
There is an option to combine all the interrupts onto a single
interrupt pin, IRQ1, instead of using two pins, IRQ0 and IRQ1.
To activate this option, set the IRQ0_ON_IRQ1 bit in the
CONFIG1 register. Note that the IRQ0 pin still indicates the
enabled IRQ0 events while in this mode, and IRQ1 indicates
both IRQ1 and IRQ0 events.
The meaning of each individual interrupt source is provided in
the related data sheet section; refer to these sections in the
ADE9000 data sheet for more information.
EVENT
The EVENT function is multiplexed with CF4 and DREADY on
the CF4/EVENT/DREADY pin. To enable the EVENT function
to be output on this pin, write CF4_CFG = 10 in the CONFIG1
register.
There are 16 signals that can be incorporated into the EVENT
pin and are selected in the EVENT_MASK register. All of these
events sources are maskable and disabled by default.
The logic level of the EVENT output is solely dependent on the
enabled events; it cannot be changed by the user. If any of the 16
events are enabled by setting their corresponding mask bit to 1
in the EVENT_MASK register, the EVENT pin goes low
whenever one of the enabled events occurs and stays low until
all the enabled signals have gone high. Then, the EVENT pin
goes high. Note that the status sources used to generate the
EVENT are not latched; if one event source is selected, the
EVENT pin tracks the status of that source.
STATUS BITS IN ADDITIONAL REGISTERS
Several interrupts are used in conjunction with other status
registers.
Overcurrent
The OI bit in the MASK1 register works in conjunction with the
OIPHASE status bits in the OISTATUS register.
No Load
The VAFNOLOAD, RFNOLOAD, AFNOLOAD, VANLOAD,
RNLOAD, and ANLOAD bits in the MASK1 register work in
conjunction with additional status bits in the PHNOLOAD register.
The following bits in the MASK0 register work with the status
bits in the PHSIGN register: REVAPx, REVRPx, and REVPSUMx.
Read the additional registers to obtain more information when
the corresponding bits are set in the STATUSx register.
UG-1098 ADE9000 Technical Reference Manual
Rev. 0 | Page 44 of 86
APPLYING THE ADE9000 TO DIFFERENT METERING CONFIGURATIONS
The voltage and current waveforms of a polyphase system are
defined in the following equations:
( )
ttv
a
ω= sin2)(
( )
120sin2)( −ω= ttv
b
( )
120sin2
)( +ω= ttvc
( )
θ−ω= tti
a
sin2)(
( )
120sin2)( −θ−ω= tti
b
( )
120sin2)( +θ−ω= tti
c
To understand how these signals relate to each other, create a
phasor diagram following a convention using lagging phase
angles. Figure 56 shows a common polyphase metering
configuration, the 4-wire wye, with va, vb, and vc defined in the
previous equations. Phase B lags Phase A by 120°, and Phase C
lags Phase A by 240°. Currents are shown at a power factor of 1,
PF = 1, where θ = 0 in the ia, ib, and ic expressions (shown
previously), and the current is in phase with the voltage.
C
B
A
N
VAN
IA
VCN
IC
270° LAGGING
90° LAGGING
180° 0°
IB
VBN
15523-056
Figure 56. 4-Wire Wye Service Vector Diagram
The following figures show common metering configurations:
3-wire delta, 4-wire delta, and 3-wire residential and network.
The ADE9000 can also measure multiple single-phase circuits.
180°
270° LAGGING
90° LAGGING
0°
C
B
A
VBA
VAC
IA
IC
IB
15523-057
Figure 57. 3-Wire Delta Service Vector Diagram
270° LAGGING
90° LAGGING
180° 0°
N
C
B
A
VAN
IA
VCN
IC
IB
VBN
15523-058
Figure 58. 4-Wire Delta Service Vector Diagram
270° LAGGING
90° LAGGING
180° 0°
N
B
A
15523-059
Figure 59. 3-Wire Residential 1PH Service Vector Diagram
270° LAGGING
90° LAGGING
180° 0°
B
A
N
15523-060
Figure 60. 3-Wire Network Meter Vector Diagram
The phasor diagrams help to understand how the voltages and
currents are related in time. Figure 61 shows the 4-wire wye voltage
phase sequence in time, corresponding to the Figure 56 phasor
diagram and the equations for va, vb, and vc provided previously.
PHASE A
VAN PHASE B
VBN PHASEC
VCN
15523-061
Figure 61. 4-Wire Wye, Voltage Phase Sequence in Time
Table 27. Noanlundel Compliant Melcr Forms
ADE9000 Technical Reference Manual UG-1098
Rev. 0 | Page 45 of 86
NON-BLONDEL COMPLIANT METERS
Blondel’s theorem states that there must be n − 1 measuring
elements in a meter, where n is the number of the wires of the
electric system. In this way, a Blondel compliant 4-wire wye or
4-wire delta measures three voltages and three currents. In a
3-wire delta service, at least two voltages and two currents must
be measured to be Blondel compliant.
IEC meter forms are all Blondel compliant. ANSI has some
meter forms that are not Blondel compliant, meaning that there
are fewer than n − 1 elements, so that in a 4-wire wye or 4-wire
delta, two voltage and three currents are measured. The
ADE9000 has provisions to deal with non-Blondel compliant
meter forms. Use the VCONSEL[2:0] bits in the ACCMODE
register to select what calculation to use for VB based on the VA
and VC signals.
Table 27. Non-Blondel Compliant Meter Forms
Service Type Non-Blondel Compliant ANSI Meter Form VCONSEL[2:0] VB Calculation
4-Wire Wye, 2 Voltages, 3 Currents 6S, 7S, 14S, 29S, 36S, 46S, 76S 010 VB = −VA − VC
4-Wire Delta, 2 Voltages, 3 Currents
8S, 15S, 24S
011
VB = −VA
UG-1098 ADE9000 Technical Reference Manual
Rev. 0 | Page 46 of 86
APPLYING THE ADE9000 TO A 4-WIRE WYE
SERVICE
For the highest level of performance when measuring a 4-wire
wye service, connect the neutral to ground, as shown in
Figure 62. For this configuration, VCONSEL[2:0] = 000.
VAP
VBP
VCP
VAN
AGND DGND
NEUTRAL
VBN
VCN
VBN
VB
220V –120°
–120°
0.353V 220V 120°
120°
0.353V
PHASE C
VCN
VC
PHASE A PHASE B
VAN
VA 220V 0°
220V –120°
220V 120°
PHASE C
PHASE A
PHASE B
220V 0°
0.353V 0°
VCONSEL = 000
VA, VB, VC
15523-062
Figure 62. 4-Wire Wye, Neutral Connected to Ground
Alternatively, a series impedance can be used on the neutral, as
shown in Figure 63, which can be advantageous if an isolated
power supply is used. Note that this configuration has poor
performance if the phase voltages are not balanced. For more
information, refer to the AN-1334. For this configuration,
VCONSEL[2:0] = 000.
NEUTRAL
VAP
VBP
VCP
VAN
AGND DGND
VBN
VCN
VBN
VB
220V –120°
–120°
0.353V 220V 120°
120°
0.353V
PHASE C
VCN
VC
PHASE A PHASE B
VA 220V 0°
220V –120°
220V 120°
PHASE C
PHASE A
PHASE B
220V 0°
0.353V 0°
VCONSEL = 000
VA, VB, VC
NEUTRALATTENUATION
NETWORK
15523-063
Figure 63. 4-Wire Wye, Series Impedance on the Neutral
Phase sequence error detection is performed based on the
expected ABC sequence; see the Phase Sequence Error
Detection section for more information.
To obtain the overall power consumed by the system (active,
reactive, and apparent), add the contribution from the Phase A,
Phase B, and Phase C accumulations.
ADE9000 Technical Reference Manual UG-1098
Rev. 0 | Page 47 of 86
APPLYING THE ADE9000 TO A 3-WIRE DELTA
SERVICE
For the highest level of performance when measuring a 3-wire
delta service, connect Phase B to ground, as shown in Figure 64.
For this configuration, write VCONSEL[2:0] = 00. Then VB =
VA − VC, and the ADE9000 calculates the VAC potential in the
BVRMS register. To calculate the current flowing through IB
from the IA and IC measurements, set ICONSEL = 1 so that
IB = −IA − IC.
VBC 220V
VC
90°
0.353V 90°
3VBA 220V
VA
30°
0.353V 30°
3
VAC 220V
VB
150°
0.353V 150°
3
VCONSEL = 001
VA, VB, VC
VAP
VBP
VCP
VAN
AGND DGND
VBN
VCN
220V –120°
220V 120°
PHASE C
PHASE A
PHASE B
220V 0°
15523-064
Figure 64. 3-Wire Delta, Phase B Connected to Ground
Note that for this 3-wire delta, Phase B connected to ground
configuration, the phasor diagram of the VA, VC, and VB
waveforms inside the ADE9000 IC, shown in Figure 65, is
shifted compared to the service diagram shown in Figure 57.
CV_PCF
AI_PCF
AV_PCF
CI_PCF
BI_PCF
BV_PCF
VCONSEL = 1
180° 0°
270° LAGGING
90° LAGGING
15523-065
Figure 65. Phasor Diagram of xV_PCF and xI_PCF Waveforms Inside the IC
with 3-Wire Delta with Phase B as Ground and VCONSEL = 001
To use the same PCB for both 4-wire wye and 3-wire delta
circuits, another option is to wire Phase B to the neutral
terminal of the meter, keeping the same circuit as used in
Figure 62 or Figure 63. Note that VCONSEL[2:0] must be set to
001 if it is desired to obtain the VAC rms value, which is
calculated in the BVRMS register, and to use the correct phase
sequence detection method for the 3-wire delta configuration.
To calculate the current flowing through IB from the IA and IC
measurements, set ICONSEL = 1 so that IB = −IA − IC.
Alternatively, a series impedance can be used on Phase B, as
shown in Figure 66. This configuration can be advantageous if
an isolated power supply is used; however, the readings are
inaccurate in this configuration if the phase voltages are not
balanced. Use VCONSEL[2:0] = 100 with this configuration so
that VA = VA − VB, V B = VA − VC, and VC = VC − VB. To
calculate the current flowing through IB from the IA and IC
measurements, set ICONSEL = 1 so that IB = −IA − IC.
VBC 220V
VC
90°
0.353V 90°
3VBA 220V 30°
0.353V 30°
3
VAC 220V
VB
150°
0.353V 150°
3
VCONSEL[2:0] = 100
CALCULATED VA, VB, VC
VAP
VBP
VCP
VAN
AGND DGND
VBN
VCN
220V –120°
220V 120°
PHASE A
PHASE B
220V 0°
15523-066
Figure 66. 3-Wire Delta, Series Impedance on Phase B and VCONSEL = 100
The phasor diagram of the VA, VB, and VC waveforms
computed inside the ADE9000 for the 3-wire delta with series
impedance on Phase B and VCONSEL = 100 matches the one
shown in Figure 65.
Phase sequence error detection is performed with the
expectation that the VC waveform leads VA; see the Phase
Sequence Error Detection section for more information.
UG-1098 ADE9000 Technical Reference Manual
Rev. 0 | Page 48 of 86
In a Blondel compliant 3-wire delta meter, only the overall
power consumed by the system is meaningful; the individual
phase powers are not meaningful because a line current is
multiplied by a line to line voltage. To obtain the overall power
consumed by the system (active, reactive, and apparent), add
the contribution from Phase A and Phase C.
APPLYING THE ADE9000 TO A NON-BLONDEL
COMPLIANT 4-WIRE WYE SERVICE
To use the ADE9000 in a non-Blondel compliant 4-wire wye
service (such as for ANSI meter forms 6S, 7S, 14S, 29S, 36S, 46S,
and 76S), the Phase A and Phase C voltages are measured and
the Phase B voltage is calculated, VB = −VA − VC. All three
phase currents are measured. For this configuration, write
VCONSEL[2:0] = 010 and connect as shown in Figure 67.
VAP
VBP
VCP
VAN
AGND DGND
NEUTRAL
VBN
VCN
VBN
VB 220V –120°
–120°
0.353V 220V 120°
120°
0.353V
PHASE C
VCN
VC
PHASE A PHASE B
VAN
VA
220V 0°
220V –120°
220V 120°
PHASE C
PHASE A
PHASE B
220V 0°
0.353V 0°
VCONSEL = 010
VA, VB, VC
15523-067
Figure 67. Non-Blondel Compliant 4-Wire Wye
The phasor diagram follows Figure 56. Phase sequence error
detection is performed based on the expected ABC sequence;
see the Phase Sequence Error Detection section for more
information.
To obtain the total power (active, reactive, and apparent), add
the contribution from Phase A, Phase B, and Phase C.
APPLYING THE ADE9000 TO A NON-BLONDEL
COMPLIANT 4-WIRE DELTA SERVICE
To use the ADE9000 in a non-Blondel compliant 4-wire delta
service (such as for ANSI meter forms 8S, 15S, and 24S), the
Phase A and Phase C voltages are measured and the Phase B
voltage is calculated, VB = −VA. All three phase currents are
measured. For this configuration, write VCONSEL[2:0] = 011
and connect as shown in Figure 68.
VAP
VBP
VCP
VAN
AGND DGND
NEUTRAL
VBN
VCN
VBN
VB 220V –150°
–150°
0.353V 220V 120°
120°
0.353V
PHASE C
VCN
VC
PHASE A PHASE B
VAN
VA
220V 30°
220V –150°
220V 120°
PHASE A
PHASE B
220V 30°
0.353V 30°
VCONSEL = 011
VA, VB, VC
15523-068
Figure 68. Non-Blondel Compliant 3-Wire Delta
The phasor diagram follows Figure 58. Phase sequence error
detection is performed based on the expected ABC sequence;
see the Phase Sequence Error Detection section for more
information.
To obtain the total power (active, reactive, and apparent), add
the contribution from Phase A, Phase B, and Phase C.
ADE9000 SERVICE TYPE SUMMARY
To summarize, the ADE9000 can be used in many different
configurations to measure 4-wire wye, 4-wire delta, and 3-wire
delta installations. Table 28 summarizes which VCONSEL[2:0]
and ICONSEL settings to use for each configuration.
Table 23. Service Type and VCONSEL, ICONSEL Selling Summary
ADE9000 Technical Reference Manual UG-1098
Rev. 0 | Page 49 of 86
Table 28. Service Type and VCONSEL, ICONSEL Setting Summary
Service Type
ADE9000
Ground
Reference Figure for Reference
Number of
Voltage Sensors
Required VCONSEL[2:0]
Number of
Current Sensors
Required ICONSEL
4-Wire Wye
Neutral
Figure 62
3
000
3
0
4-Wire Wye Isolated Figure 63 3 000 3 0
3-Wire Delta Phase B Figure 64; Figure 62
with Phase B tied to
neutral
2 001;
VB = VA − VC
2 0: IB has current sensor
1: IB = IA − IC
3-Wire Delta Isolated Figure 63 with
Phase B tied to
neutral
2 001;
VB = VA − VC
2 0: IB has current sensor
1: IB = −IA − IC
3-Wire Delta Isolated Figure 66 2 100;
VA = VA − VB;
VB = VA − VC;
VC = VC − VB
2 0: IB has current sensor
1: IB = −IA − IC
4-Wire Delta Neutral Figure 62 (note that
VA and VB phasor
diagram follows
Figure 58)
3 000 3 0
4-Wire Wye,
Non-Blondel
Compliant
Neutral Figure 67 2 010;
VB = −VA − VC
3 0
4-Wire Delta,
Non-Blondel
Compliant
Neutral Figure 68 2 011;
VB = −VA
2 0: IB has current sensor
1: IB = −IA − IC
3-Wire 1PH
Neutral
Not applicable
1 to 2
000
1 to 2
0
3-Wire
Network
Neutral Not applicable 2 000 2 0
Multiple 1PH
Circuits
Neutral Not applicable 3 000 3 0
fl
ADI-L900 Lunpmv
lRQO 1le
UG-1098 ADE9000 Technical Reference Manual
Rev. 0 | Page 50 of 86
QUICK START
This section describes how to set up the ADE9000 for a 3-phase,
4-wire wye measurement. Figure 62 shows the typical hardware
connection for a 3-phase, 4-wire wye configuration.
1. Wait for the RSTDONE interrupt, indicated by the IRQ pin
going low.
2. Configure PSM0 normal power mode by setting the
PM1 pin and the PM0 pin to low.
3. Configure PGA gain on current and voltage channels using
the PGA_GAIN gain register. The default gain on all
channels is 1.
4. Configure the HPFDIS bits in the CONFIG0 register to
enable/disable the high-pass filter. The high-pass filter is
enabled by default. It is recommended to keep the high-
pass filter enabled. Set the desired corner frequency for
HPF using the HPF_CRN bits in the CONFIG2 register.
The default value for HPF_CRN is 6 (1.25 Hz).
5. If Rogowski coils are used as current sensors, enable the
digital integrator using the INTEN and INITEN bits in the
CONFIG0 register. Disable the integrator when using
current transformers. The digital integrators are disabled
by default.
a. If an integrator is enabled, set the DICOEFF register
to 0xFFFFE000.
6. Configure the expected fundamental frequency using the
SELFREQ bit (50 Hz: SELFREQ = 0, 60 Hz: SELFREQ = 1)
in the ACCMODE register, and program the nominal voltage
in the VLEVEL register for fundamental calculations.
VLEVEL = X × 1,144,084, where X is the dynamic range
that the nominal signal is at with respect to full scale.
7. Configure the zero-crossing source for ZX detection. If
ZX_SRC_SEL = 1 in the CONFIG0 register, data before the
HPF, integrator, and phase compensation is used. If
ZX_SRC_SEL = 0, data after the HPF, integrator, and phase
compensation is used. It is recommended to have
ZX_SRC_SEL = 0.
8. Set VCONSEL = 000 in the ACCMODE register for a
3-phase, 4-wire wye configuration.
9. If energy is monitored using the CF outputs, configure the
following registers. Skip this section if the CF outputs are
not used.
a. Configure the CFxSEL bits in the CFMODE register
to select the energy type to monitor.
b. Configure the TERMSELx bits in the COMPMODE
register to select the phases to include in the CF
calculation.
c. Program xTHR to 0x00100000.
d. Compute and program the corresponding CFxDEN
register based on the desired impulses per kilowatt-hour.
e. Configure the CF pulse width using the CF_LCFG
register.
10. If energy is monitored using energy registers, configure the
following registers:
a. Configure the WATTACC and VARACC bits in the
ACCMODE register to select amongst available
accumulation modes (for example: signed, absolute,
positive, or negative accumulation mode). The default
accumulation mode is signed.
b. Configure the NOLOAD_TMR bits in the EP_CFG
register and set the ACT_NL_LVL, REACT_NL_LVL,
and APP_NL_LVL level registers to detect no load and
prevent energy accumulation of noise.
c. Configure the EGY_TMR_MODE bit in the EP_CFG
register to select sample (EGY_TMR_MODE = 0) or
line cycle (EGY_TMR_MODE = 1) accumulation. Set
the desired samples or half line cycles in the
EGY_TIME register.
d. Configure the EGY_LD_ACCUM bit in the EP_CFG
register to add the internal energy register to user energy
register on EGYRDY (EGY_LD_ACCUM = 0), or to
overwrite the user energy register with the internal
energy register value (EGY_LD_ACCUM = 1).
e. Configure the RD_RST_EN bit in the EP_CFG
register to enable reset of user energy registers on read
(RD_RST_EN = 1), or to disable reset of user energy
registers on read (RD_RST_EN = 0).
11. The ADE9000 can provide interrupts for a variety of events
on the IRQ0 and IRQ1 pins. The MASK0 or MASK1 and
STATUS0 or STATUS1 registers manage the respective
interrupt pins.
12. See the Power Quality Measurements section to configure
the power quality parameters.
13. See the Waveform Buffer section to configure and use the
waveform buffer.
14. Enable the DSP by setting the RUN register = 1, and enable
energy accumulation by setting the EGY_PWR_EN bit in
the EP_CFG register = 1.
15. Note that calibration is performed once at typical operating
conditions. When the calibration values are computed,
write the constants to registers before enabling the DSP.
16. To prevent any changes to the ADE9000 configuration,
enable write protection by writing 0x3C64 to the
WR_LOCK register.
AIRMS
Table 29. FullrScalc ADC Codes
m
(P
ADE9000 Technical Reference Manual UG-1098
Rev. 0 | Page 51 of 86
CALIBRATION
The following section describes calibrating the ADE9000 using
register readings. The expected register values at full scale are
used as the reference.
Table 29. Full-Scale ADC Codes
Parameter Full-Scale Codes (Decimal)
Total and Fundamental IRMS and
VRMS
52,702,092
Total and Fundamental WATT,
VAR, and VA
20,694,066
Fast RMS½ 52,702,092
10 Cycle RMS/12 Cycle RMS 52,702,092
Resampled Data 18,196
SYSTEM PARAMETERS
The system is calibrated at nominal operating voltage and current
using an accurate source. The accuracy of the calibration is less
than or equal to the accuracy of the source. The example shows
the calibration for Channel A. The calculations are similar for
Channel B and Channel C.
• VNOMINAL = 220 V rms
• INOMINAL = 10 A rms
• Line frequency = 50 Hz
• Current transformer ratio = 3000:1
• Burden resistor = 20 Ω
• Voltage Divider R1 = 990 kΩ
• R2 = 1 kΩ
The current transfer function is 20/3000 = 0.0067 V rms/A rms.
The voltage transfer function is 1/(900 + 1) = 0.001 V rms/A rms.
The input at the current ADC pins is 0.0067 × 10 = 0.067 V rms.
The input at the voltage ADC pins is 0.001 × 220 = 0.22 V rms.
The ADC full-scale voltage at gain = 1 is 0.707 V rms.
The nominal current as a percentage of full scale is
IFSP = 0.067/0.707 = 9.47%.
The nominal voltage as a percentage of full scale is
VFSP = 0.220/0.707 = 31.1%.
RMS CALIBRATION
AIGAIN and AVGAIN are the respective current and voltage
calibration registers for Channel A.
With the nominal voltage and current inputs, read the AIRMS
and AVRMS registers. It is recommended to read the rms values
at zero-crossings for 1 sec and average them for better accuracy.
For this example, the AIRMS register reading is 5,294,441.
The expected AIRMS register reading is
IFSP × full-scale rms codes = 0.0947 × 52,702,092 = 4,801,488
Therefore, the following gain must be applied to reach the
expected value:
907.0
441,294,5
488,801,4 ===
MEASURED
EXPECTED
AIRMS
AIRMS
GAIN
The AIGAIN register is calculated as follows:
AIGAIN = (GAIN − 1) × 227 = −12,482,248 = 0xFF418938
To calibrate AIRMSOS offset register, apply a small current
typically at 5000:1 or less dynamic range. In this example, the
offset calibration current is 20 mA.
After applying offset calibration current, the AIRMS register
reading is 70,431.
The expected AIRMS register reading is
IcalibrationFSP × Full-Scale RMS Codes
= 0.0002 × 52,702,092 = 10,540.
The AIRMSOS register is calculated as
0xFFFDBDE8
992,147
2
431,
70540
,10
2
15
2
2
15
22
=−=
−
=
−
=MEASURED
EXPECTED AIRMS
AIRMS
AIRMSOS
Follow similar steps to obtain the AVGAIN and AVRMSOS
calibration constants.
PHASE CALIBRATION
APHCAL0 is the phase calibration register for Channel A.
To calculate APHCAL0, apply a nominal current and voltage at
a lagging 0.5 power factor such that the active and reactive
energy registers are positive. In this example, the energy
registers are configured such that EP_CFG = 0x0011 and
EGY_TIME = 7999 (1 sec accumulation).
Read the AWATTHR_HI and AVARHR_HI registers.
( ) ( )
( ) ( )
( ) ( )
( ) ( )
°−=
×+
×−×
−=
×+×
×−×
−=
ϕ
−
−
49.0
60sin1758560cos10356
60cos1758560sin10356
tan
60sin_60cos_A
60cos_60sin_
tan
)(
1
1
HIAVARHRHIWATTHR
HIAVARHRHIAWATTHR
ErrorPhase
Therefore, the phase calibration register is
0xFF3593B313265997
2
)49.0(039.02sin(
)039.0sin()039.0)49.0(sin(
2
)2sin(
sin)sin(
27
27
=−=
×
−−×
+−−
=
×
ϕ−×
+−ϕ
=
RADIAN
RADIAN
ω
ωω
APHCAL0
APHCAL0 = 0xFF3593B3
Follow similar steps to obtain the BPHCAL0 and CPHCAL0
calibration constants.
A WA TTOS ,
UG-1098 ADE9000 Technical Reference Manual
Rev. 0 | Page 52 of 86
POWER CALIBRATION
APGAIN is the gain calibration register for Phase A. The active,
reactive, and apparent powers in each phase have a common
gain register and individual offset calibration registers.
1. Apply the nominal voltage and current at power factor = 1.
2. EP_CFG = 0x0011 and EGY_TIME = 7999 (1 sec
accumulation).
3. Read the AWATTHR_HI register.
4. The APGAIN register value is obtained as follows:
27
2
_
_
_×
−
=
MEASURED
MEASURED
EXPECTED
HI
AWATTHR
HIAWATTHR
HIAWATTHR
APGAIN
AWATTHR_HIEXPECTED
= IFSP × VFSP × Full-Scale Power Codes ×
Accumulation Time × 8000 × 2−13
= 0.0947 × 0.311 × 20,694,066 × 1 sec × 8000 × 2−13
= 595,191
Let AWATTHR_HIMEASURED = 580,000:
0x35A3D335153472
000,580
000,580595,191 27 ==×
−
=APGAIN
Like the rms offset calibration, the power offset calibration is
performed with a small current at 5000:1 or less dynamic range.
In this example, the offset calibration current is 20 mA and the
voltage is 220 V.
1. Apply a nominal voltage and offset calibration current at
power factor = 1.
2. EP_CFG = 0x0013 and EGY_TIME = 1000 (10 sec
accumulation).
3. Read the AWATTHR_HI register.
4. AWATTOS is calculated as
13
2
__
−
×
×
−
=
DSP
MEASURED
EXPECTED
f
TimeonAccumulati
HIAWATTHR
HIAWATTHR
AWATTOS
AWATTHR_HIEXPECTED
= IcalibrationFSP × VFSP × Full-Scale Power Codes ×
Accumulation Time × 8000 × 2−13
= 0.0002 × 0.311 × 20,694,066 × 10 sec × 8000 × 2−13
= 12570
0xA1161
2
800010
000
,1112570
13 ==
××
−
=−
AWATTOS
5. To compute AVAROS, apply a nominal voltage and offset
calibration current at power factor = 0.
Follow similar steps to obtain BPGAIN, BWATTOS, BVAROS,
CPGAIN, CWATTOS, and C VA R OS.
CONVERSION CONSTANTS
Conversion constants are used to convert ADE9000 register
readings into physical parameters. When the device is calibrated
to the full-scale ADC codes given in Table 29, the conversion
constants for the example system are calculated as follows:
μArms/LSB0036.2
092,702,520.0947
1010
10
LSB
μArms
6
6
=
×
×
=
−×
×
=
codesRMSscaleFullI
Inominal
ConstantConversionCurrent
FSP
μVrms/LSB
4225.13
092
,
702,
52311.
0
10220
10
LSB
μVrms
6
6
=
×
×
=
−
×
×
=
codesRMS
scale
FullV
Vnominal
ConstantConversion
Voltage
FSP
/mVA)/LSBmWATT/mVAR(6097.3
066
,694,
20311.00947.0
1022010
10
LSB
/mVAmWATT/mVAR
3
3
=
××
××
=
−
××
××
=
codesRMS
scaleFullV
I
Vnominal
Inominal
Constant
ConversionPower
FSPFSP
VAHr)/LSB
VARHr/WATTHr/(
0268.1
36002066,694,20
311.0
0947.
0
1022010
36002
10
LSB
VAHrVARHr/WATTHr/
13
6
13
6
µ
µµ=
××××
××
=
××−×
×
××
=
µµµ
−
−
codesRMSscaleFullV
I
VnominalInominal
ConstantConversionEnergy
FSPFSP
The physical parameters are obtained by multiplying the
register readings with the respective conversion constants.
For example, if the AIRMS register reading is 10,540,400
decimal codes,
Phase A rms current (A rms)
= 2.0036 µA rms/LSB × 10,540,400
= 21.12 A rms

ADE9000 Technical Reference Manual UG-1098
Rev. 0 | Page 53 of 86
REGISTER INFORMATION
Table 30. Register Summary
Address Name Description Reset Access
0x000 AIGAIN Phase A current gain adjust. 0x00000000 R/W
0x001 AIGAIN0 Phase A multipoint gain correction factor. If multipoint gain and phase compensation
is enabled, with MTEN = 1 in the CONFIG0 register, an additional gain factor,
AIGAIN0 through AIGAIN5, is applied based on the AIRMS current rms amplitude
and the MTTHR_Lx and MTTHR_Hx register values.
0x00000000 R/W
0x002 AIGAIN1 Phase A multipoint gain correction factor. If multipoint gain and phase compensation
is enabled, with MTEN = 1 in the CONFIG0 register, an additional gain factor,
AIGAIN0 through AIGAIN5, is applied based on the AIRMS current rms amplitude
and the MTTHR_Lx and MTTHR_Hx register values.
0x00000000 R/W
0x003 AIGAIN2 Phase A multipoint gain correction factor. If multipoint gain and phase compensation
is enabled, with MTEN = 1 in the CONFIG0 register, an additional gain factor,
AIGAIN0 through AIGAIN5, is applied based on the AIRMS current rms amplitude
and the MTTHR_Lx and MTTHR_Hx register values.
0x00000000 R/W
0x004 AIGAIN3 Phase A multipoint gain correction factor. If multipoint gain and phase compensation
is enabled, with MTEN = 1 in the CONFIG0 register, an additional gain factor,
AIGAIN0 through AIGAIN5, is applied based on the AIRMS current rms amplitude
and the MTTHR_Lx and MTTHR_Hx register values.
0x00000000 R/W
0x005 AIGAIN4 Phase A multipoint gain correction factor. If multipoint gain and phase compensation
is enabled, with MTEN = 1 in the CONFIG0 register, an additional gain factor,
AIGAIN0 through AIGAIN5, is applied based on the AIRMS current rms amplitude
and the MTTHR_Lx and MTTHR_Hx register values.
0x00000000 R/W
0x006 APHCAL0 Phase A multipoint phase correction factor. If multipoint phase and gain calibration is
disabled, with MTEN = 0 in the CONFIG0 register, the APHCAL0 phase compensation
is applied. If multipoint phase and gain correction is enabled, with MTEN = 1, the
APHCAL0 through APHCAL4 value is applied based on the AIRMS current rms
amplitude and the MTTHR_Lx and MTTHR_Hx register values.
0x00000000 R/W
0x007 APHCAL1 Phase A multipoint phase correction factor. If multipoint phase and gain calibration is
disabled, with MTEN = 0 in the CONFIG0 register, the APHCAL0 phase compensation
is applied. If multipoint phase and gain correction is enabled, with MTEN = 1, the
APHCAL0 through APHCAL4 value is applied based on the AIRMS current rms
amplitude and the MTTHR_Lx and MTTHR_Hx register values.
0x00000000 R/W
0x008 APHCAL2 Phase A multipoint phase correction factor. If multipoint phase and gain calibration is
disabled, with MTEN = 0 in the CONFIG0 register, the APHCAL0 phase compensation
is applied. If multipoint phase and gain correction is enabled, with MTEN = 1, the
APHCAL0 through APHCAL4 value is applied based on the AIRMS current rms
amplitude and the MTTHR_Lx and MTTHR_Hx register values.
0x00000000 R/W
0x009 APHCAL3 Phase A multipoint phase correction factor. If multipoint phase and gain calibration is
disabled, with MTEN = 0 in the CONFIG0 register, the APHCAL0 phase compensation
is applied. If multipoint phase and gain correction is enabled, with MTEN = 1, the
APHCAL0 through APHCAL4 value is applied based on the AIRMS current rms
amplitude and the MTTHR_Lx and MTTHR_Hx register values.
0x00000000 R/W
0x00A APHCAL4 Phase A multipoint phase correction factor. If multipoint phase and gain calibration is
disabled, with MTEN = 0 in the CONFIG0 register, the APHCAL0 phase compensation
is applied. If multipoint phase and gain correction is enabled, with MTEN = 1, the
APHCAL0 through APHCAL4 value is applied based on the AIRMS current rms
amplitude and the MTTHR_Lx and MTTHR_Hx register values.
0x00000000 R/W
0x00B AVGAIN Phase A voltage gain adjust. 0x00000000 R/W
0x00C AIRMSOS Phase A current rms offset for the filter-based AIRMS calculation. 0x00000000 R/W
0x00D AVRMSOS Phase A voltage rms offset for the filter-based AVRMS calculation. 0x00000000 R/W
0x00E APGAIN
Phase A power gain adjust for the AWATT, AVA, AVAR, AFWATT, AFVA, and AFVAR
calculations.
0x00000000 R/W
0x00F AWAT TOS Phase A total active power offset correction for the AWATT calculation. 0x00000000 R/W
0x010
AVAROS
Phase A total reactive power offset correction for the AVAR calculation.
0x00000000
R/W
0x011 AFWAT TOS Phase A fundamental active power offset correction for the AFWATT calculation. 0x00000000 R/W
0x012 AFVAROS Phase A fundamental reactive power offset correction for the AFVAR calculation. 0x00000000 R/W

UG-1098 ADE9000 Technical Reference Manual
Rev. 0 | Page 54 of 86
Address Name Description Reset Access
0x013
AIFRMSOS
Phase A current rms offset for the fundamental current rms, AIFRMS calculation.
0x00000000
R/W
0x014 AVFRMSOS Phase A voltage rms offset for the fundamental voltage rms, AVFRMS calculation. 0x00000000 R/W
0x015 AVRMSONEOS Phase A voltage rms offset for the fast RMS½ AVRMSONE calculation. 0x00000000 R/W
0x016 AIRMSONEOS Phase A current rms offset for the fast RMS½ AIRMSONE calculation. 0x00000000 R/W
0x017 AVRMS1012OS Phase A voltage rms offset for the 10 cycle rms/12 cycle rms AVRMS1012 calculation. 0x00000000 R/W
0x018 AIRMS1012OS Phase A current rms offset for the 10 cycle rms/12 cycle rms AIRMS1012 calculation. 0x00000000 R/W
0x020 BIGAIN Phase B current gain adjust. 0x00000000 R/W
0x021 BIGAIN0 Phase B multipoint gain correction factor. If multipoint gain and phase compensation
is enabled, with MTEN = 1 in the CONFIG0 register, an additional gain factor,
BIGAIN0 through BIGAIN5, is applied based on the BIRMS current rms amplitude
and the MTTHR_Lx and MTTHR_Hx register values.
0x00000000 R/W
0x022
BIGAIN1
Phase B multipoint gain correction factor. If multipoint gain and phase compensation
is enabled, with MTEN = 1 in the CONFIG0 register, an additional gain factor,
BIGAIN0 through BIGAIN5, is applied based on the BIRMS current rms amplitude
and the MTTHR_Lx and MTTHR_Hx register values.
0x00000000
R/W
0x023 BIGAIN2 Phase B multipoint gain correction factor. If multipoint gain and phase compensation
is enabled, with MTEN = 1 in the CONFIG0 register, an additional gain factor,
BIGAIN0 through BIGAIN5, is applied based on the BIRMS current rms amplitude
and the MTTHR_Lx and MTTHR_Hx register values.
0x00000000 R/W
0x024 BIGAIN3 Phase B multipoint gain correction factor. If multipoint gain and phase compensation
is enabled, with MTEN = 1 in the CONFIG0 register, an additional gain factor,
BIGAIN0 through BIGAIN5, is applied based on the BIRMS current rms amplitude
and the MTTHR_Lx and MTTHR_Hx register values.
0x00000000 R/W
0x025 BIGAIN4 Phase B multipoint gain correction factor. If multipoint gain and phase compensation
is enabled, with MTEN = 1 in the CONFIG0 register, an additional gain factor,
BIGAIN0 through BIGAIN5, is applied based on the BIRMS current rms amplitude
and the MTTHR_Lx and MTTHR_Hx register values.
0x00000000 R/W
0x026 BPHCAL0 Phase B multipoint phase correction factor. If multipoint phase and gain calibration is
disabled, with MTEN = 0 in the CONFIG0 register, the BPHCAL0 phase compensation
is applied. If multipoint phase and gain correction is enabled, with MTEN = 1, the
BPHCAL0 through BPHCAL4 value is applied based on the BIRMS current rms
amplitude and the MTTHR_Lx and MTTHR_Hx register values.
0x00000000 R/W
0x027 BPHCAL1 Phase B multipoint phase correction factor. If multipoint phase and gain calibration is
disabled, with MTEN = 0 in the CONFIG0 register, the BPHCAL0 phase compensation
is applied. If multipoint phase and gain correction is enabled, with MTEN = 1, the
BPHCAL0 through BPHCAL4 value is applied based on the BIRMS current rms
amplitude and the MTTHR_Lx and MTTHR_Hx register values.
0x00000000 R/W
0x028 BPHCAL2 Phase B multipoint phase correction factor. If multipoint phase and gain calibration is
disabled, with MTEN = 0 in the CONFIG0 register, the BPHCAL0 phase compensation
is applied. If multipoint phase and gain correction is enabled, with MTEN = 1, the
BPHCAL0 through BPHCAL4 value is applied based on the BIRMS current rms
amplitude and the MTTHR_Lx and MTTHR_Hx register values.
0x00000000 R/W
0x029
BPHCAL3
Phase B multipoint phase correction factor. If multipoint phase and gain calibration is
disabled, with MTEN = 0 in the CONFIG0 register, the BPHCAL0 phase compensation
is applied. If multipoint phase and gain correction is enabled, with MTEN = 1, the
BPHCAL0 through BPHCAL4 value is applied based on the BIRMS current rms
amplitude and the MTTHR_Lx and MTTHR_Hx register values.
0x00000000
R/W
0x02A BPHCAL4 Phase B multipoint phase correction factor. If multipoint phase and gain calibration is
disabled, with MTEN = 0 in the CONFIG0 register, the BPHCAL0 phase compensation
is applied. If multipoint phase and gain correction is enabled, with MTEN = 1, the
BPHCAL0 through BPHCAL4 value is applied based on the BIRMS current rms
amplitude and the MTTHR_Lx and MTTHR_Hx register values.
0x00000000 R/W
0x02B BVGAIN Phase B voltage gain adjust. 0x00000000 R/W
0x02C BIRMSOS Phase B current rms offset for the BIRMS calculation. 0x00000000 R/W
0x02D BVRMSOS Phase B voltage rms offset for the BVRMS calculation. 0x00000000 R/W
0x02E BPGAIN Phase B power gain adjust for the BWATT, BVA, BVAR, BFWATT, BFVA, and BFVAR
calculations.
0x00000000 R/W
0x02F BWAT TOS Phase B total active power offset correction for the BWATT calculation. 0x00000000 R/W

ADE9000 Technical Reference Manual UG-1098
Rev. 0 | Page 55 of 86
Address Name Description Reset Access
0x030
BVAROS
Phase B total reactive power offset correction for the BVAR calculation.
0x00000000
R/W
0x031 BFWAT TOS Phase B fundamental active power offset correction for the BFWATT calculation. 0x00000000 R/W
0x032 BFVAROS Phase B fundamental reactive power offset correction for the BFVAR calculation. 0x00000000 R/W
0x033 BIFRMSOS Phase B current rms offset for the fundamental current rms BIFRMS calculation. 0x00000000 R/W
0x034 BVFRMSOS Phase B voltage rms offset for the fundamental voltage rms BVFRMS calculation. 0x00000000 R/W
0x035 BVRMSONEOS Phase B voltage rms offset for the fast RMS½ BVRMSONE calculation. 0x00000000 R/W
0x036 BIRMSONEOS Phase B current rms offset for the fast RMS½ BIRMSONE calculation. 0x00000000 R/W
0x037 BVRMS1012OS Phase B voltage rms offset for the 10 cycle rms/12 cycle rms BVRMS1012 calculation. 0x00000000 R/W
0x038 BIRMS1012OS Phase B current rms offset for the 10 cycle rms/12 cycle rms BVRMS1012 calculation. 0x00000000 R/W
0x040 CIGAIN Phase C current gain adjust. 0x00000000 R/W
0x041 CIGAIN0 Phase C multipoint gain correction factor. If multipoint gain and phase compensation
is enabled, with MTEN = 1 in the CONFIG0 register, an additional gain factor,
CIGAIN0 through CIGAIN5, is applied based on the CIRMS current rms amplitude
and the MTTHR_Lx and MTTHR_Hx register values.
0x00000000 R/W
0x042 CIGAIN1 Phase C multipoint gain correction factor. If multipoint gain and phase compensation
is enabled, with MTEN = 1 in the CONFIG0 register, an additional gain factor,
CIGAIN0 through CIGAIN5, is applied based on the CIRMS current rms amplitude
and the MTTHR_Lx and MTTHR_Hx register values.
0x00000000 R/W
0x043 CIGAIN2 Phase C multipoint gain correction factor. If multipoint gain and phase compensation
is enabled, with MTEN = 1 in the CONFIG0 register, an additional gain factor,
CIGAIN0 through CIGAIN5, is applied based on the CIRMS current rms amplitude
and the MTTHR_Lx and MTTHR_Hx register values.
0x00000000 R/W
0x044 CIGAIN3 Phase C Multipoint gain correction factor. If multipoint gain and phase compensation
is enabled, with MTEN = 1 in the CONFIG0 register, an additional gain factor,
CIGAIN0 through CIGAIN5, is applied based on the CIRMS current rms amplitude
and the MTTHR_Lx and MTTHR_Hx register values.
0x00000000 R/W
0x045 CIGAIN4 Phase C Multipoint gain correction factor. If multipoint gain and phase compensation
is enabled, with MTEN = 1 in the CONFIG0 register, an additional gain factor,
CIGAIN0 through CIGAIN5, is applied based on the CIRMS current rms amplitude
and the MTTHR_Lx and MTTHR_Hx register values.
0x00000000 R/W
0x046 CPHCAL0 Phase C multipoint phase correction factor. If multipoint phase and gain calibration is
disabled, with MTEN = 0 in the CONFIG0 register, the CPHCAL0 phase compensation
is applied. If multipoint phase and gain correction is enabled, with MTEN = 1, the
CPHCAL0 through CPHCAL4 value is applied, based on the CIRMS current rms
amplitude and the MTTHR_Lx and MTTHR_Hx register values.
0x00000000 R/W
0x047 CPHCAL1 Phase C multipoint phase correction factor. If multipoint phase and gain calibration is
disabled, with MTEN = 0 in the CONFIG0 register, the CPHCAL0 phase compensation
is applied. If multipoint phase and gain correction is enabled, with MTEN = 1, the
CPHCAL0 through CPHCAL4 value is applied, based on the CIRMS current rms
amplitude and the MTTHR_Lx and MTTHR_Hx register values.
0x00000000 R/W
0x048 CPHCAL2 Phase C multipoint phase correction factor. If multipoint phase and gain calibration is
disabled, with MTEN = 0 in the CONFIG0 register, the CPHCAL0 phase compensation
is applied. If multipoint phase and gain correction is enabled, with MTEN = 1, the
CPHCAL0 through CPHCAL4 value is applied, based on the CIRMS current rms
amplitude and the MTTHR_Lx and MTTHR_Hx register values.
0x00000000 R/W
0x049 CPHCAL3 Phase C multipoint phase correction factor. If multipoint phase and gain calibration is
disabled, with MTEN = 0 in the CONFIG0 register, the CPHCAL0 phase compensation
is applied. If multipoint phase and gain correction is enabled, with MTEN = 1, the
CPHCAL0 through CPHCAL4 value is applied, based on the CIRMS current rms
amplitude and the MTTHR_Lx and MTTHR_Hx register values.
0x00000000 R/W
0x04A CPHCAL4 Phase C multipoint phase correction factor. If multipoint phase and gain calibration is
disabled, with MTEN = 0 in the CONFIG0 register, the CPHCAL0 phase compensation
is applied. If multipoint phase and gain correction is enabled, with MTEN = 1, the
CPHCAL0 through CPHCAL4 value is applied, based on the CIRMS current rms
amplitude and the MTTHR_Lx and MTTHR_Hx register values.
0x00000000 R/W
0x04B
CVGAIN
Phase C voltage gain adjust.
0x00000000
R/W
0x04C CIRMSOS Phase C current rms offset for the CIRMS calculation. 0x00000000 R/W
0x04D CVRMSOS Phase C voltage rms offset for the CVRMS calculation. 0x00000000 R/W
UG-1098 ADE9000 Technical Reference Manual
Rev. 0 | Page 56 of 86
Address Name Description Reset Access
0x04E
CPGAIN
Phase C power gain adjust for the CWATT, CVA, CVAR, CFWATT, CFVA, and CFVAR
calculations.
0x00000000
R/W
0x04F CWATTOS Phase C total active power offset correction for the CWATT calculation. 0x00000000 R/W
0x050 CVAROS Phase C total reactive power offset correction for the CVAR calculation. 0x00000000 R/W
0x051 CFWAT TOS Phase C fundamental active power offset correction for the CFWATT calculation. 0x00000000 R/W
0x052 CFVAROS Phase C fundamental reactive power offset correction for the CFVAR calculation. 0x00000000 R/W
0x053 CIFRMSOS Phase C current rms offset for the fundamental current rms CIFRMS calculation. 0x00000000 R/W
0x054 CVFRMSOS Phase C voltage rms offset for the fundamental voltage rms CVFRMS calculation. 0x00000000 R/W
0x055 CVRMSONEOS Phase C voltage rms offset for the fast RMS½ CVRMSONE calculation. 0x00000000 R/W
0x056 CIRMSONEOS Phase C current rms offset for the fast RMS½ CIRMSONE calculation. 0x00000000 R/W
0x057 CVRMS1012OS Phase C voltage rms offset for the 10 cycle rms/12 cycle rms CVRMS1012 calculation. 0x00000000 R/W
0x058 CIRMS1012OS Phase C current rms offset for the 10 cycle rms/12 cycle rms CIRMS1012 calculation. 0x00000000 R/W
0x060 CONFIG0 Configuration Register 0. 0x00000000 R/W
0x061 MTTHR_L0 Multipoint phase/gain threshold. If MTEN = 1 in the CONFIG0 register, the
MTGNTHR_Lx and MTGNTHR_Hx registers set up the ranges in which to apply
each set of corrections, allowing hysteresis. See the Multipoint Phase/Gain
Calibration section for more information.
0x00000000 R/W
0x062 MTTHR_L1 Multipoint phase/gain threshold. See MTTHR_L0 for more information. 0x00000000 R/W
0x063 MTTHR_L2 Multipoint phase/gain threshold. See MTTHR_L0 for more information. 0x00000000 R/W
0x064 MTTHR_L3 Multipoint phase/gain threshold. See MTTHR_L0 for more information. 0x00000000 R/W
0x065 MTTHR_L4 Multipoint phase/gain threshold. See MTTHR_L0 for more information. 0x00000000 R/W
0x066 MTTHR_H0 Multipoint phase/gain threshold. See MTTHR_L0 for more information. 0x00000000 R/W
0x067 MTTHR_H1 Multipoint phase/gain threshold. See MTTHR_L0 for more information. 0x00000000 R/W
0x068 MTTHR_H2 Multipoint phase/gain threshold. See MTTHR_L0 for more information. 0x00000000 R/W
0x069 MTTHR_H3 Multipoint phase/gain threshold. See MTTHR_L0 for more information. 0x00000000 R/W
0x06A MTTHR_H4 Multipoint phase/gain threshold. See MTTHR_L0 for more information. 0x00000000 R/W
0x06B NIRMSOS Neutral current rms offset for the NIRMS calculation. 0x00000000 R/W
0x06C ISUMRMSOS Offset correction for the ISUMRMS calculation based on the sum of IA + IB + IC ± IN. 0x00000000 R/W
0x06D
NIGAIN
Neutral current gain adjust.
0x00000000
R/W
0x06E NPHCAL Neutral current phase compensation. 0x00000000 R/W
0x06F NIRMSONEOS Neutral current rms offset for the fast RMS½ NIRMSONE calculation. 0x00000000 R/W
0x070 NIRMS1012OS Neutral current rms offset for the 10 cycle rms/12 cycle rms NIRMS1012 calculation. 0x00000000 R/W
0x071 VNOM Nominal phase voltage rms used in the computation of apparent power, xVA,
when the VNOMx_EN bit is set in the CONFIG0 register.
0x00000000 R/W
0x072 DICOEFF Value used in the digital integrator algorithm. If the integrator is turned on, with
INTEN or ININTEN equal to one in the CONFIG0 register, it is recommended to set
this value to 0xFFFFE000.
0x00000000 R/W
0x073 ISUMLVL Threshold to compare ISUMRMS against. Configure this register to receive a
MISMTCH indication in STATUS0 if ISUMRMS exceeds this threshold.
0x00000000 R/W
0x20A AI_PCF Instantaneous Phase A current channel waveform processed by the DSP at 8 kSPS. 0x00000000 R
0x20B AV_PCF Instantaneous Phase A voltage channel waveform processed by the DSP at 8 kSPS. 0x00000000 R
0x20C AIRMS Phase A filter-based current rms value, updates at 8 kSPS. 0x00000000 R
0x20D AVRMS Phase A filter-based voltage rms value, updates at 8 kSPS. 0x00000000 R
0x20E AIFRMS Phase A current fundamental rms, updates at 8 kSPS. 0x00000000 R
0x20F AVFRMS Phase A voltage fundamental RMS, updates at 8 kSPS. 0x00000000 R
0x210 AWAT T Phase A low-pass filtered total active power, updated at 8 kSPS. 0x00000000 R
0x211 AVAR Phase A low-pass filtered total reactive power, updated at 8 kSPS. 0x00000000 R
0x212 AVA Phase A total apparent power, updated at 8 kSPS. 0x00000000 R
0x213 AFWAT T Phase A fundamental active power, updated at 8 kSPS. 0x00000000 R
0x214 AFVAR Phase A fundamental reactive power, updated at 8 kSPS. 0x00000000 R
0x215 AFVA Phase A fundamental apparent power, updated at 8 kSPS. 0x00000000 R
0x216 APF Phase A power factor, updated every 1.024 sec. 0x00000000 R
0x217 AVTHD Phase A voltage THD, updated every 1.024 sec. 0x00000000 R
ADE9000 Technical Reference Manual UG-1098
Rev. 0 | Page 57 of 86
Address Name Description Reset Access
0x218
AITHD
Phase A current THD, updated every 1.024 sec.
0x00000000
R
0x219 AIRMSONE Phase A current fast RMS½ calculation, one cycle rms updated every half cycle. 0x00000000 R
0x21A AVRMSONE Phase A voltage fast RMS½ calculation, one cycle rms updated every half cycle. 0x00000000 R
0x21B AIRMS1012 Phase A current fast 10 cycle rms/12 cycle rms calculation. The calculation is
performed over 10 cycles if SELFREQ = 0 for a 50 Hz network or over 12 cycles if
SELFREQ = 1 for a 60 Hz network, in the ACCMODE register.
0x00000000 R
0x21C AVRMS1012 Phase A voltage fast 10 cycle rms/12 cycle rms calculation. The calculation is
performed over 10 cycles if SELFREQ = 0 for a 50 Hz network or over 12 cycles if
SELFREQ = 1 for a 60 Hz network, in the ACCMODE register.
0x00000000 R
0x21D AMTREGION If multipoint gain and phase compensation is enabled, with MTEN = 1 in the
CONFIG0 register, this register indicate which AIGAINx and APHCALx is currently
being used.
0x0000000F R
0x22A BI_PCF Instantaneous Phase B current channel waveform processed by the DSP at 8 kSPS. 0x00000000 R
0x22B BV_PCF Instantaneous Phase B voltage channel waveform processed by the DSP at 8 kSPS. 0x00000000 R
0x22C BIRMS Phase B filter-based current rms value, updates at 8 kSPS. 0x00000000 R
0x22D BVRMS Phase B filter-based voltage rms value, updates at 8 kSPS. 0x00000000 R
0x22E BIFRMS Phase B current fundamental rms, updates at 8 kSPS. 0x00000000 R
0x22F BVFRMS Phase B voltage fundamental rms, updates at 8 kSPS. 0x00000000 R
0x230 BWAT T Phase B low-pass filtered total active power, updated at 8 kSPS. 0x00000000 R
0x231 BVAR Phase B low-pass filtered total reactive power, updated at 8 kSPS. 0x00000000 R
0x232 BVA Phase B total apparent power, updated at 8 kSPS. 0x00000000 R
0x233 BFWAT T Phase B fundamental active power, updated at 8 kSPS. 0x00000000 R
0x234 BFVAR Phase B fundamental reactive power, updated at 8 kSPS. 0x00000000 R
0x235 BFVA Phase B fundamental apparent power, updated at 8 kSPS. 0x00000000 R
0x236 BPF Phase B power factor, updated every 1.024 sec. 0x00000000 R
0x237 BVTHD Phase B voltage THD, updated every 1.024 sec. 0x00000000 R
0x238 BITHD Phase B current THD, updated every 1.024 sec. 0x00000000 R
0x239 BIRMSONE Phase B current fast RMS½ calculation, one cycle rms updated every half cycle. 0x00000000 R
0x23A
BVRMSONE
Phase B voltage fast RMS½ calculation, one cycle rms updated every half cycle.
0x00000000
R
0x23B BIRMS1012 Phase B current fast 10 cycle rms/12 cycle rms calculation. The calculation is
performed over 10 cycles if SELFREQ = 0 for a 50 Hz network or over 12 cycles if
SELFREQ = 1 for a 60 Hz network, in the ACCMODE register.
0x00000000 R
0x23C BVRMS1012 Phase B voltage fast 10 cycle rms/12 cycle rms calculation. The calculation is
performed over 10 cycles if SELFREQ = 0 for a 50 Hz network or over 12 cycles if
SELFREQ = 1 for a 60 Hz network, in the ACCMODE register.
0x00000000 R
0x23D BMTREGION If multipoint gain and phase compensation is enabled, with MTEN = 1 in the COFIG0
register, this register indicate which BIGAINx and BPHCALx is currently being used.
0x0000000F R
0x24A CI_PCF Instantaneous Phase C current channel waveform processed by the DSP at 8 kSPS. 0x00000000 R
0x24B CV_PCF Instantaneous Phase C voltage channel waveform processed by the DSP at 8 kSPS. 0x00000000 R
0x24C CIRMS Phase C filter-based current rms value, updates at 8 kSPS. 0x00000000 R
0x24D CVRMS Phase C filter-based voltage rms value, updates at 8 kSPS. 0x00000000 R
0x24E CIFRMS Phase C current fundamental rms, updates at 8 kSPS. 0x00000000 R
0x24F CVFRMS Phase C voltage fundamental rms, updates at 8 kSPS. 0x00000000 R
0x250 CWATT Phase C low-pass filtered total active power, updated at 8 kSPS. 0x00000000 R
0x251 CVAR Phase C low-pass filtered total reactive power, updated at 8 kSPS. 0x00000000 R
0x252
CVA
Phase C total apparent power, updated at 8 kSPS.
0x00000000
R
0x253 CFWAT T Phase C fundamental active power, updated at 8 kSPS. 0x00000000 R
0x254 CFVAR Phase C fundamental reactive power, updated at 8 kSPS. 0x00000000 R
0x255 CFVA Phase C fundamental apparent power, updated at 8 kSPS. 0x00000000 R
0x256 CPF Phase C power factor, updated every 1.024 sec. 0x00000000 R
0x257 CVTHD Phase C voltage THD, updated every 1.024 sec. 0x00000000 R
0x258 CITHD Phase C current total THD, updated every 1.024 sec. 0x00000000 R
0x259 CIRMSONE Phase C current fast RMS½ calculation, one cycle rms updated every half cycle. 0x00000000 R

UG-1098 ADE9000 Technical Reference Manual
Rev. 0 | Page 58 of 86
Address Name Description Reset Access
0x25A
CVRMSONE
Phase C voltage fast RMS½ calculation, one cycle rms updated every half cycle.
0x00000000
R
0x25B CIRMS1012 Phase C current fast 10 cycle rms/12 cycle rms calculation. The calculation is
performed over 10 cycles if SELFREQ = 0 for a 50 Hz network or over 12 cycles if
SELFREQ = 1 for a 60 Hz network, in the ACCMODE register.
0x00000000 R
0x25C CVRMS1012 Phase C voltage fast 10 cycle rms/12 cycle rms calculation. The calculation is
performed over 10 cycles if SELFREQ = 0 for a 50 Hz network or over 12 cycles if
SELFREQ = 1 for a 60 Hz network, in the ACCMODE register.
0x00000000 R
0x25D CMTREGION If multipoint gain and phase compensation is enabled, with MTEN = 1 in the
CONFIG0 register, these bits indicate which CIGAINx and CPHCALx is currently
being used.
0x0000000F R
0x265 NI_PCF Instantaneous neutral current channel waveform processed by the DSP at 8 kSPS. 0x00000000 R
0x266 NIRMS Neutral current filter-based rms value. 0x00000000 R
0x267 NIRMSONE Neutral current fast RMS½ calculation, one cycle rms updated every half cycle. 0x00000000 R
0x268 NIRMS1012 Neutral current fast 10 cycle rms/12 cycle rms calculation. The calculation is
performed over 10 cycles if SELFREQ = 0 for a 50 Hz network or over 12 cycles if
SELFREQ = 1 for a 60 Hz network, in the ACCMODE register.
0x00000000 R
0x269 ISUMRMS Filter-based rms based on the sum of IA + IB + IC ± IN. 0x00000000 R
0x26A VERSION2 This register indicates the version of the metrology algorithms after the user
writes run = 1 to start the measurements.
0x0000000C R
0x2E5 AWAT T_ACC Phase A accumulated total active power, updated after PWR_TIME 8 kSPS samples. 0x00000000 R
0x2E6 AWAT THR_LO Phase A accumulated total active energy, LSB. Updated according to the settings
in the EP_CFG and EGY_TIME registers.
0x00000000 R
0x2E7 AWATTHR_HI Phase A accumulated total active energy, MSB. Updated according to the settings in
the EP_CFG and EGY_TIME registers.
0x00000000 R
0x2EF AVAR_ACC Phase A accumulated total reactive power, updated after PWR_TIME 8 kSPS samples. 0x00000000 R
0x2F0 AVARHR_LO Phase A accumulated total reactive energy, LSB. Updated according to the settings in
the EP_CFG and EGY_TIME registers.
0x00000000 R
0x2F1 AVARHR_HI Phase A accumulated total reactive energy, MSB. Updated according to the settings
in the EP_CFG and EGY_TIME registers.
0x00000000 R
0x2F9 AVA_ACC Phase A accumulated total apparent power, updated after PWR_TIME 8 kSPS samples. 0x00000000 R
0x2FA AVAHR_LO Phase A accumulated total apparent energy, LSB. Updated according to the settings
in the EP_CFG and EGY_TIME registers.
0x00000000 R
0x2FB AVAHR_HI Phase A accumulated total apparent energy, LSB. Updated according to the settings
in the EP_CFG and EGY_TIME registers.
0x00000000 R
0x303 AFWAT T_ACC Phase A accumulated fundamental active power, updated after PWR_TIME
8 kSPS samples.
0x00000000 R
0x304 AFWATTHR_LO Phase A accumulated fundamental active energy, LSB. Updated according to the
settings in the EP_CFG and EGY_TIME registers.
0x00000000 R
0x305 AFWATTHR_HI Phase A accumul
ated fundamental active energy, MSB. Updated according to the
settings in the EP_CFG and EGY_TIME registers.
0x00000000 R
0x30D AFVAR_ACC Phase A accumulated fundamental reactive power, updated after PWR_TIME 8 kSPS
samples.
0x00000000 R
0x30E AFVARHR_LO Phase A accumulated fundamental reactive energy, LSB. Updated according to
the settings in the EP_CFG and EGY_TIME registers.
0x00000000 R
0x30F AFVARHR_HI Phase A accumulated fundamental reactive energy, MSB. Updated according to
the settings in the EP_CFG and EGY_TIME registers.
0x00000000 R
0x317 AFVA_ACC Phase A accumulated fundamental apparent power, updated after PWR_TIME 8 kSPS
samples.
0x00000000 R
0x318 AFVAHR_LO Phase A accumulated fundamental apparent energy, LSB. Updated according to
the settings in the EP_CFG and EGY_TIME registers.
0x00000000 R
0x319 AFVAHR_HI Phase A accumulated fundamental apparent energy, MSB. Updated according to
the settings in the EP_CFG and EGY_TIME registers.
0x00000000 R
0x321 BWAT T_ACC Phase B accumulated total active power, updated after PWR_TIME 8 kSPS samples. 0x00000000 R
0x322
BWAT THR_LO
Phase B accumulated total active energy, LSB. Updated according to the settings
in the EP_CFG and EGY_TIME registers.
0x00000000
R

ADE9000 Technical Reference Manual UG-1098
Rev. 0 | Page 59 of 86
Address Name Description Reset Access
0x323
BWATTHR_HI
Phase B accumulated total active energy, MSB. Updated according to the settings
in the EP_CFG and EGY_TIME registers.
0x00000000
R
0x32B BVAR_ACC Phase B accumulated total reactive power, updated after PWR_TIME 8 kSPS samples. 0x00000000 R
0x32C BVARHR_LO Phase B accumulated total reactive energy, LSB. Updated according to the
settings in the EP_CFG and EGY_TIME registers.
0x00000000 R
0x32D BVARHR_HI Phase B accumulated total reactive energy, MSB. Updated according to the
settings in the EP_CFG and EGY_TIME registers.
0x00000000 R
0x335 BVA_ACC Phase B accumulated total apparent power, updated after PWR_TIME 8 kSPS samples. 0x00000000 R
0x336
BVAHR_LO
Phase B accumulated total apparent energy, LSB. Updated according to the
settings in the EP_CFG and EGY_TIME registers.
0x00000000
R
0x337 BVAHR_HI Phase B accumulated total apparent energy, MSB. Updated according to the
settings in the EP_CFG and EGY_TIME registers.
0x00000000 R
0x33F BFWAT T_ACC Phase B accumulated fundamental active power, updated after PWR_TIME 8 kSPS
samples.
0x00000000 R
0x340 BFWAT THR_LO Phase B accumulated fundamental active energy, LSB. Updated according to the
settings in the EP_CFG and EGY_TIME registers.
0x00000000 R
0x341 BFWATTHR_HI Phase B accumulated fundamental active energy, MSB. Updated according to the
settings in EP_CFG and EGY_TIME registers.
0x00000000 R
0x349 BFVAR_ACC Phase B accumulated fundamental reactive power, updated after PWR_TIME 8 kSPS
samples.
0x00000000 R
0x34A BFVARHR_LO Phase B accumulated fundamental reactive energy, LSB. Updated according to
the settings in the EP_CFG and EGY_TIME registers.
0x00000000 R
0x34B BFVARHR_HI Phase B accumulated fundamental reactive energy, MSB. Updated according to
the settings in the EP_CFG and EGY_TIME registers.
0x00000000 R
0x353 BFVA_ACC Phase B accumulated fundamental apparent power, updated after PWR_TIME 8 kSPS
samples.
0x00000000 R
0x354 BFVAHR_LO Phase B accumulated fundamental apparent energy, LSB. Updated according to
the settings in the EP_CFG and EGY_TIME registers.
0x00000000 R
0x355 BFVAHR_HI Phase B accumulated fundamental apparent energy, MSB. Updated according to
the settings in the EP_CFG and EGY_TIME registers.
0x00000000 R
0x35D CWATT_ACC Phase C accumulated total active power, updated after PWR_TIME 8 kSPS samples. 0x00000000 R
0x35E CWATTHR_LO Phase C accumulated total active energy, LSB. Updated according to the settings
in the EP_CFG and EGY_TIME registers.
0x00000000 R
0x35F CWATTHR_HI Phase C accumulated total active energy, MSB. Updated according to the settings
in the P_CFG and EGY_TIME registers.
0x00000000 R
0x367 CVAR_ACC Phase C accumulated total reactive power, updated after PWR_TIME 8 kSPS samples. 0x00000000 R
0x368 CVARHR_LO Phase C accumulated total reactive energy, LSB. Updated according to the
settings in the EP_CFG and EGY_TIME registers.
0x00000000 R
0x369 CVARHR_HI Phase C accumulated total reactive energy, MSB. Updated according to the
settings in the EP_CFG and EGY_TIME registers.
0x00000000 R
0x371 CVA_ACC Phase C accumulated total apparent power, updated after PWR_TIME 8 kSPS samples. 0x00000000 R
0x372 CVAHR_LO Phase C accumulated total apparent energy, LSB. Updated according to the
settings in the EP_CFG and EGY_TIME registers.
0x00000000 R
0x373 CVAHR_HI Phase C accumulated total apparent energy, MSB. Updated according to the
settings in the EP_CFG and EGY_TIME registers.
0x00000000 R
0x37B CFWATT_ACC Phase C accumulated fundamental active power, updated after PWR_TIME 8 kSPS
samples.
0x00000000 R
0x37C CFWATTHR_LO Phase C accumulated fundamental active energy, LSB. Updated according to the
settings in the EP_CFG and EGY_TIME registers.
0x00000000 R
0x37D CFWATTHR_HI
Phase C accumulated fundamental active energy, MSB. Updated according to the
settings in the EP_CFG and EGY_TIME registers.
0x00000000 R
0x385 CFVAR_ACC Phase C accumulated fundamental reactive power, updated after PWR_TIME 8 kSPS
samples.
0x00000000 R
0x386
CFVARHR_LO
Phase C accumulated fundamental reactive energy, LSB. Updated according to
the settings in the EP_CFG and EGY_TIME registers.
0x00000000
R
UG-1098 ADE9000 Technical Reference Manual
Rev. 0 | Page 60 of 86
Address Name Description Reset Access
0x387
CFVARHR_HI
Phase C accumulated fundamental reactive energy, MSB. Updated according to
the settings in the EP_CFG and EGY_TIME registers.
0x00000000
R
0x38F CFVA_ACC Phase C accumulated fundamental apparent power, updated after PWR_TIME
8 kSPS samples.
0x00000000 R
0x390 CFVAHR_LO Phase C accumulated fundamental apparent energy, LSB. Updated according to
the settings in the EP_CFG and EGY_TIME registers.
0x00000000 R
0x391 CFVAHR_HI Phase C accumulated fundamental apparent energy, MSB. Updated according to
the settings in the EP_CFG and EGY_TIME registers.
0x00000000 R
0x397 PWAT T_ACC Accumulated positive total active power, MSB, from AWATT, BWATT, and CWATT
registers, updated after PWR_TIME 8 kSPS samples.
0x00000000 R
0x39B NWATT_ACC
Accumulated Negative total active power, MSB, from AWATT, BWATT, and CWATT
registers, updated after PWR_TIME 8 kSPS samples.
0x00000000 R
0x39F PVAR_ACC Accumulated positive total reactive power, MSB, from AVAR, BVAR, and CVAR
registers, updated after PWR_TIME 8 kSPS samples.
0x00000000 R
0x3A3
NVAR_ACC
Accumulated Negative total reactive power, MSB, from AVAR, BVAR, and CVAR
registers, updated after PWR_TIME 8 kSPS samples.
0x00000000
R
0x400 IPEAK Current peak register. 0x00000000 R
0x401 VPEAK Voltage peak register. 0x00000000 R
0x402 STATUS0 Status Register 0. 0x00000000 R/W
0x403 STATUS1 Status Register 1. 0x00000000 R/W
0x404 EVENT_STATUS Event status register. 0x00000000 R
0x405 MASK0 Interrupt Enable Register 0. 0x00000000 R/W
0x406
MASK1
Interrupt Enable Register 1.
0x00000000
R/W
0x407 EVENT_MASK Event enable register. 0x00000000 R/W
0x409 OILVL Over current detection threshold level. 0x00FFFFFF R/W
0x40A
OIA
Phase A overcurrent RMS½ value. If a phase is enabled, with the OC_ENA bit set
in the CONFIG3 register and AIRMSONE greater than the OILVL threshold, this
value is updated.
0x00000000
R
0x40B
OIB
Phase B overcurrent RMS½ value. If a phase is enabled, with the OC_ENB bit set
in the CONFIG3 register and BIRMSONE greater than the OILVL threshold, this
value is updated.
0x00000000
R
0x40C
OIC
Phase C overcurrent RMS½ value. If a phase is enabled, with the OC_ENC bit set
in the CONFIG3 register and CIRMSONE greater than the OILVL threshold, this
value is updated.
0x00000000
R
0x40D OIN Neutral current overcurrent RMS½ value. If enabled, with the OC_ENN bit set in
the CONFIG3 register and NIRMSONE greater than the OILVL threshold, this value
is updated.
0x00000000 R
0x40E USER_PERIOD User configured line period value used for resampling, fast RMS½ and 10 cycle rms/
12 cycle rms when the UPERIOD_SEL bit in the CONFIG2 register is set.
0x00500000 R/W
0x40F VLEVEL Register used in the algorithm that computes the fundamental active, reactive,
and apparent powers as well as the fundamental IRMS and VRMS values.
0x00045D45 R/W
0x410
DIP_LVL
Voltage RMS½ dip detection threshold level.
0x00000000
R/W
0x411 DIPA Phase A voltage RMS½ value during a dip condition. 0x007FFFFF R
0x412 DIPB Phase B voltage RMS½ value during a dip condition. 0x007FFFFF R
0x413 DIPC Phase C voltage RMS½ value during a dip condition. 0x007FFFFF R
0x414 SWELL_LVL Voltage RMS½ swell detection threshold level. 0x00FFFFFF R/W
0x415 SWELLA Phase A voltage RMS½ value during a swell condition. 0x00000000 R
0x416 SWELLB Phase B voltage RMS½ value during a swell condition. 0x00000000 R
0x417 SWELLC Phase C voltage RMS½ value during a swell condition. 0x00000000 R
0x418 APERIOD Line period on Phase A voltage. 0x00A00000 R
0x419
BPERIOD
Line period on Phase B voltage.
0x00A00000
R
0x41A CPERIOD Line period on Phase C voltage. 0x00A00000 R
0x41B COM_PERIOD Line period measurement on combined signal from Phase A, Phase B, and
Phase C voltages.
0x00A00000 R
0x41C ACT_NL_LVL No load threshold in the total and fundamental active power datapath. 0x0000FFFF R/W
ADE9000 Technical Reference Manual UG-1098
Rev. 0 | Page 61 of 86
Address Name Description Reset Access
0x41D
REACT_NL_LVL
No load threshold in the total and fundamental reactive power datapath.
0x0000FFFF
R/W
0x41E APP_NL_LVL No load threshold in the total and fundamental apparent power datapath. 0x0000FFFF R/W
0x41F PHNOLOAD Phase no load register. 0x00000000 R
0x420 WTHR Sets the maximum output rate from the digital to frequency converter for the
total and fundamental active power for the CFx calibration pulse output. It is
recommended to write WTHR = 0x0010_0000.
0x0000FFFF R/W
0x421 VARTHR Sets the maximum output rate from the digital to frequency converter for the
total and fundamental reactive power for the CFx calibration pulse output. It is
recommended to write VARTHR = 0x0010_0000.
0x0000FFFF R/W
0x422 VATHR Sets the maximum output rate from the digital to frequency converter for the
total and fundamental apparent power for the CFx calibration pulse output. It is
recommended to write VATHR = 0x0010_0000.
0x0000FFFF R/W
0x423 LAST_DATA_32 This register holds the data read or written during the last 32-bit transaction on
the SPI port.
0x00000000 R
0x424
ADC_REDIRECT
This register allows any ADC output to be redirected to any digital datapath.
0x001FFFFF
R/W
0x425 CF_LCFG CFx calibration pulse width configuration register. 0x00000000 R/W
0x472 PART_ID This register identifies the IC. If the ADE9000_ID bit = 1, the IC is the ADE9000. 0x00100000 R
0x474
TEMP_TRIM
Temperature sensor gain and offset, calculated during the manufacturing process.
0x00000000
R/W
0x480 RUN Write this register to 1 to start the measurements. 0x0000 R/W
0x481 CONFIG1 Configuration Register 1. 0x0000 R/W
0x482 ANGL_VA_VB Time between positive to negative zero-crossings on Phase A and Phase B voltages. 0x0000 R
0x483 ANGL_VB_VC Time between positive to negative zero-crossings on Phase B and Phase C voltages. 0x0000 R
0x484 ANGL_VA_VC Time between positive to negative zero-crossings on Phase A and Phase C voltages. 0x0000 R
0x485 ANGL_VA_IA Time between positive to negative zero-crossings on Phase A voltage and current. 0x0000 R
0x486 ANGL_VB_IB Time between positive to negative zero-crossings on Phase B voltage and current. 0x0000 R
0x487 ANGL_VC_IC Time between positive to negative zero-crossings on Phase C voltage and current. 0x0000 R
0x488 ANGL_IA_IB Time between positive to negative zero-crossings on Phase A and Phase B current. 0x0000 R
0x489 ANGL_IB_IC Time between positive to negative zero-crossings on Phase B and Phase C current. 0x0000 R
0x48A ANGL_IA_IC Time between positive to negative zero-crossings on Phase A and Phase C current. 0x0000 R
0x48B DIP_CYC Voltage RMS½ dip detection cycle configuration. 0xFFFF R/W
0x48C SWELL_CYC Voltage RMS½ swell detection cycle configuration. 0xFFFF R/W
0x48F OISTATUS Overcurrent status register. 0x0000 R
0x490 CFMODE CFx configuration register. 0x0000 R/W
0x491 COMPMODE Computation mode register. 0x0000 R/W
0x492 ACCMODE Accumulation mode register. 0x0000 R/W
0x493 CONFIG3 Configuration Register 3. 0xF000 R/W
0x494
CF1DEN
CF1 denominator register.
0xFFFF
R/W
0x495 CF2DEN CF2 denominator register. 0xFFFF R/W
0x496 CF3DEN CF3 denominator register. 0xFFFF R/W
0x497
CF4DEN
CF4 denominator register.
0xFFFF
R/W
0x498 ZXTOUT Zero-crossing timeout configuration register. 0xFFFF R/W
0x499 ZXTHRSH Voltage channel zero-crossing threshold register. 0x0009 R/W
0x49A ZX_LP_SEL This register selects which zero-crossing and which line period measurement are
used for other calculations.
0x001E R/W
0x49C SEQ_CYC Number of line cycles used for phase sequence detection. It is recommended to
set this register to 1.
0x00FF R/W
0x49D PHSIGN Power sign register. 0x0000 R
0x4A0 WFB_CFG Waveform buffer configuration register. 0x0000 R/W
0x4A1 WFB_PG_IRQEN This register enables interrupts to occur after specific pages of the waveform
buffer are filled.
0x0000 R/W
0x4A2 WFB_TRG_CFG This register enables events to trigger a capture in the waveform buffer. 0x0000 R/W
0x4A3 WFB_TRG_STAT This register indicates the last page that was filled in the waveform buffer and
the location of trigger events.
0x0000 R/W
UG-1098 ADE9000 Technical Reference Manual
Rev. 0 | Page 62 of 86
Address Name Description Reset Access
0x4A4
CONFIG5
Configuration Register 5.
0x0063
R/W
0x4A8 CRC_RSLT This register holds the CRC of the configuration registers. 0x0000 R
0x4A9 CRC_SPI This register holds the 16-bit CRC of the data sent out on the MOSI pin during the
last SPI register read.
0x0000 R
0x4AC LAST_DATA_16 This register holds the data read or written during the last 16-bit transaction on
the SPI port.
0x0000 R
0x4AE LAST_CMD This register holds the address and read/write operation request (CMD_HDR) for
the last transaction on the SPI port.
0x0000 R
0x4AF
CONFIG2
Configuration Register 2.
0x0C00
R/W
0x4B0 EP_CFG Energy and power accumulation configuration. 0x0000 R/W
0x4B1 PWR_TIME Power update time configuration. 0x00FF R/W
0x4B2
EGY_TIME
Energy accumulation update time configuration.
0x00FF
R/W
0x4B4 CRC_FORCE This register forces an update of the CRC of configuration registers. 0x0000 R/W
0x4B5 CRC_OPTEN This register selects which registers are optionally included in the configuration
register CRC feature.
0x0000 R/W
0x4B6 TEMP_CFG Temperature sensor configuration register. 0x0000 R/W
0x4B7 TEMP_RSLT Temperature measurement result. 0x0000 R
0x4B9 PGA_GAIN This register configures the PGA gain for each ADC. 0x0000 R/W
0x4BA CHNL_DIS ADC channel enable/disable. 0x0000 R/W
0x4BF WR_LOCK This register enables the configuration lock feature. 0x0000 R/W
0x4E0 VAR_DIS Enables/disables total reactive power calculation. 0x0000 R/W
0x4F0 RESERVED1 This register is reserved. 0x0000 R
0x4FE Version Version of ADE9000 IC. 0x0040 R
0x500 AI_SINC_DAT Current channel A ADC waveforms from the sinc4 output at 32 kSPS. 0x00000000 R
0x501 AV_SINC_DAT Voltage channel A ADC waveforms from the sinc4 output at 32 kSPS. 0x00000000 R
0x502 BI_SINC_DAT Current channel B ADC waveforms from the sinc4 output at 32 kSPS. 0x00000000 R
0x503 BV_SINC_DAT Voltage channel B ADC waveforms from the sinc4 output at 32 kSPS. 0x00000000 R
0x504 CI_SINC_DAT Current channel C ADC waveforms from the sinc4 output at 32 kSPS. 0x00000000 R
0x505
CV_SINC_DAT
Voltage channel C ADC waveforms from the sinc4 output at 32 kSPS.
0x00000000
R
0x506 NI_SINC_DAT Neutral current channel ADC waveforms from the sinc4 output at 32 kSPS. 0x00000000 R
0x510 AI_LPF_DAT Current channel A ADC waveforms from the sinc4 + IIR LPF output at 8 kSPS. 0x00000000 R
0x511 AV_LPF_DAT Voltage channel A ADC waveforms from the sinc4 + IIR LPF output at 8 kSPS. 0x00000000 R
0x512 BI_LPF_DAT Current channel B ADC waveforms from the sinc4 + IIR LPF output at 8 kSPS. 0x00000000 R
0x513 BV_LPF_DAT Voltage channel B ADC waveforms from the sinc4 + IIR LPF output at 8 kSPS. 0x00000000 R
0x514 CI_LPF_DAT Current channel C ADC waveforms from the sinc4 + IIR LPF output at 8 kSPS. 0x00000000 R
0x515 CV_LPF_DAT Voltage channel C ADC waveforms from the sinc4 + IIR LPF output at 8 kSPS. 0x00000000 R
0x516 NI_LPF_DAT Neutral current channel ADC waveforms from the sinc4 + IIR LPF output at 8 kSPS. 0x00000000 R
0x600 AV_PCF_1 SPI burst read accessible. Registers organized functionally. See AV_PCF. 0x00000000 R/W
0x601
BV_PCF_1
SPI burst read accessible. Registers organized functionally. See BV_PCF.
0x00000000
R/W
0x602 CV_PCF_1 SPI burst read accessible. Registers organized functionally. See CV_PCF. 0x00000000 R/W
0x603 NI_PCF_1 SPI burst read accessible. Registers organized functionally. See NI_PCF. 0x00000000 R/W
0x604 AI_PCF_1 SPI burst read accessible. Registers organized functionally. See AI_PCF. 0x00000000 R/W
0x605 BI_PCF_1 SPI burst read accessible. Registers organized functionally. See BI_PCF. 0x00000000 R/W
0x606 CI_PCF_1 SPI burst read accessible. Registers organized functionally. See CI_PCF. 0x00000000 R/W
0x607 AIRMS_1 SPI burst read accessible. Registers organized functionally. See AIRMS. 0x00000000 R/W
0x608 BIRMS_1 SPI burst read accessible. Registers organized functionally. See BIRMS. 0x00000000 R/W
0x609 CIRMS_1 SPI burst read accessible. Registers organized functionally. See CIRMS. 0x00000000 R/W
0x60A AVRMS_1 SPI burst read accessible. Registers organized functionally. See AVRMS. 0x00000000 R/W
0x60B BVRMS_1 SPI burst read accessible. Registers organized functionally. See BVRMS. 0x00000000 R/W
0x60C CVRMS_1 SPI burst read accessible. Registers organized functionally. See CVRMS. 0x00000000 R/W
0x60D NIRMS_1 SPI burst read accessible. Registers organized functionally. See NIRMS. 0x00000000 R/W
0x60E AWAT T_1 SPI burst read accessible. Registers organized functionally. See AWATT. 0x00000000 R/W
ADE9000 Technical Reference Manual UG-1098
Rev. 0 | Page 63 of 86
Address Name Description Reset Access
0x60F
BWAT T_1
SPI burst read accessible. Registers organized functionally. See BWATT.
0x00000000
R/W
0x610 CWATT_1 SPI burst read accessible. Registers organized functionally. See CWATT. 0x00000000 R/W
0x611 AVA_1 SPI burst read accessible. Registers organized functionally. See AVA. 0x00000000 R/W
0x612 BVA_1 SPI burst read accessible. Registers organized functionally. See BVA. 0x00000000 R/W
0x613 CVA_1 SPI burst read accessible. Registers organized functionally. See CVA. 0x00000000 R/W
0x614 AVAR_1 SPI burst read accessible. Registers organized functionally. See AVAR. 0x00000000 R/W
0x615 BVAR_1 SPI burst read accessible. Registers organized functionally. See BVAR. 0x00000000 R/W
0x616 CVAR_1 SPI burst read accessible. Registers organized functionally. See CVAR. 0x00000000 R/W
0x617 AFVAR_1 SPI burst read accessible. Registers organized functionally. See AFVAR. 0x00000000 R/W
0x618 BFVAR_1 SPI burst read accessible. Registers organized functionally. See BFVAR. 0x00000000 R/W
0x619 CFVAR_1 SPI burst read accessible. Registers organized functionally. See CFVAR. 0x00000000 R/W
0x61A APF_1 SPI burst read accessible. Registers organized functionally. See APF. 0x00000000 R/W
0x61B BPF_1 SPI burst read accessible. Registers organized functionally. See BPF. 0x00000000 R/W
0x61C CPF_1 SPI burst read accessible. Registers organized functionally. See CPF. 0x00000000 R/W
0x61D AVTHD_1 SPI burst read accessible. Registers organized functionally. See AVTHD. 0x00000000 R/W
0x61E BVTHD_1 SPI burst read accessible. Registers organized functionally. See BVTHD. 0x00000000 R/W
0x61F CVTHD_1 SPI burst read accessible. Registers organized functionally. See CVTHD. 0x00000000 R/W
0x620 AITHD_1 SPI burst read accessible. Registers organized functionally. See AITHD. 0x00000000 R/W
0x621 BITHD_1 SPI burst read accessible. Registers organized functionally. See BITHD. 0x00000000 R/W
0x622 CITHD_1 SPI burst read accessible. Registers organized functionally. See CITHD. 0x00000000 R/W
0x623 AFWAT T_1 SPI burst read accessible. Registers organized functionally. See AFWATT. 0x00000000 R/W
0x624 BFWAT T_1 SPI burst read accessible. Registers organized functionally. See BFWATT. 0x00000000 R/W
0x625 CFWATT_1 SPI burst read accessible. Registers organized functionally. See CFWATT. 0x00000000 R/W
0x626 AFVA_1 SPI burst read accessible. Registers organized functionally. See AFVA. 0x00000000 R/W
0x627 BFVA_1 SPI burst read accessible. Registers organized functionally. See BFVA. 0x00000000 R/W
0x628 CFVA_1 SPI burst read accessible. Registers organized functionally. See CFVA. 0x00000000 R/W
0x629 AFIRMS_1 SPI burst read accessible. Registers organized functionally. See AFIRMS. 0x00000000 R/W
0x62A BFIRMS_1 SPI burst read accessible. Registers organized functionally. See BFIRMS. 0x00000000 R/W
0x62B
CFIRMS_1
SPI burst read accessible. Registers organized functionally. See CFIRMS.
0x00000000
R/W
0x62C AFVRMS_1 SPI burst read accessible. Registers organized functionally. See AFVRMS. 0x00000000 R/W
0x62D BFVRMS_1 SPI burst read accessible. Registers organized functionally. See BFVRMS. 0x00000000 R/W
0x62E
CFVRMS_1
SPI burst read accessible. Registers organized functionally. See CFVRMS.
0x00000000
R/W
0x62F AIRMSONE_1 SPI burst read accessible. Registers organized functionally. See AIRMSONE. 0x00000000 R/W
0x630 BIRMSONE_1 SPI burst read accessible. Registers organized functionally. See BIRMSONE. 0x00000000 R/W
0x631 CIRMSONE_1 SPI burst read accessible. Registers organized functionally. See CIRMSONE. 0x00000000 R/W
0x632 AVRMSONE_1 SPI burst read accessible. Registers organized functionally. See AVRMSONE. 0x00000000 R/W
0x633 BVRMSONE_1 SPI burst read accessible. Registers organized functionally. See BVRMSONE. 0x00000000 R/W
0x634 CVRMSONE_1 SPI burst read accessible. Registers organized functionally. See CVRMSONE. 0x00000000 R/W
0x635 NIRMSONE_1 SPI burst read accessible. Registers organized functionally. See NIRMSONE. 0x00000000 R/W
0x636 AIRMS1012_1 SPI burst read accessible. Registers organized functionally. See AIRMS1012. 0x00000000 R/W
0x637 BIRMS1012_1 SPI burst read accessible. Registers organized functionally. See BIRMS1012. 0x00000000 R/W
0x638
CIRMS1012_1
SPI burst read accessible. Registers organized functionally. See CIRMS1012.
0x00000000
R/W
0x639 AVRMS1012_1 SPI burst read accessible. Registers organized functionally. See AVRMS1012. 0x00000000 R/W
0x63A BVRMS1012_1 SPI burst read accessible. Registers organized functionally. See BVRMS1012. 0x00000000 R/W
0x63B CVRMS1012_1 SPI burst read accessible. Registers organized functionally. See CVRMS1012. 0x00000000 R/W
0x63C NIRMS1012_1 SPI burst read accessible. Registers organized functionally. See NIRMS1012. 0x00000000 R/W
0x680 AV_PCF_2 SPI burst read accessible. Registers organized by phase. See AV_PCF. 0x00000000 R/W
0x681 AI_PCF_2 SPI burst read accessible. Registers organized by phase. See AI_PCF. 0x00000000 R/W
0x682 AIRMS_2 SPI burst read accessible. Registers organized by phase. See AIRMS. 0x00000000 R/W
0x683 AVRMS_2 SPI burst read accessible. Registers organized by phase. See AVRMS. 0x00000000 R/W
0x684
AWAT T_2
SPI burst read accessible. Registers organized by phase. See AWATT.
0x00000000
R/W
UG-1098 ADE9000 Technical Reference Manual
Rev. 0 | Page 64 of 86
Address Name Description Reset Access
0x685
AVA_2
SPI burst read accessible. Registers organized by phase. See AVA.
0x00000000
R/W
0x686 AVAR_2 SPI burst read accessible. Registers organized by phase. See AVAR. 0x00000000 R/W
0x687 AFVAR_2 SPI burst read accessible. Registers organized by phase. See AFVAR. 0x00000000 R/W
0x688 APF_2 SPI burst read accessible. Registers organized by phase. See APF. 0x00000000 R/W
0x689 AVTHD_2 SPI burst read accessible. Registers organized by phase. See AVTHD. 0x00000000 R/W
0x68A AITHD_2 SPI burst read accessible. Registers organized by phase. See AITHD. 0x00000000 R/W
0x68B AFWAT T_2 SPI burst read accessible. Registers organized by phase. See AFWATT. 0x00000000 R/W
0x68C AFVA_2 SPI burst read accessible. Registers organized by phase. See AFVA. 0x00000000 R/W
0x68D AFIRMS_2 SPI burst read accessible. Registers organized by phase. See AFIRMS. 0x00000000 R/W
0x68E AFVRMS_2 SPI burst read accessible. Registers organized by phase. See AFVRMS. 0x00000000 R/W
0x68F AIRMSONE_2 SPI burst read accessible. Registers organized by phase. See AIRMSONE. 0x00000000 R/W
0x690 AVRMSONE_2 SPI burst read accessible. Registers organized by phase. See AVRMSONE. 0x00000000 R/W
0x691 AIRMS1012_2 SPI burst read accessible. Registers organized by phase. See AIRMS1012. 0x00000000 R/W
0x692 AVRMS1012_2 SPI burst read accessible. Registers organized by phase. See AVRMS1012. 0x00000000 R/W
0x693 BV_PCF_2 SPI burst read accessible. Registers organized by phase. See BV_PCF. 0x00000000 R/W
0x694 BI_PCF_2 SPI burst read accessible. Registers organized by phase. See BI_PCF. 0x00000000 R/W
0x695 BIRMS_2 SPI burst read accessible. Registers organized by phase. See BIRMS. 0x00000000 R/W
0x696 BVRMS_2 SPI burst read accessible. Registers organized by phase. See BVRMS. 0x00000000 R/W
0x697 BWAT T_2 SPI burst read accessible. Registers organized by phase. See BWATT. 0x00000000 R/W
0x698 BVA_2 SPI burst read accessible. Registers organized by phase. See BVA. 0x00000000 R/W
0x699 BVAR_2 SPI burst read accessible. Registers organized by phase. See BVAR. 0x00000000 R/W
0x69A BFVAR_2 SPI burst read accessible. Registers organized by phase. See BFVAR. 0x00000000 R/W
0x69B BPF_2 SPI burst read accessible. Registers organized by phase. See BPF. 0x00000000 R/W
0x69C BVTHD_2 SPI burst read accessible. Registers organized by phase. See BVTHD. 0x00000000 R/W
0x69D BITHD_2 SPI burst read accessible. Registers organized by phase. See BITHD. 0x00000000 R/W
0x69E BFWAT T_2 SPI burst read accessible. Registers organized by phase. See BFWATT. 0x00000000 R/W
0x69F BFVA_2 SPI burst read accessible. Registers organized by phase. See BFVA. 0x00000000 R/W
0x6A0 BFIRMS_2 SPI burst read accessible. Registers organized by phase. See BFIRMS. 0x00000000 R/W
0x6A1
BFVRMS_2
SPI burst read accessible. Registers organized by phase. See BFVRMS.
0x00000000
R/W
0x6A2 BIRMSONE_2 SPI burst read accessible. Registers organized by phase. See BIRMSONE. 0x00000000 R/W
0x6A3 BVRMSONE_2 SPI burst read accessible. Registers organized by phase. See BVRMSONE. 0x00000000 R/W
0x6A4
BIRMS1012_2
SPI burst read accessible. Registers organized by phase. See BIRMS1012.
0x00000000
R/W
0x6A5 BVRMS1012_2 SPI burst read accessible. Registers organized by phase. See BVRMS1012. 0x00000000 R/W
0x6A6 CV_PCF_2 SPI burst read accessible. Registers organized by phase. See CV_PCF. 0x00000000 R/W
0x6A7 CI_PCF_2 SPI burst read accessible. Registers organized by phase. See CI_PCF. 0x00000000 R/W
0x6A8 CIRMS_2 SPI burst read accessible. Registers organized by phase. See CIRMS. 0x00000000 R/W
0x6A9 CVRMS_2 SPI burst read accessible. Registers organized by phase. See CVRMS. 0x00000000 R/W
0x6AA CWATT_2 SPI burst read accessible. Registers organized by phase. See CWATT. 0x00000000 R/W
0x6AB CVA_2 SPI burst read accessible. Registers organized by phase. See CVA. 0x00000000 R/W
0x6AC CVAR_2 SPI burst read accessible. Registers organized by phase. See CVAR. 0x00000000 R/W
0x6AD CFVAR_2 SPI burst read accessible. Registers organized by phase. See CFVAR. 0x00000000 R/W
0x6AE
CPF_2
SPI burst read accessible. Registers organized by phase. See CPF.
0x00000000
R/W
0x6AF CVTHD_2 SPI burst read accessible. Registers organized by phase. See CVTHD. 0x00000000 R/W
0x6B0 CITHD_2 SPI burst read accessible. Registers organized by phase. See CITHD. 0x00000000 R/W
0x6B1 CFWATT_2 SPI burst read accessible. Registers organized by phase. See CFWATT. 0x00000000 R/W
0x6B2 CFVA_2 SPI burst read accessible. Registers organized by phase. See CFVA. 0x00000000 R/W
0x6B3 CFIRMS_2 SPI burst read accessible. Registers organized by phase. See CFIRMS. 0x00000000 R/W
0x6B4 CFVRMS_2 SPI burst read accessible. Registers organized by phase. See CFVRMS. 0x00000000 R/W
0x6B5 CIRMSONE_2 SPI burst read accessible. Registers organized by phase. See CIRMSONE. 0x00000000 R/W
0x6B6 CVRMSONE_2 SPI burst read accessible. Registers organized by phase. See CVRMSONE. 0x00000000 R/W
0x6B7
CIRMS1012_2
SPI burst read accessible. Registers organized by phase. See CIRMS1012.
0x00000000
R/W
ADE9000 Technical Reference Manual UG-1098
Rev. 0 | Page 65 of 86
Address Name Description Reset Access
0x6B8 CVRMS1012_2 SPI burst read accessible. Registers organized by phase. See CVRMS1012. 0x00000000 R/W
0x6B9 NI_PCF_2 SPI burst read accessible. Registers organized by phase. See NI_PCF. 0x00000000 R/W
0x6BA NIRMS_2 SPI burst read accessible. Registers organized by phase. See NIRMS. 0x00000000 R/W
0x6BB NIRMSONE_2 SPI burst read accessible. Registers organized by phase. See NIRMSONE. 0x00000000 R/W
0x6BC NIRMS1012_2 SPI burst read accessible. Registers organized by phase. See NIRMS1012. 0x00000000 R/W
REGISTER DETAILS
Table 31 details the registers of the ADE9000 that have bit fields. Additional registers listed in Table 30 do not have bit fields.
Table 31. Register Details
Addr. Name Bits Bit Name Settings Description Reset Access
0x060 CONFIG0 [31:14] RESERVED Reserved. 0x0 R
13 DISRPLPF Set this bit to disable the low-pass filter in the
total reactive power datapath.
0x0 R/W
12 DISAPLPF Set this bit to disable the low-pass filter in the
total active power datapath.
0x0 R/W
11 ININTEN Set this bit to enable the digital integrator in the
neutral current channel.
0x0 R/W
10 VNOMC_EN Set this bit to use the nominal phase voltage
rms, VNOM, in the computation of Phase C total
apparent power, CVA.
0x0 R/W
9 VNOMB_EN Set this bit to use the nominal phase voltage
rms, VNOM, in the computation of Phase B total
apparent power, BVA.
0x0 R/W
8 VNOMA_EN Set this bit to use the nominal phase voltage
rms, VNOM, in the computation of Phase A total
apparent power, AVA.
0x0 R/W
7 RMS_SRC_SEL This bit selects which samples are used for the
RMS½ and 10 cycle rms/12 cycle rms calculation.
0x0 R/W
0
xI_PCF waveforms, after the high-pass filter and
integrator.
1
ADC samples, before the high-pass filter and
integrator.
6 ZX_SRC_SEL This bit selects whether data going into the zero-
crossing detection circuit comes before the
high-pass filter, integrator, and phase
compensation or afterwards.
0x0 R/W
0
After the high-pass filter, integrator, and phase
compensation.
1
Before the high-pass filter, integrator, and phase
compensation.
5 INTEN Set this bit to enable the integrators in the phase
current channels. The neutral current channel
integrator is managed by the ININTEN bit in the
CONFIG0 register.
0x0 R/W
4 MTEN Set this bit to enable multipoint phase and gain
compensation. If enabled, an additional gain
factor, xIGAIN0 through xIGAIN5, is applied to
the current channel based on the xIRMS current
rms amplitude and the MTTHR_Lx and
MTTHR_Hx register values.
0x0 R/W
3 HPFDIS Set this bit to disable high-pass filters in all the
voltage and current channels.
0x0 R/W
2 RESERVED Reserved. 0x0 R

UG-1098 ADE9000 Technical Reference Manual
Rev. 0 | Page 66 of 86
Addr. Name Bits Bit Name Settings Description Reset Access
[1:0]
ISUM_CFG
ISUM calculation configuration.
0x0
R/W
00 ISUM = AI_PCF + BI_PCF + CI_PCF (for
approximated neutral current rms calculation).
01 ISUM = AI_PCF + BI_PCF + CI_PCF + NI_PCF (to
determine mismatch between neutral and
phase currents).
10 ISUM = AI_PCF + BI_PCF + CI_PCF − NI_PCF (to
determine mismatch between neutral and
phase currents).
11 ISUM = AI_PCF + BI_PCF + CI_PCF (for
approximated neutral current rms calculation).
0x21D AMTREGION [31:4] RESERVED Reserved. 0x0 R
[3:0] AREGION If multipoint gain and phase compensation is
enabled, with MTEN = 1 in the CONFIG0 register,
these bits indicate which AIGAINx and APHCALx
is currently being used
0xF R
0000 AIGAIN0, APHCAL0.
0001 AIGAIN1, APHCAL1.
0010 AIGAIN2, APHCAL2.
0011 AIGAIN3, APHCAL3.
0100 AIGAIN4, APHCAL4.
1111 This feature is disabled because MTEN = 0 in the
CONFIG0 register.
0x23D BMTREGION [31:4] RESERVED Reserved. 0x0 R
[3:0] BREGION If multipoint gain and phase compensation is
enabled, with MTEN = 1 in the CONFIG0 register,
these bits indicate which BIGAINx and BPHCALx
is currently being used.
0xF R
0000 BIGAIN0, BPHCAL0.
0001 BIGAIN1, BPHCAL1.
0010 BIGAIN2, BPHCAL2.
0011 BIGAIN3, BPHCAL3.
0100 BIGAIN4, BPHCAL4.
1111 This feature is disabled because MTEN = 0 in the
CONFIG0 register.
0x25D CMTREGION [31:4] RESERVED Reserved. 0x0 R
[3:0]
CREGION
If multipoint gain and phase compensation is
enabled, with MTEN = 1 in the CONFIG0 register,
these bits indicate which CIGAINx and CPHCALx
is currently being used.
0xF
R
0000 CIGAIN0, CPHCAL0.
0001 CIGAIN1, CPHCAL1.
0010 CIGAIN2, CPHCAL2.
0011 CIGAIN3, CPHCAL3.
0100 CIGAIN4, CPHCAL4.
1111 This feature is disabled because MTEN = 0 in the
CONFIG0 register.

ADE9000 Technical Reference Manual UG-1098
Rev. 0 | Page 67 of 86
Addr. Name Bits Bit Name Settings Description Reset Access
0x400 IPEAK [31:27] RESERVED Reserved. 0x0 R
[26:24] IPPHASE These bits indicate which phases generate the
IPEAKVAL value. Note that the PEAKSEL, Bits[4:2]
in the CONFIG3 register determine which current
channel to monitor the peak value on. When
IPPHASE, Bit 0 is set to 1, Phase A current is
generated by the IPEAKVAL, Bits[23:0] value.
Similarly, IPPHASE, Bit 1 indicates that the Phase B
and IPPHASE, Bit 2 indicates that the Phase C
current generated the peak value.
0x0 R
[23:0] IPEAKVAL The IPEAK register stores the absolute value of
the peak current. IPEAK is equal to xI_PCF/25.
0x0 R
0x401 VPEAK [31:27] RESERVED Reserved. 0x0 R
[26:24]
VPPHASE
These bits indicate which phase(s) generate the
VPEAKVAL value. Note that the PEAKSEL,
Bits[4:2] in the CONFIG3 register determine which
voltage channels to monitor the peak value on.
When VPPHASE, Bit 0 is 1, the Phase A voltage
generated the VPEAKVAL, Bits[23:0] value.
Similarly, VPPHASE, Bit 1 indicates Phase B and
VPPHASE, Bit 2 indicates that the Phase C
voltage generated the peak value.
0x0
R
[23:0] VPEAKVAL The VPEAK register stores the absolute value of
the peak voltage. VPEAK is equal to xV_PCF/25.
0x0 R
0x402 STATUS0 [31:26] RESERVED Reserved. 0x0 R
25
TEMP_RDY
This bit goes high to indicate when a new
temperature measurement is available.
0x0
R/W1
24 MISMTCH This bit is set to indicate a change in the
relationship between ISUMRMS and ISUMLVL.
0x0 R/W1
23 COH_WFB_FULL This bit is set when the waveform buffer is full
with resampled data, which is selected when
WF_CAP_SEL = 0 in the WFB_CFG register.
0x0 R/W1
22
WFB_TRIG
This bit is set when one of the events configured
in WFB_TRIG_CFG occurs.
0x0
R/W1
21 THD_PF_RDY This bit goes high to indicate when the THD and
power factor measurements update, every
1.024 sec.
0x0 R/W1
20 RMS1012RDY
This bit is set when the 10 cycle rms/12 cycle rms
values update.
0x0 R/W1
19
RMSONERDY
This bit is set when the fast RMS½ values update.
0x0
R/W1
18 PWRRDY This bit is set when the power values in the
xWATT_ACC, xVA_ACC, xVAR_ACC, xFWATT_ACC,
xFVA_ACC, and xFVAR_ACC registers update,
after PWR_TIME 8 kSPS samples.
0x0 R/W1
17 PAGE_FULL This bit is set when a page enabled in the
WFB_PG_IRQEN register is filled with fixed data
rate samples, when WF_CAP_SEL bit in the
WFB_CFG register is equal to zero.
0x0 R/W1
16 WFB_TRIG_IRQ This bit is set when the waveform buffer stops
filling after an event configured in WFB_TRIG_CFG
occurs. This happens with fixed data rate samples
only, when WF_CAP_SEL bit in the WFB_CFG
register is equal to zero.
0x0 R/W1
15 DREADY This bit is set when new waveform samples are
ready. The update rate depends on the data
selected in the WF_SRC bits in the WFB_CFG
register.
0x0 R/W1
14 CF4 This bit is set when a CF4 pulse is issued, when
the CF4 pin goes from a high to low state.
0x0 R/W1

UG-1098 ADE9000 Technical Reference Manual
Rev. 0 | Page 68 of 86
Addr. Name Bits Bit Name Settings Description Reset Access
13
CF3
This bit is set when a CF3 pulse is issued, when
the CF3 pin goes from a high to low state.
0x0
R/W1
12 CF2 This bit is set when a CF2 pulse is issued, when
the CF2 pin goes from a high to low state.
0x0 R/W1
11 CF1 This bit is set when a CF1 pulse is issued, when
the CF1 pin goes from a high to low state.
0x0 R/W1
10 REVPSUM4 This bit is set to indicate if the CF4 polarity
changed sign. For example, if the last CF4 pulse
was positive reactive energy and the next CF4
pulse is negative reactive energy, the REVPSUM4
bit is set. This bit is updated when a CF4 pulse is
output, when the CF4 pin goes from high to low.
0x0 R/W1
9 REVPSUM3 This bit is set to indicate if the CF3 polarity
changed sign. See REVPSUM4.
0x0 R/W1
8 REVPSUM2 This bit is set to indicate if the CF2 polarity
changed sign. See REVPSUM4.
0x0 R/W1
7 REVPSUM1 This bit is set to indicate if the CF1 polarity
changed sign. See REVPSUM4.
0x0 R/W1
6 REVRPC This bit indicates if the Phase C total or
fundamental reactive power has changed sign.
The PWR_SIGN_SEL bit in the EP_CFG register
selects whether total or fundamental reactive
power is monitored. This bit is updated when the
power values in the xVAR_ACC and xFVAR_ACC
registers update, after PWR_TIME 8 kSPS samples.
0x0 R/W1
5 REVRPB This bit indicates if the Phase B total or
fundamental reactive power has changed sign.
See REVRPC.
0x0 R/W1
4 REVRPA This bit indicates if the Phase A total or
fundamental reactive power has changed sign.
See REVRPC.
0x0 R/W1
3 REVAPC This bit indicates if the Phase C total or
fundamental active power has changed sign.
The PWR_SIGN_SEL bit in the EP_CFG register
selects whether total or fundamental active power
is monitored. This bit is updated when the power
values in the xWATT_ACC and xFWATT_ACC
registers update, after PWR_TIME 8 kSPS samples.
0x0 R/W1
2 REVAPB This bit indicates if the Phase B total or
fundamental active power has changed sign.
See REVAPC.
0x0 R/W1
1 REVAPA This bit indicates if the Phase A total or
fundamental active power has changed sign.
See REVAPC.
0x0 R/W1
0 EGYRDY This bit is set when the power values in the
xWATTHR xVAHR, xVARHR, xFVARHR, xFWATTHR,
xFVAHR registers update, after EGY_TIME 8 kSPS
samples or line cycles, depending on the
EGY_TMR_MODE bit in the EP_CFG register.
0x0 R/W1
0x403 STATUS1 31 ERROR3 This bit indicates an error and generates a non-
maskable interrupt. Issue a software or hardware
reset to clear this error.
0x0 R/W1
30 ERROR2 This bit indicates that an error was detected and
corrected. No action is required.
0x0 R/W1
29 ERROR1 This bit indicates an error and generates a non-
maskable interrupt. Issue a software or hardware
reset to clear this error.
0x0 R
28 ERROR0 This bit indicates an error and generates a non-
maskable interrupt. Issue a software or hardware
reset to clear this error.
0x0 R

ADE9000 Technical Reference Manual UG-1098
Rev. 0 | Page 69 of 86
Addr. Name Bits Bit Name Settings Description Reset Access
27
CRC_DONE
This bit is set to indicate when the configuration
register CRC calculation is complete, after initiated
by writing the FORCE_CRC_UPDATE bit in the
CRC_FORCE register.
0x0
R/W1
26
CRC_CHG
This bit is set if any of the registers monitored by
the configuration register CRC change value. The
CRC_RSLT register holds the new configuration
register CRC value.
0x0
R/W1
25 DIPC This bit is set to indicates Phase C voltage
entered or exited a dip condition.
0x0 R/W1
24 DIPB This bit is set to indicates Phase B voltage
entered or exited a dip condition.
0x0 R/W1
23 DIPA This bit is set to indicates Phase A voltage
entered or exited a dip condition.
0x0 R/W1
22 SWELLC This bit is set to indicates Phase C voltage
entered or exited a swell condition.
0x0 R/W1
21 SWELLB This bit is set to indicates Phase B voltage
entered or exited a swell condition.
0x0 R/W1
20 SWELLA This bit it set to indicates Phase A voltage
entered or exited a swell condition.
0x0 R/W1
19 RESERVED Reserved. 0x0 R
18
SEQERR
This bit is set to indicate a phase sequence error
on the Phase voltage zero-crossings.
0x0
R/W1
17 OI This bit is set to indicate that an overcurrent
event occurred on one of the phases indicated
in the OISTATUS register.
0x0 R/W1
16 RSTDONE This bit is set to indicate that the IC finished its
power-up sequence after a reset or after
changing between PSM3 operating mode to
PSM0, which indicates that the user can
configure the IC via the SPI port.
0x0 R/W1
15 ZXIC When this bit is set to 1, it indicates a zero-
crossing is detected on Phase C current.
0x0 R/W1
14 ZXIB When this bit is set to 1, it indicates a zero-
crossing is detected on Phase B current.
0x0 R/W1
13 ZXIA When this bit is set to 1, it indicates a zero-
crossing is detected on Phase A current.
0x0 R/W1
12 ZXCOMB When this bit is set, it indicates a zero-crossing is
detected on the combined signal from VA, VB,
and VC.
0x0 R/W1
11 ZXVC When this bit is set, it indicates a zero-crossing is
detected on the Phase C voltage channel.
0x0 R/W1
10 ZXVB When this bit is set, it indicates a zero-crossing is
detected on the Phase B voltage channel.
0x0 R/W1
9 ZXVA When this bit is set, it indicates a zero-crossing is
detected on the Phase A voltage channel.
0x0 R/W1
8
ZXTOVC
This bit is set to indicate a zero-crossing timeout
on Phase C. This means that a zero-crossing on
the Phase C voltage is missing.
0x0
R/W1
7 ZXTOVB This bit is set to indicate a zero-crossing timeout
on Phase B. This means that a zero-crossing on
the Phase B voltage is missing.
0x0 R/W1
6 ZXTOVA This bit is set to indicate a zero-crossing timeout
on Phase A. This means that a zero-crossing on
the Phase A voltage is missing.
0x0 R/W1
5 VAFNOLOAD This bit is set when one or more phase
fundamental apparent energy enters or exits
the no load condition. The phase is indicated
in the PHNOLOAD register.
0x0 R/W1

UG-1098 ADE9000 Technical Reference Manual
Rev. 0 | Page 70 of 86
Addr. Name Bits Bit Name Settings Description Reset Access
4
RFNOLOAD
This bit is set when one or more phase
fundamental reactive energy enters or exits the
no load condition. The phase is indicated in the
PHNOLOAD register.
0x0
R/W1
3
AFNOLOAD
This bit is set when one or more phase
fundamental active energy enters or exits the no
load condition. The phase is indicated in the
PHNOLOAD register.
0x0
R/W1
2 VANLOAD This bit is set when one or more phase total
apparent energy enters or exits the no load
condition. The phase is indicated in the
PHNOLOAD register.
0x0 R/W1
1 RNLOAD This bit is set when one or more phase total
reactive energy enters or exits the no load
condition. The phase is indicated in the
PHNOLOAD register.
0x0 R/W1
0 ANLOAD This bit is set when one or more phase total
active energy enters or exits the no load
condition. The phase is indicated in the
PHNOLOAD register.
0x0 R/W1
0x404 EVENT_STATUS [31:17] RESERVED Reserved. 0x0 R
16 DREADY This bit changes from a zero to a one when new
waveform samples are ready. The update rate
depends on the data selected in the WF_SRC
bits in the WFB_CFG register.
0x0 R
15 VAFNOLOAD This bit is set when the fundamental apparent
energy accumulations in all phases are out of no
load. This bit goes to zero when one or more
phases of total apparent energy accumulation
goes into no load.
0x0 R
14 RFNOLOAD This bit is set when the fundamental reactive
energy accumulations in all phases are out of no
load. This bit goes to zero when one or more
phases of fundamental reactive energy
accumulation goes into no load.
0x0 R
13 AFNOLOAD This bit is set when the fundamental active
energy accumulations in all phases are out of no
load. This bit goes to zero when one or more
phases of fundamental active energy
accumulation goes into no load.
0x0 R
12 VANLOAD This bit is set when the total apparent energy
accumulations in all phases are out of no load.
This bit goes to zero when one or more phases
of total apparent energy accumulation goes into
no load.
0x0 R
11 RNLOAD This bit is set when the total reactive energy
accumulations in all phases are out of no load.
This bit goes to zero when one or more phases
of total reactive energy accumulation goes into
no load.
0x0 R
10 ANLOAD This bit is set when the total active energy
accumulations in all phases are out of no load.
This bit goes to zero when one or more phases
of total active energy accumulation goes into no
load.
0x0 R
9 REVPSUM4
This bit indicates the sign of the last CF4 pulse. A
zero indicates that the pulse was from negative
energy and a one indicates that the energy was
positive. This bit is updated when a CF4 pulse is
output, when the CF4 pin goes from high to low.
0x0 R

ADE9000 Technical Reference Manual UG-1098
Rev. 0 | Page 71 of 86
Addr. Name Bits Bit Name Settings Description Reset Access
8
REVPSUM3
This bit indicates the sign of the last CF3 pulse. A
zero indicates that the pulse was from negative
energy and a one indicates that the energy was
positive. This bit is updated when a CF3 pulse is
output, when the CF3 pin goes from high to low.
0x0
R
7 REVPSUM2
This bit indicates the sign of the last CF2 pulse. A
zero indicates that the pulse was from negative
energy and a one indicates that the energy was
positive. This bit is updated when a CF2 pulse is
output, when the CF2 pin goes from high to low.
0x0 R
6 REVPSUM1
This bit indicates the sign of the last CF1 pulse. A
zero indicates that the pulse was from negative
energy and a one indicates that the energy was
positive. This bit is updated when a CF1 pulse is
output, when the CF1 pin goes from high to low.
0x0 R
5 SWELLC This bit is equal to one when the Phase C
voltage is in the swell condition and is zero
when it is not in a swell condition.
0x0 R
4 SWELLB
This bit is equal to one when the Phase B voltage
is in the swell condition and is zero when it is not
in a swell condition.
0x0 R
3
SWELLA
This bit is equal to one when the Phase A
voltage is in the swell condition and is zero
when it is not in a swell condition.
0x0
R
2 DIPC This bit is equal to one when the Phase C
voltage is in the dip condition and is zero when
it is not in a dip condition.
0x0 R
1 DIPB
This bit is equal to one when the Phase B voltage
is in the dip condition and is zero when it is not
in a dip condition
0x0 R
0 DIPA This bit is equal to one when the Phase A
voltage is in the dip condition and is zero when
it is not in a dip condition.
0x0 R
0x405 MASK0 [31:26] RESERVED Reserved. 0x0 R
25 TEMP_RDY_MASK Set this bit to enable an interrupt when a new
temperature measurement is available.
0x0 R/W
24 MISMTCH
Set this bit to enable an interrupt when there is a
change in the relationship between ISUMRMS
and ISUMLVL.
0x0 R/W
23 COH_WFB_FULL Set this bit to enable an interrupt when the
waveform buffer is full with resampled data,
which is selected when WF_CAP_SEL = 0 in the
WFB_CFG register.
0x0 R/W
22 WFB_TRIG Set this bit to enable an interrupt when one of
the events configured in WFB_TRIG_CFG occurs.
0x0 R/W
21 THD_PF_RDY Set this bit to enable an interrupt when the THD
and power factor measurements are updated,
every 1.024 sec.
0x0 R/W
20 RMS1012RDY Set this bit to enable an interrupt when the
10 cycle rms/12 cycle rms values are updated.
0x0 R/W
19 RMSONERDY Set this bit to enable an interrupt when the fast
RMS½ values are updated.
0x0 R/W
18 PWRRDY Set this bit to enable an interrupt when the
power values in the xWATT_ACC, xVA_ACC,
xVAR_ACC, xFWATT_ACC, xFVA_ACC, and
xFVAR_ACC registers update, after PWR_TIME
8 kSPS samples.
0x0 R/W

UG-1098 ADE9000 Technical Reference Manual
Rev. 0 | Page 72 of 86
Addr. Name Bits Bit Name Settings Description Reset Access
17
PAGE_FULL
Set this bit to enable an interrupt when a page
enabled in the WFB_PG_IRQEN register is filled.
0x0
R/W
16 WFB_TRIG_IRQ Set this bit to enable an interrupt when This bit
is set when the waveform buffer has stopped filling
after an event configured in WFB_TRIG_CFG occurs.
0x0 R/W
15 DREADY Set this bit to enable an interrupt when new
waveform samples are ready. The update rate
depends on the data selected in the WF_SRC bits in
the WFB_CFG register.
0x0 R/W
14 CF4 Set this bit to enable an interrupt when the CF4
pulse is issued, when the CF4 pin goes from a
high to low state.
0x0 R/W
13 CF3 Set this bit to enable an interrupt when the CF3
pulse is issued, when the CF3 pin goes from a
high to low state.
0x0 R/W
12 CF2 Set this bit to enable an interrupt when the CF2
pulse is issued, when the CF2 pin goes from a
high to low state.
0x0 R/W
11 CF1 Set this bit to enable an interrupt when the CF1
pulse is issued, when the CF1 pin goes from a
high to low state.
0x0 R/W
10 REVPSUM4 Set this bit to enable an interrupt when the CF4
polarity changed sign.
0x0 R/W
9 REVPSUM3 Set this bit to enable an interrupt when the CF3
polarity changed sign.
0x0 R/W
8 REVPSUM2 Set this bit to enable an interrupt when the CF2
polarity changed sign.
0x0 R/W
7 REVPSUM1 Set this bit to enable an interrupt when the CF1
polarity changed sign.
0x0 R/W
6 REVRPC Set this bit to enable an interrupt when the
Phase C total or fundamental reactive power has
changed sign.
0x0 R/W
5 REVRPB Set this bit to enable an interrupt when the
Phase C total or fundamental reactive power has
changed sign.
0x0 R/W
4 REVRPA Set this bit to enable an interrupt when the
Phase A total or fundamental reactive power has
changed sign.
0x0 R/W
3 REVAPC Set this bit to enable an interrupt when the
Phase C total or fundamental active power has
changed sign.
0x0 R/W
2 REVAPB Set this bit to enable an interrupt when the
Phase B total or fundamental active power has
changed sign.
0x0 R/W
1 REVAPA Set this bit to enable an interrupt when the
Phase A total or fundamental active power has
changed sign.
0x0 R/W
0 EGYRDY Set this bit to enable an interrupt when the
power values in the xWATTHR, xVAHR xVARHR
xFWATTHR, xFVAHR, and xFVARHR registers
update, after EGY_TIME 8 kSPS samples or line
cycles, depending on the EGY_TMR_MODE bit in
the EP_CFG register.
0x0 R/W

ADE9000 Technical Reference Manual UG-1098
Rev. 0 | Page 73 of 86
Addr. Name Bits Bit Name Settings Description Reset Access
0x406 MASK1 31 ERROR3 Set this bit to enable an interrupt if ERROR3 occurs.
Issue a software reset or hardware reset to clear
this error.
0x0 R/W
30 ERROR2 Set this bit to enable an interrupt if ERROR2 occurs. 0x0 R/W
29
ERROR1
This interrupt is not maskable. Issue a software
reset or hardware reset to clear this error.
0x0
R/W
28 ERROR0 This interrupt is not maskable. Issue a software
reset or hardware reset to clear this error.
0x0 R/W
27 CRC_DONE Set this bit to enable an interrupt when the
configuration register CRC calculation is complete,
after initiated by writing the FORCE_CRC_UPDATE
bit in the CRC_FORCE register.
0x0 R/W
26 CRC_CHG Set this bit to enable an interrupt if any of the
registers monitored by the configuration register
CRC change value. The CRC_RSLT register holds
the new configuration register CRC value.
0x0 R/W
25 DIPC Set this bit to enable an interrupt when the
Phase C voltage enters a dip condition
0x0 R/W
24 DIPB Set this bit to enable an interrupt when the
Phase B voltage enters a dip condition.
0x0 R/W
23 DIPA Set this bit to enable an interrupt when the
Phase A voltage enters a dip condition.
0x0 R/W
22 SWELLC Set this bit to enable an interrupt when the
Phase C voltage enters a swell condition.
0x0 R/W
21 SWELLB Set this bit to enable an interrupt when the
Phase B voltage enters a swell condition.
0x0 R/W
20 SWELLA Set this bit to enable an interrupt when the
Phase A voltage enters a swell condition.
0x0 R/W
19 RESERVED Reserved. 0x0 R
18 SEQERR Set this bit to enable an interrupt when on a
phase sequence error on the phase voltage
zero-crossings.
0x0 R/W
17
OI
Set this bit to enable an interrupt when one of
the currents enabled in the OC_EN bits in the
CONFIG3 register enters an overcurrent condition.
0x0
R/W
16 RESERVED Reserved. 0x0 R
15 ZXIC Set this bit to enable an interrupt when a zero-
crossing is detected on the Phase C current
channel.
0x0 R/W
14
ZXIB
Set this bit to enable an interrupt when a zero-
crossing is detected on the Phase B current
channel.
0x0
R/W
13 ZXIA Set this bit to enable an interrupt when a zero-
crossing is detected on the Phase A current
channel.
0x0 R/W
12 ZXCOMB Set this bit to enable an interrupt when a zero-
crossing is detected on the combined signal
from VA, VB, and VC.
0x0 R/W
11 ZXVC Set this bit to enable an interrupt when a zero-
crossing is detected on the Phase C voltage
channel.
0x0 R/W
10 ZXVB Set this bit to enable an interrupt when a zero-
crossing is detected on the Phase B voltage
channel.
0x0 R/W
9 ZXVA Set this bit to enable an interrupt when a zero-
crossing is detected on the Phase A voltage
channel.
0x0 R/W
EVENT
EVENT
EVENT
EVENT
EVENT
EVENT
EVENT
UG-1098 ADE9000 Technical Reference Manual
Rev. 0 | Page 74 of 86
Addr. Name Bits Bit Name Settings Description Reset Access
8
ZXTOVC
Set this bit to enable an interrupt when there is a
zero-crossing timeout on Phase C. This means
that a zero-crossing on the Phase C voltage is
missing.
0x0
R/W
7
ZXTOVB
Set this bit to enable an interrupt when there is a
zero-crossing timeout on Phase B. This means
that a zero-crossing on the Phase B voltage is
missing.
0x0
R/W
6 ZXTOVA
Set this bit to enable an interrupt when there is a
zero-crossing timeout on Phase A. This means
that a zero-crossing on the Phase A voltage is
missing.
0x0 R/W
5 VAFNOLOAD Set this bit to enable an interrupt when one or
more phase fundamental apparent energy
enters or exits the no load condition.
0x0 R/W
4 RFNOLOAD Set this bit to enable an interrupt when one or
more phase total reactive energy enters or exits
the no load condition.
0x0 R/W
3 AFNOLOAD Set this bit to enable an interrupt when one or
more phase fundamental active energy enters or
exits the no load condition.
0x0 R/W
2 VANLOAD Set this bit to enable an interrupt when one or
more phase total apparent energy enters or exits
the no load condition.
0x0 R/W
1 RNLOAD Set this bit to enable an interrupt when one or
more phase total reactive energy enters or exits
the no load condition.
0x0 R/W
0 ANLOAD Set this bit to enable an interrupt when one or
more phase total active energy enters or exits
the no load condition.
0x0 R/W
0x407 EVENT_MASK [31:17] RESERVED Reserved. 0x0 R
16 DREADY Set this bit to enable the EVENT pin to go low
when new waveform samples are ready. The
update rate depends on the data selected in
the WF_SRC bits in the WFB_CFG register.
0x0 R/W
15
VAFNOLOAD
Set this bit to enable the
EVENT
pin to go low
when one or more phases of fundamental
apparent energy accumulation goes into no load.
0x0
R/W
14 RFNOLOAD Set this bit to enable the EVENT pin to go low
when one or more phases of fundamental
reactive energy accumulation goes into no load.
0x0 R/W
13 AFNOLOAD Set this bit to enable the EVENT pin to go low
when one or more phases of fundamental active
energy accumulation goes into no load.
0x0 R/W
12 VANLOAD Set this bit to enable the EVENT pin to go low
when one or more phases of total apparent
energy accumulation goes into no load.
0x0 R/W
11
RNLOAD
Set this bit to enable the
EVENT
pin to go low
when one or more phases of total reactive
energy accumulation goes into no load.
0x0
R/W
10 ANLOAD Set this bit to enable the EVENT pin to go low
when one or more phases of total active energy
accumulation goes into no load.
0x0 R/W
9 REVPSUM4 Set this bit to enable the EVENT pin to go low to
indicate if the last CF4 pulse was from negative
energy. This bit is updated when a CF4 pulse is
output, when the CF4 pin goes from high to low.
0x0 R/W
EVENT
EVENT
EVENT
EVENT
EVENT
EVENT
EVENT
EVENT
ADE9000 Technical Reference Manual UG-1098
Rev. 0 | Page 75 of 86
Addr. Name Bits Bit Name Settings Description Reset Access
8
REVPSUM3
Set this bit to enable the
EVENT
pin to go low to
indicate if the last CF3 pulse was from negative
energy. This bit is updated when a CF3 pulse is
output, when the CF3 pin goes from high to low.
0x0
R/W
7 REVPSUM2 Set this bit to enable the EVENT pin to go low to
indicate if the last CF2 pulse was from negative
energy. This bit is updated when a CF2 pulse is
output, when the CF2 pin goes from high to low.
0x0 R/W
6
REVPSUM1
Set this bit to enable the
EVENT
pin to go low to
indicate if the last CF1 pulse was from negative
energy. This bit is updated when a CF1 pulse is
output, when the CF1 pin goes from high to low.
0x0
R/W
5 SWELLCEN Set this bit to enable the EVENT pin to go low to
indicate that the Phase C voltage is in a swell
condition.
0x0 R/W
4 SWELLBEN Set this bit to enable the EVENT pin to go low to
indicate that the Phase B voltage is in a swell
condition.
0x0 R/W
3 SWELLAEN Set this bit to enable the EVENT pin to go low to
indicate that the Phase A voltage is in a swell
condition.
0x0 R/W
2 DIPCEN Set this bit to enable the EVENT pin to go low to
indicate that the Phase C voltage is in a dip
condition.
0x0 R/W
1
DIPBEN
Set this bit to enable the
EVENT
pin to go low to
indicate that the Phase B voltage is in a dip
condition.
0x0
R/W
0 DIPAEN Set this bit to enable the EVENT pin to go low to
indicate that the Phase A voltage is in a dip
condition.
0x0 R/W
0x409 OILVL [31:24] RESERVED Reserved. 0x0 R
[23:0] OILVL_VAL Over current detection threshold level. 0xFFFFFF R/W
0x40A OIA [31:24] RESERVED Reserved. 0x0 R
[23:0] OI_VAL Phase A overcurrent RMS½ value. If a phase is
enabled, with the OC_ENA bit set in the CONFIG3
register and AIRMSONE greater than the OILVL
threshold, this value is updated.
0x0 R
0x40B OIB [31:24] RESERVED Reserved. 0x0 R
[23:0] OIB_VAL Phase B overcurrent RMS½ value. If a phase is
enabled, with the OC_ENB bit set in the CONFIG3
register and BIRMSONE greater than the OILVL
threshold, this value is updated.
0x0 R
0x40C OIC [31:24] RESERVED Reserved. 0x0 R
[23:0] OIC_VAL Phase C overcurrent RMS½ value. If a phase is
enabled, with the OC_ENC bit set in the CONFIG3
register and CIRMSONE greater than the OILVL
threshold, this value is updated.
0x0 R
0x40D OIN [31:24] RESERVED Reserved. 0x0 R
[23:0] OIN_VAL Neutral current overcurrent RMS½ value. If
enabled, with the OC_ENN bit set in the CONFIG3
register and NIRMSONE greater than the OILVL
threshold, this value is updated.
0x0 R
0x40F VLEVEL [31:24] RESERVED Reserved. 0x0 R
[23:0] VLEVEL_VAL Register used in the algorithm that computes
the fundamental active, reactive, and apparent
powers, as well as the fundamental IRMS and VRMS
values.
0x45D45 R/W

UG-1098 ADE9000 Technical Reference Manual
Rev. 0 | Page 76 of 86
Addr. Name Bits Bit Name Settings Description Reset Access
0x410 DIP_LVL [31:24] RESERVED Reserved. 0x0 R
[23:0] DIPLVL Voltage RMS½ dip detection threshold level. 0x0 R/W
0x411 DIPA [31:24] RESERVED Reserved. 0x0 R
[23:0] DIPA_VAL Phase A voltage RMS½ value during a dip
condition.
0x7FFFFF R
0x412 DIPB [31:24] RESERVED Reserved. 0x0 R
[23:0]
DIPB_VAL
Phase B voltage RMS½ value during a dip
condition.
0x7FFFFF
R
0x413 DIPC [31:24] RESERVED Reserved. 0x0 R
[23:0] DIPC_VAL Phase C voltage RMS½ value during a dip
condition.
0x7FFFFF R
0x414 SWELL_LVL [31:24] RESERVED Reserved. 0x0 R
[23:0] SWELLLVL Voltage RMS½ swell detection threshold level. 0xFFFFFF R/W
0x415 SWELLA [31:24] RESERVED Reserved. 0x0 R
[23:0] SWELLA_VAL Phase A voltage RMS½ value during a swell
condition.
0x0 R
0x416 SWELLB [31:24] RESERVED Reserved. 0x0 R
[23:0] SWELLB_VAL Phase B voltage RMS½ value during a swell
condition.
0x0 R
0x417 SWELLC [31:24] RESERVED Reserved. 0x0 R
[23:0] SWELLC_VAL Phase C voltage RMS½ value during a swell
condition.
0x0 R
0x41F PHNOLOAD [31:18] RESERVED Reserved. 0x0 R
17 CFVANL This bit is set if the Phase C fundamental
apparent energy is in no load.
0x0 R
16 CFVARNL
This bit is set if the Phase C fundamental reactive
energy is in no load.
0x0 R
15 CFWATTNL This bit is set if the Phase C fundamental active
energy is in no load.
0x0 R
14
CVANL
This bit is set if the Phase C total apparent
energy is in no load.
0x0
R
13 CVARNL This bit is set if the Phase B total reactive energy
is in no load.
0x0 R
12 CWAT TNL This bit is set if the Phase C total active energy is
in no load.
0x0 R
11 BFVANL This bit is set if the Phase B fundamental
apparent energy is in no load.
0x0 R
10 BFVARNL
This bit is set if the Phase B fundamental reactive
energy is in no load.
0x0 R
9
BFWAT TNL
This bit is set if the Phase B fundamental active
energy is in no load.
0x0
R
8 BVANL This bit is set if the Phase B total apparent
energy is in no load.
0x0 R
7 BVARNL This bit is set if the Phase B total reactive energy
is in no load.
0x0 R
6 BWAT TNL This bit is set if the Phase B total active energy is
in no load.
0x0 R
5 AFVANL This bit is set if the Phase A fundamental
apparent energy is in no load.
0x0 R
4 AFVARNL
This bit is set if the Phase A fundamental reactive
energy is in no load.
0x0 R
3 AFWATTNL This bit is set if the Phase A fundamental active
energy is in no load.
0x0 R

ADE9000 Technical Reference Manual UG-1098
Rev. 0 | Page 77 of 86
Addr. Name Bits Bit Name Settings Description Reset Access
2
AVANL
This bit is set if the Phase A total apparent
energy is in no load.
0x0
R
1 AVARNL This bit is set if the Phase A total reactive energy
is in no load.
0x0 R
0 AWAT TNL This bit is set if the Phase A total active energy is
in no load.
0x0 R
0x424 ADC_REDIRECT [31:21] RESERVED Reserved. 0x0 R
[20:18] VC_DIN VC channel data can be selected from all channels.
The bit descriptions for 000b through 110b match
VC_DIN. When the value is equal to 111b, then
0x7 R/W
000 IA ADC data.
001 IB ADC data.
010 IC ADC data.
011 IN ADC data.
100 VA ADC data.
101 VB ADC data.
110 VC ADC data.
111
VC ADC data.
[17:15] VB_DIN VB channel data can be selected from all channels.
The bit descriptions for 000b through 110b match
VC_DIN. When the value is equal to 111b, then
0x7 R/W
111
VB ADC data.
[14:12] VA_DIN VA channel data can be selected from all channels.
The bit descriptions for 000b through 110b match
VC_DIN. When the value is equal to 111b, then
0x7 R/W
111
VA ADC data.
[11:9] IN_DIN IN channel data can be selected from all channels.
The bit descriptions for 000b through 110b match
VC_DIN. When the value is equal to 111b, then
0x7 R/W
111 IN ADC data.
[8:6] IC_DIN IC channel data can be selected from all channels.
The bit descriptions for 000b through 110b match
VC_DIN. When the value is equal to 111b, then
0x7 R/W
111 IC ADC data.
[5:3] IB_DIN IB channel data can be selected from all channels.
The bit descriptions for 000b through 110b match
VC_DIN. When the value is equal to 111b, then
0x7 R/W
111 IB ADC data.
[2:0] IA_DIN IA channel data can be selected from all channels.
The bit descriptions for 000b through 110b match
VC_DIN. When the value is equal to 111b, then
0x7 R/W
111 IA ADC data.

UG-1098 ADE9000 Technical Reference Manual
Rev. 0 | Page 78 of 86
Addr. Name Bits Bit Name Settings Description Reset Access
0x425 CF_LCFG [31:23] RESERVED Reserved. 0x0 R
22 CF4_LT If this bit is set, the CF4 pulse width is determined
by the CF_LTMR register value. If this bit is equal
to zero, then the active low pulse width is set at
80 ms for frequencies lower than 6.25 Hz.
0x0 R/W
21 CF3_LT If this bit is set, the CF3 pulse width is determined
by the CF_LTMR register value. If this bit is equal
to zero, the active low pulse width is set at 80 ms
for frequencies lower than 6.25 Hz.
0x0 R/W
20 CF2_LT If this bit is set, the CF2 pulse width is determined
by the CF_LTMR register value. If this bit is equal
to zero, the active low pulse width is set at 80 ms
for frequencies lower than 6.25 Hz.
0x0 R/W
19
CF1_LT
If this bit is set, the CF1 pulse width is determined
by the CF_LTMR register value. If this bit is equal
to zero, the active low pulse width is set at 80 ms
for frequencies lower than 6.25 Hz.
0x0
R/W
[18:0] CF_LTMR If the CFx_LT bit in the CF_LCFG register is set,
this value determines the active low pulse width
of the CFx pulse.
0x0 R/W
0x472 PART_ID [31:21] RESERVED Reserved. 0x0 R
20 ADE9000_ID This bit is set to identify an ADE9000 IC. 0x1 R
[19:0] RESERVED Reserved. 0x0 R
0x474 TEMP_TRIM [31:16] TEMP_OFFSET Offset of temperature sensor, calculated during
the manufacturing process.
0x0 R/W
[15:0] TEMP_GAIN Gain of temperature sensor, calculated during
the manufacturing process.
0x0 R/W
0x481 CONFIG1 15 EXT_REF Set this bit if using an external voltage reference. 0x0 R/W
[14:13] RESERVED Reserved. 0x0 R
12 IRQ0_ON_IRQ1 Set this bit to combine all the interrupts onto a
single interrupt pin, IRQ1, instead of using two
pins, IRQ0 and IRQ1. Note that the IRQ0 pin still
indicates the enabled IRQ0 events while in this
mode and the IRQ1pin indicates both IRQ1 and
IRQ0 events.
0x0 R/W
11 BURST_EN Set this bit to enable burst read functionality on
the registers from Address 0x500 to Address 0x63C
or Address 0x680 to Address 0x6BC. Note that this
bit disables the CRC being appended to SPI
register reads.
0x0 R/W
10 DIP_SWELL_IRQ_MODE Set interrupt mode for dip/swell. 0x0 R/W
0 Receive continuous interrupts after every
DIP_CYC/SWELL_CYC cycles.
1 Receive one interrupt when entering dip/swell
mode and another interrupt when exiting
dip/swell mode.
[9:8]
PWR_SETTLE
These bits configure the time for the power and
filter-based rms measurements to settle before
starting the power, energy, and CF accumulations.
0x0
R/W
0: 64 ms.
1: 128 ms.
2: 256 ms.
3: 0 ms.
[7:6] RESERVED Reserved. 0x0 R
5 CF_ACC_CLR Set this bit to clear the accumulation in the digital
to frequency converter and the CFDEN counter.
Note that this bit automatically clears itself.
0x0 W
4 RESERVED Reserved. 0x0 R
EVENT
ADE9000 Technical Reference Manual UG-1098
Rev. 0 | Page 79 of 86
Addr. Name Bits Bit Name Settings Description Reset Access
[3:2]
CF4_CFG
These bits select which function to output on
the CF4 pin.
0x0
R/W
00 CF4, from digital to frequency converter.
01 CF4, from digital to frequency converter.
10 EVENT.
11 DREADY.
1 CF3_CFG This bit selects which function to output on the
CF3 pin.
0x0 R/W
0 CF3, from digital to frequency converter.
1 Zero-crossing output selected by the ZX_SEL bits
in the ZX_LP_SEL register.
0 SWRST Set this bit to initiate a software reset. Note that
this bit is self clearing.
0x0 W1
0x48F OISTATUS [15:4] RESERVED Reserved. 0x0 R
[3:0] OIPHASE OIPHASE, Bit 0 indicates Phase A is above OILVL. 0x0 R
OIPHASE, Bit 1 indicates Phase B is above OILVL.
OIPHASE, Bit 2 indicates Phase C is above OILVL.
OIPHASE, Bit 3 indicates Phase N is above OILVL.
0x490 CFMODE 15 CF4DIS CF4 output disable. Set this bit to disable the
CF4 output and bring the pin high. Note that
when this bit is set, the CFx bit in STATUS0 is not
set when a CF pulse is accumulated in the digital
to frequency converter.
0x0 R/W
14 CF3DIS CF3 output disable. See CF4DIS. 0x0 R/W
13
CF2DIS
CF2 output disable. See CF4DIS.
0x0
R/W
12 CF1DIS CF1 output disable. See CF4DIS 0x0 R/W
[11:9] CF4SEL
Type of energy output on the CF4 pin. Configure
TERMSEL4 in the COMPMODE register to select
which phases are included.
0x0 R/W
000 Total active power.
001 Total reactive power.
010 Total apparent power.
011
Fundamental active power.
100 Fundamental reactive power.
101 Fundamental apparent power.
110 Total active power.
111 Total active power.
[8:6] CF3SEL Selects type of energy output on CF3 pin. See
CF4SEL.
0x0 R/W
[5:3] CF2SEL Selects type of energy output on CF2 pin. See
CF4SEL.
0x0 R/W
[2:0] CF1SEL Selects type of energy output on CF1 pin. See
CF4SEL.
0x0 R/W
0x491
COMPMODE
[15:12]
RESERVED
Reserved.
0x0
R
[11:9] TERMSEL4 Phases to include in CF4 pulse output. Set
TERMSEL4, Bit 2 to 1 to include Phase C in the
CF4 pulse output. Similarly, set TERMSEL4, Bit 1 to
include Phase B, and TERMSEL4, Bit 0 for Phase A.
0x0 R/W
[8:6] TERMSEL3 Phases to include in CF3 pulse output. See
TERMSEL4.
0x0 R/W
[5:3]
TERMSEL2
Phases to include in CF2 pulse output. See
TERMSEL4.
0x0
R/W
[2:0] TERMSEL1 Phases to include in CF1 pulse output. See
TERMSEL4.
0x0 R/W

UG-1098 ADE9000 Technical Reference Manual
Rev. 0 | Page 80 of 86
Addr. Name Bits Bit Name Settings Description Reset Access
0x492 ACCMODE [15:9] RESERVED Reserved. 0x0 R
8 SELFREQ Use this bit to configure the IC for a 50 Hz or
60 Hz system. This setting is used in the
fundamental power measurements and to set the
default line period used for VRMS½, 10 cycle rms/
12 cycle rms and resampling calculations if a
zero-crossing is not present.
0x0 R/W
0 50 Hz.
1 60 Hz.
7 ICONSEL Set this bit to calculate the current flowing
through IB from the IA and IC measurements. If
this bit is set, IB = −IA − IC.
0x0 R/W
[6:4] VCONSEL 3-wire and 4-wire hardware configuration
selection.
0x0 R/W
000 4-wire wye.
001 3-wire delta. VB' = VA − VC.
010 4-wire wye, nonBlondel compliant. VB' = −VA − VC.
011 4-wire delta, nonBlondel compliant. VB' = −VA.
100 3-wire delta. VA' = VA − VB; VB' = VA − VC; VC' =
VC − VB.
[3:2] VARACC Total and fundamental reactive power accumula-
tion mode for energy registers and CFx pulses.
0x0 R/W
00 Signed accumulation mode.
01 Absolute value accumulation mode.
10
Positive accumulation mode.
11 Negative accumulation mode.
[1:0] WATTACC Total and fundamental active power accumulation
mode for energy registers and CFx pulses. See
VARACC.
0x0 R/W
0x493 CONFIG3 [15:12] OC_EN Overcurrent detection enable. OC_EN[3:0] bits
can all be set to 1 simultaneously to allow
overcurrent detection on all three phases and/or
neutral simultaneously.
0xF R/W
Bit 12. When OC_EN[3] is set to 1, Phase A is
selected for the overcurrent detection.
Bit 13. When OC_EN[2] is set to 1, Phase B is
selected for the overcurrent detection.
Bit 14. When OC_EN[1] is set to 1, Phase C is
selected for the overcurrent detection.
Bit 15. When OC_EN[0] is set to 1, the neutral line
is selected for the overcurrent detection.
[11:5]
RESERVED
Reserved.
0x0
R
[4:2] PEAKSEL Set this bit to select which phase(s) to monitor
peak voltages and currents on. Write 1 to PEAKSEL,
Bit 0 to enable Phase A peak detection. Similarly,
PEAKSEL, Bit 1 enables Phase B peak detection, and
PEAKSEL, Bit 2 enables Phase C peak detection.
0x0 R/W
[1:0] RESERVED Reserved. 0x0 R

ADE9000 Technical Reference Manual UG-1098
Rev. 0 | Page 81 of 86
Addr. Name Bits Bit Name Settings Description Reset Access
0x49A ZX_LP_SEL [15:5] RESERVED Reserved. 0x0 R
[4:3] LP_SEL Selects line period measurement used for
VRMS½ cycle, 10 cycle rms/12 cycle rms, and
resampling.
0x3 R/W
00 APERIOD, line period measurement from Phase A
voltage.
01
BPERIOD, line period measurement from Phase B
voltage.
10 CPERIOD, line period measurement from Phase C
voltage.
11 COM_PERIOD, line period measurement on
combined signal from VA, VB, and VC.
[2:1] ZX_SEL Selects the zero-crossing signal, which can be
routed to the CF3/ZX output pin and used for
line cycle energy accumulation.
0x3 R/W
00 ZXVA, Phase A voltage zero-crossing signal.
01 ZXVB, Phase B voltage zero-crossing signal.
10 ZXVC, Phase C voltage zero-crossing signal.
11 ZXCOMB, zero-crossing on combined signal
from VA, VB, and VC.
0 RESERVED Reserved. 0x0 R
0x49D PHSIGN [15:10] RESERVED Reserved. 0x0 R
9 SUM4SIGN Sign of the sum of the powers included in the
CF4 datapath. The CF4 energy is positive if this
bit is clear and negative if this bit is set.
0x0 R
8 SUM3SIGN Sign of the sum of the powers included in the
CF3 datapath. The CF3 energy is positive if this
bit is clear and negative if this bit is set.
0x0 R
7 SUM2SIGN Sign of the sum of the powers included in the
CF2 datapath. The CF2 energy is positive if this
bit is clear and negative if this bit is set.
0x0 R
6 SUM1SIGN Sign of the sum of the powers included in the
CF1 datapath. The CF1 energy is positive if this
bit is clear and negative if this bit is set.
0x0 R
5 CVARSIGN Phase C reactive power sign bit. The PWR_SIGN_
SEL bit in the EP_CFG selects whether this feature
monitors total or fundamental reactive power.
0x0 R
4 CWSIGN Phase C active power sign bit. The PWR_SIGN_SEL
bit in the EP_CFG selects whether this feature
monitors total or fundamental active power.
0x0 R
3 BVARSIGN Phase B reactive power sign bit. The PWR_SIGN_
SEL bit in the EP_CFG selects whether this feature
monitors total or fundamental reactive power.
0x0 R
2 BWSIGN Phase B active power sign bit. The PWR_SIGN_SEL
bit in the EP_CFG selects whether this feature
monitors total or fundamental active power.
0x0 R
1 AVARSIGN Phase A reactive power sign bit. The PWR_SIGN_
SEL bit in the EP_CFG selects whether this feature
monitors total or fundamental reactive power.
0x0 R
0
AWSIGN
Phase A active power sign bit. The PWR_SIGN_SEL
bit in the EP_CFG selects whether this feature
monitors total or fundamental active power.
0x0
R

UG-1098 ADE9000 Technical Reference Manual
Rev. 0 | Page 82 of 86
Addr. Name Bits Bit Name Settings Description Reset Access
0x4A0 WFB_CFG [15:13] RESERVED Reserved. 0x0 R
12 WF_IN_EN This setting determines whether the IN waveform
samples are read out of the waveform buffer
through the SPI.
0x0 R/W
0 IN waveform samples are not read out of
waveform buffer through the SPI.
1 IN waveform samples are read out of waveform
buffer through the SPI.
[11:10] RESERVED Reserved. 0x0 R
[9:8] WF_SRC Waveform buffer source and DREADY (data
ready update rate) selection.
0x0 R/W
00 Sinc4 output at 32 kSPS.
01 Reserved.
10 Sinc4 + IIR LPF output at 8 kSPS.
11 Current and voltage channel waveform samples,
processed by the DSP (xI_PCF, xV_PCF) at 8 kSPS.
[7:6] WF_MODE Fixed data rate waveforms filling and trigger
based modes.
0x0 R/W
00 Stop when waveform buffer is full.
01 Continuous fill—stop only on enabled trigger
events.
10 Continuous filling—center capture around
enabled trigger events.
11 Continuous fill—save event address of enabled
trigger events.
5 WF_CAP_SEL This bit selects whether the waveform buffer is
filled with resampled data or fixed data rate
data, selected in the WF_CAP_SEL bits.
0x0 R/W
0
Resampled data.
1 Fixed data rate data.
4 WF_CAP_EN When this bit is set, a waveform capture is started. 0x0 R/W
0
The waveform capture is disabled. The waveform
buffer contents are maintained.
1 The waveform capture is started, according to
the type of capture in WF_CAP_SEL and the
WF_SRC bits when this bit goes from a 0 to a 1.
[3:0] BURST_CHAN Selects which data to read out of the waveform
buffer through SPI.
0x0 R/W
0000 All channels.
0001 IA and VA.
0010 IB and VB.
0011 IC and VC.
1000
IA.
1001 VA.
1010 IB.
1011 VB.
1100 IC.
1101 VC.
1110 IN if WF_IN_EN = 1 in the WFB_CFG register.
1111 Single address read (SPI burst read mode is
disabled).

ADE9000 Technical Reference Manual UG-1098
Rev. 0 | Page 83 of 86
Addr. Name Bits Bit Name Settings Description Reset Access
0x4A2 WFB_TRG_CFG [15:11] RESERVED Reserved. 0x0 R
10 TRIG_FORCE Set this bit to trigger an event to stop the
waveform buffer filling.
0x0 R/W
9 ZXCOMB Zero-crossing on combined signal from VA, VB,
and VC.
0x0 R/W
8 ZXVC Phase C voltage zero-crossing. 0x0 R/W
7
ZXVB
Phase B voltage zero-crossing.
0x0
R/W
6 ZXVA Phase A voltage zero-crossing. 0x0 R/W
5 ZXIC Phase C current zero-crossing. 0x0 R/W
4 ZXIB Phase B current zero-crossing. 0x0 R/W
3 ZXIA Phase A current zero-crossing. 0x0 R/W
2
OI
Over current event in any phase.
0x0
R/W
1 SWELL Swell event in any phase. 0x0 R/W
0
DIP
Dip event in any phase.
0x0
R/W
0x4A3 WFB_TRG_STAT [15:12] WFB_LAST_PAGE These bits indicate which page of the waveform
buffer was filled last, when filling with fixed rate
data samples.
0x0 R/W
11 RESERVED Reserved. 0x0 R
[10:0] WFB_TRIG_ADDR These bits hold the address of the last sample
put into the waveform buffer after a trigger
event occurred, which is within a sample or two
of when the actual trigger event occurred.
0x0 R
0x4AF CONFIG2 [15:13] RESERVED Reserved. 0x0 R
12 UPERIOD_SEL Set this bit to use a user configured line period,
in USER_PERIOD, for the VRMS½, 10 cycle rms/
12 cycle rms and resampling calculation. If this
bit is clear, the phase voltage line period selected
by the LP_SEL[1:0] bits in the ZX_LP_SEL register
is used.
0x0 R/W
[11:9] HPF_CRN High-pass filter corner (f3dB) enabled when the
HPFDIS bit in the CONFIG0 register is equal to zero.
0x6 R/W
000 77.39 Hz.
001 39.275 Hz.
010 19.79 Hz.
011 9.935 Hz.
100 4.98 Hz.
101 2.495 Hz.
110 1.25 Hz.
111 0.625 Hz.
[8:0] RESERVED Reserved. 0x0 R
0x4B0 EP_CFG [15:13] NOLOAD_TMR This register configures how many 8 kSPS
samples to evaluate the no load condition over.
0x0 R/W
000 64 samples.
001 128 samples.
010 256 samples.
011 512 samples.
100 1024 samples.
101 2048 samples.
110 4096 samples.
111 Disable no load threshold.
[12:8] RESERVED Reserved. 0x0 R
7 PWR_SIGN_SEL[1] Selects whether the REVRPx bit follows the sign
of the total or fundamental reactive power.
0x0 R/W
0 Total reactive power.
1 Fundamental reactive power.

UG-1098 ADE9000 Technical Reference Manual
Rev. 0 | Page 84 of 86
Addr. Name Bits Bit Name Settings Description Reset Access
6
PWR_SIGN_SEL[0]
Selects whether the REVAPx bit follows the sign
of the total or fundamental active power.
0x0
R/W
0 Total active power.
1 Fundamental active power.
5 RD_RST_EN Set this bit to enable the energy register read
with reset feature. If this bit is set, when one of
the xWATTHR, xVAHR, xVARH, xFWATTHR,
xFVAHR, and xFVARHR register is read, it is reset
and begins accumulating energy from zero.
0x0 R/W
4 EGY_LD_ACCUM If this bit is equal to zero, the internal energy
register is added to the user accessible energy
register. If the bit is set, the internal energy
register overwrites the user accessible energy
register when the EGYRDY event occurs.
0x0 R/W
[3:2] RESERVED Reserved. 0x0 R
1 EGY_TMR_MODE This bit determines whether energy is
accumulated based on the number of 8 kSPS
samples or zero-crossing events configured in
the EGY_TIME register.
0x0 R/W
0 Accumulate energy based on 8 kSPS samples.
1 Accumulate energy based on the zero-crossing
selected by the ZX_SEL bits in the ZX_LP_SEL
register.
0 EGY_PWR_EN Set this bit to enable the energy and power
accumulator, when the run bit is also set.
0x0 R/W
0x4B4
CRC_FORCE
[15:1]
RESERVED
Reserved.
0x0
R
0 FORCE_CRC_UPDATE Write this bit to force the configuration register
CRC calculation to start. When the calculation is
complete, the CRC_DONE bit is set in the
STATUS1 register.
0x0 R/W
0x4B5 CRC_OPTEN 15 CRC_WFB_TRG_CFG_EN
Set this bit to include the WFB_TRG_CFG register
in the configuration register CRC calculation.
0x0 R/W
14
CRC_WFB_PG_IRQEN
Set this bit to include the WFB_PG_IRQEN register
in the configuration register CRC calculation.
0x0
R/W
13 CRC_WFB_CFG_EN Set this bit to include the WFB_CFG register in
the configuration register CRC calculation.
0x0 R/W
12 CRC_SEQ_CYC_EN Set this bit to include the SEQ_CYC register in
the configuration register CRC calculation.
0x0 R/W
11 CRC_ZXLPSEL_EN Set this bit to include the ZX_LP_SEL register in
the configuration register CRC calculation.
0x0 R/W
10 CRC_ZXTOUT_EN Set this bit to include the CRC_ZXTOUT_EN register
in the configuration register CRC calculation.
0x0 R/W
9 CRC_APP_NL_LVL_EN
Set this bit to include the APP_NL_LVL register in
the configuration register CRC calculation.
0x0 R/W
8 CRC_REACT_NL_LVL_EN Set this bit to include the REACT_NL_LVL register in
the configuration register CRC calculation.
0x0 R/W
7 CRC_ACT_NL_LVL_EN
Set this bit to include the ACT_NL_LVL register in
the configuration register CRC calculation.
0x0 R/W
6 CRC_SWELL_CYC_EN Set this bit to include the SWELL_CYC register in
the configuration register CRC calculation.
0x0 R/W
5 CRC_SWELL_LVL_EN Set this bit to include the SWELL_LVL register in
the configuration register CRC calculation.
0x0 R/W
4 CRC_DIP_CYC_EN Set this bit to include the DIP_CYC register in the
configuration register CRC calculation.
0x0 R/W
3 CRC_DIP_LVL_EN
Set this bit to include the DIP_LVL register in the
configuration register CRC calculation.
0x0 R/W

ADE9000 Technical Reference Manual UG-1098
Rev. 0 | Page 85 of 86
Addr. Name Bits Bit Name Settings Description Reset Access
2
CRC_EVENT_MASK_EN
Set this bit to include the EVENT_MASK register
in the configuration register CRC calculation.
0x0
R/W
1 CRC_MASK1_EN Set this bit to include the MASK1 register in the
configuration register CRC calculation.
0x0 R/W
0 CRC_MASK0_EN Set this bit to include the MASK0 register in the
configuration register CRC calculation.
0x0 R/W
0x4B6 TEMP_CFG [15:4] RESERVED Reserved. 0x0 R
3 TEMP_START Set this bit to request a temperature sensor
reading. The new temperature reading is
available in 1.25 ms, indicated by the TEMP_RDY
bit in the STATUS0 register. Note that this bit is
self clearing.
0x0 W1
2 TEMP_EN Set this bit to enable the temperature sensor. 0x0 R/W
[1:0] TEMP_TIME Select the number of temperature readings to
average.
0x0 R/W
0 1 sample. New temperature measurement every
1.25 ms.
1 256 samples. New temperature measurement
every 320 ms.
10 512 samples. New temperature measurement
every 640 ms.
11 1024 samples. New temperature measurement
every 1.3 sec.
0x4B7 TEMP_RSLT [15:12] RESERVED Reserved. 0x0 R
[11:0] TEMP_RESULT 12-bit temperature sensor result. 0x0 R
0x4B9 PGA_GAIN [15:14] RESERVED Reserved. 0x0 R
[13:12] VC_GAIN PGA gain for voltage Channel C ADC. 0x0 R/W
00 Gain = 1.
01 Gain = 2.
10 Gain = 4.
11 Gain = 4.
[11:10] VB_GAIN PGA gain for Voltage Channel B ADC. See VC_GAIN. 0x0 R/W
[9:8] VA_GAIN PGA gain for Voltage Channel A ADC. See VC_GAIN. 0x0 R/W
[7:6] IN_GAIN PGA gain for neutral current channel ADC. See
VC_GAIN.
0x0 R/W
[5:4] IC_GAIN PGA gain for Current Channel C ADC. See VC_GAIN. 0x0 R/W
[3:2] IB_GAIN PGA gain for Voltage Channel B ADC. See VC_GAIN. 0x0 R/W
[1:0] IA_GAIN PGA gain for Current Channel A ADC. See VC_GAIN. 0x0 R/W
0x4BA
CHNL_DIS
[15:7]
RESERVED
Reserved.
0x0
R
6 VC_DISADC Set this bit to one to disable the ADC. 0x0 R/W
5 VB_DISADC Set this bit to one to disable the ADC. 0x0 R/W
4 VA_DISADC Set this bit to one to disable the ADC. 0x0 R/W
3 IN_DISADC Set this bit to one to disable the ADC. 0x0 R/W
2 IC_DISADC Set this bit to one to disable the ADC. 0x0 R/W
1 IB_DISADC Set this bit to one to disable the ADC. 0x0 R/W
0
IA_DISADC
Set this bit to one to disable the ADC.
0x0
R/W
0x4E0 VAR_DIS [15:1] RESERVED Reserved. 0x0 R
0 VARDIS Set this bit to disable the total VAR calculation.
This bit must be set before writing the run bit for
proper operation.
0x0 R/W
m
ANALOG
DEVICES
www.ana|ug.cnm
UG-1098 ADE9000 Technical Reference Manual
Rev. 0 | Page 86 of 86
NOTES
ESD Caution
ESD (electrostatic discharge) sensitive device. Charged devices and circuit boards can discharge without detection. Although this product features patented or proprietary protection
circuitry, damage may occur on devices subjected to high energy ESD. Therefore, proper ESD precautions should be taken to avoid performance degradation or loss of functionality.
Legal Terms and Conditions
Information furnished by Analog Devices is believed to be accurate and reliable. However, no responsibility is assumed by Analog Devices for its use, nor for any infringements of patents or other rights of third
parties that may result from its use. No license is granted by implication or otherwise under any patent or patent rights of
Analog Devices. Trademarks and registered trademarks are the property of their
respective owners. Information contained within this document is subject to change without notice. Software or hardware provide
d by Analog Devices may not be disassembled, decompiled or reverse
engineered. Analog Devices’ standard terms and conditions for products purchased from Analog Devices can be found at: http://www.analog.com/en/content/analog_devices_terms_and_conditions/fca.html.
©2017 Analog Devices, Inc. All rights reserved. Trademarks and
registered trademarks are the property of their respective owners.
UG15523-0-3/17(0)
Products related to this Datasheet
ADE9000 ARDUINO EVALUATION BOARD