ANALOG
DEVICES
135 MHz Quad IF Receiver
Data Sheet AD6684
Rev. 0 Document Feedback
Information furnished by Analog Devices is believed to be accurate and reliable. However, no
responsibility is assumed by Analog Devices for its use, nor for any infringements of patents or other
rights of third parties that may result from its use. Specifications subject to change without notice. No
license is granted by implication or otherwise under any patent or patent rights of Analog Devices.
Trademarks and registered trademarks are the property of their respective owners.
One Technology Way, P.O. Box 9106, Norwood, MA 02062-9106, U.S.A.
Tel: 781.329.4700 ©2016 Analog Devices, Inc. All rights reserved.
Technical Support www.analog.com
FEATURES
JESD204B (Subclass 1) coded serial digital outputs
Lane rates up to 15 Gbps
1.68 W total power at 500 MSPS
420 mW per analog-to-digital converter (ADC) channel
SFDR = 82 dBFS at 305 MHz (1.8 V p-p input range)
SNR = 66.8 dBFS at 305 MHz (1.8 V p-p input range)
Noise density = −151.5 dBFS/Hz (1.8 V p-p input range)
Analog input buffer
On-chip dithering to improve small signal linearity
Flexible differential input range
1.44 V p-p to 2.16 V p-p (1.80 V p-p nominal)
82 dB channel isolation/crosstalk
0.975 V, 1.8 V, and 2.5 V dc supply operation
Noise shaping requantizer (NSR) option for main receiver
Variable dynamic range (VDR) option for digital
predistortion (DPD)
4 integrated wideband digital downconverters (DDCs)
48-bit numerically controlled oscillator (NCO), up to
4 cascaded half-band filters
1.4 GHz analog input full power bandwidth
Amplitude detect bits for efficient automatic gain control
(AGC) implementation
Differential clock input
Integer clock divide by 1, 2, 4, or 8
On-chip temperature diode
Flexible JESD204B lane configurations
APPLICATIONS
Communications
Diversity multiband, multimode digital receivers
3G/4G, W-CDMA, GSM, LTE, LTE-A
HFC digital reverse path receivers
Digital predistortion observation paths
General-purpose software radios
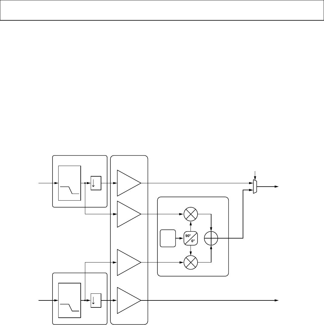
FUNCTIONAL BLOCK DIAGRAM
CLK+
CLK–
SDIO SCLK CSB
AGND
AD6684
SYSREF±
CLOCK
GENERATION
14
SPI CONTROL
14
14
14
2
PDWN/STBY
JESD204B
SUBCLASS 1
CONTROL
FAST
DETECT
VIN+B
VIN–B
÷2
÷4
ADC
CORE
BUFFER
ADC
CORE
SIGNAL
MONITOR
SYNCINB±AB
VIN+C
VIN–C
FD_C
FD_D
SERDOUTCD0±
SERDOUTCD1±
SERDOUTAB0±
SERDOUTAB1±
VIN+D
VIN–D
SIGNAL PROCESSING
Tx
OUTPUTS
JESD204B
HIGH SPEED
SERIALIZER
SYNCINB±CD
AVDD1
(0.975V)
AVDD2
(1.8V) DRVDD1
(0.975V)
DVDD
(0.975V)
AVDD3
(2.5V)
AVDD1_SR
(0.975V)
SPIVDD
(1.8V)
DRVDD2
(1.8V)
DIGITAL DOWNCONVERTER
(×2)
NOISE SHAPED REQUANTIZER
(×2)
VARIABLE DYNAMIC RANGE
(×2)
BUFFER
2
FAST
DETECT
ADC
CORE
BUFFER
ADC
CORE
SIGNAL
MONITOR
SIGNAL PROCESSING
Tx
OUTPUTS
JESD204B
HIGH SPEED
SERIALIZER
DIGITAL DOWNCONVERTER
(×2)
NOISE SHAPED REQUANTIZER
(×2)
VARIABLE DYNAMIC RANGE
(×2)
BUFFER
DRGND
VIN+A
VIN–A
V
CM_AB
V
CM_CD
FD_A
FD_B
÷8
SIGNAL MONITOR
AND FAST DETECT
14994-001
Figure 1.

AD6684 Data Sheet
Rev. 0 | Page 2 of 107
TABLE OF CONTENTS
Features .............................................................................................. 1
Applications ....................................................................................... 1
Functional Block Diagram .............................................................. 1
Revision History ............................................................................... 3
General Description ......................................................................... 4
Product Highlights ........................................................................... 4
Specifications ..................................................................................... 5
DC Specifications ......................................................................... 5
AC Specifications .......................................................................... 6
Digital Specifications ................................................................... 8
Switching Specifications .............................................................. 9
Timing Specifications .................................................................. 9
Absolute Maximum Ratings .......................................................... 11
Thermal Characteristics ............................................................ 11
ESD Caution ................................................................................ 11
Pin Configuration and Function Descriptions ........................... 12
Typical Performance Characteristics ........................................... 14
Equivalent Circuits ......................................................................... 21
Theory of Operation ...................................................................... 23
ADC Architecture ...................................................................... 23
Analog Input Considerations .................................................... 23
Voltage Reference ....................................................................... 25
Clock Input Considerations ...................................................... 26
Temperature Diode .................................................................... 27
ADC Overrange and Fast Detect .................................................. 28
ADC Overrange .......................................................................... 28
Fast Threshold Detection (FD_A, FD_B, FD_C and FD_D) .... 28
Signal Monitor ................................................................................ 29
SPORT Over JESD204B ............................................................. 29
Digital Downconverter (DDC) ..................................................... 32
DDC I/Q Input Selection .......................................................... 32
DDC I/Q Output Selection ....................................................... 32
DDC General Description ........................................................ 32
Frequency Translation ................................................................... 38
General Description ................................................................... 38
DDC NCO + Mixer Loss and SFDR ........................................ 39
Numerically Controlled Oscillator ........................................... 39
FIR Filters ........................................................................................ 41
General Description ................................................................... 41
Half-Band Filters ........................................................................ 42
DDC Gain Stage ......................................................................... 44
DDC Complex to Real Conversion ......................................... 44
DDC Example Configurations ................................................. 45
Noise Shaping Requantizer (NSR) ............................................... 49
Decimating Half-Band Filter .................................................... 49
NSR Overview ............................................................................ 50
Variable Dynamic Range (VDR) .................................................. 51
VDR Real Mode .......................................................................... 52
VDR Complex Mode ................................................................. 52
Digital Outputs ............................................................................... 54
Introduction to the JESD204B Interface ................................. 54
JESD204B Overview .................................................................. 54
Functional Overview ................................................................. 56
JESD204B Link Establishment ................................................. 56
Physical Layer (Driver) Outputs .............................................. 57
JESD204B Tx Converter Mapping ........................................... 59
Setting Up the AD6684 Digital Interface ................................ 60
Latency ............................................................................................. 64
End-To-End Total Latency ........................................................ 64
Multichip Synchronization ............................................................ 65
SYSREF± Setup/Hold Window Monitor ................................. 67
Test Modes ....................................................................................... 69
ADC Test Modes ........................................................................ 69
JESD204B Block Test Modes .................................................... 70
Serial Port Interface ........................................................................ 72
Configuration Using the SPI ..................................................... 72
Hardware Interface ..................................................................... 72
SPI Accessible Features .............................................................. 72
Memory Map .................................................................................. 73
Reading the Memory Map Register Table ............................... 73
Memory Map .................................................................................. 74
Memory Map Summary ............................................................ 74
Memory Map Details ................................................................. 82
Applications Information ............................................................ 106
Power Supply Recommendations ........................................... 106
Exposed Pad Thermal Heat Slug Recommendations .......... 106
AVDD1_SR (Pin 64) and AGND_SR (Pin 63 and Pin 67) . 106
Outline Dimensions ..................................................................... 107
Ordering Guide ........................................................................ 107

Data Sheet AD6684
Rev. 0 | Page 3 of 107
REVISION HISTORY
10/2016—Revision 0: Initial Version

AD6684 Data Sheet
Rev. 0 | Page 4 of 107
GENERAL DESCRIPTION
The AD6684 is a 135 MHz bandwidth, quad intermediate
frequency (IF) receiver. It consists of four 14-bit, 500 MSPS
ADCs and various digital processing blocks consisting of four
wideband DDCs, an NSR, and VDR monitoring. The device has
an on-chip buffer and a sample-and-hold circuit designed for low
power, small size, and ease of use. This device is designed to
support communications applications. The analog full power
bandwidth of the device is 1.4 GHz.
The quad ADC cores feature a multistage, differential pipelined
architecture with integrated output error correction logic. Each
ADC features wide bandwidth inputs supporting a variety of
user-selectable input ranges. An integrated voltage reference
eases design considerations. The AD6684 is optimized for wide
input bandwidth, excellent linearity, and low power in a small
package.
The analog inputs and clock signal input are differential. Each
pair of ADC data outputs are internally connected to two DDCs
through a crossbar mux. Each DDC consists of up to five cascaded
signal processing stages: a 48-bit frequency translator, NCO, and
up to four half-band decimation filters.
Each ADC output is connected internally to an NSR block. The
integrated NSR circuitry allows improved SNR performance in
a smaller frequency band within the Nyquist bandwidth. The
device supports two different output modes selectable via the
serial port interface (SPI). With the NSR feature enabled, the
outputs of the ADCs are processed such that the AD6684
supports enhanced SNR performance within a limited portion
of the Nyquist bandwidth while maintaining a 9-bit output
resolution.
Each ADC output is also connected internally to a VDR block.
This optional mode allows full dynamic range for defined input
signals. Inputs that are within a defined mask (based on DPD
applications) are passed unaltered. Inputs that violate this
defined mask result in the reduction of the output resolution.
With VDR, the dynamic range of the observation receiver is
determined by a defined input frequency mask. For signals
falling within the mask, the outputs are presented at the
maximum resolution allowed. For signals exceeding defined
power levels within this frequency mask, the output resolution
is truncated. This mask is based on DPD applications and
supports tunable real IF sampling, and zero IF or complex IF
receive architectures.
Operation of the AD6684 in the DDC, NSR, and VDR modes is
selectable via SPI-programmable profiles (the default mode is
NSR at startup).
In addition to the DDC blocks, the AD6684 has several functions
that simplify the AGC function in the communications receiver.
The programmable threshold detector allows monitoring of the
incoming signal power using the fast detect output bits of the
ADC. If the input signal level exceeds the programmable threshold,
the fast detect indicator goes high. Because this threshold
indicator has low latency, the user can quickly turn down the
system gain to avoid an overrange condition at the ADC input.
Users can configure each pair of IF receiver outputs onto either
one or two lanes of Subclass 1 JESD204B-based high speed
serialized outputs, depending on the decimation ratio and the
acceptable lane rate of the receiving logic device. Multiple device
synchronization is supported through the SYSREF±,
SYNCINB±AB, and SYNCINB±CD input pins.
The AD6684 has flexible power-down options that allow
significant power savings when desired. All of these features can
be programmed using the 1.8 V capable, 3-wire SPI.
The AD6684 is available in a Pb-free, 72-lead LFCSP and is
specified over the −40°C to +105°C junction temperature range.
This product may be protected by one or more U.S. or international
patents
PRODUCT HIGHLIGHTS
1. Low power consumption per channel.
2. JESD204B lane rate support up to 15 Gbps.
3. Wide full power bandwidth supports IF sampling of signals
up to 1.4 GHz.
4. Buffered inputs ease filter design and implementation.
5. Four integrated wideband decimation filters and NCO
blocks supporting multiband receivers.
6. Programmable fast overrange detection.
7. On-chip temperature diode for system thermal management.

Data Sheet AD6684
Rev. 0 | Page 5 of 107
SPECIFICATIONS
DC SPECIFICATIONS
AVDD1 = 0.975 V, AVDD1_SR = 0.975 V, AVDD2 = 1.8 V, AVDD3 = 2.5 V, DVDD = 0.975 V, DRVDD1 = 0.975 V, DRVDD2 = 1.8 V,
SPIVDD = 1.8 V, specified maximum sampling rate, clock divider = 4, 1.8 V p-p full-scale differential input, 0.5 V internal reference, AIN =
−1.0 dBFS, default SPI settings, unless otherwise noted. Minimum and maximum specifications are guaranteed for the full operating
junction temperature (TJ) range of −40°C to +105°C. Typical specifications represent performance at TJ = 50°C (TA = 25°C).
Table 1.
Parameter Min Typ Max Unit
RESOLUTION 14 Bits
ACCURACY
No Missing Codes Guaranteed
Offset Error 0 % FSR
Offset Matching 0 % FSR
Gain Error −5.0 +5.0 % FSR
Gain Matching 1.0 % FSR
Differential Nonlinearity (DNL) −0.7 ±0.4 +0.7 LSB
Integral Nonlinearity (INL) −5.1 ±1.0 +5.1 LSB
TEMPERATURE DRIFT
Offset Error 8 ppm/°C
Gain Error 214 ppm/°C
INTERNAL VOLTAGE REFERENCE
Voltage 0.5 V
INPUT REFERRED NOISE 2.6 LSB rms
ANALOG INPUTS
Differential Input Voltage Range (Programmable) 1.44 1.80 2.16 V p-p
Common-Mode Voltage (VCM) 1.34 V
Differential Input Capacitance 1.75 pF
Differential Input Resistance 200 Ω
Analog Input Full Power Bandwidth 1.4 GHz
POWER SUPPLY1
AVDD1 0.95 0.975 1.00 V
AVDD1_SR 0.95 0.975 1.00 V
AVDD2 1.71 1.8 1.89 V
AVDD3 2.44 2.5 2.56 V
DVDD 0.95 0.975 1.00 V
DRVDD1 0.95 0.975 1.00 V
DRVDD2 1.71 1.8 1.89 V
SPIVDD 1.71 1.8 1.89 V
IAVDD1 319 482 mA
IAVDD1_SR 21 53 mA
IAVDD2 438 473 mA
IAVDD3 87 103 mA
IDVDD2 145 198 mA
IDRVDD1 162 207 mA
IDRVDD2 23 29 mA
ISPIVDD 1 1.6 mA
POWER CONSUMPTION
Total Power Dissipation (Including Output Drivers)2 1.68 1.94 W
Power-Down Dissipation 325 mW
Standby3 1.20 W
1 Power is measured at NSR, 28% bandwidth, L, M, and F = 222.
2 Default mode, no decimation enabled. For each link, L = 2, M = 2, and F = 2.
3 Standby mode is controlled by the SPI.

AD6684 Data Sheet
Rev. 0 | Page 6 of 107
AC SPECIFICATIONS
AVDD1 = 0.975 V, AVDD1_SR = 0.975 V, AVDD2 = 1.8 V, AVDD3 = 2.5 V, DVDD = 0.975 V, DRVDD1 = 0.975 V, DRVDD2 = 1.8 V,
SPIVDD = 1.8 V, specified maximum sampling rate, clock divider = 4, 1.8 V p-p full-scale differential input, 0.5 V internal reference, AIN =
−1.0 dBFS, default SPI settings, VDR mode (input mask not triggered), unless otherwise noted. Minimum and maximum specifications are
guaranteed for the full operating junction temperature (TJ) range of −40°C to +105°C. Typical specifications represent performance at TJ = 50°C
(TA = 25°C).
Table 2.
Parameter1
Analog Input Full Scale =
1.44 V p-p
Analog Input Full Scale =
1.80 V p-p
Analog Input Full Scale =
2.16 V p-p
Unit Min Typ Max Min Typ Max Min Typ Max
ANALOG INPUT FULL SCALE 1.44 1.80 2.16 V p-p
NOISE DENSITY2 −149.7 −151.5 −153.0 dBFS/Hz
SIGNAL-TO-NOISE RATIO (SNR)3
VDR Mode
fIN = 10 MHz 65.4 67.1 68.4 dBFS
fIN = 155 MHz 65.3 64.8 67.0 68.3 dBFS
fIN = 305 MHz 65.2 66.8 68.0 dBFS
fIN = 450 MHz 65.0 66.6 67.8 dBFS
fIN = 765 MHz 64.8 66.5 67.5 dBFS
fIN = 985 MHz 64.5 66.0 66.9 dBFS
21% Bandwidth (BW) Mode
(>105 MHz at 500 MSPS)
fIN = 10 MHz 72.1 73.8 75.1 dBFS
fIN = 155 MHz 71.8 73.5 74.8 dBFS
fIN = 305 MHz 71.9 73.5 74.7 dBFS
fIN = 450 MHz 71.6 73.2 74.4 dBFS
fIN = 765 MHz 71.0 72.7 73.7 dBFS
fIN = 985 MHz 70.6 72.1 73.0 dBFS
28% BW Mode (>135 MHz at
500 MSPS)
fIN = 10 MHz 69.6 71.3 72.6 dBFS
fIN = 155 MHz 69.1 70.8 72.1 dBFS
fIN = 305 MHz 69.1 70.7 71.9 dBFS
fIN = 450 MHz 69.4 71.0 72.2 dBFS
fIN = 765 MHz 68.5 70.2 71.2 dBFS
fIN = 985 MHz 68.5 70.0 70.9 dBFS
SIGNAL-TO-NOISE-AND-DISTORTION
RATIO (SINAD)3
fIN = 10 MHz 65.3 67.0 68.2 dBFS
fIN = 155 MHz 65.2 64.5 66.8 67.9 dBFS
fIN = 305 MHz 65.1 66.6 67.6 dBFS
fIN = 450 MHz 65.0 66.4 67.3 dBFS
fIN = 765 MHz 64.7 66.1 66.9 dBFS
fIN = 985 MHz 64.2 65.5 66.2 dBFS
EFFECTIVE NUMBER OF BITS (ENOB)3
fIN = 10 MHz 10.5 10.8 11.0 Bits
fIN = 155 MHz 10.5 10.4 10.8 10.9 Bits
fIN = 305 MHz 10.5 10.7 10.9 Bits
fIN = 450 MHz 10.5 10.7 10.8 Bits
fIN = 765 MHz 10.4 10.6 10.8 Bits
fIN = 985 MHz 10.3 10.6 10.7 Bits

Data Sheet AD6684
Rev. 0 | Page 7 of 107
Parameter1
Analog Input Full Scale =
1.44 V p-p
Analog Input Full Scale =
1.80 V p-p
Analog Input Full Scale =
2.16 V p-p
Unit Min Typ Max Min Typ Max Min Typ Max
SPURIOUS-FREE DYNAMIC RANGE
(SFDR)3
fIN = 10 MHz 89 90 80 dBFS
fIN = 155 MHz 89 75 85 77 dBFS
fIN = 305 MHz 82 82 78 dBFS
fIN = 450 MHz 82 83 77 dBFS
fIN = 765 MHz 77 75 72 dBFS
fIN = 985 MHz 82 79 76 dBFS
SPURIOUS-FREE DYNAMIC RANGE
(SFDR) AT −3 dBFS3
fIN = 10 MHz 94 94 86 dBFS
fIN = 155 MHz 94 90 82 dBFS
fIN = 305 MHz 89 90 83 dBFS
fIN = 450 MHz 87 86 84 dBFS
fIN = 765 MHz 82 80 77 dBFS
fIN = 985 MHz 85 82 79 dBFS
WORST HARMONIC, SECOND OR
THIRD3
fIN = 10 MHz −89 −90 −80 dBFS
fIN = 155 MHz −89 −85 −75 −77 dBFS
fIN = 305 MHz −82 −82 −78 dBFS
fIN = 450 MHz −82 −83 −77 dBFS
fIN = 765 MHz −77 −75 −72 dBFS
fIN = 985 MHz −82 −79 −76 dBFS
WORST HARMONIC, SECOND OR
THIRD AT −3 dBFS3
fIN = 10 MHz −94 −94 −86 dBFS
fIN = 155 MHz −94 −90 −82 dBFS
fIN = 305 MHz −89 −90 −83 dBFS
fIN = 450 MHz −87 −86 −84 dBFS
fIN = 765 MHz −82 −80 −77 dBFS
fIN = 985 MHz −85 −82 −79 dBFS
WORST OTHER, EXCLUDING SECOND
OR THIRD HARMONIC3
fIN = 10 MHz −96 −98 −99 dBFS
fIN = 155 MHz −97 −97 −86 −97 dBFS
fIN = 305 MHz −97 −98 −97 dBFS
fIN = 450 MHz −95 −96 −96 dBFS
fIN = 765 MHz −92 −91 −88 dBFS
fIN = 985 MHz −90 −89 −86 dBFS
TWO TONE INTERMODULATION
DISTORTION (IMD), AIN1 AND
AIN2 = −7 dBFS
fIN1 = 154 MHz, fIN2 = 157 MHz −93 −90 −84 dBFS
fIN1 = 302 MHz, fIN2 = 305 MHz −90 −90 −84 dBFS
CROSSTALK4 82 82 82 dB
FULL POWER BANDWIDTH5 1.4 1.4 1.4 GHz
1 See the AN-835 Application Note, Understanding High Speed ADC Testing and Evaluation, for definitions and for details on how these tests were completed.
2 Noise density is measured with no analog input signal.
3 See Table 9 for recommended settings for full-scale voltage and buffer current setting.
4 Crosstalk is measured at 155 MHz with a −1.0 dBFS analog input on one channel and no input on the adjacent channel.
5 Measured with circuit shown in Figure 58.

AD6684 Data Sheet
Rev. 0 | Page 8 of 107
DIGITAL SPECIFICATIONS
AVDD1 = 0.975 V, AVDD1_SR = 0.975 V, AVDD2 = 1.8 V, AVDD3 = 2.5 V, DVDD = 0.975 V, DRVDD1 = 0.975 V, DRVDD2 = 1.8 V,
SPIVDD = 1.8 V, specified maximum sampling rate, clock divider = 4, 1.8 V p-p full-scale differential input, 0.5 V internal reference, AIN =
−1.0 dBFS, default SPI settings, unless otherwise noted. Minimum and maximum specifications are guaranteed for the full operating junction
temperature (TJ) range of −40°C to +105°C. Typical specifications represent performance at TJ = 50°C (TA = 25°C).
Table 3.
Parameter Min Typ Max Unit
CLOCK INPUTS (CLK+, CLK−)
Logic Compliance LVDS/LVPECL
Differential Input Voltage 400 800 1600 mV p-p
Input Common-Mode Voltage 0.69 V
Input Resistance (Differential) 32 kΩ
Input Capacitance 0.9 pF
SYSREF INPUTS (SYSREF+, SYSREF−)1
Logic Compliance LVDS/LVPECL
Differential Input Voltage 400 800 1800 mV p-p
Input Common-Mode Voltage 0.6 0.69 2.2 V
Input Resistance (Differential) 18 22 kΩ
Input Capacitance (Single-Ended per Pin) 0.7 pF
LOGIC INPUTS (PDWN/STBY)
Logic Compliance CMOS
Logic 1 Voltage 0.65 × SPIVDD V
Logic 0 Voltage 0 0.35 × SPIVDD V
Input Resistance 10 MΩ
LOGIC INPUTS (SDIO, SCLK, CSB)
Logic Compliance CMOS
Logic 1 Voltage 0.65 × SPIVDD V
Logic 0 Voltage 0 0.35 × SPIVDD V
Input Resistance 56 kΩ
LOGIC OUTPUT (SDIO)
Logic Compliance CMOS
Logic 1 Voltage (IOH = 800 μA) SPIVDD − 0.45 V V
Logic 0 Voltage (IOL = 50 μA) 0 0.45 V
SYNCIN INPUT (SYNCINB+AB, SYNCINB−AB, SYNCINB+CD, SYNCINB−CD)
Logic Compliance LVDS/LVPECL/CMOS
Differential Input Voltage 400 800 1800 mV p-p
Input Common-Mode Voltage 0.6 0.69 2.2 V
Input Resistance (Differential) 18 22 kΩ
Input Capacitance (Single-Ended per Pin) 0.7 pF
LOGIC OUTPUTS (FD_A, FD_B)
Logic Compliance CMOS
Logic 1 Voltage 0.8 × SPIVDD V
Logic 0 Voltage 0 0.5 V
Input Resistance 56 kΩ
DIGITAL OUTPUTS (SERDOUTx±, x = AB0, AB1, CD0, and CD1)
Logic Compliance CML
Differential Output Voltage 455.8 mV p-p
Short-Circuit Current (ID SHORT) 15 mA
Differential Termination Impedance 100 Ω
1 DC-coupled input only.
Data Rate per Channel (NRZ)‘
Data Sheet AD6684
Rev. 0 | Page 9 of 107
SWITCHING SPECIFICATIONS
AVDD1 = 0.975 V, AVDD1_SR = 0.975 V, AVDD2 = 1.8 V, AVDD3 = 2.5 V, DVDD = 0.975 V, DRVDD1 = 0.975 V, DRVDD2 = 1.8 V,
SPIVDD = 1.8 V, specified maximum sampling rate, clock divider = 4, 1.8 V p-p full-scale differential input, 0.5 V internal reference, AIN =
−1.0 dBFS, default SPI settings, unless otherwise noted. Minimum and maximum specifications are guaranteed for the full operating junction
temperature (TJ) range of −40°C to +105°C. Typical specifications represent performance at TJ = 50°C (TA = 25°C).
Table 4.
Parameter Min Typ Max Unit
CLOCK
Clock Rate at CLK+/CLK− Pins 0.3 2.4 GHz
Maximum Sample Rate1 500 MSPS
Minimum Sample Rate2 240 MSPS
Clock Pulse Width High 125 ps
Clock Pulse Width Low 125 ps
OUTPUT PARAMETERS
Unit Interval (UI)3 62.5 100 ps
Rise Time (tR) (20% to 80% into 100 Ω Load) 31.25 ps
Fall Time (tF) (20% to 80% into 100 Ω Load) 31.37 ps
Phase-Locked Loop (PLL) Lock Time 5 ms
Data Rate per Channel (NRZ)4 1.5625 10 15 Gbps
LATENCY5
Pipeline Latency 54 Sample clock cycles
Fast Detect Latency 30 Sample clock cycles
APERTURE
Aperture Delay (tA) 160 ps
Aperture Uncertainty (Jitter, tj) 44 fs rms
Out-of-Range Recovery Time 1 Sample clock cycles
1 The maximum sample rate is the clock rate after the divider.
2 The minimum sample rate operates at 240 MSPS with L = 2 or L = 1. Refer to SPI Register 0x011A to reduce the threshold of the clock detect circuit.
3 Baud rate = 1/UI. A subset of this range can be supported.
4 Default L = 2. This number can be changed based on the sample rate and decimation ratio.
5 No DDCs used. L = 2, M = 2, F = 2 for each link.
TIMING SPECIFICATIONS
Table 5.
Parameter Test Conditions/Comments Min Typ Max Unit
CLK+ to SYSREF+ TIMING REQUIREMENTS See Figure 3
tSU_SR Device clock to SYSREF+ setup time −44.8 ps
tH_SR Device clock to SYSREF+ hold time 64.4 ps
SPI TIMING REQUIREMENTS See Figure 4
tDS Setup time between the data and the rising edge of SCLK 4 ns
tDH Hold time between the data and the rising edge of SCLK 2 ns
tCLK Period of the SCLK 40 ns
tS Setup time between CSB and SCLK 2 ns
tH Hold time between CSB and SCLK 2 ns
tHIGH Minimum period that SCLK must be in a logic high state 10 ns
tLOW Minimum period that SCLK must be in a logic low state 10 ns
tACCESS Maximum time delay between falling edge of SCLK and output
data valid for a read operation
6 10 ns
tDIS_SDIO Time required for the SDIO pin to switch from an output to an
input relative to the CSB rising edge (not shown in Figure 4)
10 ns
.ORXWIL'W'
MAWL “om.
AD6684 Data Sheet
Rev. 0 | Page 10 of 107
Timing Diagrams
N – 53
N – 52 N – 51 N – 50 N – 1
SAMPLE N
N + 1
APERTURE
DELAY
N – 54
CLK+
CLK–
ANALOG
INPUT
SIGNAL
14994-002
Figure 2. Data Output Timing (NSR Mode, 21%, L, M, F = 222)
CLK+
CLK–
SYSREF+
SYSREF–
t
SU_SR
t
H_SR
14994-003
Figure 3. SYSREF± Setup and Hold Timing
DON’T CARE
DON’T CAREDON’T CARE
DON’T CARE
SDIO
SCLK
tStDH
tCLK
tDS tACCESS tH
R/W A14A13A12A11A10A9A8A7 D7D6D3D2D1D0
tLOW
tHIGH
CSB
14994-004
Figure 4. Serial Port Interface Timing Diagram
M
ESD (elemosmic
Chavgcd mm and (mm board: (an dusthavgc
w-mom daemon Akhough ms pvodud feamves
paKemed m pvopnexavy pvmemon (vvculrvy, damage
may occur on dewce: summed m mgh energy ESD
Thevefore, pvopev ESD pvecauuons Should be taken m
avmd pevvmmance degvadanon or ‘03: o! funmonamy.
Data Sheet AD6684
Rev. 0 | Page 11 of 107
ABSOLUTE MAXIMUM RATINGS
Table 6.
Parameter Rating
Electrical
AVDD1 to AGND 1.05 V
AVDD1_SR to AGND 1.05 V
AVDD2 to AGND 2.00 V
AVDD3 to AGND 2.70 V
DVDD to DGND 1.05 V
DRVDD1 to DRGND 1.05 V
DRVDD2 to DRGND 2.00 V
SPIVDD to AGND 2.00 V
VIN±x to AGND −0.3 V to AVDD3 + 0.3 V
CLK± to AGND −0.3 V to AVDD1 + 0.3 V
SCLK, SDIO, CSB to DGND −0.3 V to SPIVDD + 0.3 V
PDWN/STBY to DGND −0.3 V to SPIVDD + 0.3 V
SYSREF± to AGND_SR 0 V to 2.5 V
SYNCIN±AB/SYNCIN±CD to DRGND 0 V to 2.5 V
Environmental
Operating Junction Temperature
Range
−40°C to +105°C
Maximum Junction Temperature 125°C
Storage Temperature Range
(Ambient)
−65°C to +150°C
Stresses at or above those listed under Absolute Maximum
Ratings may cause permanent damage to the product. This is a
stress rating only; functional operation of the product at these
or any other conditions above those indicated in the operational
section of this specification is not implied. Operation beyond
the maximum operating conditions for extended periods may
affect product reliability.
THERMAL CHARACTERISTICS
Thermal performance is directly linked to printed circuit board
(PCB) design and operating environment. Careful attention to
PCB thermal design is required.
Table 7. Thermal Resistance
PCB Type
Airflow Velocity
(m/sec) θJA θ
JCB Unit
JEDEC
2s2p Board
0.0 21.58 1, 2 1.951, 3 °C/W
1.0 17.94 1, 2 N/A4 °C/W
2.5 16.58 1, 2 N/A4 °C/W
10-Layer Board 0.0 9.74 1.00 °C/W
1 Per JEDEC 51-7, plus JEDEC 51-5 2s2p test board.
2 Per JEDEC JESD51-2 (still air) or JEDEC JESD51-6 (moving air).
3 Per MIL-STD 883, Method 1012.1.
4 N/A means not applicable.
ESD CAUTION
AD6684
mp VIEW
(Mm |n Sub)
AD6684 Data Sheet
Rev. 0 | Page 12 of 107
PIN CONFIGURATION AND FUNCTION DESCRIPTIONS
1
2
3
4
5
6
7
8
9
10
11
12
13
14
15
16
AVDD3
VIN–A
VIN+A
AVDD2
AVDD2
AVDD3
VIN+B
VIN–B
AVDD2
AVDD1
AVDD1
VCM_AB
DVDD
DGND
DRVDD2
PDWN/STBY
17FD_A
18FD_B
19
20
21
22
23
24
25
26
27
28
29
30
31
32
33
34
SYNCINB–AB
SYNCINB+AB
DRGND
DRVDD1
SERDOUTAB0–
SERDOUTAB0+
SERDOUTAB1–
SERDOUTAB1+
SERDOUTCD1+
SERDOUTCD1–
SERDOUTCD0+
SERDOUTCD0–
DRVDD1
SYNCINB+CD
SYNCINB–CD
DRGND
35FD_D
36FD_C
54
53
52
51
50
49
48
47
46
45
44
43
42
41
40
39
38
37
AVDD3
VIN–C
VIN+C
AVDD2
AVDD2
AVDD3
VIN+D
VIN–D
AVDD2
AVDD1
AVDD1
VCM_CD/VREF
DVDD
DGND
SPIVDD
CSB
SCLK
SDIO
72
71
70
69
68
67
66
65
64
63
62
61
60
59
58
57
56
55
NOTES
1. EXPOSED PAD. ANALOG GROUND. THE EXPOSED THERMAL PAD ON THE BOTTOM OF THE PACKAGE
PROVIDES THE GROUND REFERENCE FOR AVDDx, SPIVDD, DVDD, DRVDD1, AND DRVDD2.
THIS EXPOSED PAD MUST BE CONNECTED TO GROUND FOR PROPER OPERATION.
14994-005
AD6684
TOP VIEW
(Not to Scale)
AVDD2
AVDD1
AVDD1
AVDD1
AVDD1
AGND_SR
SYSREF–
SYSREF+
AVDD1_SR
AGND_SR
AVDD1
CLK–
CLK+
AVDD1
AVDD1
AVDD1
AVDD1
AVDD2
Figure 5. Pin Configuration (Top View)
Table 8. Pin Function Descriptions
Pin No. Mnemonic Type Description
0 AGND/EPAD Ground
Exposed Pad. Analog Ground. The exposed thermal pad on
the bottom of the package provides the ground reference for
AVDDx, SPIVDD, DVDD, DRVDD1, and DRVDD2. This exposed
pad must be connected to ground for proper operation.
1, 6, 49, 54 AVDD3 Supply Analog Power Supply (2.5 V Nominal).
2, 3 VIN−A, VIN+A Input ADC A Analog Input Complement/True.
4, 5, 9, 46, 50, 51, 55, 72 AVDD2 Supply Analog Power Supply (1.8 V Nominal).
7, 8 VIN+B, VIN−B Input ADC B Analog Input True/Complement.
10, 11, 44, 45, 56, 57, 58, 59,
62, 68, 69, 70, 71
AVDD1 Supply Analog Power Supply (0.975 V Nominal).
12 VCM_AB Output
Common-Mode Level Bias Output for Analog Input Channel A
and Channel B
13, 42 DVDD Supply Digital Power Supply (0.975 V Nominal).
14, 41 DGND Ground Ground Reference for DVDD and SPIVDD.
15 DRVDD2 Supply Digital Power Supply for JESD204B PLL (1.8 V Nominal).
16 PDWN/STBY Input
Power-Down Input (Active High). The operation of this pin
depends on the SPI mode and can be configured as power-
down or standby. Requires external 10 kΩ pull-down resistor.
17, 18, 36, 35 FD_A, FD_B, FD_C, FD_D Output Fast Detect Outputs for Channel A, Channel B, Channel C, and
Channel D.
19 SYNCINB−AB Input
Active Low JESD204B LVDS Sync Input Complement for
Channel A and Channel B.
20 SYNCINB+AB Input
Active Low JESD204B LVDS/CMOS Sync Input True for Channel A
and Channel B.
21, 32 DRGND Ground Ground Reference for DRVDD1 and DRVDD2.
22, 31 DRVDD1 Supply Digital Power Supply for SERDOUT Pins (0.975 V Nominal).

Data Sheet AD6684
Rev. 0 | Page 13 of 107
Pin No. Mnemonic Type Description
23, 24 SERDOUTAB0−,
SERDOUTAB0+
Output Lane 0 Output Data Complement/True for Channel A and
Channel B.
25, 26 SERDOUTAB1−,
SERDOUTAB1+
Output Lane 1 Output Data Complement/True for Channel A and
Channel B.
27, 28 SERDOUTCD1+,
SERDOUTCD1−
Output Lane 1 Output Data True/Complement for Channel C and
Channel D.
29, 30 SERDOUTCD0+,
SERDOUTCD0−
Output Lane 0 Output Data True/Complement for Channel C and
Channel D.
33 SYNCINB+CD Input
Active Low JESD204B LVDS/CMOS Sync Input True for Channel C
and Channel D.
34 SYNCINB−CD Input
Active Low JESD204B LVDS Sync Input Complement for
Channel C and Channel D.
37 SDIO Input/output SPI Serial Data Input/Output.
38 SCLK Input SPI Serial Clock.
39 CSB Input SPI Chip Select (Active Low).
40 SPIVDD Supply Digital Power Supply for SPI (1.8 V Nominal).
43 VCM_CD/VREF Output/input
Common-Mode Level Bias Output for Analog Input Channel C
and Channel D/0.5 V Reference Voltage Input. This pin is
configurable through the SPI as an output or an input. Use
this pin as the common-mode level bias output if using the
internal reference. This pin requires a 0.5 V reference voltage
input if using an external voltage reference source.
47, 48 VIN−D, VIN+D Input ADC D Analog Input Complement/True.
52, 53 VIN+C, VIN−C Input ADC C Analog Input True/Complement.
60, 61 CLK+, CLK− Input Clock Input True/Complement.
63, 67 AGND_SR Ground Ground Reference for SYSREF±.
64 AVDD1_SR Supply Analog Power Supply for SYSREF± (0.975 V Nominal).
65, 66 SYSREF+, SYSREF− Input Active Low JESD204B LVDS System Reference (SYSREF) Input
True/Complement. DC-coupled input only.

AD6684 Data Sheet
Rev. 0 | Page 14 of 107
TYPICAL PERFORMANCE CHARACTERISTICS
AVDD1 = 0.975 V, AVDD1_SR = 0.975 V, AVDD2 = 1.8 V, AVDD3 = 2.5 V, DVDD = 0.975 V, DRVDD1 = 0.975 V, DRVDD2 = 1.8 V,
SPIVDD = 1.8 V, specified maximum sampling rate, clock divider = 4, 1.5 V p-p full-scale differential input, AIN = −1.0 dBFS, default SPI
settings, VDR mode (input mask not triggered), unless otherwise noted. Minimum and maximum specifications are guaranteed for the full
operating junction temperature (TJ) range of −40°C to +105°C. Typical specifications represent performance at TJ = 50°C (TA = 25°C).
–140
–120
–100
–80
–60
–40
–20
0
050100
FREQUENCY (MHz)
AMPLITUDE (dBFS)
150 200 250
A
IN
= –1dBFS
SNR = 67.10dB
SFDR = 90dBFS
ENOB = 10.8 BITS
14994-100
Figure 6. Single-Tone FFT with fIN = 10.3 MHz
–140
–120
–100
–80
–60
–40
–20
0
050100
FREQUENCY (MHz)
AMPLITUDE (dBFS)
150 200 250
A
IN
= –1dBFS
SNR = 67.0dB
SFDR = 85dBFS
ENOB = 10.8 BITS
14994-101
Figure 7. Single-Tone FFT with fIN = 155 MHz
–140
–120
–100
–80
–60
–40
–20
0
050100
FREQUENCY (MHz)
AMPLITUDE (dBFS)
150 200 250
A
IN
= –1dBFS
SNR = 66.8dB
SFDR = 82dBFS
ENOB = 10.7 BITS
14994-102
Figure 8. Single-Tone FFT with fIN = 305 MHz
–140
–120
–100
–80
–60
–40
–20
0
050100
FREQUENCY (MHz)
AMPLITUDE (dBFS)
150 200 250
A
IN
= –1dBFS
SNR = 66.6dB
SFDR = 83dBFS
ENOB = 10.7 BITS
14994-103
Figure 9. Single-Tone FFT with fIN = 453 MHz
–140
–120
–100
–80
–60
–40
–20
0
050100
FREQUENCY (MHz)
AMPLITUDE (dBFS)
150 200 250
A
IN
= –1dBFS
SNR = 66.5dB
SFDR = 75dBFS
ENOB = 10.6 BITS
14994-104
Figure 10. Single-Tone FFT with fIN = 765 MHz
–140
–120
–100
–80
–60
–40
–20
0
050100
FREQUENCY (MHz)
AMPLITUDE (dBFS)
150 200 250
A
IN
= –1dBFS
SNR = 66.0dB
SFDR = 79dBFS
ENOB = 10.6 BITS
14994-105
Figure 11. Single-Tone FFT with fIN = 985 MHz
Data Sheet AD6684
Rev. 0 | Page 15 of 107
60
65
70
75
80
85
90
175
200
225
250
275
300
325
350
375
400
425
450
475
500
525
550
575
600
625
650
SAMPLE RATE (MHz)
SNR/SFDR (dBFS)
SFDR
SNR
14994-106
Figure 12. SNR/SFDR vs. Sample Rate (fS), fIN = 155 MHz
60
65
70
SNR/SFDR (dBFS)
75
ANALOG INPUT FREQUENCY (MHz)
80
85
95
90
10
65
85
105
125
145
165
185
205
225
245
265
365
465
565
14994-107
SFDR (dBFS), –40°C
SFDR (dBFS), +105°C
SFDR (dBFS), +50°C
SNRFS, –40°C
SNRFS, +105°C
SNRFS, +50°C
Figure 13. SNR/SFDR vs. Analog Input Frequency (fIN)
66.0
66.1
66.2
66.3
ANALOG INPUT FREQUENCY (MHz)
SNR (dBFS)
66.4
66.5
66.6
66.7
66.8
66.9
67.0
67.1
67.2
67.3
67.4
67.5
10
65
85
105
125
145
165
185
205
225
245
265
365
465
14994-108
Figure 14. SNR vs. Analog Input Frequency (fIN), First and Second Nyquist
Zones; AIN at −3 dBFS
ANALOG INPUT FREQUENCY (MHz)
SFDR (dBFS)
10
65
85
105
125
145
165
185
205
225
245
265
365
465
80
81
82
83
84
85
86
87
88
89
90
91
92
93
94
14994-109
Figure 15. SFDR vs. Analog Input Frequency (fIN), First and Second Nyquist
Zones; AIN at −3 dBFS
465
495
525
555
585
615
645
675
705
735
765
795
66.0
ANALOG INPUT FREQUENCY (MHz)
SNR (dBFS)
66.5
67.0
67.5
14994-110
Figure 16. SNR vs. Analog Input Frequency (fIN), Third Nyquist Zone
AIN at −3 dBFS
465
495
525
555
585
615
645
675
705
735
ANALOG INPUT FREQUENCY (MHz)
SFDR (dBFS)
80
81
82
83
84
85
86
87
88
89
90
91
92
93
94
14994-111
Figure 17. SFDR vs. Analog Input Frequency (fIN), Third Nyquist Zone; AIN
at −3 dBFS
SFDR (dBc)
sun
N
AD6684 Data Sheet
Rev. 0 | Page 16 of 107
–160
–140
–120
–100
–80
–60
–40
–20
0
0 50 100
FREQUENCY (MHz)
AMPLITUDE (dBFS)
150 200 250
A
IN1
AND A
IN2
= –7dBFS
SFDR = 86.4dBFS
14994-112
Figure 18. Two Tone FFT; fIN1 = 153.5 MHz, fIN2 = 156.5 MHz
–160
–140
–120
–100
–80
–60
–40
–20
0
0 50 100
FREQUENCY (MHz)
AMPLITUDE (dBFS)
150 200 250
A
IN1
AND A
IN2
= –7dBFS
SFDR = 85.9dBFS
14994-113
Figure 19. Two Tone FFT; fIN1 = 303.5 MHz, fIN2 = 306.5 MHz
–140
–120
–100
–80
–60
–40
–20
0
–90 –84 –78 –72 –66 –60 –54 –48
ANALOG INPUT AMPLITUDE (dBFS)
SFDR/IMD3 (dBc AND dBFS)
–42 –36 –30 –24 –18 –12 0
IMD3 (dBc)
IMD3 (dBFS)
SFDR (dBFS)
SFDR (dBc)
14994-114
Figure 20. Two Tone SFDR/IMD3 vs. Analog Input Amplitude (AIN) with
fIN1 = 303.5 MHz and fIN2 = 306.5 MHz
–40
–30
–20
–10
0
10
20
30
40
50
60
70
80
90
100
110
120
–100 –90 –80 –70 –60 –50
ANALOG INPUT FREQUENCY (MHz)
–40 –30 –20 –10 0
SFDR (dBFS)
SNRFS
SFDR (dBc)
SNR
SNR/SFDR (dB)
14994-115
Figure 21. SNR/SFDR vs. Analog Input Frequency, fIN = 155 MHz
–40
–30
–20
–10
0
10
20
30
40
50
60
70
80
90
100
110
120
–100 –90 –80 –70 –60 –50
ANALOG INPUT FREQUENCY (MHz)
–40 –30 –20 –10 0
SFDR (dBFS)
SNRFS
SFDR (dBc)
SNR
SNR/SFDR (dB)
14994-116
Figure 22. SNR/SFDR vs. Analog Input Frequency, fIN = 305 MHz
60
65
70
75
SNR/SFRDR (dBFS)
80
85
90
JUNCTION TEMPERATURE (°C)
–54
–31
–10
11
31
51
71
91
111
122
129
SFDR
SNR
14994-117
Figure 23. SNR/SFDR vs. Junction Temperature, fIN = 155 MHz
Data Sheet AD6684
Rev. 0 | Page 17 of 107
–2.0
–1.5
–1.0
–0.5
0
0.5
1.0
1.5
2.0
INL (LSB)
0
1024
2048
3072
4096
5120
6144
7168
8192
OUTPUT CODE
9216
10240
11264
12288
13312
14336
15360
16384
14994-118
Figure 24. INL, fIN = 10.3 MHz
–1.0
–0.8
–0.6
–0.4
–0.2
0
0.2
0.4
DNL (LSB)
0.6
0.8
1.0
0
1024
2048
3072
4096
5120
6144
7168
8192
OUTPUT CODE
9216
10240
11264
12288
13312
14336
15360
16384
14994-119
Figure 25. DNL, fIN = 10.3 MHz
NUMBER OF HITS
CODE
6000
5000
4000
3000
2000
1000
0
N – 10
N – 9
N – 8
N – 7
N – 6
N – 5
N – 4
N – 3
N – 2
N – 1
0
N + 1
N + 2
N + 3
N + 4
N + 5
N + 6
N + 7
N + 8
N + 9
N + 10
14994-120
Figure 26. Input-Referred Noise Histogram
1.5
1.6
TEMPERATURE (°C)
1.7
1.9
POWER DISSIPATION (W)
2.1
1.8
2.0
14994-121
–38 –21 8 20 43 49 59 81 100 115
Figure 27. NSR Mode Power Dissipation vs. Junction Temperature
1.40
1.45
1.50
1.55
1.60
1.65
POWER DISSIPATION (W)
1.70
1.75
1.80
1.85
250 300 350 400 450
SAMPLE RATE (MSPS)
500 550 600 650
14994-122
NSR
Figure 28. Power Dissipation vs. Sample Rate (fS)
–160
–140
–120
–100
–80
–60
–40
–20
0
–125 –75 –25 25 75 125
FREQUENCY (MHz)
AMPLITUDE (dBFS)
A
IN
= –1dBFS
SNRFS = 65.94dB
SFDR = 89.01dBFS
14994-123
Figure 29. DDC Mode (4 DDCs, DCM2, L, M, and F = 244) with fIN = 305 MHz
AD6684 Data Sheet
Rev. 0 | Page 18 of 107
–160
–140
–120
–100
–80
–60
–40
–20
0
FREQUENCY (MHz)
AMPLITUDE (dBFS)
A
IN
= –1dBFS
SNRFS = 71.80dB
SFDR = 98.27dBFS
–62.5
62.5
–42.5
–22.5
0
17.5
37.5
57.5
14994-124
Figure 30. DDC Mode (4 DDCs, Decimate by 4, L, M, and F = 148) with
fIN = 305 MHz
–160
–140
–120
–100
–80
–60
–40
–20
0
FREQUENCY (MHz)
AMPLITUDE (dBFS)
A
IN
= –1dBFS
SNRFS = 71.80dB
SFDR = 98.27dBFS
–31.25 –21.25 –11.25 –1.25 8.75 18.75 28.75
14994-125
Figure 31. DDC Mode (4 DDCs, Decimate by 8, L, M, and F = 148) with
fIN = 305 MHz
–160
–140
–120
–100
–80
–60
–40
–20
0
FREQUENCY (MHz)
AMPLITUDE (dBFS)
A
IN
= –1dBFS
SNRFS = 74.50dB
SFDR = 100.68dBFS
–15.625 –10.625 –5.625 –0.625 4.375 9.375 14.375
14994-126
Figure 32. DDC Mode (4 DDCs, Decimate by 16, L, M, and F = 148) with
fIN = 305 MHz
–160
–140
–120
–100
–80
–60
–40
–20
0
FREQUENCY (MHz)
AMPLITUDE (dBFS)
A
IN
= –1dBFS
SNRFS = 74.50dB
SFDR = 100.68dBFS
14994-127
5 25456585105125
Figure 33. NSR Mode (Decimate by 2, L, M, and F = 124) with fIN = 305 MHz
–140
–120
–100
–80
–60
–40
–20
0
0
25
50
75
100
125
150
175
200
225
250
AMPLITUDE (dBFS)
FREQUENCY (MHz)
14994-128
A
IN
= –1dBFS
SNRFS = 70.7dB
SFDR = 82dBFS
Figure 34. NSR Mode (LMF = 222) with fIN = 305 MHz
65.5
65.6
65.7
65.8
65.9
66.0
66.1
66.2
66.3
66.4
66.5
66.6
66.7
66.8
66.9
67.0
0.118
0.132
0.148
0.166
0.185
0.207
0.234
0.262
0.293
0.328
0.370
0.416
DIFFERENTIAL VOLTAGE (V)
0.468
0.526
0.587
0.693
0.778
0.873
0.979
1.091
1.209
1.322
1.482
1.653
1.833
SNR (dBFS)
14994-129
Figure 35. SNR vs. Clock Amplitude (Differential Voltage), fIN = 155.3 MHz
Data Sheet AD6684
Rev. 0 | Page 19 of 107
–
95
–94
–93
–92
–91
–90
–89
–88
–87
–86
–85
–84
–83
–82
–81
–80
–79
–78
–77
–76
–75
10
65
85
105
125
145
165
ANALOG INPUT FREQUENCY (MHz)
SFDR (dBFS)
185
205
225
245
265
365
465
BUFFER CURRENT = 160µA
BUFFER CURRENT = 200µA
BUFFER CURRENT = 240µA
BUFFER CURRENT = 280µA
14994-130
Figure 36. SFDR vs. Analog Input Frequency with Different Buffer Current
Settings (First and Second Nyquist Zones)
–
85
–84
–83
–82
–81
–80
–79
–78
–77
–76
–75
–74
–73
–72
–71
–70
–69
–68
–67
–66
–65
465
495
525
555
585
615
645
675
705
735
ANALOG INPUT FREQUENCY (MHz)
SFDR (dBFS)
BUFFER CURRENT = 200µA
BUFFER CURRENT = 240µA
BUFFER CURRENT = 280µA
BUFFER CURRENT = 320µA
14994-131
Figure 37. SFDR vs. Analog Input Frequency with Different Buffer Current
Settings (Third Nyquist Zone)
–
80
–78
–76
–74
–72
–70
–68
–66
–64
–62
–60
–58
–56
–54
–52
–50
–48
–46
–44
–42
–40
ANALOG INPUT FREQUENCY (MHz)
SFDR (dBFS)
730
760
790
820
850
880
910
940
970
1030
1060
1090
1120
1150
1180
1210
1240
1270
1300
1330
1360
1390
1420
1450
1480
1510
1540
1570
1600
1630
1660
1690
1720
1750
1780
1810
BUFFER CURRENT = 320µA
BUFFER CURRENT = 360µA
BUFFER CURRENT = 400µA
BUFFER CURRENT = 440µA
14994-132
Figure 38. SFDR vs. Analog Input Frequency with Different Buffer Current
Settings (Fourth Nyquist Zone)
ANALOG INPUT FREQUENCY (MHz)
64
65
66
67
68
69
10
65
85
105
125
SNR (dBFS)
145
165
185
205
225
245
265
365
465
INPUT FULL SCALE = 2.16V
INPUT FULL SCALE = 1.44V
14994-133
Figure 39. SNR vs. Analog Input Frequency with Different Analog Input
Full Scales (First and Second Nyquist Zones)
INPUT FULL SCALE = 2.16V
INPUT FULL SCALE = 1.44V
465.3
495.3
525.3
555.3
585.3
615.3
645.3
675.3
705.3
735.3
ANALOG INPUT FREQUENCY (MHz)
64.0
64.2
64.4
64.6
64.8
65.0
65.2
65.4
65.6
65.8
66.0
66.2
66.4
66.6
66.8
67.0
67.2
67.4
67.6
67.8
68.0
68.2
68.4
68.6
68.8
69.0
SNR (dBFS)
14994-134
Figure 40. SNR vs. Analog Input Frequency with Different Analog Input
Full Scales (Third Nyquist Zone)
62
63
64
65
66
67
68
730
760
790
820
850
880
910
940
970
1000
1030
1060
1090
1120
1150
1180
1210
1240
1270
1300
1330
1360
1390
1420
1450
1480
1510
1540
1570
1600
1630
1660
1690
1720
1750
1780
1810
INPUT FULL SCALE = 2.16V
INPUT FULL SCALE = 1.44V
ANALOG INPUT FREQUENCY (MHz)
SNR (dBFS)
14994-135
Figure 41. SNR vs. Analog Input Frequency with Different Analog Input
Full Scales (Fourth Nyquist Zone)
AD6684 Data Sheet
Rev. 0 | Page 20 of 107
–
90
–89
–88
–87
–86
–85
–84
–83
–82
–81
–80
–79
–78
–77
–76
–75
–74
–73
–72
–71
–70
10
65
85
105
125
145
165
185
205
225
245
265
365
465
565
INPUT FULL SCALE = 2.16V
INPUT FULL SCALE = 1.44V
ANALOG INPUT FREQUENCY (MHz)
SFDR (dBFS)
14994-136
Figure 42. SFDR vs. Analog Input Frequency with Different Analog Input
Full Scales (First and Second Nyquist Zones)
–
90
–89
–88
–87
–86
–85
–84
–83
–82
–81
–80
–79
–78
–77
–76
–75
–74
–73
–72
–71
–70
465
495
525
555
585
615
645
675
705
735
765
795
INPUT FULL SCALE = 2.16V
INPUT FULL SCALE = 1.44V
ANALOG INPUT FREQUENCY (MHz)
SFDR (dBFS)
14994-137
Figure 43. SFDR vs. Analog Input Frequency with Different Analog Input
Full Scales (Third Nyquist Zone)
–
81
–79
–77
–75
–73
–71
–69
–67
–65
–63
–61
–59
–57
–55
730
790
850
910
970
1060
1120
1180
1240
1300
1360
1420
1480
1540
1600
1660
1720
1780
ANALOG INPUT FREQUENCY (MHz)
SFDR (dBFS)
INPUT FULL SCALE = 2.16V
INPUT FULL SCALE = 1.44V
14994-138
Figure 44. SFDR vs. Analog Input Frequency with Different Analog Input
Full Scales (Fourth Nyquist Zone)
Data Sheet AD6684
Rev. 0 | Page 21 of 107
EQUIVALENT CIRCUITS
A
IN
CONTROL
(SPI)
10pF
VIN+x
100
VIN–x
AVDD3
AVDD3
V
CM
BUFFER
400
100
AVDD3
AVDD3
3.5pF
AVDD3
3.5pF
14994-024
Figure 45. Analog Inputs
AVDD1
25
AVDD1
25
16k
16k
V
CM
= 0.69V
CLK+
CLK–
14994-025
Figure 46. Clock Inputs
130k
130k
LEVEL
TRANSLATOR
SYSREF+ 10k
1.9pF
1.9pF
100
SYSREF– 10k
100
14994-026
Figure 47. SYSREF± Inputs
DRVDD
DRGND
DRVDD
DRGND
OUTPUT
DRIVER
EMPHASIS/SWING
CONTROL (SPI)
DATA+
DATA–
SERDOUTABx+/
SERDOUTCDx+
x = 0, 1
SERDOUTABx–/
SERDOUTCDx–
x = 0, 1
14994-027
Figure 48. Digital Outputs
130k
130k
LEVEL
TRANSLATOR
SYNCINB+AB/
SYNCINB+CD
SYNCINB–AB/
SYNCINB–CD
10k
1.9pF
1.9pF
100
2.5k
10k100
DRVDD
DRGND
DRVDD
DRGND
DRVDD
DRGND
DRGND
DRGND
CMOS
PATH
SYNCINB PIN
CONTROL (SPI)
14994-028
Figure 49. SYNCINB±AB, SYNCINB±CD Inputs
56k
DGND DGND
SPIVDD
ESD
PROTECTED
ESD
PROTECTED
SPIVDD
SCLK
14994-029
Figure 50. SCLK Input
56k
DGND
DGND
ESD
PROTECTED
ESD
PROTECTED
SPIVDD
CSB
14994-030
Figure 51. CSB Input
AD6684 Data Sheet
Rev. 0 | Page 22 of 107
56k
SPIVDD
SDI
DGND
DGND
DGNDDGND
SDO
ESD
PROTECTED
ESD
PROTECTED
SPIVDD
SPIVDD
SDIO
14994-031
Figure 52. SDIO Input
FD_A/FD_B/
FD_C/FD_D
FD
FD_x PIN CONTROL (SPI)
JESD204B LMFC
JESD204B SYNC
14994-032
56k
SPIVDD
DGNDDGND
DGND
ESD
PROTECTED
ESD
PROTECTED
SPIVDD
Figure 53. FD_A/FD_B/FD_C/FD_D Outputs
ESD
PROTECTED
ESD
PROTECTED
SPIVDD
DGND
DGND
PDWN/
STBY
PDWN
CONTROL (SPI)
14994-033
Figure 54. PDWN/STBY Input
VREF PIN
CONTROL (SPI)
V
REF
AGND
AVDD2 TEMPERATURE
DIODE VOLTAGE
EXTERNAL REFERENCE
VOLTAGE INPUT
14994-034
Figure 55. VREF Input/Output

Data Sheet AD6684
Rev. 0 | Page 23 of 107
THEORY OF OPERATION
ADC ARCHITECTURE
The architecture of the AD6684 consists of an input buffered
pipelined ADC. The input buffer is designed to provide a 200
termination impedance to the analog input signal. The equivalent
circuit diagram of the analog input termination is shown in
Figure 45.
The input buffer provides a linear high input impedance (for
ease of drive) and reduces kickback from the ADC. The buffer
is optimized for high linearity, low noise, and low power. The
quantized outputs from each stage are combined into a final
14-bit result in the digital correction logic. The pipelined
architecture permits the first stage to operate with a new input
sample while, at the same time, the remaining stages operate
with the preceding samples. Sampling occurs on the rising edge
of the clock.
ANALOG INPUT CONSIDERATIONS
The analog input to the AD6684 is a differential buffer with an
internal common-mode voltage of 1.34 V. The clock signal
alternately switches the input circuit between sample mode and
hold mode. Either a differential capacitor or two single-ended
capacitors can be placed on the inputs to provide a matching
passive network. This configuration ultimately creates a low-pass
filter at the input, which limits unwanted broadband noise. See
Figure 57 and Figure 58 for details on input network recom-
mendations. For more information, see the Analog Dialogue
article “Transformer-Coupled Front-End for Wideband A/D
Converters” (Volume 39, April 2005). In general, the precise
values depend on the application.
For best dynamic performance, the source impedances driving
VIN+x and VIN−x must be matched such that common-mode
settling errors are symmetrical. These errors are reduced by the
common-mode rejection of the ADC. An internal reference
buffer creates a differential reference that defines the span of the
ADC core.
Maximum SNR performance is achieved by setting the ADC to
the largest span in a differential configuration. In the case of the
AD6684, the available span is programmable through the SPI
port from 1.44 V p-p to 2.16 V p-p differential with 1.80 V p-p
differential being the default.
Dither
The AD6684 has internal on-chip dither circuitry that improves
the ADC linearity and SFDR, particularly at smaller signal levels. A
known but random amount of white noise is injected into the
input of the AD6684. This dither improves the small signal linearity
within the ADC transfer function and is precisely subtracted
out digitally. The dither is turned on by default and does not
reduce the ADC input dynamic range. The data sheet specifications
and limits are obtained with the dither turned on. The dither
can be disabled using SPI writes to Register 0x0922. Disabling
the dither can slightly improve the SNR (by about 0.2 dB) at the
expense of the small signal SFDR.
Differential Input Configurations
There are several ways to drive the AD6684, either actively or
passively. However, optimum performance is achieved by
driving the analog input differentially.
For applications where SNR and SFDR are key parameters,
differential transformer coupling is the recommended input
configuration (see Figure 57 and Figure 58) because the noise
performance of most amplifiers is not adequate to achieve the
true performance of the AD6684.
For low to midrange frequencies, a double balun or double
transformer network (see Figure 57) is recommended for
optimum performance of the AD6684. For higher frequencies
in the second or third Nyquist zones, it is recommended to
remove some of the front-end passive components to ensure
wideband operation (see Figure 58).
Input Common Mode
The analog inputs of the AD6684 are internally biased to the
common mode as shown in Figure 56.
For dc-coupled applications, the recommended operation
procedure is to export the common-mode voltage to the
VCM_CD/VREF pin using the SPI writes listed in this section.
The common-mode voltage must be set by the exported value
to ensure proper ADC operation. Disconnect the internal
common-mode buffer from the analog input using
Register 0x1908.
When performing SPI writes for dc coupling operation, use the
following register settings in order:
1. Set Register 0x1908, Bit 2 to 1; this setting disconnects the
internal common-mode buffer from the analog input.
2. Set Register 0x18A6 to 0x00; this setting turns off the
voltage reference.
3. Set Register 0x18E6 to 0x00; this setting turns off the
temperature diode export.
4. Set Register 0x18E0 to 0x04.
5. Set Register 0x18E1 to 0x1C.
6. Set Register 0x18E2 to 0x14.
7. Set Register 0x18E3, Bit 6 to 0x01; this setting turns on the
VCM export.
8. Set Register 0x18E3, Bits[5:0] to the buffer current setting
(copy the buffer current setting from Register 0x1A4C and
Register 0x1A4D to improve the accuracy of the common-
mode export).
AD6684 Data Sheet
Rev. 0 | Page 24 of 107
Analog Input Controls and SFDR Optimization
The AD6684 offers flexible controls for the analog inputs, such
as buffer current and input full-scale adjustment. All of the
available controls are shown in Figure 56.
A
IN
CONTROL
(SPI)
10pF
VIN+x
100
VIN–x
AVDD3
AVDD3
V
CM
BUFFER
400
100
AVDD3
AVDD3
3.5pF
AVDD3
3.5pF
14994-037
Figure 56. Analog Input Controls
Using Register 0x1A4C and Register 0x1A4D, the buffer
currents on each channel can be scaled to optimize the SFDR
over various input frequencies and bandwidths of interest. As the
input buffer currents are set, the amount of current required by
the AVDD3 supply changes. This relationship is shown in
Figure 59. For a complete list of buffer current settings, see
Table 46.
10
0.1µF
VIN+x
VIN–x
0.1µF
0.1µF
BALUN
50
AGND
AGND
AGND
10
5010
100
2pF
2pF
2pF
10100
14994-038
Figure 57. Differential Transformer Coupled Configuration for First and Second Nyquist Frequencies
10
0.1µF
VIN+x
VIN–x
0.1µF
0.1µF
50
AGND
AGND
AGND
DNI
50DNI
100
DNI
DNI
DNI
10100
14994-039
BALUN
Figure 58. Differential Transformer Coupled Configuration for Third and Fourth Nyquist Zones
~n—-
<)« —n—-="" i="">)«>Data Sheet AD6684
Rev. 0 | Page 25 of 107
0
0.02
0.04
0.06
0.08
0.10
0.12
0.14
0.16
0.18
0.20
100 150 200 250 300 350 400 450 500 550 600
BUFFER CURRENT SETTING (µA)
AVDD3 POWER (W)
14994-139
Figure 59. AVDD3 Power vs. Buffer Current Setting
In certain high frequency applications, the SFDR can be
improved by reducing the full-scale setting.
Table 9 shows the recommended buffer current settings for the
different analog input frequency ranges.
Table 9. SFDR Optimization for Input Frequencies
Nyquist Zone
Input Buffer Current Control
Setting, Register 0x1A4C and
Register 0x1A4D
First, Second, and Third
Nyquist
240 (Register 0x1A4C, Bits[5:0] =
Register 0x1A4D, Bits[5:0] = 01100)
Fourth Nyquist 400 (Register 0x1A4C, Bits[5:0] =
Register 0x1A4D, Bits[5:0] = 10100)
Absolute Maximum Input Swing
The absolute maximum input swing allowed at the inputs of the
AD6684 is 4.3 V p-p differential. Signals operating near or at
this level can cause permanent damage to the ADC.
VOLTAGE REFERENCE
A stable and accurate 0.5 V voltage reference is built into the
AD6684. This internal 0.5 V reference is used to set the full-
scale input range of the ADC. The full-scale input range can be
adjusted via the ADC function register (Register 0x1910). For
more information on adjusting the input swing, see Table 46.
Figure 60 shows the block diagram of the internal 0.5 V
reference controls.
ADC
CORE
FULL-SCALE
VOLTAGE
ADJUST
VREF PIN
CONTROL SPI
REGISTER
(0x18A6)
VREF
VIN–A/
VIN–B
V
IN+A/
VIN+B
INTERNAL
VREF
GENERATOR
INPUT FULL-SCALE
RANGE ADJUST
SPI REGISTER
(0x1910)
14994-040
Figure 60. Internal Reference Configuration and Controls
The SPI Register 0x18A6 enables the user to either use this
internal 0.5 V reference, or to provide an external 0.5 V
reference. When using an external voltage reference, provide a
0.5 V reference. The full-scale adjustment is made using the SPI,
irrespective of the reference voltage. For more information on
adjusting the full-scale level of the AD6684, refer to the
Memory Map section.
The SPI writes required to use the external voltage reference, in
order, are as follows:
1. Set Register 0x18E3 to 0x00 to turn off VCM export.
2. Set Register 0x18E6 to 0x00 to turn off temperature diode
export.
3. Set Register 0x18A6 to 0x01 to turn on the external voltage
reference.
The use of an external reference may be necessary, in some
applications, to enhance the gain accuracy of the ADC or to
improve thermal drift characteristics.
The external reference has to be a stable 0.5 V reference. The
ADR130 is a good option for providing the 0.5 V reference.
Figure 61 shows how the ADR130 can be used to provide the
external 0.5 V reference to the AD6684. The grayed out areas
show unused blocks within the AD6684 while using the
ADR130 to provide the external reference.
FULL-SCALE
VOLTAGE
ADJUST
VREF
0.1µF
V
OUT 4
SET
5
NC
6
V
IN
3
GND
2
NC
1
ADR130
0.1µF
INPUT
VREF PIN AND
FULL-SCALE
VOLTAGE
CONTROL
INTERNAL
VREF
GENERATOR
14994-042
Figure 61. External Reference Using ADR130
[HM
AD6684 Data Sheet
Rev. 0 | Page 26 of 107
CLOCK INPUT CONSIDERATIONS
For optimum performance, drive the AD6684 sample clock
inputs (CLK+ and CLK−) with a differential signal. This signal
is typically ac-coupled to the CLK+ and CLK− pins via a
transformer or clock drivers. These pins are biased internally
and require no additional biasing.
Figure 62 shows a preferred method for clocking the AD6684. The
low jitter clock source is converted from a single-ended signal to
a differential signal using an RF transformer.
ADC
CLK+
CLK–
0.1µF
0.1µF
100
50
C
LOCK
INPUT
1:1Z
14994-043
Figure 62. Transformer-Coupled Differential Clock
Another option is to ac couple a differential CML or LVDS
signal to the sample clock input pins, as shown in Figure 63 and
Figure 64.
ADC
CLK+
CLK–
0.1µF
0.1µF
Z0 = 50
Z0 = 50
3333
7110pF
3.3V
14994-044
Figure 63. Differential CML Sample Clock
ADC
CLK+
CLK–
0.1µF
0.1µF
0.1µF
0.1µF
50
1
50
1
100
CLOCK INPUT
LVDS
DRIVER
CLK+
CLK–
1
50 RESISTORS ARE OPTIONAL.
CLOCK INPUT
14994-045
Figure 64. Differential LVDS Sample Clock
Clock Duty Cycle Considerations
Typical high speed ADCs use both clock edges to generate a
variety of internal timing signals. The AD6684 contains an
internal clock divider and a duty cycle stabilizer (DCS). In
applications where the clock duty cycle cannot be guaranteed to
be 50%, a higher multiple frequency clock along with the usage
of the clock divider is recommended. When it is not possible to
provide a higher frequency clock, it is recommended to turn on
the DCS using Register 0x011C. The output of the divider offers
a 50% duty cycle, high slew rate (fast edge) clock signal to the
internal ADC. See the Memory Map section for more details on
using this feature.
Input Clock Divider
The AD6684 contains an input clock divider with the ability to
divide the input clock by 1, 2, 4, and 8. The divider ratios can be
selected using Register 0x0108 (see Figure 65).
In applications where the clock input is a multiple of the sample
clock, care must be taken to program the appropriate divider
ratio into the clock divider before applying the clock signal.
This ratio ensures that the current transients during device
startup are controlled.
CLK+
CLK– ÷2
÷4
REG 0x0108
÷8
14994-046
Figure 65. Clock Divider Circuit
The AD6684 clock divider can be synchronized using the external
SYSREF± input. A valid SYSREF± causes the clock divider to
reset to a programmable state. This synchronization feature
allows multiple devices to have their clock dividers aligned to
guarantee simultaneous input sampling.
Clock Jitter Considerations
High speed, high resolution ADCs are sensitive to the quality of
the clock input. The degradation in SNR at a given input
frequency (fA) due only to aperture jitter (tJ) can be calculated by
SNR = −20 × log (2 × π × fA × tJ)
In this equation, the rms aperture jitter represents the root
mean square of all jitter sources, including the clock input,
analog input signal, and ADC aperture jitter specifications. IF
undersampling applications are particularly sensitive to jitter
(see Figure 66).
14994-047
130
120
110
100
90
80
70
60
50
40
30
10 100 1000 10000
SNR (dB)
ANALOG INPUT FREQUENCY (MHz)
12.5
f
S
25
f
S
50
f
S
100
f
S
200
f
S
400
f
S
800
f
S
Figure 66. Ideal SNR vs. Analog Input Frequency and Jitter

Data Sheet AD6684
Rev. 0 | Page 27 of 107
Treat the clock input as an analog signal in cases where aperture
jitter may affect the dynamic range of the AD6684. Separate the
power supplies for clock drivers from the ADC output driver
supplies to avoid modulating the clock signal with digital noise.
If the clock is generated from another type of source (by gating,
dividing, or other methods), retime the clock by the original clock
at the last step. Refer to the AN-501 Application Note and the
AN-756 Application Note for more in-depth information about
jitter performance as it relates to ADCs.
Figure 66 shows the estimated SNR of the AD6684 across input
frequency for different clock induced jitter values. The SNR can
be estimated by using the following equation:
10
10 101010log(dBFS)
JITTER
ADC SNR
SNR
SNR
Power-Down/Standby Mode
The AD6684 has a PDWN/STBY pin that can be used to
configure the device in power-down or standby mode. The
default operation is power-down. The PDWN/STBY pin is a
logic high pin. When in power-down mode, the JESD204B link
is disrupted. The power-down option can also be set via
Register 0x003F and Register 0x0040.
In standby mode, the JESD204B link is not disrupted and
transmits zeros for all converter samples. This setting can be
changed using Register 0x0571, Bit 7 to select /K/ characters.
TEMPERATURE DIODE
The AD6684 contains a diode-based temperature sensor for
measuring the temperature of the die. The diode can output a
voltage and serve as a coarse temperature sensor to monitor the
internal die temperature.
The temperature diode voltage can be output to the VCM_CD/
VREF pin using the SPI. Use Register 0x18E6 to enable or disable
the diode. Register 0x18E6 is a local register. Both cores must be
selected in the core index register (Register 0x0009 = 0x03) to
enable the temperature diode readout. It is important to note
that other voltages may be exported to the same pin at the same
time, which may result in undefined behavior. Thus, to ensure a
proper readout, switch off all other voltage exporting circuits as
detailed in this section.
The SPI writes required to export the temperature diode are as
follows (see Table 46 for more information):
1. Set Register 0x0009 to 0x03 to select both cores.
2. Set Register 0x18E3 to 0x00 to turn off VCM export.
3. Set Register 0x18A6 to 0x00 to turn off the voltage
reference.
4. Set Register 0x18E6 to 0x01 to turn on temperature diode
export. The typical voltage response of the temperature
diode is shown in Figure 67. However, it is recommended
to take measurements from a pair of diodes into account
when introducing another step.
5. Set Register 0x18E6 to 0x02 to turn on the second
temperature diode (that is, 20× the size) of the pair.
For the method utilizing two diodes simultaneously giving a more
accurate result, see the AN-1432 Application Note, Practical
Thermal Modeling and Measurements in High Power ICs.
0.80
0.75
0.70
0.65
0.60
0.55
0.50
–40 –20 0 20
JUNCTION TEMPERATURE (°C)
TEMPER
A
TURE DIODE VOLTAGE (V)
40 60 80 100
14994-048
Figure 67. Temperature Diode Voltage vs. Junction Temperature
,,,,,,,,,, v m nflmhnh,
,,,,,, 7 1
‘1
AD6684 Data Sheet
Rev. 0 | Page 28 of 107
ADC OVERRANGE AND FAST DETECT
In receiver applications, it is desirable to have a mechanism to
reliably determine when the converter is about to be clipped.
The standard overrange bit in the JESD204B outputs provides
information on the state of the analog input that is of limited
usefulness. Therefore, it is helpful to have a programmable
threshold below full scale that allows time to reduce the gain
before the clip actually occurs. In addition, because input signals
can have significant slew rates, the latency of this function is of
major concern. Highly pipelined converters can have significant
latency. The AD6684 contains fast detect circuitry for individual
channels to monitor the threshold and to assert the FD_A,
FD_B, FD_C, and FD_D pins.
ADC OVERRANGE
The ADC overrange indicator is asserted when an overrange is
detected on the input of the ADC. The overrange indicator can
be embedded within the JESD204B link as a control bit. The
latency of this overrange indicator matches the sample latency.
FAST THRESHOLD DETECTION (FD_A, FD_B, FD_C
AND FD_D)
The FD bits (Register 0x0040, Bits[5:0]) are immediately set
whenever the absolute value of the input signal exceeds the
programmable upper threshold level. The FD bits are only
cleared when the absolute value of the input signal drops below
the lower threshold level for greater than the programmable
dwell time. This feature provides hysteresis and prevents the
FD bits from excessively toggling.
The operation of the upper threshold and lower threshold
registers, along with the dwell time registers, is shown in
Figure 68.
The FD indicator is asserted if the input magnitude exceeds the
value programmed in the fast detect upper threshold registers,
located at Register 0x0247 and Register 0x0248. The selected
threshold register is compared with the signal magnitude at the
output of the ADC. The fast upper threshold detection has a
latency of 30 clock cycles (maximum). The approximate upper
threshold magnitude is defined by
Upper Threshold Magnitude (dBFS) = 20log (Threshold
Magnitude/213)
The FD indicators are not cleared until the signal drops below
the lower threshold for the programmed dwell time. The lower
threshold is programmed in the fast detect lower threshold
registers, located at Register 0x0249 and Register 0x024A. The
fast detect lower threshold register is a 13-bit register that is
compared with the signal magnitude at the output of the ADC.
This comparison is subject to the ADC pipeline latency, but is
accurate in terms of converter resolution. The lower threshold
magnitude is defined by
Lower Threshold Magnitude (dBFS) = 20log (Threshold
Magnitude/213)
For example, to set an upper threshold of −6 dBFS, write 0xFFF
to Register 0x0247 and Register 0x0248. To set a lower threshold of
−10 dBFS, write 0xA1D to Register 0x0249 and Register 0x024A.
The dwell time can be programmed from 1 to 65,535 sample
clock cycles by placing the desired value in the fast detect dwell
time registers, located at Register 0x024B and Register 0x024C.
See the Memory Map section (Register 0x040, and Register 0x245
to Register 0x24C in Table 45) for more details.
UPPER THRESHOLD
LOWER THRESHOLD
FD_A OR FD_B
MIDSCALE
DWELL TIME
TIMER RESET BY
RISE ABOVE
LOWER
THRESHOLD
TIMER COMPLETES BEFORE
SIGNAL RISES ABOVE
LOWER THRESHOLD
DWELL TIME
14994-050
Figure 68. Threshold Settings for the FD_A and FD_B Signals

Data Sheet AD6684
Rev. 0 | Page 29 of 107
SIGNAL MONITOR
The signal monitor block provides additional information about
the signal being digitized by the ADC. The signal monitor
computes the peak magnitude of the digitized signal. This
information can be used to drive an AGC loop to optimize the
range of the ADC in the presence of real-world signals.
The results of the signal monitor block can be obtained either
by reading back the internal values from the SPI port or by
embedding the signal monitoring information into the
JESD204B interface as special control bits. A global, 24-bit
programmable period controls the duration of the measurement.
Figure 69 shows the simplified block diagram of the signal
monitor block.
FROM
MEMORY
MAP
DOWN
COUNTER
IS
COUNT = 1?
MAGNITUDE
STORAGE
REGISTER
FROM
INPUT
SIGNAL
MONITOR
HOLDING
REGISTER
LOAD
CLEAR
COMPARE
A > B
LOAD
LOAD
TO SPORT OVER
JESD204B AND
MEMORY MAP
SIGNAL MONITOR
PERIOD REGISTER
(SMPR)
0x0271, 0x0272, 0x0273
14994-051
Figure 69. Signal Monitor Block
The peak detector captures the largest signal within the
observation period. The detector only observes the magnitude
of the signal. The resolution of the peak detector is a 13-bit
value, and the observation period is 24 bits and represents
converter output samples. The peak magnitude can be derived
by using the following equation:
Peak Magnitude (dBFS) = 20log(Peak Detector Value/213)
The magnitude of the input port signal is monitored over a
programmable time period, which is determined by the signal
monitor period register (SMPR). The peak detector function is
enabled by setting Bit 1 of Register 0x0270 in the signal monitor
control register. The 24-bit SMPR must be programmed before
activating this mode.
After enabling peak detection mode, the value in the SMPR is
loaded into a monitor period timer, which decrements at the
decimated clock rate. The magnitude of the input signal is
compared with the value in the internal magnitude storage
register (not accessible to the user), and the greater of the two
is updated as the current peak level. The initial value of the
magnitude storage register is set to the current ADC input signal
magnitude. This comparison continues until the monitor period
timer reaches a count of 1.
When the monitor period timer reaches a count of 1, the 13-bit
peak level value is transferred to the signal monitor holding
register, which can be read through the memory map or output
through the SPORT over the JESD204B interface. The monitor
period timer is reloaded with the value in the SMPR, and the
countdown restarts. In addition, the magnitude of the first
input sample is updated in the magnitude storage register, and
the comparison and update procedure, as explained previously,
continues.
SPORT OVER JESD204B
The signal monitor data can also be serialized and sent over the
JESD204B interface as control bits. These control bits must be
deserialized from the samples to reconstruct the statistical data.
The signal control monitor function is enabled by setting Bits[1:0]
of Register 0x0279 and Bit 1 of Register 0x027A. Figure 70
shows two different example configurations for the signal monitor
control bit locations inside the JESD204B samples. A maximum of
three control bits can be inserted into the JESD204B samples;
however, only one control bit is required for the signal monitor.
Control bits are inserted from MSB to LSB. If only one control bit
is to be inserted (CS = 1), only the most significant control bit is
used (see Example Configuration 1 and Example Configuration 2
in Figure 70). To select the SPORT over JESD204B option,
program Register 0x0559, Register 0x055A, and Register 0x058F.
See Table 46 for more information on setting these bits.
Figure 71 shows the 25-bit frame data that encapsulates the
peak detector value. The frame data is transmitted MSB first
with five 5-bit subframes. Each subframe contains a start bit
that can be used by a receiver to validate the deserialized data.
Figure 72 shows the SPORT over JESD204B signal monitor data
with a monitor period timer set to 80 samples.

AD6684 Data Sheet
Rev. 0 | Page 30 of 107
15
14-BIT CONVERTER RESOLUTION (N = 14)
TAIL
X
1
CONTROL
BIT
(CS = 1)
1-BIT
CONTROL
BIT
(CS = 1)
14131211109876543210
1514131211109876543210
1 TAIL
BIT
SERIALIZED SIGNAL MONITOR
FRAME DATA
EXAMPLE
CONFIGURATION 1
(N' = 16, N = 15, CS = 1)
EXAMPLE
CONFIGURATION 2
(N' = 16, N = 14, CS = 1)
SERIALIZED SIGNAL MONITOR
FRAME DATA
16-BIT JESD204B SAMPLE SIZE (N' = 16)
S[13]
X
S[12]
X
S[11]
X
S[10]
X
S[9]
X
S[8]
X
S[7]
X
S[6]
X
S[5]
X
S[4]
X
S[3]
X
S[2]
X
S[1]
X
S[0]
X
CTRL
[BIT 2]
X
CTRL
[BIT 2]
X
S[14]
X
S[13]
X
S[12]
X
S[11]
X
S[10]
X
S[9]
X
S[8]
X
S[7]
X
S[6]
X
S[5]
X
S[4]
X
S[3]
X
S[2]
X
S[1]
X
S[0]
X
15-BIT CONVERTER RESOLUTION (N = 15)
16-BIT JESD204B SAMPLE SIZE (N' = 16)
14994-052
Figure 70. Signal Monitor Control Bit Locations
25-BIT
FRAME
5-BIT IDLE
SUBFRAME
(OPTIONAL)
5-BIT IDENTIFIER
SUBFRAME
5-BIT DATA
MSB
SUBFRAME
5-BIT DATA
SUBFRAME
5-BIT DATA
SUBFRAME
5-BIT DATA
LSB
SUBFRAME
5-BIT SUBFRAMES
P[ ] = PEAK MAGNITUDE VALUE
IDLE
1
IDLE
1
IDLE
1
IDLE
1
IDLE
1
START
0P[0]000
START
0P[4] P[3] P[2] P[1]
START
0P[8] P[7] P[6] P5]
START
0P[12] P[11] P[10] P[9]
START
0
ID[3]
0
ID[2]
0
ID[1]
0
ID[0]
1
14994-053
Figure 71. SPORT over JESD204B Signal Monitor Frame Data
mm mm
mm Msa
um
um am my
\DLE um: um um: um ms mlE um: um um ms
m 5mm: PERIOD
PAYLOAD3
25.5w FRAME 1m 1;
mm mm um
max MSB “A” “A“ us
\DLE um: um um: um ms mlE um: um um Ms W,
m 5mm: PERIOD
PAYLOAD a
25.5w FRAME 1N . 2;
mm mm
um
um um \DLE um: um um: um ms mlE um: um um um
Data Sheet AD6684
Rev. 0 | Page 31 of 107
PAYLOAD 3
25-BIT FRAME (N)
PAYLOAD 3
25-BIT FRAME (N + 1)
PAYLOAD 3
25-BIT FRAME (N + 2)
IDLE IDLE IDLE IDLE IDLE IDLEIDLE IDLE IDLE IDLE IDLE
DATA
MSB DATA DATA DATA
LSB
IDLE IDLE IDLE IDLE IDLE IDLEIDLE IDLE IDLE IDLE IDLE
IDENT-
IFIER
IDENT-
IFIER
IDENT-
IFIER
DATA
MSB DATA DATA DATA
LSB
IDLE IDLE IDLE IDLE IDLE IDLEIDLE IDLE IDLE IDLE IDLE
DATA
MSB DATA DATA DATA
LSB
SMPR = 80 SAMPLES (0x0271 = 0x50; 0x0272 = 0x00; 0x0273 = 0x00)
80 SAMPLE PERIOD
80 SAMPLE PERIOD
80 SAMPLE PERIOD
14994-054
Figure 72. SPORT over JESD204B Signal Monitor Example with Period = 80 Samples

AD6684 Data Sheet
Rev. 0 | Page 32 of 107
DIGITAL DOWNCONVERTER (DDC)
The AD6684 includes four DDCs that provide filtering and reduce
the output data rate. This digital processing section includes an
NCO, a half-band decimating filter, a finite impulse response
(FIR) filter, a gain stage, and a complex to real conversion stage.
Each of these processing blocks has control lines that allow it to be
independently enabled and disabled to provide the desired
processing function. Each pair of ADC channels has two DDCs
(DDC0 and DDC1) for a total of four DDCs. The digital down-
converter can be configured to output either real data or
complex output data.
The DDCs output a 16-bit stream. To enable this operation, the
converter number of bits, N, is set to a default value of 16, even
though the analog core only outputs 14 bits. In full bandwidth
operation, the ADC outputs are 9-bit words followed by seven
zeros, unless the tail bits are enabled.
DDC I/Q INPUT SELECTION
The AD6684 has four ADC channels and four DDC channels.
Each DDC channel has two input ports that can be paired to
support both real and complex inputs through the I/Q crossbar
mux. For real signals, both DDC input ports must select the
same ADC channel (that is, DDC Input Port I = ADC Channel A
and DDC Input Port Q = ADC Channel A). For complex
signals, each DDC input port must select different ADC
channels (that is, DDC Input Port I = ADC Channel A and
DDC Input Port Q = ADC Channel B, or DDC Input Port I =
ADC Channel C and DDC Input Port Q = ADC Channel D).
The inputs to each DDC are controlled by the DDC input selec-
tion registers (Register 0x0311 and Register 0x0331) in conjunction
with the pair index register (Register 0x0009). See Table 45 and
Table 46 for information on how to configure the DDCs.
DDC I/Q OUTPUT SELECTION
Each DDC channel has two output ports that can be paired to
support both real and complex outputs. For real output signals,
only the DDC Output Port I is used (the DDC Output Port Q is
invalid). For complex I/Q output signals, both DDC Output
Port I and DDC Output Port Q are used.
The I/Q outputs to each DDC channel are controlled by the
DDC complex to real enable bit, Bit 3 in the DDC control
registers (Register 0x0310 and Register 0x0330) in conjunction
with the pair index register (Register 0x0009).
The Chip Q ignore bit in the chip mode register (Register 0x0200,
Bit 5) controls the chip output muxing of all the DDC channels.
When all DDC channels use real outputs, set this bit high to
ignore all DDC Q output ports. When any of the DDC channels
are set to use complex I/Q outputs, the user must clear this bit
to use both DDC Output Port I and DDC Output Port Q. For
more information, see Figure 81.
DDC GENERAL DESCRIPTION
The four DDC blocks are used to extract a portion of the full
digital spectrum captured by the ADC(s). The DDC blocks are
intended for IF sampling or oversampled baseband radios
requiring wide bandwidth input signals.
Each DDC block contains the following signal processing stages:
Frequency translation stage (optional)
Filtering stage
Gain stage (optional)
Complex to real conversion stage (optional)
Frequency Translation Stage (Optional)
This stage consists of a 48-bit complex NCO and quadrature
mixers that can be used for frequency translation of both real
and complex input signals. This stage shifts a portion of the
available digital spectrum down to baseband.
Filtering Stage
After shifting down to baseband, this stage decimates the
frequency spectrum using a chain of up to four half-band, low-
pass filters for rate conversion. The decimation process lowers the
output data rate, which in turn reduces the output interface rate.
Gain Stage (Optional)
To compensate for losses associated with mixing a real input
signal down to baseband, this stage adds an additional 0 dB or
6 dB of gain.
Complex to Real Conversion Stage (Optional)
When real outputs are necessary, this stage converts the complex
outputs back to real by performing an fS/4 mixing operation
plus a filter to remove the complex component of the signal.
Figure 73 shows the detailed block diagram of the DDCs
implemented in the AD6684.
Data Sheet AD6684
Rev. 0 | Page 33 of 107
NCO
+
MIXER
(OPTIONAL)
COMPLEX TO REAL
CONVERSION
(OPTIONAL)
HB4 FIR
DCM = BYPASS OR 2
HB3 FIR
DCM = BYPASS OR 2
HB2 FIR
DCM = BYPASS OR 2
HB1 FIR
DCM = 2
GAIN = 0dB
OR 6dB
DDC 1
SYSREF±
REAL/I
REAL/Q
REAL/I
CONVERTER 2
Q CONVERTER 3
I
Q
NCO
+
MIXER
(OPTIONAL)
COMPLEX TO REAL
CONVERSION
(OPTIONAL)
HB4 FIR
DCM = BYPASS OR 2
HB3 FIR
DCM = BYPASS OR 2
HB2 FIR
DCM = BYPASS OR 2
HB1 FIR
DCM = 2
GAIN = 0dB
OR 6dB
DDC 0
SYSREF±
REAL/I
REAL/Q
REAL/I
CONVERTER 0
Q CONVERTER 1
I
Q
NCO
+
MIXER
(OPTIONAL)
COMPLEX TO REAL
CONVERSION
(OPTIONAL)
HB4 FIR
DCM = BYPASS OR 2
HB3 FIR
DCM = BYPASS OR 2
HB2 FIR
DCM = BYPASS OR 2
HB1 FIR
DCM = 2
GAIN = 0dB
OR 6dB
DDC 1
SYSREF±
REAL/I
REAL/Q
REAL/I
CONVERTER 2
Q CONVERTER 3
I
Q
NCO
+
MIXER
(OPTIONAL)
COMPLEX TO REAL
CONVERSION
(OPTIONAL)
HB4 FIR
DCM = BYPASS OR 2
HB3 FIR
DCM = BYPASS OR 2
HB2 FIR
DCM = BYPASS OR 2
HB1 FIR
DCM = 2
GAIN = 0dB
OR 6dB
DDC 0
SYSREF±
REAL/I
REAL/Q
REAL/I
CONVERTER 0
Q CONVERTER 1
I
Q
I/Q CROSSBAR MUXI/Q CROSSBAR MUX
ADC
SAMPLING
AT
f
S
REAL/I
ADC
SAMPLING
AT
f
S
REAL/Q
ADC
SAMPLING
AT
f
S
REAL/I
ADC
SAMPLING
AT
f
S
REAL/Q
SYNCHRONIZATION
CONTROL CIRCUITS
SYSREF
14994-055
L
JESD204B
LANES
AT UP TO
15Gbps
L
JESD204B
LANES
AT UP TO
15Gbps
JESD204B TRANSMIT INTERFACEJESD204B TRANSMIT INTERFACE
Figure 73. DDC Detailed Block Diagram
Figure 74 shows an example usage of one of the four DDC
blocks with a real input signal and four half-band filters (HB4 +
HB3 + HB2 + HB1). It shows both complex (decimate by 16)
and real (decimate by 8) output options.
When DDCs have different decimation ratios, the chip
decimation ratio (Register 0x0201) must be set to the lowest
decimation ratio of all the DDC blocks on a per pair basis in
conjunction with the pair index (Register 0x0009). In this
scenario, samples of higher decimation ratio DDCs are repeated
to match the chip decimation ratio sample rate. Whenever the
NCO frequency is set or changed, the DDC soft reset must be
issued. If the DDC soft reset is not issued, the output may
potentially show amplitude variations.
Table 10, Table 11, Table 12, Table 13, and Table 14 show the
DDC samples when the chip decimation ratio is set to 1, 2, 4, 8,
or 16, respectively. When DDCs have different decimation
ratios, the chip decimation ratio must be set to the lowest
decimation ratio of all the DDC channels in the respective
channel pair (Channel A/Channel B or Channel C/Channel D).
In this scenario, samples of higher decimation ratio DDCs are
repeated to match the chip decimation ratio sample rate.
-xfla
-1}
C_.
T WW
9%
SW WWI
-1}
x
WWW
AD6684 Data Sheet
Rev. 0 | Page 34 of 107
cos(t)
0°
90°
I
Q
REAL
BANDWIDTH OF
INTEREST
BANDWIDTH OF
INTEREST IMAGE
DIGITAL FILTER
RESPONSE
DC
DC
ADC
SAMPLING
AT
f
S
REAL REAL
HALF-
BAND
FILTER
HB4 FIR
2
HALF-
BAND
FILTER
HB3 FIR
2
HALF-
BAND
FILTER
HB2 FIR
2
HALF-
BAND
FILTER
HB1 FIR
I I
HALF-
BAND
FILTER
HB4 FIR
2
HALF-
BAND
FILTER
HB3 FIR
2
HALF-
BAND
FILTER
HB2 FIR
2
2
2
HALF-
BAND
FILTER
HB1 FIR
Q Q
ADC
REAL INPUT—SAMPLED AT
f
S
FILTERING STAGE
4 DIGITAL HALF-BAND FILTERS
(HB4 + HB3 + HB2 + HB1)
FREQUENCY TRANSLATION STAGE (OPTIONAL)
DIGITAL MIXER + NCO FOR
f
S
/3 TUNING, THE FREQUENCY TUNING
WORD = ROUND ((
f
S
/3)/
f
S
× 2
48
) = +9.3825
13
(0x555555555555) NCO TUNES CENTER OF
BANDWIDTH OF INTEREST
TO BASEBAND
BANDWIDTH OF
INTEREST IMAGE
(–6dB LOSS DUE TO
NCO + MIXER)
BANDWIDTH OF INTEREST
(–6dB LOSS DUE TO
NCO + MIXER)
–
f
S
/2 –
f
S
/3 –
f
S
/4 –
f
S
/8
f
S
/16
f
S
/8
f
S
/4
f
S
/3
f
S
/2–
f
S
/16
–
f
S
/32
f
S
/32
–
f
S
/2 –
f
S
/3 –
f
S
/4 –
f
S
/8
f
S
/16
f
S
/8
f
S
/4
f
S
/3
f
S
/2–
f
S
/16
–
f
S
/32
f
S
/32
–sin(t)
48-BIT
NCO
DC
DIGITAL FILTER
RESPONSE
DC
DC
I
Q
I
Q
2
2
I
Q
REAL/I
COMPLEX
TO
REAL
I
Q
GAIN STAGE (OPTIONAL)
0dB OR 6dB GAIN
COMPLEX (I/Q) OUTPUTS
DECIMATE BY 16
GAIN STAGE (OPTIONAL)
0dB OR 6dB GAIN
REAL (I) OUTPUTS
DECIMATE BY 8
COMPLEX TO REAL
CONVERSION STAGE (OPTIONAL)
f
S
/4 MIXING + COMPLEX FILTER TO REMOVE Q
–
f
S
/8
f
S
/16
f
S
/8–
f
S
/16
–
f
S
/32
f
S
/32
–
f
S
/8
f
S
/16
f
S
/8–
f
S
/16
–
f
S
/32
f
S
/32
f
S
/16–
f
S
/16
–
f
S
/32
f
S
/32
6dB GAIN TO
COMPENSATE FOR
NCO + MIXER LOSS
6dB GAIN TO
COMPENSATE FOR
NCO + MIXER LOSS
DOWNSAMPLE BY 2
+6dB
+6dB
+6dB
+6dB
14994-056
Figure 74. DDC Theory of Operation Example (Real Input, Decimate by 16)

Data Sheet AD6684
Rev. 0 | Page 35 of 107
Table 10. DDC Samples in Each JESD204B Link When Chip Decimation Ratio = 1
Real (I) Output (Complex to Real Enabled) Complex (I/Q) Outputs (Complex to Real Disabled)
HB1 FIR
(DCM1 = 1)
HB2 FIR +
HB1 FIR
(DCM1 = 2)
HB3 FIR + HB2
FIR + HB1 FIR
(DCM1 = 4)
HB4 FIR + HB3 FIR +
HB2 FIR + HB1 FIR
(DCM1 = 8)
HB1 FIR
(DCM1 = 2)
HB2 FIR +
HB1 FIR
(DCM1 = 4)
HB3 FIR + HB2
FIR + HB1 FIR
(DCM1 = 8)
HB4 FIR + HB3 FIR +
HB2 FIR + HB1 FIR
(DCM1 = 16)
N N N N N N N N
N + 1 N N N N N N N
N + 2 N + 1 N N N + 1 N N N
N + 3 N + 1 N N N + 1 N N N
N + 4 N + 2 N + 1 N N + 2 N + 1 N N
N + 5 N + 2 N + 1 N N + 2 N + 1 N N
N + 6 N + 3 N + 1 N N + 3 N + 1 N N
N + 7 N + 3 N + 1 N N + 3 N + 1 N N
N + 8 N + 4 N + 2 N + 1 N + 4 N + 2 N + 1 N
N + 9 N + 4 N + 2 N + 1 N + 4 N + 2 N + 1 N
N + 10 N + 5 N + 2 N + 1 N + 5 N + 2 N + 1 N
N + 11 N + 5 N + 2 N + 1 N + 5 N + 2 N + 1 N
N + 12 N + 6 N + 3 N + 1 N + 6 N + 3 N + 1 N
N + 13 N + 6 N + 3 N + 1 N + 6 N + 3 N + 1 N
N + 14 N + 7 N + 3 N + 1 N + 7 N + 3 N + 1 N
N + 15 N + 7 N + 3 N + 1 N + 7 N + 3 N + 1 N
N + 16 N + 8 N + 4 N + 2 N + 8 N + 4 N + 2 N + 1
N + 17 N + 8 N + 4 N + 2 N + 8 N + 4 N + 2 N + 1
N + 18 N + 9 N + 4 N + 2 N + 9 N + 4 N + 2 N + 1
N + 19 N + 9 N + 4 N + 2 N + 9 N + 4 N + 2 N + 1
N + 20 N + 10 N + 5 N + 2 N + 10 N + 5 N + 2 N + 1
N + 21 N + 10 N + 5 N + 2 N + 10 N + 5 N + 2 N + 1
N + 22 N + 11 N + 5 N + 2 N + 11 N + 5 N + 2 N + 1
N + 23 N + 11 N + 5 N + 2 N + 11 N + 5 N + 2 N + 1
N + 24 N + 12 N + 6 N + 3 N + 12 N + 6 N + 3 N + 1
N + 25 N + 12 N + 6 N + 3 N + 12 N + 6 N + 3 N + 1
N + 26 N + 13 N + 6 N + 3 N + 13 N + 6 N + 3 N + 1
N + 27 N + 13 N + 6 N + 3 N + 13 N + 6 N + 3 N + 1
N + 28 N + 14 N + 7 N + 3 N + 14 N + 7 N + 3 N + 1
N + 29 N + 14 N + 7 N + 3 N + 14 N + 7 N + 3 N + 1
N + 30 N + 15 N + 7 N + 3 N + 15 N + 7 N + 3 N + 1
N + 31 N + 15 N + 7 N + 3 N + 15 N + 7 N + 3 N + 1
1 DCM means decimation.
Table 11. DDC Samples in Each JESD204B Link When Chip Decimation Ratio = 2
Real (I) Output (Complex to Real Enabled) Complex (I/Q) Outputs (Complex to Real Disabled)
HB2 FIR +
HB1 FIR
(DCM1 = 2)
HB3 FIR +
HB2 FIR +
HB1 FIR
(DCM1 = 4)
HB4 FIR +
HB3 FIR +
HB2 FIR +
HB1 FIR
(DCM1 = 8)
HB1 FIR
(DCM1 = 2)
HB2 FIR +
HB1 FIR
(DCM1 = 4)
HB3 FIR +
HB2 FIR +
HB1 FIR
(DCM1 = 8)
HB4 FIR +
HB3 FIR +
HB2 FIR +
HB1 FIR
(DCM1 = 16)
N N N N N N N
N + 1 N N N + 1 N N N
N + 2 N + 1 N N + 2 N + 1 N N
N + 3 N + 1 N N + 3 N + 1 N N
N + 4 N + 2 N + 1 N + 4 N + 2 N + 1 N
N + 5 N + 2 N + 1 N + 5 N + 2 N + 1 N
N + 6 N + 3 N + 1 N + 6 N + 3 N + 1 N
N + 7 N + 3 N + 1 N + 7 N + 3 N + 1 N
N + 8 N + 4 N + 2 N + 8 N + 4 N + 2 N + 1
N + 9 N + 4 N + 2 N + 9 N + 4 N + 2 N + 1

AD6684 Data Sheet
Rev. 0 | Page 36 of 107
Real (I) Output (Complex to Real Enabled) Complex (I/Q) Outputs (Complex to Real Disabled)
HB2 FIR +
HB1 FIR
(DCM1 = 2)
HB3 FIR +
HB2 FIR +
HB1 FIR
(DCM1 = 4)
HB4 FIR +
HB3 FIR +
HB2 FIR +
HB1 FIR
(DCM1 = 8)
HB1 FIR
(DCM1 = 2)
HB2 FIR +
HB1 FIR
(DCM1 = 4)
HB3 FIR +
HB2 FIR +
HB1 FIR
(DCM1 = 8)
HB4 FIR +
HB3 FIR +
HB2 FIR +
HB1 FIR
(DCM1 = 16)
N + 10 N + 5 N + 2 N + 10 N + 5 N + 2 N + 1
N + 11 N + 5 N + 2 N + 11 N + 5 N + 2 N + 1
N + 12 N + 6 N + 3 N + 12 N + 6 N + 3 N + 1
N + 13 N + 6 N + 3 N + 13 N + 6 N + 3 N + 1
N + 14 N + 7 N + 3 N + 14 N + 7 N + 3 N + 1
N + 15 N + 7 N + 3 N + 15 N + 7 N + 3 N + 1
1 DCM means decimation.
Table 12. DDC Samples in Each JESD204B Link When Chip Decimation Ratio = 4
Real (I) Output (Complex to Real Enabled) Complex (I/Q) Outputs (Complex to Real Disabled)
HB3 FIR + HB2 FIR +
HB1 FIR (DCM1 = 4)
HB4 FIR + HB3 FIR +
HB2 FIR + HB1 FIR
(DCM1 = 8)
HB2 FIR + HB1 FIR
(DCM1 = 4)
HB3 FIR + HB2 FIR +
HB1 FIR (DCM1 = 8)
HB4 FIR + HB3 FIR +
HB2 FIR + HB1 FIR
(DCM1 = 16)
N N N N N
N + 1 N N + 1 N N
N + 2 N + 1 N + 2 N + 1 N
N + 3 N + 1 N + 3 N + 1 N
N + 4 N + 2 N + 4 N + 2 N + 1
N + 5 N + 2 N + 5 N + 2 N + 1
N + 6 N + 3 N + 6 N + 3 N + 1
N + 7 N + 3 N + 7 N + 3 N + 1
1 DCM means decimation.
Table 13. DDC Samples in Each JESD204B Link When Chip Decimation Ratio = 8
Real (I) Output (Complex to Real Enabled) Complex (I/Q) Outputs (Complex to Real Disabled)
HB4 FIR + HB3 FIR + HB2 FIR + HB1 FIR (DCM1 = 8)
HB3 FIR + HB2 FIR + HB1 FIR
(DCM1 = 8)
HB4 FIR + HB3 FIR + HB2 FIR +
HB1 FIR (DCM1 = 16)
N N N
N + 1 N + 1 N
N + 2 N + 2 N + 1
N + 3 N + 3 N + 1
N + 4 N + 4 N + 2
N + 5 N + 5 N + 2
N + 6 N + 6 N + 3
N + 7 N + 7 N + 3
1 DCM means decimation.
Table 14. DDC Samples in Each JESD204B Link When Chip Decimation Ratio = 16
Real (I) Output (Complex to Real Enabled) Complex (I/Q) Outputs (Complex to Real Disabled)
HB4 FIR + HB3 FIR + HB2 FIR + HB1 FIR (DCM1 = 16) HB4 FIR + HB3 FIR + HB2 FIR + HB1 FIR (DCM1 = 16)
Not applicable N
Not applicable N + 1
Not applicable N + 2
Not applicable N + 3
1 DCM means decimation.

Data Sheet AD6684
Rev. 0 | Page 37 of 107
For example, if the chip decimation ratio is set to decimate by 4,
DDC 0 is set to use HB2 + HB1 filters (complex outputs, decimate
by 4) and DDC 1 is set to use HB4 + HB3 + HB2 + HB1 filters
(real outputs, decimate by 8). DDC 1 repeats its output data two
times for every one DDC 0 output. The resulting output samples
are shown in Table 15.
Table 15. DDC Output Samples in Each JESD204B Link When Chip DCM1 = 4, DDC 0 DCM1 = 4 (Complex), and DDC 1 DCM1 = 8 (Real)
DDC 0 DDC 1
DDC Input Samples Output Port I Output Port Q Output Port I Output Port Q
N I0 (N) Q0 (N) I1 (N) Not applicable
N + 1
N + 2
N + 3
N + 4 I0 (N + 1) Q0 (N + 1)
N + 5
N + 6
N + 7
N + 8 I0 (N + 2) Q0 (N + 2) I1 (N + 1) Not applicable
N + 9
N + 10
N + 11
N + 12 I0 (N + 3) Q0 (N + 3)
N + 13
N + 14
N + 15
1 DCM means decimation.
,,,,,,,,,,,,,,,,,,,,,,
,,,,,,,,,,,,,,,,,,,,,,
AD6684 Data Sheet
Rev. 0 | Page 38 of 107
FREQUENCY TRANSLATION
GENERAL DESCRIPTION
Frequency translation is accomplished by using a 48-bit
complex NCO with a digital quadrature mixer. This stage
translates either a real or complex input signal from an IF to a
baseband complex digital output (carrier frequency = 0 Hz).
The frequency translation stage of each DDC can be controlled
individually and supports four different IF modes using Bits[5:4]
of the DDC control registers (Register 0x0310 and Register 0x0330)
in conjunction with the pair index register (Register 0x0009).
These IF modes are
Variable IF mode
0 Hz IF or zero IF (ZIF) mode
fS/4 Hz IF mode
Test mode
Variable IF Mode
NCO and mixers are enabled. NCO output frequency can be
used to digitally tune the IF frequency.
0 Hz IF (ZIF) Mode
The mixers are bypassed, and the NCO is disabled.
fS/4 Hz IF Mode
The mixers and the NCO are enabled in special downmixing by
fS/4 mode to save power.
Test Mode
Input samples are forced to 0.9599 to positive full scale. The
NCO is enabled. This test mode allows the NCOs to directly
drive the decimation filters.
Figure 75 and Figure 76 show examples of the frequency
translation stage for both real and complex inputs.
BANDWIDTH OF
INTEREST
BANDWIDTH OF
INTEREST IMAGE
NCO FREQUENCY TUNING WORD (FTW) SELECTION
48-BIT NCO FTW = MIXING FREQUENCY/ADC SAMPLE RATE × 2
48
ADC + DIGITAL MIXER + NCO
REAL INPUT—SAMPLED AT
fS
cos(t)
0°
90°
I
Q
ADC
SAMPLING
AT
fS
REAL REAL
–sin(t)
48-BIT
NCO
POSITIVE FTW VALUES
NEGATIVE FTW VALUES
COMPLEX
–6dB LOSS DUE TO
NCO + MIXER
48-BIT NCO FTW =
ROUND ((
fS
/3)/
fS
× 2
48
) =
+9.3825
13
(0x555555555555)
48-BIT NCO FTW =
ROUND ((–
fS
/3)/
fS
× 2
48
) =
–9.3825
13
(0xFFFF000000000000)
14994-057
DC
–
fS
/2 –
fS
/4 –
fS
/8
fS
/16
fS
/8
fS
/4
fS
/2–
fS
/16
–
fS
/32
fS
/32
–
fS
/3
fS
/3
DC
–
fS
/32
fS
/32
DC
–
fS
/32
fS
/32
Figure 75. DDC NCO Frequency Tuning Word Selection—Real Inputs

Data Sheet AD6684
Rev. 0 | Page 39 of 107
NCO FREQUENCY TUNING WORD (FTW) SELECTION
48-BIT NCO FTW = MIXING FREQUENCY/ADC SAMPLE RATE × 2
48
QUADRATURE ANALOG MIXER +
2 ADCs + QUADRATURE DIGITAL
MIXER + NCO
COMPLEX INPUT—SAMPLED AT
f
S
–
f
S
/32
f
S
/32
DC
BANDWIDTH OF
INTEREST
POSITIVE FTW VALUES
IMAGE DUE TO
ANALOG I/Q
MISMATCH
REAL
I
Q
QUADRATURE MIXER
I
Q
I
–
+
Q
Q
I
Q+
+
Q
I
I
COMPLEX
I
Q
–sin(t)
ADC
SAMPLING
AT
f
S
ADC
SAMPLING
AT
f
S
90°
PHASE
48-BIT
NCO 90°
0°
48-BIT NCO FTW =
ROUND ((
f
S
/3)/
f
S
× 2
48
) =
+9.3825
13
(0x555555555555)
14994-058
–
f
S
/2 –
f
S
/3 –
f
S
/4 –
f
S
/8
f
S
/16
f
S
/8
f
S
/4
f
S
/3
f
S
/2–
f
S
/16
–
f
S
/32
f
S
/32
DC
Figure 76. DDC NCO Frequency Tuning Word Selection—Complex Inputs
DDC NCO + MIXER LOSS AND SFDR
When mixing a real input signal down to baseband, 6 dB of loss
is introduced in the signal due to filtering of the negative image.
An additional 0.05 dB of loss is introduced by the NCO. The
total loss of a real input signal mixed down to baseband is
6.05 dB. For this reason, it is recommended that the user
compensate for this loss by enabling the 6 dB of gain in the gain
stage of the DDC to recenter the dynamic range of the signal
within the full scale of the output bits.
When mixing a complex input signal down to baseband, the
maximum value that each I/Q sample can reach is 1.414 × full
scale after it passes through the complex mixer. To avoid over-
range of the I/Q samples and to keep the data bit widths aligned
with real mixing, 3.06 dB of loss is introduced in the mixer for
complex signals. An additional 0.05 dB of loss is introduced by
the NCO. The total loss of a complex input signal mixed down
to baseband is −3.11 dB.
The worst case spurious signal from the NCO is greater than
102 dBc SFDR for all output frequencies.
NUMERICALLY CONTROLLED OSCILLATOR
The AD6684 has a 48-bit NCO for each DDC that enables the
frequency translation process. The NCO allows the input
spectrum to be tuned to dc, where it can be effectively filtered
by the subsequent filter blocks to prevent aliasing. The NCO
can be set up by providing a frequency tuning word (FTW) and
a phase offset word (POW).
Setting Up the NCO FTW and POW
The NCO frequency value is given by the 48-bit twos
complement number entered in the NCO FTW. Frequencies
between −fS/2 and +fS/2 (fS/2 excluded) are represented using
the following frequency words:
0x8000 0000 0000 represents a frequency of −fS/2.
0x0000 0000 0000 represents dc (frequency is 0 Hz).
0x7FFF FFFF FFFF represents a frequency of +fS/2 − fS/248.
The NCO frequency tuning word can be calculated using the
following equation:
S
SC
f
ff
FTWNCO ,mod
2round_ 48
where:
NCO_FTW is a 48-bit twos complement number representing
the NCO FTW.
fC is the desired carrier frequency in Hz.
fS is the AD6684 sampling frequency (clock rate) in Hz.
mod( ) is a remainder function. For example, mod(110,100) =
10 and for negative numbers, mod(–32,10) = −2.
round( ) is a rounding function. For example, round(3.6) = 4
and for negative numbers, round(–3.4) = −3.
Note that this equation applies to the aliasing of signals in the
digital domain (that is, aliasing introduced when digitizing
analog signals).

AD6684 Data Sheet
Rev. 0 | Page 40 of 107
For example, if the ADC sampling frequency (fS) is 500 MSPS
and the carrier frequency (fC) is 140.312 MHz, then
NCO_FTW = round
500
500,312.140mod
248 =
7.89886 × 1013 Hz
This, in turn, converts to 0x47D in the 48-bit twos complement
representation for NCO_FTW. The actual carrier frequency,
fC_ACTUAL, is calculated based on the following equation:
fC_ACTUAL = 48
2
_S
fFTWNCO = 140.312 MHz
A 48-bit POW is available for each NCO to create a known phase
relationship between multiple AD6684 chips or individual DDC
channels inside one AD6684 chip.
The POW registers can be updated in the NCO at any time
without disrupting the phase accumulators, allowing phase
adjustments to occur during normal operation. However, the
following procedure must be followed to update the FTW
registers to ensure proper operation of the NCO:
1. Write to the FTW registers for all the DDCs.
2. Synchronize the NCOs either through the DDC NCO soft
reset bit (Register 0x0300, Bit 4), which is accessible
through the SPI, or through the assertion of the SYSREF±
pin.
It is important to note that the NCOs must be synchronized
either through the SPI or through the SYSREF± pin after all
writes to the FTW or POW registers are complete. This step
is necessary to ensure the proper operation of the NCO.
NCO Synchronization
Each NCO contains a separate phase accumulator word (PAW).
The initial reset value of each PAW is set to zero, and the phase
increment value of each PAW is determined by the FTW. The
POW is added to the PAW to produce the instantaneous phase
of the NCO. See the Setting Up the NCO FTW and POW section
for more information.
Use the following two methods to synchronize multiple PAWs
within the chip.
Using the SPI. Use the DDC NCO soft reset bit in the DDC
synchronization control register (Register 0x0300, Bit 4) to
reset all the PAWs in the chip. This is accomplished by
setting the DDC NCO soft reset bit high and then setting
this bit low. Note that this method can only be used to
synchronize DDC channels within the same pair (A/B or
C/D) of a AD6684 chip.
Using the SYSREF± pin. When the SYSREF± pin is enabled
in the SYSREF± control registers (Register 0x0120 and
Register 0x0121) and the DDC synchronization is enabled
in the DDC synchronization control register (Register 0x0300,
Bits[1:0]), any subsequent SYSREF± event resets all the
PAWs in the chip. Note that this method can be used to
synchronize DDC channels within the same AD6684 chip
or DDC channels within separate AD6684 chips.
Mixer
The NCO is accompanied by a mixer. Its operation is similar to
an analog quadrature mixer. It performs the downconversion of
input signals (real or complex) by using the NCO frequency as a
local oscillator. For real input signals, this mixer performs a real
mixer operation (with two multipliers). For complex input
signals, the mixer performs a complex mixer operation (with
four multipliers and two adders). The mixer adjusts its operation
based on the input signal (real or complex) provided to each
individual channel. The selection of real or complex inputs can
be controlled individually for each DDC block using Bit 7 of the
DDC control registers (Register 0x0310 and Register 0x0330) in
conjunction with the pair index register (Register 0x0009).

Data Sheet AD6684
Rev. 0 | Page 41 of 107
FIR FILTERS
GENERAL DESCRIPTION
There are four sets of decimate by 2, low-pass, half-band, FIR
filters (labeled HB1 FIR, HB2 FIR, HB3 FIR, and HB4 FIR in
Figure 73) following the frequency translation stage. After the
carrier of interest is tuned down to dc (carrier frequency = 0 Hz),
these filters efficiently lower the sample rate, while providing
sufficient alias rejection from unwanted adjacent carriers
around the bandwidth of interest.
HB1 FIR is always enabled and cannot be bypassed. The HB2,
HB3, and HB4 FIR filters are optional and can be bypassed for
higher output sample rates.
Table 16 shows the different bandwidths selectable by including
different half-band filters. In all cases, the DDC filtering stage
on the AD6684 provides <−0.001 dB of pass-band ripple and
>100 dB of stop-band alias rejection.
Table 17 shows the amount of stop-band alias rejection for
multiple pass-band ripple/cutoff points. The decimation ratio of
the filtering stage of each DDC can be controlled individually
through Bits[1:0] of the DDC control registers (Register 0x0310
and Register 0x0330) in conjunction with the pair index register
(Register 0x0009).
Table 16. DDC Filter Characteristics
Half Band
Filter
Selection
Real Output Complex (I/Q) Output
Alias
Protected
Bandwidth
(MHz)
Ideal SNR
Improvement1
(dB)
Pass-Band
Ripple (dB)
Alias
Rejection
(dB)
Decimation
Ratio
Output
Sample
Rate
(MSPS)
Decimation
Ratio
Output
Sample
Rate
(MSPS)
HB1 1 500 2 250 (I) +
250 (Q)
200 1 <−0.0001 >100
HB1 + HB2 2 250 4 125 (I) +
125 (Q)
100 4
HB1 + HB2 +
HB3
4 125 8 62.5 (I) +
62.5 (Q)
50 7
HB1 + HB2 +
HB3 + HB4
8 62.5 16
31.25 (I) +
31.25 (Q)
25 10
1 Ideal SNR improvement due to oversampling and filtering = 10log(bandwidth/(fS/2)).
Table 17. DDC Filter Alias Rejection
Alias Rejection
(dB)
Pass-Band Ripple/Cutoff
Point (dB)
Alias Protected Bandwidth for Real
(I) Outputs1
Alias Protected Bandwidth for Complex
(I/Q) Outputs
>100 <−0.0001 <40% × fOUT <80% × fOUT
95 <−0.0002 <40.12% × fOUT <80.12% × fOUT
90 <−0.0003 <40.23% × fOUT <80.46% × fOUT
85 <−0.0005 <40.36% × fOUT <80.72% × fOUT
80 <−0.0009 <40.53% × fOUT <81.06% × fOUT
25.07 −0.5 45.17% × fOUT 90.34% × fOUT
19.3 −1.0 46.2% × fOUT 92.4% × fOUT
10.7 −3.0 48.29% × fOUT 96.58% × fOUT
1 fOUT = ADC input sample rate ÷ DDC decimation.
AD6684 Data Sheet
Rev. 0 | Page 42 of 107
HALF-BAND FILTERS
The AD6684 offers four half-band filters to enable digital signal
processing of the ADC converted data. These half-band filters
are bypassable and can be individually selected.
HB4 Filter
The first decimate by 2, half-band, low-pass, FIR filter (HB4)
uses an 11-tap, symmetrical, fixed coefficient filter implementa-
tion that is optimized for low power consumption. The HB4
filter is only used when complex outputs (decimate by 16) or
real outputs (decimate by 8) are enabled; otherwise, it is
bypassed. Table 18 and Figure 77 show the coefficients and
response of the HB4 filter.
Table 18. HB4 Filter Coefficients
HB4 Coefficient
Number
Decimal
Coefficient
Quantized
Coefficient (15-Bit)
C1, C11 0.006042 99
C2, C10 0 0
C3, C9 −0.049377 −809
C4, C8 0 0
C5, C7 0.293334 4806
C6 0.500000 8192
–250
–200
–150
–100
–50
0
0 0.1 0.2 0.3 0.4 0.5 0.6 0.7 0.8 0.9 1.0
MAGNITUDE (dB)
14994-059
NORMALIZED FREQUENCY (× RAD/SAMPLE)
Figure 77. HB4 Filter Response
HB3 Filter
The second decimate by 2, half-band, low-pass, FIR filter (HB3)
uses an 11-tap, symmetrical, fixed coefficient filter implementa-
tion that is optimized for low power consumption. The HB3
filter is only used when complex outputs (decimate by 8 or 16)
or real outputs (decimate by 4 or 8) are enabled; otherwise, it is
bypassed. Table 19 and Figure 78 show the coefficients and
response of the HB3 filter.
Table 19. HB3 Filter Coefficients
HB3 Coefficient
Number
Decimal
Coefficient
Quantized
Coefficient (17-Bit)
C1, C11 0.006638 435
C2, C10 0 0
C3, C9 −0.051055 −3,346
C4, C8 0 0
C5, C7 0.294418 19,295
C6 0.500000 32,768
–180
–100
–60
–40
–20
–160
–140
–120
–80
0
0 0.1 0.2 0.3 0.4 0.5 0.6 0.7 0.8 0.9 1.0
MAGNITUDE (dB)
14994-060
NORMALIZED FREQUENCY (× RAD/SAMPLE)
Figure 78. HB3 Filter Response
HB2 Filter
The third decimate by 2, half-band, low-pass, FIR filter (HB2)
uses a 19-tap, symmetrical, fixed coefficient filter implementa-
tion that is optimized for low power consumption.
The HB2 filter is only used when complex or real outputs
(decimate by 4, 8, or 16) is enabled; otherwise, it is bypassed.
Table 20 and Figure 79 show the coefficients and response of
the HB2 filter.
Table 20. HB2 Filter Coefficients
HB2 Coefficient
Number
Decimal
Coefficient
Quantized
Coefficient (18-Bit)
C1, C19 0.000671 88
C2, C18 0 0
C3, C17 −0.005325 −698
C4, C16 0 0
C5, C15 0.022743 2,981
C6, C14 0 0
C7, C13 −0.074181 −9,723
C8, C12 0 0
C9, C11 0.306091 40,120
C10 0.500000 65,536
Data Sheet AD6684
Rev. 0 | Page 43 of 107
–180
–100
–60
–40
–20
–160
–140
–120
–80
0
0 0.1 0.2 0.3 0.4 0.5 0.6 0.7 0.8 0.9 1.0
MAGNITUDE (dB)
14994-061
NORMALIZED FREQUENCY (× RAD/SAMPLE)
Figure 79. HB2 Filter Response
HB1 Filter
The fourth and final decimate by 2, half-band, low-pass, FIR
filter (HB1) uses a 63-tap, symmetrical, fixed coefficient filter
implementation that is optimized for low power consumption.
The HB1 filter is always enabled and cannot be bypassed.
Table 21 and Figure 80 show the coefficients and response of
the HB1 filter.
–100
–60
–40
–20
–160
–140
–120
–80
0
0 0.1 0.2 0.3 0.4 0.5 0.6 0.7 0.8 0.9 1.0
MAGNITUDE (dB)
14994-062
NORMALIZED FREQUENCY (× RAD/SAMPLE)
Figure 80. HB1 Filter Response
Table 21. HB1 Filter Coefficients
HB1 Coefficient
Number
Decimal
Coefficient
Quantized
Coefficient (20-Bit)
C1, C63 −0.000019 −10
C2, C62 0 0
C3, C61 0.000072 38
C4, C60 0 0
C5, C59 −0.000194 −102
C6, C58 0 0
C7, C57 0.000442 232
C8, C56 0 0
C9, C55 −0.000891 −467
C10, C54 0 0
C11, C53 0.001644 862
C12, C52 0 0
C13, C51 −0.002840 −1,489
C14, C50 0 0
C15, C49 0.004653 2,440
C16, C48 0 0
C17, C47 −0.007311 −3,833
C18, C46 0 0
C19, C45 0.011121 5,831
C20, C44 0 0
C21, C43 −0.016553 −8,679
C22, C42 0 0
C23, C41 0.024420 12,803
C24, C40 0 0
C25, C39 −0.036404 −19,086
C26, C38 0 0
C27, C37 0.056866 29,814
C28, C36 0 0
C29, C35 −0.101892 −53,421
C30, C34 0 0
C31, C33 0.316883 166,138
C32 0.500000 262,144
AD6684 Data Sheet
Rev. 0 | Page 44 of 107
DDC GAIN STAGE
Each DDC contains an independently controlled gain stage.
The gain is selectable as either 0 dB or 6 dB. When mixing a real
input signal down to baseband, it is recommended that the user
enable the 6 dB of gain to recenter the dynamic range of the
signal within the full scale of the output bits.
When mixing a complex input signal down to baseband, the mixer
has already recentered the dynamic range of the signal within
the full scale of the output bits, and no additional gain is necessary.
However, the optional 6 dB gain compensates for low signal
strengths. The downsample by 2 portion of the HB1 FIR filter is
bypassed when using the complex to real conversion stage.
DDC COMPLEX TO REAL CONVERSION
Each DDC contains an independently controlled complex to
real conversion block. The complex to real conversion block
reuses the last filter (HB1 FIR) in the filtering stage along with
an fS/4 complex mixer to upconvert the signal. After upconvert-
ing the signal, the Q portion of the complex mixer is no longer
needed and is dropped.
Figure 81 shows a simplified block diagram of the complex to
real conversion.
LOW-PASS
FILTER
2
I
Q
REAL
HB1 FIR
LOW-PASS
FILTER
2
HB1 FIR
0
1
COMPLEX TO
REAL ENABLE
Q
90°
0°
+
–
COMPLEX TO REAL CONVERSION
I
Q
I
Q
GAIN STAGE
cos(t)
sin(t)
f
S
/4
I/REAL
0dB
OR
6dB
0dB
OR
6dB
0dB
OR
6dB
0dB
OR
6dB
14994-063
Figure 81. Complex to Real Conversion Block

Data Sheet AD6684
Rev. 0 | Page 45 of 107
DDC EXAMPLE CONFIGURATIONS
Table 22 describes the register settings for multiple DDC example configurations.
Table 22. DDC Example Configurations (Per ADC Channel Pair)
Chip
Application
Layer
Chip
Decimation
Ratio
DDC Input
Type
DDC
Output
Type
Bandwidth
Per DDC1
No. of
Virtual
Converters
Required Register Settings2
One DDC 2 Complex Complex 40% × fS 2 0x0009 = 0x01, 0x02, or 0x03 (pair selection)
0x0200 = 0x01 (one DDC; I/Q selected)
0x0201 = 0x01 (chip decimate by 2)
0x0310 = 0x83 (complex mixer; 0 dB gain; variable
IF; complex outputs; HB1 filter)
0x0311 = 0x04 (DDC I input = ADC Channel A/
Channel C; DDC Q input = ADC Channel B/
Channel D)
0x0314, 0x0315, 0x0316, 0x0317, 0x0318, 0x031A,
0x031D, 0x031E, 0x031F, 0x0320, 0x0321, 0x0322 =
FTW and POW set as required by application for
DDC 0
One DDC 4 Complex Complex 20% × fS 2 0x0009 = 0x01, 0x02, or 0x03 (pair selection)
0x0200 = 0x01 (one DDC; I/Q selected)
0x0201 = 0x02 (chip decimate by 4)
0x0310= 0x80 (complex mixer; 0 dB gain; variable
IF; complex outputs; HB2 + HB1 filters)
0x0311= 0x04 (DDC I input = ADC Channel A/
Channel C; DDC Q input = ADC Channel B/
Channel D)
0x0314, 0x0315, 0x0316, 0x0317, 0x0318, 0x031A,
0x031D, 0x031E, 0x031F, 0x0320, 0x0321, 0x0322 =
FTW and POW set as required by application for
DDC 0
Two DDCs 2 Real Real 20%× fS 2 0x0009 = 0x01, 0x02, or 0x03 (pair selection)
0x0200 = 0x22 (two DDCs; I only selected)
0x0201 = 0x01 (chip decimate by 2)
0x0310, 0x0330 = 0x48 (real mixer; 6 dB gain;
variable IF; real output; HB2 + HB1 filters)
0x0311 = 0x00 (DDC 0 I input = ADC Channel A/
Channel C; DDC 0 Q input = ADC Channel A/
Channel C)
0x0331 = 0x05 (DDC 1 I input = ADC Channel B/
Channel D; DDC 1 Q input = ADC Channel B/
Channel D)
0x0314, 0x0315, 0x0316, 0x0317, 0x0318, 0x031A,
0x031D, 0x031E, 0x031F, 0x0320, 0x0321, 0x0322 =
FTW and POW set as required by application for
DDC 0
0x0334, 0x0335, 0x0336, 0x0337, 0x0338, 0x033A,
0x033D, 0x033E, 0x033F, 0x0340, 0x0341, 0x0342 =
FTW and POW set as required by application for
DDC 1

AD6684 Data Sheet
Rev. 0 | Page 46 of 107
Chip
Application
Layer
Chip
Decimation
Ratio
DDC Input
Type
DDC
Output
Type
Bandwidth
Per DDC1
No. of
Virtual
Converters
Required Register Settings2
Two DDCs 2 Complex Complex 40%× fS 4 0x0009 = 0x01, 0x02, or 0x03 (pair selection)
0x0200 = 0x22 (two DDCs; I only selected)
0x0201 = 0x01 (chip decimate by 2)
0x0310, 0x0330 = 0x4B (complex mixer; 6 dB gain;
variable IF; complex output; HB1 filter)
0x0311, 0x0331 = 0x04 (DDC 0 I input = ADC
Channel A/Channel C; DDC 0 Q input = ADC
Channel B/Channel D)
0x0314, 0x0315, 0x0316, 0x0317, 0x0318, 0x031A,
0x031D, 0x031E, 0x031F, 0x0320, 0x0321, 0x0322 =
FTW and POW set as required by application for
DDC 0
0x0334, 0x0335, 0x0336, 0x0337, 0x0338, 0x033A,
0x033D, 0x033E, 0x033F, 0x0340, 0x0341, 0x0342=
FTW and POW set as required by application for
DDC 1
Two DDCs 4 Complex Complex 20% × fS 4 0x0009 = 0x01, 0x02, or 0x03 (pair selection)
0x0200 = 0x02 (two DDCs; I/Q selected)
0x0201 = 0x02 (chip decimate by 4)
0x0310, 0x0330 = 0x80 (complex mixer; 0 dB gain;
variable IF; complex outputs; HB2 + HB1 filters)
0x0311, 0x0331 = 0x04 (DDC I input = ADC
Channel A/Channel C; DDC Q input = ADC
Channel B/Channel D)
0x0314, 0x0315, 0x0316, 0x0317, 0x0318, 0x031A,
0x031D, 0x031E, 0x031F, 0x0320, 0x0321, 0x0322 =
FTW and POW set as required by application for
DDC 0
0x0334, 0x0335, 0x0336, 0x0337, 0x0338, 0x033A,
0x033D, 0x033E, 0x033F, 0x0340, 0x0341, 0x0342=
FTW and POW set as required by application for
DDC 1
Two DDCs 4 Complex Real 10% × fS 2 0x0009 = 0x01, 0x02, or 0x03 (pair selection)
0x0200 = 0x22 (two DDCs; I only selected)
0x0201 = 0x02 (chip decimate by 4)
0x0310, 0x0330 = 0x89 (complex mixer; 0 dB gain;
variable IF; real output; HB3 + HB2 + HB1 filters)
0x0311, 0x0331 = 0x04 (DDC I input = ADC
Channel A/Channel C; DDC Q input = ADC
Channel B/Channel D)
0x0314, 0x0315, 0x0316, 0x0317, 0x0318, 0x031A,
0x031D, 0x031E, 0x031F, 0x0320, 0x0321, 0x0322 =
FTW and POW set as required by application for
DDC 0
0x0334, 0x0335, 0x0336, 0x0337, 0x0338, 0x033A,
0x033D, 0x033E, 0x033F, 0x0340, 0x0341, 0x0342=
FTW and POW set as required by application for
DDC 1

Data Sheet AD6684
Rev. 0 | Page 47 of 107
Chip
Application
Layer
Chip
Decimation
Ratio
DDC Input
Type
DDC
Output
Type
Bandwidth
Per DDC1
No. of
Virtual
Converters
Required Register Settings2
Two DDCs 4 Real Real 10% × fS 2 0x0009 = 0x01, 0x02, or 0x03 (pair selection)
0x0200 = 0x22 (two DDCs; I only selected)
0x0201 = 0x02 (chip decimate by 4)
0x0310, 0x0330 = 0x49 (real mixer; 6 dB gain;
variable IF; real output; HB3 + HB2 + HB1 filters)
0x0311 = 0x00 (DDC 0 I input = ADC Channel A/
Channel C; DDC 0 Q input = ADC Channel A/
Channel C)
0x0331 = 0x05 (DDC 1 I input = ADC Channel B/
Channel D; DDC 1 Q input = ADC Channel B/
Channel D)
0x0314, 0x0315, 0x0316, 0x0317, 0x0318, 0x031A,
0x031D, 0x031E, 0x031F, 0x0320, 0x0321, 0x0322 =
FTW and POW set as required by application for
DDC 0
0x0334, 0x0335, 0x0336, 0x0337, 0x0338, 0x033A,
0x033D, 0x033E, 0x033F, 0x0340, 0x0341, 0x0342=
FTW and POW set as required by application for
DDC 1
Two DDCs 4 Real Complex 20% × fS 4 0x0009 = 0x01, 0x02, or 0x03 (pair selection)
0x0200 = 0x02 (two DDCs; I/Q selected)
0x0201 = 0x02 (chip decimate by 4)
0x0310, 0x0330 = 0x40 (real mixer; 6 dB gain;
variable IF; complex output; HB2 + HB1 filters)
0x0311 = 0x00 (DDC 0 I input = ADC Channel A/
Channel C; DDC 0 Q input = ADC Channel A/
Channel C)
0x0331 = 0x05 (DDC 1 I input = ADC Channel B/
Channel D; DDC 1 Q input = ADC Channel B/
Channel D)
0x0314, 0x0315, 0x0316, 0x0317, 0x0318, 0x031A,
0x031D, 0x031E, 0x031F, 0x0320, 0x0321, 0x0322 =
FTW and POW set as required by application for
DDC 0
0x0334, 0x0335, 0x0336, 0x0337, 0x0338, 0x033A,
0x033D, 0x033E, 0x033F, 0x0340, 0x0341, 0x0342=
FTW and POW set as required by application for
DDC 1

AD6684 Data Sheet
Rev. 0 | Page 48 of 107
Chip
Application
Layer
Chip
Decimation
Ratio
DDC Input
Type
DDC
Output
Type
Bandwidth
Per DDC1
No. of
Virtual
Converters
Required Register Settings2
Two DDCs 8 Real Real 5% × fS 2 0x0009 = 0x01, 0x02, or 0x03 (pair selection)
0x0200 = 0x22 (two DDCs; I only selected)
0x0201 = 0x03 (chip decimate by 8)
0x0310, 0x0330 = 0x4A (real mixer; 6 dB gain;
variable IF; real output; HB4 + HB3 + HB2 + HB1
filters)
0x0311 = 0x00 (DDC 0 I input = ADC Channel A/
Channel C; DDC 0 Q input = ADC Channel A/
Channel C)
0x0331 = 0x05 (DDC 1 I input = ADC Channel B/
Channel D; DDC 1 Q input = ADC Channel B/
Channel D)
0x0314, 0x0315, 0x0316, 0x0317, 0x0318, 0x031A,
0x031D, 0x031E, 0x031F, 0x0320, 0x0321, 0x0322 =
FTW and POW set as required by application for
DDC 0
0x0334, 0x0335, 0x0336, 0x0337, 0x0338, 0x033A,
0x033D, 0x033E, 0x033F, 0x0340, 0x0341, 0x0342=
FTW and POW set as required by application for
DDC 1
1 fS is the ADC sample rate. Bandwidths listed are <−0.001 dB of pass-band ripple and >100 dB of stop-band alias rejection.
2 The NCOs must be synchronized either through the SPI or through the SYSREF± pin after all writes to the FTW or POW registers have completed. This is necessary to
ensure the proper operation of the NCO. See the NCO Synchronization section for more information.
Data Sheet AD6684
Rev. 0 | Page 49 of 107
NOISE SHAPING REQUANTIZER (NSR)
When operating the AD6684 with the NSR enabled, a decimating
half-band filter that is optimized at certain input frequency bands
can also be enabled. This filter offers the user the flexibility in
signal bandwidth processing and image rejection. Careful
frequency planning can offer advantages in analog filtering
preceding the ADC. The filter can function either in high-pass
or low-pass mode. The filter can be optionally enabled on the
AD6684 when the NSR is enabled. When operating with the
NSR enabled, the decimating half-band filter mode (low pass or
high pass) is selected by setting Bit 7 in Register 0x041E. When the
decimating half-band filter is enabled, the chip decimation ratio
register (Register 0x0201) must be set to a decimation rate of 2
(register value = 0x01).
DECIMATING HALF-BAND FILTER
The AD6684 optional decimating half-band filter reduces the
input sample rate by a factor of 2 while rejecting aliases that fall
into the band of interest. For an input sample clock of 500 MHz,
this filter reduces the output sample rate to 250 MSPS. This filter is
designed to provide >40 dB of alias protection for 39.5% of the
output sample rate (79% of the Nyquist band). For an ADC sample
rate of 500 MSPS, the filter provides a maximum usable
bandwidth of 98.75 MHz.
Half-Band Filter Coefficients
The 19-tap, symmetrical, fixed coefficient half-band filter has
low power consumption due to its polyphase implementation.
Table 23 lists the coefficients of the half-band filter in low-pass
mode. In high-pass mode, Coefficient C9 is multiplied by −1.
The decimal coefficients used in the implementation and the
decimal equivalent values of the coefficients are listed.
Coefficients not listed in Table 23 are 0s.
Table 23. Fixed Coefficients for Half-Band Filter
Coefficient
Number
Decimal
Coefficient
Quantized
Coefficient (12-Bit)
0 0.012207 25
C2, C16 −0.022949 −47
C4, C14 0.045410 93
C6, C12 −0.094726 −194
C8, C10 0.314453 644
C9 0.500000 1024
Half-Band Filter Features
The half-band decimating filter provides approximately 39.5%
of the output sample rate in usable bandwidth (19.75% of the
input sample clock). The filter provides >40 dB of rejection. The
normalized response of the half-band filter in low-pass mode is
shown in Figure 82. In low-pass mode, operation is allowed in
the first Nyquist zone, which includes frequencies of up to fS/2,
where fS is the decimated sample rate. For example, with an
input clock of 500 MHz, the output sample rate is 250 MSPS
and fS/2 = 125 MHz.
–80
–70
–60
–50
–40
–30
–20
–10
0
10
0 0.05 0.10 0.15 0.20 0.25
NORMALIZED FREQUENCY (× RAD/SAMPLE)
MAGNITUDE (dB)
0.30 0.35 0.40 0.45 0.50
14994-064
Figure 82. Low-Pass, Half-Band Filter Response
The half-band filter can also be used in high-pass mode. The
usable bandwidth remains at 39.5% of the output sample rate
(19.75% of the input sample clock), which is the same as in low-
pass mode). Figure 83 shows the normalized response of the
half-band filter in high-pass mode. In high-pass mode, operation
is allowed in the second and third Nyquist zones, which includes
frequencies from fS/2 to 3fS/2, where fS is the decimated sample
rate. For example, with an input clock of 500 MHz, the output
sample rate is 250 MSPS, fS/2 = 125 MHz, and 3fS/2 = 375 MHz.
–80
–70
–60
–50
–40
–30
–20
–10
0
10
0 0.1 0.2 0.3 0.4 0.5
NORMALIZED FREQUENCY (× RAD/SAMPLE)
MAGNITUDE (dB)
0.6 0.7 0.8 0.9 1.0
14994-065
Figure 83. High-Pass, Half-Band Filter Response

AD6684 Data Sheet
Rev. 0 | Page 50 of 107
NSR OVERVIEW
The AD6684 features an NSR to allow higher than 9-bit SNR to
be maintained in a subset of the Nyquist band. The harmonic
performance of the receiver is unaffected by the NSR feature.
When enabled, the NSR contributes an additional 3.0 dB of loss
to the input signal, such that a 0 dBFS input is reduced to
−3.0 dBFS at the output pins. This loss does not degrade the SNR
performance of the AD6684.
The NSR feature can be independently controlled per channel
via the SPI.
Two different bandwidth modes are provided; select the mode
from the SPI port. In each of the two modes, the center frequency
of the band can be tuned such that IFs can be placed anywhere
in the Nyquist band. The NSR feature is enabled by default on
the AD6684. The bandwidth and mode of the NSR operation
are selected by setting the appropriate bits in Register 0x0420
and Register 0x0422. By selecting the appropriate profile and
mode bits in these two registers, the NSR feature can be enabled
for the desired mode of operation.
21% BW Mode (>100 MHz at 491.52 MSPS)
The first NSR mode offers excellent noise performance across a
bandwidth that is 21% of the ADC output sample rate (42% of
the Nyquist band) and can be centered by setting the NSR mode
bits in the NSR mode register (Address 0x0420) to 000. In this
mode, the useful frequency range can be set using the 6-bit
tuning word in the NSR tuning register (Address 0x0422).
There are 59 possible tuning words (TW), from 0 to 58; each
step is 0.5% of the ADC sample rate. The following three
equations describe the left band edge (f0), the channel center
(fCENTER), and the right band edge (f1), respectively:
f0 = fADC × 0.005 × TW
fCENTER = f0 + 0.105 × fADC
f1 = f0 + 0.21 × fADC
28% BW Mode (>130 MHz at 491.52 MSPS)
The second NSR mode offers excellent noise performance
across a bandwidth that is 28% of the ADC output sample rate
(56% of the Nyquist band) and can be centered by setting the
NSR mode bits in the NSR mode register (Address 0x0420) to
001. In this mode, the useful frequency range can be set using
the 6-bit tuning word in the NSR tuning register (Address 0x0422).
There are 44 possible tuning words (TW, from 0 to 43); each step is
0.5% of the ADC sample rate. The following three equations
describe the left band edge (f0), the channel center (fCENTER), and
the right band edge (f1), respectively:
f0 = fADC × 0.005 × TW
fCENTER = f0 + 0.14 × fADC
f1 = f0 + 0.28 × fADC
Data Sheet AD6684
Rev. 0 | Page 51 of 107
VARIABLE DYNAMIC RANGE (VDR)
The AD6684 features a VDR digital processing block to allow
up to a 14-bit dynamic range to be maintained in a subset of the
Nyquist band. Across the full Nyquist band, a minimum 9-bit
dynamic range is available at all times. This operation is suitable
for applications such as DPD processing. The harmonic perfor-
mance of the receiver is unaffected by this feature. When enabled,
VDR does not contribute loss to the input signal but operates by
effectively changing the output resolution at the output pins.
This feature can be independently controlled per channel via
the SPI.
The VDR block operates in either complex or real mode. In
complex mode, VDR has selectable bandwidths of 25% and 43%
of the output sample rate. In real mode, the bandwidth of
operation is limited to 25% of the output sample rate. The
bandwidth and mode of the VDR operation are selected by
setting the appropriate bits in Register 0x0430.
When the VDR block is enabled, input signals that violate a
defined mask (signified by the gray shaded areas in Figure 84)
result in the reduction of the output resolution of the AD6684.
The VDR block analyzes the peak value of the aggregate signal
level in the disallowed zones to determine the reduction of the
output resolution. To indicate that the AD6684 is reducing
output, the resolution VDR punish bits and/or a VDR high/low
resolution bit can optionally be inserted into the output data
stream as control bits by programming the appropriate value
into Register 0x0559 and Register 0x055A. Up to two control
bits can be used without the need to change the converter
resolution parameter, N. Up to three control bits can be used,
but if using three, the converter resolution parameter, N, must
be changed to 13. The VDR high/low resolution bit can be
programmed into either of the three available control bits and
indicates if VDR is reducing output resolution (bit value is a 1),
or if full resolution is available (bit value is a 0). Enable the two
punish bits to provide a clearer indication of the available resolution
of the sample. To decode these two bits, see Table 24.
Table 24. VDR Reduced Output Resolution Values
VDR Punish Bits[1:0] Output Resolution (Bits)
00 14
01 13
10 12 or 11
11 10 or 9
The frequency zones of the mask are defined by the bandwidth
mode selected in Register 0x0430. The upper amplitude limit
for input signals located in these frequency zones is −30 dBFS.
If the input signal level in the disallowed frequency zones exceeds
an amplitude level of –30 dBFS (into the gray shaded areas), the
VDR block triggers a reduction in the output resolution, as shown
in Figure 84. The VDR block engages and begins limiting output
resolution gradually as the signal amplitudes increase in the
mask regions. As the signal amplitude level increases into the
mask regions, the output resolution is gradually lowered. For
every 6 dB increase in signal level above −30 dBFS, one bit of
output resolution is discarded from the output data by the VDR
block, as shown in Table 25. These zones can be tuned within
the Nyquist band by setting Bits[3:0] in Register 0x0434 to
determine the VDR center frequency (fVDR). The VDR center
frequency in complex mode can be adjusted from 1/16 fS to
15/16 fS in 1/16 fS steps. In real mode, fVDR can be adjusted from
1/8 fS to 3/8 fS in 1/16 fS steps.
Table 25. VDR Reduced Output Resolution Values
Signal Amplitude Violating Defined
VDR Mask
Output Resolution
(Bits)
Amplitude ≤ −30 dBFS 14
−30 dBFS < amplitude ≤ −24 dBFS 13
−24 dBFS < amplitude ≤ −18 dBFS 12
−18 dBFS < amplitude ≤ −12 dBFS 11
−12 dBFS < amplitude ≤ −6 dBFS 10
−6 dBFS < amplitude ≤ 0 dBFS 9
dBFS
–30
0
INTERMODULATION PRODUCTS < –30dBFS INTERMODULATION PRODUCTS > –30dBFS
f
S
0
f
S
14994-072
Figure 84. VDR Operation—Reduction in Output Resolution
AD6684 Data Sheet
Rev. 0 | Page 52 of 107
VDR REAL MODE
The real mode of VDR works over a bandwidth of 25% of the
sample rate (50% of the Nyquist band). The output bandwidth
of the AD6684 can be 25% only when operating in real mode.
Figure 85 shows the frequency zones for the 25% bandwidth
real output VDR mode tuned to a center frequency (fVDR) of fS/4
(tuning word = 0x04). The frequency zones where the amplitude
cannot exceed −30 dBFS are the upper and lower portions of
the Nyquist band signified by the gray shaded areas.
dBFS
–30
01/8
f
S
3/8
f
S
1/2
f
S
14994-073
Figure 85. 25% VDR Bandwidth, Real Mode
The center frequency (fVDR) of the VDR function can be tuned
within the Nyquist band from 1/8 fS to 3/8 fS in 1/16 fS steps. In
real mode, Tuning Word 2 (0x02) through Tuning Word 6
(0x06) are valid. Table 26 shows the relative frequency values,
and Table 27 shows the absolute frequency values based on a
sample rate of 491.52 MSPS.
Table 26. VDR Tuning Words and Relative Frequency
Values, 25% BW, Real Mode
Tuning
Word
Lower Band
Edge
Center
Frequency
Upper Band
Edge
2 (0x02) 0 1/8 fS 1/4 fS
3 (0x03) 1/16 fS 3/16 fS 5/16 fS
4 (0x04) 1/8 fS 1/4 fS 3/8 fS
5 (0x05) 3/16 fS 5/16 fS 7/16 fS
6 (0x06) 1/4 fS 3/8 fS 1/2 fS
Table 27. VDR Tuning Words and Absolute Frequency
Values, 25% BW, Real Mode (fS = 491.52 MSPS)
Tuning
Word
Lower Band
Edge (MHz)
Center
Frequency
(MHz)
Upper Band
Edge (MHz)
2 (0x02) 0 61.44 122.88
3 (0x03) 30.72 92.16 153.6
4 (0x04) 61.44 122.88 184.32
5 (0x05) 92.16 153.6 215.04
6 (0x06) 122.88 184.32 245.76
VDR COMPLEX MODE
The complex mode of VDR works with selectable bandwidths
of 25% of the sample rate (50% of the Nyquist band) and 43% of
the sample rate (86% of the Nyquist band). Figure 86 and Figure 87
show the frequency zones for VDR in the complex mode. When
operating VDR in complex mode, place in-phase (I) input signal
data in Channel A and place quadrature (Q) signal data in
Channel B.
Figure 86 shows the frequency zones for the 25% bandwidth
VDR mode with a center frequency of fS/4 (tuning word =
0x04). The frequency zones where the amplitude may not
exceed −30 dBFS are the upper and lower portions of the
Nyquist band extending into the complex domain.
–30
dBFS
1/8
f
S
3/8
f
S
1/2
f
S
–1/2
f
S
0
14994-074
Figure 86. 25% VDR Bandwidth, Complex Mode
The center frequency (fVDR) of the VDR function can be tuned
within the Nyquist band from 0 to 15/16 fS in 1/16 fS steps. In
complex mode, Tuning Word 0 (0x00) through Tuning Word 15
(0x0F) are valid. Table 28 and Table 29 show the tuning words
and frequency values for the 25% complex mode. Table 28
shows the relative frequency values, and Table 29 shows the
absolute frequency values based on a sample rate of 491.52 MSPS.
Table 28. VDR Tuning Words and Relative Frequency
Values, 25% BW, Complex Mode
Tuning Word
Lower
Band Edge
Center
Frequency
Upper Band
Edge
0 (0x00) −1/8 fS 0 1/8 fS
1 (0x01) −1/16 fS 1/16 fS 3/16 fS
2 (0x02) 0 1/8 fS 1/4 fS
3 (0x03) 1/16 fS 3/16 fS 5/16 fS
4 (0x04) 1/8 fS 1/4 fS 3/8 fS
5 (0x05) 3/16 fS 5/16 fS 7/16 fS
6 (0x06) 1/4 fS 3/8 fS 1/2 fS
7 (0x07) 5/16 fS 7/16 fS 9/16 fS
8 (0x08) 3/8 fS 1/2 fS 5/8 fS
9 (0x09) 7/16 fS 9/16 fS 11/16 fS
10 (0x0A) 1/2 fS 5/8 fS 3/4 fS
11 (0x0B) 9/16 fS 11/16 fS 13/16 fS
12 (0x0C) 5/8 fS 3/4 fS 7/8 fS
13 (0x0D) 11/16 fS 13/16 fS 15/16 fS
14 (0x0E) 3/4 fS 7/8 fS f
S
15 (0x0F) 13/16 fS 15/16 fS 17/16 fS

Data Sheet AD6684
Rev. 0 | Page 53 of 107
Table 29. VDR Tuning Words and Absolute Frequency
Values, 25% BW, Complex Mode (fS = 491.52 MSPS)
Tuning
Word
Lower
Band Edge
(MHz)
Center
Frequency
(MHz)
Upper Band
Edge (MHz)
0 (0x00) −61.44 0.00 61.44
1 (0x01) −30.72 30.72 92.16
2 (0x02) 0.00 61.44 122.88
3 (0x03) 30.72 92.16 153.6
4 (0x04) 61.44 122.88 184.32
5 (0x05) 92.16 153.6 215.04
6 (0x06) 122.88 184.32 245.76
7 (0x07) 153.6 215.04 276.48
8 (0x08) 184.32 245.76 307.2
9 (0x09) 215.04 276.48 337.92
10 (0x0A) 245.76 307.2 368.64
11 (0x0B) 276.48 337.92 399.36
12 (0x0C) 307.2 368.64 430.08
13 (0x0D) 337.92 399.36 460.8
14 (0x0E) 368.64 430.08 491.52
15 (0x0F) 399.36 460.8 522.24
Table 30 and Table 31 show the tuning words and frequency
values for the 43% complex mode. Table 30 shows the relative
frequency values, and Table 31 shows the absolute frequency
values based on a sample rate of 491.52 MSPS. Figure 87 shows
the frequency zones for the 43% BW VDR mode with a center
frequency (fVDR) of fS/4 (tuning word = 0x04). The frequency
zones where the amplitude may not exceed −30 dBFS are the
upper and lower portions of the Nyquist band extending into
the complex domain.
dBFS
1/29 f
S
1/4 f
S
20/43 f
S
1/2 f
S
–1/2 f
S
0
–
30
14994-075
Figure 87. 43% VDR Bandwidth, Complex Mode
Table 30. VDR Tuning Words and Relative Frequency
Values, 43% BW, Complex Mode
Tuning Word
Lower Band
Edge (MHz)
Center
Frequency
(MHz)
Upper Band
Edge (MHz)
0 (0x00) −14/65 fS 0 14/65 fS
1 (0x01) −11/72 fS 1/16 fS 5/18 fS
2 (0x02) −1/11 fS 1/8 fS 16/47 fS
3 (0x03) −1/36 fS 3/16 fS 29/72 fS
4 (0x04) 1/29 fS 1/4 fS 20/43 fS
5 (0x05) 7/72 fS 5/16 fS 19/36 fS
6 (0x06) 4/25 fS 3/8 fS 49/83 fS
7 (0x07) 2/9 fS 7/16 fS 47/72 fS
8 (0x08) 2/7 fS 1/2 fS 5/7 fS
9 (0x09) 25/72 fS 9/16 fS 7/9 fS
10 (0x0A) 34/83 fS 5/8 fS 21/25 fS
11 (0x0B) 17/36 fS 11/16 fS 65/72 fS
12 (0x0C) 23/43 fS 3/4 fS 28/29 fS
13 (0x0D) 43/72 fS 13/16 fS 37/36 fS
14 (0x0E) 31/47 fS 7/8 fS 12/11 fS
15 (0x0F) 13/18 fS 15/16 fS 83/72 fS
Table 31. VDR Tuning Words and Absolute Frequency
Values, 43% BW, Complex Mode (fS = 491.52 MSPS)
Tuning Word
Lower Band
Edge (MHz)
Center
Frequency
(MHz)
Upper Band
Edge (MHz)
0 (0x00) −105.37 0.00 105.87
1 (0x01) −75.09 30.72 136.53
2 (0x02) −44.68 61.44 167.33
3 (0x03) −13.65 92.16 197.97
4 (0x04) 16.95 122.88 228.61
5 (0x05) 47.79 153.6 259.41
6 (0x06) 78.64 184.32 290.17
7 (0x07) 109.23 215.04 320.85
8 (0x08) 140.43 245.76 351.09
9 (0x09) 170.67 276.48 382.29
10 (0x0A) 201.35 307.2 412.88
11 (0x0B) 232.11 337.92 443.73
12 (0x0C) 262.91 368.64 474.57
13 (0x0D) 293.55 399.36 505.17
14 (0x0E) 324.19 430.08 536.2
15 (0x0F) 354.99 460.8 566.61

AD6684 Data Sheet
Rev. 0 | Page 54 of 107
DIGITAL OUTPUTS
INTRODUCTION TO THE JESD204B INTERFACE
The AD6684 digital outputs are designed to the JEDEC standard
JESD204B, serial interface for data converters. JESD204B is a
protocol to link the AD6684 to a digital processing device over
a serial interface with lane rates of up to 15 Gbps. The benefits
of the JESD204B interface over LVDS include a reduction in
required board area for data interface routing, and an ability to
enable smaller packages for converter and logic devices.
JESD204B OVERVIEW
The JESD204B data transmit blocks assemble the parallel data
from the ADC into frames and uses 8-bit/10-bit encoding as
well as optional scrambling to form serial output data. Lane
synchronization is supported through the use of special control
characters during the initial establishment of the link. Additional
control characters are embedded in the data stream to maintain
synchronization thereafter. A JESD204B receiver is required to
complete the serial link. For additional details on the JESD204B
interface, refer to the JESD204B standard.
The JESD204B data transmit blocks in the AD6684 map up to
two physical ADCs or up to four virtual converters (when the
DDCs are enabled) over each of the two JESD204B links. Each
link can be configured to use one or two JESD204B lanes for up
to a total of four lanes for the AD6684 chip. The JESD204B
specification refers to a number of parameters to define the
link, and these parameters must match between the JESD204B
transmitter (the AD6684 output) and the JESD204B receiver
(the logic device input). The JESD204B outputs of the AD6684
function effectively as two individual JESD204B links. The two
JESD204B links can be synchronized, if desired, using the
SYSREF± input.
Each JESD204B link is described according to the following
parameters:
L = number of lanes per converter device (lanes per link)
(AD6684 value = 1 or 2)
M = number of converters per converter device (virtual
converters per link)
(AD6684 value = 1, 2, or 4)
F = octets per frame (AD6684 value = 1, 2, 4, or 8)
N΄ = number of bits per sample (JESD204B word size)
(AD6684 value = 8 or 16)
N = converter resolution
(AD6684 value = 7 to 16)
CS = number of control bits per sample
(AD6684 value = 0, 1, 2, or 3)
K = number of frames per multiframe
(AD6684 value = 4, 8, 12, 16, 20, 24, 28, or 32 )
S = samples transmitted per single converter per frame cycle
(AD6684 value = set automatically based on L, M, F, and N΄)
HD = high density mode (AD6684 = set automatically based
on L, M, F, and N΄)
CF = number of control words per frame clock cycle per
converter device (AD6684 value = 0)
Figure 88 shows a simplified block diagram of the AD6684
JESD204B link. By default, the AD6684 is configured to use four
converters and four lanes. The Converter A and Converter B
data is output to SERDOUTAB0± and SERDOUTAB1±, and the
Converter C and Converter D data is output to SERDOUTCD0±
and SERDOUTCD1±. The AD6684 allows other configurations,
such as combining the outputs of each pair of converters into a
single lane, or changing the mapping of the digital output paths.
These modes are set up via a quick configuration register in the
SPI register map, along with additional customizable options.
By default in the AD6684, the 14-bit converter word from each
converter is broken into two octets (eight bits of data). Bit 13
(MSB) through Bit 6 are in the first octet. The second octet
contains Bit 5 through Bit 0 (LSB) and two tail bits. The tail bits
can be configured as zeros or a pseudorandom number sequence.
The tail bits can also be replaced with control bits indicating
overrange, SYSREF±, VDR punish bits, or fast detect output.
Control bits are filled and inserted MSB first such that enabling
CS = 1 activates Control Bit 2, enabling CS = 2 activates Control
Bit 2 and Control Bit 1, and enabling CS = 3 activates Control Bit 2,
Control Bit 1, and Control Bit 0.
The two resulting octets can be scrambled. Scrambling is
optional; however, it is recommended to avoid spectral peaks
when transmitting similar digital data patterns. The scrambler
uses a self synchronizing, polynomial-based algorithm defined
by the equation 1 + x14 + x15. The descrambler in the receiver is
a self synchronizing version of the scrambler polynomial.
The two octets are then encoded with an 8-bit/10-bit encoder.
The 8-bit/10-bit encoder works by taking eight bits of data (an
octet) and encoding them into a 10-bit symbol. Figure 89 shows
how the 14-bit data is taken from the ADC, the tail bits are
added, the two octets are scrambled, and how the octets are
encoded into two 10-bit symbols. Figure 89 shows the default
data format.
Data Sheet AD6684
Rev. 0 | Page 55 of 107
MUX/
FORMAT
(SPI REGISTERS:
0x0561, 0x0564)
MUX/
FORMAT
(SPI REGISTERS:
0x0561, 0x0564)
JESD204B PAIR
A/B LINK
CONTROL
(L, M, F)
(SPI REGISTER
0x0570)
JESD204B PAIR
A/B LINK
CONTROL
(L, M, F)
(SPI REGISTER
0x0570)
LANE MUX
AND MAPPING
(SPI
REGISTERS:
0x05B0,
0x05B2,
0x05B3)
LANE MUX
AND MAPPING
(SPI
REGISTERS:
0x05B0,
0x05B2,
0x05B3)
CONVERTER
A
INPUT
CONVERTER B
INPUT
CONVERTER C
INPUT
CONVERTER D
INPUT
ADC A
ADC B
ADC C
ADC D
SERDOUTAB0+
SERDOUTAB0–
SERDOUTAB1+
SERDOUTAB1–
SERDOUTCD0+
SERDOUTCD0–
SERDOUTCD1+
SERDOUTCD1–
SYSREF±
SYNCINAB±
SYNCINCD±
14994-076
Figure 88. Transmit Link Simplified Block Diagram Showing Full Bandwidth Mode (Register 0x0200 = 0x00)
JESD204B SAMPLE
CONSTRUCTION
SERDOUTAB0±/
SERDOUTCD0±/
SERDOUTAB0±/
SERDOUTCD0±/
TAIL BITS
REG 0x0571[6]
FRAME
CONSTRUCTION
SCRAMBLER
1 +
x
14
+
x
15
(OPTIONAL)
8-BIT/10-BIT
ENCODER
SERIALIZER
ADC
ADC TEST PATTERNS
(REG 0x0550,
REG 0x0551 TO REG 0x0558)
JESD204B LONG
TRANSPORT TEST
PATTERN
REG 0x0571[5]
JESD204B DATA
LINK LAYER TEST
PATTERNS
REG 0x0574[2:0]
MSB
LSB
SYMBOL0 SYMBOL1
a
A13
A12
A11
A10
A9
A8
A7
A6
A5
A4
A3
A2
A1
A0
A13
A12
A11
A10
A9
A8
A7
A6
A5
A4
A3
A2
A1
A0
C2
T
OCTET0
OCTET1
OCTET0
OCTET1
MSB
LSB
S7
S6
S5
S4
S3
S2
S1
S0
MSB
LSB
b c d e f g h i j
ab . . . . . . . .a bi j i j
a b c d e f g h i j
C2
C1
C0
CONTROL BITS
JESD204B
INTERFACE TEST
PATTERNS
(REG 0x0573,
REG 0x0551 TO REG 0x0558)
S7
S6
S5
S4
S3
S2
S1
S0
14994-077
Figure 89. ADC Output Datapath Showing Data Framing
TRANSPORT
LAYER
PHYSICAL
LAYER
DATA LINK
LAYER
Tx OUTPUT
SAMPLE
CONSTRUCTION
FRAME
CONSTRUCTION SCRAMBLER
ALIGNMENT
CHARACTER
GENERATION
8-BIT/10-BIT
ENCODER
CROSSBAR
MUX SERIALIZER
PROCESSED
SAMPLES
FROM ADC
SYSREF±
SYNCINB±
14994-078
Figure 90. Data Flow
TTTITWTTTTII---||T~-~TT|TT---TT|||---|T||
T—T_T_T_
T T T
AD6684 Data Sheet
Rev. 0 | Page 56 of 107
FUNCTIONAL OVERVIEW
The block diagram in Figure 90 shows the flow of data through
each of the two JESD204B links from the sample input to the
physical output. The processing can be divided into layers that
are derived from the open source initiative (OSI) model widely
used to describe the abstraction layers of communications
systems. These layers are the transport layer, data link layer, and
physical layer (serializer and output driver).
Transport Layer
The transport layer handles packing the data (consisting of
samples and optional control bits) into JESD204B frames that
are mapped to 8-bit octets. These octets are sent to the data link
layer. The transport layer mapping is controlled by rules derived
from the link parameters. Tail bits are added to fill gaps where
required. The following equation can be used to determine the
number of tail bits within a sample (JESD204B word):
T = N΄ – N – CS
Data Link Layer
The data link layer is responsible for the low level functions of
passing data across the link. These functions include optionally
scrambling the data, inserting control characters for multichip
synchronization, lane alignment, or monitoring, and encoding
8-bit octets into 10-bit symbols. The data link layer is also
responsible for sending the initial lane alignment sequence
(ILAS), which contains the link configuration data used by the
receiver to verify the settings in the transport layer.
Physical Layer
The physical layer consists of the high speed circuitry clocked at
the serial clock rate. In this layer, parallel data is converted into
one, two, or four lanes of high speed differential serial data.
JESD204B LINK ESTABLISHMENT
The AD6684 JESD204B transmitter (Tx) interface operates in
Subclass 1 as defined in the JEDEC Standard 204B (July 2011
specification). The link establishment process is divided into the
following steps: code group synchronization and SYNCINB±AB/
SYNCINB±CD, initial lane alignment sequence, and user data
and error correction.
Code Group Synchronization (CGS) and SYNCINB±
The CGS is the process by which the JESD204B receiver finds
the boundaries between the 10-bit symbols in the stream of
data. During the CGS phase, the JESD204B transmit block
transmits /K28.5/ characters. The receiver must locate /K28.5/
characters in its input data stream using clock and data recovery
(CDR) techniques.
The receiver issues a synchronization request by asserting the
SYNCINB±AB and SYNCINB±CD pins of the AD6684 low.
The JESD204B Tx then begins sending /K/ characters. After the
receiver synchronizes, it waits for the correct reception of at
least four consecutive /K/ symbols. It then deasserts SYNCINB±AB
and SYNCINB±CD. The AD6684 then transmits an ILAS on
the following local multiframe clock (LMFC) boundary.
For more information on the code group synchronization
phase, refer to the JEDEC Standard JESD204B, July 2011,
Section 5.3.3.1.
The SYNCINB±AB and SYNCINB±CD pin operation can also
be controlled by the SPI. The SYNCINB±AB and SYNCINB±CD
signals are differential LVDS mode signals by default, but can
also be driven single-ended. For more information on configuring
the SYNCINB±AB and SYNCINB±CD pin operation, refer to
Register 0x0572.
Initial Lane Alignment Sequence (ILAS)
The ILAS phase follows the CGS phase and begins on the next
LMFC boundary. The ILAS consists of four mulitframes, with
an /R/ character marking the beginning and an /A/ character
marking the end. The ILAS begins by sending an /R/ character
followed by 0 to 255 ramp data for one multiframe. On the
second multiframe, the link configuration data is sent, starting
with the third character. The second character is a /Q/ character
to confirm that the link configuration data follows. All
undefined data slots are filled with ramp data. The ILAS
sequence is never scrambled.
The ILAS sequence construction is shown in Figure 91. The
four multiframes include the following:
Multiframe 1. Begins with an /R/ character (/K28.0/) and
ends with an /A/ character (/K28.3/).
Multiframe 2. Begins with an /R/ character followed by a
/Q/ (/K28.4/) character, followed by link configuration
parameters over 14 configuration octets (see Table 32) and
ends with an /A/ character. Many of the parameter values
are of the value – 1 notation.
Multiframe 3. Begins with an /R/ character (/K28.0/) and
ends with an /A/ character (/K28.3/).
Multiframe 4. Begins with an /R/ character (/K28.0/) and
ends with an /A/ character (/K28.3/).
K K R D D A R Q C C D D A R D D A R D D A D
START OF
ILAS
START OF LINK
CONFIGURATION DATA
END OF
MULTIFRAME
START OF
USER DATA
14994-079
Figure 91. Initial Lane Alignment Sequence
Data Sheet AD6684
Rev. 0 | Page 57 of 107
User Data and Error Detection
After the initial lane alignment sequence is complete, the user
data is sent. Normally, within a frame, all characters are considered
user data. However, to monitor the frame clock and multiframe
clock synchronization, there is a mechanism for replacing
characters with /F/ or /A/ alignment characters when the data
meets certain conditions. These conditions are different for
unscrambled and scrambled data. The scrambling operation is
enabled by default, but it can be disabled using the SPI.
For scrambled data, any 0xFC character at the end of a frame is
replaced with an /F/, and any 0xFD character at the end of a multi-
frame is replaced with an /A/. The JESD204B receiver (Rx)
checks for /F/ and /A/ characters in the received data stream
and verifies that they only occur in the expected locations. If an
unexpected /F/ or /A/ character is found, the receiver handles
the situation by using dynamic realignment or asserting the
SYNCINB± signal for more than four frames to initiate a
resynchronization. For unscrambled data, if the final character
of two subsequent frames are equal, the second character is
replaced with an /F/ if it is at the end of a frame, and an /A/ if it
is at the end of a multiframe.
Insertion of alignment characters can be modified using the
SPI. The frame alignment character insertion (FACI) is enabled
by default. More information on the link controls is available in
the Memory Map section, Register 0x0571.
8-Bit/10-Bit Encoder
The 8-bit/10-bit encoder converts 8-bit octets into 10-bit symbols
and inserts control characters into the stream when needed. The
control characters used in JESD204B are shown in Table 32. The
8-bit/10-bit encoding ensures that the signal is dc balanced by
using the same number of ones and zeros across multiple
symbols.
The 8-bit/10-bit interface has options that can be controlled via
the SPI. These operations include bypass and invert. These options
are intended to be troubleshooting tools for the verification of
the digital front end (DFE). Refer to the Memory Map section,
Register 0x0572, Bits[2:1] for information on configuring the 8-bit/
10-bit encoder.
PHYSICAL LAYER (DRIVER) OUTPUTS
Digital Outputs, Timing, and Controls
The AD6684 physical layer consists of drivers that are defined
in the JEDEC Standard JESD204B, July 2011. The differential
digital outputs are powered up by default. The drivers use a
dynamic 100 internal termination to reduce unwanted
reflections.
Place a 100 Ω differential termination resistor at each receiver
input to result in a nominal 300 mV p-p swing at the receiver
(see Figure 92). Alternatively, single-ended 50 Ω termination
can be used. When single-ended termination is used, the
termination voltage is DRVDD1/2. Otherwise, 0.1 F
ac coupling capacitors can be used to terminate to any single-
ended voltage.
OR
SERDOUTx+
DRVDD
V
RXCM
SERDOUTx–
OUTPUT SWING = 300mV p-p
0.1µF
100
5050
0.1µF
RECEIVER
V
CM
= V
RXCM
100
DIFFERENTIAL
TRACE PAIR
14994-080
Figure 92. AC-Coupled Digital Output Termination Example
Table 32. AD6684 Control Characters used in JESD204B
Abbreviation Control Symbol 8-Bit Value
10-Bit Value,
RD1 = −1
10-Bit Value,
RD1 = +1 Description
/R/ /K28.0/ 000 11100 001111 0100 110000 1011 Start of multiframe
/A/ /K28.3/ 011 11100 001111 0011 110000 1100 Lane alignment
/Q/ /K28.4/ 100 11100 001111 0100 110000 1101 Start of link configuration data
/K/ /K28.5/ 101 11100 001111 1010 110000 0101 Group synchronization
/F/ /K28.7/ 111 11100 001111 1000 110000 0111 Frame alignment
1 RD means running disparity.
AD6684 Data Sheet
Rev. 0 | Page 58 of 107
The AD6684 digital outputs can interface with custom application
specific integrated circuits (ASICs) and field programmable gate
array (FPGA) receivers, providing superior switching performance
in noisy environments. Single point to point network topologies
are recommended with a single differential 100 termination
resistor placed as close to the receiver inputs as possible. The
common mode of the digital output automatically biases itself
to half the DRVDD1 supply of 1.25 V (VCM = 0.6 V). See Figure 93
for an example of dc coupling the outputs to the receiver logic.
SERDOUTx+
DRVDD
SERDOUTx–
OUTPUT SWING = 300mV p-p
100RECEIVER
VCM = DRVDD/2
100
DIFFERENTIAL
TRACE PAIR
14994-081
Figure 93. DC-Coupled Digital Output Termination Example
If there is no far end receiver termination, or if there is poor
differential trace routing, timing errors may result. To avoid
such timing errors, it is recommended that the trace length be
less than six inches, and that the differential output traces be
close together and at equal lengths.
Figure 94, Figure 95, and Figure 96 show examples of the digital
output data eye, time interval error (TIE) jitter histogram, and
bathtub curve, respectively, for one AD6684 lane running at
15 Gbps. The format of the output data is twos complement by
default. To change the output data format, see the Memory Map
section (Register 0x0561 in Table 45 and Table 46).
De-Emphasis
De-emphasis enables the receiver eye diagram mask to be met
in conditions where the interconnect insertion loss does not
meet the JESD204B specification. Use the preemphasis feature
only when the receiver is unable to recover the clock due to
excessive insertion loss. Under normal conditions, preemphasis
is disabled to conserve power. Additionally, enabling and setting
too high a preemphasis value on a short link can cause the
receiver eye diagram to fail. Use the preemphasis setting with
caution because it can increase electromagnetic interference
(EMI). See the Memory Map section (Registers 0x05C4 and
Register 0x05C6 in Table 45 and Table 46) for more details.
Phase-Locked Loop
The phase-locked loop (PLL) is used to generate the serializer
clock, which operates at the JESD204B lane rate. The status
of the PLL lock can be checked in the PLL lock status bit
(Register 0x056F, Bit 7). This read only bit lets the user know if
the PLL has achieved a lock for the specific setup. The JESD204B
lane rate control bit, Bit 4 of Register 0x056E, must be set to
correspond with the lane rate.
500
–500
–300
–200
–100
0
100
200
300
–60 –40 –20 0 20 40 60
VOLTAGE (mV)
TIME (ps)
400
–400
Tx EYE
MASK
14994-140
Figure 94. AD6684 Digital Outputs Data Eye Diagram; External 100 Ω
Terminations at 15 Gbps
16000
14000
12000
10000
8000
6000
4000
2000
0
–4–20246
HITS
TIME (ps)
14994-141
Figure 95. AD6684 Digital Outputs Histogram; External 100 Ω Terminations
at 15 Gbps
1
1
–2
1
–4
1
–6
1
–8
1
–10
1
–12
1
–16
1
–14
–0.5 –0.4 –0.3 –0.2 –0.1 0 0.1 0.2 0.3 0.4 0.5
BER
UI
14994-142
Figure 96. AD6684 Digital Outputs Bathtub Curve; External 100 Ω
Terminations at 15 Gbps
Data Sheet AD6684
Rev. 0 | Page 59 of 107
JESD204B Tx CONVERTER MAPPING
To support the different chip operating modes, the AD6684
design treats each sample stream (real or I/Q) as originating
from separate virtual converters. The I/Q samples are always
mapped in pairs with the I samples mapped to the first virtual
converter and the Q samples mapped to the second virtual
converter. With this transport layer mapping, the number of
virtual converters are the same whether
A single real converter is used along with a digital
downconverter block producing I/Q outputs, or
An analog downconversion is used with two real
converters producing I/Q outputs.
Figure 97 shows a block diagram of the two scenarios described
for I/Q transport layer mapping.
The JESD204B Tx block for AD6684 supports up to four DDC
blocks. Each DDC block outputs either two sample streams
(I/Q) for the complex data components (real + imaginary), or
one sample stream for real (I) data. The JESD204B interface can
be configured to use up to eight virtual converters depending on
the DDC configuration. Figure 98 shows the virtual converters
and their relationship to the DDC outputs when complex outputs
are used. Table 33 shows the virtual converter mapping for each
chip operating mode when channel swapping is disabled.
REAL
I
Q
I
CONVERTER 0
Q
CONVERTER 1
ADC
ADC
90°
PHASE
JESD204B
Tx L LANES
I/Q ANALOG MIXING
M = 2
ADC
REAL REAL
I
CONVERTER 0
Q
CONVERTER 1
JESD204B
Tx L LANES
DIGITAL DOWNCONVERSION
M = 2
DIGITAL
DOWNCONVERSION
14994-084
Figure 97. I/Q Transport Layer Mapping
DDC 0
I
Q
I
Q
REAL/I
CONVERTER 0
Q
CONVERTER 1
REAL/I
REAL/Q
DDC 1
I
Q
I
Q
REAL/I
CONVERTER 2
Q
CONVERTER 3
REAL/I
REAL/Q
DDC 0
I
Q
I
Q
REAL/I
CONVERTER 4
Q
CONVERTER 5
REAL/I
REAL/Q
DDC 1
I
Q
I
Q
REAL/I
CONVERTER 6
Q
CONVERTER 7
REAL/I
REAL/Q
I/Q
CROSSBAR
MUX
I/Q
CROSSBAR
MUX
OUTPUT
INTERFACE
OUTPUT
INTERFACE
ADC
SAMPLING
AT
f
S
REAL/I
ADC
SAMPLING
AT
f
S
REAL/Q
ADC A
SAMPLING
AT
f
S
REAL/I
ADC
SAMPLING
AT
f
S
REAL/Q
14994-085
Figure 98. DDCs and Virtual Converter Mapping

AD6684 Data Sheet
Rev. 0 | Page 60 of 107
SETTING UP THE AD6684 DIGITAL INTERFACE
The following SPI writes are required for the AD6684 at startup
and each time the ADC is reset (datapath reset, soft reset, link
power-down/power-up, or hard reset):
1. Write 0x4F to Register 0x1228.
2. Write 0x0F to Register 0x1228.
3. Write 0x04 to Register 0x1222.
4. Write 0x00 to Register 0x1222.
5. Write 0x08 to Register 0x1262.
6. Write 0x00 to Register 0x1262.
The AD6684 has two JESD204B links. The device offers an easy
way to set up the JESD204B link through the JESD04B quick
configuration register (Register 0x0570). The serial outputs
(SERDOUTABx± and SERDOUTCDx±) are considered to be
part of one JESD204B link. The basic parameters that determine
the link setup are
Number of lanes per link (L)
Number of converters per link (M)
Number of octets per frame (F)
If the internal DDCs are used for on-chip digital processing, M
represents the number of virtual converters. The virtual
converter mapping setup is shown in Figure 98.
The maximum lane rate allowed by the JESD204B specification
is 15 Gbps. The lane line rate is related to the JESD204B
parameters using the following equation:
Lane Line Rate = L
fNM OUT
8
10
'
where:
RatioDecimation
f
fCLOCKADC
OUT
_
The decimation ratio (DCM) is the parameter programmed in
Register 0x0201.
Use the following steps to configure the output:
1. Power down the link.
2. Select quick configuration options.
3. Configure detailed options
4. Set output lane mapping (optional).
5. Set additional driver configuration options (optional).
6. Power up the link.
If the lane line rate calculated is less than 6.25 Gbps, select the
low line rate option by programming a value of 0x10 to
Register 0x056E.
Table 34 and Table 35 show the JESD204B output configurations
for both N΄ = 16 and N΄ = 8 for a given number of virtual
converters. Take care to ensure that the serial line rate for given
configuration is within the supported range of 1.5625 Gbps to
15 Gbps.
Table 33. Virtual Converter Mapping (Per Link)
Number of Virtual
Converters Supported
Chip Application Mode
(Register 0x0200,
Bits[3:0])
Chip Q Ignore
(Register 0x0200,
Bit 5)
Virtual Converter Mapping
0 1 2 3
1 to 2 Full bandwidth mode (0x0) Real or complex (0x0) ADC A/C
samples
ADC B/D
samples
Unused Unused
1 One DDC mode (0x1) Real (I only) (0x1) DDC 0
I samples
Unused Unused Unused
2 One DDC mode (0x1) Complex (I/Q) (0x0) DDC 0
I samples
DDC 0
Q samples
Unused Unused
2 Two DDC mode (0x2) Real (I only) (0x1) DDC 0
I samples
DDC 1
I samples
Unused Unused
4 Two DDC mode (0x2) Complex (I/Q) (0x0) DDC 0
I samples
DDC 0
Q samples
DDC 1
I samples
DDC 1
Q samples

Data Sheet AD6684
Rev. 0 | Page 61 of 107
Table 34. JESD204B Output Configurations for N΄= 16
Number of Virtual
Converters
Supported (Same
Value as M)
JESD204B Quick
Configuration
(0x0570)
JESD204B Serial
Line Rate1
JESD204B Transport Layer Settings2
L M F S HD N N΄ CS K3
1 0x01 20 × fOUT 1 1 2 1 0 8 to 16 16 0 to 3 Only valid K
values that
are divisible
by 4 are
supported
0x40 10 × fOUT 2 1 1 1 1 8 to 16 16 0 to 3
0x41 10 × fOUT 2 1 2 2 0 8 to 16 16 0 to 3
2 0x0A 40 × fOUT 1 2 4 1 0 8 to 16 16 0 to 3
0x49 20 × fOUT 2 2 2 1 0 8 to 16 16 0 to 3
4 0x13 80 × fOUT 1 4 8 1 0 8 to 16 16 0 to 3
0x52 40 × fOUT 2 4 4 1 0 8 to 16 16 0 to 3
1 fOUT = output sample rate = ADC sample rate/chip decimation ratio. The JESD204B serial line rate must be ≥1687.5 Mbps and ≤15,000 Mbps. When the serial line rate is
≤15 Gbps and ≥13.5 Gbps, set Bits[7:4] to 0x3 in Register 0x056E. When the serial line rate is ≤13.5 Gbps and ≥6.75 Gbps, set Bits[7:4] to 0x0 in Register 0x056E. When
the serial line rate is <6.75 Gbps and ≥3.375 Gbps, set Bits[7:4] to 0x1 in Register 0x056E. When the serial line rate is ≤3.375 Gbps and ≥1687.5 Mbps, set Bits[7:4] to 0x5
in Register 0x056E.
2 JESD204B transport layer descriptions are as described in the JESD204B Overview section.
3 For F = 1, K = 20, 24, 28, and 32. For F = 2, K = 12, 16, 20, 24, 28, and 32. For F = 4, K = 8, 12, 16, 20, 24, 28, and 32. For F = 8 and F = 16, K = 4, 8, 12, 16, 20, 24, 28, and 32.
Table 35. JESD204B Output Configurations for N΄= 8
Number of Virtual
Converters Supported
(Same Value as M)
JESD204B Quick
Configuration
(Register 0x0570) Serial Line Rate1
JESD204B Transport Layer Settings2
L M F S HD N N΄ CS K3
1 0x00 10 × fOUT 1 1 1 1 0 7 to 8 8 0 to 1 Only valid K
values which
are divisible
by 4 are
supported
0x01 10 × fOUT 1 1 2 2 0 7 to 8 8 0 to 1
0x40 5 × fOUT 2 1 1 2 0 7 to 8 8 0 to 1
0x41 5 × fOUT 2 1 2 4 0 7 to 8 8 0 to 1
0x42 5 × fOUT 2 1 4 8 0 7 to 8 8 0 to 1
2 0x09 20 × fOUT 1 2 2 1 0 7 to 8 8 0 to 1
0x48 10 × fOUT 2 2 1 1 0 7 to 8 8 0 to 1
0x49 10 × fOUT 2 2 2 2 0 7 to 8 8 0 to 1
1 fOUT = output sample rate = ADC sample rate/chip decimation ratio. The JESD204B serial line rate must be ≥1687.5 Mbps and ≤15,000 Mbps. When the serial line rate is
≤15 Gbps and ≥13.5 Gbps, set Bits[7:4] to 0x3 in Register 0x056E. When the serial line rate is ≤13.5 Gbps and ≥6.75 Gbps, set Bits[7:4] to 0x0 in Register 0x056E. When
the serial line rate is <6.75 Gbps and ≥3.375 Gbps, set Bits[7:4] to 0x1 in Register 0x056E. When the serial line rate is ≤3.375 Gbps and ≥1687.5 Mbps, set Bits[7:4] to 0x5
in Register 0x056E.
2 JESD204B transport layer descriptions are as described in the JESD204B Overview section.
3 For F = 1, K = 20, 24, 28, and 32. For F = 2, K = 12, 16, 20, 24, 28, and 32. For F = 4, K = 8, 12, 16, 20, 24, 28, and 32. For F = 8 and F = 16, K = 4, 8, 12, 16, 20, 24, 28, and 32.
AD6684 Data Sheet
Rev. 0 | Page 62 of 107
Example 1: ADC with DDC Option (Two ADCs Plus Two
DDCs in Each Pair)
The chip application mode is DDC mode (seeFigure 99) with
the following characteristics:
Chip application mode = two DDC mode (see Figure 99)
Two 14-bit converters at 500 MSPS
Two DDC application layer mode with complex outputs (I/Q)
Chip decimation ratio = 4
DDC decimation ratio = 4 (see Table 33)
The JESD204B output configuration is as follows:
Virtual converters required = 4 (see Table 33)
Output sample rate (fOUT) = 500/4 = 125 MSPS
N΄ = 16 bits
N = 16 bits
L = 1, M = 4, and F = 8 (quick configuration = 0x13)
CS = 0 to 1
K = 32
Output serial line rate = 5 Gbps per lane (L = 1) or
2.5 Gbps per lane (L = 2)
For L = 1, set Bits[7:4] to 0x1 in Register 0x056E. For L = 2, set
Bits[7:4] to 0x5 in Register 0x056E.
Example 1 shows the flexibility in the digital and lane
configurations for the AD6684. The sample rate is 500 MSPS,
but the outputs are all combined in either one or two lanes,
depending on the I/O speed capability of the receiving device.
NCO
+
MIXER
(OPTIONAL)
COMPLEX TO REAL
CONVERSION
(OPTIONAL)
HB4 FIR
DCM = BYPASS OR 2
HB3 FIR
DCM = BYPASS OR 2
HB2 FIR
DCM = BYPASS OR 2
HB1 FIR
DCM = 2
GAIN = 0dB
OR 6dB
DDC 1
SYSREF±
REAL/I
REAL/Q
REAL/I
CONVERTER 2
Q CONVERTER 3
I
Q
NCO
+
MIXER
(OPTIONAL)
COMPLEX TO REAL
CONVERSION
(OPTIONAL)
HB4 FIR
DCM = BYPASS OR 2
HB3 FIR
DCM = BYPASS OR 2
HB2 FIR
DCM = BYPASS OR 2
HB1 FIR
DCM = 2
GAIN = 0dB
OR 6dB
DDC 0
SYSREF±
REAL/I
REAL/Q
REAL/I
CONVERTER 0
Q CONVERTER 1
L
JESD204B
LANES
AT UP TO
15Gbps
I
Q
NCO
+
MIXER
(OPTIONAL)
COMPLEX TO REAL
CONVERSION
(OPTIONAL)
HB4 FIR
DCM = BYPASS OR 2
HB3 FIR
DCM = BYPASS OR 2
HB2 FIR
DCM = BYPASS OR 2
HB1 FIR
DCM = 2
GAIN = 0dB
OR 6dB
DDC 1
SYSREF±
REAL/I
REAL/Q
REAL/I
CONVERTER 2
Q CONVERTER 3
I
Q
NCO
+
MIXER
(OPTIONAL)
COMPLEX TO REAL
CONVERSION
(OPTIONAL)
HB4 FIR
DCM = BYPASS OR 2
HB3 FIR
DCM = BYPASS OR 2
HB2 FIR
DCM = BYPASS OR 2
HB1 FIR
DCM = 2
GAIN = 0dB
OR 6dB
DDC 0
SYSREF±
REAL/I
REAL/Q
REAL/I
CONVERTER 0
Q CONVERTER 1
I
Q
I/Q CROSSBAR MUXI/Q CROSSBAR MUX
JESD204B TRANSMIT INTERFACE
L
JESD204B
LANES
AT UP TO
15Gbps
JESD204B TRANSMIT INTERFACE
ADC
SAMPLING
AT
f
S
REAL/I
ADC
SAMPLING
AT
f
S
REAL/Q
ADC
SAMPLING
AT
f
S
REAL/I
ADC
SAMPLING
AT
f
S
REAL/Q
SYNCHRONIZATION
CONTROL CIRCUITS
SYSREF
14994-086
Figure 99. Two ADC + Four DDC Mode in Each Pair
stnzma
TRANSMW mauwss
INTERFACE —’
(er} A1 up much»;
1
At
1
Av
4»
Av
Data Sheet AD6684
Rev. 0 | Page 63 of 107
Example 2: ADC with NSR Option (Two ADCs + NSR in
Each Pair)
The chip application mode is NSR mode (see Figure 100) with
the following characteristics:
Two 14-bit converters at 500 MSPS
NSR blocks enabled for each channel
Chip decimation ratio = 1
The JESD204B output configuration is as follows:
Virtual converters required = 2 (see Table 33).
Output sample rate (fOUT) = 500 MSPS
N΄ = 16 bits
N = 9 bits
L = 2, M = 2, and F = 2 (quick configuration = 0x49)
CS = 0 to 2
K = 32
Output serial lane rate = 10 Gbps per lane (L = 2)
Set Bits[7:4] to 0x0 in Register 0x056E
JESD204B
TRANSMIT
INTERFACE
(JTX)
1 OR 2 LANES
REAL
REAL
CONVERTER 0
AT 500MSPS
AT UP TO 15Gbps
NSR
(21% OR 28%
BANDWIDTH)
14-BIT ADC
CORE
AT 500MSPS
14-BIT ADC
CORE
AT 500MSPS
14-BIT ADC
CORE
AT 500MSPS
14-BIT ADC
CORE
AT 500MSPS
REAL
REAL
CONVERTER 1
AT 500MSPS
NSR
(21% OR 28%
BANDWIDTH)
CONVERTER 0
AT 500MSPS
NSR
(21% OR 28%
BANDWIDTH)
CONVERTER 1
AT 500MSPS
NSR
(21% OR 28%
BANDWIDTH)
JESD204B
TRANSMIT
INTERFACE
(JTX)
1 OR 2 LANES
AT UP TO 15Gbps
14994-087
Figure 100. Two ADC + NSR Mode

AD6684 Data Sheet
Rev. 0 | Page 64 of 107
LATENCY
END-TO-END TOTAL LATENCY
Total l ate nc y in the AD6684 is dependent on the various digital
signal processing (DSP) and JESD204B configuration modes.
Latency is fixed at 28 encode clocks through the ADC itself, but
the latency through the DSP and JESD204B blocks can vary
greatly, depending on the configuration. Therefore, the total
latency must be calculated based on the DSP options selected
and the JESD204B configuration.
Table 36 shows the combined latency through the ADC, DSP,
and JESD204B blocks for some of the different application
modes supported by the AD6684. Latency is in units of the
encode clock.
Table 36. Latency Through the AD6684
ADC Application Mode
JESD204B Transport Layer Settings Latency (Number of Encode Clocks)
L M F ADC + DSP JESD204B Total
Full Bandwidth (9-Bit) 2 2 2 30 14 44
DDC (HB1)1 2 4 4 92 17 109
DDC (HB2 + HB1)1 1 4 8 162 13 175
DDC (HB3 +HB2 + HB1)1 1 4 8 292 28 320
DDC (HB4 + HB3 + HB2 + HB1)1 1 4 8 548 39 587
Decimate by 2 + NSR 1 2 4 64 6 70
NSR 2 2 2 38 16 54
1 No mixer, complex outputs.

Data Sheet AD6684
Rev. 0 | Page 65 of 107
MULTICHIP SYNCHRONIZATION
The AD6684 has a SYSREF± input that provides flexible options
for synchronizing the internal blocks. The SYSREF± input is a
source synchronous system reference signal that enables multichip
synchronization. The input clock divider, DDCs, signal monitor
block, and JESD204B link can be synchronized using the SYSREF±
input. For the highest level of timing accuracy, SYSREF± must
meet setup and hold requirements relative to the CLK± input.
The flowchart in Figure 101 describes the internal mechanism
for multichip synchronization in the AD6684. The AD6684
supports several features that aid users in meeting the requirements
set out for capturing a SYSREF± signal. The SYSREF sample
event can be defined as either a synchronous low to high transition,
or a synchronous high to low transition. Additionally, the AD6684
allows the SYSREF± signal to be sampled using either the rising
edge or falling edge of the CLK± input. The AD6684 also has the
ability to ignore a programmable number (up to 16) of SYSREF±
events. The SYSREF± control options can be selected using
Register 0x0120 and Register 0x0121.
K)
N0
SYSREF:
INSERI’ED
m Jssnma
coumm BITS
N0
ALIGN SIGNA Dnc Mco
MONITOR Ausumzm
couumzs mam“
mam)
AD6684 Data Sheet
Rev. 0 | Page 66 of 107
YES UPDATE
SETUP/HOLD
DETECTOR STATUS
(0x0128)
INCREMENT
SYSREF± IGNORE
COUNTER
YES
NO
SYSREF±
ENABLED?
(0x0120)
NO
CLOCK
DIVIDER
> 1?
(0x010B)
YES
NO
INPUT
CLOCK
DIVIDER
ALIGNMENT
REQUIRED?
YES
NONO
YES
ALIGN CLOCK
DIVIDER
PHASE TO
SYSREF
SYNCHRONIZATION
MODE?
(0x01FF)
TIMESTAMP
MODE
NORMAL
MODE
YES SYSREF±
INSERTED
IN JESD204B
CONTROL BITS
BACK TO START
NO
DDC NCO
ALIGNMENT
ENABLED?
(0x0300)
YES
NO NO
YES SEND K28.5
CHARACTERS
NORMAL
JESD204B
INITIALIZATION
SYSREF±
CONTROL BITS?
(0x0559, 0x055A,
0x058F)
RESET
SYSREF± IGNORE
COUNTER
NO
START
SYSREF±
ASSERTED?
YES
NO
YES
ALIGN SIGNAL
MONITOR
COUNTERS
YES
NO NO
YES
NO
INCREMENT
SYSREF±
COUNTER
(0x012A)
SYSREF±
TIMESTAMP
DELAY
(0x0123)
BACK TO START
SYSREF±
IGNORE
COUNTER
EXPIRED?
(0x0121)
CLOCK
DIVIDER
AUTO ADJUST
ENABLED?
(0x0108)
RAMP
TEST
MODE
ENABLED?
(0x0550)
SYSREF± RESETS
RAMP TEST
MODE
GENERATOR
JESD204B
LMFC
ALIGNMENT
REQUIRED?
ALIGN PHASE
OF ALL
INTERNAL CLOCKS
(INCLUDING LMFC)
TO SYSREF±
SEND INVALID
8-BIT/10-BIT
CHARACTERS
(ALL ZEROS)
SYNC~
ASSERTED
SIGNAL
MONITOR
ALIGNMENT
ENABLED?
(0x026F)
ALIGN DDC
NCO PHASE
ACCUMULATOR
14994-088
Figure 101. Multichip Synchronization

Data Sheet AD6684
Rev. 0 | Page 67 of 107
SYSREF± SETUP/HOLD WINDOW MONITOR
To ensure a valid SYSREF signal capture, the AD6684 has a
SYSREF± setup/hold window monitor. This feature allows the
system designer to determine the location of the SYSREF± signals
relative to the CLK± signals by reading back the amount of
setup/hold margin on the interface through the memory map.
Figure 102 and Figure 103 show the setup and hold status values
for different phases of SYSREF±. The setup detector returns the
status of the SYSREF± signal before the CLK± edge, and the
hold detector returns the status of the SYSREF± signal after the
CLK± edge. Register 0x0128 stores the status of SYSREF± and
lets the user know if the SYSREF± signal is captured by the ADC.
VALID
REG 0x0128[3:0]
CLK±
INPUT
SYSREF±
INPUT
FLIP FLOP
HOLD (MIN)
FLIP FLOP
HOLD (MIN)
FLIP FLOP
SETUP (MIN)
0xF
0xE
0xD
0xC
0xB
0xA
0x9
0x8
0x7
0x6
0x5
0x4
0x3
0x2
0x1
0x0
14994-089
Figure 102. SYSREF± Setup Detector
AD6684 Data Sheet
Rev. 0 | Page 68 of 107
CLK±
INPUT
SYSREF±
INPUT VALID
REG 0x0128[7:4]
FLIP FLOP
HOLD (MIN)
FLIP FLOP
HOLD (MIN)
FLIP FLOP
SETUP (MIN)
0xF
0xE
0xD
0xC
0xB
0xA
0x9
0x8
0x7
0x6
0x5
0x4
0x3
0x2
0x1
0x0
14994-090
Figure 103. SYSREF± Hold Detector
Table 37 shows the description of the contents of Register 0x0128 and how to interpret them.
Table 37. SYSREF± Setup/Hold Monitor, Register 0x0128
Register 0x0128, Bits[7:4]
Hold Status
Register 0x0128, Bits[3:0]
Setup Status Description
0x0 0x0 to 0x7 Possible setup error. The smaller this number, the smaller the setup margin.
0x0 to 0x8 0x8 No setup or hold error (best hold margin).
0x8 0x9 to 0xF No setup or hold error (best setup and hold margin).
0x8 0x0 No setup or hold error (best setup margin).
0x9 to 0xF 0x0 Possible hold error. The larger this number, the smaller the hold margin.
0x0 0x0 Possible setup or hold error.

Data Sheet AD6684
Rev. 0 | Page 69 of 107
TEST MODES
ADC TEST MODES
The AD6684 has various test options that aid in the system level
implementation. The AD6684 has ADC test modes that are
available in Register 0x0550. These test modes are described in
Table 38. When an output test mode is enabled, the analog section
of the ADC is disconnected from the digital back-end blocks,
and the test pattern is run through the output formatting block.
Some of the test patterns are subject to output formatting, and
some are not. The PN generators from the PN sequence tests
can be reset by setting Bit 4 or Bit 5 of Register 0x0550. These
tests can be performed with or without an analog signal (if
present, the analog signal is ignored); however, they do require
an encode clock.
If the application mode is set to select a DDC mode of
operation, the test modes must be enabled for each DDC
enabled. The test patterns can be enabled via Bit 2 and Bit 0 of
Register 0x0327, Register 0x0347, depending on which DDC(s)
are selected. The (I) data uses the test patterns selected for
Channel A, and the (Q) data uses the test patterns selected for
Channel B. For more information, see the AN-877 Application
Note, Interfacing to High Speed ADCs via SPI.
Table 38. ADC Test Modes
Output Test Mode
Bit Sequence Pattern Name Expression
Default/
Seed Value Sample (N, N + 1, N + 2, …)
0000 Off (default) Not applicable Not applicable Not applicable
0001 Midscale short 00 0000 0000 0000 Not applicable Not applicable
0010 +Full-scale short 01 1111 1111 1111 Not applicable Not applicable
0011 −Full-scale short 10 0000 0000 0000 Not applicable Not applicable
0100 Checkerboard 10 1010 1010 1010 Not applicable 0x1555, 0x2AAA, 0x1555, 0x2AAA, 0x1555
0101 PN sequence long x23 + x18 + 1 0x3AFF 0x3FD7, 0x0002, 0x26E0, 0x0A3D, 0x1CA6
0110 PN sequence short x9 + x5 + 1 0x0092 0x125B, 0x3C9A, 0x2660, 0x0c65, 0x0697
0111 One word/zero word
toggle
11 1111 1111 1111 Not applicable 0x0000, 0x3FFF, 0x0000, 0x3FFF, 0x0000
1000 User input Register 0x0551 to
Register 0x0558
Not applicable User Pattern 1[15:2], User Pattern 2[15:2],
User Pattern 3[15:2], User Pattern 4[15:2],
User Pattern 1[15:2] … for repeat mode
User Pattern 1[15:2], User Pattern 2[15:2],
User Pattern 3[15:2], User Pattern 4[15:2],
0x0000 … for single mode
1111 Ramp output (x) % 214 Not applicable (x) % 214, (x +1) % 214, (x +2) % 214, (x +3) % 214

AD6684 Data Sheet
Rev. 0 | Page 70 of 107
JESD204B BLOCK TEST MODES
In addition to the ADC pipeline test modes, the AD6684 also
has flexible test modes in the JESD204B block. These test modes
are listed in Register 0x0573 and Register 0x0574. These test
patterns can be injected at various points along the output data-
path. These test injection points are shown in Figure 89. Table 39
describes the various test modes available in the JESD204B
block. For the AD6684, a transition from test modes
(Register 0x0573 ≠ 0x00) to normal mode (Register 0x0573 =
0x00) requires an SPI soft reset. This is done by writing 0x81 to
Register 0x0000 (self cleared).
Transport Layer Sample Test Mode
The transport layer samples are implemented in the AD6684 as
defined by Section 5.1.6.3 in the JEDEC JESD204B specification.
These tests indicated by the value of Register 0x0571, Bit 5. The
test pattern is equivalent to the raw samples from the ADC.
Interface Test Modes
The interface test modes are described in Register 0x0573, Bits[3:0].
These test modes are also explained in Table 39. The interface tests
can be injected at various points along the data. See Figure 89
for more information on the test injection points. Register 0x0573,
Bits[5:4] show where these tests are injected.
Table 40, Table 41, and Table 42 show examples of some of the
test modes when injected at the JESD204B sample input, PHY
10-bit input, and scrambler 8-bit input. In Table 40, Table 41,
and Table 42, UPx represent the user pattern control bits from
the customer register map.
Table 39. JESD204B Interface Test Modes
Output Test Mode
Bit Sequence Pattern Name Expression Default
0000 Off (default) Not applicable Not applicable
0001 Alternating checkerboard 0x5555, 0xAAAA, 0x5555, … Not applicable
0010 1/0 word toggle 0x0000, 0xFFFF, 0x0000, … Not applicable
0011 31-bit PN sequence x31 + x28 + 1 0x0003AFFF
0100 23-bit PN sequence x23 + x18 + 1 0x003AFF
0101 15-bit PN sequence x15 + x14 + 1 0x03AF
0110 9-bit PN sequence x9 + x5 + 1 0x092
0111 7-bit PN sequence x7 + x6 + 1 0x07
1000 Ramp output (x) % 216 Ramp size depends on test injection point
1110 Continuous/repeat user test Register 0x0551 to Register 0x0558 User Pattern 1 to User Pattern 4, then repeat
1111 Single user test Register 0x0551 to Register 0x0558 User Pattern 1 to User Pattern 4, then zeros
Table 40. JESD204B Sample Input for M = 2, S = 2, N' = 16 (Register 0x0573, Bits[5:4] = 'b00)
Frame
Number
Converter
Number
Sample
Number
Alternating
Checkerboard
1/0 Word
Toggle Ramp
9-Bit
PN
23-Bit
PN User Repeat User Single
0 0 0 0x5555 0x0000 (x) % 216 0x496F 0xFF5C UP1[15:0] UP1[15:0]
0 0 1 0x5555 0x0000 (x) % 216 0x496F 0xFF5C UP1[15:0] UP1[15:0]
0 1 0 0x5555 0x0000 (x) % 216 0x496F 0xFF5C UP1[15:0] UP1[15:0]
0 1 1 0x5555 0x0000 (x) % 216 0x496F 0xFF5C UP1[15:0] UP1[15:0]
1 0 0 0xAAAA 0xFFFF (x +1) % 216 0xC9A9 0x0029 UP2[15:0] UP2[15:0]
1 0 1 0xAAAA 0xFFFF (x +1) % 216 0xC9A9 0x0029 UP2[15:0] UP2[15:0]
1 1 0 0xAAAA 0xFFFF (x +1) % 216 0xC9A9 0x0029 UP2[15:0] UP2[15:0]
1 1 1 0xAAAA 0xFFFF (x +1) % 216 0xC9A9 0x0029 UP2[15:0] UP2[15:0]
2 0 0 0x5555 0x0000 (x +2) % 216 0x980C 0xB80A UP3[15:0] UP3[15:0]
2 0 1 0x5555 0x0000 (x +2) % 216 0x980C 0xB80A UP3[15:0] UP3[15:0]
2 1 0 0x5555 0x0000 (x +2) % 216 0x980C 0xB80A UP3[15:0] UP3[15:0]
2 1 1 0x5555 0x0000 (x +2) % 216 0x980C 0xB80A UP3[15:0] UP3[15:0]
3 0 0 0xAAAA 0xFFFF (x +3) % 216 0x651A 0x3D72 UP4[15:0] UP4[15:0]
3 0 1 0xAAAA 0xFFFF (x +3) % 216 0x651A 0x3D72 UP4[15:0] UP4[15:0]
3 1 0 0xAAAA 0xFFFF (x +3) % 216 0x651A 0x3D72 UP4[15:0] UP4[15:0]
3 1 1 0xAAAA 0xFFFF (x +3) % 216 0x651A 0x3D72 UP4[15:0] UP4[15:0]
4 0 0 0x5555 0x0000 (x +4) % 216 0x5FD1 0x9B26 UP1[15:0] 0x0000
4 0 1 0x5555 0x0000 (x +4) % 216 0x5FD1 0x9B26 UP1[15:0] 0x0000
4 1 0 0x5555 0x0000 (x +4) % 216 0x5FD1 0x9B26 UP1[15:0] 0x0000
4 1 1 0x5555 0x0000 (x +4) % 216 0x5FD1 0x9B26 UP1[15:0] 0x0000

Data Sheet AD6684
Rev. 0 | Page 71 of 107
Table 41. Physical Layer 10-Bit Input (Register 0x0573, Bits[5:4] = 'b01)
10-Bit Symbol
Number
Alternating
Checkerboard
1/0 Word
Toggle Ramp 9-Bit PN
23-Bit
PN User Repeat User Single
0 0x155 0x000 (x) % 210 0x125 0x3FD UP1[15:6] UP1[15:6]
1 0x2AA 0x3FF (x + 1) % 210 0x2FC 0x1C0 UP2[15:6] UP2[15:6]
2 0x155 0x000 (x + 2) % 210 0x26A 0x00A UP3[15:6] UP3[15:6]
3 0x2AA 0x3FF (x + 3) % 210 0x198 0x1B8 UP4[15:6] UP4[15:6]
4 0x155 0x000 (x + 4) % 210 0x031 0x028 UP1[15:6] 0x000
5 0x2AA 0x3FF (x + 5) % 210 0x251 0x3D7 UP2[15:6] 0x000
6 0x155 0x000 (x + 6) % 210 0x297 0x0A6 UP3[15:6] 0x000
7 0x2AA 0x3FF (x + 7) % 210 0x3D1 0x326 UP4[15:6] 0x000
8 0x155 0x000 (x + 8) % 210 0x18E 0x10F UP1[15:6] 0x000
9 0x2AA 0x3FF (x + 9) % 210 0x2CB 0x3FD UP2[15:6] 0x000
10 0x155 0x000 (x + 10) % 210 0x0F1 0x31E UP3[15:6] 0x000
11 0x2AA 0x3FF (x + 11) % 210 0x3DD 0x008 UP4[15:6] 0x000
Table 42. Scrambler 8-Bit Input (Register 0x0573, Bits[5:4] = 'b10)
8-Bit Octet
Number
Alternating
Checkerboard
1/0 Word
Toggle Ramp
9-Bit
PN
23-Bit
PN User Repeat User Single
0 0x55 0x00 (x) % 28 0x49 0xFF UP1[15:9] UP1[15:9]
1 0xAA 0xFF (x + 1) % 28 0x6F 0x5C UP2[15:9] UP2[15:9]
2 0x55 0x00 (x + 2) % 28 0xC9 0x00 UP3[15:9] UP3[15:9]
3 0xAA 0xFF (x + 3) % 28 0xA9 0x29 UP4[15:9] UP4[15:9]
4 0x55 0x00 (x + 4) % 28 0x98 0xB8 UP1[15:9] 0x00
5 0xAA 0xFF (x + 5) % 28 0x0C 0x0A UP2[15:9] 0x00
6 0x55 0x00 (x + 6) % 28 0x65 0x3D UP3[15:9] 0x00
7 0xAA 0xFF (x + 7) % 28 0x1A 0x72 UP4[15:9] 0x00
8 0x55 0x00 (x + 8) % 28 0x5F 0x9B UP1[15:9] 0x00
9 0xAA 0xFF (x + 9) % 28 0xD1 0x26 UP2[15:9] 0x00
10 0x55 0x00 (x + 10) % 28 0x63 0x43 UP3[15:9] 0x00
11 0xAA 0xFF (x + 11) % 28 0xAC 0xFF UP4[15:9] 0x00
Data Link Layer Test Modes
The data link layer test modes are implemented in the AD6684 as
defined by Section 5.3.3.8.2 in the JEDEC JESD204B specification.
These tests are shown in Register 0x0574, Bits[2:0]. Test
patterns inserted at this point are useful for verifying the
functionality of the data link layer. When the data link layer test
modes are enabled, disable SYNCINB±AB/SYNCINB±CD by
writing 0xC0 to Register 0x0572.

AD6684 Data Sheet
Rev. 0 | Page 72 of 107
SERIAL PORT INTERFACE
The AD6684 SPI allows the user to configure the converter for
specific functions or operations through a structured register
space provided inside the ADC. The SPI gives the user added
flexibility and customization, depending on the application.
Addresses are accessed via the serial port and can be written to
or read from the port. Memory is organized into bytes that can
be further divided into fields. These fields are documented in
the Memory Map section. For detailed operational information,
see the Serial Control Interface Standard (Rev. 1.0).
CONFIGURATION USING THE SPI
Three pins define the SPI of this ADC: the SCLK pin, the SDIO
pin, and the CSB pin (see Table 43). The SCLK (serial clock) pin
is used to synchronize the read and write data presented from
and to the ADC. The SDIO (serial data input/output) pin is a
dual-purpose pin that allows data to be sent and read from the
internal ADC memory map registers. The CSB (chip select bar)
pin is an active low control that enables or disables the read and
write cycles.
Table 43. Serial Port Interface Pins
Pin Function
SCLK Serial clock. The serial shift clock input, which is used to
synchronize serial interface reads and writes.
SDIO Serial data input/output. A dual-purpose pin that
typically serves as an input or an output, depending on
the instruction being sent and the relative position in the
timing frame.
CSB Chip select bar. An active low control that gates the read
and write cycles.
The falling edge of CSB, in conjunction with the rising edge of
SCLK, determines the start of the framing. An example of the
serial timing and its definitions can be found in Figure 4 and
Table 5.
Other modes involving the CSB pin are available. The CSB pin
can be held low indefinitely, which permanently enables the
device; this is called streaming. The CSB can stall high between
bytes to allow for additional external timing. When CSB is tied
high, SPI functions are placed in a high impedance mode. This
mode turns on the secondary functions of the SPI pin.
All data is composed of 8-bit words. The first bit of each
individual byte of serial data indicates whether a read or write
command is issued. This bit allows the SDIO pin to change
direction from an input to an output.
In addition to word length, the instruction phase determines
whether the serial frame is a read or write operation, allowing
the serial port to be used both to program the chip and to read
the contents of the on-chip memory. If the instruction is a
readback operation, performing a readback causes the SDIO pin
to change direction from an input to an output at the appropriate
point in the serial frame.
Data can be sent in MSB first mode or in LSB first mode. MSB
first mode is the default on power-up and can be changed via
the SPI port configuration register. For more information about
this and other features, see the Serial Control Interface Standard
(Rev. 1.0).
HARDWARE INTERFACE
The pins described in Table 43 comprise the physical interface
between the user programming device and the serial port of the
AD6684. The SCLK pin and the CSB pin function as inputs
when using the SPI interface. The SDIO pin is bidirectional,
functioning as an input during write phases and as an output
during readback.
The SPI interface is flexible enough to be controlled by either
FPGAs or microcontrollers. One method for SPI configuration
is described in detail in the AN-812 Application Note,
Microcontroller-Based Serial Port Interface (SPI) Boot Circuit.
Do not activate the SPI port during periods when the full
dynamic performance of the converter is required. Because the
SCLK signal, the CSB signal, and the SDIO signal are typically
asynchronous to the ADC clock, noise from these signals can
degrade converter performance. If the on-board SPI bus is used
for other devices, it may be necessary to provide buffers between
this bus and the AD6684 to prevent these signals from
transitioning at the converter inputs during critical sampling
periods.
SPI ACCESSIBLE FEATURES
Table 44 provides a brief description of the general features that
are accessible via the SPI. These features are described in detail
in the Serial Control Interface Standard (Rev. 1.0). The AD6684
device specific features are described in the Memory Map section.
Table 44. Features Accessible Using the SPI
Feature Name Description
Mode Allows the user to set either power-down mode or standby mode.
Clock Allows the user to access the clock divider via the SPI.
DDC Allows the user to set up decimation filters for different applications.
Test Input/Output Allows the user to set test modes to have known data on output bits.
Output Mode Allows the user to set up outputs.
SERDES Output Setup Allows the user to vary SERDES settings such as swing and emphasis.

Data Sheet AD6684
Rev. 0 | Page 73 of 107
MEMORY MAP
READING THE MEMORY MAP REGISTER TABLE
Each row in the memory map register table has eight bit locations.
The memory map is divided into four sections: the Analog
Devices SPI registers (Register 0x0000 to Register 0x000D and
Register 0x18A6 to Register 0x1A4D), the ADC function registers
(Register 0x003F to Register 0x027A), the DDC, NSR, and VDR
function registers (Register 0x0300 to Register 0x0434), and
the digital outputs and test modes registers (Register 0x0550 to
Register 0x05C6).
Table 45 documents the default hexadecimal value for each
hexadecimal address shown. The column with the heading Bit 7
(MSB) is the start of the default hexadecimal value given. For
example, Address 0x0561, the output mode register, has a
hexadecimal default value of 0x01. This means that Bit 0 = 1,
and the remaining bits are 0s. This setting is the default output
format value, which is twos complement. For more information
on this function and others, see Table 45 and Table 46.
Open and Reserved Locations
All address and bit locations that are not included in Table 45
are not currently supported for this device. Write unused bits of
a valid address location with 0s unless the default value is set
otherwise. Writing to these locations is required only when part
of an address location is unassigned (for example, Address 0x0561).
If the entire address location is open (for example,
Address 0x0013), do not write to this address location.
Default Values
After the AD6684 is reset, critical registers are loaded with
default values. The default values for the registers are given in
the memory map register table, Table 45.
Logic Levels
An explanation of logic level terminology follows:
“Bit is set” is synonymous with “bit is set to Logic 1” or
“writing Logic 1 for the bit.”
“Clear a bit” is synonymous with “bit is set to Logic 0” or
“writing Logic 0 for the bit.”
X denotes a don’t care bit.
ADC Pair Addressing
The AD6684 functionally operates as two pairs of dual IF
receiver channels. There are two ADCs, two NSR processing
blocks, two VDR processing blocks, and two DDCs in each pair,
resulting in a total of four of each for the AD6684. To access the
SPI registers for each pair, the pair index must be written in
Register 0x0009. The pair index regist must be written prior to
any other SPI write to the AD6684.
Channel-Specific Registers
Some channel setup functions, such as the fast detect control
(Register 0x0247), can be programmed to a different value for
each channel. In these cases, channel address locations are
internally duplicated for each channel. These registers and bits
are designated in Table 45 as local. These local registers and bits can
be accessed by setting the appropriate Channel A/Channel C or
Channel B/Channel D bits in Register 0x0008. The particular
channel that is addressed is dependent upon the pair selection
written to Register 0x0009. If both bits are set, the subsequent
write affects the registers of both channels. In a read cycle, set
only Channel A/Channel C or Channel B/Channel D to read
one of the two registers. If both bits are set during an SPI read
cycle, the device returns the value for Channel A. If both pairs
and both channels have been selected via Register 0x0009 and
Register 0x0008, then the device returns the value for Channel A.
The names of the registers listed in Table 45 and Table 46 are
prefixed with either global map, channel map, JESD204B map,
or pair map. Registers in the pair map and JESD204B map apply
to a pair of channels, either Pair A/B or Pair C/D. To write registers
in the pair map and the JESD204B map, the pair index register
(Register 0x0009) must be written to address the appropriate
pair. The SPI Configuration A (Register 0x0000), SPI Config-
uration B (Register 0x0001), and pair index (Register 0x0009)
registers are the only registers that reside in the global map.
Registers in the channel map are local to each channel, either
Channel A, Channel B, Channel C, or Channel D. To write registers
in the channel map, the pair index register (Register 0x0009) must
be written first to address the desired pair (Pair A/B or Pair C/D),
followed by writing the channel index register (Register 0x0008)
to select the desired channel (Channel A/Channel C or Channel B/
Channel D). For example, to write Channel A to a test mode (set by
Register 0x0550), first write a value of 0x01 to Register 0x0009 to
select Pair A/B, followed by writing 0x01 to Register 0x0008 to
select Channel A. Then, write Register 0x0550 to the value for
the desired test mode. To write all channels to a test mode (set
by Register 0x0550), first write Register 0x0009 to a value of
0x03 to select both Pair A/B and Pair C/D, followed by writing
Register 0x0008 to a value of 0x03 to select Channel A, Channel B,
Channel C, and Channel D. Next, write Register 0x0550 to the
value for the desired test mode.
SPI Soft Reset
After issuing a soft reset by programming 0x81 to
Register 0x0000, the AD6684 requires 5 ms to recover. When
programming the AD6684 for application setup, ensure that an
adequate delay is programmed into the firmware after asserting
the soft reset and before starting the device setup.

AD6684 Data Sheet
Rev. 0 | Page 74 of 107
MEMORY MAP
MEMORY MAP SUMMARY
All address locations that are not included in Table 45 are not currently supported for this device and must not be written.
Table 45. Memory Map Summary
Reg. Name Bit 7 Bit 6 Bit 5 Bit 4 Bit 3 Bit 2 Bit 1 Bit 0 Reset R/W
0x0000 Global Map
SPI
Configuratio
n A
Soft reset
(self
clearing)
LSB first
mirror
Address
ascension
mirror
Reserved Address
ascension
LSB first Soft
reset
(self
clearing)
0x00 R/W
0x0001 Global Map
SPI Config-
uration B
Single
instruction
Reserved Datapath
soft reset
(self
clearing)
Reserved 0x00 R/W
0x0002 Channel map
chip config-
uration
Reserved Channel power modes 0x00 R/W
0x0003 Pair map
chip type
CHIP_TYPE 0x03 R
0x0004 Pair map
chip ID LSB
CHIP_ID[7:0] 0xDC R
0x0006 Pair map
chip grade
CHIP_SPEED_GRADE Reserved 0x00 R
0x0008 Pair map
device index
Reserved Channel B/
Channel D
Channel
A/Chan-
nel C
0x03 R/W
0x0009 Global map
pair index
Reserved Pair C/D Pair A/B 0x03 R/W
0x000A Pair map
scratch pad
Scratch pad 0x07 R/W
0x000B Pair map SPI
revision
SPI_REVISION 0x01 R
0x000C Pair map
vendor ID
LSB
CHIP_VENDOR_ID[7:0] 0x56 R
0x000D Pair map
vendor ID
MSB
CHIP_VENDOR_ID[15:8] 0x04 R
0x003F Channel map
chip power-
down pin
PDWN/
STBY
disable
Reserved 0x00 R/W
0x0040 Pair Map
Chip Pin
Control 1
PDWN/STBY function Fast Detect B/Fast Detect D (FD_B/FD_D) Fast Detect A/Fast Detect C (FD_A/FD_C) 0x3F R/W
0x0108 Pair map
clock divider
control
Reserved Clock divider 0x01 R/W
0x0109 Channel map
clock divider
phase
Reserved Clock divider phase offset 0x00 R/W
0x010A Pair map
clock divider
SYSREF
control
Clock
divider auto
phase
adjust
Reserved Clock divider negative skew
window
Clock divider positive
skew window
0x00 R/W
0x0110 Pair map
clock delay
control
Reserved Clock delay mode select 0x00 R/W
0x0111 Channel map
clock super
fine delay
Clock super fine delay adjust 0x00 R/W
0x0112 Channel map
clock fine
delay
Clock fine delay adjust 0xC0 R/W

Data Sheet AD6684
Rev. 0 | Page 75 of 107
Reg. Name Bit 7 Bit 6 Bit 5 Bit 4 Bit 3 Bit 2 Bit 1 Bit 0 Reset R/W
0x011A Clock
detection
control
Reserved Clock detection threshold Clock detection
enable
Reserved 0x00 R/W
0x011B Pair map
clock status
Reserved Input
clock
detect
0x00 R
0x011C Clock DCS
control
Reserved Clock DCS
enable
Clock
DCS
power-
up
0x00 R/W
0x0120 Pair Map
SYSREF
Control 1
Reserved SYSREF±
flag
reset
Reserved SYSREF± transition
select
CLK±
edge
select
SYSREF± mode select Reserved 0x00 R/W
0x0121 Pair Map
SYSREF
Control 2
Reserved SYSREF N shot ignore counter select 0x00 R/W
0x0123 Pair Map
SYSREF
Control 4
Reserved SYSREF± time stamp delay[6:0] 0x40 R/W
0x0128 Pair Map
SYSREF
Status 1
SYSREF± hold status[7:4] SYSREF± setup status[3:0] 0x00 R
0x0129 Pair Map
SYSREF
Status 2
Reserved Clock divider phase when SYSREF± is captured 0x00 R
0x012A Pair Map
SYSREF
Status 3
SYSREF counter [7:0] (increments when a SYSREF± input is captured) 0x00 R
0x01FF Pair map
chip sync
Reserved Synchro-
nization
mode
0x00 R/W
0x0200 Pair map
chip mode
Reserved Chip Q
ignore
Reserved Chip application mode 0x07 R/W
0x0201 Pair map
chip decim-
ation ratio
Reserved Chip decimation ratio select 0x00 R/W
0x0228 Channel map
custom
offset
Offset adjust in LSBs from +127 to −128 0x00 R/W
0x0245 Channel map
fast detect
control
Reserved Force
FD_A/
FD_B/
FD_C/
FD_D pins
Force value of
FD_A/FD_B/
FD_C/FD_D pins;
if force pins is
true, this value is
output on the
FD_x pins
Reserved Enable
fast
detect
output
0x00 R/W
0x0247 Channel map
fast detect
upper
threshold
LSB
Fast detect upper threshold[7:0] 0x00 R/W
0x0248 Channel map
fast detect
upper
threshold
MSB
Reserved Fast detect upper threshold[12:8] 0x00 R/W
0x0249 Channel map
fast detect
lower
threshold
LSB
Fast detect lower threshold[7:0] 0x00 R/W
0x024A Channel map
fast detect
lower
threshold
MSB
Reserved Fast detect lower threshold[12:8] 0x00 R/W

AD6684 Data Sheet
Rev. 0 | Page 76 of 107
Reg. Name Bit 7 Bit 6 Bit 5 Bit 4 Bit 3 Bit 2 Bit 1 Bit 0 Reset R/W
0x024B Channel map
fast detect
dwell time
LSB
Fast detect dwell time[7:0] 0x00 R/W
0x024C Channel map
fast detect
dwell time
MSB
Fast detect dwell time[15:8] 0x00 R/W
0x026F Pair map
signal
monitor sync
control
Reserved Signal
monitor
synchro-
nization
mode
0x00 R/W
0x0270 Channel map
signal
monitor
control
Reserved Peak
detector
Reserved 0x00 R/W
0x0271 Channel Map
Signal
Monitor
Period 0
Signal monitor period[7:0] 0x80 R/W
0x0272 Channel Map
Signal
Monitor
Period 1
Signal monitor period[15:8] 0x00 R/W
0x0273 Channel Map
Signal
Monitor
Period 2
Signal monitor period[23:16] 0x00 R/W
0x0274 Channel map
signal
monitor
status
control
Reserved Result update Reserved Result selection 0x01 R/W
0x0275 Channel Map
Signal
Monitor
Status 0
Signal monitor result[7:0] 0x00 R
0x0276 Channel Map
Signal
Monitor
Status 1
Signal monitor result[15:8] 0x00 R
0x0277 Channel Map
Signal
Monitor
Status 2
Reserved Signal monitor result[19:16] 0x00 R
0x0278 Channel map
signal
monitor
status frame
counter
Period count result, Bits[7:0] 0x00 R
0x0279 Channel map
signal
monitor
serial framer
control
Reserved Signal
monitor
SPORT
over JES-
D204B
enable
0x00 R/W
0x027A Channel map
signal
monitor
serial framer
input
selection
Reserved Signal monitor SPORT over JESD204B peak detector enable 0x02 R/W
0x0300 Pair map
DDC sync
control
Reserved DDC NCO soft reset Reserved DDC next
sync
DDC
synchro-
nization
mode
0x00 R/W

Data Sheet AD6684
Rev. 0 | Page 77 of 107
Reg. Name Bit 7 Bit 6 Bit 5 Bit 4 Bit 3 Bit 2 Bit 1 Bit 0 Reset R/W
0x0310 Pair map
DDC 0
control
DDC 0
mixer select
DDC 0
gain
select
DDC 0 IF mode DDC 0
complex
to real
enable
Reserved DDC 0 decimation rate
select
0x00 R/W
0x0311 Pair Map
DDC 0 input
select
Reserved DDC 0 Q input
select
Reserved DDC 0
I input
select
0x00 R/W
0x0314 Pair Map
DDC 0 Phase
Increment 0
DDC 0 NCO frequency value, twos complement[7:0] 0x00 R/W
0x0315 Pair Map
DDC 0 Phase
Increment 1
DDC 0 NCO frequency value, twos complement[15:8] 0x00 R/W
0x0316 Pair Map
DDC 0 Phase
Increment 2
DDC 0 NCO frequency value, twos complement[23:16] 0x00 R/W
0x0317 Pair Map
DDC 0 Phase
Increment 3
DDC 0 NCO frequency value, twos complement[31:24] 0x00 R/W
0x0318 Pair Map
DDC 0 Phase
Increment 4
DDC 0 NCO frequency value, twos complement[39:32] 0x00 R/W
0x031A Pair Map
DDC 0 Phase
Increment 5
DDC 0 NCO frequency value, twos complement[47:40] 0x00 R/W
0x031D Pair Map
DDC 0 Phase
Offset 0
DDC 0 NCO phase value, twos complement[7:0] 0x00 R/W
0x031E Pair Map
DDC 0 Phase
Offset 1
DDC 0 NCO phase value, twos complement[15:8] 0x00 R/W
0x031F Pair Map
DDC 0 Phase
Offset 2
DDC 0 NCO phase value, twos complement[23:16] 0x00 R/W
0x0320 Pair Map
DDC 0 Phase
Offset 3
DDC 0 NCO phase value, twos complement[31:24] 0x00 R/W
0x0321 Pair Map
DDC 0 Phase
Offset 4
DDC 0 NCO phase value, twos complement[39:32] 0x00 R/W
0x0322 Pair Map
DDC 0 Phase
Offset 5
DDC 0 NCO phase value, twos complement[47:40] 0x00 R/W
0x0327 Pair map
DDC 0 test
enable
Reserved DDC 0 Q output
test mode enable
Reserved DDC 0 I
output
test
mode
enable
0x00 R/W
0x0330 Pair map
DDC 1
control
DDC 1
mixer select
DDC 1
gain
select
DDC 1 IF mode DDC 1
complex
to real
enable
Reserved DDC 1 decimation rate
select
0x00 R/W
0x0331 Pair map
DDC 1 input
select
Reserved DDC 1 Q input
select
Reserved DDC 1 I
input
select
0x05 R/W
0x0334 Pair Map
DDC 1 Phase
Increment 0
DDC 1 NCO frequency value, twos complement[7:0] 0x00 R/W
0x0335 Pair Map
DDC 1 Phase
Increment 1
DDC 1 NCO frequency value, twos complement[15:8] 0x00 R/W
0x0336 Pair Map
DDC 1 Phase
Increment 2
DDC 1 NCO frequency value, twos complement[23:16] 0x00 R/W

AD6684 Data Sheet
Rev. 0 | Page 78 of 107
Reg. Name Bit 7 Bit 6 Bit 5 Bit 4 Bit 3 Bit 2 Bit 1 Bit 0 Reset R/W
0x0337 Pair Map
DDC 1 Phase
Increment 3
DDC 1 NCO frequency value, twos complement[31:24] 0x00 R/W
0x0338 Pair Map
DDC 1 Phase
Increment 4
DDC 1 NCO frequency value, twos complement[39:32] 0x00 R/W
0x033A Pair Map
DDC 1 Phase
Increment 5
DDC 1 NCO frequency value, twos complement[47:40] 0x00 R/W
0x033D Pair Map
DDC 1 Phase
Offset 0
DDC 1 NCO phase value, twos complement[7:0] 0x00 R/W
0x033E Pair Map
DDC 1 Phase
Offset 1
DDC 1 NCO phase value, twos complement[15:8] 0x00 R/W
0x033F Pair Map
DDC 1 Phase
Offset 2
DDC 1 NCO phase value, twos complement[23:16] 0x00 R/W
0x0340 Pair Map
DDC 1 Phase
Offset 3
DDC 1 NCO phase value, twos complement[31:24] 0x00 R/W
0x0341 Pair Map
DDC 1 Phase
Offset 4
DDC 1 NCO phase value, twos complement[39:32] 0x00 R/W
0x0342 Pair Map
DDC 1 Phase
Offset 5
DDC 1 NCO phase value, twos complement[47:40] 0x00 R/W
0x0347 Pair map
DDC 1 test
enable
Reserved DDC 1 Q output
test mode enable
Reserved DDC 1
I output
test
mode
enable
0x00 R/W
0x041E Channel map
NSR dec-
imate by 2
control
High-pass/
low-pass
mode
Reserved NSR dec-
imate by
2 enable
0x00 R/W
0x0420 NSR mode Reserved NSR mode Reserved 0x00 R/W
0x0422 Channel map
NSR tuning
Reserved NSR tuning word 0x00 R/W
0x0430 Pair map
VDR control
Reserved VDR
bandwidth
VDR
complex
mode
enable
0x01 R/W
0x0434 Channel map
VDR tuning
frequency
Reserved VDR center frequency 0x00 R/W
0x0550 Channel map
test mode
control
User
pattern
selection
Reser-
ved
Reset PN
sequence
Reset PN short
generation
Test mode selection 0x00 R/W
0x0551 Pair Map
User
Pattern 1 LSB
User Pattern 1[7:0] 0x00 R/W
0x0552 Pair Map
User
Pattern 1
MSB
User Pattern 1[15:8] 0x00 R/W
0x0553 Pair Map
User
Pattern 2 LSB
User Pattern 2[7:0] 0x00 R/W
0x0554 Pair Map
User
Pattern 2
MSB
User Pattern 2[15:8] 0x00 R/W

Data Sheet AD6684
Rev. 0 | Page 79 of 107
Reg. Name Bit 7 Bit 6 Bit 5 Bit 4 Bit 3 Bit 2 Bit 1 Bit 0 Reset R/W
0x0555 Pair Map
User
Pattern 3 LSB
User Pattern 3[7:0] 0x00 R/W
0x0556 Pair Map
User Pattern
3 MSB
User Pattern 3[15:8] 0x00 R/W
0x0557 Pair Map
User
Pattern 4 LSB
User Pattern 4[7:0] 0x00 R/W
0x0558 Pair Map
User
Pattern 4
MSB
User Pattern 4[15:8] 0x00 R/W
0x0559 Pair Map
Output
Control
Mode 0
Reserved Converter control Bit 1 selection Reserved Converter control Bit 0 selection 0x00 R/W
0x055A Pair Map
Output
Control
Mode 1
Reserved Converter control Bit 2 selection 0x01 R/W
0x0561 Pair map
output
sample
mode
Reserved Sample invert Data format select 0x01 R/W
0x0564 Pair map
output
channel
select
Reserved Reserved Con-
verter
channel
swap
control
0x00 R/W
0x056E JESD204B
map PLL
control
JESD204B lane rate control Reserved 0x00 R/W
0x056F JESD204B
map PLL
status
PLL lock
status
Reserved 0x00 R
0x0570 JESD204B
map JTX
quick
configuration
Quick Configuration L Quick Configuration M Quick Configuration F 0x49 R/W
0x0571 JESD204B
map JTX Link
Control 1
Standby
mode
Tail bit
(t) PN
Long
transport
layer test
Lane synchronization ILAS sequence mode FACI Link
control
0x14 R/W
0x0572 JESD204B
map JTX Link
Control 2
SYNCINB±AB/
SYNCINB±CD pin
control
SYNC-
INB±AB/
SYNCINB±CD
pin invert
SYNCINB±AB/
SYNCINB±CD pin type
Reserved 8-bit/10-bit
bypass
8-bit/10-bit
invert
Reserved 0x00 R/W
0x0573 JESD204B
map JTX Link
Control 3
Checksum mode Test injection point JESD204B test mode patterns 0x00 R/W
0x0574 JESD204B
map JTX Link
Control 4
ILAS delay Reserved Link layer test mode 0x00 R/W
0x0578 JESD204B
map JTX
LMFC offset
Reserved LMFC phase offset value 0x00 R/W
0x0580 JESD204B
map JTX DID
configuration
JESD204B Tx serial device identification (DID) value 0x00 R/W
0x0581 JESD204B
map JTX BID
configuration
Reserved JESD204B Tx serial bank identification (BID) value 0x00 R/W
0x0583 JESD204B
map JTX
LID 0
configuration
Reserved Lane 0 serial lane identification (LID) value 0x00 R/W

AD6684 Data Sheet
Rev. 0 | Page 80 of 107
Reg. Name Bit 7 Bit 6 Bit 5 Bit 4 Bit 3 Bit 2 Bit 1 Bit 0 Reset R/W
0x0585 JESD204B
map JTX
LID 1
configuration
Reserved Lane 1 LID value 0x02 R/W
0x058B JESD204B
map JTX
SCR L
configuration
JESD204B
scrambling
(SCR)
Reserved JESD204B lanes (L) 0x81 R/W
0x058C JESD204B
map JTX F
configuration
Number of octets per frame (F) 0x01 R
0x058D JESD204B
map JTX K
configuration
Reserved Number of frames per multiframe (K) 0x1F R/W
0x058E JESD204B
map JTX M
configuration
Number of converters per link 0x01 R
0x058F JESD204B
map JTX
CS N
configuration
Number of control bits
(CS) per sample
Reserved ADC converter resolution (N) 0x0F R/W
0x0590 JESD204B
map JTX
Subclass
Version NP
configuration
Subclass support ADC number of bits per sample (N') 0x2F R/W
0x0591 JESD204B
map JTX JV S
configuration
Reserved Samples per converter frame cycle (S) 0x20 R
0x0592 JESD204B
map JTX
HD CF
configuration
HD value Reserved Control words per frame clock cycle per link (CF) 0x00 R
0x05A0 JESD204B
map JTX
Checksum 0
configuration
Checksum 0 checksum value for SERDOUTAB0±/SERDOUTCD0± 0xC3 R
0x05A1 JESD204B
map JTX
Checksum 1
configuration
Checksum 1 checksum value for SERDOUTAB1±/SERDOUTCD1± 0xC4 R
0x05B0 JESD204B
map JTX lane
power-down
Reserved JESD204B lane 1
power-down
Reserved JESD-
204B
Lane 0
power-
down
0xFA R/W
0x05B2 JESD204B
map JTX
Lane Assign-
ment 1
Reserved SERDOUTAB0±/SERDOUTCD0± lane
assignment
0x00 R/W
0x05B3 JESD204B
map JTX
Lane Assign-
ment 2
Reserved SERDOUTAB1±/SERDOUTCD1± lane
assignment
0x11 R/W
0x05C0 JESD204B
map
JESD204B
serializer
drive adjust
Reserved Swing voltage for SERDOUTAB1±/
SERDOUTCD1±
Reserved Swing voltage for SERDOUTAB0±/
SERDOUTCD0±
0x11 R/W
0x05C4 JESD204B
serializer
preemph-
asis
selection
register for
Logical
Lane 0
Post tab
polarity
Sets post tab level Pretab
polarty
Sets pretab level 0x0 R/W

Data Sheet AD6684
Rev. 0 | Page 81 of 107
Reg. Name Bit 7 Bit 6 Bit 5 Bit 4 Bit 3 Bit 2 Bit 1 Bit 0 Reset R/W
0x05C6 JESD204B
serializer
preempha-
sis selection
register for
Logical
Lane 0
Post tab
polarity
Sets post tab level Pre tab
polarty
Sets pre tab level 0x0 R/W
0x0922 Large dither
control
Large dither control 0x70 R/W
0x1222 PLL
calibration
PLL calibration 0x0 R/W
0x1228 JESD204B
start-up
circuit reset
JESD204B start-up circuit reset 0xF R/W
0x1262 PLL loss of
lock control
PLL loss of lock control 0x0 R/W
0x18A6 Pair map
VREF control
Reserved VREF
control
0x00 R/W
0x18E0 External VCM
Buffer
Control 1
External VCM Buffer Control 1 0x00 R/W
0x18E1 External VCM
Buffer
Control 2
External VCM Buffer Control 1 0x00 R/W
0x18E2 External VCM
Buffer
Control 3
External VCM Buffer Control 1 0x00 R/W
0x18E3 External
VCM buffer
control
Reserved External
VCM
buffer
External VCM buffer current setting 0x00 R/W
0x18E6 Temp-
erature
diode
export
Reserved Temp-
erature
diode
export
0x00 R/W
0x1908 Channel map
analog input
control
Reserved Analog input dc
coupling
selection
Reserved 0x00
R/W
0x1910 Channel map
input full-
scale range
Reserved Input full-scale control 0x0D R/W
0x1A4C Channel Map
Buffer
Control 1
Reserved Buffer Control 1 0x0C R/W
0x1A4D Channel Map
Buffer
Control 2
Reserved Buffer Control 2 0x0C R/W

AD6684 Data Sheet
Rev. 0 | Page 82 of 107
MEMORY MAP DETAILS
All address locations that are not included in Table 46 are not currently supported for this device and must not be written.
Table 46. Memory Map Details
Address Name Bits Bit Name Settings Description Reset Access
0x0000 Global Map
SPI Config-
uration A
7 Soft reset (self clearing) When a soft reset is issued, the user must
wait 5 ms before writing to any other
register. This wait provides sufficient time
for the boot loader to complete.
0x0 R/W
0 Do nothing.
1 Reset the SPI and registers (self clearing).
6 LSB first mirror 0x0 R/W
1 LSB shifted first for all SPI operations.
0 MSB shifted first for all SPI operations.
5 Address ascension mirror 0x0 R/W
0
Multibyte SPI operations cause addresses
to auto-increment.
1
Multibyte SPI operations cause addresses
to auto-increment.
[4:3] Reserved Reserved. 0x0 R
2 Address ascension 0x0 R/W
0
Multibyte SPI operations cause addresses
to autoincrement.
1
Multibyte SPI operations cause addresses
to auto increment.
1 LSB first 0x0 R/W
1 LSB shifted first for all SPI operations.
0 MSB shifted first for all SPI operations.
0 Soft reset (self clearing) When a soft reset is issued, the user must
wait 5 ms before writing to any other
register. This wait provides sufficient time
for the boot loader to complete.
0x0 R/W
0 Do nothing.
1 Reset the SPI and registers (self clearing).
0x0001 Global Map
SPI Config-
uration B
7 Single instruction 0x0 R/W
0 SPI streaming enabled.
1
Streaming (multibyte read/write) is
disabled. Only one read or write operation
is performed, regardless of the state of the
CSB line.
[6:2] Reserved Reserved. 0x0 R
1
Datapath soft reset (self
clearing)
0x0 R/W
0 Normal operation.
1 Datapath soft reset (self-clearing).
0 Reserved Reserved. 0x0 R
0x0002 Channel map
chip config-
uration
[7:2] Reserved Reserved. 0x0 R
[1:0] Channel power modes Channel power modes. 0x0 R/W
00 Normal mode (power up).
10
Standby mode. The digital datapath clocks
are disabled, the JESD204B interface is
enabled, and the outputs are enabled.
11
Power-down mode. The digital datapath
clocks are disabled, the digital datapath is
held in reset, the JESD204B interface is
disabled, and the outputs are disabled.

Data Sheet AD6684
Rev. 0 | Page 83 of 107
Address Name Bits Bit Name Settings Description Reset Access
0x0003 Pair map
chip type
[7:0] CHIP_TYPE Chip type. 0x3 R
0x3 High speed ADC.
0x0004 Pair map
chip ID LSB
[7:0] CHIP_ID Chip ID. 0xDC R
0x0006 Pair map
chip grade
[7:4] CHIP_SPEED_GRADE Chip speed grade. 0x0 R
0101 500 MHz.
[3:0] Reserved Reserved. 0x0 R
0x0008 Pair map
device index
[7:2] Reserved Reserved. 0x0 R
1 Channel B/Channel D 0x1 R/W
0
ADC Core B/ADC Core D does not receive
the next SPI command.
1
ADC Core B/ADC Core D receives the next
SPI command.
0 Channel A/Channel C 0x1 R/W
0
ADC Core A/ADC Core C does not receive
the next SPI command.
1
ADC Core A/ADC Core C receives the next
SPI command.
0x0009 Global map
pair index
[7:2] Reserved Reserved. 0x0 R
1 Pair C/D 0x1 R/W
0
ADC Pair C/D does not receive the next read/
write command from the SPI interface.
1
ADC Pair C/D does not receive the next read/
write command from the SPI interface.
0 Pair A/B 0x1 R/W
0
ADC Pair A/B does not receive the next read/
write command from the SPI interface.
1
ADC Pair A/B receives the next read/write
command from the SPI interface.
0x000A Pair map
scratch pad
[7:0] Scratch pad Chip scratch pad register. This register
provides a consistent memory location for
software debug.
0x07 R/W
0x000B Pair map SPI
revision
[7:0] SPI_REVISION SPI revision register (0x01 = Revision 1.0). 0x1 R
00000001 Revision 1.0.
0x000C Pair map
vendor ID
LSB
[7:0] CHIP_VENDOR_ID[7:0] Vendor ID. 0x56 R
0x000D Pair map
vendor ID
MSB
[7:0] CHIP_VENDOR_ID[15:8] Vendor ID. 0x4 R
0x003F Channel
map chip
power-
down pin
7 PDWN/STBY disable This bit is used in conjunction with
Register 0x0040.
0x0 R/W
0
Power-down pin (PDWN/STBY) enabled;
global pin control selection enabled
(default).
1
Power-down pin (PDWN/STBY) disabled/
ignored; global pin control selection
ignored.
[6:0] Reserved Reserved. 0x0 R

AD6684 Data Sheet
Rev. 0 | Page 84 of 107
Address Name Bits Bit Name Settings Description Reset Access
0x0040 Pair Map
Chip Pin
Control 1
[7:6] PDWN/STBY function 0x0 R/W
00
Power-down pin—assertion of the external
power-down pin (PDWN/STBY) causes the
chip to enter full power-down mode.
01
Standby pin—assertion of the external
power-down pin (PDWN/STBY) causes the
chip to enter standby mode.
10
Pin disabled—assertion of the external
power-down pin (PDWN/STBY) is ignored.
[5:3]
Fast Detect B/Fast Detect D
(FD_B/FD_D)
0x7 R/W
000 Fast Detect B/Fast Detect D output.
001 JESD204B LMFC output.
010
JESD204B internal SYNC signal in the ADC
output.
111
Disabled (configured as an input with a
weak pull down).
[2:0]
Fast Detect A/Fast Detect C
(FD_A/FD_C)
0x7 R/W
000 Fast Detect A/Fast Detect C output.
001 JESD204B LMFC output.
010
JESD204B internal SYNC signal in the ADC
output.
111
Disabled (configured as an input with a
weak pull down).
0x0108 Pair map
clock divider
control
[7:3] Reserved Reserved. 0x0 R
[2:0] Clock divider 0x1 R/W
000 Divide by 1.
001 Divide by 2.
011 Divide by 4.
111 Divide by 8.
0x0109 Channel
map clock
divider
phase
[7:4] Reserved Reserved. 0x0 R
[3:0] Clock divider phase offset 0x0 R/W
0000 0 input clock cycles delayed.
0001 1/2 input clock cycles delayed (invert clock).
0010 1 input clock cycles delayed.
0011 1 1/2 input clock cycles delayed.
0100 2 input clock cycles delayed.
0101 2 1/2 input clock cycles delayed.
0110 3 input clock cycles delayed.
0111 3 1/2 input clock cycles delayed.
1000 4 input clock cycles delayed.
1001 4 1/2 input clock cycles delayed.
1010 5 input clock cycles delayed.
1011 5 1/2 input clock cycles delayed.
1100 6 input clock cycles delayed.
1101 6 1/2 input clock cycles delayed.
1110 7 input clock cycles delayed.
1111 7 1/2 input clock cycles delayed.

Data Sheet AD6684
Rev. 0 | Page 85 of 107
Address Name Bits Bit Name Settings Description Reset Access
0x010A Pair map
clock divider
SYSREF
control
7 Clock divider auto phase
adjust
0x0 R/W
0
Clock divider phase is not changed by
SYSREF (disabled).
1
Clock divider phase is automatically
adjusted by SYSREF (enabled).
[6:4] Reserved Reserved. 0x0 R
[3:2]
Clock divider negative
skew window
0x0 R/W
00
No negative skew; SYSREF must be captured
accurately.
01 1/2 device clock of negative skew.
10 1 device clocks of negative skew.
11 1 1/2 device clocks of negative skew.
[1:0]
Clock divider positive skew
window
0x0 R/W
00
No positive skew; SYSREF must be captured
accurately.
01 1/2 device clock of positive skew.
10 1 device clocks of positive skew.
11 1 1/2 device clocks of positive skew.
0x0110 Pair map
clock delay
control
[7:3] Reserved Reserved. 0x0 R
[2:0] Clock delay mode select Clock delay mode select; used in conjunction
with Register 0x0111 and Register 0x0112.
0x0 R/W
000 No clock delay.
001 Reserved.
010
Fine delay; only Delay Step 0 to Delay
Step 16 are valid.
011
Fine delay (lowest jitter); only Delay Step 0 to
Delay Step 16 are valid.
100 Fine delay; all 192 delay steps are valid.
101 Reserved (same as 001).
110
Fine delay enabled; all 192 delay steps are
valid. Super fine delay enabled (all 128
delay steps are valid).
0x0111 Channel map
clock super
fine delay
[7:0] Clock super fine delay
adjust
This is an unsigned control to adjust the
super fine sample clock delay in 0.25 ps
steps.
0x0 R/W
0x00 0 delay steps.
…
0x08 8 delay steps.
…
0x80 128 delay steps.
These bits are only used when
Register 0x0110, Bits[2:0] = 0x2 or 0x6.
0x0112 Channel
map clock
fine delay
[7:0] Clock fine delay adjust Clock fine delay adjust. This is an unsigned
control to adjust the fine sample clock
skew in 1.725 ps steps.
0xC0 R/W
0x00 0 delay steps.
…
0x08 8 delay steps.
…
0xC0 192 delay steps.
These bits are only used when
Register 0x0110, Bits[2:0] = 0x2, 0x3, 0x4,
or 0x6.

AD6684 Data Sheet
Rev. 0 | Page 86 of 107
Address Name Bits Bit Name Settings Description Reset Access
0x011A Clock
detection
control
[7:5] Reserved Reserved. 0x0 R/W
[4:3] Clock detection threshold Clock detection threshold. 0x1 R/W
01 200 MHz.
11 150 MHz.
2 Clock detection enable Clock detection enable 0x1 R/W
1 Enable.
0 Disable.
[1:0] Reserved. Reserved. 0x2 R/W
0x011B Pair map
clock status
[7:1] Reserved Reserved. 0x0 R
0 Input clock detect Clock detection status. 0x0 R
0 Input clock not detected.
1 Input clock detected/locked.
0x011C Clock DCS
control
[7:3] Reserved Reserved. 0x1 R/W
1 Clock DCS enable Clock DCS enable. 0x0 R/W
0 DCS bypassed.
1 DCS enabled.
0 Clock DCS power-up Clock DCS power-up. 0x0 R/W
0 DCS powered down.
1
DCS powered up. The DCS must be
powered up before being enabled.
0x0120 Pair map
SYSREF
Control 1
7 Reserved Reserved. 0x0 R
6 SYSREF± flag reset 0 Normal flag operation. 0x0 R/W
1
SYSREF± flags held in reset (setup/hold
error flags cleared).
5 Reserved Reserved. 0x0 R
4 SYSREF± transition select 0 SYSREF± is valid on low to high transitions
using the selected CLK input edge. When
changing this setting, the SYSREF± mode
select must be set to disabled.
0x0 R/W
1
SYSREF± is valid on high to low transitions
using the selected CLK input edge. When
changing this setting, the SYSREF± mode
select must be set to disabled.
3 CLK± edge select 0 Captured on rising edge of CLK input. 0x0 R/W
1 Captured on falling edge of CLK input.
[2:1] SYSREF± mode select 00 Disabled. 0x0 R/W
01 Continuous.
10 N shot.
0 Reserved Reserved. 0x0 R

Data Sheet AD6684
Rev. 0 | Page 87 of 107
Address Name Bits Bit Name Settings Description Reset Access
0x0121 Pair map
SYSREF
Control 2
[7:4] Reserved Reserved. 0x0 R
[3:0]
SYSREF N shot ignore
counter select
0000 Next SYSREF± only (do not ignore). 0x0 R/W
0001 Ignore the first SYSREF± transition.
0010 Ignore the first two SYSREF± transitions.
0011 Ignore the first three SYSREF± transitions.
0100 Ignore the first four SYSREF± transitions.
0101 ignore the first five SYSREF± transitions.
0110 ignore the first six SYSREF± transitions.
0111 ignore the first seven SYSREF± transitions.
1000 ignore the first eight SYSREF± transitions.
1001 ignore the first nine SYSREF± transitions.
1010 ignore the first 10 SYSREF± transitions.
1011 ignore the first 11 SYSREF± transitions.
1100 ignore the first 12 SYSREF± transitions.
1101 ignore the first 13 SYSREF± transitions.
1110 ignore the first 14 SYSREF± transitions.
1111 ignore the first 15 SYSREF± transitions.
0x0123 Pair map
SYSREF
Control 4
7 Reserved Reserved. 0x0 R
[6:0]
SYSREF± time stamp
delay[6:0]
SYSREF± timestamp delay (in converter
sample clock cycles)
0x40 R/W
0 0 sample clock cycle delay
1 1 sample clock cycle delay
…
127 127 sample clock cycle delay
0x0128 Pair map
SYSREF
Status 1
[7:4] SYSREF± hold status[7:4] SYSREF± hold status. See Table 37 for
more information.
0x0 R
[3:0] SYSREF± setup status[3:0] SYSREF± setup status. See Table 37 for
more information.
0x0 R
0x0129 Pair map
SYSREF
Status 2
[7:4] Reserved Reserved. 0x0 R
[3:0]
Clock divider phase when
SYSREF± is captured
SYSREF± divider phase. These bits
represent the phase of the divider when
SYSREF± is captured.
0x0 R
0000 In phase.
0001 SYSREF± is ½ cycle delayed from clock.
0010 SYSREF± is 1 cycle delayed from clock.
0011 1½ input clock cycles delayed.
0100 2 input clock cycles delayed.
0101 2½ input clock cycles delayed.
…
1111 7½ input clock cycles delayed.
0x012A Pair map
SYSREF
Status 3
[7:0] SYSREF± counter [7:0]
(increments when a
SYSREF± is captured)
SYSREF± count. These bits are a running
counter that increments whenever a
SYSREF± event is captured. Thes bits are
reset by Register 0x0120, Bit 6, and wrap
around at 255. Read these bits only while
Register 0x120, Bits[2:1] are disabled.
0x0 R

AD6684 Data Sheet
Rev. 0 | Page 88 of 107
Address Name Bits Bit Name Settings Description Reset Access
0x01FF Pair map
chip sync
[7:1] Reserved Reserved. 0x0 R
0 Synchronization mode 0x0 R/W
0x0
Sample synchronization mode. The
SYSREF± signal resets all internal sample
dividers. Use this mode when synchronizing
multiple chips as specified in the JESD204B
standard. If the phase of any of the dividers
must change, the JESD204B link is
interrupted.
0x1
Partial synchronization/timestamp mode.
The SYSREF± signal does not reset sample
internal dividers. In this mode, the JESD204B
link, the signal monitor, and the parallel
interface clocks are not affected by the
SYSREF± signal. The SYSREF signal simply
time stamps a sample as it passes through
the ADC.
0x0200 Pair map
chip mode
[7:6] Reserved Reserved. 0x0 R/W
5 Chip Q ignore Chip real (I) only selection. 0x0 R/W
0 Both real (I) and complex (Q) selected.
1 Only real (I) selected. Complex (Q) is ignored.
4 Reserved Reserved. 0x0 R
[3:0] Chip application mode 0x7 R/W
0000 Full bandwidth mode.
0001 One DDC mode (DDC 0 only).
0010 Two DDC mode (DDC 0 and DDC 1 only).
0111 Noise shaped requantizer (NSR) mode.
1000 Variable dynamic range (VDR) mode.
0x0201 Pair map
chip dec-
imation ratio
[7:3] Reserved Reserved. 0x0 R
[2:0]
Chip decimation ratio
select
Chip decimation ratio. 0x0 R/W
000 Decimate by 1 (full sample rate).
001 Decimate by 2.
010 Decimate by 4.
011 Decimate by 8.
100 Decimate by 16.
0x0228 Channel map
custom
offset
[7:0] Offset adjust in LSBs from
+127 to −128
Digital datapath offset. Twos complement
offset adjustment aligned with least
significant converter resolution bit.
0x0 R/W
0x0245 Channel
map fast
detect
control
[7:4] Reserved Reserved. 0x0 R
3
Force FD_A/FD_B/FD_C/
FD_D pins
0x0 R/W
0 Normal operation of the fast detect pin.
1
Force a value on the fast detect pin (see
Bit 2 of this register).
2
Force value of FD_A/FD_B/
FD_C/FD_D pins; if force
pins is true, this value is
output on the fast detect
pins
The fast detect output pin for this channel
is set to this value when the output is
forced.
0x0 R/W
1 Reserved Reserved. 0x0 R
0 Enable fast detect output 0x0 R/W
0 Fine fast detect disabled.
1 Fine fast detect enabled.

Data Sheet AD6684
Rev. 0 | Page 89 of 107
Address Name Bits Bit Name Settings Description Reset Access
0x0247 Channel map
fast detect
upper thres-
hold LSB
[7:0] Fast detect upper
threshold [7:0]
LSBs of fast detect upper threshold. Eight
LSBS of the programmable 13-bit upper
threshold that is compared to the fine
ADC magnitude.
0x0 R/W
0x0248 Channel map
fast detect
upper thres-
hold MSB
[7:5] Reserved Reserved. 0x0 R
[4:0]
Fast detect upper
threshold[12:8]
LSBs of fast detect upper threshold. Eight
LSBS of the programmable 13-bit upper
threshold that is compared to the fine
ADC magnitude.
0x0 R/W
0x0249 Channel map
fast detect
lower thres-
hold LSB
[7:0] Fast detect lower
threshold[7:0]
LSBs of fast detect lower threshold. Eight
LSBS of the programmable 13-bit lower
threshold that is compared to the fine
ADC magnitude
0x0 R/W
0x024A Channel
map fast
detect lower
threshold
MSB
[7:5] Reserved Reserved. 0x0 R
[4:0]
Fast detect lower
threshold[12:8]
LSBs of fast detect lower threshold. Eight
LSBS of the programmable 13-bit lower
threshold that is compared to the fine
ADC magnitude
0x0 R/W
0x024B Channel
map fast
detect dwell
time LSB
[7:0] Fast detect dwell time[7:0] LSBs of fast detect dwell time counter target.
This target is a load value for a 16-bit counter
that determines how long the ADC data
must remain below the lower threshold
before the FD_x pins are reset to 0
0x0 R/W
0x024C Channel
map fast
detect dwell
time MSB
[7:0] Fast detect dwell
time[15:8]
LSBs of fast detect dwell time counter
target. This target is a load value for a 16-bit
counter that determines how long the ADC
data must remain below the lower threshold
before the FDD_x pins are reset to 0.
0x0 R/W
0x026F Pair map
signal
monitor
sync control
[7:2] Reserved Reserved. 0x0 R
1 Reserved Reserved. 0x0 R/W
0
Signal monitor
synchronization mode
0x0 R/W
0 Synchronization disabled.
1
Only the next valid edge of the SYSREF± pin
is used to synchronize the signal monitor
block. Subsequent edges of the SYSREF± pin
are ignored. After the next SYSREF± is
received, this bit is cleared. Note that the
SYSREF± input pin must be enabled to
synchronize the signal monitor blocks.
0x0270 Channel
map signal
monitor
control
[7:2] Reserved Reserved. 0x0 R
1 Peak detector 0x0 R/W
0 Peak detector disabled.
1 Peak detector enabled.
0 Reserved Reserved. 0x0 R
0x0271 Channel
map Signal
Monitor
Period 0
[7:0] Signal monitor period[7:0] This 24-bit value sets the number of
output clock cycles over which the signal
monitor performs its operation. Bit 0 is
ignored.
0x80 R/W
0x0272 Channel
map Signal
Monitor
Period 1
[7:0] Signal monitor period[15:8] This 24-bit value sets the number of
output clock cycles over which the signal
monitor performs its operation. Bit 0 is
ignored.
0x0 R/W
0x0273 Channel
map Signal
Monitor
Period 2
[7:0] Signal monitor
period[23:16]
This 24-bit value sets the number of
output clock cycles over which the signal
monitor performs its operation. Bit 0 is
ignored.
0x0 R/W

AD6684 Data Sheet
Rev. 0 | Page 90 of 107
Address Name Bits Bit Name Settings Description Reset Access
0x0274 Channel
map signal
monitor
status
control
[7:5] Reserved Reserved. 0x0 R
4 Result update 0x0 R/W
1
Status update based on Bits[2:0] (self
clearing).
3 Reserved Reserved. 0x0 R
[2:0] Result selection 0x1 R/W
001
Peak detector placed on status readback
signals.
0x0275 Channel
map Signal
Monitor
Status 0
[7:0] Signal monitor result[7:0] Signal monitor status result. This 20-bit
value contains the status result calculated
by the signal monitor block. The content is
dependent on the Register 0x0274,
Bits[2:0] bit settings.
0x0 R
0x0276 Channel
map Signal
Monitor
Status 1
[7:0] Signal monitor result[15:8] Signal monitor status result. This 20-bit
value contains the status result calculated
by the signal monitor block. The content is
dependent on the Register 0x0274,
Bits[2:0] bit settings.
0x0 R
0x0277 Channel
map Signal
Monitor
Status 2
[7:4] Reserved Reserved. 0x0 R
[3:0]
Signal monitor
result[19:16]
Signal monitor status result. This 20-bit
value contains the status result calculated
by the signal monitor block. The content is
dependent on the Register 0x0274,
Bits[2:0] bit settings.
0x0 R
0x0278 Channel map
signal
monitor
status frame
counter
[7:0] Period count result[7:0] Signal monitor frame counter status bits.
The frame counter increments whenever
the period counter expires.
0x0 R
0x0279 Channel map
signal
monitor
serial framer
control
[7:2] Reserved Reserved. 0x0 R
1 Reserved Reserved. 0x0 R/W
0
Signal monitor SPORT over
JESD204B enable
0x0 R/W
0 Disabled.
1 Enabled.
0x027A Channel
map signal
monitor
serial framer
input
selection
[7:6] Reserved Reserved. 0x0 R
[5:0]
Signal monitor SPORT over
JESD204B peak detector
enable
0x2 R/W
1 Peak detector enabled.

Data Sheet AD6684
Rev. 0 | Page 91 of 107
Address Name Bits Bit Name Settings Description Reset Access
0x0300 Pair map
DDC sync
control
[7:6] Reserved Reserved. 0x0 R/W
5 Reserved Reserved. 0x0 R
4 DDC NCO soft reset This bit can be used to synchronize all the
NCOs inside the DDC blocks.
0x0 R/W
0 Normal operation.
1 DDC held in reset.
[3:2] Reserved Reserved. 0x0 R
1 DDC next sync The SYSREF± pin must be an integer mul-
tiple of the NCO frequency for this function
to operate correctly in continuous mode.
0x0 R/W
0 Continuous mode.
1
Only the next valid edge of the SYSREF± pin
is used to synchronize the NCO in the DDC
block. Subsequent edges of the SYSREF±
pin are ignored. Aftwr the next SYSREF is
found, the DDC synchronization enable bit
is cleared.
0
DDC synchronization
mode
The SYSREF± input pin must be enabled to
synchronize the DDCs.
0x0 R/W
0 Synchronization disabled.
1
If the DDC next syncbit = 1, only the next
valid edge of the SYSREF± pin is used to
synchronize the NCO in the DDC block.
Subsequent edges of the SYSREF± pin are
ignored. After the next SYSREF± is
received, this bit is cleared.
0x0310 Pair map
DDC 0
control
7 DDC 0 mixer select 0x0 R/W
0
Real mixer (I and Q inputs must be from
the same real channel).
1
Complex mixer (I and Q must be from
separate real and imaginary quadrature ADC
receive channels—analog demodulator).
6 DDC 0 gain select Gain can be used to compensate for the
6 dB loss associated with mixing an input
signal down to baseband and filtering out
its negative component.
0x0 R/W
0 0 dB gain.
1 6 dB gain (multiply by 2).
[5:4] DDC 0 IF mode 0x0 R/W
00 Variable IF mode.
01 0 Hz IF mode.
10 fS/4 Hz IF mode.
11 Test mode.
3
DDC 0 complex to real
enable
0x0 R/W
0
Complex (I and Q) outputs contain valid
data.
1
Real (I) output only. Complex to real enabled.
Uses extra fS/4 mixing to convert to real.
2 Reserved Reserved. 0x0 R

AD6684 Data Sheet
Rev. 0 | Page 92 of 107
Address Name Bits Bit Name Settings Description Reset Access
[1:0]
DDC 0 decimation rate
select
Decimation filter selection. Complex
outputs (complex to real disabled):
0x0 R/W
11 HB1 filter selection (decimate by 2).
00 HB2 + HB1 filter selection (decimate by 4).
01
HB3 + HB2 + HB1 filter selection (decimate
by 8).
10
HB4 + HB3 + HB2 + HB1 filter selection
(decimate by 16).
Real outputs (complex to real enabled):
11 HB1 filter selection (decimate by 1).
00 HB2 + HB1 filter selection (decimate by 2).
01
HB3 + HB2 + HB1 filter selection (decimate
by 4).
10
HB4 + HB3 + HB2 + HB1 filter selection
(decimate by 8).
11 HB1 filter selection: decimate by 1 or 2.
00
HB2 + HB1 filter selection (decimate by 2
or 4).
01
HB3 + HB2 + HB1 filter selection (decimate
by 4 or 8)
10
HB4 + HB3 + HB2 + HB1 filter selection
(decimate by 8 or 16)
0x0311 Pair Map
DDC 0 input
select
[7:3] Reserved Reserved. 0x0 R
2 DDC 0 Q input select 0x0 R/W
0 Channel A.
1 Channel B.
1 Reserved Reserved. 0x0 R
0 DDC 0 I input select 0x0 R/W
0 Channel A.
1 Channel B.
0x0314 Pair map
DDC 0 Phase
Increment 0
[7:0] DDC 0 NCO frequency value,
twos complement[7:0]
NCO phase increment value; twos
complement phase increment value for
the NCO. Complex mixing frequency =
(DDC phase increment × fS)/248.
0x0 R/W
0x0315 Pair map
DDC 0 Phase
Increment 1
[7:0] DDC 0 NCO frequency value,
twos complement[15:8]
NCO phase increment value; twos
complement phase increment value for
the NCO. Complex mixing frequency =
(DDC_PHASE_INC × fS)/248.
0x0 R/W
0x0316 Pair map
DDC 0 Phase
Increment 2
[7:0] DDC 0 NCO frequency value,
twos complement[23:16]
NCO phase increment value; twos
complement phase increment value for
the NCO. Complex mixing frequency =
(DDC_PHASE_INC × fS)/248.
0x0 R/W
0x0317 Pair map
DDC 0 Phase
Increment 3
[7:0] DDC 0 NCO frequency value,
twos complement[31:24]
NCO phase increment value; twos
complement phase increment value for
the NCO. Complex mixing frequency =
(DDC_PHASE_INC × fS)/248.
0x0 R/W
0x0318 Pair map
DDC 0 Phase
Increment 4
[7:0] DDC 0 NCO frequency value,
twos complement[39:32]
NCO phase increment value; twos
complement phase increment value for
the NCO. Complex mixing frequency =
(DDC_PHASE_INC × fS)/248.
0x0 R/W
0x031A Pair map
DDC 0 Phase
Increment 5
[7:0] DDC 0 NCO frequency value,
twos complement[47:40]
NCO phase increment value; twos
complement phase increment value for
the NCO. Complex mixing frequency =
(DDC_PHASE_INC × fS)/248.
0x0 R/W
0x031D Pair map
DDC 0 Phase
Offset 0
[7:0] DDC 0 NCO phase value,
twos complement[7:0]
Twos complement phase offset value for
the NCO.
0x0 R/W

Data Sheet AD6684
Rev. 0 | Page 93 of 107
Address Name Bits Bit Name Settings Description Reset Access
0x031E Pair map
DDC 0 Phase
Offset 1
[7:0] DDC 0 NCO phase value,
twos complement[15:8]
Twos complement phase offset value for
the NCO.
0x0 R/W
0x031F Pair map
DDC 0 Phase
Offset 2
[7:0] DDC 0 NCO phase value,
twos complement[23:16]
Twos complement phase offset value for
the NCO.
0x0 R/W
0x0320 Pair map
DDC 0 Phase
Offset 3
[7:0] DDC 0 NCO phase value,
twos complement[31:24]
Twos complement phase offset value for
the NCO.
0x0 R/W
0x0321 Pair Map
DDC 0 Phase
Offset 4
[7:0] DDC 0 NCO phase value,
twos complement[39:32]
Twos complement phase offset value for
the NCO.
0x0 R/W
0x0322 Pair map
DDC 0 Phase
Offset 5
[7:0] DDC 0 NCO phase value,
twos complement[47:40]
Twos complement phase offset value for
the NCO.
0x0 R/W
0x0327 Pair map
DDC 0 test
enable
[7:3] Reserved Reserved. 0x0 R
2
DDC 0 Q output test mode
enable
Q samples always use the Test Mode B/
Test Mode D block.
0x0 R/W
0 Test mode disabled.
1 Test mode enabled.
1 Reserved Reserved. 0x0 R
0
DDC 0 I output test mode
enable
I Samples always use Test Mode A/ Test
Mode C block.
0x0 R/W
0 Test mode disabled.
1 Test mode enabled.
0x0330 Pair map
DDC 1
control
7 DDC 1 mixer select 0x0 R/W
0
Real mixer (I and Q inputs must be from
the same real channel).
1
Complex mixer (I and Q must be from
separate, real and imaginary quadrature ADC
receive channels—analog demodulator).
6 DDC 1 gain select Gain can be used to compensate for the
6 dB loss associated with mixing an input
signal down to baseband and filtering out
its negative component.
0x0 R/W
0 0 dB gain.
1 6 dB gain (multiply by 2).
[5:4] DDC 1 IF mode 0x0 R/W
00 Variable IF mode.
01 0 Hz IF mode.
10 fS/4 Hz IF mode.
11 Test mode.
3
DDC 1 complex to real
enable
0x0 R/W
0
Complex (I and Q) outputs contain valid
data.
1
Real (I) output only. Complex to real enabled.
Uses extra fS/4 mixing to convert to real.
2 Reserved Reserved. 0x0 R

AD6684 Data Sheet
Rev. 0 | Page 94 of 107
Address Name Bits Bit Name Settings Description Reset Access
[1:0]
DDC 1 decimation rate
select
Decimation filter selection. Complex
outputs (complex to real disabled):
0x0 R/W
11 HB1 filter selection (decimate by 2).
00 HB2 + HB1 filter selection (decimate by 4).
01
HB3 + HB2 + HB1 filter selection (decimate
by 8).
10
HB4 + HB3 + HB2 + HB1 filter selection
(decimate by 16).
Real outputs (complex to real enabled):
11 HB1 filter selection (decimate by 1).
00 HB2 + HB1 filter selection (decimate by 2).
01
HB3 + HB2 + HB1 filter selection (decimate
by 4).
10
HB4 + HB3 + HB2 + HB1 filter selection
(decimate by 8).
11 HB1 filter selection: decimate by 1 or 2.
00
HB2 + HB1 filter selection (decimate by 2
or 4).
01
HB3 + HB2 + HB1 filter selection (decimate
by 4 or 8)
10
HB4 + HB3 + HB2 + HB1 filter selection
(decimate by 8 or 16)
0x0331 Pair map
DDC 1 input
select
[7:3] Reserved Reserved. 0x0 R
2 DDC 1 Q input select 0x1 R/W
0 Channel A.
1 Channel B.
1 Reserved Reserved. 0x0 R
0 DDC 1 I input select 0x1 R/W
0 Channel A.
1 Channel B.
0x0334 Pair map
DDC 1 Phase
Increment 0
[7:0] DDC 1 NCO frequency
value, twos
complement[7:0]
NCO phase increment value. Twos
complement phase increment value for
the NCO. Complex mixing frequency =
(DDC phase increment × fS)/248.
0x0 R/W
0x0335 Pair map
DDC 1 Phase
Increment 1
[7:0] DDC 1 NCO frequency
value, twos
complement[15:8]
NCO phase increment value. Twos
complement phase increment value for
the NCO. Complex mixing frequency =
(DDC phase increment × fS)/248.
0x0 R/W
0x0336 Pair map
DDC 1 Phase
Increment 2
[7:0] DDC 1 NCO frequency
value, twos
complement[23:16]
NCO phase increment value. Twos
complement phase increment value for
the NCO. Complex mixing frequency =
(DDC phase increment × fS)/248.
0x0 R/W
0x0337 Pair map
DDC 1 Phase
Increment 3
[7:0] DDC 1 NCO frequency
value, twos
complement[31:24]
NCO phase increment value. Twos
complement phase increment value for
the NCO. Complex mixing frequency =
(DDC phase increment × fS)/248.
0x0 R/W
0x0338 Pair map
DDC 1 Phase
Increment 4
[7:0] DDC 1 NCO frequency
value, twos
complement[39:32]
NCO phase increment value. Twos
complement phase increment value for
the NCO. Complex mixing frequency =
(DDC phase increment × fS)/248.
0x0 R/W
0x033A Pair map
DDC 1 Phase
Increment 5
[7:0] DDC 1 NCO frequency
value, twos
complement[47:40]
NCO phase increment value. Twos
complement phase increment value for
the NCO. Complex mixing frequency =
(DDC phase increment × fS)/248.
0x0 R/W
0x033D Pair map
DDC 1 Phase
Offset 0
[7:0] DDC 1 NCO phase value,
twos complement[7:0]
Twos complement phase offset value for
the NCO.
0x0 R/W

Data Sheet AD6684
Rev. 0 | Page 95 of 107
Address Name Bits Bit Name Settings Description Reset Access
0x033E Pair map
DDC 1 Phase
Offset 1
[7:0] DDC 1 NCO phase value,
twos complement[15:8]
Twos complement phase offset value for
the NCO.
0x0 R/W
0x033F Pair map
DDC 1 Phase
Offset 2
[7:0] DDC 1 NCO phase value,
twos complement[23:16]
Twos complement phase offset value for
the NCO.
0x0 R/W
0x0340 Pair map
DDC 1 Phase
Offset 3
[7:0] DDC 1 NCO phase value,
twos complement[31:24]
Twos complement phase offset value for
the NCO.
0x0 R/W
0x0341 Pair map
DDC 1 Phase
Offset 4
[7:0] DDC 1 NCO phase value,
twos complement[39:32]
Twos complement phase offset value for
the NCO.
0x0 R/W
0x0342 Pair map
DDC 1 Phase
Offset 5
[7:0] DDC 1 NCO phase value,
twos complement[47:40]
Twos complement phase offset value for
the NCO.
0x0 R/W
0x0347 Pair map
DDC 1 test
enable
[7:3] Reserved Reserved. 0x0 R
2
DDC 1 Q output test mode
enable
Q samples always use the Test Mode B/
Test Mode D block.
0x0 R/W
0 Test mode disabled.
1 Test mode enabled.
1 Reserved Reserved. 0x0 R
0
DDC 1 I output test mode
enable
I samples always use the Test Mode A/
Test Mode C block.
0x0 R/W
0 Test mode disabled.
1 Test mode enabled.
0x041E Channel
map NSR
decimate by
2 control
7 High-pass/low-pass mode Decimate by 2 high-pass/low-pass mode. 0x0 R/W
0 Enable LPF.
1 Enable HPF.
6 Reserved Reserved. 0x0 R
[5:4] Reserved Reserved. 0x0 R/W
[3:1] Reserved Reserved. 0x0 R
0 NSR decimate by 2 enable 0x0 R/W
0 Decimate by 2 disabled.
1 Decimate by 2 enabled.
0x0420 NSR mode 7 Reserved Reserved. 0x0 R/W
[6:4] Reserved Reserved. 0x0 R
[3:1] NSR mode 0x0 R/W
000 21% BW mode.
001 28% BW mode.
0 Reserved Reserved. 0x0 R
0x0422 Channel
map NSR
tuning
[7:6] Reserved Reserved. 0x0 R
[5:0] NSR tuning word Noise shaped requantizer tuning
frequency (see the Noise Shaping
Requantizer (NSR) section for details).
0x0 R/W

AD6684 Data Sheet
Rev. 0 | Page 96 of 107
Address Name Bits Bit Name Settings Description Reset Access
0x0430 Pair map
VDR control
7 Reserved Reserved. 0x0 R/W
[6:5] Reserved Reserved. 0x0 R
4 Reserved Reserved. 0x0 R/W
[3:2] Reserved Reserved. 0x0 R
1 VDR bandwidth 0x0 R/W
0 25% BW mode.
1
43% BW mode. Only available in complex
mode.
0 VDR complex mode enable 0x1 R/W
0 Dual real mode. Ignore Bit 1.
1
Dual complex mode. Complex input,
Channel A/Channel C are I and Channel
B/Channel D are Q.
0x0434 Channel
map VDR
tuning
frequency
[7:4] Reserved Reserved. 0x0 R
[3:0] VDR center frequency See the Variable Dynamic Range (VDR)
section for details.
0x0 R/W
0x0550 Channel
map test
mode
control
7 User pattern selection 0x0 R/W
0 Continuous repeat.
1 Single pattern.
6 Reserved Reserved. 0x0 R
5 Reset PN long generation 0x0 R/W
0 Long PN enabled.
1 Long PN held in reset.
4 Reset PN short generation 0x0 R/W
0 Short PN enabled.
1 Short PN held in reset.
[3:0] Test mode selection 0x0 R/W
0000 Off—normal operation.
0001 Midscale short.
0010 Positive full scale.
0011 Negative full scale.
0100 Alternating checker board.
0101 PN sequence—long.
0110 PN sequence—short.
0111 1/0 word toggle.
1000
User pattern test mode (used with the test
mode patern selection and the User
Pattern 1 through User Pattern 4 registers)
1111 Ramp output.
0x0551 Pair map
User Pattern
1 LSB
[7:0] User Pattern 1[7:0] User Test Pattern 1 least significant byte 0x0 R/W
0x0552 Pair map
User Pattern
1 MSB
[7:0] User Pattern 1[15:8] User Test Pattern 1 most significant byte 0x0 R/W
0x0553 Pair map
User Pattern
2 LSB
[7:0] User Pattern 2[7:0] User Test Pattern 2 least significant byte 0x0 R/W
0x0554 Pair map
User Pattern
2 MSB
[7:0] User Pattern 2[15:8] User Test Pattern 2 most significant byte 0x0 R/W
0x0555 Pair map
User Pattern
3 LSB
[7:0] User Pattern 3[7:0] User Test Pattern 3 least significant byte 0x0 R/W

Data Sheet AD6684
Rev. 0 | Page 97 of 107
Address Name Bits Bit Name Settings Description Reset Access
0x0556 Pair map
User Pattern
3 MSB
[7:0] User Pattern 3[15:8] User Test Pattern 3 most significant byte 0x0 R/W
0x0557 Pair map
User Pattern
4 LSB
[7:0] User Pattern 4[7:0] User Test Pattern 4 least significant byte 0x0 R/W
0x0558 Pair map
User Pattern
4 MSB
[7:0] User Pattern 4[15:8] User Test Pattern 4 most significant byte 0x0 R/W
0x0559 Pair map
Output
Control
Mode 0
7 Reserved Reserved. 0x0 R
[6:4]
Converter Control Bit 1
selection
0x0 R/W
000 Tie low (1'b0).
001 Overrange bit.
010 Signal monitor bit or VDR punish Bit 0.
011 Fast detect (FD) bit or VDR punish Bit 1.
100 VDR high/low resolution bit.
101 SYSREF.
110 Reserved.
111 Reserved.
3 Reserved Reserved. 0x0 R
[2:0]
Converter Control Bit 0
selection
0x0 R/W
000 Tie low (1'b0)
001 Overrange bit.
010 Signal monitor or VDR punish Bit 0.
011 Fast detect (FD) bit or VDR punish Bit 1.
100 VDR high/low resolution bit.
101 SYSREF.
0x055A Pair Map
Output
Control
Mode 1
[7:3] Reserved Reserved. 0x0 R
[2:0]
Converter control Bit 2
selection
0x1 R/W
000 Tie low (1'b0).
001 Overrange bit.
010 Signal monitor bit or VDR punish Bit 0.
011 Fast detect (FD) bit or VDR punish Bit 1.
100 VDR high/low resolution bit.
101 SYSREF.
110 Reserved.
111 Reserved.
0x0561 Pair map
output
sample
mode
[7:3] Reserved Reserved. 0x0 R
2 Sample invert 0x0 R/W
0 ADC sample data is not inverted.
1 ADC sample data is inverted.
[1:0] Data format select 0x1 R/W
00 Offset binary.
01 Twos complement (default).
0x0564 Pair map
output
channel
select
[7:2] Reserved Reserved. 0x0 R
1 Reserved Reserved. 0x0 R/W
0
Converter channel swap
control
0x0 R/W
0 Normal channel ordering.
1 Channel swap enabled.

AD6684 Data Sheet
Rev. 0 | Page 98 of 107
Address Name Bits Bit Name Settings Description Reset Access
0x056E JESD204B
map PLL
control
[7:4] JESD204B lane rate control 0x0 R/W
0000 Lane rate = 6.75 to 13.5 Gbps.
0001 Lane rate = 3.375 Gbps to 6.75 Gbps.
0011 Lane rate = 13.5 to 15 Gbps.
0101 Lane rate = 1.6875 Gbps to 3.375 Gbps.
[3:0] Reserved Reserved. 0x0 R
0x056F JESD204B
map PLL
status
7 PLL lock status 0x0 R
0 Not locked.
1 Locked.
[6:4] Reserved Reserved. 0x0 R
3 Reserved Reserved. 0x0 R
[2:0] Reserved Reserved. 0x0 R
0x0570 JESD204B
map JTX
quick
config-
uration
[7:6] Quick Configuration L Number of lanes (L) = 2Register0x0570, Bits[7:6] 0x1 R/W
0 L = 1.
1 L = 2.
[5:3] Quick Configuration M Number of converters (M) = 2Register 0x0570, Bits[5:3] 0x1 R/W
0 M = 1.
1 M = 2.
10 M = 4.
[2:0] Quick Configuration F Number of octets/frame (F) =
2Register 0x0570, Bits[2:0]
0x1 R/W
0 F = 1.
1 F = 2.
10 F = 4.
11 F = 8.
0x0571 JESD204B
map JTX
Link
Control 1
7 Standby mode 0x0 R/W
0
Standby mode forces zeros for all
converter samples.
1
Standby mode forces code group
synchronization (K28.5 characters).
6 Tail bit (t) PN 0x0 R/W
0 Disable.
1 Enable.
5 Long transport layer test 0x0 R/W
0 JESD204B test samples disabled.
1
JESD204B test samples enabled. The long
transport layer test sample sequence (as
specified in JESD204B Section 5.1.6.3) sent
on all link lanes.
4 Lane synchronization 0x1 R/W
0 Disable FACI uses /K28.7/.
1 Enable FACI uses /K28.3/ and /K28.7/.
[3:2] ILAS sequence mode 0x1 R/W
00
Initial lane alignment sequence disabled
(see JESD204B Section 5.3.3.5).
01
Initial lane alignment sequence enabled
(see JESD204B Section 5.3.3.5).
11
Initial lane alignment sequence always on
test mode. JESD204B data link layer test
mode where repeated lane alignment
sequence (as specified in JESD204B,
Section 5.3.3.8.2) sent on all lanes.

Data Sheet AD6684
Rev. 0 | Page 99 of 107
Address Name Bits Bit Name Settings Description Reset Access
1 FACI 0x0 R/W
0
Frame alignment character insertion
enabled (JESD204B, Section 5.3.3.4).
1
Frame alignment character insertion
disabled; for debug only (JESD204B,
Section 5.3.3.4)
0 Link control 0x0 R/W
0
JESD204B serial transmit link enabled.
Transmission of the /K28.5/ characters for
code group synchronization is controlled
by the SYNCINB±x signal pin.
1
JESD204B serial transmit link powered
down (held in reset and clock gated).
0x0572 JESD204B
map JTX
Link
Control 2
[7:6] SYNCINB±AB/
SYNCINB±CD pin control
0x0 R/W
00 Normal mode.
10
Ignore SYNCINB±AB/SYNCINB±CD (force
CGS).
11
Ignore SYNCINB±AB/SYNCINB±CD (force
ILAS/user data).
5
SYNCINB±AB/
SYNCINB±CD pin invert
0x0 R/W
0 SYNCINB±AB/SYNCINB±CD pin not inverted.
1 SYNCINB±AB/SYNCINB±CD pin inverted.
4
SYNCINB±AB/
SYNCINB±CD pin type
0x0 R/W
0 LVDS differential pair SYNC signal input.
1 CMOS single-ended SYNC signal input.
3 Reserved Reserved. 0x0 R
2 8-bit/10-bit bypass 0x0 R/W
0 8-bit/10-bit enabled.
1
8-bit/10-bit bypassed (the most significant
two bits are 0).
1 8-bit/10-bit bit invert 0x0 R/W
0 Normal.
1 Invert a b c d e f g h i j symbols.
0 Reserved Reserved. 0x0 R/W
0x0573 JESD204B
map JTX
Link
Control 3
[7:6] Checksum mode 0x0 R/W
00
Checksum is the sum of all the 8-bit
registers in the link configuration table.
01
Checksum is the sum of all individual link
configuration fields (LSB aligned).
10
Checksum is disabled (set to 0). For test
purposes only.
11 Unused.
[5:4] Test injection point 0x0 R/W
0 N' sample input.
1
10-bit data at 8-bit/10-bit output (for PHY
testing).
10 8-bit data at scrambler input.

AD6684 Data Sheet
Rev. 0 | Page 100 of 107
Address Name Bits Bit Name Settings Description Reset Access
[3:0]
JESD204B test mode
patterns
0x0 R/W
0 Normal operation(test mode disabled).
1 Alternating checkerboard.
10 1/0 word toggle.
11 31-bit PN sequence: x31 + x28 + 1.
100 23-bit PN sequence: x23 + x18 + 1.
101 15-bit PN sequence: x15 + x14 + 1.
110 9-bit PN sequence: x9 + x5 + 1.
111 7-bit PN sequence: x7 + x6 + 1.
1000 Ramp output.
1110 Continuous/repeat user test.
1111 Single user test.
0x0574 JESD204B
map JTX
Link
Control 4
[7:4] ILAS delay 0x0 R/W
0
Transmit ILAS on first LMFC after SYNCINB±x
is deasserted.
1
Transmit ILAS on second LMFC after
SYNCINB± is deasserted.
10
Transmit ILAS on third LMFC after
SYNCINB±x is deasserted.
11
Transmit ILAS on fourth LMFC after
SYNCINB± is deasserted.
100
Transmit ILAS on fifth LMFC after SYNCINB±x
is deasserted.
101
Transmit ILAS on sixth LMFC after
SYNCINB±x is deasserted.
110
Transmit ILAS on seventh LMFC after
SYNCINB±x is deasserted.
111
Transmit ILAS on eightth LMFC after
SYNCINB±x is deasserted.
1000
Transmit ILAS on nineth LMFC after
SYNCINB±x is deasserted.
1001
Transmit ILAS on 10th LMFC after
SYNCINB±x is deasserted.
1010
Transmit ILAS on 11th LMFC after
SYNCINB±x is deasserted.
1011
Transmit ILAS on 12th LMFC after
SYNCINB±x is deasserted.
1100
Transmit ILAS on 13th LMFC after
SYNCINB±x is deasserted.
1101
Transmit ILAS on 14th LMFC after
SYNCINB±x is deasserted.
1110
Transmit ILAS on 15th LMFC after
SYNCINB±x is deasserted.
1111
Transmit ILAS on 16th LMFC after
SYNCINB±x is deasserted.
3 Reserved Reserved. 0x0 R
[2:0] Link layer test mode 0x0 R/W
000
Normal operation (link layer test mode
disabled).
001 Continuous sequence of /D21.5/ characters.
010 Reserved.
011 Reserved.
100 Modified RPAT test sequence.
101 JSPAT test sequence.
110 JTSPAT test sequence.
111 Reserved.

Data Sheet AD6684
Rev. 0 | Page 101 of 107
Address Name Bits Bit Name Settings Description Reset Access
0x0578 JESD204B
map JTX
LMFC offset
[7:5] Reserved Reserved. 0x0 R
[4:0] LMFC phase offset value LMFC phase offset value; reset value for
LMFC phase counter when SYSREF± is
asserted. Used for deterministic delay
applications.
0x0 R/W
0x0580 JESD204B
map JTX DID
config-
uration
[7:0] JESD204B Tx DID value JESD204B serial device identification (DID)
number.
0x0 R/W
0x0581 JESD204B
map JTX BID
config-
uration
[7:4] Reserved Reserved. 0x0 R
[3:0] JESD204B Tx BID value JESD204B serial bank identification (BID)
number (extension to DID).
0x0 R/W
0x0583 JESD204B
map JTX
LID0 config-
uration
[7:5] Reserved Reserved. 0x0 R
[4:0] Lane 0 LID value JESD204B serial lane identification (LID)
number for Lane 0.
0x0 R/W
0x0585 JESD204B
map JTX
LID1 config-
uration
[7:5] Reserved Reserved. 0x0 R
[4:0] Lane 1 LID Value JESD204B serial lane identification (LID)
number for Lane 1.
0x2 R/W
0x058B JESD204B
map JTX
SCR L
config-
uration
7 JESD204B scrambling (SCR) 0x1 R/W
0 JESD204B scrambler disabled. SCR = 0.
1 JESD204B scrambler enabled. SCR = 1.
[6:5] Reserved Reserved. 0x0 R
[4:0] JESD204B lanes (L) 0x1 R
0x0 One lane per link (L = 1).
0x1 Two lanes per link (L = 2).
0x058C JESD204B
map JTX F
config-
uration
[7:0] Number of octets per
frame (F)
Number of octets per frame.
F = Register 0x058C, Bits[7:0] + 1.
0x1 R
0x058D JESD204B
map JTX K
config-
uration
[7:5] Reserved Reserved. 0x0 R
[4:0]
Number of frames per
multiframe (K)
JESD204B number of frames per multi-
frame (K = Register 0x058D, Bits[4:0] + 1).
Only values where F × K are divisible by 4
can be used.
0x1F R/W
00011 K = 4.
00111 K = 8.
01100 K = 12.
01111 K = 16.
10011 K = 20.
10111 K = 24.
11011 K = 28.
11111 K = 32.
0x058E JESD204B
Map JTX M
config-
uration
[7:0] Number of converters per
link
0x1 R
00000000
Link connected to one virtual converter
(M = 1).
00000001
Link connected to two virtual converters
(M = 2).
00000011
Link connected to four virtual converters
(M = 4).

AD6684 Data Sheet
Rev. 0 | Page 102 of 107
Address Name Bits Bit Name Settings Description Reset Access
0x058F JESD204B
map JTX CS
N config-
uration
[7:6] Number of control bits (CS)
per sample
0x0 R/W
0 No control bits (CS = 0).
1 One control bit (CS = 1), Control Bit 2 only.
10
Two control bits (CS = 2), Control Bit 2 and
Control Bit 1 only.
11
Three control bits (CS = 3), all control bits
(Bits[2:0]).
5 Reserved Reserved. 0x0 R
[4:0] ADC converter resolution (N) 0xF R/W
00110 N = 7-bit resolution.
00111 N = 8-bit resolution.
01000 N = 9-bit resolution.
01001 N = 10-bit resolution.
01010 N = 11-bit resolution.
01011 N = 12-bit resolution.
01100 N = 13-bit resolution.
01101 N = 14-bit resolution.
01110 N = 15-bit resolution.
01111 N = 16-bit resolution.
0x0590 JESD204B
map JTX
SCV NP
config-
uration
[7:5] Subclass support 0x1 R/W
000 Subclass 0.
001 Subclass 1.
[4:0]
ADC number of bits per
sample (N')
0xF R/W
00111 N' = 8.
01111 N' = 16.
0x0591 JESD204B
map JTX JV
S config-
uration
[7:5] Reserved Reserved. 0x1 R
[4:0]
Samples per converter
frame cycle (S)
Samples per converter frame cycle
(S = Register 0x0591, Bits[4:0] + 1).
0x0 R
0x0592 JESD204B
map JTX HD
CF config-
uration
7 HD value 0x0 R
0 High density format disabled.
1 High density format enabled.
[6:5] Reserved Reserved. 0x0 R
[4:0]
Control words per frame
clock cycle per link (CF)
Number of control words per frame clock
cycle per link (CF = Register 0x0592, Bits[4:0]).
0x0 R
0x05A0 JESD204B
map JTX
Checksum 0
config-
uration
[7:0] Checksum 0 checksum
value for SERDOUTAB0±/
SERDOUTCD0±
Serial checksum value for Lane 0, auto-
matically calculated for each lane. Sum (all
link configuration parameters for Lane 0)
mod 256.
0xC3 R
0x05A1 JESD204B
map JTX
Checksum 1
config-
uration
[7:0] Checksum 1 checksum
value for SERDOUTAB1±/
SERDOUTCD1±
Serial checksum value for Lane 1, auto-
matically calculated for each lane. Sum (all
link configuration parameters for Lane 1)
mod 256.
0xC4 R
0x05B0 JESD204B
Map JTX
Lane power-
down
[7:3] Reserved Reserved. 0x1F R/W
2
JESD204B Lane 1 power-
down
Physical Lane 1 force power-down. 0x0 R/W
1 Reserved Reserved. 0x1 R/W
0
JESD204B lane 0 power-
down
Physical Lane 0 force power-down. 0x0 R/W

Data Sheet AD6684
Rev. 0 | Page 103 of 107
Address Name Bits Bit Name Settings Description Reset Access
0x05B2 JESD204B
map JTX
Lane Assign-
ment 1
7 Reserved Reserved. 0x0 R
[6:4] Reserved Reserved. 0x0 R/W
3 Reserved Reserved. 0x0 R
[2:0]
SERDOUTAB0±/
SERDOUTCD0± lane
assignment
0x0 R/W
0 Logical Lane 0 (default).
1 Logical Lane 1.
0x05B3 JESD204B
map JTX
Lane Assign-
ment 2
7 Reserved Reserved. 0x0 R
[6:4] Reserved Reserved. 0x1 R/W
3 Reserved Reserved. 0x0 R
[2:0]
SERDOUTAB1±/
SERDOUTCD1± lane
assignment
0x1 R/W
0 Logical Lane 0.
1 Logical Lane 1 (default).
0x05C0 JESD204B
map
JESD204B
serializer
drive adjust
7 Reserved Reserved. 0x0 R
[6:4]
Swing voltage for
SERDOUTAB1±/
SERDOUTCD1±
0x1 R/W
0 1.0 × DRVDD1 (differential).
1 0.850 × DRVDD1 (differential).
3 Reserved Reserved. 0x0 R
[2:0]
Swing voltage for
SERDOUTAB0±/
SERDOUTCD0±
0x1 R/W
0 1.0 × DRVDD1 (differential).
0x05C4 JESD204B
serializer
preemphasis
selection
register for
Logical
Lane 0
7 Post tab polarity Post tab polarity. 0x0 R/W
0 Normal.
1 Inverted.
[6:4] Sets post tab level These bits set the post tab level. 0x0 R/W
0 0 dB.
1 3 dB.
10 6 dB.
11 9 dB.
100 12 dB.
101 Not valid.
110 Not valid.
111 Not valid.
3 Pretab polarity Pretab polarity. 0x0 R/W
0 Normal.
1 Inverted.
[2:0] Sets pretab level These bits set the pretab level. 0x0 R/W
0 0 dB.
1 3 dB.
10 6 dB.
11 9 dB.
100 12 dB.
101 Not valid.
110 Not valid.
111 Not valid.

AD6684 Data Sheet
Rev. 0 | Page 104 of 107
Address Name Bits Bit Name Settings Description Reset Access
0x05C6 JESD204B
serializer
preemphasis
selection
register for
Logical
Lane 1
7 Post tab polarity Post tab polarity. 0x0 R/W
0 Normal.
1 Inverted.
[6:4] Sets post tab level These bits set the post tab level. 0x0 R/W
0 0 dB.
1 3 dB.
10 6 dB.
11 9 dB.
100 12 dB.
101 Not valid.
110 Not valid.
111 Not valid.
3 Pretab polarity This bit sets the pretab polarity. 0x0 R/W
0 Normal.
1 Inverted.
[2:0] Sets pretab level These bits set the pretab level. 0x0 R/W
0 0 dB.
1 3 dB.
10 6 dB.
11 9 dB.
100 12 dB.
101 Not valid.
110 Not valid.
111 Not valid.
0x0922 Large dither
control
[7:0] Large dither control Enables/disables the large dither control. 0x70 R/W
1110000 Enable.
1110001 Disable.
0x1222 PLL
calibration
[7:0] PLL calibration PLL calibration. 0x0 R/W
0x00 Normal operation.
0x04 PLL calibration
0x1228 JESD204B
start-up
circuit reset
[7:0] JESD204B start-up circuit
reset
JESD204B start-up circuit reset. 0xF R/W
0x0F Normal operation.
0x4F Start-up circuit reset.
0x1262 PLL loss of
lock control
PLL loss of lock control PLL loss of lock control. 0x0 R/W
0x00 Normal operation.
0x08 Clear loss of lock.
0x18A6 Pair map
VREF control
[7:5] Reserved Reserved. 0x0 R
4 Reserved Reserved. 0x0 R/W
[3:1] Reserved Reserved. 0x0 R
0 VREF control 0x0 R/W
0 Internal reference.
1 External reference.
0x1908 Channel
map analog
input
control
[7:6] Reserved Reserved. 0x0 R
[5:4] Reserved Reserved. 0x0 R/W
3 Reserved Reserved. 0x0 R
2
Analog input dc coupling
control
Analog input dc coupling control. 0x0 R/W
0 AC coupling.
1 DC coupling.
1 Reserved Reserved. 0x0 R
0 Reserved Reserved. 0x0 R/W

Data Sheet AD6684
Rev. 0 | Page 105 of 107
Address Name Bits Bit Name Settings Description Reset Access
0x1910 Channel
map input
full-scale
range
[7:4] Reserved Reserved. 0x0 R
[3:0] Input full-scale control Input full-scale control 0xD R/W
0000 2.16 V p-p.
1010 1.44 V p-p.
1011 1.56 V p-p.
1100 1.68 V p-p.
1101 1.80 V p-p.
1110 1.92 V p-p.
1111 2.04 V p-p.
0x1A4C Channel
map Buffer
Control 1
[7:6] Reserved Reserved. 0x0 R
[5:0] Buffer Control 1 Buffer Control 1. 0xC R/W
00110 120 μA.
01000 160 μA.
01010 200 μA.
01100 240 μA.
01110 280 μA.
10000 320 μA.
10010 360 μA.
10100 400 μA.
10110 440 μA.
0x1A4D Channel
map Buffer
Control 2
[7:6] Reserved Reserved. 0x0 R
[5:0] Buffer Control 2 Buffer Control 2. 0xC R/W
00110 120 μA.
01000 160 μA.
01010 200 μA.
01100 240 μA.
01110 280 μA.
10000 320 μA.
10010 360 μA.
10100 400 μA.
10110 440 μA.
0x18E0 External
VCM Buffer
Control 1
[7:0] External VCM Buffer
Control 1
See the Input Common Mode section for
details.
0x0 R/W
0x18E1 External
VCM Buffer
Control 2
[7:0] External VCM Buffer
Control 2
See the Input Common Mode section for
details.
0x0 R/W
0x18E2 External
VCM Buffer
Control 3
[7:0] External VCM Buffer
Control 3
See the Input Common Mode section for
details.
0x0 R/W
0x18E3 External
VCM buffer
control
7 Reserved Reserved. 0x0 R/W
6 External VCM buffer External VCM buffer. 0x0 R/W
1 Enable.
0 Disable.
[5:0]
External VCM buffer
current setting
See the Input Common Mode section for
details.
0x0 R/W
0x18E6 Temperature
diode
export
[7:1] Reserved Reserved. 0x0 R/W
0 Temperature diode export Temperature diode export. 0x0 R/W
1 Enable.
0 Disable.
AD6684 Data Sheet
Rev. 0 | Page 106 of 107
APPLICATIONS INFORMATION
POWER SUPPLY RECOMMENDATIONS
The AD6684 must be powered by the following seven supplies:
AVDD1 = AVDD1_SR = 0.975 V, AVDD2 = 1.8 V, AVDD3 = 2.5 V,
DVDD = 0.975 V, DRVDD1 = 0.975 V, and SPIVDD = 1.8 V. For
applications requiring an optimal high power efficiency and low
noise performance, it is recommended that the ADP5054 quad
switching regulator be used to convert the 6.0 V or 12 V input rails
to intermediate rails (1.3 V, 2.4 V, and 3.0 V). These intermediate
rails are then postregulated by very low noise, low dropout (LDO)
regulators (ADP1762, ADP7159, ADP151, and ADP7118).
Figure 104 shows the recommended power supply scheme for
the AD6684.
AVDD1: 0.95V
1.3V
AVDD1_SR: 0.95V
ADP1762
(LDO)
ADP1762
(LDO)
ADP7159
(LDO)
ADP7159
(LDO)
DVDD: 0.95V
DRVDD1: 0.95V
AVDD2: 1.8V
AVDD3: 2.5V
DRVDD2: 1.8V
6V/12
V
INPUT
SPIVDD: 1.8V
2.4V
ADP151
(LDO)
1.3V
FILTER
FILTER
FILTER
FILTER
FILTER
FILTER
ADP7118
(LDO) FILTER
3.0V
14994-091
ADP5054
(SWITCHING
REGULATOR)
Figure 104. High Efficiency, Low Noise Power Solution for the AD6684
It is not necessary to split all of these power domains in all cases.
The recommended solution shown in Figure 104 provides the
lowest noise, highest efficiency power delivery system for the
AD6684. If only one 0.975 V supply is available, route to AVDD1
first and then tap it off and isolate it with a ferrite bead or a
filter choke, preceded by decoupling capacitors for AVDD1_SR,
DVDD, and DRVDD, in that order. The user can employ several
different decoupling capacitors to cover both high and low
frequencies. These capacitors must be located close to the point
of entry at the PCB level and close to the devices, with minimal
trace lengths.
EXPOSED PAD THERMAL HEAT SLUG
RECOMMENDATIONS
It is required that the exposed pad on the underside of the ADC
be connected to AGND to achieve the best electrical and
thermal performance of the AD6684. Connect an exposed
continuous copper plane on the PCB to the AD6684 exposed
pad, Pin 0. The copper plane must have several vias to achieve
the lowest possible resistive thermal path for heat dissipation to
flow through the bottom of the PCB. These vias must be solder
filled or plugged. The number of vias and the fill determine the
resultant θJA measured on the board (see Table 7).
See Figure 105 for a PCB layout example. For detailed
information on packaging and the PCB layout of chip scale
packages, see the AN-772 Application Note, A Design and
Manufacturing Guide for the Lead Frame Chip Scale Package
(LFCSP).
14994-092
Figure 105. Recommended PCB Layout of Exposed Pad for the AD6684
AVDD1_SR (PIN 64) AND AGND_SR (PIN 63 AND
PIN 67)
AVDD1_SR (Pin 64) and AGND_SR (Pin 63 and Pin 67) can be
used to provide a separate power supply node to the SYSREF±
circuits of the AD6684. If running in Subclass 1, the AD6684
can support periodic one-shot or gapped signals. To minimize
the coupling of this supply into the AVDD1 supply node,
adequate supply bypassing is needed.
ANALOG
DEVICES
www.ana|ug.com
Data Sheet AD6684
Rev. 0 | Page 107 of 107
OUTLINE DIMENSIONS
COMPLIANT TO JEDEC STANDARDS MO-220-VNND-4
1.00
0.85
0.80
1
18
54
37
19
36
72
55
0.50
0.40
0.30
8.50 REF
PIN 1
INDICATOR
SEATING
PLANE
12° MAX
0.60
0.42
0.24
0.60
0.42
0.24
0.30
0.23
0.18
0.50
BSC
PIN 1
INDICATOR
COPLANARITY
0.08
06-30-2015-A
FOR PROPER CONNECTION OF
THE EXPOSED PAD, REFER TO
THE PIN CONFIGURATION AND
FUNCTION DESCRIPTIONS
SECTION OF THIS DATA SHEET.
10.10
10.00 SQ
9.90
9.85
9.75 SQ
9.65
0.20 MIN
7.45
7.30 SQ
7.15
TOP VIEW BOTTOM VIEW
EXPOSED
PAD
PKG-004890
0.05 MAX
0.02 NOM
0.80 MAX
0.65 NOM
0.20 NOM
Figure 106. 72-Lead Lead Frame Chip Scale Package [LFCSP]
10 mm × 10 mm Body and 0.85 mm Package Height
(CP-72-10)
Dimensions shown in millimeters
ORDERING GUIDE
Model1 Junction Temperature Range Package Description Package Option
AD6684BCPZ-500 −40°C to +105°C 72-Lead Lead Frame Chip Scale Package [LFCSP] CP-72-10
AD6684BCPZRL7-500 −40°C to +105°C 72-Lead Lead Frame Chip Scale Package [LFCSP] CP-72-10
AD6684-500EBZ Evaluation Board for AD6684
1 Z = RoHS Compliant Part.
©2016 Analog Devices, Inc. All rights reserved. Trademarks and
registered trademarks are the property of their respective owners.
D14994-0-10/16(0)
Products related to this Datasheet
EVAL BOARD FOR AD6684
RF QUAD RECEIVER 135MHZ 72LFCSP
135 MHZ BW QUAD RECEIVER