SKY13380-350LF Datasheet by Skyworks Solutions Inc.
View All Related Products | Download PDF Datasheet
m Skywm smnw produms are nuns (Restriction
-
uf Hazaldws Suhstancesymmpllam. mrfinnn in
me ENEICTNJEITA Joint Industry Guide (JIG)
Level A guidelines, are lulunen free awarding in
lEc-61249-2-21, and Domain <1 ,000="" ppm="" amimony="" maxine="" in="" polymeric="" materials.="" x="" skyworks°="" s="" £35="" 1155="" :«s="" m="">1>Skyworks Solutions, Inc. • Phone [781] 376-3000 • Fax [781] 376-3100 • sales@skyworksinc.com • www.skyworksinc.com
201486C • Skyworks Proprietary Information • Products and Product Information are Subject to Change Without Notice • September 20, 2011 1
DATA SHEET
SKY13380-350LF: 20 MHz-3.0 GHz High Power SP4T Switch
With Decoder
Applications
• GSM/WCDMA/EDGE datacards and handsets
• Mobile high power switching systems
Features
• Broadband frequency range: 20 MHz to 3.0 GHz
• Low insertion loss: 0.40 dB @ 1 GHz, 0.45 dB @ 2 GHz with
high isolation (28 dB @ 1 GHz)
• VDD: 2.5 to 3.0 V for high power applications; can be used down
to 1.6 V for low power applications
• High linearity IMD < –100 dBm over phase
• Good harmonic performance < –80 dBc @ 0.9 GHz
• Low voltage logic compatible (minimum VHIGH = 1.8 V)
• Small, QFN (16-pin, 3 x 3 mm) package (MSL1, 260 °C per
JEDEC J-STD-020)
Figure 1. SKY13380-350LF Block Diagram
Description
The SKY13380-350LF is a symmetrical, single-pole, four-throw
(SP4T) switch. The device is designed for broadband, high power
switching applications that demand high linearity and low
insertion loss. This is a general purpose switch optimized for a
variety of multimode applications such as GSM/WCDMA/EDGE.
The switch is manufactured using Skyworks state-of-the-art
pHEMT process. The SKY13380-350LF features integrated logic
that uses only two control lines for switch operation. The low
current consumption makes the device suitable for battery-
operated applications.
The SKY13380-350LF SP4T switch is provided in a compact Quad
Flat No-Lead (QFN) 3 x 3 mm package. A functional block diagram
is shown in Figure 1. The pin configuration and package are
shown in Figure 2. Signal pin assignments and functional pin
descriptions are provided in Table 1.
Figure 2. SKY13380-350LF Pinout – 16-Pin QFN
(Top View)

DATA SHEET • SKY13380-350LF SP4T SWITCH
Skyworks Solutions, Inc. • Phone [781] 376-3000 • Fax [781] 376-3100 • sales@skyworksinc.com • www.skyworksinc.com
2 September 20, 2011 • Skyworks Proprietary Information • Products and Product Information are Subject to Change Without Notice • 201486C
Table 1. SKY13380-350LF Signal Descriptions
Pin # Name Description Pin # Name Description
1 GND Ground 9 GND Ground
2 VDD Supply voltage input. The voltage may be
switched. The switching time must be no longer
than the start-up time.
10 GND Ground
3 CTRL2 Control signal 2. The logic level applied to this
pin, along with the logic level applied to pin 4,
controls the state of the switch.
11 ANT Antenna. This pin is connected directly and
exclusively to pin 6, 8, 13, or 15 depending on
the control voltage applied to pins 3 and 4. A DC
blocking capacitor is required.
4 CTRL1 Control signal 1. The logic level applied to this
pin, along with the logic level applied to pin 3,
controls the state of the switch.
12 GND Ground
5 GND Ground 13 RF1 RF output 1. This pin is either connected directly
to or is disconnected from pin 11, depending on
the control voltage applied to pins 3 and 4. A DC
blocking capacitor is required.
6 RF4 RF output 4. This pin is either connected directly
to or is disconnected from pin 11, depending on
the control voltage applied to pins 3 and 4. A DC
blocking capacitor is required.
14 GND Ground
7 GND Ground 15 RF2 RF output 2. This pin is either connected directly
to or is disconnected from pin 11, depending on
the control voltage applied to pins 3 and 4. A DC
blocking capacitor is required.
8 RF3 RF output 3. This pin is either connected directly
to or is disconnected from pin 11, depending on
the control voltage applied to pins 3 and 4. A DC
blocking capacitor is required.
16 N/C No connection.
Table 2. SKY13380-350LF Absolute Maximum Ratings
Parameter Symbol Minimum Maximum Units
Supply voltage VDD 3 V
Input power (20 MHz to 3.0 GHz,
VDD = 2.5 to 3.0 V)
PIN +40 dBm
Control voltage CTRL1, CTRL2 3 V
Operating temperature TOP –40 +85 °C
Storage temperature TSTG –50 +100 °C
Note: Exposure to maximum rating conditions for extended periods may reduce device reliability. There is no damage to device with only one parameter set at the limit and all other
parameters set at or below their nominal value. Exceeding any of the limits listed here may result in permanent damage to the device.
CAUTION: Although this device is designed to be as robust as possible, Electrostatic Discharge (ESD) can damage this device. This device
must be protected at all times from ESD. Static charges may easily produce potentials of several kilovolts on the human body
or equipment, which can discharge without detection. Industry-standard ESD precautions should be used at all times.

DATA SHEET • SKY13380-350LF SP4T SWITCH
Skyworks Solutions, Inc. • Phone [781] 376-3000 • Fax [781] 376-3100 • sales@skyworksinc.com • www.skyworksinc.com
201486C • Skyworks Proprietary Information • Products and Product Information are Subject to Change Without Notice • September 20, 2011 3
Functional Description
The SKY13380-350LF is comprised of a CMOS decoder that
enables two TTL-compatible DC lines to control four RF ports. The
decoder is internally connected to a GaAs pHEMT RF switch.
Depending on the logic voltage level applied to the control pins,
the ANT pin is connected to one of four switched RF outputs (RF1,
RF2, RF3, or RF4) by a low insertion loss path, while maintaining a
high isolation path to the alternate port.
Startup time is defined as the time from when VDD is applied to
when the switch is active. Once the startup time has passed, the
control voltages CTRL1 and CTRL2 can be applied. RF power
should not be applied during the startup time or damage to the
device could result.
The recommended startup sequence is:
Step 1: Apply VDD.
Step 2: Apply CTRL1 and CTRL2
Step 3: Apply RF input.
The device must be turned off in the reverse order.
When VDD is not applied, the device is considered off or inactive.
All arms of the switch remain on in this state, creating a poor
four-way power splitter. The return loss of all RF ports is very low
in this state. RF should not be applied when VDD is not present and
should only be used to conserve current.
Electrical and Mechanical Specifications
The absolute maximum ratings of the SKY13380-350LF are
provided in Table 2. Electrical specifications are provided in
Table 3.
The state of the SKY13380-350LF is determined by the logic
provided in Table 4.
Typical performance characteristics of the SKY13380-350LF are
illustrated in Figures 3 through 8.
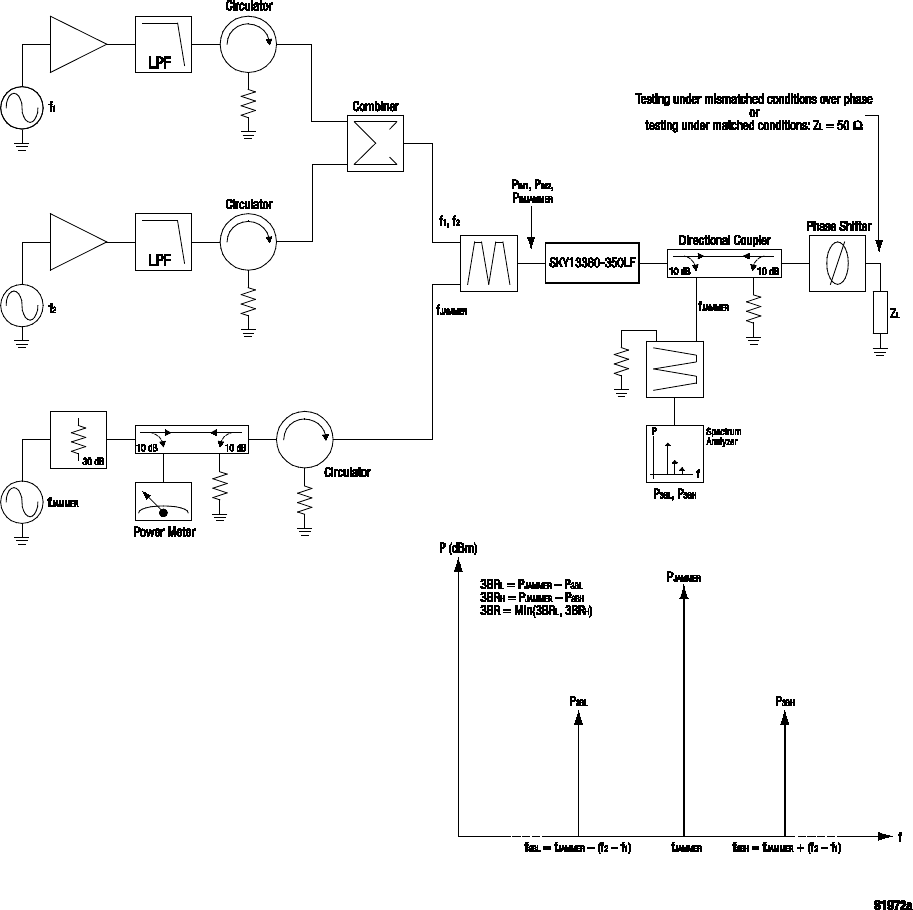
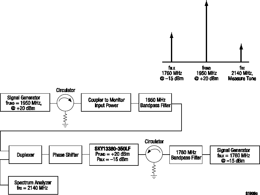
Figure 9 illustrates the test setup used to measure data for 3rd
Order Intermodulation Distortion (IMD3) testing. Figure 10
illustrates the test setup used to measure triple beat ratio data.
Table 3. SKY13380-350LF Electrical Specifications (1 of 2) (Note 1)
(VDD = 2.65 V, CTRL1 = CTRL2 = VDD, TOP = +25 °C, All Unused RF Ports are Terminated in a 50 Ω Load, Unless Otherwise Noted)
Parameter Symbol Test Condition Min Typical Max Units
RF Specifications
Insertion loss IL 0.02 to 1.0 GHz
1.0 to 2.0 GHz
2.0 to 2.7 GHz
0.40
0.45
0.60
0.50
0.60
0.80
dB
dB
dB
Isolation ISO 0.02 to 1.0 GHz
1.0 to 2.0 GHz
2.0 to 2.7 GHz
25
19
19
28
22
21
dB
dB
dB
Return loss |S11| 0.02 to 2.7 GHz, all RF
ports, insertion loss state
20 dB
Second harmonic 2fo fFUND = 900 MHz,
PIN = +35 dBm
fFUND = 1800 MHz,
PIN = +33 dBm
+80
+75
dBc
dBc
Third harmonic 3fo fFUND = 900 MHz,
PIN = +35 dBm
fFUND = 1800 MHz,
PIN = +33 dBm
+80
+75
dBc
dBc
Input 0.1 dB compression point P0.1dB @ 900 MHz, 1800 MHz +39 dBm
3rd Order Intermodulation Distortion IMD3 fFUND = 1.95 GHz @
+20 dBm,
fBLK = 1.76 GHz
@ –15 dBm,
fRX = 2.14 GHz, worst
case over phase. See
Figure 9.
100 dBm
DATA SHEET • SKY13380-350LF SP4T SWITCH
Skyworks Solutions, Inc. • Phone [781] 376-3000 • Fax [781] 376-3100 • sales@skyworksinc.com • www.skyworksinc.com
4 September 20, 2011 • Skyworks Proprietary Information • Products and Product Information are Subject to Change Without Notice • 201486C
Table 3. SKY13380-350LF Electrical Specifications (2 of 2) (Note 1)
(VDD = 2.65 V, CTRL1 = CTRL2 = VDD, TOP = +25 °C, All Unused RF Ports are Terminated in a 50 Ω Load, Unless Otherwise Noted)
Parameter Symbol Test Condition Min Typical Max Units
RF Specifications (continued)
Switching speed 10/90% RF rise/fall time 1 μs
Startup time Wait time required from
when VDD is applied until
control voltage can be
applied
25 μs
DC/Control Specifications
Switched supply voltage VDD 1.60 2.65 3.00 V
Switched supply current IDD 0.3 mA
Control voltage:
High
Low
CTRL1, CTRL2
1.60
2.0
0
VDD
0.3
V
V
Control current:
High
Low
ICTL
0.5
0.5
μA
μA
Note 1: Performance is guaranteed only under the conditions listed in this Table.
Table 4. SKY13380-350LF Truth Table
State CTRL1 (Pin 4) CTRL2 (Pin 3) RF Path
1 VLOW VLOW ANT to RF1
2 VLOW VHIGH ANT to RF2
3 VHIGH VLOW ANT to RF3
4 VHIGH VHIGH ANT to RF4
Note
: VHIGH = 1.6 V to VDD
VLOW = 0 to 0.3 V
Any state other than described in this Table places the switch into an undefined state.
I5
w
u
Hull-ant (GM
1.:
m
£31.13“
salsicl.
u_.
5.53]
40
4:
MIMI-Y 5"!)
m (END
.a
£5
15
m
M
maaam
as I: .5! =5...
(E12)
DATA SHEET • SKY13380-350LF SP4T SWITCH
Skyworks Solutions, Inc. • Phone [781] 376-3000 • Fax [781] 376-3100 • sales@skyworksinc.com • www.skyworksinc.com
201486C • Skyworks Proprietary Information • Products and Product Information are Subject to Change Without Notice • September 20, 2011 5
Typical Performance Characteristics
(VDD = 2.5 to 3.0 V, CTRL1 = CTRL2 = VDD, TOP = +25 °C, All Unused RF Ports are Terminated in a 50 Ω Load, Unless Otherwise Noted)
Figure 3. Insertion Loss vs Frequency
Figure 5. Isolation vs Frequency
(ANT to RF2 Insertion Loss State)
Figure 7. Isolation vs Frequency
(ANT to RF4 Insertion Loss State)
Figure 4. Isolation vs Frequency
(ANT to RF1 Insertion Loss State)
Figure 6. Isolation vs Frequency
(ANT to RF3 Insertion Loss State)
Figure 8. Input Return Loss vs Frequency
In hm fix
1160 MHZ 1950 MHZ 2140 MHz,
0 —15 dam 0 +20 dBm Moan Tons
Clmlamr
S'W‘" mm" coupler to Monitor 1950 "H:
fan» = 1950 MHz
0 +20 dam Ilpul Power Bananas: filler
airman:
7 swam-aim: Sim. Mam
Dulaxar i Pmfiliflar i an=+2fldBm ”MM"? — =
p PM = —15 dBm Bandpass anr “‘3 _1‘;%,'n‘"1
Spectrum Amlym ,
m = 2140 "HI
Slut
DATA SHEET • SKY13380-350LF SP4T SWITCH
Skyworks Solutions, Inc. • Phone [781] 376-3000 • Fax [781] 376-3100 • sales@skyworksinc.com • www.skyworksinc.com
6 September 20, 2011 • Skyworks Proprietary Information • Products and Product Information are Subject to Change Without Notice • 201486C
Figure 9. 3rd Order Intermodulation Test Setup
THqumuml-mdmmnlmflll
mm mum-m mmmn— 5n n
n... P-
Pm...
61. h I’ll-m
n H hum-u Dnlllfll'
F
§§
MM
mm
15R=Puln—M Pu
SEM=Pmln—M
zan= Mlmfim
h-m—[b—h) u... m-mum-m)
DATA SHEET • SKY13380-350LF SP4T SWITCH
Skyworks Solutions, Inc. • Phone [781] 376-3000 • Fax [781] 376-3100 • sales@skyworksinc.com • www.skyworksinc.com
201486C • Skyworks Proprietary Information • Products and Product Information are Subject to Change Without Notice • September 20, 2011 7
Figure 10. Triple Beat Ratio (3BR) Test Setup
Evaluation Board Description
The SKY13380-350LF Evaluation Board is used to test the
performance of the SKY13380-350LF SP4T Switch. An Evaluation
Board schematic diagram is provided in Figure 11. An assembly
drawing for the Evaluation Board is shown in Figure 12.
Components C3 and L1 constitute an ESD filter. This topology and
the component values noted in Figure 11 may vary according to
the ESD requirement and acceptable insertion loss for a specific
application.
Decoupling capacitors (C3 through C6) are recommended to
suppress noise and to prevent RF leakage into the DC control
circuits.
DC blocking capacitors C1, C2, C7, C8, and C9 determine the low
frequency operation of the switch. Increase the capacitor values to
lower operation frequency.
nme2< :="" ‘1="">nrourwu
m u
‘m‘ IST I5 u 1a Inn:
5 E E E 7
‘ n u\ U,
{my 9‘31? It" mm
mwumw—l—I van m " 1 Ammu-
"‘ on
gum s In "W
camlsumIz»—iTI—m ‘3‘”
gm]: ‘ m1 mu '
NMIWM1W‘7 ?
gm" E E E E
i I l l
"Fm“ : ' 1 ‘1 minimum
1051! 1:}
Imam was nammmnm
mm%umm
may» lama-manna
mum-m mi:
UIHIHFDC 1 c7.
«whammfivwm‘ «2 m
””“'"H H” L“.
V O . w v: m wk: 0 .
DATA SHEET • SKY13380-350LF SP4T SWITCH
Skyworks Solutions, Inc. • Phone [781] 376-3000 • Fax [781] 376-3100 • sales@skyworksinc.com • www.skyworksinc.com
8 September 20, 2011 • Skyworks Proprietary Information • Products and Product Information are Subject to Change Without Notice • 201486C
Figure 11. SKY13380-350LF Evaluation Board Schematic
Figure 12. SKY13380-350LF Evaluation Board Assembly Diagram
WWW
130 E o+ggim
i E O E
m «mm-
/
SoenmA
Mm 5mm Pad 1.70
0.25
/§§E‘
DdlallA
umnmmm nm
DATA SHEET • SKY13380-350LF SP4T SWITCH
Skyworks Solutions, Inc. • Phone [781] 376-3000 • Fax [781] 376-3100 • sales@skyworksinc.com • www.skyworksinc.com
201486C • Skyworks Proprietary Information • Products and Product Information are Subject to Change Without Notice • September 20, 2011 9
Package Dimensions
The PCB layout footprint for the SKY13380-350LF is provided in
Figure 13. Typical case markings are shown in Figure 14.
Package dimensions for the 16-pin QFN are shown in Figure 15,
and tape and reel dimensions are provided in Figure 16.
Package and Handling Information
Instructions on the shipping container label regarding exposure to
moisture after the container seal is broken must be followed.
Otherwise, problems related to moisture absorption may occur
when the part is subjected to high temperature during solder
assembly.
THE SKY13380-350LF is rated to Moisture Sensitivity Level 1
(MSL1) at 260 °C. It can be used for lead or lead-free soldering.
For additional information, refer to the Skyworks Application Note,
Solder Reflow Information, document number 200164.
Care must be taken when attaching this product, whether it is
done manually or in a production solder reflow environment.
Production quantities of this product are shipped in a standard
tape and reel format.
Figure 13. SKY13380-350LF PCB Layout Footprint
(Top View)
mama \
8380/ w
XXXX/ army.
YYWW/
EH 1.m+mnl—o.15
m E' * +Hunm
p1,” nm+anm2
mm\_
0 ‘
,7 7 + 7 7, 7 Jul-0.15
‘
2x Q ms 0 nuns
KM“
Bonnrn VIEW
Data" A
sun: zox
1: Flu:-
M m%mwmnwmm1m
wmmmwmn maul-mm.
WWWWHWM JIM “m
DATA SHEET • SKY13380-350LF SP4T SWITCH
Skyworks Solutions, Inc. • Phone [781] 376-3000 • Fax [781] 376-3100 • sales@skyworksinc.com • www.skyworksinc.com
10 September 20, 2011 • Skyworks Proprietary Information • Products and Product Information are Subject to Change Without Notice • 201486C
Figure 14. Typical Case Markings
(Top View)
Figure 15. SKY13380-350LF 16-Pin QFN Package Dimensions
0.90 a 0.05 (T) H" '1 8.00 2: 0.1 D
*H‘
4.00 a 0.10 $1.50 + 0.1/-0.0
4—»
2.00 z 0.05
e
9.00 z 0.10 (Bo)
@500
0:11
12.00 2 0.30
4» 14*
1.10:0.10(Kn)
0025 m.
211.50 "In.
DATA SHEET • SKY13380-350LF SP4T SWITCH
Skyworks Solutions, Inc. • Phone [781] 376-3000 • Fax [781] 376-3100 • sales@skyworksinc.com • www.skyworksinc.com
201486C • Skyworks Proprietary Information • Products and Product Information are Subject to Change Without Notice • September 20, 2011 11
Figure 16. SKY13380-350LF Tape and Reel Dimensions

DATA SHEET • SKY13380-350LF SP4T SWITCH
Skyworks Solutions, Inc. • Phone [781] 376-3000 • Fax [781] 376-3100 • sales@skyworksinc.com • www.skyworksinc.com
12 September 20, 2011 • Skyworks Proprietary Information • Products and Product Information are Subject to Change Without Notice • 201486C
Ordering Information
Model Name Manufacturing Part Number Evaluation Board Part Number
SKY13380-350LF SP4T Switch SKY13380-350LF SKY13380-350LF-EVB
Copyright © 2011 Skyworks Solutions, Inc. All Rights Reserved.
Information in this document is provided in connection with Skyworks Solutions, Inc. (“Skyworks”) products or services. These materials, including the information contained herein, are provided by
Skyworks as a service to its customers and may be used for informational purposes only by the customer. Skyworks assumes no responsibility for errors or omissions in these materials or the
information contained herein. Skyworks may change its documentation, products, services, specifications or product descriptions at any time, without notice. Skyworks makes no commitment to
update the materials or information and shall have no responsibility whatsoever for conflicts, incompatibilities, or other difficulties arising from any future changes.
No license, whether express, implied, by estoppel or otherwise, is granted to any intellectual property rights by this document. Skyworks assumes no liability for any materials, products or
information provided hereunder, including the sale, distribution, reproduction or use of Skyworks products, information or materials, except as may be provided in Skyworks Terms and Conditions of
Sale.
THE MATERIALS, PRODUCTS AND INFORMATION ARE PROVIDED “AS IS” WITHOUT WARRANTY OF ANY KIND, WHETHER EXPRESS, IMPLIED, STATUTORY, OR OTHERWISE, INCLUDING FITNESS FOR A
PARTICULAR PURPOSE OR USE, MERCHANTABILITY, PERFORMANCE, QUALITY OR NON-INFRINGEMENT OF ANY INTELLECTUAL PROPERTY RIGHT; ALL SUCH WARRANTIES ARE HEREBY EXPRESSLY
DISCLAIMED. SKYWORKS DOES NOT WARRANT THE ACCURACY OR COMPLETENESS OF THE INFORMATION, TEXT, GRAPHICS OR OTHER ITEMS CONTAINED WITHIN THESE MATERIALS. SKYWORKS
SHALL NOT BE LIABLE FOR ANY DAMAGES, INCLUDING BUT NOT LIMITED TO ANY SPECIAL, INDIRECT, INCIDENTAL, STATUTORY, OR CONSEQUENTIAL DAMAGES, INCLUDING WITHOUT LIMITATION,
LOST REVENUES OR LOST PROFITS THAT MAY RESULT FROM THE USE OF THE MATERIALS OR INFORMATION, WHETHER OR NOT THE RECIPIENT OF MATERIALS HAS BEEN ADVISED OF THE
POSSIBILITY OF SUCH DAMAGE.
Skyworks products are not intended for use in medical, lifesaving or life-sustaining applications, or other equipment in which the failure of the Skyworks products could lead to personal injury,
death, physical or environmental damage. Skyworks customers using or selling Skyworks products for use in such applications do so at their own risk and agree to fully indemnify Skyworks for any
damages resulting from such improper use or sale.
Customers are responsible for their products and applications using Skyworks products, which may deviate from published specifications as a result of design defects, errors, or operation of
products outside of published parameters or design specifications. Customers should include design and operating safeguards to minimize these and other risks. Skyworks assumes no liability for
applications assistance, customer product design, or damage to any equipment resulting from the use of Skyworks products outside of stated published specifications or parameters.
Skyworks, the Skyworks symbol, and “Breakthrough Simplicity” are trademarks or registered trademarks of Skyworks Solutions, Inc., in the United States and other countries. Third-party brands
and names are for identification purposes only, and are the property of their respective owners. Additional information, including relevant terms and conditions, posted at www.skyworksinc.com,
are incorporated by reference.
Products related to this Datasheet
IC RF SWITCH SP4T 3GHZ 16QFN
IC RF SWITCH SP4T 3GHZ 16QFN
IC RF SWITCH SP4T 3GHZ 16QFN