TMP86FS49FG Datasheet by Toshiba Semiconductor and Storage
View All Related Products | Download PDF Datasheet
TOSHIBA
TOSHIBA CORPORATION
8 Bit Microcontroller
870C Series
TMP86FS49FG

Page 2
TMP86FS49FG
The information contained herein is subject to change without notice.
The information contained herein is presented only as a guide for the applications of our products. No
responsibility is assumed by TOSHIBA for any infringements of patents or other rights of the third
parties which may result from its use. No license is granted by implication or otherwise under any
patent or patent rights of TOSHIBA or others.
TOSHIBA is continually working to improve the quality and reliability of its products. Nevertheless,
semiconductor devices in general can malfunction or fail due to their inherent electrical sensitivity and
vulnerability to physical stress.
It is the responsibility of the buyer, when utilizing TOSHIBA products, to comply with the standards
of safety in making a safe design for the entire system, and to avoid situations in which a malfunction
or failure of such TOSHIBA products could cause loss of human life, bodily injury or damage to
property.
In developing your designs, please ensure that TOSHIBA products are used within specified operating
ranges as set forth in the most recent TOSHIBA products specifications.
Also, please keep in mind the precautions and conditions set forth in the “Handling Guide for
Semiconductor Devices,” or “TOSHIBA Semiconductor Reliability Handbook” etc..
The Toshiba products listed in this document are intended for usage in general electronics applications
( computer, personal equipment, office equipment, measuring equipment, industrial robotics, domestic
appliances, etc.).
These Toshiba products are neither intended nor warranted for usage in equipment that requires
extraordinarily high quality and/or reliability or a malfunction or failure of which may cause loss of
human life or bodily injury (“Unintended Usage”). Unintended Usage include atomic energy control
instruments, airplane or spaceship instruments, transportation instruments, traffic signal instruments,
combustion control instruments, medical instruments, all types of safety devices, etc.. Unintended
Usage of Toshiba products listed in this document shall be made at the customer’s own risk.
The products described in this document may include products subject to the foreign exchange and
foreign trade laws.
TOSHIBA products should not be embedded to the downstream products which are prohibited to be
produced and sold, under any law and regulations.
For a discussion of how the reliability of microcontrollers can be predicted, please refer to Section 1.3
of the chapter entitled Quality and Reliability Assurance/Handling Precautions.
© 2004 TOSHIBA CORPORATION
All Rights Reserved
TOSHIBA
@
0306 IQEBPI
h®
Page 1
This product uses the Super Flash technology under the licence of Sillicon Storage Technology,Inc. Super Flash is registered
trademark of Sillicon Storage Technology,Inc.
Purchase of TOSHIBA I2C components conveys a license under the Philips I2C Patent Rights to use these components in an
I2C system, provided that the system conforms to the I2C Standard Specification as defined by Philips.
030619EBP1
TMP86FS49FG
CMOS 8-Bit Microcontroller
• The information contained herein is subject to change without notice.
• The information contained herein is presented only as a guide for the applications of our products. No responsibility is assumed by
TOSHIBA for any infringements of patents or other rights of the third parties which may result from its use. No license is granted by impli-
cation or otherwise under any patent or patent rights of TOSHIBA or others.
• TOSHIBA is continually working to improve the quality and reliability of its products. Nevertheless, semiconductor devices in general can
malfunction or fail due to their inherent electrical sensitivity and vulnerability to physical stress. It is the responsibility of the buyer, when
utilizing TOSHIBA products, to comply with the standards of safety in making a safe design for the entire system, and to avoid situations
in which a malfunction or failure of such TOSHIBA products could cause loss of human life, bodily injury or damage to property.
In developing your designs, please ensure that TOSHIBA products are used within specified operating ranges as set forth in the most
recent TOSHIBA products specifications. Also, please keep in mind the precautions and conditions set forth in the “Handling Guide for
Semiconductor Devices,” or “TOSHIBA Semiconductor Reliability Handbook” etc..
• The TOSHIBA products listed in this document are intended for usage in general electronics applications (computer, personal equip-
ment, office equipment, measuring equipment, industrial robotics, domestic appliances, etc.). These TOSHIBA products are neither
intended nor warranted for usage in equipment that requires extraordinarily high quality and/or reliability or a malfunction or failure of
which may cause loss of human life or bodily injury (“Unintended Usage”). Unintended Usage include atomic energy control instru-
ments, airplane or spaceship instruments, transportation instruments, traffic signal instruments, combustion control instruments, medical
instruments, all types of safety devices, etc.. Unintended Usage of TOSHIBA products listed in this document shall be made at the
customer’s own risk.
• The products described in this document are subject to the foreign exchange and foreign trade laws.
• TOSHIBA products should not be embedded to the downstream products which are prohibited to be produced and sold, under any law
and regulations.
• For a discussion of how the reliability of microcontrollers can be predicted, please refer to Section 1.3 of the chapter entitled Quality and
Reliability Assurance/Handling Precautions.
TMP86FS49FG
1.1 Features
1. 8-bit single chip microcomputer TLCS-870/C series
- Instruction execution time :
0.25 µs (at 16 MHz)
122 µs (at 32.768 kHz)
- 132 types & 731 basic instructions
2. 24interrupt sources (External : 5 Internal : 19)
3. Input / Output ports (56pins)
4. Time Base Timer
5. Watchdog Timer
6. 16-bit timer counter: 1 ch
- Timer, External trigger, Window, Pulse width measurement, Event counter, PPG(Programmable Pulse
Generator) output modes
7. 16-bit timer counter : 1ch
- Timer, Event counter, Window modes
8. 8-bit timer counter : 4ch
Timer, Event counter, PWM(Pulse width modulation) output, PDO(Programmable Divider Output) out-
put and PPG(Programmable Pulse Generator) modes
9. 8-bit UART: 2ch
10. High-Speed SIO: 2ch
11. Serial Bus Interface(I2C Bus): 1ch
Product No. FLASH RAM PACKAGE Mask MCU
TMP86FS49FG 60K bytes 2K bytes P-QFP64-1414-0.80A TMP86CH49/CM49
TENTATIVE

Page 2
1.1 Features TMP86FS49FG
12. 10-bit successive approximation type AD converter
Analog inputs: 16ch
13. Key On Wake Up : 4ch
14. Clock operation
Single clock mode
Dual clock mode
15. Low power consumption operation
STOP mode: Oscillation stops. (Battery/Capacitor back-up.)
SLOW1 mode: Low power consumption operation using low-frequency clock.(High-frequency clock
stop.)
SLOW2 mode: Low power consumption operation using low-frequency clock.(High-frequency clock
oscillate.)
IDLE0 mode: CPU stops, and only the Time-Based-Timer(TBT) on peripherals operate using high fre-
quency clock. Release by falling edge of the source clock which is set by TBTCR<TBTCK>.
IDLE1 mode: CPU stops and peripherals operate using high frequency clock. Release by interru-
puts(CPU restarts).
IDLE2 mode: CPU stops and peripherals operate using high and low frequency clock. Release by inter-
ruputs. (CPU restarts).
SLEEP0 mode: CPU stops, and only the Time-Based-Timer(TBT) on peripherals operate using low fre-
quency clock.Release by falling edge of the source clock which is set by TBTCR<TBTCK>.
SLEEP1 mode: CPU stops, and peripherals operate using low frequency clock. Release by interru-
put.(CPU restarts).
SLEEP2 mode: CPU stops and peripherals operate using high and low frequency clock. Release by
interruput.
16. Wide operation voltage:
4.5 V~5.5 V at 16.0MHz /32.768 kHz
3.0 V~3.6 V at 8 MHz /32.768 kHz
TENTATIVE
TOSHIBA
E
E
EEBE
511222585
m
w
w
m
o
p
%
P
w
w
m
m
w
Fxom
o»2
mpz,mo»m
Pmmmm
Page 3
TMP86FS49FG
1.2 Pin Assignment
Figure 1-1 Pin Assignment
VSS
XOUT
TEST
VDD
(XTIN) P21
(XTOUT) P22
RESET
(STOP/INT5) P20
(INT0) P00
(TxD1) P02
(SI1) P04
(INT1) P03
(SO1) P05
(SCK1) P06
1
2
3
4
5
6
7
8
9
10
11
12
13
14
15
16
48
47
46
45
44
43
42
41
40
39
38
37
36
35
34
33
32
31
30
29
28
27
26
25
24
23
22
21
20
19
18
17
49
50
51
52
53
54
55
56
57
58
59
60
61
62
63
64
P65(AIN05/STOP1)
P67(AIN07/STOP3)
P70(AIN10)
P72(AIN12)
P71(AIN11)
P74(AIN14)
P73(AIN13)
P66(AIN06/STOP2)
P14 (TC4/PDO4/PWM4/PPG4)
P13 (TC3/PDO3/PWM3)
P12 (PPG)
P11 (DVO)
P10 (TC1)
P47
P46 (SCK2)
P45 (SO2)
(BOOT/RxD1) P01
XIN
P07(INT2)
AVDD
P60(AIN00)
P61(AIN01)
P64(AIN04/STOP0)
P62(AIN02)
VAREF
P63(AIN03)
P44 (SI2)
P43
P42 (TxD2)
P41 (RxD2)
P40
P77 (AIN17)
P76 (AIN16)
P75 (AIN15)
(INT3/TC2) P15
(PDO5/PWM5/TC5) P16
(PDO6/PWM6/PPG6/TC6) P17
(SCL) P50
(SDA) P51
P52
P53
P54
P30
P31
P32
P33
P34
P35
P36
P37
TENTATIVE
High—fraquency clock
oscillator
Lovrfmquoncy clock
oscillator
Turning Generator
Standby Controller
Time Base Timer
CF'U (ammo/c)
10—bit AD ConvenerT
ch)
Serial Bus Interface (531)
Key On Wakeun
UART (2 ch)
Interrupt Controller
16-Bil Timer/Cnumer
(TC!)
16*531 Timer/Counter
ZUCZJ
RAM(ZKBylesJ
Ebil Tl mar/Counter (45h)
FLASH(60KBytes)
HSIO(Zch)
Pl
Watch Dog Tlmer
P2
P3
P4
P5
P6
P7
Page 4
1.3 Block Diagram TMP86FS49FG
1.3 Block Diagram
Figure 1-2 Block Diagram
TENTATIVE
TOSHIBA
Pine WMG/PPGG
PiDOfiy‘PWME
PiDOMPWMA/PPGA
u
< o="">Page 5
TMP86FS49FG
1.4 Pin Names and Functions
Table 1-1 Pin Names and Functions(1/3)
Pin Name Pin Number Input/Output Functions
P07
INT2 17 IO
I
PORT07
External interrupt 2 input
P06
SCK1 16 IO
IO
PORT06
Serial clock input/output 1
P05
SO1 15 IO
O
PORT05
Serial data output 1
P04
SI1 14 IO
I
PORT04
Serial data input 1
P03
INT1 13 IO
I
PORT03
External interrupt 1 input
P02
TxD1 12 IO
O
PORT02
UART data output 1
P01
RxD1
BOOT
11
IO
I
I
PORT01
UART data input 1
Serial PROM mode control input
P00
INT0 10 IO
I
PORT00
External interrupt 0 input
P17
TC6
PDO6/PWM6/PPG6
51
IO
I
O
PORT17
Timer counter 6 input
PDO6/PWM6/PPG6 output
P16
TC5
PDO5/PWM5
50
IO
I
O
PORT16
Timer counter 5 input
PDO5/PWM5 output
P15
TC2
INT3
49
IO
I
I
PORT15
Timer counter 2 input
External interrupt 3 input
P14
TC4
PDO4/PWM4/PPG4
48
IO
I
O
PORT14
Timer counter 4 input
PDO4/PWM4/PPG4 output
P13
TC3
PDO3/PWM3
47
IO
I
O
PORT13
Timer counter 3 input
PDO3/PWM3 output
P12
PPG 46 IO
I
PORT12
PPG Output
P11
DVO 45 IO
O
PORT11
Divider output
P10
TC1 44 IO
I
PORT10
Timer counter 1 input
P22
XTOUT 7IO
O
PORT22
Resonator connecting pins(32.768kHz) for inputting external
clock
P21
XTIN 6IO
I
PORT21
Resonator connecting pins(32.768kHz) for inputting external
clock
P20
INT5
STOP
9
IO
I
I
PORT20
External interrupt 5 input
STOP mode release signal input
TENTATIVE
ST“
Page 6
1.4 Pin Names and Functions TMP86FS49FG
P37 64 IO PORT37
P36 63 IO PORT36
P35 62 IO PORT35
P34 61 IO PORT34
P33 60 IO PORT33
P32 59 IO PORT32
P31 58 IO PORT31
P30 57 IO PORT30
P47 43 IO PORT47
P46
SCK2 42 IO
IO
PORT46
Serial clock input/output 2
P45
SO2 41 IO
O
PORT45
Serial data output 2
P44
SI2 40 IO
I
PORT44
Serial data input 2
P43 39 IO PORT43
P42
TxD2 38 IO
O
PORT42
UART data output 2
P41
RxD2 37 IO
I
PORT41
UART data input 2
P40 36 IO PORT40
P54 56 IO PORT54
P53 55 IO PORT53
P52 54 IO PORT52
P51
SDA 53 IO
IO
PORT51
I2C bus serial data input/output
P50
SCL 52 IO
IO
PORT50
I2C bus serial clock input/output
P67
AIN07
STOP3
27
IO
I
I
PORT67
AD converter analog input 7
STOP3 input
P66
AIN06
STOP2
26
IO
I
I
PORT66
AD converter analog input 6
STOP2 input
P65
AIN05
STOP1
25
IO
I
I
PORT65
AD converter analog input 5
STOP1 input
P64
AIN04
STOP0
24
IO
I
I
PORT64
AD converter analog input 4
STOP0 input
P63
AIN03 23 IO
I
PORT63
AD converter analog input 3
P62
AIN02 22 IO
I
PORT62
AD converter analog input 2
Table 1-1 Pin Names and Functions(2/3)
Pin Name Pin Number Input/Output Functions
TENTATIVE
TOSHIBA
EEEEE
Page 7
TMP86FS49FG
P61
AIN01 21 IO
I
PORT61
AD converter analog input 1
P60
AIN00 20 IO
I
PORT60
AD converter analog input 0
P77
AIN17 35 IO
I
PORT77
AD converter analog input 17
P76
AIN16 34 IO
I
PORT76
AD converter analog input 16
P75
AIN15 33 IO
I
PORT75
AD converter analog input 15
P74
AIN14 32 IO
I
PORT74
AD converter analog input 14
P73
AIN13 31 IO
I
PORT73
AD converter analog input 13
P72
AIN12 30 IO
I
PORT72
AD converter analog input 12
P71
AIN11 29 IO
I
PORT71
AD converter analog input 11
P70
AIN10 28 IO
I
PORT70
AD converter analog input 10
XIN 2 I Resonator connecting pins for high-frequency clock
XOUT 3 O Resonator connecting pins for high-frequency clock
RESET 8 I Reset signal input
TEST 4 I
Test pin for out-going test and the Serial PROM mode control
pin. Usually fix to low level. Fix to high level when the Serial
PROM mode starts.
VAREF 18 I Analog reference voltage input (High)
AVDD 19 I AD circuit power supply
VDD 5 I +5V
VSS 1 I 0(GND)
Table 1-1 Pin Names and Functions(3/3)
Pin Name Pin Number Input/Output Functions
TENTATIVE

Page 8
1.4 Pin Names and Functions TMP86FS49FG
TENTATIVE
TOSHIBA
,—»—.
mm mm: for vecmv cuH mszmcmam
vmm um: Var mmmats
Page 9
TMP86FS49FG
2. Operational Description
2.1 CPU Core Functions
The CPU core consists of a CPU, a system clock controller, and an interrupt controller.
This section provides a description of the CPU core, the program memory, the data memory, and the reset circuit.
2.1.1 Memory Address Map
The TMP86FS49FG memory consists of 4 blocks: FLASH, RAM, DBR (Data buffer register) and SFR
(Special function register). They are all mapped in 64-Kbyte address space. Figure 2-1 shows the
TMP86FS49FG memory address map. The general-purpose registers are not assigned to the RAM address
space.
Figure 2-1 Memory Address Map
64 byte
SFR
RAM
DBR
0040H
2Kbyte
083FH
0F80H
0FFFH
1000H
FFFFH
FLASH 60Kbyte
FLASH: includes;
Program memory
Vector table
RAM: Random access memory includes:
Data memory
Stack
SFR: Special function register includes:
I/O ports
Peripheral control registers
Peripheral status registers
System control registers
Program status word
DBR: Databuffer register includes:
Peripheral status registers
003FH
0000H
FFA0H
128byte
TENTATIVE
Page 10
2. Operational Description
2.2 System Clock Controller TMP86FS49FG
2.1.2 Program Memory (FLASH)
The TMP86FS49FG has a 60K × 8 bits (Address 1000H to FFFFH) of program memory (FLASH ). A pro-
gram code placed on the internal RAM can be excutable when a certain procedure is executed ( See "2.3.2
Address trap reset ").
2.1.3 Data Memory (RAM)
Data memory consists of internal data memory (Internal FLASH or RAM). The TMP86FS49FG has 2Kbyte
(Address 0040H to 083FH) of internal RAM. The first 192 bytes (0040H to 00FFH) of the internal RAM are
located in the direct area; instructions with shorten operations are available against such an area.
The data memory contents become unstable when the power supply is turned on; therefore, the data memory
should be initialized by an initialization routine.
2.2 System Clock Controller
The system clock controller consists of a clock generator, a timing generator, and a standby controller.
Figure 2-2 System Colck Control
Example :Clears RAM to “00H”. (TMP86FS49FG)
LD HL, 0040H ; Start address setup
LD A, H ; Initial value (00H) setup
LD BC, 07FFH ;
SRAMCLR: LD (HL), A
INC HL
DEC BC
JRS F, SRAMCLR
TBTCR
SYSCR2SYSCR1
XIN
XOUT
XTIN
XTOUT
fc
0036H
0038H0039H
fs
Timing generator control register
Timing
generator
Standby controller
System clocks
Clock generator control
High-frequency
clock oscillator
Low-frequency
clock oscillator
Clock
generator
System control registers
TENTATIVE
Page 11
TMP86FS49FG
2.2.1 Clock Generator
The clock generator generates the basic clock which provides the system clocks supplied to the CPU core
and peripheral hardware. It contains two oscillation circuits: One for the high-frequency clock and one for the
low-frequency clock. Power consumption can be reduced by switching of the standby controller to low-power
operation based on the low-frequency clock.
The high-frequency (fc) clocks and low-frequency (fs) clock can easily be obtained by connecting a resona-
tor between the XIN/XOUT and XTIN/XTOUT pins respectively. Clock input from an external oscillator is
also possible. In this case, external clock is applied to XIN/XTIN pin with XOUT/XTOUT pin not connected.
Figure 2-3 Examples of Resonator Connection
Note:The function to monitor the basic clock directly at external is not provided for hardware, however, with dis-
abling all interrupts and watchdog timers, the oscillation frequency can be adjusted by monitoring the pulse
which the fixed frequency is outputted to the port by the program.
The system to require the adjustment of the oscillation frequency should create the program for the adjust-
ment in advance.
2.2.2 Timing Generator
The timing generator generates the various system clocks supplied to the CPU core and peripheral hardware
from the basic clock (fc or fs). The timing generator provides the following functions.
1. Generation of main system clock
2. Generation of divider output (DVO) pulses
3. Generation of source clocks for time base timer
4. Generation of source clocks for watchdog timer
5. Generation of internal source clocks for timer/counters
6. Generation of warm-up clocks for releasing STOP mode
2.2.2.1 Configuration of timing generator
The timing generator consists of a 2-stage prescaler, a 21-stage divider, a main system clock generator,
and machine cycle counters.
An input clock to the 7th stage of the divider depends on the operating mode, DV7CK (Bit4 in
TBTCR), that is shown in Figure 1-5. As reset and STOP mode started/canceled, the prescaler and the
divider are cleared to “0”.
XOUTXIN
(Open)
XOUTXIN XTOUT
XTIN
(Open)
XTOUT
XTIN
(a) Crystal/Ceramic
resonator (b) External oscillator (c) Crystal (d) External oscillator
High-frequency clock Low-frequency clock
TENTATIVE
Page 12
2. Operational Description
2.2 System Clock Controller TMP86FS49FG
Figure 2-4 Configuration of Timing Generator
Note 1: In single clock mode, do not set DV7CK to “1”.
Note 2: Do not set “1” on DV7CK while the low-frequency clock is not operated stably.
Note 3: fc: High-frequency clock [Hz], fs: Low-frequency clock [Hz], *: Don’t care
Note 4: In SLOW1/2 and SLEEP1/2 modes, the DV7CK setting is ineffective, and fs is input to the 7th stage of the divider.
Note 5: When STOP mode is entered from NORMAL1/2 mode, the DV7CK setting is ineffective during the warm-up period after
release of STOP mode, and the 6th stage of the divider is input to the 7th stage during this period.
2.2.2.2 Machine cycle
Instruction execution and peripheral hardware operation are synchronized with the main system clock.
The minimum instruction execution unit is called an “machine cycle”. There are a total of 10 different
types of instructions for the TLCS-870/C Series: Ranging from 1-cycle instructions which require one
machine cycle for execution to 10-cycle instructions which require 10 machine cycles for execution. A
machine cycle consists of 4 states (S0 to S3), and each state consists of one main system clock.
Timing Generator Control Register
TBTCR
(0036H)
76543210
(DVOEN) (DVOCK) DV7CK (TBTEN) (TBTCK) (Initial value: 0000 0000)
DV7CK Selection of input to the 7th stage
of the divider 0: fc/28 [Hz]
1: fs R/W
Multi-
plexer
High-frequency
clock fc
Low-frequency
clock fs
Divider
SYSCK
fc/4
fc or fs Machine cycle countersMain system clock generator
1 21 432 87 109 1211 1413 1615
DV7CK
Multiplexer
Timer/
counters
Warm-up
controller
Watchdog
timer
Time base
timer
Divider
output circuit
Serial
interface
AS
BY
S
B0
A0 Y0
B1
A1 Y1
5 6 17 18 19 20 21
TENTATIVE
TOSHIBA
system
Page 13
TMP86FS49FG
Figure 2-5 Machine Cycle
2.2.3 Operation Mode Control Circuit
The operation mode control circuit starts and stops the oscillation circuits for the high-frequency and low-
frequency clocks, and switches the main system clock. There are two operating modes: Single clock and dual
clock. These modes are controlled by the system control registers (SYSCR1 and SYSCR2).
Figure 2-6 shows the operating mode transition diagram.
2.2.3.1 Single-clock mode
Only the oscillation circuit for the high-frequency clock is used, and P21 (XTIN) and P22 (XTOUT)
pins are used as input/output ports. The main-system clock is obtained from the high-frequency clock. In
the single-clock mode, the machine cycle time is 4/fc [s].
(1) NORMAL1 mode
In this mode, both the CPU core and on-chip peripherals operate using the high-frequency clock.
The TMP86FS49FG is placed in this mode after reset.
(2) IDLE1 mode
In this mode, the internal oscillation circuit remains active. The CPU and the watchdog timer are
halted; however on-chip peripherals remain active (Operate using the high-frequency clock).
IDLE1 mode is started by SYSCR2<IDLE>, and IDLE1 mode is released to NORMAL1 mode by
an interrupt request from the on-chip peripherals or external interrupt inputs. When the IMF (Inter-
rupt master enable flag) is “1” (Interrupt enable), the execution will resume with the acceptance of
the interrupt, and the operation will return to normal after the interrupt service is completed. When
the IMF is “0” (Interrupt disable), the execution will resume with the instruction which follows the
IDLE1 mode start instruction.
(3) IDLE0 mode
In this mode, all the circuit, except oscillator and the timer-base-timer, stops operation.
This mode is enabled by setting “1” on bit TGHALT on the system control register 2 (SYSCR2).
When IDLE0 mode starts, the CPU stops and the timing generator stops feeding the clock to the
peripheral circuits other than TBT. Then, upon detecting the falling edge of the source clock selected
with TBTCR<TBTCK>, the timing generator starts feeding the clock to all peripheral circuits.
1/fc or 1/fs [s]
Main system clock
(fm)
State
Machine cycle
S3S2S1S0 S3S2S1S0
TENTATIVE

Page 14
2. Operational Description
2.2 System Clock Controller TMP86FS49FG
When returned from IDLE0 mode, the CPU restarts operating, entering NORMAL1 mode back
again. IDLE0 mode is entered and returned regardless of how TBTCR<TBTEN> is set. When IMF =
“1”, EF6 (TBT interrupt individual enable flag) = “1”, and TBTCR<TBTEN> = “1”, interrupt pro-
cessing is performed. When IDLE0 mode is entered while TBTCR<TBTEN> = “1”, the INTTBT
interrupt latch is set after returning to NORMAL1 mode.
2.2.3.2 Dual-clock mode
Both the high-frequency and low-frequency oscillation circuits are used in this mode. P21 (XTIN) and
P22 (XTOUT) pins cannot be used as input/output ports. The main system clock is obtained from the
high-frequency clock in NORMAL2 and IDLE2 modes, and is obtained from the low-frequency clock in
SLOW and SLEEP modes. The machine cycle time is 4/fc [s] in the NORMAL2 and IDLE2 modes, and
4/fs [s] (122 ms at fs = 32.768 kHz) in the SLOW and SLEEP modes.
The TLCS-870/C is placed in the signal-clock mode during reset. To use the dual-clock mode, the low-
frequency oscillator should be turned on at the start of a program.
(1) NORMAL2 mode
In this mode, the CPU core operates with the high-frequency clock. On-chip peripherals operate
using the high-frequency clock and/or low-frequency clock.
(2) SLOW2 mode
In this mode, the CPU core operates with the low-frequency clock, while both the high-frequency
clock and the low-frequency clock are operated. On-chip peripherals are triggered by the low-fre-
quency clock. As the SYSCK on SYSCR2 becomes “0”, the hardware changes into NORMAL2
mode. As the XEN on SYSCR2 becomes “0”, the hardware changes into SLOW1 mode. Do not clear
XTEN to “0” during SLOW2 mode.
(3) SLOW1 mode
This mode can be used to reduce power-consumption by turning off oscillation of the high-fre-
quency clock. The CPU core and on-chip peripherals operate using the low-frequency clock.
Switching back and forth between SLOW1 and SLOW2 modes are performed by XEN bit on the
system control register 2 (SYSCR2). In SLOW1 and SLEEP modes, the input clock to the 1st stage
of the divider is stopped; output from the 1st to 6th stages is also stopped.
(4) IDLE2 mode
In this mode, the internal oscillation circuit remain active. The CPU and the watchdog timer are
halted; however, on-chip peripherals remain active (Operate using the high-frequency clock and/or
the low-frequency clock). Starting and releasing of IDLE2 mode are the same as for IDLE1 mode,
except that operation returns to NORMAL2 mode.
(5) SLEEP1 mode
In this mode, the internal oscillation circuit of the low-frequency clock remains active. The CPU,
the watchdog timer, and the internal oscillation circuit of the high-frequency clock are halted; how-
ever, on-chip peripherals remain active (Operate using the low-frequency clock). Starting and releas-
ing of SLEEP mode are the same as for IDLE1 mode, except that operation returns to SLOW mode.
In SLOW and SLEEP modes, the input clock to the 1st stage of the divider is stopped; output from
the 1st to 6th stages is also stopped.
TENTATIVE
TOSHIBA
SVSCR2Page 15
TMP86FS49FG
(6) SLEEP2 mode
The SLEEP2 mode is the idle mode corresponding to the SLOW2 mode. The status under the
SLEEP2 mode is same as that under the SLEEP1 mode, except for the oscillation circuit of the high-
frequency clock.
(7) SLEEP0 mode
In this mode, all the circuit, except oscillator and the timer-base-timer, stops operation. This mode
is enabled by setting “1” on bit TGHALT on the system control register 2 (SYSCR2).
When SLEEP0 mode starts, the CPU stops and the timing generator stops feeding the clock to the
peripheral circuits other than TBT. Then, upon detecting the falling edge of the source clock selected
with TBTCR<TBTCK>, the timing generator starts feeding the clock to all peripheral circuits.
When returned from SLEEP0 mode, the CPU restarts operating, entering SLOW1 mode back
again. SLEEP0 mode is entered and returned regardless of how TBTCR<TBTEN> is set. When IMF
= “1”, EF6 (TBT interrupt individual enable flag) = “1”, and TBTCR<TBTEN> = “1”, interrupt pro-
cessing is performed. When SLEEP0 mode is entered while TBTCR<TBTEN> = “1”, the INTTBT
interrupt latch is set after returning to SLOW1 mode.
2.2.3.3 STOP mode
In this mode, the internal oscillation circuit is turned off, causing all system operations to be halted. The
internal status immediately prior to the halt is held with a lowest power consumption during STOP mode.
STOP mode is started by the system control register 1 (SYSCR1), and STOP mode is released by a
inputting (Either level-sensitive or edge-sensitive can be programmably selected) to the STOP pin. After
the warm-up period is completed, the execution resumes with the instruction which follows the STOP
mode start instruction.
Note 1: NORMAL1 and NORMAL2 modes are generically called NORMAL; SLOW1 and SLOW2 are called SLOW; IDLE0, IDLE1
and IDLE2 are called IDLE; SLEEP0, SLEEP1 and SLEEP2 are called SLEEP.
Note 2
SYSCR2<XEN> = "1"
STOP pin input
STOP pin input
STOP pin input
Interrupt
Interrupt
SYSCR2<XEN> = "0"
SYSCR2<SYSCK> = "1"
SYSCR2<XTEN> = "0"
SYSCR2<SYSCK> = "0"
SYSCR1<STOP> = "1"
SYSCR1<STOP> = "1"
SYSCR1<STOP> = "1"
SYSCR2<IDLE> = "1"
SYSCR2<IDLE> = "1"
Interrupt
SYSCR2<IDLE> = "1"
SYSCR2<IDLE> = "1"
Interrupt
SYSCR2<TGHALT> = "1"
Reset release
NORMAL1
mode
IDLE0
mode
(a) Single-clock mode
IDLE1
mode
NORMAL2
mode
IDLE2
mode
SYSCR2<XTEN> = "1"
SLOW2
mode
SLEEP2
mode
SLOW1
mode
SLEEP1
mode
SLEEP0
mode
RESET
(b) Dual-clock mode
STOP
SYSCR2<TGHALT> = "1"
Note 2
TENTATIVE
RESET
Page 16
2. Operational Description
2.2 System Clock Controller TMP86FS49FG
Note 2: The mode is released by falling edge of TBTCR<TBTCK> setting.
Figure 2-6 Operating Mode Transition Diagram
Note 1: Always set RETM to “0” when transiting from NORMAL mode to STOP mode. Always set RETM to “1” when transiting
from SLOW mode to STOP mode.
Note 2: When STOP mode is released with RESET pin input, a return is made to NORMAL1 regardless of the RETM contents.
Note 3: fc: High-frequency clock [Hz], fs: Low-frequency clock [Hz], *; Don’t care
Note 4: Bits 1 and 0 in SYSCR1 are read as undefined data when a read instruction is executed.
Note 5: As the hardware becomes STOP mode under OUTEN = “0”, input value is fixed to “0”; therefore it may cause interrupt
request on account of falling edge.
Note 6: When the key-on wakeup is used, the edge realease can not function according to some conditions. It is recommended to
set the level realease (RELM = “1”).
Note 7: Port P20 is used as STOP pin. Therefore, when stop mode is started, OUTEN does not affect to P20, and P20 becomes
High-Z mode.
Note 8: The warmig-up time should be set correctly for using oscillator.
Operating Mode
Oscillator
CPU Core TBT Other
Peripherals
Machine Cycle
Time
High
Frequency
Low
Frequency
Single clock
RESET
Oscillation Stop
Reset Reset Reset
4/fc [s]NORMAL1 Operate
Operate Operate
IDLE1
HaltIDLE0 Halt –
STOP Stop Halt
Dual clock
NORMAL2
Oscillation
Oscillation
Operate with
high frequency
Operate Operate
4/fc [s]
IDLE2 Halt
SLOW2 Operate with
low frequency
4/fs [s]
SLEEP2 Halt
SLOW1
Stop
Operate with
low frequency
SLEEP1
HaltSLEEP0 Halt –
STOP Stop Halt
System Control Register 1
SYSCR1
(0038H)
76543210
STOP RELM RETM OUTEN WUT (Initial value: 0000 00**)
STOP STOP mode start 0: CPU core and peripherals remain active
1: CPU core and peripherals are halted (Start STOP mode)
R/W
RELM Release method for STOP
mode
0: Edge-sensitive release
1: Level-sensitive release
RETM Operating mode after STOP
mode
0: Return to NORMAL1/2 mode
1: Return to SLOW1 mode
OUTEN Port output during STOP mode 0: High impedance
1: Output kept
WUT Warm-up time at releasing
STOP mode
Return to NORMAL mode Return to SLOW mode
00 3 × 216/fc 3 × 213/fs
01 216/fc 213/fs
10 3 × 214/fc 3 × 26/fs
11 214/fc 26/fs
TENTATIVE
TOSHIBA
Page 17
TMP86FS49FG
Note 1: A reset is applied if both XEN and XTEN are cleared to “0”, XEN is cleared to “0” when SYSCK = “0”, or XTEN is cleared
to “0” when SYSCK = “1”.
Note 2: *: Don’t care, TG: Timing generator
Note 3: Bits 3, 1 and 0 in SYSCR2 are always read as undefined value.
Note 4: Do not set IDLE and TGHALT to “1” simultaneously.
Note 5: Because returning from IDLE0/SLEEP0 to NORMAL1/SLOW1 is executed by the asynchronous internal clock, the period
of IDLE0/SLEEP0 mode might be shorter than the period setting by TBTCR<TBTCK>.
Note 6: When IDLE1/2 or SLEEP1/2 mode is released, IDLE is automatically cleared to “0”.
Note 7: When IDLE0 or SLEEP0 mode is released, TGHALT is automatically cleared to “0”.
Note 8: Before setting TGHALT to “1”, be sure to stop peripherals. If peripherals are not stopped, the interrupt latch of peripherals
may be set after IDLE0 or SLEEP0 mode is released.
2.2.4 Operating Mode Control
2.2.4.1 STOP mode
STOP mode is controlled by the system control register 1, the STOP pin input .
The STOP pin is also used both as a port P20 and an INT5 (external interrupt input 5) pin.
STOP mode is started by setting STOP (Bit7 in SYSCR1) to “1”. During STOP mode, the following
status is maintained.
1. Oscillations are turned off, and all internal operations are halted.
2. The data memory, registers, the program status word and port output latches are all held in the
status in effect before STOP mode was entered.
3. The prescaler and the divider of the timing generator are cleared to “0”.
4. The program counter holds the address 2 ahead of the instruction (e.g., [SET (SYSCR1).7])
which started STOP mode.
STOP mode includes a level-sensitive mode and an edge-sensitive mode, either of which can be
selected with the RELM (Bit6 in SYSCR1).
Note 1: During STOP period (from start of STOP mode to end of warm up), due to changes in the external
interrupt pin signal, interrupt latches may be set to “1” and interrupts may be accepted immediately
after STOP mode is released. Before starting STOP mode, therefore, disable interrupts. Also, before
enabling interrupts after STOP mode is released, clear unnecessary interrupt latches.
(1) Level-sensitive release mode (RELM = “1”)
In this mode, STOP mode is released by setting the STOP pin high. This mode is used for capacitor
backup when the main power supply is cut off and long term battery backup.
System Control Register 2
SYSCR2
(0039H)
76543210
XEN XTEN SYSCK IDLE TGHALT (Initial value: 1000 *0**)
XEN High-frequency oscillator control 0: Turn off oscillation
1: Turn on oscillation
R/W
XTEN Low-frequency oscillator control 0: Turn off oscillation
1: Turn on oscillation
SYSCK
Main system clock select
(Write)/main system clock moni-
tor (Read)
0: High-frequency clock
1: Low-frequency clock
IDLE CPU and watchdog timer control
(IDLE1/2 and SLEEP1/2 modes)
0: CPU and watchdog timer remain active
1: CPU and watchdog timer are stopped (Start IDLE1/2 and SLEEP1/2 modes)
TGHALT TG control (IDLE0 and SLEEP0
modes)
0: Feeding clock to all peripherals from TG
1: Stop feeding clock to peripherals except TBT from TG.
(Start IDLE0 and SLEEP0 modes)
TENTATIVE
WWW wmmmmmmmmmmnmummmnmmmmmmmm
Page 18
2. Operational Description
2.2 System Clock Controller TMP86FS49FG
When the STOP pin input is high, executing an instruction which starts STOP mode will not place
in STOP mode but instead will immediately start the release sequence (Warm up). Thus, to start
STOP mode in the level-sensitive release mode, it is necessary for the program to first confirm that
the STOP pin input is low. The following two methods can be used for confirmation.
1. Testing a port P20.
2. Using an external interrupt input INT5 (INT5 is a falling edge-sensitive input).
Figure 2-7 Level-sensitive Release Mode
Note 1: In this case of changing to the level-sensitive mode from the edge-sensitive mode, the release
mode is not switched until a rising edge of the STOP pin input is detected.
(2) Edge-sensitive release mode (RELM = “0”)
In this mode, STOP mode is released by a rising edge of the STOP pin input. This is used in appli-
cations where a relatively short program is executed repeatedly at periodic intervals. This periodic
signal (for example, a clock from a low-power consumption oscillator) is input to the STOP pin. In
the edge-sensitive release mode, STOP mode is started even when the STOP pin input is high level.
Example 1 :Starting STOP mode from NORMAL mode by testing a port P20.
LD (SYSCR1), 01010000B ; Sets up the level-sensitive release mode
SSTOPH: TEST (P2PRD). 0 ; Wait until the STOP pin input goes low level
JRS F, SSTOPH
DI ; IMF ← 0
SET (SYSCR1). 7 ; Starts STOP mode
Example 2 :Starting STOP mode from NORMAL mode with an INT5 interrupt.
PINT5: TEST (P2PRD). 0 ; To reject noise, STOP mode does not start if
JRS F, SINT5 port P20 is at high
LD (SYSCR1), 01010000B ; Sets up the level-sensitive release mode.
DI ; IMF ← 0
SET (SYSCR1). 7 ; Starts STOP mode
SINT5: RETI
Example :Starting STOP mode from NORMAL mode
DI ; IMF ← 0
LD (SYSCR1), 10010000B ; Starts after specified to the edge-sensitive release mode
V
IH
NORMAL
operation Warm up
STOP
operation
Confirm by program that the
STOP pin input is low and start
STOP mode. Always released if the STOP
pin input is high.
STOP pin
XOUT pin
STOP mode is released by the hardware.
NORMAL
operation
TENTATIVE
TOSHIBA
Page 19
TMP86FS49FG
Figure 2-8 Edge-sensitive Release Mode
STOP mode is released by the following sequence.
1. In the dual-clock mode, when returning to NORMAL2, both the high-frequency and low-
frequency clock oscillators are turned on; when returning to SLOW1 mode, only the low-
frequency clock oscillator is turned on. In the single-clock mode, only the high-frequency
clock oscillator is turned on.
2. A warm-up period is inserted to allow oscillation time to stabilize. During warm up, all
internal operations remain halted. Four different warm-up times can be selected with the
WUT (Bits 2 and 3 in SYSCR1) in accordance with the resonator characteristics.
3. When the warm-up time has elapsed, normal operation resumes with the instruction follow-
ing the STOP mode start instruction. The start is made after the prescaler and the divider of
the timing generator are cleared to “0”.
Note: The warm-up time is obtained by dividing the basic clock by the divider. Therefore, the warm-up
time may include a certain amount of error if there is any fluctuation of the oscillation frequency
when STOP mode is released. Thus, the warm-up time must be considered as an approximate
value.
STOP mode can also be released by inputting low level on the RESET pin, which immediately per-
forms the normal reset operation.
Note: When STOP mode is released with a low hold voltage, the following cautions must be observed.
The power supply voltage must be at the operating voltage level before releasing STOP mode.
The RESET pin input must also be “H” level, rising together with the power supply voltage. In this
case, if an external time constant circuit has been connected, the RESET pin input voltage will
increase at a slower pace than the power supply voltage. At this time, there is a danger that a
reset may occur if input voltage level of the RESET pin drops below the non-inverting high-level
input voltage (Hysteresis input).
Table 2-1 Warm-up Time Example (at fc = 16.0 MHz, fs = 32.768 kHz)
WUT Warm-up Time [ms]
Return to NORMAL Mode Return to SLOW Mode
00 12.288 750
01 4.096 250
10 3.072 5.85
11 1.024 1.95
NORMAL
operation
NORMAL
operation
V
IH
STOP mode is released by the hardware at the rising
edge of STOP pin input.
Warm up
STOP mode started
by the program.
STOP
operation
STOP
operation
STOP pin
XOUT pin
TENTATIVE
Page 20
2. Operational Description
2.2 System Clock Controller TMP86FS49FG
Figure 2-9 STOP Mode Start/Release
Instruction address a + 4
0
Instruction address a + 3
Turn on
Turn on
Warm up
0n
Halt
SET (SYSCR1). 7
Turn off
(a) STOP mode start (Example: Start with SET (SYSCR1). 7 instruction located at address a)
a + 6
a + 5
a + 4
a + 3
a + 2
n + 2 n + 3 n + 4
a + 3
n + 1
Instruction address a + 2
2
1
03
(b) STOP mode release
Count up
Turn off
Halt
Oscillator
circuit
Program
counter
Instruction
execution
Divider
Main
system
clock
Oscillator
circuit
STOP pin
input
Program
counter
Instruction
execution
Divider
Main
system
clock
TENTATIVE
TOSHIBA
Page 21
TMP86FS49FG
2.2.4.2 IDLE1/2 mode and SLEEP1/2 mode
IDLE1/2 and SLEEP1/2 modes are controlled by the system control register 2 (SYSCR2) and maskable
interrupts. The following status is maintained during these modes.
1. Operation of the CPU and watchdog timer (WDT) is halted. On-chip peripherals continue to
operate.
2. The data memory, CPU registers, program status word and port output latches are all held in the
status in effect before these modes were entered.
3. The program counter holds the address 2 ahead of the instruction which starts these modes.
Figure 2-10 IDLE1/2 and SLEEP1/2 Modes
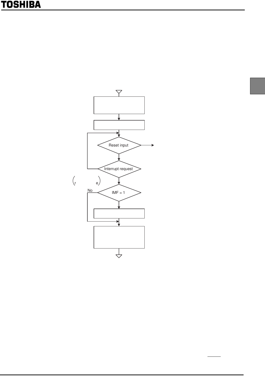
(1) Start the IDLE1/2 and SLEEP1/2 modes
When IDLE1/2 and SLEEP1/2 modes start, set SYSCR2<IDLE> to “1”. After IMF is set to "0",
set the individual interrupt enable flag (EF) which releases IDLE1/2 and SLEEP1/2.
(2) Release the IDLE1/2 and SLEEP1/2 modes
IDLE1/2 and SLEEP1/2 modes include a normal release mode and an interrupt release mode.
These modes are selected by interrupt master enable flag (IMF). After releasing IDLE1/2 and
SLEEP1/2 modes, the SYSCR2<IDLE> is automatically cleared to “0” and the operation mode is
returned to the mode preceding IDLE1/2 and SLEEP1/2 modes.
IDLE1/2 and SLEEP1/2 modes can also be released by inputting low level on the RESET pin. After
releasing reset, the operation mode is started from NORMAL1 mode.
Reset
Reset input
No
Yes (Interrupt release mode)
Yes
No
No
Starting IDLE1/2
and SLEEP1/2 modes
by instruction
CPU and WDT are halted
Interrupt request
IMF = 1
Interrupt processing
Execution of the
instruction which follows
the IDLE1/2 and SLEEP1/2
modes start instruction
Normal
release mode
Yes
TENTATIVE

Page 22
2. Operational Description
2.2 System Clock Controller TMP86FS49FG
(3) Normal release mode (IMF = “0”)
IDLE1/2 and SLEEP1/2 modes are released by any interrupt source enabled by the individual
interrupt enable flag (EF). After the interrupt is generated, the program operation is resumed from the
instruction following the IDLE1/2 and SLEEP1/2 modes start instruction. Normally, the interrupt
latches (IL) of the interrupt source used for releasing must be cleared to “0” by load instructions.
(4) Interrupt release mode (IMF = “1”)
IDLE1/2 and SLEEP1/2 modes are released by any interrupt source enabled with the individual
interrupt enable flag (EF) and the interrupt processing is started. After the interrupt is processed, the
program operation is resumed from the instruction following the instruction, which starts IDLE1/2
and SLEEP1/2 modes.
Note: When a watchdog timer interrupts is generated immediately before IDLE1/2 and SLEEP1/2 mode
are started, the watchdog timer interrupt will be processed but IDLE1/2 and SLEEP1/2 mode will
not be started.
TENTATIVE
Page 23
TMP86FS49FG
Figure 2-11 IDLE1/2 and SLEEP1/2 Modes Start/Release
(b) IDLE1/2 and SLEEP1/2 modes release
Halt
Halt
Halt
Halt
Operate
Instruction address a + 2
a + 3
a + 2
a + 4 a + 3
a + 3
Halt
SET (SYSCR2). 4
(a) IDLE1/2 and SLEEP1/2 modes start (Example: Starting with the SET instruction located at address a)
Operate
Operate
Operate
Acceptance of interrupt
Normal release mode
Interrupt release mode
Main
system
clock
Interrupt
request
Program
counter
Instruction
execution
Watchdog
timer
Main
system
clock
Interrupt
request
Program
counter
Instruction
execution
Watchdog
timer
Main
system
clock
Interrupt
request
Program
counter
Instruction
execution
Watchdog
timer
TENTATIVE
Reset inpm
source dock
TBT mlermpt
ename
Page 24
2. Operational Description
2.2 System Clock Controller TMP86FS49FG
2.2.4.3 IDLE0 and SLEEP0 modes (IDLE0, SLEEP0)
IDLE0 and SLEEP0 modes are controlled by the system control register 2 (SYSCR2) and the time base
timer control register (TBTCR). The following status is maintained during IDLE0 and SLEEP0 modes.
1. Timing generator stops feeding clock to peripherals except TBT.
2. The data memory, CPU registers, program status word and port output latches are all held in the
status in effect before IDLE0 and SLEEP0 modes were entered.
3. The program counter holds the address 2 ahead of the instruction which starts IDLE0 and
SLEEP0 modes.
Note: Before starting IDLE0 or SLEEP0 mode, be sure to stop (Disable) peripherals.
Figure 2-12 IDLE0 and SLEEP0 Modes
(1) Start the IDLE0 and SLEEP0 modes
Stop (Disable) peripherals such as a timer counter.
Yes
(Normal release mode)
Yes (Interrupt release mode)
No
Yes
Reset input
CPU and WDT are halted
Starting IDLE0 and SLEEP0
modes by instruction
Reset
TBT
source clock
falling
edge
TBTCR<TBTEN>
= "1"
Interrupt processing
Execution of the
instruction which follows
the IDLE0 and SLEEP0
modes start instruction
IMF = "1"
Yes
TBT interrupt
enable
No
No
No
No
Stopping peripherals
by instruction
Yes
TENTATIVE
TOSHIBA
Page 25
TMP86FS49FG
When IDLE0 and SLEEP0 modes start, set SYSCR2<TGHALT> to “1”.
(2) Release the IDLE0 and SLEEP0 modes
IDLE0 and SLEEP0 modes include a normal release mode and an interrupt release mode.
These modes are selected by interrupt master flag (IMF), the individual interrupt enable flag of
TBT and TBTCR<TBTEN>.
After releasing IDLE0 and SLEEP0 modes, the SYSCR2<TGHALT> is automatically cleared to
“0” and the operation mode is returned to the mode preceding IDLE0 and SLEEP0 modes. Before
starting the IDLE0 or SLEEP0 mode, when the TBTCR<TBTEN> is set to “1”, INTTBT interrupt
latch is set to “1”.
IDLE0 and SLEEP0 modes can also be released by inputting low level on the RESET pin. After
releasing reset, the operation mode is started from NORMAL1 mode.
Note: IDLE0 and SLEEP0 modes start/release without reference to TBTCR<TBTEN> setting.
(3) Normal release mode (IMF・EF7・TBTCR<TBTEN> = “0”)
IDLE0 and SLEEP0 modes are released by the source clock falling edge, which is setting by the
TBTCR<TBTCK> without reference to individual interrupt enable flag (EF). After the falling edge
is detected, the program operation is resumed from the instruction following the IDLE0 and SLEEP0
modes start instruction.
(4) Interrupt release mode (IMF・EF7・TBTCR<TBTEN> = “1”)
IDLE0 and SLEEP0 modes are released by the source clock falling edge, which is setting by the
TBTCR<TBTCK> at INTTBT interrupt source enabled with the individual interrupt enable flag (EF)
and INTTBT interrupt processing is started.
Note 1: Because returning from IDLE0, SLEEP0 to NORMAL1, SLOW1 is executed by the asynchro-
nous internal clock, the period of IDLE0, SLEEP0 mode might be the shorter than the period set-
ting by TBTCR<TBTCK>.
Note 2: When a watchdog timer interrupt is generated immediately before IDLE0/SLEEP0 mode is
started, the watchdog timer interrupt will be processed but IDLE0/SLEEP0 mode will not be
started.
TENTATIVE
Page 26
2. Operational Description
2.2 System Clock Controller TMP86FS49FG
Figure 2-13 IDLE0 and SLEEP0 Modes Start/Release
Halt
Halt Operate
Instruction address a + 2
Halt
Operate
SET (SYSCR2). 2
Halt Operate
Acceptance of interrupt
Halt
(b) IDLE0 and SLEEP0 modes release
(a) IDLE0 and SLEEP0 modes start (Example: Starting with the SET instruction located at address a)
Normal release mode
Interrupt release mode
M
a
i
n
system
clock
Interrupt
request
Program
counter
Instruction
execution
Watchdog
timer
Main
system
clock
TBT clock
TBT clock
Program
counter
Instruction
execution
Watchdog
timer
Main
system
clock
Program
counter
Instruction
execution
Watchdog
timer
a + 3
a + 2
a + 4 a + 3
a + 3
TENTATIVE
TOSHIBA
Page 27
TMP86FS49FG
2.2.4.4 SLOW mode
SLOW mode is controlled by the system control register 2 (SYSCR2).
The following is the methods to switch the mode with the warm-up counter (TC4, TC3).
(1) Switching from NORMAL2 mode to SLOW1 mode
First, set SYSCK (Bit5 in SYSCR2) to switch the main system clock to the low-frequency clock
for SLOW2 mode.
Next, clear XEN (Bit7 in SYSCR2) to turn off high-frequency oscillation.
Note: The high-frequency clock can be continued oscillation in order to return to NORMAL2 mode from
SLOW mode quickly. Always turn off oscillation of high-frequency clock when switching from
SLOW mode to stop mode.
When the low-frequency clock oscillation is unstable, wait until oscillation stabilizes before per-
forming the above operations. The timer/counter 6, 5, 4, 3 (TC6, TC5, TC4, TC3) can conveniently
be used to confirm that low-frequency clock oscillation has stabilized.
(2) Switching from SLOW1 mode to NORMAL2 mode
First, set XEN (Bit7 in SYSCR2) to turn on the high-frequency oscillation. When time for stabili-
zation (Warm up) has been taken by the timer/counter 4, 3 (TC4, TC3), clear SYSCK (Bit5 in
SYSCR2) to switch the main system clock to the high-frequency clock.
Example 1 :Switching from NORMAL2 mode to SLOW1 mode.
SET (SYSCR2). 5 ; SYSCR2<SYSCK> ← 1
(Switches the main system clock to the low-frequency
clock for SLOW2)
CLR (SYSCR2). 7 ; SYSCR2<XEN> ← 0
(Turns off high-frequency oscillation)
Example 2 :Switching to the SLOW1 mode after low-frequency clock has stabilized.
SET (SYSCR2). 6 ; SYSCR2<XTEN> ← 1
LD (TC3CR), 43H ; Sets mode for TC4, TC3 (16-bit TC, fs for source)
LD (TC4CR), 05H
LDW (TTREG3), 8000H ; Sets warm-up time (Depend on oscillator accompanied)
DI ; IMF ← 0
SET (EIRH). 1 ; Enables INTTC4
EI ; IMF ← 1
SET (TC4CR). 3 ; Starts TC4, 3
:
PINTTC4: CLR (TC4CR). 3 ; Stops TC4, 3
SET (SYSCR2). 5 ; SYSCR2<SYSCK> ← 1
(Switches the main system clock to the low-frequency clock)
CLR (SYSCR2). 7 ; SYSCR2<XEN> ← 0
(Turns off high-frequency oscillation)
RETI
:
VINTTC4: DW PINTTC4 ; INTTC4 vector table
TENTATIVE

Page 28
2. Operational Description
2.2 System Clock Controller TMP86FS49FG
Note: After SYSCK is cleared to “0”, executing the instructions is continiued by the low-frequency clock
for the period synchronized with low-frequency and high-frequency clocks.
Note: SLOW mode can also be released by inputting low level on the RESET pin, which immediately performs the reset opera-
tion. After reset, TMP86FS49FG are placed in NORMAL1 mode.
Example :Switching from the SLOW1 mode to the NORMAL2 mode (fc = 16 MHz, warm-up time is 4.0 ms).
SET (SYSCR2). 7 ; SYSCR2<XEN> ← 1 (Starts high-frequency oscillation)
LD (TC3CR), 63H ; Sets mode for TC4, TC3 (16-bit TC, fc for source)
LD (TC4CR), 05H
LD (TTREG4), 0F8H ; Sets warm-up time
DI ; IMF ← 0
SET (EIRH). 1 ; Enables INTTC4
EI ; IMF ← 1
SET (TC4CR). 3 ; Starts TC4, 3
:
PINTTC4: CLR (TC4CR). 3 ; Stops TC4, 3
CLR (SYSCR2). 5 ; SYSCR2<SYSCK> ← 0
(Switches the main system clock to the high-frequency clock)
RETI
:
VINTTC4: DW PINTTC4 ; INTTC4 vector table
High-frequency clock
Low-frequency clock
Main system clock
SYSCK
TENTATIVE
TOSHIBA
Page 29
TMP86FS49FG
Figure 2-14 Switching between the NORMAL2 and SLOW Modes
SET (SYSCR2). 7
NORMAL2
mode
CLR (SYSCR2). 7
SET (SYSCR2). 5
NORMAL2
mode
Turn off
(a) Switching to the SLOW mode
SLOW1 mode
SLOW2 mode
CLR (SYSCR2). 5
(b) Switching to the NORMAL2 mode
High-
frequency
clock
Low-
frequency
clock
Main
system
clock
Instruction
execution
SYSCK
XEN
High-
frequency
clock
Low-
frequency
clock
Main
system
clock
Instruction
execution
SYSCK
XEN
SLOW1 mode Warm up during SLOW2 mode
TENTATIVE
Page 30
2. Operational Description
2.3 Reset Circuit TMP86FS49FG
2.3 Reset Circuit
The TMP86FS49FG have four types of reset generation procedures: An external reset input, an address trap reset,
a watchdog timer reset and a system clock reset. Table 2-2 shows on-chip hardware initialization by reset action.
The malfunction reset circuit such as watchdog timer reset, address trap reset and system clock reset is not initial-
ized when power is turned on. The RESET pin can reset state at the maximum 24/fc [s] (1.5 µs at 16.0 MHz) when
power is turned on.
2.3.1 External Reset Input
The RESET pin contains a Schmitt trigger (Hysteresis) with an internal pull-up resistor.
When the RESET pin is held at “L” level for at least 3 machine cycles (12/fc [s]) with the power supply volt-
age within the operating voltage range and oscillation stable, a reset is applied and the internal state is initial-
ized.
When the RESET pin input goes high, the reset operation is released and the program execution starts at the
vector address stored at addresses FFFEH to FFFFH.
Figure 2-15 Reset Circuit
Table 2-2 Initializing Internal Status by Reset Action
On-chip Hardware Initial Value On-chip Hardware Initial Value
Program counter (PC) (FFFEH)
Prescaler and divider of timing generator 0
Stack pointer (SP) Not initialized
General-purpose registers
(W, A, B, C, D, E, H, L, IX, IY) Not initialized
Jump status flag (JF) Not initialized Watchdog timer Enable
Zero flag (ZF) Not initialized
Output latches of I/O ports Refer to I/O port circuitry
Carry flag (CF) Not initialized
Half carry flag (HF) Not initialized
Sign flag (SF) Not initialized
Overflow flag (VF) Not initialized
Interrupt master enable flag (IMF) 0
Interrupt individual enable flags (EF) 0 Control registers Refer to each of control
register
Interrupt latches (IL) 0
RAM Not initialized
Internal reset
RESET
VDD
Malfunction
reset output
circuit
Watchdog timer reset
Address trap reset
System clock reset
TENTATIVE
TOSHIBA
Page 31
TMP86FS49FG
2.3.2 Address trap reset
If the CPU should start looping for some cause such as noise and an attempt be made to fetch an instruction
from the on-chip RAM (when WDTCR1<ATAS> is set to “1”), DBR or the SFR area, address trap reset will
be generated. The reset time is about 8/fc to 24/fc [s] (0.5 to 1.5 µs at 16.0 MHz).
Note:The operating mode under address trapped is alternative of reset or interrupt. The address trap area is alter-
native.
Note 1: Address “a” is in the SFR or on-chip RAM (WDTCR1<ATAS> = “1”) space.
Note 2: During reset release, reset vector “r” is read out, and an instruction at address “r” is fetched and decoded.
Figure 2-16 Address Trap Reset
2.3.3 Watchdog timer reset
Refer to 2.4 “Watchdog Timer”.
2.3.4 System clock reset
Clearing both XEN and XTEN (Bits 7 and 6 in SYSCR2) to “0”, clearing XEN to “0” when SYSCK = “0”,
or clearing XTEN to “0” when SYSCK = “1” stops system clock, and causes the microcomputer to deadlock.
This can be prevented by automatically generating a reset signal whenever XEN = XTEN = “0”, XEN =
SYSCK = “0”, or XTEN = “0”/SYSCK = “1” is detected to continue the oscillation. The reset time is about 8/
fc to 24/fc [s] (0.5 to 1.5 µs at 16.0 MHz).
Instruction at address r
16/fc [s]8/fc to 24/fc [s]
Instruction
execution
Internal reset
JP a Reset release
Address trap is occurred
4/fc to 12/fc [s]
TENTATIVE

Page 32
2. Operational Description
2.3 Reset Circuit TMP86FS49FG
TENTATIVE
TOSHIBA
Page 255
TMP86FS49FG
22. Electrical Characteristics
22.1 Absolute Maximum Ratings
The absolute maximum ratings are rated values which must not be exceeded during operation, even for an instant.
Any one of the ratings must not be exceeded. If any absolute maximum rating is exceeded, a device may break down
or its performance may be degraded, causing it to catch fire or explode resulting in injury to the user. Thus, when
designing products which include this device, ensure that no absolute maximum rating value will ever be exceeded.
(VSS = 0 V)
Parameter Symbol Pins Ratings Unit
Supply voltage VDD -0.3 to 6.5
VInput voltage VIN -0.3 to VDD + 0.3
Output voltage VOUT1 -0.3 to VDD + 0.3
Output current (Per 1 pin)
IOUT1 P0, P1, P4, P6, P7 ports -1.8
mA
IOUT2 P0, P1, P4, P6, P7 ports 3.2
IOUT3 P3, P5 ports 30
Output current (Total) Σ IOUT1 P0, P1, P4, P6, P7 ports 60
Σ IOUT2 P3, P5 ports 80
Power dissipation [Topr = 85 °C] PD250 mW
Soldering temperature (time) Tsld 260 (10 s)
°CStorage temperature Tstg -55 to 125
Operating temperature Topr -40 to 85
TENTATIVE

Page 256
22. Electrical Characteristics
22.1 Absolute Maximum Ratings TMP86FS49FG
22.2 Recommended Operating Conditions
The recommended operating conditions for a device are operating conditions under which it can be guaranteed that
the device will operate as specified. If the device is used under operating conditions other than the recommended
operating conditions (supply voltage, operating temperature range, specified AC/DC values etc.), malfunction may
occur. Thus, when designing products which include this device, ensure that the recommended operating conditions
for the device are always adhered to.
22.2.1 MCU mode (Flash Programming or erasing)
22.2.2 MCU mode (Except Flash Programming or erasing)
Note 1: The Supply voltage (VDD) is divided into two different voltage areas. Do not change VDD from Condition 1 to Condi-
tion 2 and vice versa while the MCU is operationg. If you wish to use VDD in a continuous range of 3.0V to
5.5V without stopping the MCU, please contact your local Toshiba office.
(VSS = 0 V, Topr = -10 to 40°C)
Parameter Symbol Pins Ratings Min Max Unit
Supply voltage VDD NORMAL1, 2 modes 4.5 5.5
V
Input high level VIH1 Except hysteresis input VDD ≥ 4.5 V VDD × 0.70 VDD
VIH2 Hysteresis input VDD × 0.75
Input low level VIL1 Except hysteresis input VDD ≥ 4.5 V 0VDD × 0.30
VIL2 Except hysteresis input VDD × 0.25
Clock frequency fc XIN, XOUT 1.0 16.0 MHz
(VSS = 0 V, Topr = -40 to 85°C)
Parameter Symbol Pins Ratings Min Max Unit
Supply voltage
(Condition 1)
VDD
fc = 16 MHz NORMAL1, 2 modes
IDLE0, 1, 2 modes
4.5 5.5
V
fs = 32.768 KHz SLOW1, 2 modes
SLEEP0, 1, 2 modes
STOP mode
Supply voltage
(Condition 2)
fc = 8 MHz NORMAL1, 2 modes
IDLE0, 1, 2 modes
3.0 3.6
fs = 32.768 KHz SLOW1, 2 modes
SLEEP0, 1, 2 modes
STOP mode
Input high level
VIH1 Except hysteresis input VDD ≥ 4.5 V VDD × 0.70
VDD
VIH2 Hysteresis input VDD × 0.75
VIH3 VDD < 4.5 V VDD × 0.90
Input low level
VIL1 Except hysteresis input VDD ≥ 4.5 V 0
VDD × 0.30
VIL2 Hysteresis input VDD × 0.25
VIL3 VDD < 4.5 V VDD × 0.10
Clock frequency
fc XIN, XOUT VDD = 3.0 to 3.6 V, 4.5 to 5.5V 1.0 8.0 MHz
fc XIN, XOUT VDD = 4.5 to 5.5 V 1.0 16.0
fs XTIN, XTOUT VDD = 3.0 to 3.6 V, 4.5 to 5.5V 30.0 34.0 kHz
TENTATIVE
TOSHIBA
Page 257
TMP86FS49FG
22.2.3 Serial PROM mode
(VSS = 0 V, Topr = -10 to 40 °C)
Parameter Symbol Pins Condition Min Max Unit
Supply voltage VDD NORMAL1, 2 modes 4.5 5.5
V
Input high voltage VIH1 Except hysteresis input VDD ≥ 4.5 V VDD × 0.70 VDD
VIH2 Hysteresis input VDD × 0.75
Input low voltage VIL1 Except hysteresis input VDD ≥ 4.5 V 0VDD × 0.30
VIL2 Hysteresis input VDD × 0.25
Clock frequency fc XIN, XOUT 2.0 16.0 MHz
TENTATIVE
iRESET ST)?
iRESET
Page 258
22. Electrical Characteristics
22.1 Absolute Maximum Ratings TMP86FS49FG
22.3 DC Characteristics
Note 1: Typical values show those at Topr = 25°C and VDD = 5 V.
Note 2: Input current (IIN1, IIN3): The current through pull-up or pull-down resistor is not included.
Note 3: IDD does not include IREF.
Note 4: The supply currents of SLOW2 and SLEEP2 modes are equivalent to those of IDLE1 and IDLE2 modes.
(VSS = 0 V, Topr = -40 to 85 °C)
Parameter Symbol Pins Condition Min Typ. Max Unit
Hysteresis voltage VHS Hysteresis input
VDD = 5.5 V, VIN = 5.5 V/0 V
–0.9– V
Input current
IIN1 TEST
––±2µA
IIN2 Sink open drain, tri–state port
IIN3 RESET, STOP
Input resistance RIN RESET pull–up 100 220 450 kΩ
Output leakage current ILO1 Sink open drain port VDD = 5.5 V, VOUT = 5.5 V ––2
µA
ILO2 Tri–state port VDD = 5.5 V, VOUT = 5.5 V/0 V ––±2
Output high voltage VOH Tri–state port VDD = 4.5 V, IOH = -0.7 mA 4.1 – – V
Output low voltage VOL Except XOUT, P3, P5 VDD = 4.5 V, IOL = 1.6 mA ––0.4
Output low curren IOL High current port
(P3, P5 Port) VDD = 4.5 V, VOL = 1.0 V –20–
mA
Supply current in
NORMAL1, 2 modes
IDD
VDD = 5.5 V
VIN = 5.3 V/0.2 V
fc = 16 MHz
fs = 32.768 kHz
When a program
operates on flash
memory
–12.620
Supply current in
IDLE0 mode –6.37.5
Supply current in IDLE
1, 2 modes –7.610
Supply current in
SLOW1 mode VDD = 3.0 V
VIN = 2.8 V/0.2 V
fs = 32.768 kHz
When a program
operates on flash
memory
–0.93
When a program
operates on RAM –1021
µA
Supply current in
SLEEP1 mode –4.516
Supply current in
SLEEP0 mode –3.512
Supply current in
STOP mode
VDD = 5.5 V
VIN = 5.3 V/0.2 V –0.510
TENTATIVE
TOSHIBA
Page 259
TMP86FS49FG
22.4 AD Characteristics
Note 1: The total error includes all errors except a quanitization error, and is defined as a maximum deviation from the ideal con-
version line.
Note 2: Conversion time is defferent in recommended value by power supply voltage.
Note 3: The voltage to be input on the AIN input pin must not exceed the range between VAREF and VSS. If a voltage outside this
range is input, conversion values will become unstable and conversion values of other channels will also be affected.
Note 4: Analog reference voltage range: ∆VAREF = VAREF - VSS
Note 5: When AD converter is not used, fix the AVDD and VAREF pin on the VDD level.
(VSS = 0.0 V, 4.5 V ≤ VDD ≤ 5.5 V, Topr = -40 to 85 °C)
Paramete Symbol Condition Min Typ. Max Unit
Analog reference voltage VAREF AVDD - 1.0 –AVDD
V
Power supply voltage of analog control
circuit AVDD VDD
Analog reference voltage range (Note 4) ∆ VAREF 3.5 – –
Analog input voltage VAIN VSS –VAREF
Power supply current of analog refer-
ence voltage IREF VDD = AVDD = VAREF = 5.5 V
VSS = AVSS = 0.0 V –0.61.0mA
Non linearity error VDD = AVDD = 5.0 V,
VSS = AVSS = 0.0 V
VAREF = 5.0 V
––±2
LSB
Zero point error ––±2
Full scale error ––±2
Total error ––±2
(VSS = 0 V, 3.0 V ≤ VDD ≤ 3.6 V, Topr = -40 to 85°C)
Parameter Symbol Condition Min Typ. Max Unit
Analog reference voltage VAREF AVDD - 1.0 –AVDD
V
Power supply voltage of analog control
circuit AVDD VDD
Analog reference voltage range (Note 4) ∆ VAREF 2.5 – –
Analog input voltage VAIN VSS –VAREF
Power supply current of analog refer-
ence voltage IREF VDD = AVDD = VAREF =3.6 V
VSS = AVSS = 0.0 V –0.50.8mA
Non linearity error VDD = AVDD = 3.0 V
VSS = AVSS = 0.0 V
VAREF = 3.0 V
––±2
LSB
Zero point error ––±2
Full scale error ––±2
Total error ––±2
TENTATIVE

Page 260
22. Electrical Characteristics
22.6 Flash Characteristics TMP86FS49FG
22.5 AC Characteristics
22.6 Flash Characteristics
22.6.1 Write/Retention Characteristics
(VSS = 0 V, VDD = 4.5 V to 5.5 V, Topr = -40 to 85°C)
Parameter Symbol Condition Min Typ. Max Unit
Machine cycle time tcy
NORMAL1, 2 modes 0.25 – 4
µs
IDLE0, 1, 2 modes
SLOW1, 2 modes 117.6 – 133.3
SLEEP0, 1, 2 modes
High-level clock pulse width tWCH For external clock operation (XIN input)
fc = 16 MHz – 31.25 – ns
Low-level clock pulse width tWCL
High-level clock pulse width tWSH For external clock operation (XTIN input)
fs = 32.768 kHz – 15.26 – µs
Low-level clock pulse width tWSL
(VSS = 0 V, VDD = 3.0 V to 3.6 V, Topr = -40 to 85°C)
Paramete Symbol Condition Min Typ. Max Unit
Machine cycle time tcy
NORMAL1, 2 modes 0.5 – 4
µs
IDLE0, 1, 2 modes
SLOW1, 2 modes 117.6 – 133.3
SLEEP0, 1, 2 modes
High-level clock pulse width tWCH For external clock operation (XIN input)
fc = 8 MHz – 62.5 – ns
Low-level clock pulse width tWCL
High-level clock pulse width tWSH For external clock operation (XTIN input)
fs = 32.768 kHz – 15.26 – µs
Low-level clock pulse width tWSL
(VSS = 0 V)
Paramete Condition Min Typ. Max. Unit
Number of guaranteed writes to flash memory VSS = 0 V, Topr = -10 to 40°C– – 100 Times
TENTATIVE
TOSHIBA
Page 261
TMP86FS49FG
22.7 Recommended Oscillating Conditions
Note 1: To ensure stable oscillation, the resonator position, load capacitance, etc. must be appropriate. Because these factors are
greatly affected by board patterns, please be sure to evaluate operation on the board on which the device will actually be
mounted.
Note 2: The product numbers and specifications of the resonators by Murata Manufacturing Co., Ltd. are subject to change. For
up-to-date information, please refer to the following URL:
http://www.murata.co.jp/search/index.html
22.8 Handling Precaution
- The solderability test conditions for lead-free products (indicated by the suffix G in product name) are shown
below.
1. When using the Sn-63Pb solder bath
Solder bath temperature = 230 °C
Dipping time = 5 seconds
Number of times = once
R-type flux used
2. When using the Sn-3.0Ag-0.5Cu solder bath
Solder bath temperature = 245 °C
Dipping time = 5 seconds
Number of times = once
R-type flux used
Note: The pass criteron of the above test is as follows:
Solderability rate until forming ≥ 95 %
-When using the device (oscillator) in places exposed to high electric fields such as cathode-ray tubes, we recommend elec-
trically shielding the package in order to maintain normal operating condition.
XTIN XTOUT
(2) Low-frequency Oscillation
XIN XOUT
C1C2
(1) High-frequency Oscillation
C1C2
TENTATIVE

Page 262
22. Electrical Characteristics
22.8 Handling Precaution TMP86FS49FG
TENTATIVE
Products related to this Datasheet
IC MCU 8BIT 60KB FLASH 64QFP