ADS1299EEGFE User Guide Datasheet by Texas Instruments
View All Related Products | Download PDF Datasheet
l TEXAS
INSTRUMENTS
www.ti.com.
1
SLAU443B–May 2012–Revised January 2016
Submit Documentation Feedback Copyright © 2012–2016, Texas Instruments Incorporated
EEG Front-End Performance Demonstration Kit
Intel, Pentium, Celeron are registered trademarks of Intel Corporation.
SPI is a trademark of Motorola.
User's Guide
SLAU443B–May 2012–Revised January 2016
EEG Front-End Performance Demonstration Kit
This user's guide describes the characteristics, operation, and use of the ADS1299EEG-FE. This EVM is
an evaluation module for the ADS1299, an eight-channel, 24-bit, low-power; integrated analog front-end
(AFE) designed for electroencephalography (EEG) applications. The ADS1299ECG-FE is intended for
prototyping and evaluation. This user's guide includes a complete circuit description, schematic diagram,
and bill of materials.
The following related documents are available through the Texas Instruments web site at www.ti.com.
Device Literature Number
ADS1299 SBAS499
Contents
1 ADS1299EEG-FE Overview................................................................................................ 4
1.1 Important Disclaimer Information ................................................................................. 4
1.2 Information About Cautions and Warnings...................................................................... 4
2 Overview ...................................................................................................................... 5
2.1 Introduction .......................................................................................................... 5
2.2 Supported Features ................................................................................................ 5
2.3 Features Not Supported in Current Version..................................................................... 5
2.4 ADS1299EEG-FE Hardware ...................................................................................... 5
2.5 Factory Default Jumper Settings.................................................................................. 6
3 Software Installation......................................................................................................... 7
3.1 Minimum Requirements............................................................................................ 7
3.2 Installing the Software.............................................................................................. 7
3.3 Install the ADS1299 EVM Hardware Drivers .................................................................. 10
4 ADS1299EEG-FE Daughter Card Hardware Introduction ............................................................ 13
4.1 Power Supply ...................................................................................................... 14
4.2 Clock ................................................................................................................ 15
4.3 Reference .......................................................................................................... 16
4.4 Accessing ADS1299 Analog Signals ........................................................................... 16
4.5 Accessing ADS1299 Digital Signals ............................................................................ 16
4.6 Analog Inputs ...................................................................................................... 17
5 Using the Software: ADS1299 Control Registers and GUI ........................................................... 18
5.1 Overview and Features........................................................................................... 18
5.2 Global Channel Registers........................................................................................ 19
5.3 Channel Control Registers ....................................................................................... 19
5.4 GPIO and Other Registers....................................................................................... 23
5.5 Lead-Off and BIAS Registers.................................................................................... 23
5.6 Register Map....................................................................................................... 26
6 ADS1299EEG-FE Analysis Tools........................................................................................ 27
6.1 Scope Tab.......................................................................................................... 27
6.2 Histogram Tool .................................................................................................... 28
6.3 FFT Tool............................................................................................................ 29
7 EEG Specific Features .................................................................................................... 32
7.1 Reference Signal and Patient Bias Signal ..................................................................... 32
l TEXAS
INSTRUMENTS
www.ti.com
2SLAU443B–May 2012–Revised January 2016
Submit Documentation Feedback
Copyright © 2012–2016, Texas Instruments Incorporated
EEG Front-End Performance Demonstration Kit
7.2 Lead-Off Detection ................................................................................................ 36
7.3 External Calibration/Test Signals ............................................................................... 40
8 Test Options on the EVM ................................................................................................. 43
8.1 On-Chip (ADS1299) Input Short ................................................................................ 43
8.2 External Input Short with 5K Resistor .......................................................................... 44
8.3 Noise with Common Reference on Negative Inputs ......................................................... 46
8.4 Noise with Buffered Common Reference Input ............................................................... 48
8.5 Internally Generated Test Signal and Other Multiplexer Inputs ............................................. 49
8.6 Arbitrary Input Signal ............................................................................................. 49
9 Bill of Materials, Layouts and Schematics .............................................................................. 50
9.1 ADS1299EEG-FE Front-End Board Schematics.............................................................. 50
9.2 Printed Circuit Board Layout..................................................................................... 54
9.3 Bill of Materials .................................................................................................... 57
9.4 ADS1299EEG-FE Power-Supply Recommendations ........................................................ 59
List of Figures
1 ADS1299EEG-FE Kit........................................................................................................ 6
2 Executable to Run ADS1299 Software Installation...................................................................... 7
3 Initialization of ADS1299EEG-FE.......................................................................................... 8
4 License Agreement.......................................................................................................... 8
5 Installation Process.......................................................................................................... 9
6 USBStyx Driver Preinstallation............................................................................................. 9
7 Completion of ADS1299 Software Installation.......................................................................... 10
8 New Hardware Wizard..................................................................................................... 10
9 New Hardware Wizard Screen 3 ......................................................................................... 11
10 Completion of the Initial USB Drive...................................................................................... 11
11 Second 'New Hardware" Wizard ......................................................................................... 12
12 Install the USBStyx Driver................................................................................................. 12
13 ADS1299 EEG-FE Front End Block Diagram .......................................................................... 14
14 Input Configurations Supported by the EEG-FE a) Differential Inputs b) Single-Ended Inputs.................. 17
15 File Save Option Under 'Save' Tab ...................................................................................... 18
16 Channel Registers GUI for Global Registers ........................................................................... 19
17 Input Multiplexer for a Single Channel (MAIN = [000 or 110 or 111])............................................... 20
18 Channel Control Registers GUI Panel................................................................................... 20
19 Register Bit for SRB1 Routing............................................................................................ 20
20 Internal Test Signals ....................................................................................................... 21
21 Simplified Diode Arrangement............................................................................................ 22
22 Eight Channel Read of Internal Temperature Data.................................................................... 22
23 GPIO Control Register GUI Panel ....................................................................................... 23
24 LOFF_STATP and LOFF_STATN Comparators....................................................................... 24
25 LOFF_SENSP and LOFF_SENSN Registers GUI Panel............................................................. 24
26 Lead-Off Status Indicator.................................................................................................. 25
27 BIAS_SENSP and BIAS_SENSN GUI Panel........................................................................... 26
28 Device Register Settings .................................................................................................. 26
29 Scope Tool Features....................................................................................................... 27
30 Zoom Option on the Waveform Examination Tool..................................................................... 28
31 Histogram Bins for Input Short Noise.................................................................................... 29
32 Analysis : FFT Graph of Input Short Test............................................................................... 30
33 Analysis : FFT : AC Analysis Parameters : Windowing Options ..................................................... 31
34 Analysis : FFT : FFT Analysis : Input Short Condition ................................................................ 31
35 Changing the User-Defined Dynamic Range for Channel 1.......................................................... 32
l TEXAS
INSTRUMENTS
www.ti.com
3
SLAU443B–May 2012–Revised January 2016
Submit Documentation Feedback Copyright © 2012–2016, Texas Instruments Incorporated
EEG Front-End Performance Demonstration Kit
36 Dedicated Reference and Bias Electrode............................................................................... 33
37 Programmable Reference and Bias Electrode ......................................................................... 34
38 Settings for Normal Electrode ............................................................................................ 35
39 Configuring BIASREF and Bias Drive Buffer ........................................................................... 35
40 Setting up the Bias Drive Loop ........................................................................................... 36
41 Setting the LOFF Register Bits........................................................................................... 37
42 Configuring the Lead Off Comparator ................................................................................... 37
43 Lead off Status Registers ................................................................................................. 37
44 Scope tab for Impedance Measurement at 31.25 Hz ................................................................. 38
45 FFT Analysis for Impedance Measurement at 31.25 Hz.............................................................. 39
46 Scope Tab for Impedance Measurement at fDR/4 (DR = 4ksps).................................................... 40
47 Multiplexer Setting for Calibration with Electrode Disconnected..................................................... 41
48 Multiplexer Setting with Positive Electrode Connected to Test Signal .............................................. 42
49 Multiplexer Setting with Both Electrodes Connected to Test Signal................................................. 43
50 Channel Settings for Input Short Test ................................................................................... 44
51 Scope Tab for Input Short Test........................................................................................... 44
52 Channel Settings for External Input Short Test ........................................................................ 45
53 Scope Showing Noise for Input Short with 5k Resistors.............................................................. 46
54 MISC1 Register Setting for SRB1........................................................................................ 47
55 Noise with Negative Input Connected to SRB1 Pin.................................................................... 47
56 Noise with OPA376 in SRB1 Path ....................................................................................... 48
57 Scope Tab with Sinusoidal Inputs on AIN1 ............................................................................. 49
58 ADS1299EEG-FC Schematic ............................................................................................ 50
59 ADS1299EEG-FC Jumper Schematic .................................................................................. 51
60 ECG Power Supplies ..................................................................................................... 52
61 External Reference Drivers (Not Installed) ............................................................................. 53
62 ECG MDK Board Interface Adapter...................................................................................... 53
63 ADS1299EEG-FE Top Assembly ........................................................................................ 54
64 ADS1299EEG-FE Top Layer ............................................................................................. 54
65 ADS1299EEG-FE Internal Layer (1)..................................................................................... 55
66 ADS1299EEG-FE Internal Layer (2)..................................................................................... 55
67 ADS1299EEG-FE Bottom Layer ........................................................................................ 56
68 ADS1299EEG-FE Bottom Assembly .................................................................................... 56
69 Recommended Power Supply for ADS1299EEG-FE.................................................................. 59
List of Tables
1 Factory Default Jumper Settings........................................................................................... 6
2 Power Supply Test Points................................................................................................. 15
3 Analog Supply Configurations ............................................................................................ 15
4 Digital Supply Configurations ............................................................................................. 15
5 Clock Jumper Options ..................................................................................................... 15
6 External Reference Jumper Options..................................................................................... 16
7 Test Signals................................................................................................................. 16
8 Serial Interface Pin Out.................................................................................................... 16
9 Dedicated Reference Drive Options through REF_ELEC ............................................................ 33
10 Bill of Materials ............................................................................................................. 57
l TEXAS
INSTRUMENTS
ADS1299EEG-FE Overview
www.ti.com
4SLAU443B–May 2012–Revised January 2016
Submit Documentation Feedback
Copyright © 2012–2016, Texas Instruments Incorporated
EEG Front-End Performance Demonstration Kit
1 ADS1299EEG-FE Overview
1.1 Important Disclaimer Information
CAUTION
The ADS1299EEG-FE is intended for feasibility and evaluation testing only in
laboratory and development environments. This product is not for diagnostic
use.
The ADS1299EEG-FE is to be used only under these conditions:
• The ADS1299EEG-FE is intended only for electrical evaluation of the features of the ADS1299 device
in a laboratory, simulation, or development environment.
• The ADS1299EEG-FE is not intended for direct interface with a patient, patient diagnostics, or with a
defibrillator.
• The ADS1299EEG-FE is intended for development purposes ONLY. It is not intended to be used as all
or part of an end-equipment application.
• The ADS1299EEG-FE should be used only by qualified engineers and technicians who are familiar
with the risks associated with handling electrical and mechanical components, systems, and
subsystems.
• You are responsible for the safety of yourself, your fellow employees and contractors, and your co-
workers when using or handling the ADS1299EEG-FE. Furthermore, you are fully responsible for the
contact interface between the human body and electronics; consequently, you are responsible for
preventing electrical hazards such as shock, electrostatic discharge, and electrical overstress of
electric circuit components.
1.2 Information About Cautions and Warnings
This document contains caution statements. The information in a caution statement is provided for your
protection. Be sure to read each caution carefully.
CAUTION
This is an example of a caution statement. A caution statement describes a
situation that could potentially damage your software or equipment.
l TEXAS
INSTRUMENTS
httgzl/wwwlmum
www.ti.com
Overview
5
SLAU443B–May 2012–Revised January 2016
Submit Documentation Feedback Copyright © 2012–2016, Texas Instruments Incorporated
EEG Front-End Performance Demonstration Kit
2 Overview
2.1 Introduction
The ADS1299EEG-FE is intended for evaluating the ADS1299 low-power, low noise 24-bit, simultaneously
sampling, eight-channel front-end for EEG applications. The digital SPI™ control interface is provided by
the MMB0 Modular EVM motherboard (Rev. D or higher) that connects to the ADS1299EEG FE
evaluation board (Rev A). The ADS1299EEG-FE (see Figure 1) is NOT a reference design for EEG
applications; rather, its purpose is to expedite evaluation and system development. The output of the
ADS1299 yields a raw, unfiltered EEG signal.
The MMB0 motherboard allows the ADS1299EEG-FE to be connected to the computer via an available
USB port. This manual shows how to use the MMB0 as part of the ADS1299EEG-FE, but does not
provide technical details about the MMB0 itself.
Throughout this document, the abbreviation EVM and the term evaluation module are synonymous with
the ADS1299EEG-FE.
2.2 Supported Features
Hardware Features:
• Configurable for bipolar or unipolar supply operation
• Configurable for internal and external clock and reference via jumper settings
• Configurable for dc-coupled inputs
• External bias electrode drive
• Option to provide a common reference to all channels negative terminals.
• Option to select any electrode as reference electrode
• Option to choose any electrode as bias electrode
• External shield drive amplifier
Software Features:
• Analysis tools including a virtual oscilloscope, histogram, FFT.
• Data export for post-processing of raw EEG data
2.3 Features Not Supported in Current Version
NOTE:
The following features are NOT SUPPORTED by the current version of the evaluation kit.
• Real-time data processing
• AC lead-off detection filters
2.4 ADS1299EEG-FE Hardware
Figure 1 shows the hardware included in the ADS1299EEG-FE kit. Contact the factory if any component is
missing. Also, it is highly recommended that you check the TI website at http://www.ti.com to verify that
you have the latest software.
{9 TEXAS
INSTRUMENTS
Overview
www.ti.com
6SLAU443B–May 2012–Revised January 2016
Submit Documentation Feedback
Copyright © 2012–2016, Texas Instruments Incorporated
EEG Front-End Performance Demonstration Kit
Figure 1. ADS1299EEG-FE Kit
The complete kit includes the following items:
• ADS1299EEG FE printed circuit board (PCB), Rev A
• MMB0 (Modular EVM motherboard, Rev D or higher)
2.5 Factory Default Jumper Settings
Table 1. Factory Default Jumper Settings
Jumper Name Settings Comment
JP1 Not Installed Used for programmable bias drive.
JP2 2-3 Unipolar analog supply (AVDD = 5V)
JP3 Not Installed Related to external reference generation circuitry
JP4 1-2 5V supply to board
JP5 Not Installed Option to provide hardware PWDN signal.
JP6 1-2 BIAS_ELEC to onboard midsupply
JP7 1-2 Route REF_ELEC to buffer input (buffer output is not used by default)
JP8 1-2 Route REF_ELEC directly to SRB1
JP17 Not Installed Related to shield drive circuitry
JP18 2-3 Clock from Oscillator on the EVM
JP19 1-2 Power for Oscillator on the EVM
JP20 1-2 Unipolar supply (AVSS = 0V)
JP21 1-2
JP22 2-3
JP23 1-2 CLKSEL = 0
JP24 2-3 Digital supply (DVDD =3.3)
l TEXAS
INSTRUMENTS
Name Swze Type
Wadslzee-eeg-re-l.o.o.exe 159,612 KB ADDIIcatlon
www.ti.com
Software Installation
7
SLAU443B–May 2012–Revised January 2016
Submit Documentation Feedback Copyright © 2012–2016, Texas Instruments Incorporated
EEG Front-End Performance Demonstration Kit
Table 1. Factory Default Jumper Settings (continued)
Jumper Name Settings Comment
JP25 1-2/ 3-4/5-6 – BIAS_ELEC connected to all INPs
– BIAS_ELEC connected to all INMs
– BIAS_ELEC shorted to REF_ELEC which connects to SRB1
J6 5-6/ 7-8/ 9-10/ … 32-34 / 35-36 connect jumpers on all channels
3 Software Installation
3.1 Minimum Requirements
Before installing the software that is intended for use with the EVM kit, verify that your PC meets the
minimum requirements outlined in this section.
3.1.1 Required Setup for ADS1299EEG-FE Software
Install the software on a PC-compatible computer that meets these specifications:
• Intel®Pentium®III/ Celeron®processor, 866 MHz or equivalent
• Minimum 256MB of RAM (512MB or greater recommended)
• USB 1.1-compatible input
• Hard disk drive with at least 200MB free space
• Microsoft® Windows® XP operating system with SP2 (Windows Vista and Windows 7 are NOT
supported at this time)
• Mouse or other pointing device
• 1280 x 960 minimum display resolution
3.2 Installing the Software
CAUTION
Do not connect the ADS1299EEG-FE hardware before installing the software
on a suitable PC. Failure to observe this caution may cause Microsoft Windows
to not recognize the ADS1299EEG-FE.
The latest software is available from the TI web site at www.ti.com/ads1299. Check the ADS1299 Product
Folder on the TI web site regularly for updated versions.
To install the ADS1299 software, click on the executable shown in Figure 2. Then follow the prompts
illustrated in Figure 3 through Figure 7.
Figure 2. Executable to Run ADS1299 Software Installation
l TEXAS
INSTRUMENTS
Qa-
Welcome to the ADS] 299EEG-FE
Setup Wizard
'0 ADS1299EEG-FE
Thls WIZaId WIII guide you thwud’! the Installatlon of
ADSIZQQEEG-FE.
It is remmmended that you cluse aII other apphcamns
befove stamng Setup Thvs quI make It possuble to update
veIevanr system files mthuut havunu to reboot your
(umpulev.
CIIIIK Next tn (untmue.
cm
’diwsnwflc-Fs E] C
License Agreemenl .
Plaase veview the Iizanse [arms behave InskaIIing ADSIZSEEG-FE. %
Pvess Page Down to see the rest of the agreement.
NATIONAL INSTRUMENTS SOFTWARE LICENSE f“
AGREEMENT
INSTALLATION NOTICE THIS IS A CONTRACT. BEFORE YOU DOWNLOAD
THE SOFTWARE AND/OR COMPLETE THE INSTALLATION PROCESS.
CAREFULLY READ THIS AGREEMENT BY DOWNLOADING THE SOFTWARE
AND/OR CLICKING THE APPLICABLE BUTTON T0 COMPLETE THE
INSTALLATION PROCESS. VOU CONSENT TO THE TERMS OF THIS
AGREEMENT AND YOU AGREE TO BE BOUND BY THIS AGREEMENT IF VI
If YDU accept the terms of the auveemert, click I. Auras to curltlrue, Vuu must accent the
agreement to Instal AD51299EEG—FE.
Software Installation
www.ti.com
8SLAU443B–May 2012–Revised January 2016
Submit Documentation Feedback
Copyright © 2012–2016, Texas Instruments Incorporated
EEG Front-End Performance Demonstration Kit
Figure 3. Initialization of ADS1299EEG-FE
You must accept the license agreement (shown in Figure 4) before you can proceed with the installation.
Figure 4. License Agreement
l TEXAS
INSTRUMENTS
‘VADsnwEEG-FE E] C
Insldling .
Please Wait Whlle ADSIZQQEEGFE Is being installed. fl.
Extract: Fw loader.exe
Er3:l: ”Fat Camrrl
fiSetup - USBSlyx DI vel Installation
Welcome to the USBwa Driver
Installation Setup Wizard
Thls will Install LIbUsh drrvers v1 2.5 on your computer
It Is recommended that you close all other appllcatlons before
contlnulng,
cllck Next to contnue, or cancel to exlt Setup.
www.ti.com
Software Installation
9
SLAU443B–May 2012–Revised January 2016
Submit Documentation Feedback Copyright © 2012–2016, Texas Instruments Incorporated
EEG Front-End Performance Demonstration Kit
Figure 5. Installation Process
Figure 6. USBStyx Driver Preinstallation
l TEXAS
INSTRUMENTS
'4' ADSI 299EEG-FE
E136
Completing the ADSl 299EEG-FE
Setup Wizard
ADSIZQQEEG-FE has been Installed on Your computer.
Click Fll’llsh to close thls wizard.
l:l Run ADSlZBQEEG-FE
t: :1 Ltl
Found New HanMaIe Wizard
Welcome to the Found New
Hardware Wizard
Windows will seatch lot cunent and updated softwave by
lauklng an yum computev, an the havdwale Instalallun co, m an
Can Wmdows connect to Windows Update to search for
sallwale')
0 Yes, lhls nme unly
0 Yes, new and every llmel connect a devlce
® No, not thts llme
Click Nexl lo conllnue
Software Installation
www.ti.com
10 SLAU443B–May 2012–Revised January 2016
Submit Documentation Feedback
Copyright © 2012–2016, Texas Instruments Incorporated
EEG Front-End Performance Demonstration Kit
Figure 7. Completion of ADS1299 Software Installation
3.3 Install the ADS1299 EVM Hardware Drivers
Apply power to the MMB0 using the supplied wall mount power supply and connect the MMB0 to your PC
via any available USB port. There are two USB drivers which will be installed. Follow the steps shown in
the figures below to install the USB drivers.
Figure 8. New Hardware Wizard
l TEXAS
INSTRUMENTS
Found New Hardware Wizard
Thls Wizaid helps you mtall sullwale la.
was [NIVVISA]
V) II your hardware came wilh an installation to
v or llwpy disk, insert it now,
What do you want |he Wizard to do?
6) Imlall the suflware au|orllallcally [Recommended]
0 Install ham 3 Ilsl or specllll: Incallnn [Advanced]
Cick Nex| |u contnue
Found New Hardware Wizard
Completing 1he Found New
Hardware Wizard
The wlzald has llnished Installing the sollwale lol
e MMEU [NM/ISA]
Ellck FlnlSh tn Elma the wlzald
www.ti.com
Software Installation
11
SLAU443B–May 2012–Revised January 2016
Submit Documentation Feedback Copyright © 2012–2016, Texas Instruments Incorporated
EEG Front-End Performance Demonstration Kit
Figure 9. New Hardware Wizard Screen 3
Click Next and allow the wizard to find and install the driver.
Figure 10. Completion of the Initial USB Drive
TEXAS
INSTRUMENTS
Found New Hill dware Wizard
Welcome to the Found New
Hardware Wizard
thduws wm seen». ya. current and updated suflwale by
looking on your computer, on the havdwave insnauauen CD, or on
the Winduws u pdate Web site [with yum pelmlmun]
F " "JUL 1:: Edi}
Ean \Mndows canned |u Wmduws Upda|e |o seamh In!
softwave7
0 Yes, this time nnly
0 Yes, new and every tune I cunnect a dewee
G) No, not lhls lime
Elvck Next |o contlnue
F: m Canoe‘
Found New Hardware Wizard
m: wizavd helps you mta‘l soflwave lot.
usasm
(Q ll ynul havdwale came with an installation CD
\a a. Happy dixk. inee. now.
What do yDu want the wixavd to do?
® Install the soltwave automatically [Recommended]
0 Ins|all 7mm 3 let u. :pecllll: lucahun [Advanced]
Clck Next to cantnue
Software Installation
www.ti.com
12 SLAU443B–May 2012–Revised January 2016
Submit Documentation Feedback
Copyright © 2012–2016, Texas Instruments Incorporated
EEG Front-End Performance Demonstration Kit
3.3.1 Initial Launch of the ADS1299EEG FE Software
Launch ADS1299EEG FE software from the program menu. The software will load and begin downloading
firmware to the processor on data capture card (MMB0). Once the firmware is loaded and running, it will
cause the USB to re-enumerate.
Figure 11. Second 'New Hardware" Wizard
Click Next.
Figure 12. Install the USBStyx Driver
l TEXAS
INSTRUMENTS
www.ti.com
ADS1299EEG-FE Daughter Card Hardware Introduction
13
SLAU443B–May 2012–Revised January 2016
Submit Documentation Feedback Copyright © 2012–2016, Texas Instruments Incorporated
EEG Front-End Performance Demonstration Kit
By this time the ADS1299EEG FE software will have prompted the user an with error message. Click ‘OK’.
It may be necessary to close the program, power cycle the ADS1299EEG FE and restart the program.
This process may need to be done again should you plug the ADS1299ECG FE into a different USB port
on your computer.
4 ADS1299EEG-FE Daughter Card Hardware Introduction
CAUTION
Many of the components on the ADS1299EEG-FE are susceptible to damage
by electrostatic discharge (ESD). Customers are advised to observe proper
ESD handling procedures when unpacking and handling the EVM, including the
use of a grounded wrist strap, bootstraps, or mats at an approved ESD
workstation. An electrostatic smock and safety glasses should also be worn.
The ADS1299 ECG front-end evaluation board is configured to be used with the TI MMB0 data converter
evaluation platform. The key features of the ADS1299 system on a chip (SOC) are:
• Eight integrated INAs and eight 24-bit high-resolution ADCs
• Low channel noise of 1 µVpp for 65-Hz bandwidth
• Low power consumption (5mW/channel)
• Data rates of 250SPS to 16kSPS
• 5V unipolar or bipolar analog supply, 1.8V to 3.6V digital supply.
• DC /AC Lead off detection
• On-chip oscillator
• On-chip bias amplifier
• Versatile MUX to enable programmable reference and bias electrode
• SPI data interface
The ADS1299EEG-FE can be used to evaluate the performance of ADS1299 chip. Users can provide any
type of signal directly to the ADS1299 through a variety of hardware jumper settings (J6, JP25). External
support circuits are provided for testing purposes such as external references, clocks, lead-off resistors,
and shield drive amplifiers.
Figure 13 shows the functional block diagram with important jumper names for the EVM.
‘5‘ TEXAS
INSTRUMENTS
4— < *="" ¢="" +=""> %’
<—r— h="">—r—>ADS1299
EEG SOC
Power Connector
JP4
ADS1299 signals
Connectors
MMB0/C5505 Interface
Connectors
J6
Shield
Drive
Electrode
Inputs
BIAS
Driver
Ref
Electrode
Bias
Electrode
JP6
JP8
JP7
JP25
JP3 JP18
Shield Drive
Low Pass filter IN1-IN8
BIAS_OUT
BIAS_IN
SRB1
SRB2
Power
Management
External
Reference
(optional)
External Clock
(optional)
AVDD
AVSS
buffer
buffer
Fixed
Voltage
Programmable Ref electrode path
Programmable Bias
electrode path
Fixed Ref
electrode path
Fixed Bias
electrode path
ADS1299EEG-FE Daughter Card Hardware Introduction
www.ti.com
14 SLAU443B–May 2012–Revised January 2016
Submit Documentation Feedback
Copyright © 2012–2016, Texas Instruments Incorporated
EEG Front-End Performance Demonstration Kit
Figure 13. ADS1299 EEG-FE Front End Block Diagram
The ADS1299EEG-FE board is a four-layer circuit board. The board layout is provided in Section 9; the
schematics are appended to this document. The following sections explain some of the hardware settings
possible with the EVM for evaluating the ADS1299 under various test conditions.
4.1 Power Supply
The EEG front-end EVM mounts on the MMB0 EVM with connectors J2, J3 and J4. The main power
supplies (+5V, +3V and +1.8V) for the front-end board are supplied by the host board (MMB0) through
connector J4. All other power supplies needed for the front-end board are generated on board by power
management devices. The EVM is shipped in +5V unipolar supply configuration.
The ADS1299 can operate from +5.0V analog supply (AVDD/AVSS) and +1.8V to +3.0V digital supply
(DVDD). A bipolar analog supply (±2.5V) can be used as well. The analog power consumption of the front-
end board can be measured by the current flowing through the JP2 jumper and JP20 jumper. The
ADS1299 can be powered down by shorting jumper JP5.
Test points TP5, TP6, TP7, TP8, TP9, TP10, and TP14 are provided to verify that the host power supplies
are correct. The corresponding voltages are shown in Table 2.
l TEXAS
INSTRUMENTS
www.ti.com
ADS1299EEG-FE Daughter Card Hardware Introduction
15
SLAU443B–May 2012–Revised January 2016
Submit Documentation Feedback Copyright © 2012–2016, Texas Instruments Incorporated
EEG Front-End Performance Demonstration Kit
Table 2. Power Supply Test Points
Test Point Voltage
TP7 +5.0V
TP9 +1.8V
TP10 +3.3V
TP5 +5.0V
TP13 +2.5V
TP6 –2.5V
TP8 GND
The front-end board must be properly configured in order to achieve the various power-supply schemes.
The default power-supply setting for the ADS1299EEG-FE is a unipolar analog supply of 5V and DVDD of
either +3V or +1.8V. Table 3 shows the board and component configurations for each analog power-
supply scheme; Table 4 shows the board configurations for the digital supply.
Table 3. Analog Supply Configurations
Power Supplies Unipolar Analog Supply Bipolar Analog Supply
5V ±2.5V
JP2 (AVDD) 2-3 (default) 1-2
JP20 (AVSS) 1-2 (default) 2-3
U8 Don’t Care TPS72325
U9 Don’t Care TPS73225
Table 4. Digital Supply Configurations
DVDD +3.0V +1.8V
JP24 2-3 (default) 1-2
4.2 Clock
The ADS1299 has an on-chip oscillator circuit that generates a 2.048-MHz clock (nominal). This clock can
vary by ±5% over temperature. For applications that require higher accuracy, the ADS1299 can also
accept an external clock signal. The ADS1299EEG-FE provides an option to test both internal and
external clock configurations. It also provides an option to generate the external clock from either the
onboard oscillator or from an external clock source.
The onboard oscillator is powered by the DVDD supply of the ADS1299. Care must be taken to ensure
that the external oscillator can operate either with +1.8V or +3.0V, depending on the DVDD supply
configuration. Table 5 shows the jumper settings for the three options for the ADS1299 clocks.
Table 5. Clock Jumper Options
ADS1299 Clock Internal Clock from the ADS1299 Clock from Oscillator on the EVM External Clock Source
JP18 Not Installed 2-3 (default) 1-2
JP19 Don’t Care 1-2 Don’t Care
J3– pin 17 Don’t Care Don’t Care External Clock Source
A 2.048-MHz oscillator available for +3V and +1.8V DVDD is the FXO-HC735-2.048 MHz and SiT8002AC-
34-18E-2.048, respectively. The EVM is shipped with the external oscillator enabled.
l TEXAS
INSTRUMENTS
ADS1299EEG-FE Daughter Card Hardware Introduction
www.ti.com
16 SLAU443B–May 2012–Revised January 2016
Submit Documentation Feedback
Copyright © 2012–2016, Texas Instruments Incorporated
EEG Front-End Performance Demonstration Kit
4.3 Reference
The ADS1299 has an on-chip internal reference circuit that provides reference voltages to the device.
Alternatively, the internal reference can be powered down and VREFP can be applied externally. This
configuration is achieved with the external reference generator (U3) and driver buffer. The EVM has the
footprints for the necessary circuitry, but the components are not installed at the factory.
The external reference voltage can be set to 4.096V. Measure TP3 to make sure the external reference is
correct. The setting for the external reference is described in Table 6.
Table 6. External Reference Jumper Options
ADS1299 Reference Internal Reference External Reference
VREF = 4.5V VREFP = 4.096V
JP3 Not Installed Installed
The software uses the VREF value entered in the Global Registers control tab (refer to Section 5.2) to
calculate the input-referred voltage value for all the tests. The default value is 4.5V. If any other value is
used, the user must update this field in the Global Registers control tab.
4.4 Accessing ADS1299 Analog Signals
Some ADS1299 output signals are provided as test points for probing purposes through J5. Table 7 lists
the various test signals with the corresponding test points.
Table 7. Test Signals
Signal J5 Pin Number Signal
RESERVE 1 2 RESERVE
RESERVE 3 4 RESERVE
PWDN 5 6 GPIO4
DAISY_IN 7 8 GPIO3
AGND 9 10 RESERVE
4.5 Accessing ADS1299 Digital Signals
The ADS1299 digital signals (including SPI interface signals, some GPIO signals, and some of the control
signals) are available at connector J3. These signals are used to interface to the MMB0 board DSP. The
pin out for this connector is given in Table 8.
Table 8. Serial Interface Pin Out
Signal J3 Pin Number Signal
START/CS 1 2 CLKSEL
CLK 3 4 GND
NC 5 6 GPIO1
CS 7 8 RESETB
NC 9 10 GND
DIN 11 12 GPIO2
DOUT 13 14 NC/START
DRDYB 15 16 SCL
EXT_CLK 17 18 GND
NC 19 20 SDA
l TEXAS
INSTRUMENTS
\l‘
\l‘
INP ADC
INN PGA
SRB1
±
+
VINDE
ADS1299
INP ADC
INN PGA
SRB1
VINSE ADS1299
(a)
(b)
www.ti.com
ADS1299EEG-FE Daughter Card Hardware Introduction
17
SLAU443B–May 2012–Revised January 2016
Submit Documentation Feedback Copyright © 2012–2016, Texas Instruments Incorporated
EEG Front-End Performance Demonstration Kit
4.6 Analog Inputs
The ADS1299EEG-FE is designed so that it can be used as a eight channel data acquisition board.
Arbitrary input signals can be fed to the ADS1299 by feeding the signal directly at connector J6. Figure 14
shows the input configurations that are available in the EVM.
A single channel without mux is shown for simplicity.
Figure 14. Input Configurations Supported by the EEG-FE a) Differential Inputs b) Single-Ended Inputs
4.6.1 Differential Inputs
To digitize eight differential inputs,
1. Set all jumpers to factory defaults as described in Section 2.5.
2. Remove jumpers from pin 5-36 of J6.
3. Provide the differential inputs on the even pins 6-36 of J6.
While used with differential inputs, care needs to be taken to ensure that the analog inputs are within the
input common mode range of the PGA. If the input differential signal is centered around 0V, the ADS1299
needs to be operated with a bipolar supply. Refer to Section 4.1 for details on setting the EVM to operate
with a bipolar supply.
4.6.2 Single-Ended Inputs
For single-ended inputs, the measurement can be done with respect to the voltage applied to the SRB1
pin of the ADS1299. To digitize eight single-ended inputs,
1. Set all jumpers to factory defaults as described in
2. Remove jumpers from pin 5-36 of J6.
3. Short pin 5 and 6 of JP25. Set the SRB1 bit in the MISC1 register to route the SRB1 pin to the
negative input of the channels (refer to Section 8.3 for details). This will route BIAS_ELEC (mid supply)
to the negative inputs of the channels through the SRB1 pin.
4. Provide the single-ended inputs to pins 36, 32, 28, 24, 20, 16, 12, 8 of J6 for channels 1-8 respectively.
Apart from providing the option to feed inputs directly at the jumper (for general purpose data acquisition),
the ADS1299 EVM provides multiple configurations specific to the EEG application. These configurations
are explained in detail in Section 7.
INSTRUMENTS
: Mm pwmmanmu
Using the Software: ADS1299 Control Registers and GUI
www.ti.com
18 SLAU443B–May 2012–Revised January 2016
Submit Documentation Feedback
Copyright © 2012–2016, Texas Instruments Incorporated
EEG Front-End Performance Demonstration Kit
5 Using the Software: ADS1299 Control Registers and GUI
Before starting to use the EVM software, there is one important feature that users should be aware of. The
software GUI contains a Save tab that allows all data from any combination of channels to be saved in a
given directory location with notes to describe the saved data. Figure 15 shows the Save tab options.
Figure 15. File Save Option Under 'Save' Tab
5.1 Overview and Features
This section provides a quick overview of the various features and functions of the ADS1299EEG-FE
software package.
There are four primary tabs across the left side of the GUI:
• About tab: Provides information about the EVM and software version revisions.
• ADC Register tab: Includes all of the control registers for the ADS1299, in a series of related sub-tabs:
– Channel Registers tab
– LOFF and BIAS tab
– GPIO and Other Registers tab
– Register Map tab
• Analysis tab: Provides different ways to analyze captured data in the time or frequency domain, with a
series of related sub-tabs:
INSTRUMENTS
«cm/2m
——El_—
_ DCIeaMde-flm
www.ti.com
Using the Software: ADS1299 Control Registers and GUI
19
SLAU443B–May 2012–Revised January 2016
Submit Documentation Feedback Copyright © 2012–2016, Texas Instruments Incorporated
EEG Front-End Performance Demonstration Kit
– Scope tab
– FFT tab
– Histogram tab
• Save tab: Provides options for saving data
5.2 Global Channel Registers
The first section under the Channel Registers→Global Channel Registers tab allows the user to
manipulate the entire ADS1299 configuration and lead-off registers. The Global Channel Registers box
includes Configuration Register 1 (controls daisy-chain/MRB mode, clock connection, and data rate);
Configuration Register 2 (controls internal test source amplitude and frequency); Configuration Register 3
(controls the reference buffer power-up/-down processes, the reference voltage, the bias drive
enable/disable, and the bias reference); and the Lead-Off Control Register (controls the comparator
threshold and the magnitude and frequency of the lead-off signal). shows the GUI panel to manipulate
these registers and the respective settings for each.
Figure 16. Channel Registers GUI for Global Registers
5.3 Channel Control Registers
The second section under the Channel Registers tab is the Channel Control Registers box. This panel
allows the user to uniquely configure the front-end MUX for each channel. Additionally, at the top of the
Channel Control Registers box is the option to globally set all channels to the same setting. The channel-
specific MUX is illustrated in Figure 17. The panel snapshot for the channel control registers is shown in
Figure 18.Figure 19 shows the register bit to control the switches which connect all channels negative
input to SRB1 pin. This bit is located in “GPIO and other registers” tab.
INSTRUMENTS
o
>—o\o—«»—o\o-«
o
snsz BIAS_IN SRBI
—__—
mm mm
ms Whasuvauut
woo
Yunnan": Sum
Yea-m —z-——
ems mm Mada Dm-
ams Manama Shanda Ma
—_w-\(om —___
—z-0nen(orr) —__—
——_m
MUX[2:0] = 101
TEMPP MUX[2:0] = 100
0.75 × VDD MUX[2:0] = 011
From LOFFP
MAIN
MUX[2:0] = 110
MUX[2:0] = 001
To PGAP
To PGAN
MUX[2:0] = 001
MUX[2:0] = 111
VINP
VINN MAIN AND SRB1
From LoffN
BIAS_REF
0.25 × VDD
TempN
Device
MUX
INT_TEST
(VREFP + VREFN)
2
TESTP
INT_TEST TESTM
SRB2 BIAS_IN
To Next Channels
CHxSET[3] = 1
SRB1
To Next Channels
MAIN AND
SRB1
MUX[2:0] = 010 AND
BIAS_MEAS
MUX[2:0] = 010 AND
BIAS_MEAS
MUX[2:0] = 100
MUX[2:0] = 011
MUX[2:0] = 101
Using the Software: ADS1299 Control Registers and GUI
www.ti.com
20 SLAU443B–May 2012–Revised January 2016
Submit Documentation Feedback
Copyright © 2012–2016, Texas Instruments Incorporated
EEG Front-End Performance Demonstration Kit
Figure 17. Input Multiplexer for a Single Channel (MAIN = [000 or 110 or 111])
Figure 18. Channel Control Registers GUI Panel
Figure 19. Register Bit for SRB1 Routing
l TEXAS
INSTRUMENTS
my
nmr
mmr
‘ m ‘ mama“ ‘ Smu-
nmr
nmw
nmr
mm?
mar
in
“may
rum?
nmw
rnmr
rum?
mm
mm,
7mm?
mm
ma
:s‘n
x‘u
zs‘n :n‘u zs‘n ofin Mm sfin ss‘n sfin
swam.)
ss‘n 76m vs‘n an‘n as‘n an‘n a: mm
349%
an mm:
slap. finaNSE ”M
$33882
:mpcx
Tc—mpermme Rr—amng ( 1Vx
490 AV‘ C
14!
RUBIN _
' I 23 C
www.ti.com
Using the Software: ADS1299 Control Registers and GUI
21
SLAU443B–May 2012–Revised January 2016
Submit Documentation Feedback Copyright © 2012–2016, Texas Instruments Incorporated
EEG Front-End Performance Demonstration Kit
5.3.1 Internal Test Signals Input
Configuration Register 2 controls the signal amplitude and frequency of an internally-generated square
wave test signals. The primary purpose of this test signal is to verify the functionality of the front-end MUX,
the PGA, and the ADC. The test signals may be viewed on the Analysis→Scope tab, as Figure 20 shows.
Detailed instructions for using the Analysis→Scope tab is provided in Section 6.1.1.
Figure 20. Internal Test Signals
5.3.2 Temperature Sensor and the Scope Tab
The internal temperature sensor on the ADS1299 is shown in . When the internal MUX is routed to the
temperature sensor input, the output voltage of the ADC may be converted to a temperature value, using
Equation 1.
(1)
2x
1x
1x
8x
AVDD
AVSS
Using the Software: ADS1299 Control Registers and GUI
www.ti.com
22 SLAU443B–May 2012–Revised January 2016
Submit Documentation Feedback
Copyright © 2012–2016, Texas Instruments Incorporated
EEG Front-End Performance Demonstration Kit
Figure 21. Simplified Diode Arrangement
The output voltage corresponding to a given temperature can be read selecting the Temperature Sensor
option on the Channel Control Registers GUI (see Figure 17) and verified using the Analysis→Scope tab
as shown in Figure 22. The number 0.146V (on the y-axis) can be calculated as a temperature using
Equation 1:
Temperature = (0.146 – 0.145300) / 0.00049 + 25 = 26.4°C
It should be noted that the temperature sensor input cannot be used with a gain setting of 24 as it will
saturate the PGA output.
Figure 22. Eight Channel Read of Internal Temperature Data
www.ti.com
Using the Software: ADS1299 Control Registers and GUI
23
SLAU443B–May 2012–Revised January 2016
Submit Documentation Feedback Copyright © 2012–2016, Texas Instruments Incorporated
EEG Front-End Performance Demonstration Kit
5.3.3 Normal Electrode Input
The Normal electrode input on the MUX routes the inputs (VINP and VINN) differentially to the internal
PGA, as Figure 17 illustrates. An exception is if the SRB1 bit is set high. If channel is in Normal electrode
mode and SRB1 bit is set high the signal on SRB1 pin is routed to negative inputs of all channels instead
of VINN inputs.
5.3.4 MVDD Input and the Scope Tab
The MVDD input option allows the measurement of the supply voltage VS= (AVDD + AVSS)/2 for channels 1,
2, 5, 6, 7, and 8; however, the supply voltage for channel 3 and 4 will be DVDD/4. As an example, in
bipolar supply mode, AVDD = 3.0V and AVSS = –2.5V. Therefore, with the PGA gain = 1, the output voltage
measured by the ADC will be approximately 0.25V.
5.3.5 Bias Measurement
This measurement takes the voltage at the BIASIN pin and measures it on the PGA with respect to
(AVDD + AVSS)/2 or BIASREF. This option can be used to give a calibration/test signal to ADS1299
device without connecting the calibration/test signal to the electrodes. The positive signal can be applied
to BIASIN pin and the negative input can be applied to the BIASREF pin. More details on this can be
found in Section 7.3.
5.3.6 Bias Positive Electrode Drive and Bias Negative Electrode
This option can be used to have a selectable bias electrode. This option routes the signal on BIASIN pin
to any of positive or negative pins of the channel inputs.
5.4 GPIO and Other Registers
The GPIO and Other Registers tab, located under the Analysis tab, includes controls for GPIO1 through
GPIO4, SRB1 control, pulse mode control and lead off comparators power down. The GPIO registers
control four general-purpose I/O pins. Figure 23 illustrates the GPIO Control Register GUI panel.
Figure 23. GPIO Control Register GUI Panel
5.5 Lead-Off and BIAS Registers
The Lead-Off Detection and Current Control Registers and the Bias Derivation Control Registers are
located under the ADC Register→LOFF and BIAS tab.
INSTRUMENTS
T
3 A“ mm
A“ w; mp a
MD
4-Bit
DAC
To ADC
LOFF_STATP
LOFF_STATN
COMP_TH[2:0]
VINP
VINN
PGA
Using the Software: ADS1299 Control Registers and GUI
www.ti.com
24 SLAU443B–May 2012–Revised January 2016
Submit Documentation Feedback
Copyright © 2012–2016, Texas Instruments Incorporated
EEG Front-End Performance Demonstration Kit
5.5.1 Lead-Off Sense (LOFF_SENSP and LOFF_SENSN) Registers
These registers enable lead-off detection for both the positive and negative channels. Figure 24 describes
the 4-bit DAC settings to configure the lead-off threshold. Note that the LOFF_FLIPx bits change the
direction of the lead-off current if this option is selected. Figure 24 illustrates the connections from the
positive and negative inputs to the lead-off comparators. Figure 25 shows the respective GUI panel on the
EVM software.
Figure 24. LOFF_STATP and LOFF_STATN Comparators
Figure 25. LOFF_SENSP and LOFF_SENSN Registers GUI Panel
5.5.2 Lead-Off Status Registers (LOFF_STATP and LOFF STATN)
These registers store the output of the lead-off comparator that corresponds with each input. When a lead
is disconnected, the corresponding register bit activates low. The GUI for this feature is enabled by
clicking in the upper right-hand corner of the EVM software on the Show/Poll Lead-Off Status button.
Pressing this button causes a pop-up box that shows the status of the lead-off registers. The GUI shows
when a lead is disconnected by turning its bit from green to red. Figure 26 illustrates the Lead-Off Status
Registers GUI controls.
[magnum n lwllmmv Saflwmn
a: m
H E 31;“ EEC‘a-FE
:5an
5» m mm a »
'7
'7
b
lEU
ma
mmm mmmrmu‘ mnmnmz
« x
www.ti.com
Using the Software: ADS1299 Control Registers and GUI
25
SLAU443B–May 2012–Revised January 2016
Submit Documentation Feedback Copyright © 2012–2016, Texas Instruments Incorporated
EEG Front-End Performance Demonstration Kit
Figure 26. Lead-Off Status Indicator
5.5.3 Bias Drive Derivation Control Registers
The Bias Drive Derivation Control Registers enable the user to set any combination of positive and/or
negative electrodes to derive the BIAS voltage that is fed to the internal bias drive amplifier. Figure 27
shows the corresponding GUI controls. The details about bias drive can be found in Section 5.5.
INSTRUMENTS
a
u
a
m
a
a
u)
come:
comma
courts:
LNF
011551
04st
CHISET
044551
cnsser
045551
01755
CHESET
amssavsp
aussausm
LOFF_5ENSP
LOFFjENSN
LOFFfLIP
LWF_5TATP
LOFFJYATN
GIG
MISC!
mscz
CONFIGQ
ma==a=a==a=________=__a=g
noononoonoonoaoonoon—Do—
aooaoaaoaooaooaoaaoaooaug
Using the Software: ADS1299 Control Registers and GUI
www.ti.com
26 SLAU443B–May 2012–Revised January 2016
Submit Documentation Feedback
Copyright © 2012–2016, Texas Instruments Incorporated
EEG Front-End Performance Demonstration Kit
Figure 27. BIAS_SENSP and BIAS_SENSN GUI Panel
5.6 Register Map
The Register Map→Device Registers tab is a helpful debug feature that allows the user to view the state
of all the internal registers. This tab is illustrated in Figure 28.
Figure 28. Device Register Settings
www.ti.com
ADS1299EEG-FE Analysis Tools
27
SLAU443B–May 2012–Revised January 2016
Submit Documentation Feedback Copyright © 2012–2016, Texas Instruments Incorporated
EEG Front-End Performance Demonstration Kit
6 ADS1299EEG-FE Analysis Tools
Under the Analysis tab in the ADS1299EEG-FE GUI software, there are four different analysis tools
shown that enable a detailed examination of the signals selected by the front-end MUX:
• Scope
• Analysis
• Histogram
• FFT
These tools are detailed in the following subsections.
6.1 Scope Tab
6.1.1 Using the Analysis→Scope Tool
The Scope tool (available under the Analysis tab) is a very useful means of examining the exact amplitude
of the measured input signals from each channel. Additionally, users can determine the noise contribution
from each channel at a given resolution, and review the sampling rate, the PGA gain, and the input signal
amplitude. Figure 29 illustrates the Scope tool features.
Figure 29. Scope Tool Features
6.1.2 Waveform Examination Tool
The waveform examination tool allows the user to zoom in either on all channels simultaneously or on a
single channel. Figure 30 shows an example of the waveform examination tool with the magnifying glass
zoomed in on 90 samples.
l TEXAS
INSTRUMENTS
‘ m ‘ Hstnwam ‘ SW
D D775: ,
«a 15m .55 m «s on us m «55 «u .95 sun is 51:: 515 szn am a. 5:6
swam")
1
sme m mmm a
on
De
cm
06
ms
Egg
ADS1299EEG-FE Analysis Tools
www.ti.com
28 SLAU443B–May 2012–Revised January 2016
Submit Documentation Feedback
Copyright © 2012–2016, Texas Instruments Incorporated
EEG Front-End Performance Demonstration Kit
Figure 30. Zoom Option on the Waveform Examination Tool
6.2 Histogram Tool
The Histogram tool is located under the Analysis→Histogram tab.
6.2.1 Using the Analysis→Histogram Tool
The Analysis→Histogram tool is used primarily to view the bin separation of the different amplitudes of the
EEG waveform harmonics. Figure 31 illustrates the histogram output for input short on all channels. The
same Signal Zoom analysis may be used on the histogram plots for a more detailed examination of the
amplitude bins. The Analysis table gives the mean of the input signal and also the rms and peak-to-peak
value of the signal on each channel.
{9 TEXAS
INSTRUMENTS
gym
six 7 E ,
mg (and
mm
M mum
mm
“mm Wm
1—1:. mm BM
9
www.ti.com
ADS1299EEG-FE Analysis Tools
29
SLAU443B–May 2012–Revised January 2016
Submit Documentation Feedback Copyright © 2012–2016, Texas Instruments Incorporated
EEG Front-End Performance Demonstration Kit
Figure 31. Histogram Bins for Input Short Noise
6.3 FFT Tool
The FFT tool is located under the Analysis→FFT tab.
6.3.1 Using the Analysis→FFT Tool
The Analysis→FFT tool allows the user to examine the channel-specific spectrum as well as typical
figures of merit such as SNR, THD, ENOB, and CMRR. Each feature is numbered below and described in
detail in the following subsections. Figure 32 illustrates an Analysis→FFT plot for input short configuration.
The explanation of different tabs is explained below.
l TEXAS
INSTRUMENTS
‘m mm.“ 5w:
m warm: mt ma)
,5n n
E
n: mm vavamele:
mm a) Hamwmu
1 mm m
mam mam m
Fudmwu‘ may: BM
Lu»
:Jyf
aF’
aF’
Fv-numzv w
mu
m ways;
1E5
(mm Heuuenzv (swarm
mmnrmwm (17w m,
has AnFrsw-nzy 17m mm
m mummy)
\ ‘ H ‘
um mm Dvnamr Rang:
W HWY
mm mm
17mm;
9
IIIIIIII
m7
any
m NKMrrds
Hensw mm; :«mm
ADS1299EEG-FE Analysis Tools
www.ti.com
30 SLAU443B–May 2012–Revised January 2016
Submit Documentation Feedback
Copyright © 2012–2016, Texas Instruments Incorporated
EEG Front-End Performance Demonstration Kit
Figure 32. Analysis : FFT Graph of Input Short Test
Coherent Frequency Calculator: 1
Coherent sampling in an FFT is defined as FAIN/FSAMPLE = NWINDOW/NTOTAL, where:
• FAIN is the input frequency
•FSAMPLE is the sampling frequency of the ADS1299
• NWINDOW is the number of odd integer cycles during a given sampling period
• NTOTAL is the number of data points (in powers of 2) that is used to create the FFT If the conditions for
coherent sampling can be met, the FFT results for a periodic signal will be optimized. The Ideal AIN
Frequency is a value that is calculated based on the sampling rate, such that the coherent sampling
criteria can be met.
AC Analysis Parameters: 2
This section of the tool allows the user to dictate the number of harmonics, dc leakage bins, harmonic
leakage bins, and fundamental leakage bins that are used in the creation of various histograms. Pressing
the Windowing button, illustrated in Figure 33, allows the user to evaluate the FFT graph under a variety
of different windows. Note that pressing the Reference button toggles between dBFS (decibels, full-scale)
and dBc (decibels to carrier).
INSTRUMENTS
sun (r55)
5NRD(dB)
THD (mac)
SFDR (6:)
ENOB
ennh
x of Harman's (5M1)
Wurst Spu' (as)
2nd ro (dBc)
37d HD (in)
4th HD (at)
5th HD (an)
Fundamevtal (d3)
PGA sewn:
CNRR
J Mme
Han-rung
Hammlng
Bladunan-Hmls
Exact fikaan
—
FL! Top
4 mm B—Harls
7 mm B—Harls
Law Sdebbe
www.ti.com
ADS1299EEG-FE Analysis Tools
31
SLAU443B–May 2012–Revised January 2016
Submit Documentation Feedback Copyright © 2012–2016, Texas Instruments Incorporated
EEG Front-End Performance Demonstration Kit
Figure 33. Analysis : FFT : AC Analysis Parameters : Windowing Options
FFT Analysis: 3
Pressing the FFT Analysis button pulls up the window shown in Figure 34. This window can be useful
because the different tabulated figures of merit can show more detailed information about the channel-to-
channel noise.
Figure 34. Analysis : FFT : FFT Analysis : Input Short Condition
User-Defined Dynamic Range: 4
This section enables the user to examine the SNR of a specific channel within a given frequency band
defined by Low Frequency and High Frequency. The SNR displayed in this window will also show under
the Dynamic Range heading as Figure 35 illustrates.
INSTRUMENTS
EEG Specific Features
www.ti.com
32 SLAU443B–May 2012–Revised January 2016
Submit Documentation Feedback
Copyright © 2012–2016, Texas Instruments Incorporated
EEG Front-End Performance Demonstration Kit
Figure 35. Changing the User-Defined Dynamic Range for Channel 1
Input Amplitude: 5
This field is a user input that is important for accurately calculating the CMRR of each channel.
7 EEG Specific Features
This section describes some of the EEG specific features supported by the EVM, including the
reference/patient bias signals, lead off detection and calibration.
7.1 Reference Signal and Patient Bias Signal
A typical EEG system has multiple electrodes (32 up to 256, hereby called as the “normal electrodes”)
connected to the scalp that are used to acquire EEG signals. In addition to these electrode signals, an
EEG system also uses two additional signals, a reference signal and a patient bias signal. The reference
signal is used as the reference for the single-ended EEG measurements. The patient bias signal is used
for biasing the patient to set the common mode of the EEG signals (typically mid supply).
Dedicated reference and patient bias electrodes
Many EEG systems have two dedicated electrodes, one used as the reference signal for the EEG
measurement (hereby called as the “reference electrode”) and the other used for the patient bias signal
(hereby called as the “bias electrode”). The EVM has two signals (BIAS_ELEC, REF_ELEC) available at
the connector JP25 that correspond to these two electrodes. The BIAS_DRV signal is similar to the
BIAS_ELEC, but appears as a separate signal. The BIAS_DRV can be used as the BIAS_ELEC signal by
installing JP1 (1-2). It can also be uased as the input to the BIAS_SHD buffer by installing JP17 and the
additional shield drive circuitry.
Programmable reference and patient bias electrodes
Certain EEG systems provide the flexibility to be able to route the reference and/or the patient bias signals
through any of the normal electrodes.
The internal multiplexer of the ADS1299 provides ample flexibility for
(a) Choosing the voltage applied to these electrodes (Fixed or closed loop),
(b) Being able to route the reference and patient bias signals to either the dedicated electrode or any other
normal electrode.
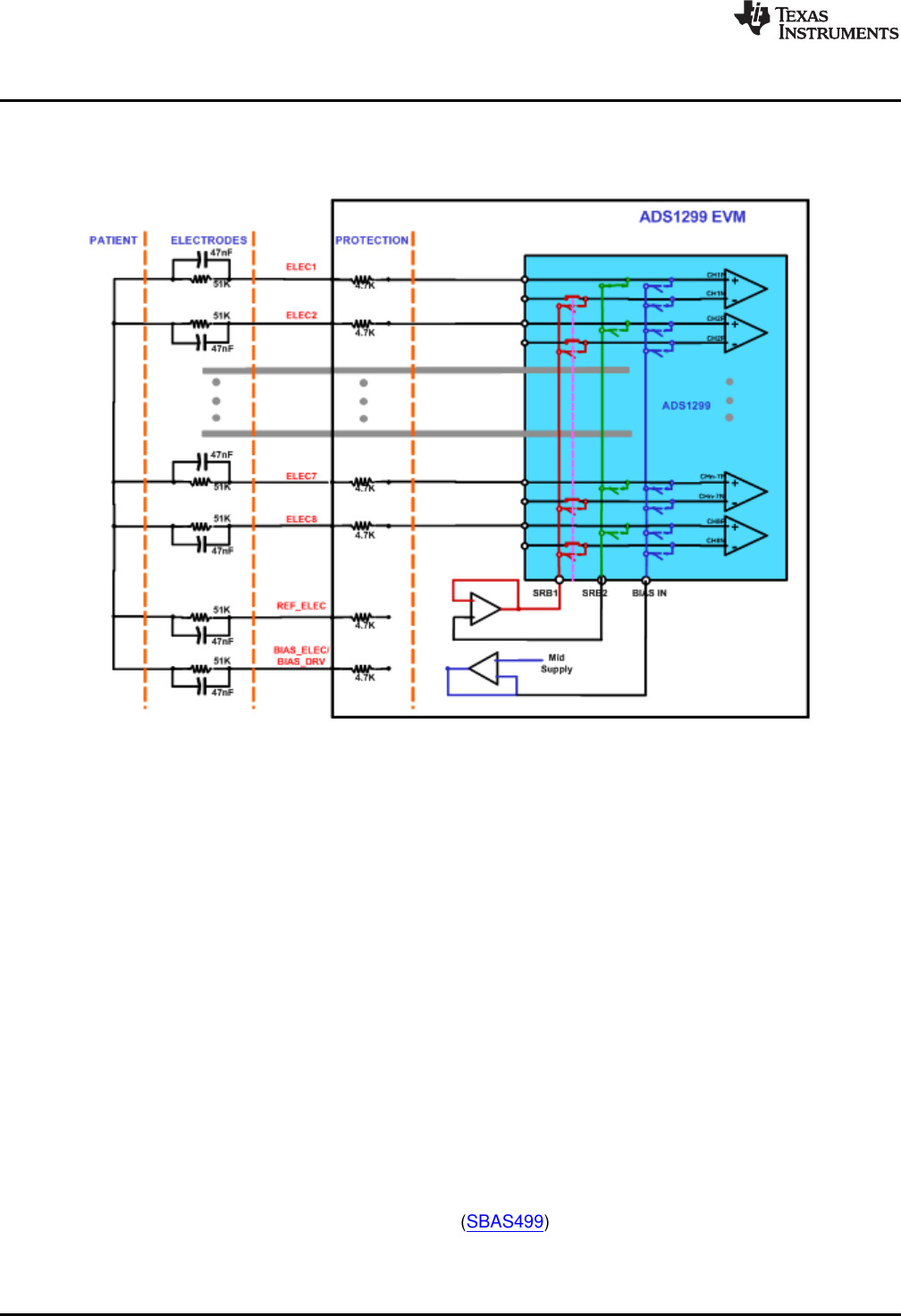
7.1.1 Using the Dedicated Reference and Patient Bias Electrodes
This is the simplest option for electrode connection and is illustrated in Figure 36. One dedicated electrode
is chosen as a bias electrode and a potential is applied to it to bias the patient at about mid-supply
voltage. Similarly a fixed electrode is chosen as the reference electrode and all the other electrodes are
measured with respect to this electrode. Below we discuss different options available on the EVM board to
connect the bias electrode BIAS_ELEC/BIAS_DRV and reference electrode REF_ELEC.
l TEXAS
INSTRUMENTS
PATENT I ELECYRODES I
PROTECHON'
ADS1299 EVM
www.ti.com
EEG Specific Features
33
SLAU443B–May 2012–Revised January 2016
Submit Documentation Feedback Copyright © 2012–2016, Texas Instruments Incorporated
EEG Front-End Performance Demonstration Kit
Figure 36. Dedicated Reference and Bias Electrode
Reference : The reference electrode (REF_ELEC) input is used to drive the negative inputs of the
channel through SRB1 pin on ADS1299 device. The reference electrode is connected to the negative
inputs of all the channels. This leads to increased leakage current on the reference electrode since current
of all the channels gets added. The EVM provides an option to buffer the reference electrode to reduce
the leakage. The disadvantage of the buffered approach is the additional noise of the buffer amplifier. The
table below shows the jumper settings for the two options.
Table 9. Dedicated Reference Drive Options through
REF_ELEC
JP7 JP8
Un Buffered Don’t care 1-2
Buffered 1-2 2-3
Bias : There is an option to provide the bias to a fixed electrode either through BIAS_ELEC or through
BIAS_DRV. BIAS_ELEC option needs an external amplifier U11 to buffer the mid supply. For the
BIAS_DRV option the buffer is built inside the ADS1299 chip. The BIAS_DRV option also helps in
improving common mode rejection by implementing a feedback loop. The details on selecting the inputs
for bias drive are discussed in Section 5.5.3 and Section 7.1.3.
l TEXAS
INSTRUMENTS
man I mcmoDEsI mmml
M
I m I m. I
I | |
m £15m
I
—.—
: .
.
: .
—I—
|
‘ I am I ,
I
I
I
I
I six
I 417: |
I l
I “I I
I "" |
ADS1299 EVM
(SBAS499)
EEG Specific Features
www.ti.com
34 SLAU443B–May 2012–Revised January 2016
Submit Documentation Feedback
Copyright © 2012–2016, Texas Instruments Incorporated
EEG Front-End Performance Demonstration Kit
7.1.2 Programmable Reference and Bias Electrodes
The multiplexer in ADS1299 allows any electrode to be chosen as the bias electrode or reference
electrode. This is illustrated in Figure 37.
Figure 37. Programmable Reference and Bias Electrode
The reference electrode selection is done using SRB2 pin. The SRB2 bit in CHxSET register is set high
for the electrode chosen as reference. This reference is routed out on SRB2 pin and can be routed to
SRB1 pin as a reference for all other channels. On the EVM, a jumper between pin 2 and pin 3 of JP7 and
JP8 is needed for this configuration. In Figure 37, the channel 1 electrode is selected as a reference
electrode and is routed out to SRB2 pin.
The bias selection is done using BIASIN pin. The voltage in this pin can be routed to positive input of any
channel by writing MUX = 110 on the CHxSET register. On the EVM a jumper between pin 2 and pin 3 of
JP6 is required, to route the mid supply to BIASIN. In the illustration in Figure 37 channel 7 is used as a
bias electrode.
7.1.3 Biasing the Patient with a Feedback Loop
There are two options on the EVM board to bias the patient. First option is to use onboard BIAS_ELEC
signal to drive the patient as explained in the earlier section. Second option, which is described below, is
to drive the body with BIAS_DRV signal generated by ADS1299 chip. The advantage of using BIAS_DRV
signal is that it takes advantage of feedback loop to get better common mode rejection. The bandwidth of
the BIAS loop is determined by R8 (390kΩ) and C20 (10nF). Users can change these values to set the
bandwidth based on the specific application. The stability of the loop is determined by the user’s specific
system. Therefore, optimization may be needed on the feedback component values to ensure stability if
additional filtering components and long cables are added before the ADS1299EEG-FE.
The ADS1299 offers full flexibility by letting the user select any combination of the electrodes to generate
the bias voltage. Refer to the ADS1299 data sheet (SBAS499) for more details.
To Next Chans
”X—o
m_ m- BMSREFfedexumalv Dm‘ed
BIASIN
To PGAP
VINN
VINP
From
LOFFP
TESTP
TEMPM
ADS1299 Mux
Mux[2:0] = 001
0.75 x VDD Mux[2:0] =011
Mux[2:0] =100
0.25 x VDD
Mux[2:0] =101
TESTM
Mux[2:0] =101
Mux[2:0] =110
Mux[2:0] =111
Mux[2:0] = 001
To PGAN
Mux[2:0] =010 AND
BIAS_MEAS
From
LOFFM
Mux[2:0] =011
Mux[2:0] =100
TEMPP
INT_TEST
(VREFP+VREFN)
2
Mux[2:0] = 010
AND BIAS_MEAS
SRB1
SRB2
To Next Chans
INT_TEST
CHxSET[3] =1
MAIN AND SRB1
To Next Chans
MAIN AND SRB1
MAIN
BIASREF_INT=0
BIASREF
(AVDD+AVSS)
2
BIASREF_INT=1
AC
TEST
NOTE:
MAIN = Mux[2:0] =000 OR Mux[2:0] = 111OR Mux[2:0] = 110
www.ti.com
EEG Specific Features
35
SLAU443B–May 2012–Revised January 2016
Submit Documentation Feedback Copyright © 2012–2016, Texas Instruments Incorporated
EEG Front-End Performance Demonstration Kit
The reference voltage for the on-chip right leg drive can be driven externally. The on-chip voltage is set to
mid-supply. If the application requires the common mode to be set to any other voltage, this configuration
can be accomplished by setting the appropriate bit in the Configuration 3 Register. The external BIASREF
voltage is set by resistor R1 and adjustable resistor R2.
The following procedure needs to be applied to activate the Bias drive circuitry:
Step 1. Set the inputs to Normal Electrode, refer Figure 38
Figure 38. Settings for Normal Electrode
Step 2. Turn on the bias drive buffer and set the internal bias drive reference; refer to Figure 39.
Figure 39. Configuring BIASREF and Bias Drive Buffer
Step 3. Select the electrodes to be chosen for the bias drive loop. In this case, the channel 1 and 2
input signals are used (as Figure 40 shows).
(SBAS499)
EEG Specific Features
www.ti.com
36 SLAU443B–May 2012–Revised January 2016
Submit Documentation Feedback
Copyright © 2012–2016, Texas Instruments Incorporated
EEG Front-End Performance Demonstration Kit
Figure 40. Setting up the Bias Drive Loop
Once these steps are completed, measure and verify that the voltage on either side of R8 is close to mid-
supply. This measurement confirms whether the Bias drive loop is functional. Apart from the BIAS_DRV
signal, the ADS1299EEG-FE also offers an option to drive the cable shield. The EEG cable shield signal
can be connected to BIAS_SHD. The jumper (1-2) on JP17 must be shorted to enable the shield drive.
The footprints for the components needed for the shield drive circuitry are available on the board. But the
components are not installed at the factory.
7.2 Lead-Off Detection
The ADS1299 provides multiple schemes to implement the lead-off detection function. These schemes
include current source at dc, at 7.8 Hz, 31.2 Hz or at fDR/4. There is also a wide range on the amplitude of
currents available. Refer to the ADS1299 product data sheet (SBAS499) for additional details.
While attempting to use the lead-off detection, care must be taken to analyze the input signal. If the input
signal is dc-coupled, the dc lead-off scheme can be used. If the input signal is ac-coupled, the ac lead-off
scheme must be used. When using the dc lead-off scheme, be sure to bias the patient to set the input
common-mode before activating lead-off detection.
7.2.1 DC Lead-Off
At board power-up, the firmware sets the appropriate registers so that dc lead-off is selected. In the event
of a reset signal, the register values default to the device default settings. In such a scenario, follow this
procedure to reactivate the lead-off circuitry.
Step 1. Make sure the input is dc-coupled and that the bias drive circuit is operational, as explained
in Section 7.1.3
Step 2. Choose the lead-off scheme by setting the respective bits in the LOFF register (in the LOFF
control tab). Select the DC Lead-Off Detect, 6.25 nA, Current Source scheme, and set the
comparator threshold to 95%. Select the appropriate inputs for lead-off detection by clicking
the bits of the LOFF_SENSP and LOFF_SENSN Registers. The LOFF tab should appear as
shown in Figure 41.
INSTRUMENTS
www.ti.com
EEG Specific Features
37
SLAU443B–May 2012–Revised January 2016
Submit Documentation Feedback Copyright © 2012–2016, Texas Instruments Incorporated
EEG Front-End Performance Demonstration Kit
Figure 41. Setting the LOFF Register Bits
Step 3. Turn on the lead-off comparator by setting the bit in the Configuration 4 Register in the Global
Registers control tab, as Figure 42 shows.
Figure 42. Configuring the Lead Off Comparator
Step 4. The software has an option where the LOFF_STATP and LOFF_STATM Registers are
continuously polled (set the Read Status Registers switch as shown in shown in Figure 43).
This option allows the user to see the lead-off detection scheme work in real time. Figure 44
shows a case for which only positive electrodes are connected.
Figure 43. Lead off Status Registers
TEXAS
INSTRUMENTS
iamn‘nme)
mm; (m: h (m: ~
mm w my WNW ”MM w M
m: 5mm \: ,m m: 1 w: n
m (harme‘l r
EEG Specific Features
www.ti.com
38 SLAU443B–May 2012–Revised January 2016
Submit Documentation Feedback
Copyright © 2012–2016, Texas Instruments Incorporated
EEG Front-End Performance Demonstration Kit
7.2.2 AC Lead-Off Detection
AC lead off detection can be used in three ways
1. To measure electrode impedance with inband excitation for one time use at electrode placement.
2. To simultaneously measure electrode impedance with EEG, by using out of band excitation.
3. To detect if a lead is off for an AC coupled input.
These options are explained below.
In band Electrode impedance measurement
ADS1299 provides two frequency options (7.8 Hz and 31.25 Hz) to measure the electrode impedance
within the bandwidth of interest for EEG. There are four amplitude of current source (ILeadoff) options
available 6 nA, 24 nA, 6 µA, and 24 µA. The electrode impedance measurement at these frequencies
cannot be done simultaneously with EEG measurements. The voltage developed at the -inputs depends
on the impedance on each electrode and the current used for lead-off detection. If we denote the source
impedance on INP pin as Zinp and the source impedance on INM pin as Zinm the peak to peak voltage
developed on channel input is 2 × (ILeadoff × Zinp + ILeadoff ×Zinm).
As an example Figure 44 shows the snapshot of the scope with 5K impedance on each source with 6 µA
of lead-off current at 31.25 Hz. We expect a theoretical peak to peak voltage of 120mV. The observed
peak-to-peak voltage is 128mV which is within the tolerance specification of current source. The results
can also be analyzed in frequency domain using the FFT analysis tab as shown in Figure 45. The
magnitude of the fundamental component will be directly proportional to the electrode impedance being
measured.
Figure 44. Scope tab for Impedance Measurement at 31.25 Hz
l TEXAS
INSTRUMENTS
m Maumme Mn: may
‘ m Wm ‘ W
K Wm mm“
um mu m xsu
Preamszfi
rm £1151
m
nu ma xsn znu
“mmmgf WWW yimgnmmm may mm
nmmeam 357
Hivmam‘mzhawkms Mai
mmmmmwm ”yr
(mm Frsnumzy mm
mm WWW grim mm
“as M mm" {ism mmwz
Riem:
mm mummy)
yin sun
U521 mm Dvnamr m:
w mum
17m mm
man mum
\mn numz
zm
WM
an 2m 2w
zsn
'+-%'7\
mm (mm
wnam: karma
nun zn nu
mm mm.
findamnla‘ (db)
112 3x
mu m
m an
www.ti.com
EEG Specific Features
39
SLAU443B–May 2012–Revised January 2016
Submit Documentation Feedback Copyright © 2012–2016, Texas Instruments Incorporated
EEG Front-End Performance Demonstration Kit
Figure 45. FFT Analysis for Impedance Measurement at 31.25 Hz
Out of band Lead off detection
ADS1299 also provides option to do electrode impedance measurement at frequencies outside the EEG
bandwidth of interest. The frequency for this AC current source is set at fDR/4. For example, to do an AC
lead-off detection at 1 kHz, the data rate for the device must be set at 4Ksps. These measurements can
be done concurrently with the EEG measurement. Figure 46 shows the fft result of AC lead off detection
at fDR/4 with data rate of 4Ksps. The impedance component is present at 1 KHz and must be bandpass
filtered. The EEG information is at low frequencies and the data must be low pass filtered to extract the
information. It is recommended to use only nA range current sources for concurrent measurement of EEG
and impedance. For µA range the noise from the current source will be too large and it may swamp the
EEG signal.
TEXAS
INSTRUMENTS
‘m H‘sbgvam ‘ smug
m mum at (an!
A( was Divan-km;
mm 0? MW;
x mm; ans
1%
’7
Ham“ mm"; ’73
”Hamming: m ,7
(mm mm (1mm:
uwmmw g, H mm
IduMmFrrquzmy an unnnnnm
Wmflnurg kw sum:
MW-
mwm mu
m 1w
\rm‘ ( ,
W £14 WW; I
Yrvul mam-(m!
: :nn
my mm mm Rana:
lnw mama
:[ )1an
mm mm”
M
Wat mm”
Dynammm
am am]: mu;
Fwdumua um us .
EEG Specific Features
www.ti.com
40 SLAU443B–May 2012–Revised January 2016
Submit Documentation Feedback
Copyright © 2012–2016, Texas Instruments Incorporated
EEG Front-End Performance Demonstration Kit
Figure 46. Scope Tab for Impedance Measurement at fDR/4 (DR = 4ksps)
7.3 External Calibration/Test Signals
ADS1299 generates a square wave test signal that can be used to check the functionality of the signal
chain (Refer to the datasheet for details). It also gives the user an option to provide external test signals
for calibration. For evaluation purposes with the EVM, the test signals can be provided directly to the
jumpers of the corresponding signals. SRB1 (pin2 of JP8), SRB2 (pin3 of JP7), BIASIN (Pin3 of JP6),
BIASREF (does not appear at a jumper, needs to be soldered to one side of R5).
7.3.1 Channel Inputs Disconnected
It may sometimes be required to provide a calibration or test signal to ADS1299 channel without the signal
being routed to the channel input pins (or electrodes). This can be accomplished by applying the positive
test signal to BIASIN pin and the negative test signal to BIASREF pin. The channel multiplexer must be
set as 010, BIASREF_INT bit in Config 3 register must be set to 0 to choose external BIASREF and
BIAS_MEAS bit in Config 3 must be set to 1. These multiplexer settings are illustrated in Figure 47.
l TEXAS
INSTRUMENTS
To Nex‘ Chans
AX—o
JV E% PP
nu
BIASIN
To PGAP
VINN
VINP
From
LOFFP
TESTP
TEMPM
ADS1299 Mux
Mux[2:0] = 001
0.75 x VDD Mux[2:0] =011
Mux[2:0] =100
0.25 x VDD
Mux[2:0] =101
TESTM
Mux[2:0] =101
Mux[2:0] =110
Mux[2:0] =111
Mux[2:0] = 001
To PGAN
Mux[2:0] =010 AND
BIAS_MEAS
From
LOFFM
Mux[2:0] =011
Mux[2:0] =100
TEMPP
INT_TEST
(VREFP+VREFN)
2
Mux[2:0] = 010
AND BIAS_MEAS
SRB1
SRB2
To Next Chans
INT_TEST
CHxSET[3] =1
MAIN AND SRB1
To Next Chans
MAIN AND SRB1
MAIN
BIASREF_INT=0
BIASREF
(AVDD+AVSS)
2
BIASREF_INT = 1
AC
TEST
NOTE:
MAIN = Mux[2:0] =000 OR Mux[2:0] = 111 Mux[2:0] = 110OR
www.ti.com
EEG Specific Features
41
SLAU443B–May 2012–Revised January 2016
Submit Documentation Feedback Copyright © 2012–2016, Texas Instruments Incorporated
EEG Front-End Performance Demonstration Kit
Figure 47. Multiplexer Setting for Calibration with Electrode Disconnected
7.3.2 Channel Inputs Connected
It may sometimes be required to provide a calibration or test signal to ADS1299 device with the positive
input connected to the pin or electrode. This can be accomplished by connecting the positive test signal to
SRB2 pin and the negative test signal to SRB1 pin. The channel input multiplexer must be set for Normal
Electrode (000), SRB2 switch must be closed and SRB1 switch must be closed. This multiplexer setting is
illustrated in Figure 48.
l TEXAS
INSTRUMENTS
To Nex‘ Chans
AL—o
WP%_
on
BIASIN
To PGAP
VINN
VINP
From
LOFFP
TESTP
TEMPM
ADS1299 Mux
Mux[2:0] = 001
0.75 x VDD Mux[2:0] =011
Mux[2:0] =100
0.25 x VDD
Mux[2:0] =101
TESTM
Mux[2:0] =101
Mux[2:0] =110
Mux[2:0] =111
Mux[2:0] = 001
To PGAN
Mux[2:0] =010 AND
BIAS_MEAS
From
LOFFM
Mux[2:0] =011
Mux[2:0] =100
TEMPP
INT_TEST
(VREFP+VREFN)
2
Mux[2:0] = 010
AND BIAS_MEAS
SRB1
SRB2
To Next Chans
INT_TEST
CHxSET[3] =1
MAIN AND SRB1
To Next Chans
MAIN AND SRB1
MAIN
BIASREF_INT=0
BIASREF
(AVDD+AVSS)
2
BIASREF_INT = 1
AC
TEST
EEG Specific Features
www.ti.com
42 SLAU443B–May 2012–Revised January 2016
Submit Documentation Feedback
Copyright © 2012–2016, Texas Instruments Incorporated
EEG Front-End Performance Demonstration Kit
Figure 48. Multiplexer Setting with Positive Electrode Connected to Test Signal
If it is desired to have both the input pins connected during calibration or test, the following connections
must be made. The positive test signal must be tied to SRB2 pin and the negative test signal must tie to
BIASIN pin. The channel multiplexer must be set for 111 and the SRB2 switch must be closed. This
multiplexer setting is illustrated in Figure 49.
l TEXAS
INSTRUMENTS
To Nex‘ Chans
AL—o
AC
BIASIN
To PGAP
VINN
VINP
From
LOFFP
TESTP
TEMPM
ADS1299 Mux
Mux[2:0] = 001
0.75 x VDD Mux[2:0] =011
Mux[2:0] =100
0.25 x VDD
Mux[2:0] =101
TESTM
Mux[2:0] =101
Mux[2:0] =110
Mux[2:0] =111
Mux[2:0] = 001
To PGAN
Mux[2:0] =010 AND
BIAS_MEAS
From
LOFFM
Mux[2:0] =011
Mux[2:0] =100
TEMPP
INT_TEST
(VREFP+VREFN)
2
Mux[2:0] = 010
AND BIAS_MEAS
SRB1
SRB2
To Next Chans
INT_TEST
CHxSET[3] =1
MAIN AND SRB1
To Next Chans
MAIN AND SRB1
MAIN
BIASREF_INT=0
BIASREF
(AVDD+AVSS)
2
BIASREF_INT=1
AC
TEST
NOTE:
MAIN = Mux[2:0] =000 OR Mux[2:0] = 111 Mux[2:0] = 110OR
www.ti.com
Test Options on the EVM
43
SLAU443B–May 2012–Revised January 2016
Submit Documentation Feedback Copyright © 2012–2016, Texas Instruments Incorporated
EEG Front-End Performance Demonstration Kit
Figure 49. Multiplexer Setting with Both Electrodes Connected to Test Signal
8 Test Options on the EVM
8.1 On-Chip (ADS1299) Input Short
The channel input can be shorted internally by setting the input multiplexer of the individual channel to
001. The channel control registers must be set as shown in Figure 50. This test gives the noise in the
channel. It also gives the offset in the channel. The result can be seen in the analysis tab. Figure 51
shows a snapshot of the scope for internal input short with gain setting of 24. The channel offset in this
example is 23 µV and noise is less than 1 µVpp. 5000pts at 500sps is taken, thereby giving data for 10
seconds.
! TEXAS
INSTRUMENTS
mini mum: “gin-s
mm» 2: Channels
anav—dnwn m 63qu 5m Chamd Inna
Novma‘ 24 Open Input Short
channel 1 (mud laws (041551) (ham 2 Carnal Mum (CHZSEY)
Fwd”. PEA Gan 5:132 Camel Inru M” “W" PG“ 5" 9‘52 0"“ "wt
Nurmal 24 Open Input Shun “WW 2“ 0W "‘9“? 5M
Chamel a Conml news (065E!) (hmnd 4 (11mm! Ream. (cmn)
rmnm PGA Gan 5m chamel Input Warm" wen Gah 5152 charm [rout
m1... ‘2» b... h"... 1.... m1"... |21 p... ‘11... Shun
channel 5 comm Refistev (assay) charm 6 Como! Racism (0155:!)
Paws-dawn pen a... snaz Chanmi In” Pawn-down pan Gm suaz charm 1m...
INnrma‘ |2a lopen Ilnput Short Mama |z« IOpen [Input Shm!
Chanrul 7 Conmfl Ragis (oasm chmna‘ a carnal Regismv (mam)
inevdnwn PGA 6am 5m channel Input Warm" Pen Gm 5:52 chum [rout
INnvma‘ Izo IODen Ilnvul 5mm [NW-2‘ I“ love" [Input 5M
1 x .
:m.
mu-
.11...
1.1..
1.11.
1......
.11..
11.11
.1...
1..
.-.1..
11...
.111.
nu-
Test Options on the EVM
www.ti.com
44 SLAU443B–May 2012–Revised January 2016
Submit Documentation Feedback
Copyright © 2012–2016, Texas Instruments Incorporated
EEG Front-End Performance Demonstration Kit
Figure 50. Channel Settings for Input Short Test
Figure 51. Scope Tab for Input Short Test
8.2 External Input Short with 5K Resistor
There is an option on board to tie the positive and negative input of the channel to a common voltage
(VCM) on BIAS_ELEC through 5K resistors. The following jumper settings are needed for this test. On
JP6 short pin 1 and pin 2. On JP25 short (1-2) and (2-3). The connecter J6 must have jumpers across
from left to right to connect the inputs to the ADS1299 channels. The noise from U11 which is used to
generate the BIAS_ELEC appears as common mode noise for this test and is rejected. Same is true for
noise from resistor R10 in BIAS_ELEC path. The only noise source present are two 5K resistors in the
input path and the channel noise. This test is useful to measure the effect of input bias current on noise.
INSTRUMENTS
www.ti.com
Test Options on the EVM
45
SLAU443B–May 2012–Revised January 2016
Submit Documentation Feedback Copyright © 2012–2016, Texas Instruments Incorporated
EEG Front-End Performance Demonstration Kit
The PGA in ADS1299 has CMOS input and thus has negligible current noise. The input bias current is as
a result of chopping the PGA to remove flicker noise. This bias current doesn’t manifest itself as noise and
appears like a DC offset in presence of 5K input impedance. The Channel control registers must be
programmed as shown in Figure 52. The results in the analysis tab are shown in Figure 53. The average
peak-to-peak noise for this test is 1.27µV. The increase in noise is due to the noise from 5K resistors. The
two 5K resistors contribute about 0.67µVpp in 65-Hz bandwidth.
Figure 52. Channel Settings for External Input Short Test
l TEXAS
INSTRUMENTS
at
my
m.
ml.
my
.1 m.
”M
x ,0.
m4.
1 .5.
a”
“a.
in“.
em
mu
.2 .4.
a."
.m.
“M
m.
.2.”
m
m.
Mb
Test Options on the EVM
www.ti.com
46 SLAU443B–May 2012–Revised January 2016
Submit Documentation Feedback
Copyright © 2012–2016, Texas Instruments Incorporated
EEG Front-End Performance Demonstration Kit
Figure 53. Scope Showing Noise for Input Short with 5k Resistors
8.3 Noise with Common Reference on Negative Inputs
There is an option in ADS1299 to connect all the channels negative inputs to a common reference. This
can be accomplished by giving a signal on SRB1 pin and setting the bit SRB1 bit in MISC1 register. There
is an option on board to test out the channel noise performance with this setting. On JP25 a jumper on (3-
4) and (5-6) is needed. On JP8 a jumper (1-2) is required. These settings routes the common mode
voltage VCM on BIAS_ELEC to all the positive inputs. It also connects BIAS_ELEC to REF_ELEC via R11
(5K). REF_ELEC is connected to SRB1 pin on ADS1299. The noise in this test includes noise of two 5K
resistors and the channel noise. The SRB1 control switch must be set as shown in Figure 54.The
snapshot of the scope in the analysis tab is shown in Figure 55. The average peak-to-peak noise for this
test is 1.28µV.
TEXAS
INSTRUMENTS
| Register Map ‘ GPIO and OWE Resale" LOFF and RLD | Channd Registers
GenevaI-Purpnse 1/0 Reguster(@10)
Input
@IOCX
Output
@IODX
GPIol GPIOZ GPIO: GPIO4
MlSCl MISCZ
SRBI RSV
Swllthes dused RSV
configuration Register 4 (comm)
Shje shut Lead-off Ccmpavatov Fewer-dawn
Dwsab‘e Enab‘e
www.ti.com
Test Options on the EVM
47
SLAU443B–May 2012–Revised January 2016
Submit Documentation Feedback Copyright © 2012–2016, Texas Instruments Incorporated
EEG Front-End Performance Demonstration Kit
Figure 54. MISC1 Register Setting for SRB1
Figure 55. Noise with Negative Input Connected to SRB1 Pin
l TEXAS
INSTRUMENTS
: my
. vu-
4 n4~
I pu-
«Ah
4 «1+
Hz»
4 cxa~
4 «4-
un-
Hasv
4 up»
mu-
4 a»
14-
4 uu~
4 sen.
lu‘t'
4 scu-
:badnuinainfisbhhfinn’nnhxbindndnu‘madd»
5-in—1
Test Options on the EVM
www.ti.com
48 SLAU443B–May 2012–Revised January 2016
Submit Documentation Feedback
Copyright © 2012–2016, Texas Instruments Incorporated
EEG Front-End Performance Demonstration Kit
8.4 Noise with Buffered Common Reference Input
Connecting all the negative inputs to one reference electrode can lead to excessive leakage current on the
electrode. The typical leakage current on ADS1299 channel is 200 pA. So for a 16 channel system total
leakage may be as large as 3.2 nA. This number will become progressively worse as channel count is
increased. If the leakage number is not acceptable there is an option to buffer the common reference input
before connected it to all the negative inputs of the channel. On JP25 jumpers (3-4) and (5-6) are
required. On JP8 a jumper (2-3) is required and on JP7 a jumper (1-2) is needed. The GUI settings are
same as in Figure 54.Figure 56 shows a snapshot of the noise with SRB1 driven by a buffered reference.
The drawback of using the buffer in the SRB1 path is increased noise. The noise contributors in these
settings are two 5-kΩresistors, op amp U4 and ADS1299 channel. As can be seen from the Figure 56 the
noise with this approach is larger than noise in previous three approaches. At present OPA376 is installed
on board for U4. A lower noise op amp can be used if needed.
Figure 56. Noise with OPA376 in SRB1 Path
l TEXAS
INSTRUMENTS
n.2-
“5,
mar
Em,
unzr
m-
umr
m;
mm.
“.6,
mm.
rum
,u 12-
mv
7n 15*
ms-
M, .. ‘ . ‘ ‘ . ‘ . ‘ . ‘ ‘ ‘ ‘ . ‘ . ‘ . ‘ ‘ . ‘ . ‘ . ‘ ‘ . ‘ . H
599 ens 5m (us an 325 am 535 em s45 65:: 655 sen ass 57m 575 am $55 syn 9;; 7m ms m- 715 72a 75 73m 735 74:: n5 75a 756
smpbmma)
www.ti.com
Test Options on the EVM
49
SLAU443B–May 2012–Revised January 2016
Submit Documentation Feedback Copyright © 2012–2016, Texas Instruments Incorporated
EEG Front-End Performance Demonstration Kit
8.5 Internally Generated Test Signal and Other Multiplexer Inputs
ADS1299 internally generates a test signal that can be used for signal integrity check. Also the multiplexer
provides options to measure supply voltage, temperature, etc. Details of these inputs can be found in
Section 5.3.
8.6 Arbitrary Input Signal
Any input signal can be fed to the device on connector J6 as described in Section 4.6.Figure 57 shows
the results obtained when a single-ended sinusoidal signal is applied to AIN1 by following the steps
described in Section 4.6.2.
Figure 57. Scope Tab with Sinusoidal Inputs on AIN1
l TEXAS
INSTRUMENTS
% %
2m m
m2 m2
an m
GPIO1
/RESET
/PWDN
SRB1
SRB2
C4
1uF
C9
100uF
C10
10uF
C1
1uF
C2
1uF
C3
1uF
C20
0.01uF
R3 0
VCAP4
VBG
VCAP2
C13
0.1uF
C14
0.1uF
C12
0.1uF
C5
1uF
C8
NI
C16
0.1uF
C6
1uF
C15
NI
C7
NI
C19
NI
VREFP
BIASINV
BIASOUT
BIASIN
C33
NI
VDD
4
GND 2
Output
3
E/D 1
OSC1
HC735-2.048MHZ
AVDD
AVDDAVDD
AVSS
AVSS
AVSS
BIAS_DRV
VREFP
AVSS
AVSS
AVSS
AVDD
AVDD
DVDD
C11
1uF
DVDD
CLKSEL
SPI_DRDY
SPI_OUT
GPIO2
SPI_CLK
SPI_CS
SPI_START
AVDD
SPI_IN
GPIO1
R6
10K
R7
10K
DVDD
BIAS_DRV
C22 NI
C21 NI
AVSS
AVDD
R4
NI
BIAS_SHD BIAS_SHD
DVDD
VCAP3
/RESET
/PWDN
SPI_DRDY
GPIO4
SPI_OUT
GPIO2
GPIO3
SPI_CLK
SPI_CS
SPI_START
SPI_IN
CLKSEL
CLK
AVSS
C76
1uF
AVSS AVSS
C77
1uF
AVSS
JP5
C17
1uF
C18
0.1uF
AVDD
1
2
3
4
5
U2
NI
/PWDN
DAISY_IN
GPIO3
GPIO4
DAISY_IN
GPIO3
GPIO4
DAISY_IN
12
34
56
78
910
J5
NI
JP18
EXT_CLK
EXT_CLK
TP11 TP12TP1 TP2
AGND
AGND
AGND
AGND
AGND
AGND AGND
AGND
AGND
AGND
AGND
AGND
AGND
R8
392K
TP3
IN8N
1
IN8P
2
IN7N
3
IN7P
4
IN6N
5
IN6P
6
IN5N
7
IN5P
8
IN4N
9
IN4P
10
IN3N
11
IN3P
12
IN2N
13
IN2P
14
IN1N
15
IN1P
16
SRB2
18
SRB1
17
VREFP
24 VCAP4
26
AVSS 20
RESV3/NC
29
VREFN
25
RESV2/NC
27
/PWDN
35
VCAP1
28
GPIO1
42
DAISY_IN
41
VCAP2
30
/RESET
36
DGND 33
DIN 34
START 38
CLK 37
/CS 39
SCLK 40
GPIO3 45
GPIO2 44
DOUT 43
GPIO4 46
/DRDY 47
DVDD 48
DGND 51
AVSS 32
DVDD 50
DGND 49
CLKSEL 52
AVSS1 53
AVDD1 54
VCAP3 55
AVDD 59
AVDD 56
AVSS 23
AVSS 57
AVSS 58
AVDD 19
AVDD 21
BIASIN 62
BIASINV 61
BIASOUT 63
RESV1
31
AVDD 22
BIASREF 60
RESERVED
64
U1
ADS1299
C95
0.1uF
R75
10K
DVDD
C97
1uF
C99
1uF
JP7
REF_ELEC
JP6
BIAS_ELEC
R23
2M
R24
2M
AIN8N
AIN8P
AIN7N
AIN7P
AIN6N
AIN6P
AIN5N
AIN5P
AIN4N
AIN4P
AIN3N
AIN3P
AIN2N
AIN2P
AIN1N
AIN1P
C98
NI
R25
0
AVDD
AVSS
BIAS_ELEC
REF_ELEC
R5 NI
R1
NI
R2
NI
AVDD
AVSS
BIASREF
JP19
3
2
6
7
4
8
5
U4
OPA376
3
2
6
7
4
8
5
U11
OPA376
C23
1uF
C24
1uF
AVDD
AVSS
3
2
6
7
4
8
5
U4A
NI
AVDD
AVSS
3
2
6
7
4
8
5
U11A
NI
U11_3
U11_6
U11_6
U11_3
U4_6
U4_3
U4_6
U4_3
JP8
R18
NI
R16
NI
R17
NI
R15
0
R13
0
R14
0
Optional 8-MSOP driver
JP17
JP1
BIAS_ELEC
Bill of Materials, Layouts and Schematics
www.ti.com
50 SLAU443B–May 2012–Revised January 2016
Submit Documentation Feedback
Copyright © 2012–2016, Texas Instruments Incorporated
EEG Front-End Performance Demonstration Kit
9 Bill of Materials, Layouts and Schematics
This section contains the complete bill of materials, printed circuit board (PCB) layouts, and schematic
diagrams for the ADS1299EEG-FE.
NOTE: Board layouts are not to scale. These are intended to show how the board is laid out; do not
use for manufacturing ADS1299EEG-FE PCBs.
9.1 ADS1299EEG-FE Front-End Board Schematics
Figure 58 through Figure 62 shown the schematic diagrams of the ADS1299EEG-FE.
Figure 58. ADS1299EEG-FC Schematic
‘5‘ TEXAS
INSTRUMENTS
”5i
«i
a
i
i
a
«i
{
REF_ELEC
AIN8N
AIN8P
AIN7N
AIN7P
C80
4.7nF
AIN6N
R80
4.99K
AIN6P
R81
4.99K
AIN5N
AIN5P
AIN4N
AIN4P
AIN3N
AIN3P
AIN2N
AIN2P
AIN1N
AIN1P
C82
4.7nF
R82
4.99K
R83
4.99K
AGND
C83
4.7nF
AGND
C81
4.7nF
C84
4.7nF
R84
4.99K
R85
4.99K
AGND
C85
4.7nF
C86
4.7nF
R86
4.99K
R87
4.99K
AGND
C87
4.7nF
C88
4.7nF
R88
4.99K
R89
4.99K
AGND
C89
4.7nF
C90
4.7nF
R90
4.99K
R91
4.99K
AGND
C91
4.7nF
C92
4.7nF
R92
4.99K
R93
4.99K
AGND
C93
4.7nF
C72
4.7nF
R94
4.99K
R95
4.99K
AGND
C73
4.7nF
BIAS_ELEC
BIAS_SHD
AGND
1
2
3
4
5
AIN1
R10
4.99K
R11
4.99K C75
4.7nF
AGND
R12 4.99K
1 2
3 4
5 6
7 8
9 10
11 12
13 14
15 16
17 18
19 20
21 22
23 24
25 26
27 28
29 30
31 32
33 34
35 36
J6
36PIN_IDC
1 2
3 4
5 6
JP25
1) External Input Short to VCM
Jumper on (1-2), (3-4)
2) Ain+ to VCM, VCM drives SRB1
Jumper on (3-4), (5-6)
3) Ain- to VCM and Ain+ to SMA
Jumper on (1-2)
4) Ain+ signal through header, VCM drives SRB1
Jumper on (5-6)
JP25 Setting
VCM: DC Bias from BIAS_ELEC
www.ti.com
Bill of Materials, Layouts and Schematics
51
SLAU443B–May 2012–Revised January 2016
Submit Documentation Feedback Copyright © 2012–2016, Texas Instruments Incorporated
EEG Front-End Performance Demonstration Kit
Figure 59. ADS1299EEG-FC Jumper Schematic
‘5‘ TEXAS
INSTRUMENTS
VCC_5v
AVDD
VCC_-5v
CFLY- 3
GND
4
CFLY+ 5
IN
2OUT 1
U6
TPS60403
C45
10uF
C46
10uF
C47
1uF
L1
3.3uH
L2
3.3uH
C50
10uF
C49
1uF
C51
10uF
TP4
C48
1uF
TP5
VCC_-5v
AVSS
C63
2.2uF
C67
0.01uF
C64
2.2uF
L4
3.3uH C66
10uF
TP6
C65
10uF
C57
0.1uF
R52
NI
R53
NI
JP20
JP2
C62
1uF
C59
2.2uF
L5
3.3uH C61
10uF
C60
10uF
EN
3
NR/FB 4
OUT 5
GND
2
IN
1
U9
TPS73225
R56
NI
R57
NI
C58
1uF
TP13
EN
3
NR/FB 4
OUT 5
IN
2
GND
1
U8
TPS72325
AGND AGND
AGND
AGND AGND
-2.5V
+2.5V
AGND
AGND
AGND
AGND
AGND
AGND
AGND
AGND
AGND
AGND
AGND
AGND
AGND
+5.0V
Bill of Materials, Layouts and Schematics
www.ti.com
52 SLAU443B–May 2012–Revised January 2016
Submit Documentation Feedback
Copyright © 2012–2016, Texas Instruments Incorporated
EEG Front-End Performance Demonstration Kit
Figure 60. ECG Power Supplies
l TEXAS
INSTRUMENTS
nnnnn
VCC_5v
DVDD
TP8
TP10
TP9
TP7
C70
0.1uF
C69
0.1uF
C71 100uF
C68
100uF
CLKSEL
SPI_DRDY
SPI_OUT
GPIO2
SPI_CLK
SPI_CS
SPI_START
SPI_IN
GPIO1
Dummy Connector
JP4
/RESET
JP24
JP21
JP22
NOTE: Populate J2, J3, and J4 female connectors from the bottom
EXT_CLK
R67
10K
JP23
DVDD
AGND
AGND
AGND
VCC_1.8V
VCC_3.3V
R74 0
A0 1
A1 2
GND 4
SDA
5SCL
6
WP
7
VCC
8
A2 3
U10
24AA256-I/ST
C94
0.1uF
VCC_3.3V
R68 NI
VCC_3.3V
R69 NI
R70 NI
R71
0
R72
0
R73
0
SCL
SDA
1 2
3 4
5 6
7 8
9 10
11 12
13 14
15 16
17 18
19 20
J2
1 2
3 4
5 6
7 8
9 10
11 12
13 14
15 16
17 18
19 20
J3 12
34
56
78
910
J4
R51
NI
VREFP
R50 NI
C40 NI
3
2
6
7
4
8
U5
NI
AVDD
AVSS
R47
NI
C38
NI
C39
NI
R48
NI
C42 NI
C41 NI
R49
NI
JP3
NI
VIN
2
GND
4
OUT 6
TRIM 5
TEMP
3
N/C
1
N/C 7
N/C 8
U3
NI
C34
NI
AVDD
AVSS
C43
NI
C35
NI
AVSS AGND
AGND
www.ti.com
Bill of Materials, Layouts and Schematics
53
SLAU443B–May 2012–Revised January 2016
Submit Documentation Feedback Copyright © 2012–2016, Texas Instruments Incorporated
EEG Front-End Performance Demonstration Kit
Figure 61. External Reference Drivers (Not Installed)
Figure 62. ECG MDK Board Interface Adapter
l TEXAS
INSTRUMENTS
O o msnzsarro FE new A
W Yeas ”mum;
m Ffi (awn
Ea filnsfim U: n JD]?
on M m
(as
‘ Eifi
. m: "'
oaaoo
Elwin” 010° [
% I'III nu ‘ WM
“ a
m.
‘ Soooo
r_ :Ioooo Lyra
#4-qu
Bill of Materials, Layouts and Schematics
www.ti.com
54 SLAU443B–May 2012–Revised January 2016
Submit Documentation Feedback
Copyright © 2012–2016, Texas Instruments Incorporated
EEG Front-End Performance Demonstration Kit
9.2 Printed Circuit Board Layout
Figure 63 through Figure 68 show the ADS1299EEG-FE PCB layout.
Figure 63. ADS1299EEG-FE Top Assembly
Figure 64. ADS1299EEG-FE Top Layer
*9 TEXAS
INSTRUMENTS
anooooaooooooouoo on?
DOOOOOOOOOOODOOOOO DOD
.on o
:00000090000000000 non
www.ti.com
Bill of Materials, Layouts and Schematics
55
SLAU443B–May 2012–Revised January 2016
Submit Documentation Feedback Copyright © 2012–2016, Texas Instruments Incorporated
EEG Front-End Performance Demonstration Kit
Figure 65. ADS1299EEG-FE Internal Layer (1)
Figure 66. ADS1299EEG-FE Internal Layer (2)
*9 TEXAS
INSTRUMENTS
O
Ooaooooaooooaaoooa
a
o
0
I00 DOG
0 O O o 0 O 0 Okfi
DOODOOOOOOOOOOOOOO D00
cocooaoooooaoooooo one
aryo
n
Boo
Boo
Boo
nno
noo
00
w
mm
0
mafia
Bill of Materials, Layouts and Schematics
www.ti.com
56 SLAU443B–May 2012–Revised January 2016
Submit Documentation Feedback
Copyright © 2012–2016, Texas Instruments Incorporated
EEG Front-End Performance Demonstration Kit
Figure 67. ADS1299EEG-FE Bottom Layer
Figure 68. ADS1299EEG-FE Bottom Assembly
l TEXAS
INSTRUMENTS
www.ti.com
Bill of Materials, Layouts and Schematics
57
SLAU443B–May 2012–Revised January 2016
Submit Documentation Feedback
Copyright © 2012–2016, Texas Instruments Incorporated
EEG Front-End Performance Demonstration Kit
9.3 Bill of Materials
Table 10 lists the bill of materials for the ADS1299ECG-FE.
Table 10. Bill of Materials
Qty Ref Des Description MFR Part Number
1 NA Printed Wiring Board TI 6541979
19 C1, C2, C3, C4, C5, C6, C11, C17, C23, C24, C47, C48,
C49, C58, C62, C76, C77, C97, C99 CAP CER 1UF 25V, 10% X5R 0603 Murata GRM188R61E105KA12D
0 C7, C8, C15, C19, C21, C22, C34, C38, C40, C41, C42,
C43, C98 Not Installed
3 C9, C68, C71 CAP CER 100UF 10V, 20% X5R 1210 Taiyo Yuden LMK325BJ107MM-T
9 C10, C45, C46, C50, C51, C60, C61, C65, C66 CAP CER 10UF 10V, 10% X5R 0805 Murata GRM219R61A106KE44D
10 C12, C13, C14, C16, C18, C57, C69, C70, C94, C95 CAP CER 0.1UF 50V, 10% X7R 0603 Murata GRM188R71H104KA93D
2 C20, C67 CAP CER 10000PF 50V, 10% X7R 0603 Murata GRM188R71H103KA01D
0 C33, C35 Not Installed
0 C39 Not Installed
3 C59, C63, C64 CAP CER 2.2UF 6.3V, 10% X5R 0603 Murata GRM185R60J225KE26D
17 C72, C73, C75, C80, C81, C82, C83, C84, C85, C86, C87,
C88, C89, C90, C91, C92, C93 CAP CER 4700PF 50V, 10% X7R 0603 Murata GRM188R71H472KA01D
1 AIN1 CONN SMA JACK STRAIGHT PCB Amphenol 132134
Emerson 142-0701-201
1 J3 (Top) 10 Pin, Dual Row, SM Header (20 Pos.) Samtec TSM-110-01-T-DV-P
2 J2, J3 (Bottom) 10 Pin, Dual Row, SM Header (20 Pos.) Samtec SSW-110-22-F-D-VS-K
1 J4 (Bottom) 5 Pin, Dual Row, SM Header (10 Pos.) Samtec SSW-105-22-F-D-VS-K
0 J5 Not Installed
1 J6 18 Pin, Dual Row, Header (36 Pos.) Samtec SSW-118-21-F-D
11 JP1, JP2, JP6, JP7, JP8, JP18, JP20, JP21, JP22, JP23,
JP24 3 Position Jumper 0.1" spacing Samtec TSW-103-07-T-S
0 JP3 Not Installed
4 JP4, JP5, JP17, JP19 2 Pin 0.1inch, Header Samtec TSW-102-07-T-S
1 JP25 3 Pin, Dual Row, Header (6 Pos.) Samtec TSW-103-07-T-D
4 L1, L2, L4, L5 INDUCTOR MULTILAYER 3.3UH 0805 TDK MLZ2012A3R3W
1 OSC1 OSC 2.0480 MHZ 3.3 V, HCMOS SMT Fox FXO-HC735-2.048MHZ
0 R1, R4, R5, R47, R48, R49, R50, R51, R52, R53, R56, R57,
R68, R69, R70 Not Installed
0 R2 Not Installed
6 R3, R25, R71, R72, R73, R74 RES 0.0 OHM 1/10W 5% 0603 SMD Yageo RC0603JR-070RL
4 R6, R7, R67, R75 RES 10.0K OHM 1/10W 1% 0603 SMD Yageo RC0603FR-0710KL
1 R8 RES 392K OHM 1/10W 1% 0603 SMD Yageo RC0603FR-07392KL
19 R10, R11, R12, R80, R81, R82, R83, R84, R85, R86, R87,
R88, R89, R90, R91, R92, R93, R94, R95 RES 4.99K OHM 1/10W 1% 0603 SMD Yageo RC0603FR-074K99L
3 R13, R14, R15 RES 0.0 OHM 1/16W 0402 SMD Yageo RC0402JR-070RL
0 R16, R17, R18 Not Installed
2 R23, R24 RES 2.0M OHM 1/10W 5% 0603 SMD Yageo RC0603JR-072ML
l TEXAS
INSTRUMENTS
Bill of Materials, Layouts and Schematics
www.ti.com
58 SLAU443B–May 2012–Revised January 2016
Submit Documentation Feedback
Copyright © 2012–2016, Texas Instruments Incorporated
EEG Front-End Performance Demonstration Kit
Table 10. Bill of Materials (continued)
Qty Ref Des Description MFR Part Number
5 TP1, TP2, TP8, TP11, TP12 TEST POINT PC MINI .040"D BLACK Keystone 5001
8 TP3, TP4, TP5, TP6, TP7, TP9, TP10, TP13 TEST POINT PC MINI .040"D RED Keystone 5000
1 U1 ADS1299, Low-Noise, 8-Channel, 24-bit analog Front-End for Biopotential
Measurements TI ADS1299CPAG
0 U2 Not Installed
0 U3, U5 Not Installed
2 U4, U11 IC OP AMP GP 5.5MHZ SGL 8SOIC TI OPA376AID
0 U4A, U11A Not Installed
1 U6 IC UNREG CHRG PUMP V INV SOT23-5 TI TPS60403DBVT
1 U8 IC LDO REG NEG 200MA 2.5 V, SOT23 TI TPS72325DBVT
1 U9 IC LDO REG 250MA 2.5 V, SOT23-5 TI TPS73225DBVT
1 U10 IC EEPROM 256KBIT 400KHZ 8TSSOP Microchip 24AA256-I/ST
30 NA 0.100 Shunt - Black Shunts 3M 969102-0000-DA
1 NA MMB0 Motherboard TI 6462011
l TEXAS
INSTRUMENTS
www.ti.com
Bill of Materials, Layouts and Schematics
59
SLAU443B–May 2012–Revised January 2016
Submit Documentation Feedback Copyright © 2012–2016, Texas Instruments Incorporated
Revision History
9.4 ADS1299EEG-FE Power-Supply Recommendations
If you chose to power the MMB0 board through the wall adapter jack, it must comply with the following
requirements:
• Output voltage: 5.5 VDC to 15 VDC.
• Maximum output current: ≥500 mA.
• Output connector: barrel plug (positive center), 2.5-mm I.D. x 5.5-mm O.D. (9-mm insertion depth).
• Complies with applicable regional safety standards.
Figure 69 shows a +6V power-supply cable (not provided in the EVM kit) connected to a battery pack with
four 1.5V batteries connected in series. Connecting to a wall-powered source makes the ADS1299EEG-
FE more susceptible to 50 Hz/60 Hz noise pickup; therefore, for best performance, it is recommended to
power the ADS1299EEG-FE with a battery source. This configuration minimizes the amount of noise
pickup seen at the digitized output of the ADS1299.
Figure 69. Recommended Power Supply for ADS1299EEG-FE
Revision History
Changes from A Revision (October 2014) to B Revision ............................................................................................... Page
• Deleted bullet in Section 2.4 ..."Universal AC to DC wall adapter".................................................................. 6
• Added new paragraph to Section 9.4... "If you chose to power the MMB0 board through the wall adapter jack"........... 59
• Deleted "provided in the EVM kit" from Section 9.4................................................................................. 59
NOTE: Page numbers for previous revisions may differ from page numbers in the current version.
STANDARD TERMS AND CONDITIONS FOR EVALUATION MODULES
1. Delivery: TI delivers TI evaluation boards, kits, or modules, including any accompanying demonstration software, components, or
documentation (collectively, an “EVM” or “EVMs”) to the User (“User”) in accordance with the terms and conditions set forth herein.
Acceptance of the EVM is expressly subject to the following terms and conditions.
1.1 EVMs are intended solely for product or software developers for use in a research and development setting to facilitate feasibility
evaluation, experimentation, or scientific analysis of TI semiconductors products. EVMs have no direct function and are not
finished products. EVMs shall not be directly or indirectly assembled as a part or subassembly in any finished product. For
clarification, any software or software tools provided with the EVM (“Software”) shall not be subject to the terms and conditions
set forth herein but rather shall be subject to the applicable terms and conditions that accompany such Software
1.2 EVMs are not intended for consumer or household use. EVMs may not be sold, sublicensed, leased, rented, loaned, assigned,
or otherwise distributed for commercial purposes by Users, in whole or in part, or used in any finished product or production
system.
2Limited Warranty and Related Remedies/Disclaimers:
2.1 These terms and conditions do not apply to Software. The warranty, if any, for Software is covered in the applicable Software
License Agreement.
2.2 TI warrants that the TI EVM will conform to TI's published specifications for ninety (90) days after the date TI delivers such EVM
to User. Notwithstanding the foregoing, TI shall not be liable for any defects that are caused by neglect, misuse or mistreatment
by an entity other than TI, including improper installation or testing, or for any EVMs that have been altered or modified in any
way by an entity other than TI. Moreover, TI shall not be liable for any defects that result from User's design, specifications or
instructions for such EVMs. Testing and other quality control techniques are used to the extent TI deems necessary or as
mandated by government requirements. TI does not test all parameters of each EVM.
2.3 If any EVM fails to conform to the warranty set forth above, TI's sole liability shall be at its option to repair or replace such EVM,
or credit User's account for such EVM. TI's liability under this warranty shall be limited to EVMs that are returned during the
warranty period to the address designated by TI and that are determined by TI not to conform to such warranty. If TI elects to
repair or replace such EVM, TI shall have a reasonable time to repair such EVM or provide replacements. Repaired EVMs shall
be warranted for the remainder of the original warranty period. Replaced EVMs shall be warranted for a new full ninety (90) day
warranty period.
3Regulatory Notices:
3.1 United States
3.1.1 Notice applicable to EVMs not FCC-Approved:
This kit is designed to allow product developers to evaluate electronic components, circuitry, or software associated with the kit
to determine whether to incorporate such items in a finished product and software developers to write software applications for
use with the end product. This kit is not a finished product and when assembled may not be resold or otherwise marketed unless
all required FCC equipment authorizations are first obtained. Operation is subject to the condition that this product not cause
harmful interference to licensed radio stations and that this product accept harmful interference. Unless the assembled kit is
designed to operate under part 15, part 18 or part 95 of this chapter, the operator of the kit must operate under the authority of
an FCC license holder or must secure an experimental authorization under part 5 of this chapter.
3.1.2 For EVMs annotated as FCC – FEDERAL COMMUNICATIONS COMMISSION Part 15 Compliant:
CAUTION
This device complies with part 15 of the FCC Rules. Operation is subject to the following two conditions: (1) This device may not
cause harmful interference, and (2) this device must accept any interference received, including interference that may cause
undesired operation.
Changes or modifications not expressly approved by the party responsible for compliance could void the user's authority to
operate the equipment.
FCC Interference Statement for Class A EVM devices
NOTE: This equipment has been tested and found to comply with the limits for a Class A digital device, pursuant to part 15 of
the FCC Rules. These limits are designed to provide reasonable protection against harmful interference when the equipment is
operated in a commercial environment. This equipment generates, uses, and can radiate radio frequency energy and, if not
installed and used in accordance with the instruction manual, may cause harmful interference to radio communications.
Operation of this equipment in a residential area is likely to cause harmful interference in which case the user will be required to
correct the interference at his own expense.
SPACER
SPACER
SPACER
SPACER
SPACER
SPACER
SPACER
SPACER

FCC Interference Statement for Class B EVM devices
NOTE: This equipment has been tested and found to comply with the limits for a Class B digital device, pursuant to part 15 of
the FCC Rules. These limits are designed to provide reasonable protection against harmful interference in a residential
installation. This equipment generates, uses and can radiate radio frequency energy and, if not installed and used in accordance
with the instructions, may cause harmful interference to radio communications. However, there is no guarantee that interference
will not occur in a particular installation. If this equipment does cause harmful interference to radio or television reception, which
can be determined by turning the equipment off and on, the user is encouraged to try to correct the interference by one or more
of the following measures:
•Reorient or relocate the receiving antenna.
•Increase the separation between the equipment and receiver.
•Connect the equipment into an outlet on a circuit different from that to which the receiver is connected.
•Consult the dealer or an experienced radio/TV technician for help.
3.2 Canada
3.2.1 For EVMs issued with an Industry Canada Certificate of Conformance to RSS-210
Concerning EVMs Including Radio Transmitters:
This device complies with Industry Canada license-exempt RSS standard(s). Operation is subject to the following two conditions:
(1) this device may not cause interference, and (2) this device must accept any interference, including interference that may
cause undesired operation of the device.
Concernant les EVMs avec appareils radio:
Le présent appareil est conforme aux CNR d'Industrie Canada applicables aux appareils radio exempts de licence. L'exploitation
est autorisée aux deux conditions suivantes: (1) l'appareil ne doit pas produire de brouillage, et (2) l'utilisateur de l'appareil doit
accepter tout brouillage radioélectrique subi, même si le brouillage est susceptible d'en compromettre le fonctionnement.
Concerning EVMs Including Detachable Antennas:
Under Industry Canada regulations, this radio transmitter may only operate using an antenna of a type and maximum (or lesser)
gain approved for the transmitter by Industry Canada. To reduce potential radio interference to other users, the antenna type
and its gain should be so chosen that the equivalent isotropically radiated power (e.i.r.p.) is not more than that necessary for
successful communication. This radio transmitter has been approved by Industry Canada to operate with the antenna types
listed in the user guide with the maximum permissible gain and required antenna impedance for each antenna type indicated.
Antenna types not included in this list, having a gain greater than the maximum gain indicated for that type, are strictly prohibited
for use with this device.
Concernant les EVMs avec antennes détachables
Conformément à la réglementation d'Industrie Canada, le présent émetteur radio peut fonctionner avec une antenne d'un type et
d'un gain maximal (ou inférieur) approuvé pour l'émetteur par Industrie Canada. Dans le but de réduire les risques de brouillage
radioélectrique à l'intention des autres utilisateurs, il faut choisir le type d'antenne et son gain de sorte que la puissance isotrope
rayonnée équivalente (p.i.r.e.) ne dépasse pas l'intensité nécessaire à l'établissement d'une communication satisfaisante. Le
présent émetteur radio a été approuvé par Industrie Canada pour fonctionner avec les types d'antenne énumérés dans le
manuel d’usage et ayant un gain admissible maximal et l'impédance requise pour chaque type d'antenne. Les types d'antenne
non inclus dans cette liste, ou dont le gain est supérieur au gain maximal indiqué, sont strictement interdits pour l'exploitation de
l'émetteur
3.3 Japan
3.3.1 Notice for EVMs delivered in Japan: Please see http://www.tij.co.jp/lsds/ti_ja/general/eStore/notice_01.page 日本国内に
輸入される評価用キット、ボードについては、次のところをご覧ください。
http://www.tij.co.jp/lsds/ti_ja/general/eStore/notice_01.page
3.3.2 Notice for Users of EVMs Considered “Radio Frequency Products” in Japan: EVMs entering Japan may not be certified
by TI as conforming to Technical Regulations of Radio Law of Japan.
If User uses EVMs in Japan, not certified to Technical Regulations of Radio Law of Japan, User is required by Radio Law of
Japan to follow the instructions below with respect to EVMs:
1. Use EVMs in a shielded room or any other test facility as defined in the notification #173 issued by Ministry of Internal
Affairs and Communications on March 28, 2006, based on Sub-section 1.1 of Article 6 of the Ministry’s Rule for
Enforcement of Radio Law of Japan,
2. Use EVMs only after User obtains the license of Test Radio Station as provided in Radio Law of Japan with respect to
EVMs, or
3. Use of EVMs only after User obtains the Technical Regulations Conformity Certification as provided in Radio Law of Japan
with respect to EVMs. Also, do not transfer EVMs, unless User gives the same notice above to the transferee. Please note
that if User does not follow the instructions above, User will be subject to penalties of Radio Law of Japan.
SPACER
SPACER
SPACER
SPACER
SPACER

【無線電波を送信する製品の開発キットをお使いになる際の注意事項】 開発キットの中には技術基準適合証明を受けて
いないものがあります。 技術適合証明を受けていないもののご使用に際しては、電波法遵守のため、以下のいずれかの
措置を取っていただく必要がありますのでご注意ください。
1. 電波法施行規則第6条第1項第1号に基づく平成18年3月28日総務省告示第173号で定められた電波暗室等の試験設備でご使用
いただく。
2. 実験局の免許を取得後ご使用いただく。
3. 技術基準適合証明を取得後ご使用いただく。
なお、本製品は、上記の「ご使用にあたっての注意」を譲渡先、移転先に通知しない限り、譲渡、移転できないものとします。
上記を遵守頂けない場合は、電波法の罰則が適用される可能性があることをご留意ください。 日本テキサス・イ
ンスツルメンツ株式会社
東京都新宿区西新宿6丁目24番1号
西新宿三井ビル
3.3.3 Notice for EVMs for Power Line Communication: Please see http://www.tij.co.jp/lsds/ti_ja/general/eStore/notice_02.page
電力線搬送波通信についての開発キットをお使いになる際の注意事項については、次のところをご覧くださ
い。http://www.tij.co.jp/lsds/ti_ja/general/eStore/notice_02.page
SPACER
4EVM Use Restrictions and Warnings:
4.1 EVMS ARE NOT FOR USE IN FUNCTIONAL SAFETY AND/OR SAFETY CRITICAL EVALUATIONS, INCLUDING BUT NOT
LIMITED TO EVALUATIONS OF LIFE SUPPORT APPLICATIONS.
4.2 User must read and apply the user guide and other available documentation provided by TI regarding the EVM prior to handling
or using the EVM, including without limitation any warning or restriction notices. The notices contain important safety information
related to, for example, temperatures and voltages.
4.3 Safety-Related Warnings and Restrictions:
4.3.1 User shall operate the EVM within TI’s recommended specifications and environmental considerations stated in the user
guide, other available documentation provided by TI, and any other applicable requirements and employ reasonable and
customary safeguards. Exceeding the specified performance ratings and specifications (including but not limited to input
and output voltage, current, power, and environmental ranges) for the EVM may cause personal injury or death, or
property damage. If there are questions concerning performance ratings and specifications, User should contact a TI
field representative prior to connecting interface electronics including input power and intended loads. Any loads applied
outside of the specified output range may also result in unintended and/or inaccurate operation and/or possible
permanent damage to the EVM and/or interface electronics. Please consult the EVM user guide prior to connecting any
load to the EVM output. If there is uncertainty as to the load specification, please contact a TI field representative.
During normal operation, even with the inputs and outputs kept within the specified allowable ranges, some circuit
components may have elevated case temperatures. These components include but are not limited to linear regulators,
switching transistors, pass transistors, current sense resistors, and heat sinks, which can be identified using the
information in the associated documentation. When working with the EVM, please be aware that the EVM may become
very warm.
4.3.2 EVMs are intended solely for use by technically qualified, professional electronics experts who are familiar with the
dangers and application risks associated with handling electrical mechanical components, systems, and subsystems.
User assumes all responsibility and liability for proper and safe handling and use of the EVM by User or its employees,
affiliates, contractors or designees. User assumes all responsibility and liability to ensure that any interfaces (electronic
and/or mechanical) between the EVM and any human body are designed with suitable isolation and means to safely
limit accessible leakage currents to minimize the risk of electrical shock hazard. User assumes all responsibility and
liability for any improper or unsafe handling or use of the EVM by User or its employees, affiliates, contractors or
designees.
4.4 User assumes all responsibility and liability to determine whether the EVM is subject to any applicable international, federal,
state, or local laws and regulations related to User’s handling and use of the EVM and, if applicable, User assumes all
responsibility and liability for compliance in all respects with such laws and regulations. User assumes all responsibility and
liability for proper disposal and recycling of the EVM consistent with all applicable international, federal, state, and local
requirements.
5. Accuracy of Information: To the extent TI provides information on the availability and function of EVMs, TI attempts to be as accurate
as possible. However, TI does not warrant the accuracy of EVM descriptions, EVM availability or other information on its websites as
accurate, complete, reliable, current, or error-free.
SPACER
SPACER
SPACER
SPACER
SPACER
SPACER
SPACER
6. Disclaimers:
6.1 EXCEPT AS SET FORTH ABOVE, EVMS AND ANY WRITTEN DESIGN MATERIALS PROVIDED WITH THE EVM (AND THE
DESIGN OF THE EVM ITSELF) ARE PROVIDED "AS IS" AND "WITH ALL FAULTS." TI DISCLAIMS ALL OTHER
WARRANTIES, EXPRESS OR IMPLIED, REGARDING SUCH ITEMS, INCLUDING BUT NOT LIMITED TO ANY IMPLIED
WARRANTIES OF MERCHANTABILITY OR FITNESS FOR A PARTICULAR PURPOSE OR NON-INFRINGEMENT OF ANY
THIRD PARTY PATENTS, COPYRIGHTS, TRADE SECRETS OR OTHER INTELLECTUAL PROPERTY RIGHTS.
6.2 EXCEPT FOR THE LIMITED RIGHT TO USE THE EVM SET FORTH HEREIN, NOTHING IN THESE TERMS AND
CONDITIONS SHALL BE CONSTRUED AS GRANTING OR CONFERRING ANY RIGHTS BY LICENSE, PATENT, OR ANY
OTHER INDUSTRIAL OR INTELLECTUAL PROPERTY RIGHT OF TI, ITS SUPPLIERS/LICENSORS OR ANY OTHER THIRD
PARTY, TO USE THE EVM IN ANY FINISHED END-USER OR READY-TO-USE FINAL PRODUCT, OR FOR ANY
INVENTION, DISCOVERY OR IMPROVEMENT MADE, CONCEIVED OR ACQUIRED PRIOR TO OR AFTER DELIVERY OF
THE EVM.
7. USER'S INDEMNITY OBLIGATIONS AND REPRESENTATIONS. USER WILL DEFEND, INDEMNIFY AND HOLD TI, ITS
LICENSORS AND THEIR REPRESENTATIVES HARMLESS FROM AND AGAINST ANY AND ALL CLAIMS, DAMAGES, LOSSES,
EXPENSES, COSTS AND LIABILITIES (COLLECTIVELY, "CLAIMS") ARISING OUT OF OR IN CONNECTION WITH ANY
HANDLING OR USE OF THE EVM THAT IS NOT IN ACCORDANCE WITH THESE TERMS AND CONDITIONS. THIS OBLIGATION
SHALL APPLY WHETHER CLAIMS ARISE UNDER STATUTE, REGULATION, OR THE LAW OF TORT, CONTRACT OR ANY
OTHER LEGAL THEORY, AND EVEN IF THE EVM FAILS TO PERFORM AS DESCRIBED OR EXPECTED.
8. Limitations on Damages and Liability:
8.1 General Limitations. IN NO EVENT SHALL TI BE LIABLE FOR ANY SPECIAL, COLLATERAL, INDIRECT, PUNITIVE,
INCIDENTAL, CONSEQUENTIAL, OR EXEMPLARY DAMAGES IN CONNECTION WITH OR ARISING OUT OF THESE
TERMS ANDCONDITIONS OR THE USE OF THE EVMS PROVIDED HEREUNDER, REGARDLESS OF WHETHER TI HAS
BEEN ADVISED OF THE POSSIBILITY OF SUCH DAMAGES. EXCLUDED DAMAGES INCLUDE, BUT ARE NOT LIMITED
TO, COST OF REMOVAL OR REINSTALLATION, ANCILLARY COSTS TO THE PROCUREMENT OF SUBSTITUTE GOODS
OR SERVICES, RETESTING, OUTSIDE COMPUTER TIME, LABOR COSTS, LOSS OF GOODWILL, LOSS OF PROFITS,
LOSS OF SAVINGS, LOSS OF USE, LOSS OF DATA, OR BUSINESS INTERRUPTION. NO CLAIM, SUIT OR ACTION SHALL
BE BROUGHT AGAINST TI MORE THAN ONE YEAR AFTER THE RELATED CAUSE OF ACTION HAS OCCURRED.
8.2 Specific Limitations. IN NO EVENT SHALL TI'S AGGREGATE LIABILITY FROM ANY WARRANTY OR OTHER OBLIGATION
ARISING OUT OF OR IN CONNECTION WITH THESE TERMS AND CONDITIONS, OR ANY USE OF ANY TI EVM
PROVIDED HEREUNDER, EXCEED THE TOTAL AMOUNT PAID TO TI FOR THE PARTICULAR UNITS SOLD UNDER
THESE TERMS AND CONDITIONS WITH RESPECT TO WHICH LOSSES OR DAMAGES ARE CLAIMED. THE EXISTENCE
OF MORE THAN ONE CLAIM AGAINST THE PARTICULAR UNITS SOLD TO USER UNDER THESE TERMS AND
CONDITIONS SHALL NOT ENLARGE OR EXTEND THIS LIMIT.
9. Return Policy. Except as otherwise provided, TI does not offer any refunds, returns, or exchanges. Furthermore, no return of EVM(s)
will be accepted if the package has been opened and no return of the EVM(s) will be accepted if they are damaged or otherwise not in
a resalable condition. If User feels it has been incorrectly charged for the EVM(s) it ordered or that delivery violates the applicable
order, User should contact TI. All refunds will be made in full within thirty (30) working days from the return of the components(s),
excluding any postage or packaging costs.
10. Governing Law: These terms and conditions shall be governed by and interpreted in accordance with the laws of the State of Texas,
without reference to conflict-of-laws principles. User agrees that non-exclusive jurisdiction for any dispute arising out of or relating to
these terms and conditions lies within courts located in the State of Texas and consents to venue in Dallas County, Texas.
Notwithstanding the foregoing, any judgment may be enforced in any United States or foreign court, and TI may seek injunctive relief
in any United States or foreign court.
Mailing Address: Texas Instruments, Post Office Box 655303, Dallas, Texas 75265
Copyright © 2015, Texas Instruments Incorporated
spacer

IMPORTANT NOTICE
Texas Instruments Incorporated and its subsidiaries (TI) reserve the right to make corrections, enhancements, improvements and other
changes to its semiconductor products and services per JESD46, latest issue, and to discontinue any product or service per JESD48, latest
issue. Buyers should obtain the latest relevant information before placing orders and should verify that such information is current and
complete. All semiconductor products (also referred to herein as “components”) are sold subject to TI’s terms and conditions of sale
supplied at the time of order acknowledgment.
TI warrants performance of its components to the specifications applicable at the time of sale, in accordance with the warranty in TI’s terms
and conditions of sale of semiconductor products. Testing and other quality control techniques are used to the extent TI deems necessary
to support this warranty. Except where mandated by applicable law, testing of all parameters of each component is not necessarily
performed.
TI assumes no liability for applications assistance or the design of Buyers’ products. Buyers are responsible for their products and
applications using TI components. To minimize the risks associated with Buyers’ products and applications, Buyers should provide
adequate design and operating safeguards.
TI does not warrant or represent that any license, either express or implied, is granted under any patent right, copyright, mask work right, or
other intellectual property right relating to any combination, machine, or process in which TI components or services are used. Information
published by TI regarding third-party products or services does not constitute a license to use such products or services or a warranty or
endorsement thereof. Use of such information may require a license from a third party under the patents or other intellectual property of the
third party, or a license from TI under the patents or other intellectual property of TI.
Reproduction of significant portions of TI information in TI data books or data sheets is permissible only if reproduction is without alteration
and is accompanied by all associated warranties, conditions, limitations, and notices. TI is not responsible or liable for such altered
documentation. Information of third parties may be subject to additional restrictions.
Resale of TI components or services with statements different from or beyond the parameters stated by TI for that component or service
voids all express and any implied warranties for the associated TI component or service and is an unfair and deceptive business practice.
TI is not responsible or liable for any such statements.
Buyer acknowledges and agrees that it is solely responsible for compliance with all legal, regulatory and safety-related requirements
concerning its products, and any use of TI components in its applications, notwithstanding any applications-related information or support
that may be provided by TI. Buyer represents and agrees that it has all the necessary expertise to create and implement safeguards which
anticipate dangerous consequences of failures, monitor failures and their consequences, lessen the likelihood of failures that might cause
harm and take appropriate remedial actions. Buyer will fully indemnify TI and its representatives against any damages arising out of the use
of any TI components in safety-critical applications.
In some cases, TI components may be promoted specifically to facilitate safety-related applications. With such components, TI’s goal is to
help enable customers to design and create their own end-product solutions that meet applicable functional safety standards and
requirements. Nonetheless, such components are subject to these terms.
No TI components are authorized for use in FDA Class III (or similar life-critical medical equipment) unless authorized officers of the parties
have executed a special agreement specifically governing such use.
Only those TI components which TI has specifically designated as military grade or “enhanced plastic” are designed and intended for use in
military/aerospace applications or environments. Buyer acknowledges and agrees that any military or aerospace use of TI components
which have not been so designated is solely at the Buyer's risk, and that Buyer is solely responsible for compliance with all legal and
regulatory requirements in connection with such use.
TI has specifically designated certain components as meeting ISO/TS16949 requirements, mainly for automotive use. In any case of use of
non-designated products, TI will not be responsible for any failure to meet ISO/TS16949.
Products Applications
Audio www.ti.com/audio Automotive and Transportation www.ti.com/automotive
Amplifiers amplifier.ti.com Communications and Telecom www.ti.com/communications
Data Converters dataconverter.ti.com Computers and Peripherals www.ti.com/computers
DLP® Products www.dlp.com Consumer Electronics www.ti.com/consumer-apps
DSP dsp.ti.com Energy and Lighting www.ti.com/energy
Clocks and Timers www.ti.com/clocks Industrial www.ti.com/industrial
Interface interface.ti.com Medical www.ti.com/medical
Logic logic.ti.com Security www.ti.com/security
Power Mgmt power.ti.com Space, Avionics and Defense www.ti.com/space-avionics-defense
Microcontrollers microcontroller.ti.com Video and Imaging www.ti.com/video
RFID www.ti-rfid.com
OMAP Applications Processors www.ti.com/omap TI E2E Community e2e.ti.com
Wireless Connectivity www.ti.com/wirelessconnectivity
Mailing Address: Texas Instruments, Post Office Box 655303, Dallas, Texas 75265
Copyright © 2016, Texas Instruments Incorporated
Products related to this Datasheet
KIT PERFORMANCE DEMO ADS1299