Vinco Ethernet MP3 RTC Shield Datasheet by FTDI, Future Technology Devices International Ltd
View All Related Products | Download PDF Datasheet
“i9
VINGIILIIM
BINDING USB TECHNOLOGIES
supportlgftdichipmam
www.ftdichip.com
Future Technology Devices International Ltd (FTDI)
Unit 1, 2 Seaward Place, Centurion Business Park, Glasgow, G41 1HH, United Kingdom
Tel.: +44 (0) 141 429 2777 Fax: + 44 (0) 141 429 2758
E-Mail (Support): support1@ftdichip.com
Web: www.ftdichip.com
Use of FTDI devices in life support and/or safety applications is entirely at the user’s risk, and the user agrees to
defend, indemnify and hold FTDI harmless from any and all damages, claims, suits or expense resulting from such
use.
Copyright © 2011 Future Technology Devices International Limited
Future Technology Devices
International Ltd.
Vinco Ethernet MP3 RTC Shield
Datasheet
Document Reference No.: FT_000550
1.0
Issue Date: 2011-12-23
The FTDI Vinco Ethernet, MP3, RTC shield is designed to interface to the FTDI Vinco USB development
module and provides a development platform to create interfaces to Ethernet ports, Real Time Clock
(RTC) and an Audio Codec using the Vinculum-II.
Software libraries which support the development of the Ethernet, MP3 and R
ava ble with the free Vincmum-II development Toolchain avallable at vncz ms.
W .—===——-=——1-
VINCO - Etheme'lMP3/RTC Shield
www.fldlchlp.cam
1
Copyright © 2011 Future Technology Devices International Limited
Document Reference No.: FT_000550
Vinco Ethernet MP3 RTCShield Datasheet 1.0
Clearance No.: FTDI#256
1 Introduction
The FTDI Vinco Ethernet RTC MP3 shield is designed to connect directly to the FTDI Vinco development
PCB. The shield will allow the Vinculum-II (VNC2) device on the Vinco PCB to access an Ethernet port
which uses the Wiznet W5100 chipset, audio files using the VLSI VS1053b CODEC and access a Real
Time Clock using the NXP PCF32123 device. These 3 functions are accessed via the VNC2 SPI Master
mode.
Vinco is a development module based on the FTDI Vinculum-II (VNC2) dual channel USB host/slave
controller IC. Vinco is designed as a prototyping platform for VNC2 based designs and applications.
The mechanical form of the module, and the concept of providing free software development library
and tools, is inspired by the Arduino concept. Vinco is a superset of the Duemilanove / Uno with 2 extra
rows of headers providing an extra 10 pins.
Software libraries which support the development of the Ethernet, MP3 and RTC applications are
available with the free Vinculum-II development Toolchain available at VNC2 IDE.
Figure 1.1 – Vinco Ethernet RTC MP3 Shield
FTDI
Chip
FFDI website
n VNCZ IDE
2
Copyright © 2011 Future Technology Devices International Limited
Document Reference No.: FT_000550
Vinco Ethernet MP3 RTCShield Datasheet 1.0
Clearance No.: FTDI#256
1.1 Key Features
The Vinco Ethernet RTC MP3 shield incorporates the following features:
Uses the VLSI VS1053b audio CODEC: Decodes various audio files (Ogg Vorbis,
MP3,AAC,WMA,FLAC, WAV and MIDI)
Uses the Wiznet W5100 Ethernet chipset: Hardwired TCP/IP stack (10Mbps or 100Mbps) supports
TCP, UDP, ICMP, IPv4 ARP, IGMP and PPPoE
Uses the NXP PC2123 RTC chipset: Provides time and date information
SPI Interface: Data transfer over the SPI bus to the Vinco via pin headers
3.5mm audio socket: Provides the audio signal for headphones or amplifier.
MP3 audio files player: Provides access to MP3 files from USB drive
RJ45 ethernet connector: Inbuilt Speed indicator LED’s and Ethernet magnetics.
4 Ethernet traffic LEDs: RX/TX/Collision/Full Duplex indication
5V operation: Power supplied from Vinco baseboard
Onboard 3V3 regulator: Driven from 5V supply to power ICs
Onboard 1V8 regulator: Used by the VS1053b
MIC input to the audio codec
Stereo Audio Line Out
Mates with the Vinco Development Platform: Data transfer to and from the local network, playback
audio files and provide timing functions (time and date, timestamp files access and alarms)
Available GPIO pins via pin headers and free Ethernet/RTC/ MP3 source codes for customisation
purposes and adding new features.
FTDI Integrated Development Environment (IDE) including code editor, compiler and debugger,
which is available as a free download from the FTDI website.
Free software libraries and drivers (SPI Master, GPIO, RTC, Ethernet and MP3 drivers) for
accessing these functions accessible via the Vinculum-II toolchain VNC2 IDE
1.2 Part Numbers
Table 1.1 – Vinco Ethernet/MP3/RTC Shield Part Numbers
Part Number
Description
VSHLD-EMR
Vinco Ethernet MP3 RTC shield
7;" FTDI
3-; Chip
1
Copyright © 2011 Future Technology Devices International Limited
Document Reference No.: FT_000550
Vinco Ethernet MP3 RTCShield Datasheet 1.0
Clearance No.: FTDI#256
Table of Contents
1 Introduction .................................................................... 1
1.1 Key Features ............................................................................. 2
1.2 Part Numbers ............................................................................ 2
2 Functionality ................................................................... 2
2.1 Power ....................................................................................... 2
2.2 Input/Output ............................................................................ 2
2.3 LEDs .......................................................................................... 2
2.4 Switches ................................................................................... 2
2.5 Ethernet Operation ................................................................... 3
2.6 Real Time Clock Operation ........................................................ 3
2.7 Audio Codec Operation .............................................................. 4
3 Pin Out and Signal Description ........................................ 5
3.1 Module Connector Descriptions ................................................. 5
3.2 Vinco Ethernet MP3 RTC Shield Connectors : Pins and Signal
Description ........................................................................................ 6
4 Firmware ......................................................................... 8
4.1 Ethernet Sample Application ..................................................... 8
4.1.1 TCP Sample Application .............................................................................. 8
4.1.2 UDP Sample Application ............................................................................. 8
4.2 MP3 Sample Application ............................................................ 9
4.3 RTC Sample Application .......................................................... 10
5 Mechanical Details ........................................................ 11
6 Schematic Diagram ....................................................... 12
7 Contact Information ...................................................... 14
Appendix A – References ................................................................. 15
Appendix B – List of Figures and Tables .......................................... 16
List of Figures ................................................................................. 16
List of Tables ................................................................................... 16
Appendix C – Revision History ......................................................... 17
7;" FTDI
3-; Chip
2
Copyright © 2011 Future Technology Devices International Limited
Document Reference No.: FT_000550
Vinco Ethernet MP3 RTCShield Datasheet 1.0
Clearance No.: FTDI#256
2 Functionality
2.1 Power
The shield requires a 3V3 supply to power the PCB. This is generated with an onboard 3V3 regulator
supplied with 5V supplied by the Vinco baseboard.
An additional 1V8 supply for the VS1053b audio codec is generated from an onboard regulator.
2.2 Input/Output
Connection to the Vinco baseboard is via pin headers. The Ethernet port, the audio CODEC and the Real
Time Clock are accessed by the VNC2 via SPI interface between the boards.
An RJ45 connector with inbuilt Speed and Link LEDs is provided for connecting to external Ethernet ports.
A 3.5mm audio socket is provided for connecting headphones to the audio CODEC output.
MIC input to the audio CODEC is available on header pins.
2.3 LEDs
There are 4 LEDs available on the shield.
1. LED1: Ethernet Full Duplex indicator is driven from the W5001 IC to indicate the Ethernet port is
in full duplex mode.
2. LED2: Ethernet Collision indicator is driven from the W5001 IC to indicate the Ethernet port is
experiencing data collisions.
3. LED3: Ethernet Received Data indicator is driven from the W5001 IC to indicate the Ethernet
port is receiving data.
4. LED4: Ethernet Transmitted Data indicator is driven from the W5001 IC to indicate the Ethernet
port is transmitting data.
2.4 Switches
SW1: A momentary switch to send a reset signal to the VNC2 controller on the Vinco baseboard.
Cth
m
SPI Master SPI Slave
Connector SEN
VINCO “”5 ISCS ’SCS w51oo
SCLK > SCLK SCLK
MOS! . MOSI p MOSI
mso MISO- M>so
m
3
Copyright © 2011 Future Technology Devices International Limited
Document Reference No.: FT_000550
Vinco Ethernet MP3 RTCShield Datasheet 1.0
Clearance No.: FTDI#256
2.5 Ethernet Operation
Ethernet is accessed via the Wiznet W5100 IC. This device converts Ethernet data to SPI data and vice
versa. The SPI port is a slave to the VNC2 SPI Master. Ethernet, SPI Master and GPIO drivers are
supplied with the Vinculum-II Toolchain at VNC2 IDE to allow programming and reading data over the
SPI interface to the W5100 IC
Figure 2.1 – SPI Master communicates with W5100 via the SPI bus
This Ethernet device will support TCP/IP and UDP protocol and allow for 10Mbps or 100Mbps transfers on
the Ethernet link.
All the Ethernet magnetics to support the Ethernet link are integrated into the RJ45 connector on the PCB
and as such the user only needs to supply a standard CAT5 cable to complete the link.
2.6 Real Time Clock Operation
The Real Time Clock (RTC) on the Ethernet/RTC/MP3 Shield is an NXP PCF2123 device. This is an SPI
peripheral accessed via the SPI Master on the Vinco baseboard. RTC, SPI Master and GPIO drivers are
available with the Vinculum-II Toolchain at VNC2 IDE to allow user applications access to the RTC Shield.
The device provides time and date information, allowing a possible mechanism to timestamp files
accessed with the Vinco base board on a USB memory device.
Time resolution is days, hours, minutes, seconds.
The calendar supports weekdays, months, years.
The RTC supports alarm and countdown timer functions.
Note: the board must be powered at all time to prevent the RTC losing its data.
Cth
SPI Master
SPI Slave
VINCO
Connector Headphones
(SCS D /SCS
SCLK , SCLK
MOSI > MOSI
MISO MISO
VNCZ IDE
4
Copyright © 2011 Future Technology Devices International Limited
Document Reference No.: FT_000550
Vinco Ethernet MP3 RTCShield Datasheet 1.0
Clearance No.: FTDI#256
2.7 Audio Codec Operation
The audio codec is the VLSI VS1053b. This will allow encoded audio files in MP3 format to be decoded to
analogue for playback over headphones or a speaker.
Figure 2.2 – SPI Master communicates with VS1053b via the SPI bus
RTC, SPI Master and GPIO drivers are available with the Vinculum-II Toolchain at VNC2 IDE to allow data
transfer over the SPI interface to the VNC2 on the Vinco baseboard.
Additionally the VS1053b can accept analogue audio from a MIC to be encoded for transfer over SPI to
the VNC2 on the Vinco baseboard. In theory the Vinco could then be used to save the encoded audio file
on a USB memory device for playback later, or possibly transfer over Ethernet to a second device for
playback using the Ethernet chip on this shield.
NOTE: At the time of writing this document, the current driver does not support audio recording.
on 000 I
Ethernent magnetics
J1 Interface to Vinco board
J2 Interface to Vinco board
J4 Interface to Vinco board
J5 Interface to Vinco board
J6 Interface to Vinco board
R OUT, GND, L OUT Stereo Audio Line out
MICp MICn Audio input
5
Copyright © 2011 Future Technology Devices International Limited
Document Reference No.: FT_000550
Vinco Ethernet MP3 RTCShield Datasheet 1.0
Clearance No.: FTDI#256
3 Pin Out and Signal Description
3.1 Module Connector Descriptions
CN2
LED1
Reset
J1
J2
1
1
J4
J6 J3
J5
U1
R out
CN1
U3
U4
U5
LED4
LED3
LED2
R out
GND
MICp
MICn
1
1
Figure 3.1 – Vinco Ethernet MP3 RTC Block Diagram
A detailed description of each pin out is given in the next section.
CONNECTOR
FUNCTION
CN1
RJ45 Ethernet Connector with integrated LEDs and
Ethernent magnetics
CN2
Analogue Audio output for headphones
J1
Interface to Vinco board
J2
Interface to Vinco board
J3
Interface to Vinco board
J4
Interface to Vinco board
J5
Interface to Vinco board
J6
Interface to Vinco board
R OUT, GND, L OUT
Stereo Audio Line out
MICp MICn
Audio input
Table 3.1 – Vinco Ethernet MP3 RTC Connector Descriptions
FTDI
Chip
Routed to VNCZ Pin
on VINCO BaseBoard
Ana‘cgue
Output
6
Copyright © 2011 Future Technology Devices International Limited
Document Reference No.: FT_000550
Vinco Ethernet MP3 RTCShield Datasheet 1.0
Clearance No.: FTDI#256
3.2 Vinco Ethernet MP3 RTC Shield Connectors : Pins and Signal
Description
Pin No.
Name
Type
Description
Routed to VNC2 Pin
on VINCO BaseBoard
CN1-1
TXOP
Analogue
Output
Positive differential Ethernet transmit line.
N/A
CN1-2
TXON
Analogue
Output
Negative differential Ethernet transmit line.
N/A
CN1-3
TCT
Digital Ouptut
Transmit coil centre tap connected to 3V3
N/A
CN1-6
RCT
Digital Ouptut
Receive coil centre tap connected to 3V3
N/A
CN1-7
RXIP
Analogue
Input
Positive differential Ethernet receive line.
N/A
CN1-8
RXIN
Analogue
Input
Negative differential Ethernet receive line.
N/A
CN1-9
LINK LED
Digital Output
Logic Low to illuminate the Green LED.
Indicates a link has been established over
Ethernet
N/A
CN1-10
GLED+
PWR Output
3V3 supply to the Green LED Anode in the
connector
N/A
CN1-11
SPE_LED
Digital Output
Logic Low to illuminate the Yellow LED.
Indicates 10Mbps connection when not lit.
Indicates 100Mbps connection when lit.
N/A
CN1-12
YLED+
PWR Output
3V3 supply to the Yellow LED Anode in the
connector
N/A
CN2-3
Right
Analogue
Output
Audio Right output for headphones
N/A
CN2-4
Left
Analogue
Output
Audio Left output for headphones
N/A
CN2-5
GND
GND
Audio GND to headphones
N/A
J1-1
AIN6
Analogue
Input
NOT IN USE
J1-2
AIN7
Analogue
Input
NOT IN USE
J1-3
RESET#
Outut
Reset for the VNC2-64Q
9
J1-4
VCC3V3
PWR input
NOT IN USE
J1-5
VCC5V
Power output
5V input to power shield
N/A
J1-6
GND
GND
GND for PCB
1, 6, 8, 30, 35, 53, 64
J1-7
GND
GND
GND for PCB
1, 6, 8, 30, 35, 53, 64
J1-8
VCCIN
PWR Input
NOT IN USE
J2-1
AIN0
Analogue
Input
NOT IN USE
J2-2
AIN1
Analogue
Input
NOT IN USE
J2-3
AIN2
Analogue
Input
NOT IN USE
J2-4
AIN3
Analogue
Input
NOT IN USE
J2-5
AIN4
Analogue
Input
NOT IN USE
J2-6
AIN5
Analogue
Input
NOT IN USE
J3-1
IOBUS33
I/O
NOT IN USE
"' FTDI
Chip
’ .’»“n.
'l
Routed to VNCZ Pin
RTC INT}? Out ut 3V3 Out ut
TC7CL
TC7C
7
Copyright © 2011 Future Technology Devices International Limited
Document Reference No.: FT_000550
Vinco Ethernet MP3 RTCShield Datasheet 1.0
Clearance No.: FTDI#256
Pin No.
Name
Type
Description
Routed to VNC2 Pin
on VINCO BaseBoard
J3-2
IOBUS32
I/O
NOT IN USE
J3-3
IOBUS34
I/O
NOT IN USE
J3-4
IOBUS35
I/O
NOT IN USE
J3-5
IOBUS36
I/O
NOT IN USE
J3-6
IOBUS37
I/O
NOT IN USE
J3-7
IOBUS38
I/O
NOT IN USE
J3-8
IOBUS39
I/O
NOT IN USE
J4-1
IOBUS6
I/O
NOT IN USE
J4-2
IOBUS7
I/O
NOT IN USE
J4-3
SS#
I/O
NOT IN USE
J4-4
MOSI
Input
3V3 level SPI MOSI data line to send data
to the IC’s on the shield.
20
J4-5
MISO
Output
3V3 level SPI MISO data line to send data
from the IC’s on the shield.
22
J4-6
SCLK
Input
3V3 level SPI SCLK line to clock the SPI
peripherals on the shield
19
J4-7
GND
GND
GND for PCB
1, 6, 8, 30, 35, 53, 64
J4-8
AREF
I/O
NOT IN USE
J5-1
IOBUS41
I/O
NOT IN USE
J5-2
IOBUS42
I/O
NOT IN USE
J5-3
IOBUS43
I/O
NOT IN USE
J5-4
RTC_CE
Input
3V3 Input to enable the RTC chip
12
J5-5
RTC_INT#
Output
3V3 Output
13
J5-6
RTC_CLKO
UT
Output
3V3 Output
14
J5-7
RTC_CLKO
E
Input
3V3 Input
15
J5-8
IOBUS5
I/O
NOT IN USE
J6-1
MP3_RST#
Input
Active Low 3V3 Input to reset the audio
codec.
24
J6-2
MP3_DREQ
Output
3V3 Output
25
J6-3
MP3_DCS
#
Input
3V3 Input
26
J6-4
MP3_CS#
Input
Active low 3V3 input to enable the audio
codec
27
J6-5
ETH_CS#
Input
Active low 3V3 input to enable the
Ethernet chip
28
J6-6
ETH_INT#
Output
3V3 Output
29
J6-7
ETH_RST#
Input
Active Low 3V3 Input to reset the Ethernet
chip.
31
J6-8
IOBUS19
I/O
NOT IN USE
J7
Left
Analogue
Output
Audio Right output for headphones
N/A
J8
Right
Analogue
Output
Audio Left output for headphones
N/A
J9
GND
GND
Audio GND to headphones
N/A
J10
MICp
Analogue In
Audio input from MIC positive
N/A
J11
MICn
Analogue In
Audio input from MIC negative
N/A
Table 3.2 – Pin Signal Descriptions
’ ,-' FTDI
. .
:-_ Chip
VNCZ IDE
tools AN 142 Vinculurn-II Tool Chain Getting Started Guide
AN 138 Vinculum-II Debu Interface
VNCZ IDE
debuggengrogrammer module FI'DI
n
n
n
n
VNCZ IDE
debuggengrogrammer module FI'DI
8
Copyright © 2011 Future Technology Devices International Limited
Document Reference No.: FT_000550
Vinco Ethernet MP3 RTCShield Datasheet 1.0
Clearance No.: FTDI#256
4 Firmware
Firmware libraries and sample applications code to demonstrate using this Shield with the Vinco
baseboard are available for download with the VNC2 IDE from Toolchain revision 1.4.2 onwards (VNC2
tools). Please refer to section 3 of AN_142 Vinculum-II Tool Chain Getting Started Guide or section 4 of
AN_138 Vinculum-II Debug Interface on how to load, build, program and debug the sample applications
on the VNC2 device.
4.1 Ethernet Sample Application
There are 2 ethernet sample applications called TCP.vproj and UDP.vproj. Both applications
demonstrarate the use of the Ethernet library and the Vinco Shield.
4.1.1 TCP Sample Application
The “TCP” application turns the Vinco board into a TCP server that accepts incoming connections. When a
connected client sends a message “On!” to the Vinco board, the on-board LED1 is turned on and a
message “LED On!” is sent back to the client. When the client sends a message “Off!” to the Vinco board,
the on-board LED1 is turned off and a message “LED Off!” is sent back to the client.
Setup:This application uses the Ethernet/MP3/RTC shield mated with the Vinco module and a Host PC
installed with the VNC2 IDE. The Vinco module consists of a J7 connector which connects with the
VNC2 debugger/programmer module, (also available from FTDI), this allows the IDE running on the PC to
communicate with the VNC2 debugger port. The debugger module can also be used to load/program the
ROM file created by the IDE into the VNC2 Flash memory.
Depending on the local network configuration, an Ethernet switch or router may be needed to connect the
Ethernet/MP3/RTC Shield to the network via CN1, RJ45 Ethernet connector. The PC should also be
installed with a TCP client software (such as Tera Term) and connected to the network to send messages
to the board. If Tera Term is used, the settings should be set as follow:
Host: < The IP address of the Ethernet shield in the network >
Service: Other
TCP port: 80
Protocol: IPv4
Please note that no external circuit is needed to run this application
4.1.2 UDP Sample Application
The “UDP” sample application configures the Vinco board to accept incoming UDP connection. When a
peer sends a message "On" to the Vinco board, the on-board LED1 is turned on and the message "LED
On!" is sent back to the sender. When the peer sends the message "Off" to the Vinco board, the on-board
LED1 is turned off and the message "LED Off!" is send back to the sender.
Setup:This application uses the Ethernet/MP3/RTC shield mated with the Vinco module and a Host PC
installed with the VNC2 IDE. The Vinco module consists of a J7 connector which connects with the
VNC2 debugger/programmer module, (also available from FTDI), this allows the IDE running on the PC to
communicate with the VNC2 debugger port. The debugger module can also be used to load the rom file
created by the IDE into the VNC2 chip.
Depending on the local network configuration, an Ethernet switch or router may be needed to connect the
Ethernet/MP3/RTC Shield to the network via CN1, RJ45 Ethernet connector. The PC should also be
installed with a UDP client software (such as UDP Win Chat) and connected to the network to send
messages to the board. Please note that no external circuit is needed to run this application.
F!“ ":I
M
debuggedgrogrammer module
FTDI
Chir.)
15
“)5 \'CC:§\'3
g . 104 RTC‘CLKOli
6 103 RTCCLKOUT
5 . 102 RTC INT#
'4 101 19
Copyright © 2011 Future Technology Devices International Limited
Document Reference No.: FT_000550
Vinco Ethernet MP3 RTCShield Datasheet 1.0
Clearance No.: FTDI#256
4.2 MP3 Sample Application
An “MP3” sample application called “MP3FlashDisk.vproj” demonstrates how to play songs (MP3 and
WMA) from a FAT-formatted USB flash drive. The application automatically find MP3 and WMA files in the
root directory of the flash drive and plays them one after another. Currently the application only plays
back the first 25 songs found. This limit can be changed by adjusting the macro MAX SONG count in
MP3FlashDisk.c. Due to a limit in the SPI transfer speed, only songs at 96kbps or lower can be played
smoothly. Three push buttons can be attached to emulate an MP3 player – see example
in 4.1.
Setup:This application uses the Ethernet/MP3/RTC Shield mated with the Vinco module, a flash drive
connected to the CN2 (USB port 2) connector on the Vinco module and a Host PC with the installed VNC2
IDE. The Ethernet/MP3/RTC Shield also has a CN2 connector to allow the user to connect headsphones
onto it. The Vinco module consists of a J7 connector which connects with the VNC2
debugger/programmer module, (also available from FTDI), this allows the IDE running on the PC to
communicate with the VNC2 debugger port. The debugger module can also be used to load the rom file
created by the IDE into the VNC2 chip.
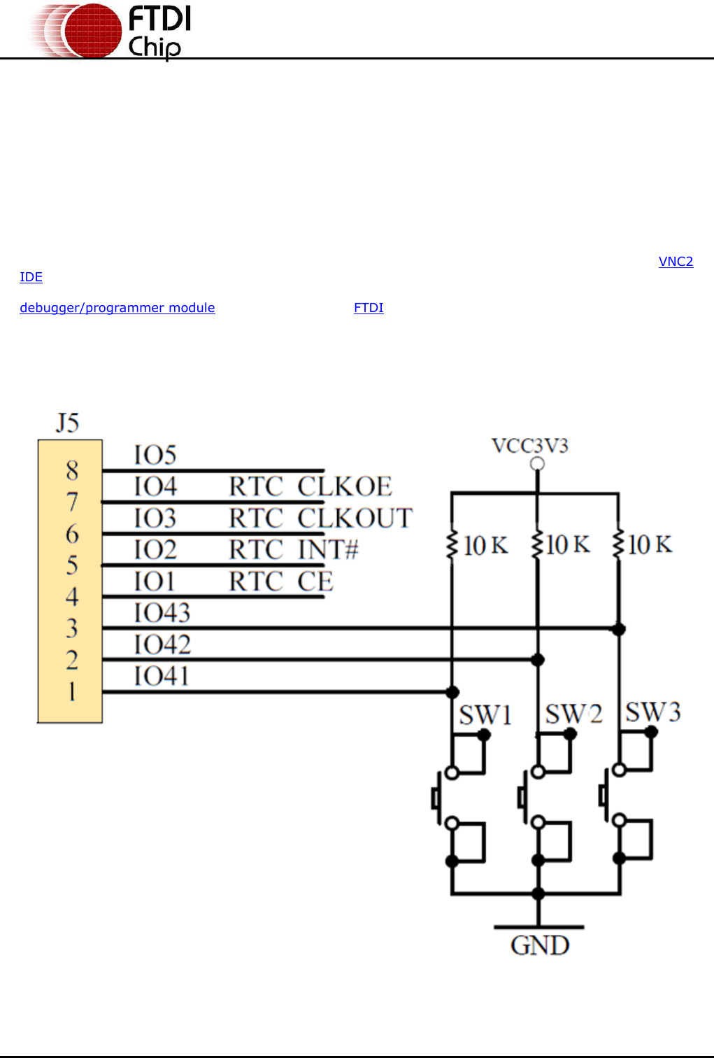
Three push buttons can be attached as follows to emulate the MP3 player:
Figure 4.1 – MP3 Player Push Buttons Schematic
FTDI
Chip
'I
VNCZ IDE
debuggengrogrammer module
10
Copyright © 2011 Future Technology Devices International Limited
Document Reference No.: FT_000550
Vinco Ethernet MP3 RTCShield Datasheet 1.0
Clearance No.: FTDI#256
SW1 is used to play/pause and skip songs:
Short press (> 0.1s and < 0.8s): play/pause
Long press (>0.8s): skip to the next song
SW2 is used to control volume:
Short press (> 0.1s and < 0.8s): decrease volume
Long press (>0.8s): increase volume
SW3 is used to control volume:
Short press (> 0.1s and < 0.8s): fast forward
Long press (>0.8s): rewind
Since a long button press takes about 0.8s to be recognized, the program will delay for about 0.8s since
a button is pressed to verify if it is a short press or a long press. Hence there will be a delay of about 0.8s
since the button is press before the operation is performed. As a result, even for short presses, two
consecutive presses should still be about 1s apart from each other (i.e. do not press too fast). The use of
an external power supply (provided with the purchase of Vinco) is recommended.
4.3 RTC Sample Application
The “RTC” sample application called “RTCExample.vproj” demonstrarates the use of the NXP PCF2123
Real Time Clock to set/read the time and start a countdown timer.
Setup:This application uses the Ethernet/MP3/RTC Shield mated with the Vinco module and a Host PC
with the installed VNC2 IDE. The Vinco module consists of a J7 connector which connects with the
VNC2 debugger/programmer module, (also available from FTDI), this allows the IDE running on the PC to
communicate with the VNC2 debugger port. It also used to load the rom file created by the IDE into the
VNC2 chip.
Iv Al
3.3
8.8
ifij
J 05 _ u
!. LEI .3 0000000 ooooooou
523$... 2:32....
a:
a a
amwmnn Q3. fix
meuaom mg mg
fowl . 0% 5
4% M8 .
.zw
M2 E3
80.2%
25m4+
2M5m
5.
13
i a o o
40 46w 83 e w
. . . 4:0 5
ms 3 25 z L
8%
11
Copyright © 2011 Future Technology Devices International Limited
Document Reference No.: FT_000550
Vinco Ethernet MP3 RTCShield Datasheet 1.0
Clearance No.: FTDI#256
5 Mechanical Details
Figure 5.1 –Vinc Ethernet RTC MP3 Dimensions
±0.20mm Tolerance (except pitch)
Maximum height is 15mm
All dimensions are in mm
FTDI
n
2'
C
16
’5
y-
m.)
“ 0“ 00‘
Frrafimt iii-A
fifigunaa uui'
I: "mm"
p—Eaeaa 59:1:
“muggg a“:
22:21:"" . r. .n;
00030000 00003000
uremamm ”Hugh",
M are.“
13
mkov-Qmuk
.2
RESET# 2’3
253
smu—
AREr
SCLK
MED
MOS!
I038
SET
U3
VCCSVSD
AICmSMJCY
KTCCE
In Ric—mp (US)
S ”K m
MOS]
most
MISO mso
Comm. 51»: signal:
In ms Moan chip (m)
E“: 3%; NH cs:
m m,
£11me
In Ethrnm Chip (n)
\"'((1\3D
ID? R40
10L 10K
RIC CLKOUT
FLEG‘OIOAEDBI
U5
50.1»: m u
: iii? mg i if)? cuéfi :3 RT( m— RTC 12
Copyright © 2011 Future Technology Devices International Limited
Document Reference No.: FT_000550
Vinco Ethernet MP3 RTCShield Datasheet 1.0
Clearance No.: FTDI#256
6 Schematic Diagram
Figure 6.1 – Vinco Ethernet RTC MP3 Shield Schematic – Connectors
Figure 6.2 – Vinco Ethernet RTC MP3 Shield Schematic – RTC

13
Copyright © 2011 Future Technology Devices International Limited
Document Reference No.: FT_000550
Vinco Ethernet MP3 RTCShield Datasheet 1.0
Clearance No.: FTDI#256
Figure 6.3 – Vinco Ethernet RTC MP3 Shield Schematic - Ethernet
Figure 6.4 – Vinco Ethernet RTC MP3 Shield Schematic – MP3
"_-"' FTDI
{a Chip
Email (Sales) sales1@rmicmp.eorn
E-mail (Support) supportletdichlgLom
E-mail (General Enquines) admm1@fmichig.com
Email (Sales) tw.salesl thdichigLom
E-mail (Support) tw.su ortl ftdichi .com
E-mail (General Enquines) tw.admln1 ftdlchi .com
E-Mail (Sales)
E-Mail (Support)
E-Mail (General Enqulrles)
E-mall (Sales)
E-mall (Support)
E-mall (General Enqulries)
us.sales thdichiQLOm
us.su ort ftdichi .Com
us.admin @ftdlcthLom
Cn.SaleS thdichiQLOm
Cn.Su ort ftdichi .Com
Cn.admin @ftdlcthLom
14
Copyright © 2011 Future Technology Devices International Limited
Document Reference No.: FT_000550
Vinco Ethernet MP3 RTCShield Datasheet 1.0
Clearance No.: FTDI#256
7 Contact Information
Head Office – Glasgow, UK
Future Technology Devices International Limited
Unit 1, 2 Seaward Place, Centurion Business Park
Glasgow G41 1HH
United Kingdom
Tel: +44 (0) 141 429 2777
Fax: +44 (0) 141 429 2758
E-mail (Sales)
sales1@ftdichip.com
E-mail (Support)
support1@ftdichip.com
E-mail (General Enquiries)
admin1@ftdichip.com
Branch Office – Taipei, Taiwan
Future Technology Devices International Limited
(Taiwan)
2F, No. 516, Sec. 1, NeiHu Road
Taipei 114
Taiwan , R.O.C.
Tel: +886 (0) 2 8791 3570
Fax: +886 (0) 2 8791 3576
E-mail (Sales)
tw.sales1@ftdichip.com
E-mail (Support)
tw.support1@ftdichip.com
E-mail (General Enquiries)
tw.admin1@ftdichip.com
Branch Office – Hillsboro, Oregon, USA
Future Technology Devices International Limited (USA)
7235 NW Evergreen Parkway, Suite 600
Hillsboro, OR 97123-5803
USA
Tel: +1 (503) 547 0988
Fax: +1 (503) 547 0987
E-Mail (Sales)
us.sales@ftdichip.com
E-Mail (Support)
us.support@ftdichip.com
E-Mail (General Enquiries)
us.admin@ftdichip.com
Branch Office – Shanghai, China
Future Technology Devices International Limited
(China)
Room 408, 317 Xianxia Road,
Shanghai, 200051
China
Tel: +86 21 62351596
Fax: +86 21 62351595
E-mail (Sales)
cn.sales@ftdichip.com
E-mail (Support)
cn.support@ftdichip.com
E-mail (General Enquiries)
cn.admin@ftdichip.com
Web Site
http://ftdichip.com
System and equipment manufacturers and designers are responsible to ensure that their systems, and any Future Technology Devices
International Ltd (FTDI) devices incorporated in their systems, meet all applicable safety, regulatory and system-level performance
requirements. All application-related information in this document (including application descriptions, suggested FTDI devices and other
materials) is provided for reference only. While FTDI has taken care to assure it is accurate, this information is subject to customer
confirmation, and FTDI disclaims all liability for system designs and for any applications assistance provided by FTDI. Use of FTDI
devices in life support and/or safety applications is entirely at the user’s risk, and the user agrees to defend, indemnify and hold
harmless FTDI from any and all damages, claims, suits or expense resulting from such use. This document is subject to change without
notice. No freedom to use patents or other intellectual property rights is implied by the publication of this document. Neither the whole
nor any part of the information contained in, or the product described in this document, may be adapted or reproduced in any material
or electronic form without the prior written consent of the copyright holder. Future Technology Devices International Ltd, Unit 1, 2
Seaward Place, Centurion Business Park, Glasgow G41 1HH, United Kingdom. Scotland Registered Company Number: SC136640
"" FTDI
«-_ Chip
v"""!
VNCZ Datasheet
VINCD Datasheet
Application and Technical Notes
Vinculum-II Errata Technical NoteVincuium»II 10 Cell Description
Vinculum-II Debug Interface Description
Vinculum-II IO Mux Explained
Vinculum-II PWM Example
Miqratinq Vinculum Desiqns From VNClL to VNC2»4BL1A
Vinculum-II Tooichain Installation Guide
Vinculum-II Tooichain Getting Started Guide
Vinculum-II User Guide
Wiznet W5100 datasheetNXP PCF2123 datasheet
VLSI V51053b datasneet
Wiznet W5100 SP1 Agplication note
15
Copyright © 2011 Future Technology Devices International Limited
Document Reference No.: FT_000550
Vinco Ethernet MP3 RTCShield Datasheet 1.0
Clearance No.: FTDI#256
Appendix A – References
VNC2 Datasheet
VINCO Datasheet
Application and Technical Notes
Vinculum-II Errata Technical NoteVinculum-II IO Cell Description
Vinculum-II Debug Interface Description
Vinculum-II IO Mux Explained
Vinculum-II PWM Example
Migrating Vinculum Designs From VNC1L to VNC2-48L1A
Vinculum-II Toolchain Installation Guide
Vinculum-II Toolchain Getting Started Guide
Vinculum-II User Guide
Wiznet W5100 datasheetNXP PCF2123 datasheet
VLSI VS1053b datasheet
Wiznet W5100 SPI Application note
7;" FTDI
3-; Chip
16
Copyright © 2011 Future Technology Devices International Limited
Document Reference No.: FT_000550
Vinco Ethernet MP3 RTCShield Datasheet 1.0
Clearance No.: FTDI#256
Appendix B – List of Figures and Tables
List of Figures
Figure 1.1 – Vinco Ethernet RTC MP3 Shield .................................................................................... 1
Figure 4.1 – SPI Master communicates with W5100 via the SPI bus .................................................... 3
Figure 6.1 – SPI Master communicates with VS1053b via the SPI bus ................................................. 4
Figure 3.1 – Vinco Ethernet MP3 RTC Block Diagram ......................................................................... 5
Figure 4.1 – MP3 Player Push Buttons Schematic ............................................................................. 9
Figure 5.1 –Vinc Ethernet RTC MP3 Dimensions....................................................................... 11
Figure 6.1 – Vinco Ethernet RTC MP3 Shield Schematic – Connectors ...................................... 12
Figure 6.2 – Vinco Ethernet RTC MP3 Shield Schematic – RTC ................................................. 12
Figure 6.3 – Vinco Ethernet RTC MP3 Shield Schematic - Ethernet .......................................... 13
Figure 6.4 – Vinco Ethernet RTC MP3 Shield Schematic – MP3 ................................................. 13
List of Tables
Table 1.1 – Vinco Ethernet/MP3/RTC Shield Part Numbers ................................................................. 2
Table 3.1 – Vinco Ethernet MP3 RTC Connector Descriptions .............................................................. 5
Table 3.2 – Pin Signal Descriptions ............................................................................................ 7
Vinculum-II
Send Feedback
17
Copyright © 2011 Future Technology Devices International Limited
Document Reference No.: FT_000550
Vinco Ethernet MP3 RTCShield Datasheet 1.0
Clearance No.: FTDI#256
Appendix C – Revision History
Document Title: Vinco Ethernet MP3 RTC Shield Datasheet
Document Reference No.: FT_000550
Clearance No.: FTDI#
Document Folder: Vinculum-II
Document Feedback: Send Feedback
Revision
Changes
Date
1.0
First release
2011-12-23
Products related to this Datasheet
VINCO ETHERNET MP3 RTC SHIELD